Розрахунок радіоканалу відеоспостереження
Міністерство
освіти і науки України
Національний
авіаційний університет
Інститут
аерокосмічних систем управління
Кафедра
електродинаміки
Курсовий
проект
з
дисципліни : «Основи побудови радіоканалів»
на
тему : «Розрахунок радіоканалу відеоспостереження»
Виконала:
студентка ІАСУ-315
Каленюк Лілія
Перевірив:
Журавльов Ю.М.
Київ
2012
Вступ
радіоканал відеоспостереження антена
За останні роки відеоспостереження
стало невід’ємною частиною комплексної системи безпеки об’єкту, оскільки
сучасні системи відеоспостереження дозволяють не тільки спостерігати і
записувати відео, але і програмувати реакцію всієї системи безпеки при
виникненні тривожних подій або ситуацій. Системи відеоспостереження (англійська
абревіатура CCTV - Closed Circuit TeleVision - системи замкнутого телебачення)
- призначені для організації відеоспостереження на об’єктах, що охороняються.
Залежно від типу використовуваного
устаткування системи відеоспостереження ділять на аналогові і цифрові.
Аналогові системи відеоспостереження використовують там, де необхідно
організувати відеоспостереження в невеликому числі приміщень та інформацію з
відеокамер записувати на відеомагнітофон. Для забезпечення безпеки особливо
відповідальних або територіально розподілених об’єктів використовують цифрові
системи відеоспостереження, які, як правило, інтегруються в комплексні системи
безпеки. Такі комплекси фіксують, записують і аналізують інформацію, що
поступає від відеокамер, зчитувачів системи контролю доступу, охоронних і
пожежних датчиків, а також «приймають рішення» по захисту об’єкту, що
охороняється, в автономному режимі або по вказівці оператора системи.
Цифрова система відеоспостереження
застосовується в системах безпеки територіально розподілених об’єктів, а також
в комплексах управління безпекою глобальних компаній. Сьогодні цифрові
технології відеоспостереження поступово “тіснять” аналогові системи по
функціональних і технічних характеристиках, а за своєю ціною вже наближаються
до вартості аналогових систем відеоспостереження.
Функції, характеристики і
комплектація системи відеоспостереження залежать від вимог, що пред’являються
замовником до безпеки об’єкту. Як правило, мінімальна конфігурація такої
системи включає відеокамери, пристрої обробки відеосигналів (квадратори,
мультиплексори і ін.), пристрої, які записують (відеомагнітофони,
відеореєстратори, відео рекордери) і пристрої відображення відеоінформації
(відеомонітори). У крупніші системи відеоспостереження встановлюють додаткові
керівники і допоміжні пристрої - матричні комутатори, клавіатури управління
відеокамерами, відеопринтери, підсилювачі-розподільники, модулятори,
телеметричні приймачі і передавачі та інші охоронні пристрої.
Аналогові камери відео спостереження
В даний час в системи
відеоспостереження встановлюють, як правило, аналогові камери
відеоспостереження, які відрізняються простотою конструкції і невисокою ціною.
Ці відеокамери є оптичними пристроями, ПЗС-МАТРИЦІ яких формують відеосигнал з
світлового потоку, що проходить через об’єктив і групу лінз і потрапляє на цю матрицю.
Також виготовляються камери відеоспостереження, які мають вбудований блок
перетворення аналогового відеосигналу в цифровий. Такі відеокамери вже можна
підключати в цифрові системи відеоспостереження.
Фірми пропонують клієнтам більше 50
моделей відеокамер таких відомих світових виробників, як Watec, JVC, Ikegami,
Sensormatic, Computar, Sentech та інші, які, залежно від завдань, що
виконуються в системі відеоспостереження, діляться на групи:
безкорпусні камери - мають, як
правило, розміри сірникової коробки, поставляються виробником без корпусу.
- мініатюрні відеокамери
мають невеликі розміри, власний корпус і можуть встановлюватися як на
кронштейни, так і на поворотні пристрої.
приховані відеокамери
відрізняються найменшими габаритами і використовуються для ведення прихованого
відеоспостереження.
швидкісні купольні
відеокамери оснащені, як правило, швидкісним поворотним пристроєм, завдяки
якому відеокамери можуть обертатися з швидкістю до 400˚/с у горизонтальній
площині і повертатися у вертикальній площині до 160˚. Ці відеокамери
кріпляться, як правило, на стелі і встановлюються в системи відеоспостереження.
чорно-білі відеокамери
представляють найбільш популярний клас камер відеоспостереження, оскільки вони
мають невисоку ціну і, як правило, складають основу системи відеоспостереження.
Залежно від призначення, чорно-білі відеокамери діляться на моделі для роботи
усередині приміщення і поза приміщенням.
кольорові відеокамери
використовують в системі відеоспостереження, коли необхідно передавати на відеомонітор
і записувати на відеомагнітофон системи відеоспостереження зображення в
кольорі.
Цифрові відеокамери
Ці відеокамери мають блок цифрової
обробки сигналу, вбудований веб-браузер і формують якісніше зображення, яке
можна передавати у вигляді цифрового сигналу по LAN/WAN мережам системи
відеоспостереження. Цифрові відеокамери застосовують на найбільш відповідальних
ділянках системи відеоспостереження. Як правило, цифрові камери мають
аналоговий і цифровий виходи.
Пристрої обробки відеосигналів
Пристрої обробки відеосигналів
(мультиплексори, квадратори) - це прилади, які обробляють відеозображення, що
отримується від декількох камер відеоспостереження, що аналізують зображення і
що передають їх в заданому форматі на монітор відеоспостереження. Залежно від
типу використовуваних відеокамер застосовуються чорно-білі або кольорові
пристрої обробки відеосигналів.
Квадратори - це пристрої системи
відеоспостереження, що дозволяють переглядати одночасно на відеомоніторі
зображення, що передаються з 2, 3 або 4 відеокамер.
Мультиплексори дозволяють одночасно
виводити на моніторі відеоспостереження зображення з 4 до 32 відеокамер
(симплексний мультиплексор), при цьому виконувати послідовний запис цих
зображень на відеомагнітофон або вбудований відеореєстратор (дуплексні
мультиплексори), а також проглядати на моніторі системи відеоспостереження,
одночасно з “живим” відео, раніше записані відеофрагменти (триплексні
мультиплексори).
Записуючі пристрої для
відеоспостереження
Пристрої запису відеоінформації
(відеомагнітофони, відеореєстратори, відеорекордери) призначені для запису,
зберігання і подальшого відтворення зображень, що поступають як від камер, так
і від мультиплексора системи відеоспостереження. Аналогові відеомагнітофони
можуть записувати до 960 годин відео на одну касету стандарту
VHS.<;;;o:p>
Пристрої цифрового запису
(відеорекордери, відеореєстратори) здійснюють запис відеоінформації в цифровому
форматі безпосередньо на жорсткий диск (HDD). Як правило, цифрові
відеореєстратори останніх моделей оснащені системою, що реагує на рух в кадрі,
і що автоматично записує це відео, а так само мають мережеву плату для
підключення відеореєстратора до системи відеоспостереження по LAN/WAN мережі.
Розробка системи охоронного
відеонагляду - дуже складне завдання. Щоб його виконати, ми повинні володіти,
як мінімум, базовими знаннями всіх рівнів системи, а також її компонентів. Але
ще важливіше те, що до проектування системи ми повинні чітко знати, що чекає
від неї споживач.
1. Побудова радіоканалу
.1 Загальна схема радіозв’язку
Для того, щоб розглянути загальну
схему радіозв’язку, пояснимо деякі специфічні, для більшості людей, моменти.
У звичайних користувачів може
виникнути питання, чи не можна для того, щоб передати за допомогою радіохвиль
людську мову, звукові коливання перетворити в електричні, а останні за
допомогою антени - в електромагнітні хвилі, щоб потім в прийомному пункті ці
електромагнітні хвилі знову перетворити в звук?
Коливання, що створюються голосом,
являються коливаннями низьких частот, що звичайно лежать в межах 75 - 3000 Гц.
Використаємо формулу:
, (1.1)
де λ - довжина
хвилі, f -
частота, υ -
швидкість розповсюдження електромагнітних хвиль, яка розраховується як:
, (1.2)
де с - швидкість світла (3
•108 м/с), ε та μ -
відповідно діелектрична та магнітна проникність середовища. Для повітря ε ≈
μ ≈
1, а тому υ
≈ с.
Тепер можна легко показати,
що такі коливання створять хвилі довжиною 4000 - 100 км. Як відомо, антени
можуть ефективно випромінювати лише тоді, коли їх розміри співрозмірні з
довжиною хвилі. Тому передача коливань з такими довжинами хвиль виявляється
практично неможливою.
Якщо врахувати, що можна
побудувати антени розмірами, що не перевищують декількох десятків метрів (в
окремих випадках сотень метрів), то стає зрозумілим, що для радіозв’язку можна
використовувати хвилі, довжина яких менша декількох кілометрів. Такі
електромагнітні хвилі створюються коливаннями з частотами, які в декілька раз
перевищують частоти звукових коливань. Для передачі з їхньою допомогою коливань
звукової частоти або умовних сигналів змінюють амплітуду, частоту або фазу
струму високої частоти у відповідності із законом передавального коливання
звукової частоти або створюють по визначеному коду перериви в передачі. Зміна
амплітуди, фази або частоти струму або ж введення в передачу переривів по
визначеній програмі називається модуляцією.
Таким чином, будь-який
радіопередавальний пристрій мусить складатися із трьох основних елементів:
генератора змінної ЕРС, модулятора (пристрій за допомогою якого здійснюється
модуляція) та антени.
В прийомному пункті мусить
знаходитись пристрій, що перетворює енергію електромагнітних хвиль в енергію
електричних коливань, тобто приймальна антена. До антени, розміщеної в
прийомному пункті, приходять електромагнітні хвилі, що випромінюються різними
передавачами, які працюють на різних частотах. Для того, щоб приймати сигнали
лише однієї станції, необхідно мати вибірковий пристрій, який здатний виділить
із коливань різних частот лише ті коливання, що передаються потрібною
радіостанцією. Для вирішення цієї задачі використовуються електричні коливальні
контури, що налаштовуються на частоту тієї радіостанції, яку ми хочемо
прийняти.
Виділені за допомогою контуру
високочастотні коливання потрібно піддати зворотному перетворенню, тобто
отримати з них струми або напруги, які змінюються у відповідності до закону
модуляції коливань в передавачеві. Для рішення цієї задачі приймач мусить мати
спеціальний пристрій, який називають детектором.
Нарешті, виділений сигнал
потрібно подати на деякий кінцевий пристрій, що запише його і дозволить людині
сприймати його у вигляді звука чи світла. Отже, радіоприймальний пристрій
мусить містити в собі обов’язково антену, вибірковий пристрій, детектор і
кінцевий пристрій.
Вище було вказано лише обов’язкові
(елементарні, загальні) блоки передавача та приймача для здійснення
радіозв’язку.
Таким чином, структурна схема
радіозв’язку має вигляд, зображений на рис. 1.1.
Рис. 1.1 Структурна схема
радіозв’язку
Механізми розповсюдження радіохвиль
Поширення радіохвиль в умовах
міської забудови або пересічній місцевості має більш складний характер, ніж
поширення радіохвиль у відкритому просторі. Це пов'язано з ослабленням
радіохвиль при проходженні через перешкоди, відбиттям радіохвиль від перешкод
під різними кутами та накладанням відбитих хвиль і основної хвилі в просторі. В
результаті чого виходить складна картина розподілу поля: максимуми напруженості
поля чергуються з мінімумами. Перепади напруженості можуть досягати 30 дБ при
зміненні відстані в межах довжини хвилі. Якісний прийом радіосигналів у місті
залежить від багатьох факторів: густини і різноповерхневості забудови району
проживання; виду поляризації хвиль - горизонтальна або вертикальна; місця
розташування приймальної антени й таке інше. Значно послаблюють рівень
приймального сигналу висотні будівлі, що знаходяться на трасі прийому, за якими
створюється зона “тіні”. Крім того, висотні будівлі перевипромінюють хвилі, що
розповсюджуються від передавальної антени. В результаті, в точку приймання приходять
разом з основною і хвилі відбиті від будівель, дахів, землі і таке інше.
Розповсюдження радіохвиль, як правило, описуються трьома основними механізмами,
ними являються: відбиття, дифракція та розсіяння. Ці механізми показані на
рисунку 1.2
Рис. 1.2 Представлення механізму
розповсюдження радіохвиль:
(1) пряма видимість, (2) відбиття
від земної або водної поверхні, (3) відбиття від будівель, (4) дифракція на
завадах, (5) поглинання/заломлення в будівлях.
Відбиття радіохвиль
Явище відбиття радіохвиль
відбувається коли, хвиля падає на поверхню великих розмірів з наявними
невеликими нерівностями, порівняно з довжиною хвилі. Отже, електромагнітні
хвилі, що приходять з певного напрямку на поверхню, розміри якої більші порівняно
з довжиною хвилі, відбиваються від цієї поверхні. Слід відрізняти дзеркальне та
дифузне відбиття хвиль.
Явище дзеркального відбиття
спостерігається на всіх частотах, коли хвиля падає на плоску однорідну
поверхню, наприклад, це можуть бути завади у вигляді землі, або фасадів
будівель. Додаткові втрати, визвані відбиттям такого роду можна визначити із
формул Френеля і вони залежать від діелектричних характеристик відбиваючої
поверхні: провідність σ, діелектрична
проникність ε,
та інші.
Дифузне відбиття. Відбиття хвилі від
нерівної поверхні, тобто поверхні яка представлена з нерівномірностями висоти в
різних точках поверхні, відоме як дифузне відбиття. Якщо випромінена хвиля
падає на таку поверхню, вона не буде відбиватися в одному напрямку, а розповсюдиться
в різних напрямках. Для того, щоб визначити являється відбиття дифузним чи
дзеркальним використовують, як правило, критерії розроблені Релеєм.
Отже, інтенсивність відбитої хвилі
залежить від частоти радіохвилі, типу матеріалу поверхні, поляризації хвиль та
кута падіння.
Дифракція радіохвиль
Явище дифракції спостерігається,
коли хвиля зустрічає гострі грані, воно являється одним з найбільш важливих
факторів, які впливають на розповсюдження радіохвиль.
Дифракція - явище виникнення
вторинних хвиль при падінні радіохвилі на заваду з гострими гранями. Дифракція
може бути пояснена, як явне огинання радіохвилями завад. Саме завдяки дифракції
зумовлена наявність поля за завадою, в області геометричної тіні шлях
називається дифракційним, коли хвиля проходить шлях огинаючи заваду, наприклад,
будівлі, пагорби, насадження, дахи, і таке інше. Геометрична теорія дифракції
(ГТД) дозволяє представити це явище у вигляді променів. Ця теорія показує, що
збереженні у вільному просторі, додаткові послаблення викликані дифракцією
мають частоту відповідну 10·lg(f) у випадку дифракції на грані. На високих
частотах, особливо на частотах вище 15 ГГц, послаблення через дифракцію можуть
досягати значного рівня порівняно з послабленням простого відбиття.
Розсіювання
Розсіювання є дисперсією радіохвиль
в результаті контакту з об'єктами нерівномірної структури або поверхні
(насадження, меблі) Відбиття та дифракція, можуть бути змодельовані за
допомогою геометричної оптики.
Крім відбиття, дифракції та
розсіяння є й інші важливі механізми, що приймають участь у розповсюдженні
радіохвиль (рис. 1.2).
Проходження хвилі крізь будівлі може
відігравати важливу роль в густо забудованих районах. Передача сигналу
відбувається в сполученні з відбиванням та поглинанням радіохвиль на завадах. У
випадку коли приймач знаходиться в середині приміщення розглядається лише такий
механізм розповсюдження, як проходження хвилі через зовнішні стіни. Таким чином
аналіз проникнення хвилі в будівлю являється достатнім, і не потрібно
розглядати передачу через всю будівлю, як це робиться коли приймач знаходиться
за нею.
2. Порядок розрахунку радіолінії
Як відомо, радіолінія складається з
передавальної та приймальної антени і радіотраси, за допомогою якої
здійснюється зв'язок між передавальною та приймальною антенами. Отже, у
результаті розрахунку радіолінії для заданих умов поширення радіохвиль
необхідно вибрати типи і параметри антен та визначити необхідну потужність на
вході радіолінії.
Відповідно до завдання на курсовий
проект, вихідними даними для розрахунку є:
1) чутливість радіоприймача еа;
2) діапазон робочих частот fmin
- fmax;
) максимально можлива
відстань між передавальною та приймальною антенами;
) характер зв’язку:
фіксований, тобто зв'язок між двома стаціонарними об’єктами; мобільний -
зв'язок між двома рухомими об’єктами; квазімобільний - один з кінцевих
елементів радіолінії займає стаціонарне положення (фіксоване), інший є рухомим
елементом;
) характер рельєфу
радіотраси;
) можливі висоти підвісу
антен.
У разі стаціонарного розміщення
передавальної і приймальної антен (фіксованого зв’язку) на незначних відстанях
між ними (до декількох кілометрів) використовують спрощену методику розрахунку
ослаблення потужності у радіолінії. Для визначення можливості використання
моделі плоскої землі знаходять відстань прямої видимості
де висоти h1 і h2
підставляють у метрах, а результат отримують у кілометрах.
Якщо задана довжина радіолінії
задовольняє нерівність
то ослаблення (в децибелах,
дБ) радіолінії обчислюють за інтерференційною формулою
де множник
впливу землі υ
дорівнює
де різниця ходу променів
R і Ф
- модуль і фаза коефіцієнта відбиття.
Коефіцієнт відбиття
визначають як
у разі вертикальної
поляризації
у випадку горизонтальної
поляризації. Значення діелектричної проникності ε для
сухого грунту 20-30. Кут падіння θ обчислюють
таким чином
Якщо не задовольняється умова
r ≤ 0,2r0, потрібно
замість реальних висот підвісу антен h1 і h2
брати їх наведені значення.
Кінцевими елементами
радіолінії, як було зазначено раніше, є антени. Для пристроїв комунікації, що
встановлюються на рухомих об’єктах, або можуть переноситися, зазвичай
використовують симетричний вібратор при горизонтальній поляризації радіохвиль,
або несиметричний вібратор при вертикальній поляризації радіохвиль.
Півхвильовий симетричний вібратор має коефіцієнт підсилення G =
2,15 дБ. Несиметричний вібратор довжиною чверть довжини хвилі також має
коефіцієнт підсилення G = 2,15 дБ.
Якщо несиметричний вібратор має малу довжину, наприклад, вбудована антена у
корпус мобільного телефону, то можна прийняти, що коефіцієнт підсилення такої
антени дорівнює 1,76 дБ.
Антени базових станцій
мобільного зв’язку та антени, що працюють у системах фіксованого зв’язку,
виконуються з більш високими коефіцієнтами підсилення. Їх конструкції більш
складні. Але досить часто такі антени будують з симетричних вібраторів. Для
базових станцій мобільного зв’язку використовують велику різноманітність антен,
які можуть слугувати і для інших цілей, наприклад, для систем охоронної
сигналізації. Орієнтуючись на такі антени, можна обирати коефіцієнт підсилення
стаціонарно встановлених антен у межах від 4 до 12 дБ.
Отже, можна рекомендувати
такий порядок розрахунку радіолінії:
1. Вибираємо коефіцієнти
підсилення антен. Для стаціонарно встановленої антени G1
= 4…12 дБ. Для антени рухомого об’єкта G2
= 2,15 (1,76) дБ.
2. Знаходимо мінімальну
потужність на вході приймача.
3. Розраховуємо потужність на
вході приймача, яка забезпечує високу ймовірність надійності зв’язку (не менше
0,9).
4. Обчислюємо ослаблення
сигналу при поширенні вздовж радіолінії.
5. Визначаємо мінімально
необхідну потужність передавача, Вт
Якщо є певні обмеження на
потужність передавача, то можна вибрати антени з більшим коефіцієнтом
підсилення.
.1 Вибір передавальної та
приймальної антен
На даний час існує неймовірно
велика кількість різноманітних антен, кожна конструкція має свої переваги та
недоліки. У відповідності до завдання на курсовий проект нам потрібно вибрати
не напрямлену передавальну антену та напрямлену приймальну. Виходячи з того, що
довжина радіолінії всього 2 км, то головними критеріями при виборі антен будуть
ціна, доступність, та функціональність (тобто можливість застосування для інших
пристроїв).
Ознайомившись з
передавальними антенами, які відповідають вимогам курсового проекту я зупинила
свій вибір на АШ-433, через простоту її конструкції та доступність.
Антена «АШ - 433» має кругову
діаграму спрямованості в горизонтальній площинні та призначається для
використання з груповими стаціонарними приймачами радіо канальних систем
пожежної та тривожної сигналізації «РИФ РИНГ» і «РИФ СТРИНГ», а також з іншими
радіоприладами, що працюють на частоті близькій 433,92 МГц.
Антена спеціально розроблена
для радіоканальних охоронних пристроїв і має міцну цільнометалеву конструкцію, що
стійка до впливів зовнішнього середовища та не вимагає використання дорого
вартісних засобів захисту від блискавки.
Основні технічні
характеристики:
Тип антени: півхвильовий
штир.
Робоча частота: 433, 92 МГц.
КСХ: не більше 1,5.
Довжина фідера: 3 м.
Хвильовий опір фідера: 50 Ом.
Рис 2.1 Антена «АШ - 433»
Конструкція
Антена складається із двох
штирів, які приварені до стальної квадратної основи, фідера с пристроєм
узгодження та скоб кріплення з гайками. Скоби кріплення дозволяють закріпити
антену на круглій мачті діаметром від 15 до 45 мм. Мачта не повинна виступати
над верхнім краєм основи.
Антена комплектується фідером
довжиною 3м з можливістю його подовження.
Серед напрямлених антен, яка,
у відповідності до завдання курсового проекту, буде використана у якості
приймальної я зупинила свій вибір на 596UNI, притримуючись тих же критеріїв.
Логоперіодична антена 596UNI для
діапазонів частот VHF/UHF
виготовлена із корозійностійкого алюмінію. Мачтове кріплення максимальним діаметром
60 мм.
Технічні дані:
Частотний діапазон: VHF/UHF.
Полоса пропускання:
VHF: B III,
кан. 5 - 12.
UHF: B IV/V,
кан. 21 - 69.
Число елементів: 32.
Підсилення: VHF 8,5
dB, UHF 9,5
dB.
Кут розкриву: VHF
600, UHF
500.
З’єднання: гвинтове.
Розмір: L1300
mm.
Вага: 0,820 kg.
Рис. 2.2 Антена 596UNI.
.2 Розрахунок радіолінії
Всі розрахунки були проведені
за допомогою використання програмного
пакету MathCad, їх
лістинг наведений у додатку 1.
) Вибираємо коефіцієнти
підсилення антен.
Для стаціонарно встановленої
ненапрямленої передавальної антени «АШ - 433»коефіцієнт підсилення G1 =
4 дБ, а для стаціонарно встановленої напрямленої приймальної антени «596 UNI»
коефіцієнт підсилення G2 = 9,5 дБ.
) Знаходимо мінімальну
потужність на вході приймача.
Мінімальна потужність на
вході приймача у загальному випадку обчислюється за формулою:
,
де Р20 = 20 lgea -
10 lgRвх.
- 90 - чутливість приймача, дБ/мВт, еа - чутливість приймача, мкВ; Rвх -
вхідний опір приймача; Вф.пр = αпр.lф.пр
- втрати у фідері антени приймача, дБ; αпр - погонне
загасання у фідері антени приймача, дБ/м; lф.пр.
- довжина фідера антени приймача, м; Вд.ф. - втрати у дуплексному фільтрі у
режимі приймання, дБ; КМШП - коефіцієнт підсилення антенного тракта приймання
(малошумний підсилювач), дБ; G2 -
коефіцієнт підсилення антени приймача, напрямленої на передавальну антену, дБ.
Знайдемо чутливість
передавача.
Оскільки приймачем у нас буде
звичайний телевізор, то ми можемо вважати:
Rвх =
75 Ом - вхідний опір приймача;
еа = 40 мкВ, у відповідності
до завдання на курсовий проект.
Отже, чутливість приймача
Р20:
Р20 = 20 lgea -
10 lgRвх.
- 90 = -76 дБ/мВт.
Розрахуємо втрати у фідері
антени приймача, Вф.пр.
αпр = 0,08
дБ/м - погонне загасання у фідері антени приймача для кабеля РК-75-4-11;
lф.пр.
= 7 м - довжина фідера антени приймача.
Втрати у фідері антени
приймача:
Вф.пр = αпр.lф.пр
= 0,56 дБ
Втрати у дуплексному фільтрі
у режимі приймання задаємо рівними 2 дБ, тобто Вд.ф = 2 дБ.
Коефіцієнт підсилення
антенного тракту приймання (малошумний підсилювач) для телевізора в середньому
24 дБ, тому КМШП = 24 дБ.
Коефіцієнт підсилення антени
приймача, напрямленої на передавальну антену було зазначено вище, G2 =
9,5 дБ.
Тепер можна розрахувати
мінімальну потужність на вході приймача:
) Розраховуємо потужність на
вході приймача, яка забезпечує високу ймовірність надійності зв’язку (не менше
0,9).
Додатковий запас рівня
потужності сигналу на вході приймача дорівнює:
де КВ - коефіцієнт
логарифмічного нормального розподілу, який забезпечує необхідну (задану
ймовірність) надійність зв’язку. Для Р = 0,95 КВ = 1,645. σ
- узагальнене
значення стандартного відхилення.
Узагальнене значення
стандартного відхилення знаходять за формулою:
На відстанях менше 10 км
відхилення знаходимо таким чином
Стандартне відхилення за
часом залежить від рознесення передавальної та приймальної антен і
розраховується як:
Отже, узагальнене значення
стандартного відхилення:
Тепер можна розрахувати
додатковий запас рівня потужності сигналу на вході приймача:
Отже, результуюча потужність
на вході приймача визначається як:
,
Приймаємо Р2 = -103,396.
) Обчислюємо ослаблення
сигналу при поширенні вздовж радіолінії.
У разі стаціонарного
розміщення передавальної і приймальної антен (фіксованого зв’язку) на незначних
відстанях між ними (до декількох кілометрів) використовують спрощену методику
розрахунку ослаблення потужності у радіолінії. Для визначення можливості
використання моделі плоскої землі знаходять відстань прямої видимості
де h1 =
4 і
h2 =
7 висоти підвісу передавальної та приймальної антен у метрах, відповідно.
Отже, r0 =
19,14 км
Переконаємося, що довжина
радіолінії задовольняє нерівність:
≤ 3,828
Це означає, що ослаблення (в
децибелах, дБ) у радіолінії будемо обчислювати за інтерференційною формулою
де множник
впливу землі υ
дорівнює
де різниця ходу променів
R і Ф
- модуль і фаза коефіцієнта відбиття.
Фазу коефіцієнта відбиття
знайдемо за формулою:
Коефіцієнт відбиття
визначають як
у випадку горизонтальної
поляризації. Значення діелектричної проникності ε для
сухого грунту 20-30. Кут падіння θ обчислюють
таким чином
Тепер знайдемо ослаблення (в
децибелах, дБ) у радіолінії:
) Визначаємо мінімально
необхідну потужність передавача, Вт
Для того, щоб визначити
мінімально необхідну потужність передавача потрібно знати потужність живлення
антени.
Потужність живлення антени
(РА) визначаємо за допомогою формули:

Знайдемо потужність
випромінювання антени:
дБ.
де Р2 - значення мінімальної
потужності на вході приймача, яка була визначена вище; L -
ослаблення потужності у радіолінії, дБ, також було визначено вище; В1 -
додаткові втрати сигналу при роботі з портативними радіостанціями, приймаємо
рівним 0, тому що у нас стаціонарні об’єкти; В2 - додаткові втрати сигналу під
час роботи з портативними радіостанціями в автомобілі, також приймаємо рівним
0.
Таким чином потужність
живлення антени (РА):
Тепер можна визначити
мінімально необхідну потужність передавача скориставшись формулою:
3. Радіопередавальний
пристрій для бездротового відеоспостереження
Передавач призначений для
амплітудно-частотної модуляції відеосигналу з відеоапаратури (відеокамер,
тюнерів, магнітофонів, персональних комп'ютерів і т.д.) на телевізійний
приймач. Передавач підключають безпосередньо до відеоапарату, що виключає
необхідність мати відеовхід на телевізійному приймачі.
Сполучивши такий передавач із
безкорпусною відеокамерою, неважко одержати установку для безпровідного
спостереження, а для економічної роботи батарей живлення рекомендується
сполучити це обладнання з інфрачервоним детектором присутності, що серійно
випускаються багатьма закордонними фірмами і коштує відносно недорого,
наприклад детектором "REFLEX" фірми "TEXECOM" здатним
уловлювати стороннє втручання, стійкий на неправильне спрацьовування,
електромагнітне й радіочастотне випромінювання.
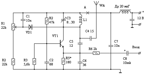
Передавач відеосигналу зображений
на рисунку 3.1.
Рис.3.1 Схема передавача
відеосигналу.
Правильно зібраний передавач
працює відразу і не потребує додаткових налаштувань. Доповнивши схему
відеопередавача підсилювачем високої частоти, виконаному на одному транзисторі
типу КТ325, можна збільшити вихідну потужність передавача, і відповідно
дальність бездротового зв'язку з телевізійним тюнером.
Принципова схема передавача
містить один транзистор VT1 типу КТ603Г. Передавач налаштовують на частоту одного
з вільних від телевізійного мовлення каналів (наприклад, 1...5 канал).
Підстроювання здійснюється за допомогою підстроючного конденсатора С4, яким
домагаються захоплення немодульованого сигналу. Точна настройка передавача
проводиться резистором R1. Сигнал від відеоприладу подається на вхід передавача
в ланцюг емітера транзистора через резистор R6 і конденсатор С9.
Промодельований відеосигнал з
колектора надходить на коливальний контур L1C4 в антену. Струм в точці А
підбирається в межах 30...35 мА.
Відразу у разі відсутності
генерації необхідно перевірити напругу на емітері транзистора VT1, причому
напруга на ньому має відрізнятися від напруги на базі на 1...2 В в більшу
сторону.
Передавач слід живити від
стабілізованого джерела живлення. Антена повинна мати жорстку конструкцію.
Замість транзистора КТ603
можна використовувати КТ608Б або інший, з підходящими параметрами.
Передавач бажано помістити в
екран з ціллю зменшення завад.
Висновок
В даному курсовому проекті
була розглянута система бездротового відеоспостереження через радіоканал. При
розрахунку системи основними критеріями були ціна, доступність, та
функціональність.
Для даного проекту були
прийняті та застосовані всі можливі методи зменшення вартості, а саме:
застосування вітчизняної легкодоступної елементної бази; можливість
використання системи як додаткового модуля до інших, уже існуючих, систем;
легкість монтажу, який не потребує спеціальних вмінь та знань; простота
налаштування, без використання спеціалізованої апаратури та оператора. В результаті
система бездротового відеоспотереженя являється легкодоступною для користувача
і може застосовуватися в широкому різноманітті передбачених для неї функцій
(спостереження за власним автомобілем на стоянці, певною територією,
приміщенням), також існує можливість підключення спеціальних тривожних датчиків
для ввімкнення системи по тривозі. Найбільший вплив на ціновий критерій вносить
відеокамера, яку користувач обирає самовільно виходячи з тих міркувань, як і в
яких умовах він буде використовувати систему.
Також до переваги цієї
системи слід віднести те, що вона не вимагає спеціалізованого приймального
пристрою (відеорегістаротора, сервера) і специфічного програмного забезпечення.
В якості приймального пристрою застосовується звичайний телевізійний приймач,
окрім нього можна використовувати ПК обладнаний TV-tuner’ом. Запис інформації
в даному випадку відбувається за допомогою відеомагнітофону, або ж на жорсткий
диск комп’ютера.
До недоліків системи
бездротового відеоспостереження відноситься перш за все те, що інформація
передається у відкритому вигляді, без шифрування, і тому може буди доступна для
сторонніх осіб. Для створення архіву із записаними подіями потрібно
застосовувати додаткові пристрої. Також існує не велика ймовірність переривання
або втрати зв’язку, якщо зловмисник застосує спеціальний генератор завад.
Список використаних джерел
1. Скляр Бернард. Цифровая
связь. Теоретические основы и практическое применение. Изд. 2-е, испр.: Пер. С
англ. - М.: Издательский дом “Вильямс”, 2003. - 1104 с.
. Пономарев Г.А., Куликов
А.М., Тельпуховский Е.Д. Распространение УКВ в городе. - Т.: МП “ Раско “,
1991. -222 с.
3. Кравченко В.И., Болотов Е.А.,
Летунова Н.И. Радиоэлектронные средства и мощные электромагнитные помехи. - М.:
«Радио и связь», 1987. - 256 с.
. Рекомендация МСЭ-R
P.526-9. Распространение радиоволн за счет дифракции. (Вопрос МСЭ-R 202/3).
2005. 37 с.
5. Изюмов Н.М., Линде
Д.П. Основы радиотехники. - М.: «Энергия», 1965. - 480 с.
6. <http://www.video-lux.ru/articles/11/>
«Беспроводное видеонаблюдение».
. <http://www.elfaelectronics.com.ua>
«Радио/ TV антенны».