Расчет передатчика тропосферной радиолиний связи
Введение
В настоящее время линии тропосферной и
космической связи применяются для передачи программ телевидения и
многоканальных сообщений (телефонных, телеграфных, сигналов тензометрии и
передачи данных). Используются те же способы модуляции и уплотнения каналов,
что и в обычных радиорелейных линиях. Сигналы многоканальной телефонии и
телевидения в основном предаются с помощью частотной модуляции, а дискретные
сигналы - посредством частотной и фазовой манипуляции. Применяются также
импульсно-кодовая модуляция и дельта-модуляция.
В курсовом проекте применена
массовая и давно освоенная в производстве элементная база. Узлы передатчика
реализованы по достаточно простым схемам.
1. Исходные
данные (теоретическое задание)
Pвых=25
кВт - номинальная выходная мощность РПДУ;
Dfрпду=0,47-0,63
ГГц - полоса пропускания РПДУ;
f0=13,2
МГц - частота кварцевого резонатора;
Dfд=100
кГц - девиация частоты;
D=3% - допустимая величина нелинейных искажений;
2. Обзор литературы
При выполнении курсового проекта потребовалось
обратиться к различным источникам информации, был рассмотрен материал,
изложенный в специальных учебных пособиях. Из рассмотренных инженерных решений
были выбраны наиболее точно отвечающие передатчику данного типа, а также
соответствующие техническому заданию проекта.
В [2] рассмотрены состояние и тенденции развития
тропосферной связи. В книге изложены основные принципы построения данной
системы, рассмотрены основные виды модуляции, применяемого в настоящее время в
тропосферной связи. Описаны общие представления о диапазонах частот, мощностей,
форме и числе передаваемых каналов и других характеристик, позволяющих
максимально эффективно использовать выделенную для этой системы полосу частот,
обеспечивая качественный прием и передачу информационных данных.
В литературе [2] описаны
рекомендации по допустимым нормам нестабильности частоты
, приведены
требования проектирования, изготовления и эксплуатации, а также все допустимые
меры, которые нужно неукоснительно применять для ослабления побочных излучений.
Оборудование земных станций строят
таким образом, чтобы обеспечить высококачественную передачу любой информации.
Полосу одного передатчика обычно используют для одновременной передачи
различных данных, т.е. ее уплотняют. Передатчики земных станций являются
элементом тракта, и требования к ним формируются в процессе разработке линии с
учетом параметров других элементов линии связи. Для тропосферной связи
характерна большая девиация частоты.
В передатчике тропосферной связи
чаще всего используют в качестве оконечного усилителя - мощный клистронный
усилитель СВЧ, обоснование выбора конкретного клистрона, его преимущества перед
другими усилителями мощности приведены в литературе [2].
Исследования автогенераторов, с
требуемыми параметрами, для лучшего удовлетворения условиям ТЗ производились с
помощью литературы [3]. Автогенератор преобразующий энергию источников питания
в энергию высокочастотных колебаний. В отличие от усилителей в автогенераторе
колебания на выходе возникают самостоятельно в отсутствии внешних воздействий.
В настоящее время, как правило, все автогенераторы выполняются с использованием
транзисторов в качестве усилительных элементов. Невысокие рабочие напряжения
транзисторов определяют пониженное напряжение и малую рассеиваемую мощность на
колебательной системе, что повышает стабильность частоты транзисторных
автогенераторов по сравнению с ламповыми. На практике большей частью находят
применение так называемая трёхточечная схема транзисторного автогенератора. Так
как в ней выполняется два необходимых условия: баланс фаз и баланс амплитуд.
Главное требование, предъявляемое к автогенераторам, - высокая стабильность
частоты. Для создания стабильных автогенераторов необходимо использовать
высокодобротные колебательные системы, обладающие стабильной резонансной
частотой. На обычных LC элементах удовлетворить эти
требования сложно. Поэтому применяют кварцевые резонаторы, добротность которых
несколько десятков тысяч и даже миллионы. Основные схемы включения кварца: в
цепь обратной связи, между коллектором и базой, между эмиттером и базой или
эмиттером и коллектором. Во всех приведенных схемах кварц играет роль
индуктивности. На практике чаще всего используется схема емкостной трёхточки
[3]. Схема отличается конструктивной простотой и легкостью настройки, такая
схема будет применена в проектируемом передатчике.
Особенности умножителей частоты при
высокой частоте сигнала, свойственные данному проекту, рассмотрены в материалах
[3] и [4].
Для составления конструкторского
чертежа, по условию ТЗ, и выбора рационального охлаждения использовалось
литература [5].
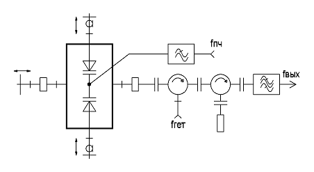
3. Разработка структурной схемы
Задача составления структурной
схемы состоит в том, чтобы определить рациональное число каскадов высокой
частоты между автогенератором и выходом передатчика (антенной), обеспечивающее
выполнение заданных технических требований к передатчику.
На смеситель подаются сигналы от: блока,
состоящего из АГ и синтезатора частот, и частотного модулятора (ЧМ).
По техническому заданию на выходе передатчика необходимо
получить ЧМ-сигнал в диапазоне частот Dfрпду=0,47-0,63
ГГц и девиацией частоты Df=100
кГц, при этом допустимая величина нелинейных искажений не должна превышать 3%.
Чтобы добиться на выходе требуемых диапазона и девиации частот, используются
умножители частоты и синтезатор частот. На таких частотах, и при таких
мощностях применяются транзисторные и варакторные умножители частоты. Для
получения необходимой мощности необходимо применение усилителей мощности.
За основу структурной схема была взята типовая
схема построения передатчиков тропосферных линий связи:
Рисунок 4.1 Схема структурная передатчика
тропосферной линии связи
5. Разработка схемы электрической
функциональной
На этапе разработки функциональной схемы
требуется определить основные энергетические и частотно-временные
характеристики сигналов в различных по характеру функциональных звеньях.
Основные элементы структурной схемы передатчика должны быть проработаны до
уровня схемотехнической реализации. Результат разработки функциональной схемы
должен служить исходными данными для инженерного расчёта электрической
принципиальной схемы.
В ходе разработки функциональной электрической
схемы будем дополнять, уточнять и конкретизировать структурную схему. На рисунке
3.1 представлен общий вид функциональной схемы.
В качестве возбудителя выбираем
кварцевый генератор. Его частота генерации задана в ТЗ и составляет 13,2 МГц,
что значительно меньше частот в заданном рабочем диапазоне частот Dfрпду=0,47-0,63
ГГц. Ориентировочно выберем мощность такого резонатора равную 0,2 мВт.
Используя синтезатор, можно создать сетку частот с определённым шагом, чтобы на
выходе смесителя получить нужный нам диапазон частот. Но стоит учитывать, что с
частотного модулятора (ЧМ) так же поступает сигнал с частотой fc., который в
смесителе будет переноситься на промежуточную частоту fпр= fc+fг. (будет
происходить суммирование или вычитание выбираем мы сами). Поэтому стоит
определиться с частотой fc после ЧМ и
шагом сетки СЧ. Исходя из нижней границы диапазона Dfрпду=0,47-0,63
ГГц выберем коэффициент умножения для fг
.
Следовательно, понадобится 3 умножителя частоты с кратностью умножения
, поэтому
применим схему умножения, состоящую из трёх варакторных умножителей частоты.
Определим fc:
Гц (5.1)
Выберем стандартную частоту ЧМ АГ:
МГц, т.к.
максимальная частота требуемого диапазона частот
ГГц. Тогда верхняя частота СЧ будет
определяться следующим образом:
Гц (5.2)
И соответственно шаг СЧ составит:
Гц (5.3)
В качестве согласующего устройства с
антенной будем использовать инвертирующую цепь, предназначенную для фильтрации
побочных гармоник, которые появляются на выходе усилителя мощности, а также для
согласования оконечного каскада с антенной.
Проведём ориентировочный расчет
числа усилительных каскадов. Учитывая выходную мощность на выходе
автогенератора 0,2мВт. Выходная мощность с учетом потерь в фильтрующих цепях
рассчитываем по формуле:
Рвых ОК=Рвых /hсц (5.4)
где Рвых ОК -
мощность на выходе оконечного усилителя мощности;
Рвых - выходная
мощность передатчика;
hсц - к.п.д.
согласующих цепей (hсц=0,7).
кВт
Учитывая, что клистронные усилители
мощности позволяют получить усиление до 65 дБ на частоте гораздо выше заданной
в ТЗ, выбираем для оконечного УМ клистронный усилитель КУ-352 с усилением 50
дБ, которого вполне будет хватать для обеспечения заданной мощности на выходе
передатчика. Произведем энергетический расчёт оставшихся каскадов, исходя из
полученной выше мощности оконечного усилителя.
Для варакторных умножителей частоты
коэффициенты полезного действия имеют следующие значения: η3f ≈ 0,7
- для умножителя на 3 [3]. Исходя из этого, оценим мощности на входе оконечного
каскада
, на входах
умножителей частоты
,
.
Вт; (5.5.1)
Вт; (5.5.3)
; (5.5.4)
Вт; (5.5.5)
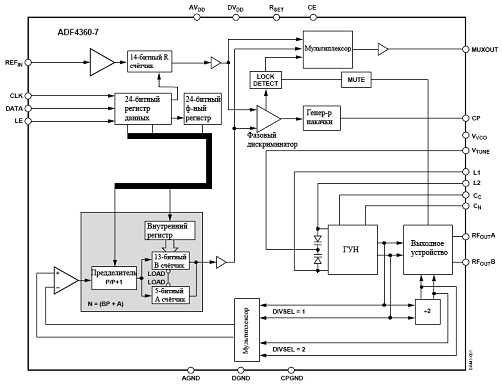
В качестве синтезатора частот в заданном на
расчёт радиопередатчике будет использоваться микросхема ADF4360-7
фирмы Analog
Device [11].
Рисунок 5.1 Схема электрическая функциональная
микросхемы ADF4360-7
Принцип работы данного синтезатора частот
заключается в следующем. Внешним кодом программируются предделитель (Р/Р+1), А
и В счётчики и R счётчик.
Сигнал входной опорной частоты подаётся на предделитель и счётчики. С А и В
счётчиков и R счётчика сигналы
подаются на вход фазового дискриминатора, где вырабатывается постоянное
напряжение, которое подаётся на генератор, управляемый напряжением (ГУН). На
ГУНе вырабатывается сигнал с частотой, пропорциональной выходному сигналу
фазового дискриминатора.
Зависимость частоты выходного сигнала от чисел,
записанных в регистры (P/P+1),
A, B,
R выражается
следующей формулой:
f0=[(P/P+1)B+A]fоп/R
(5.6)
Зависимость центральной частоты от внешних
индуктивностей выражается формулой:
(5.7)
откуда, зная необходимую центральную
частоту, находится номинал внешней индуктивности.
В выходном устройстве посредством
использования дифференциальной пары транзисторов осуществляется регулировка
выходной мощности. Мультиплексор и блоки Lock Detect и Mute позволяют
отслеживать состояния внутренних узлов синтезатора.
Режим работы синтезатора частот
задаётся тремя 24-разрядными регистрами. Для корректной работы синтезатора
регистры необходимо программировать в следующей последовательности: R-счётчик,
контрольный регистр и N-счётчик. Временные диаграммы
управляющего кода имеют следующий вид:
Рисунок 5.2 Временные диаграммы
управляющего кода используемого синтезатора частот.
Пришедшее кодовое слово записывается
вначале в 24-разрядный регистр данных, а далее, исходя из значения 2-х
контрольных битов, пересылается в программируемый регистр.
При расчёте режима работы
синтезатора частот предполагается, что на вход синтезатора подаётся сигнал с
частотой fг=13,2 МГц.
Далее необходимо предусмотреть схему
контроля, защиты и управления. Основной её функцией является программное
управление мощностью передатчика, следовательно, питание на отдельные блоки
должно подаваться через этот блок.
С учетом всего вышесказанного схема
электрическая функциональная примет окончательный вид на рисунке 5.3.
Рисунок 5.3 Схема электрическая функциональная
РПДУ
Таким образом, разработана функциональная схема
передатчика. Рассчитаны основные энергетические и частотные соотношения.
Следующим этапом проектирования является выбор принципиальных схем и расчет
некоторых отдельных каскадов передатчика.
6.
Разработка схемы электрической принципиальной
6.1
Выбор и обоснование принципиальных схем отдельных каскадов
6.1.1 Цепь
согласования
Также в передатчике могут применяться полосовые ПАВ-,
ПК- и кварцевые фильтры. Особенностью таких фильтров является очень крутая
П-образная АЧХ.
6.1.2 Оконечный
усилитель мощности
В данной схеме в качестве промежуточного
усилительного каскада, работающего в импульсном режиме, используются клистрон:
В предоконечном каскаде МРК работает в
импульсном режиме, причем модуляция производится по управляющему электроду без
изменения ускоряющего напряжения, из-за чего не сопровождается паразитной ФМ на
фронте и спаде импульса. Этот способ модуляции является наилучшим с точки
зрения фазовой стабильности выходного сигнала и качества воспроизведения
модулирующего импульса. Предварительное возбуждение входного резонатора
исключает влияние его параметров на форму выходного импульса. При этом не нужна
большая мощность модулятора, но МРК остается работать в режиме максимальной
мощности.
6.1.3 Каскад
предварительного усиления
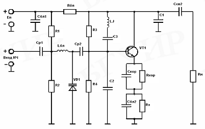
Каскад предварительного усилителя мощности (ПУМ)
выполнен на транзисторе (Рисунок 6.1). Транзистор включен по схеме с ОЭ.
Питание коллектора выполнено по параллельной схеме. Нагрузкой каскада является
колебательный контур, образованный емкостью С4 и индуктивностью L1
следующего каскада.
Рисунок 6.1 Схема транзисторного
усилителя мощности
Питание базы осуществляется по схеме
с фиксированным напряжением. Подбором резистора R2 выбирается режим транзистора
по постоянному току. Цепочка R3, C2 является
фильтром в цепи питания для устранения ОС через источник питания.
6.1.4 Смеситель
(варакторный)
Смеситель собран по отражающей схеме.
Схема достаточно просто согласуется с
волноводом, довольно широкополосная и отличается стабильностью выходных
параметров. Главный её недостаток - это низкий КПД из-за генерации и
последующего выделения в балласте мощности неиспользуемой полосы.
Рисунок 6.2 Схема варакторного смесителя
6.1.5 Умножители
частоты
Для получения на выходе несущей с заданной
частотой нам необходимо умножение частоты задающего генератора. Это
осуществляется путем применения трёх умножителей частоты с умножением на 3.
Применение транзисторных умножителей на высокой частоте является
нецелесообразным.
Учитывая значение рабочей частоты, выбран
вариант варакторного умножителя частоты.
Входные и выходные цепи умножителя настроены на
частоты соответствующих гармоник. Умножители частот выполнены на варакторах VD1.
Резистором Rсм задается
смещение. Цепочка Lбл,
Cбл
служит в качестве фильтра цепи питания для устранения ОС через источник
питания.
6.1.6 Кварцевый
автогенератор
Для создания стабильных автогенераторов нужно
использовать высокодобротные колебательные системы, обладающие стабильной
резонансной частотой, лучшими свойствами обладает колебательная система с
кварцевым резонатором. Так как нашему передатчику предъявляются высокие требования
по стабильности частоты, мы будем применять кварцевый резонатор. Выберем
кварцевый АГ, который будет генерировать сигнал с частотой 13,2 МГц.
6.2
Электрический расчёт отдельных каскадов
Целью данного раздела является расчёт отдельных
заданных каскадов передатчика. Расчёт производится по методикам из литературы,
рассмотренной в разделе 3.
6.2.1 Расчёт
оконечного усилителя мощности
Принципиальная электрическая схема выходного
каскада усилителя мощности приведена на рисунке 6.3.
Рисунок 6.3 Принципиальная схема усилителя
мощности, выполненного на пролётном клистроне
Произведём расчет работы многорезонаторного
пролетного клистрона КУ-352 в импульсном режиме.
Исходными данными для расчета усилителя
являются:
мощность на выходе Рвых 25
кВт;
рабочая частота fр
550 МГц;
Параметры выбранного многорезонаторного
клистрона V-927, который будет
работать в импульсном режиме:
полоса частот f
470-854 МГц;
выходная импульсная мощность Pвых.
имп. 25 кВт;
- КПД
50
%;
коэффициент усиления К 50
дБ;
напряжение анода U0
15 кВ;
количество резонаторов N 6
напряжение накала Uн 15
В
ток накала Iн 8
А
Зная Pвых. имп.,
и U0 найдём
номинальный ток катода, по следующей формуле:
А (6.2.1)
Принимаем приведенный радиус
пролетной трубы ξа=1,2.
Коэффициент
:
(6.2.2)
Найдем радиус пролетной трубы:
(6.2.3)
Выберем отношение радиуса пролетной
трубы а к радиусу луча b a/b=1,2 ,
тогда:
(6.2.4)
Определим приведенный радиус
электронного потока ξb= ξa /1,2=1.
Обычно отношение ширины зазора к радиусу пролетной трубы принимается d/a=4/3.
Отсюда
(6.2.5)
Приведенная ширина зазора :
(6.2.6)
Частота колебаний электронной плазмы
для электронного потока бесконечного сечения:

(6.2.7)
Определим коэффициент ап
продольного расталкивания электронного потока бесконечного сечения:
(6.2.8)
Нормированная длина последней
пролетной трубы:
(6.2.9)
Коэффициент электронного
взаимодействия:
(6.2.10)
Статическое сопротивление клистрона:
(6.2.11)
Эквивалентное сопротивление
выходного резонатора:
(6.2.12)
Характеристическое сопротивление
резонатора:
(6.2.13)
Эквивалентное сопротивление
ненагруженного резонатора R=ρQ0. Принимая
ненагруженную добротность резонатора Q0=1500,
получим
R=1500*113=169,5 (кОм)
(6.2.14)
Рассчитаем КПД резонатора:
(6.2.15)
(6.2.17)
КПД усилителя:
(6.2.18)
6.2.2 Расчёт
умножителя частоты
Схема варакторного умножителя частоты приведена
на рисунке 6.4.
Рисунок 6.4 Принципиальная
электрическая схема варакторного умножителя частоты
Расчёт умножителя частоты на варакторе приведен
в [3]. Выберем варактор для умножителя по частоте и мощности:
коэффициент умножения N=3;
входная частота fр=
13,2 МГц;
входная мощность Рн=0.2 Вт;
Выберем варактор, который имеет граничную
частоту fгр>>n*
fр
=400 МГц. Выберем варактор 2А609А со следующими параметрами:
Гц,
Вт,
В,
,
В,
с,
Ф,
Ф.
Определим параметры необходимые для
расчета:
Для увеличения выходной мощности
применим режим с оптимальным
, выберем промежуточный режим n=3, k=(n+1)/2, σ
=0,8, М=1,
v=1/3 .
Определим сопротивление потерь:
(6.2.19)
Найдем емкость варактора:
(6.2.20)
Рассчитаем оптимальный угол отсечки:
(6.2.21)
Нормированный n-ый коэффициент, рядя
Фурье:
(6.2.22)
Сопротивление варактора по n-ой
гармонике:
(6.2.23)
Сопротивление потерь по n-ой
гармонике:
(6.2.24)
Полное сопротивление по n-ой гармонике:
(6.2.25)
Определим ток n-ой гармоники:
(6.2.26)
Найдем амплитуду заряда n-ой
гармоники :
(6.2.27)
Вычислим амплитуду заряда 1-ой
гармоники:
(6.2.28)
Максимальное мгновенное напряжение
на варакторе:
(6.2.29)
Определим амплитуду первой гармоники
тока варактора:
(6.2.30)
Сопротивление варактора по первой
гармонике:
(6.2.31)
Определим нормированный коэффициент
первой гармоники:
передатчик
тропосферный радиолиния каскад
(6.2.32)
Определим нормированный коэффициент
первой гармоники с
:
(6.2.33)
Определим сопротивление потерь
варактора по первой гармонике:
(6.2.34)
Тогда найдем полное сопротивление
варактора по первой гармонике:
(6.2.35)
Вычислим мощность первой гармоники
поглощаемая варактором:
(6.2.36)
Определим нормированный коэффициент
гармоники по постоянному току:
(6.2.37)
Определим нормированный коэффициент
по постоянному току с
:
(6.2.38)
Мощность постоянного тока,
отдаваемая варактором во внешнюю цепь:
(6.2.39)
Мощность рассеваемая варактором:
(6.2.40)
Определим электронный КПД варактора:
(6.2.41)
Вычислим сопротивление автосмещения:
(6.2.42)
Определим емкость по первой
гармонике:
(6.2.43)
Определим емкость по n-ой гармонике:
(6.2.44)
Определим корректирующую емкость:
(6.2.45)
Определим блокировочную
индуктивность:
(6.2.46)
Рассчитаем величину емкости Сбл:
, где Rап£0,1Rсм, Rап£17,63 кОм;
(6.2.47)
Определим параметры входной и
выходной цепи:
Решим систему уравнений, связывающую
входные, выходные, полученные параметры.
(6.2.48)
В результате получим:
СВЫХ = 0,079(пФ),
LВЫХ = 2 (мкГн),
СВХ = 4,4(пФ), LВХ =
3,6(мкГн).
6.2.3 Расчёт
кварцевого автогенератора
Рисунок 6.5 Принципиальная
электрическая схема кварцевого автогенератора
Произведем расчет кварцевого автогенератора, по
методике представленной в [3].
Исходные данные
частота генератора fр=13,2
МГц;
выходная мощность Рн=0,2мВт.
Принципиальная схема АГ представлена на рисунке
6.5.
Выбор транзистора и резонатора
Руководствуясь тем, что фазовый сдвиг между
колебаниями iк(t)
и uб(t)
можно было устранить с помощью корректирующей цепочки, следует выбирать
транзистор, граничная частота ft
которого больше, чем заданная частота fг
колебаний.
Для наших исходных данных выбираем транзистор
средней мощности КТ610А с граничной частотой ft=400
МГц. Его паспортные данные:
Ск=3
пФ;
Сэ=21
пФ;
uк
доп=26 В;
iк
доп=0,3 А;
uб
доп=4 В;
Рдоп=1
Вт;
τос=30
пС;
Sгр=0,1А/В;
Uотс=0,7В;
Средний коэффициент усиления тока В=50;
Граничные частоты: fβ=ft/B=400/50=8(МГц),
fα=fβ+ft=400+8=408
(МГц);
Активная часть коллекторной ёмкости Скэ=Ск/2=1,5(пФ)
и сопротивление потерь в базе rб=τос/Ска=30/1,5=20
Ом; UК0=0.3*uк
доп=7,8 В;
По исходным данным подберем кварцевый резонатор
РКМ-14, со следующим параметрами, используя сайт Internet
[10]:
диапазон частот fр=5…300 (МГц)
- добротность Q=
сопротивление кварца rкв =10(Ом)
Расчет корректирующей цепочки
(6.2.49)
(6.2.51)
Крутизна переходной характеристики
транзистора с коррекцией
(6.2.53)
Расчёт электрического режима
Выбираем ik max=0.8*iк доп=0,24(А); Uk0=0,3*Uk доп =7,8(В); θ=60˚;
тогда α0=0.22; α1=0.39; γ0=0.10;
=0,5;
Рассчитываем основные параметры
генератора:
(6. 2.54)
(6. 2.55)
(6.2.56)
(6.2.57)
Для стабильности частоты выбираем
(6.2.58)
(6.2.59)
(6.2.60)
(6.2.61)
(6.2.62)
(6.2.63)
-выполняется.
Значение сопротивления
выбираем
равным
;
; (6.2.64)
; (6.2.65)
(6.2.66)
- условие получения
недонапряженного режима для увеличения стабильности частоты выполняется.
Расчет резонатора
Для увеличения стабильности частоты
целесообразно применять ослабленную связь резонатора с нагрузкой. В этом случае
Q = Q0 , Q0 -
добротность ненагруженного контура, так как потери в индуктивности существенно
выше потерь в емкости, поэтому можно принять Q0 = QHZ .
(6.2.68)
(6.2.69)
(6.2.70)
Определим резонансное сопротивление
контура :
(6.2.71)
Определим коэффициент включения
контура в выходную цепь транзистора:
(6.2.72)
(6.2.73)
(6.2.74)
Расчет емкостей Ссв и С2
Чтобы сопротивление нагрузки R’н,
пересчитанное к выходным электродам транзистора, не снижало заметно добротности
контура, примем R’н = 3Rк
=3*51,3=153,9 (Ом)
Добротность последовательной цепочки
Cсв, Rн (возьмем Rн=50(Ом)):
(6.2.75)
(6.2.76)
Определим емкость пересчитанную
параллельно емкости
:
(6.2.77)
(6.2.78)
Расчет цепи смещения
(6.2.79)
(6.2.80)
(6.2.81)
, - условие исключающее шунтирование
контура сопротивлениями
и
выполняется.
(6.2.82)
(6.2.83)
(6.2.84)
(6.2.85)
Расчет цепи питания
(6.2.86)
Сопротивление емкости блокировочного
конденсатора Cбл1 на рабочей частоте должно быть много меньше
внутреннего сопротивления источника питания:
1/2πfрСбл=0,1
Ом
Тогда выбираем Сбл1=0,15
мкФ.
6.2.4
Расчет частотно-модулированного автогенератора
Рисунок 6.6 Принципиальная электрическая схема
частотного модулятора.
Модуляцию будем осуществлять на частоте 140 МГц.
В качестве активного элемента выберем биполярный транзистор КТ331 со следующими
параметрами:
fгр=250МГц,
Ск=5пФ, Сэ=8пФ, Uотс=0.6В,
Uкдоп=15В,
Uбдоп=3В,
iкдоп=20мА,
Рдоп=15мВт, Sp=20мА/В,
β=20,
τос=120пс.
Определим граничные частоты:
;
. (6.2.87)
Определим активную ёмкость
коллектора.
.
(6.2.88)
Определим сопротивление базы.
. (6.2.89)
Определим номиналы элементов
корректирующей цепочки.
(6.2.90)
(6.2.91)
(6.2.92)
. (6.2.93)
Определим крутизну переходной
характеристики с коррекцией.
. (6.2.94)
Зададимся следующими параметрами:
максимальным током коллектора iкmax=0.8·iкдоп=16мА
напряжением на коллекторе Uкол=0.3·Uкдоп=4.5В
коэффициентом обратной связи КОС=1
углом отсечки θ=60о.
Для угла отсечки θ=60о
коэффициенты Берга равны: αо=0.218, α1=0.391, γо=0.102, cos(60о)=0.5.
Определим амплитуду тока первой
гармоники.
. (6.2.95)
Определим постоянную составляющую
тока коллектора.
. (6.2.96)
Определим амплитуду напряжения на
базе.
. (6.2.97)
Определим амплитуду напряжения на
коллекторе.
. (6.2.98)
Определим необходимое сопротивление
нагрузки коллектора.
. (6.2.99)
Определим колебательную мощность
первой гармоники.
Определим мощность, потребляемую от источника
питания.
. (6.2.101)
Определим рассеиваемую на коллекторе
мощность.
. (6.2.102)
Проверка:
- можно
продолжать расчёт.
Определим электронный КПД.
или η=22 % . (6.2.103)
Определим напряжение смещения на
базе транзистора.
. (6.2.104)
Проверка:
- можно
продолжать расчёт.
(6.2.106)
.
(6.2.107)
Рассчитаем параметры резонансной
системы модулятора. Выбираем величину индуктивности контура L3=1.0мкГн с
добротностью QL=100. Будем считать, что QO=QL =100.
Определим реактивное сопротивление
индуктивности.
. (6.2.108)
Определим необходимую суммарную
ёмкость контура.
. (6.2.109)
Определим резонансное сопротивление
контура.
. (6.2.110)
Определим необходимый коэффициент
включения транзистора в контур.
. (6.2.111)
Определим ёмкость обратной связи С1’.
. (6.2.112)
Определим ёмкость обратной связи С2.
. (6.2.113)
Определим разделительную ёмкость С3.
.
Чтобы нагрузка не шунтировала контур
необходимо выполнить условие
. Определим
и
. Как
известно добротность последовательной цепочки
, а емкость
. (6.2.114)
Допустим
, тогда
, Rн=50Ом.
(6.2.115)
. (6.2.116)
Определим параметры цепи
автоматического смещения.
. (6.2.117)
Проверка
(6.2.118)
. (6.2.119)
Определим номиналы элементов
фильтрующей цепочки.
(6.2.120)
. (6.2.121)
Определим необходимое напряжение
питания.
. (6.2.122)
Определим номиналы элементов цепи
смещения по постоянному току.
(6.2.123)
(6.2.124)
(6.2.125)
В качестве варикапа выбираем модель
КВ105А с параметрами:
Сво=150пФ, Uво=4
В, Qв=300 при fp=70 МГц, Uдоп=45 В, Рдоп=100
мВт, m=0.5.
Определим необходимую амплитуду
модулирующего напряжения.
(6.2.126)
. (6.2.127)
Определим относительное изменение
ёмкости варикапа при заданном КГ
. (6.2.128)
Определим коэффициент вклада
варикапа с суммарную ёмкость контура.
. (6.2.129)
Определим коэффициент включения
варикапа в контур.
. (6.2.130)
Определим номинал разделительной
ёмкости Ссв .
(6.2.131)
. (6.2.132)
Определим ёмкость С2.
(6.2.133)
С учетом влияния варикапа на контур
вместо рассчитанной емкости С2 в АГ нужно включить
.
Определим номиналы цепи смещения
варикапа по постоянному току.
(6.2.134)
Решая данное неравенство, получаем:
(6.2.135)
В заключение расчёта оценим
коэффициент гармоник:
. (6.2.137)
или КГ2=4.7 %.
6.2.6 Расчёт транзисторного
усилителя для раскачки клистрона
Зная коэффицент усиления и выходную мощность
клистрона, можно определить его входную мощность, требуемую для нормальной
работы оконченного каскада (усилителя на клистроне).
Т.к. для выбранного нами клистрона Ku=50
дБ и Pвых=25
кВт, то Pвх.кл.=0,25
Вт. Значит на выходе усилителя, стоящего в схеме до оконечного каскада мы
должны получить мощность Pвых.усил.=250
мВт. Для этого нужно усилить Pвх.усил.=200
мВт в n=1,25 или более
раз.
7.
Разработка конструктивной схемы блока РПДУ
В качестве исследуемого блока выберем смеситель,
который в данной работе был построен на варакторах средней мощности в балансной
схеме. Также, стоит отметить, что была использована волноводная реализация
смесителя.
В такой структуре варакторы размещают посредине
широкой стенки волновода. Их базы зажимают с помощью металлических цанг и далее
через втулки, образующие внутреннюю трубу настроечных коаксиальных контуров
соединяют с корпусом. На эмиттеры диодов по соединительной полосковой линии
подают синфазно напряжения смещения U0
и промежуточной частоты uпч.
Для напряжений гетеродина и боковых частот диоды включены встречно, и эти
напряжения действуют на них противофазно. На выходе полосковой линии ставится
ФНЧ с полосой пропускания несколько выше верхней частоты сигнала ПЧ. При
хорошей симметрии балансной схемы резко ослабляются волны основного типа чётных
гармоник, частоты гетеродина и комб. частот чётных порядков, а установка в
волноводе 2-х диодов даёт возможность увеличить выходную мощность в 2 раза.
Руководствуясь всем выше сказанным, составим
конструкцию блока РПдУ, которую приведём в Приложении 3.
Заключение
В ходе выполнения курсового проекта был
разработан передатчик тропосферной радиолиний связи, согласно техническому
заданию. Получена схема электрическая принципиальная всего передатчика,
составлен конструктивный чертеж. В пояснительной записке обоснованы все
инженерные решения для разработки схем. Приобретен колоссальный опыт работы и
умение проектировать радиоэлектронную аппаратуру.
В ходе проектирования передатчика использовались
программы: Microsoft Word, Microsoft Visio, MathCAD Professional 2001.
Опыт, полученный при выполнении данного
курсового проекта, является очень ценным, так как он приобретен при изучении
фундаментальных понятий радиотехники.
Список
используемой литературы
1. Радиопередающие устройства / В.
В. Шахгильдян, В. Б. Козырев, А. А. Ляховкин и др.; Под ред. В. В. Шахгильдяна.
- М.: Радио и связь, 2003. - 560с.
. Проектирование радиопередатчиков /
В. В. Шахгильдян, М. С. Шутилин, В. Б. Козырев и др.; Под ред. В. В.
Шахгильдяна. - М.: Радио и связь, 2000. - 656 с.: ил.
. Петров Б. Е., Романюк В. А.
Радиопередающие устройства на полупроводниковых приборах. Учебное пособие для
радиотехнических специальностей вузов. - М.: Высш. школа, 1989. - 232 с.: ил.
. Проектирование радиопередающих
устройств СВЧ / Под ред. Г. М. Уткина. - М.: Сов. радио, 1979. - 320 с.
. Системы спутниковой и тропосферной
связи / А. М. Бонч-Бруевич, В. Л. Быков, Л. Я. Кантор и др.; Под ред. Л. Я.
Кантора. - М.: Радио и связь, 1992. - 224 с.
. Минаев М.И. “Радиопередающие
устройства СВЧ”; Мн.: Высшая школа, 1987г. - 220с
. Баскаков С. И. Радиотехнические
цепи и сигналы. - М.: Высшая школа, 2000. - 462 с.: ил.
8. Бригидин А.М.,
Ползунов В.В. Учебно-методическое пособие: Радиопередающие устройства. - Мн.:
БГУИР, 2006г.
9. Сайт Internet
<http://skr.radioman.ru/>.
. Сайт Internet
<http://www.etna.ru/>.
. Сайт Internet
<http://www.analog.com/>