Разработка комплекса мероприятий по эксплуатации и наладке интерфейса канала связи ЭСПУ со станком
ВВЕДЕНИЕ
Электронные системы программного управления (ЭСПУ) являются универсальным
средством управления станками. ЭСПУ применяют для всех групп и типов станков.
Применение станков с ЭСПУ позволило качественно изменить металлообработку,
получить больший экономический эффект. Обработка на станках с ЭСПУ, по
отечественным и зарубежным данным, характеризуются: ростом производительности
труда оператора-станочника благодаря сокращению основного и вспомогательного
времени (переналадки); возможностью применения многостаночного обслуживания;
повышенной точностью; снижением затрат на специальные приспособления;
сокращением или полной ликвидацией разметочных и слесарно-подгоночных работ.
Опыт использования станков с ЭСПУ показал, что эффективность их
применения возрастает при повышении точности, усложнений условий обработки
(взаимное перемещение заготовки и инструмента по пяти-шести координатам), при
многоинструментальной многооперационной обработке заготовок с одного установа и
т.п.
Большое преимущество обработки на станках с ЭСПУ заключается также в том,
что значительно уменьшается доля тяжёлого ручного труда рабочих, сокращаются
потребности в квалифицированных станочниках-универсалах, изменяется состав
работников металлообрабатывающих цехов.
Современное серийное производство немыслимо без оборудования с ЭСПУ.
Выпуск станков непрерывно растёт, быстрыми темпами развивается и видоизменяется
само числовое программное управление, что позволяет расширить технологические
возможности оснащенного им оборудования, повысить точность обработки, сократить
время отработки управляющих программ.
Многие предприятия страны с помощью станков о ЭСПУ решили некоторые
сложные производственные, технические и экономические задачи и от внедрения
отдельных станков перешли к комплексному перевооружению производства на базе
этих станков. Повышение производительности труда, создание гибких
переналаживаемых производств и в связи с этим сокращение затрат на освоение
выпуска новых изделий, уменьшение объема доделочных работ на сборке, улучшение
качества, решение проблемы дефицита в станочниках, особенно при использовании
промышленных роботов (безлюдная технология), сокращение производственных
площадей, транспортных и контрольных операций, уменьшение расходов на
проектирование, изготовление и эксплуатацию зажимных приспособлений,
вспомогательной оснастки и режущих инструментов, повышение культуры
производства и улучшение условий труда - вот перечень тех положительных сторон,
которые приводят к достижению экономической эффективности при эксплуатации станков
с программным управлением.
Широкое внедрение в машиностроение станков с системой программного
управления поставило задачу подготовки квалифицированного персонала,
участвующего в создании, освоении и обслуживании этой сложной техники. В
указанных процессах принимают участие конструкторы, технологи, программисты,
наладчики станков, операторы, специалисты ремонтных служб. Следует подчеркнуть
особую роль наладчиков. Освоение нового станка с программным управлением и
настройка его на обработку детали требуют от наладчика широкого круга знаний в
различных областях техники, Эрудиция наладчика в теоретических вопросах должна
сочетаться с умением решать чисто практические задачи по настройке станка.
Наладчик должен уметь выявлять недочеты в управляющих программах и
корректировать их, добиваясь при минимальных затратах времени наилучших
результатов по производительности, точности обработки и расходу режущих
инструментов. Особая ответственность лежит на наладчике в тех случаях, когда
возникают неисправности в работе станка. Наладчик должен в кратчайшие сроки
отыскать причину неисправности и принять меры к ее устранению своими силами или
с привлечением специалистов из соответствующих служб.
Наладчик должен уметь читать текст управляющей программы по перфоленте,
хорошо разбираться в сопроводительной технологической документации, знать
управление большинством моделей станков определенного типа, уметь пользоваться
чертежами и схемами механических, гидравлических, электрических и электронных
устройств, знать методы и приемы технического обслуживания, гарантирующие
надежность станков с ЭСПУ.
Таким образом, от наладчика в значительной степени зависит
производительность и качество обработки, а также надежность работы
оборудования.
Данный дипломный проект является завершающим этапом в освоении
специальности 2-53 01 31. Темой проекта является разработка комплекса
мероприятий по эксплуатации и наладке интерфейса канала связи ЭСПУ со станком,
электроавтоматики и электропривода, согласно исходным данным. Дипломный проект
включает комплекс вопросов, написание которых требует знания предметов,
пройденных за весь период обучения. Благодаря, дипломному проекту мы получаем
возможность, освежить и систематизировать те знания, которые были получены во
время учебного процесса в гомельском государственном машиностроительном
колледже.
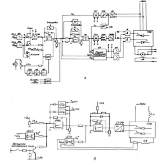
1. НАЗНАЧЕНИЕ ТЕХНОЛОГИЧЕСКОГО ОБОРУДОВАНИЯ, ЭСПУ, ЭЛЕКТРОПРИВОДА
Многоцелевой специальный станок модели ИР500ПМФ4 с контурной системой
программного управления, автоматической сменой инструмента и столов-спутников
предназначен для высокопроизводительной обработки корпусных деталей из
различных материалов посредством сверления, зенкерования, растачивания
отверстий по точным координатам, фрезерования по контуру с линейной и круговой
интерполяцией, нарезания резьбы метчиками и др. Класс точности станка П
(повышенный). Внешний вид станка представлен на рисунке 1.
Широкие диапазоны частоты вращения шпинделя и скоростей подач, наличие
поворотного стола, высокая степень автоматизации вспомогательных работ
расширяют технологические возможности станка и позволяют использовать их в
составе гибких производительных систем.
Дискретный стол (число поз. град. - 120x3), габариты стола 500х500мм.
Рисунок 1.1 - Модель станка ИР500ПМФ4
Электронная система программного управления 2С42-65-14 состоит, главным
образом из электронных элементов, не требующих обслуживание. Техобслуживания
требуют механические части, обладающие ограниченным сроком службы.
Устройство ЭСПУ должно работать в стационарных цеховых условиях в
закрытом, отапливаемом помещении, не содержащем агрессивных газов и паров в
концентрациях повреждающих металл и изоляцию.
В системе ЭСПУ 2С42-65-14 имеется программируемый контроллер
электроавтоматики (КЭ), находящийся в шкафу станка типа «Обрабатывающий центр»
ИР500ПМФ4 с приводами подач и приводами главного движения типа MEZAMATIC. Также
контроллер электроавтоматики имеет светодиодные индикаторы диагностики,
благодаря которым можно определить ошибки и станочные неисправности.
Контроллер электроавтоматики служит для связи станка с системой ЭСПУ. Он
обеспечивает управление дискретной электроавтоматики станка, а также содержит
цифро-аналоговый преобразователь напряжения задания приводов, для обеспечения
их управления. Контроллер электроавтоматики также принимает сигналы с различных
датчиков станка, таких как бесконтактные датчики, а так же подаёт сигналы на
работу различных узлов, например манипулятора, магазина инструментов и др.
Контроллер электроавтоматики преобразует станочные сигналы в сигналы
необходимые для работы стойки с ЭСПУ.
Вместе с ЭСПУ контроллер электроавтоматики обеспечивает логическую задачу
(задача вспомогательных операций). К их числу относится автоматическая смена
инструмента, управление переключениями приводов подач связанными с
ограничениями рабочей зоны, управление переключением в приводе главного
движения, управление зажимным приспособлением инструмента, охлаждением,
смазыванием, перемещением ограждения. Все эти функции выполняются цикловой
электроавтоматикой которая обеспечивает работу станка в заданных режимах, а
также индикацию состояния электрооборудования станка, выход из аварийной
ситуации хранение информации при отключении питания, защиту электрооборудования
и др. При решении логической задачи в качестве исполнительной части выступают
исполнительные цикловые механизмы объекта (станка), а функции управления
автомата выполняет система электроавтоматики.
Рисунок 1.2 - Внешний вид ЭСПУ 2С42-65-14
Электропривод типа «Мезоматик-V» предназначен для приводов главного
движения металлорежущих станков и других промышленных механизмов с числовым
программным управлением и представляет собой электрический привод постоянного
тока с двухзонным регулированием. Регулирование в первой зоне осуществляется
при постоянстве предельно допустимого момента M=const при диапазоне
регулирования D= 1:200, во второй зоне - при постоянстве мощности P=const при
D=l:3(5). Снижение допустимой мощности в третьей зоне объясняется ухудшением
условий коммутации.
Электрический привод постоянного тока «Мезоматик-К» типа 1Р.AR..
предназначен для приводов подачи металлорежущих станков и машин для обработки
давлением с ЧПУ. Привод входит состав сервомеханизма установки положения
подачи. Привод можно применять и в обратной связи по скорости с ручным
управлением.
Привод включен по трехимпульсной схеме с уравнительными токами.
Высокомоментный двигатель с возбуждением от постоянных магнитов, питается через
якорь от реверсивного тиристорного преобразователя. Силовая часть преобразователя
подключена к сети через питающий трансформатор,У привода с несколькими
координатами между общим трансформатором и отдельными преобразователями
включены коммутационные дроссели. Двигатель подключен одной клеммой к
преобразователю через дроссели уравнительных токов, а другой - к выведенному
узлу вторичной обмотки трансформатора.
Рисунок 1.3 - Схема электропривода “Мезоматик”: а - преобразователь
управления якорем; б - преобразователь управления возбуждения
В состав электропривода MEZAMATIC-V входят:
• Преобразователь тиристорный типа FORMIK K1S3-V для питания якоря
двигателя;
• Преобразователь тиристорный типа FORMIK K1D1-B для питания обмотки
возбуждения двигателя;
• Электродвигатель постоянного тока серии V с диапазоном мощностей
3,7...45 кВт;
• Коммутационные дроссели типа LTE;
• Фильтр для подавления помех.
Конструктивно преобразователи выполнены по компактной блочной структуре,
обеспечивающей простоту обслуживания и свободный доступ к контрольным точкам и
элементам схемы. Степень защиты преобразователей 1Р00 предусматривает их
размещение в электрошкафах.
В состав электропривода MEZAMATIC-К входят:
• Двигатель постоянного тока;
• Однокоординатный преобразователь;
• Двухкоординатный преобразователь;
• Коммутационный дроссель;
• Дроссель уравнительных токов;
• Питающий трансформатор;
• Фильтр для подавления помех;
Тиристорный преобразователь состоит из силовой части (2 антипараллельно
соединенных выпрямителя, состоящих из тиристорных беспотенциальных модулей),
цепей регулирования, управления и диагностики, вспомогательных для питания
регулятора и синхронизации генератора зажигающих импульсов из сети.
Цепи регулирования содержат: обратную связь по скорости, цепь тока
ограничения, зависимого от частоты вращения, цепь адаптации для изменения
усиления усилителя частоты вращения.
Цепи управления содержат: генераторы зажигающих импульсов для тиристоров,
цепи для обеспечения последовательности по времени подключения преобразователя
к сети.
2. РАСЧЕТНО-ТЕХНИЧЕСКАЯ ЧАСТЬ
2.1
Логический анализ взаимодействия заданного блока ЭСПУ с технологическим
оборудованием
Одним из
основных устройств системы ЭСПУ является блок цифроаналогового преобразователя
(ЦАП).
Субблок
предназначен для преобразования поступающего на него числа в двоичном коде,
пропорционального или равного рассогласования, в напряжение постоянного тока в
диапазоне ±10В, который является задающим напряжением для регулируемого
привода. Абсолютная величина входного разряда представляется четырнадцатью
разрядами, дополнительно как знаковый используется старший разряд
шестнадцатиразрядного слова.

Рисунок 2.1.1 - Блок-схема ЦАП
Во входных регистрах запоминается информация о величине (разряды
МД00…МД13) и знаке (МД15) входного числа. Эта информация будет сохраняться в
регистрах, и на привод будет выдаваться соответствующее ей напряжение на
протяжении текущего таймерного интервала (10…14), до тех пор, пока в начале
следующего интервала не произойдет её обновление.
2.2
Требования, предъявляемые к электроприводу, входящим в технологическое
оборудование
Требования к электроприводам определяются технологией обработки,
конструктивными особенностями станка, режущим инструментом, функциональными
возможностями системы ЭСПУ.
Основные технологические требования заключаются в обеспечении:
необходимых технологических режимов обработки с использованием современного
режущего инструмента; максимальной производительности; требуемой точности
обработки; высокой чистоты обрабатываемой поверхности (снижение шероховатости);
повторяемости размеров деталей в обрабатываемой партии (стабильности).
При всем многообразии станков требования, предъявляемые к приводам
станков, определяются, главным образом, не тем, к какой группе относится
станок, а для какого движения предназначен привод. Для главного движения,
подачи или вспомогательного, так как именно это определяет мощность и момент,
способ регулирования скорости, диапазоны регулирования, необходимую плавность
регулирования, требования к динамическим характеристикам, к жесткости
механических характеристик и стабильности скорости.
Расширение технологических возможностей станков обеспечило возможность
проведения на одном станке различных технологических режимов: фрезерование,
сверление и растачивание или точение, сверление и растачивание и т.д., а
освоение нового твердосплавного и керамического инструмента существенно
повысило режимы обработки.
Расширение технологических режимов обработки на одном станке с
использованием современного режущего инструмента привело к усложнению
установленных электроприводов. Увеличению установленной мощности двигателя
главного движения, вращающих моментов двигателей подач, расширению диапазонов
регулирования скорости главного привода, рабочих подач и установочных
перемещений, увеличению быстродействия всех приводов при управляющем и
возмущающем воздействиях, ужесточению требований к стабильности и равномерности
вращения электродвигателей всех приводов.
Требование повышения производительности также привело к увеличению
мощности и максимальной скорости привода главного движения; к увеличению
скорости быстрого хода приводов подач; увеличению максимальных рабочих подач;
снижению времен разгона и торможения, позиционирования приводов подач и
вспомогательных перемещений и ориентации шпинделя.
Удовлетворение требованиям снижения шероховатости и повышения точности
при обработке и позиционировании ужесточило требования к электроприводам по
значению погрешностей в установившихся и переходных режимах при различных
возмущающих воздействиях, по расширению диапазона регулирования и увеличению
чувствительности электроприводов по входному воздействию и нагрузке, по
повышению равномерности движения, особенно при малых скоростях, по увеличению
быстродействия при возмущении по нагрузке и при реверсе под нагрузкой на малой
скорости.
Для обеспечения повторяемости размеров деталей в обрабатываемой партии и
высокой точности позиционирования необходимо иметь высокостабильный привод с
высокой равномерностью перемещения и апериодическим переходным процессом при
изменении скорости.
Очень важным требованием к электроприводам станков с ЭСПУ, особенно при
их работе в автоматизированном производстве, является обеспечение их высокой
надежности как относительно сохранения параметров, так и безаварийности и
ремонтопригодности. Повышению надежности работы электроприводов в значительной
степени способствуют наличие технологических запасов по параметрам отдельных
электронных элементов и схемным решениям, корректный монтаж
электрооборудования, своевременное проведение профилактических мероприятий и
установка необходимой системы диагностики, позволяющей быстро определять и
устранять неисправности.
Появление низкоскоростных высокомоментных двигателей умеренных габаритов
позволило существенно сократить механическую часть коробки подач, а в ряде
случаев полностью ее исключить, установив исполнительный двигатель
непосредственно на ходовой винт.
Исключение коробки подач привело к повышению мощности механической
передачи, повышению КПД и снижению момента инерции электромеханического привода.
В станках возросла составляющая от резания в общей нагрузке приводов подач. В
большинстве современных станков нагрузка на двигатель при рабочих подачах без
резания составляет не более 20-30% номинальной.
Рост составляющей от сил резания в общей нагрузке на привод подачи
увеличил колебание нагрузки на электроприводе подачи при резании, что
ужесточило требования к статической и динамической жесткости привода подачи.
Увеличение скорости быстрых перемещений и снижение скорости установочных
перемещений привели к значительному увеличению диапазона регулирования.
Максимальная рабочая подача современных многоцелевых станков составляет 30-50%
скорости быстрых перемещений.
Полный диапазон регулирования подач в станках фрезерной, расточной и
токарной групп составляет 100-10000, а в карусельных расширяется до
30000-40000. Теоретически диапазон регулирования привода подачи каждой оси в
станках с ЭСПУ при контурном фрезеровании бесконечен (например, при обработке
окружности). Реально минимальная подача ограничена чувствительностью
электропривода.
Скорость быстрых перемещений зависит от характеристик механической части
привода, возможностей ЭСПУ (в частности, от максимальной частоты сигнала
управления приводом от ЭСПУ), дискретности управления, максимальной угловой
скорости приводного электродвигателя, коэффициента редукции передачи от
двигателя к механизму и других ограничений, вносимых ЭСПУ.
Минимальная скорость привода определяется технологическими требованиями,
дискретностью управления и чувствительностью электропривода. Особо высокие
требования предъявляются к динамическим характеристикам привода по управляющему
и возмущающему воздействиям. Неудовлетворительные динамические свойства
регулируемого электропривода, особенно при возмущении по нагрузке, являются
причиной повышенной шероховатости поверхности, поэтому весьма важно обеспечить
высокое быстродействие привода при сбросе и набросе нагрузки, а также реверсе
двигателя под нагрузкой на самых малых скоростях.
Стабильность позиционирования и обработки в значительной степени зависит
от стабильности электромеханической системы приводов подач, которая
определяется стабильностью ее звеньев, и в первую очередь электропривода,
датчика положения и ЭСПУ. Стабильность характеристик электропривода при
достаточно большом коэффициенте усиления определяется стабильностью нуля
входного усилителя регулятора и стабильностью датчика скорости -
тахогенератора. Наибольшая относительная нестабильность имеет место при малых
скоростях, когда полезный сигнал соизмерим с дрейфом нуля усилителя и падением
напряжения в щеточном контакте тахогенератора.
Другим фактором, влияющим на стабильность, а следовательно, и на
идентичность параметров при обработке партии деталей, является характер
переходного процесса по управляющему воздействию в замкнутых системах следящего
и регулируемого электроприводов. При апериодическом переходном процессе при
движении в одну сторону не происходит раскрытия люфтов в механических узлах, а
также отсутствует влияние гистерезиса, что приводит к существенному повышению
стабильности и точности позиционирования и обработки.
Установка во всех станках сверхточных, сверхбыстродействующих и
сверхстабильных электроприводов сопряжена со значительными техническими
трудностями и необоснованно высокими экономическими затратами.
В станках с контурной и контурно-позиционной ЭСПУ (классы станков ФЗ и
Ф4) в механизмах подач применяются следящие электроприводы: в станках выпуска
60-х годов применялись разомкнутые электроприводы с шаговыми двигателями или
электрогидравлические приводы с шаговыми двигателями.
Однако для расширения диапазона регулирования в этих и других станках в
механизмах подач возможна установка так называемых автономных электроприводов с
датчиками положения, установленными непосредственно на двигателях, с введением
в преобразователе устройств для обработки сигналов датчиков и замыкания системы
по пути.
В механизмах главного движения в большинстве станков установлены
регулируемые электроприводы без обратной связи по положению, в отдельных
станках применяются специальные системы ориентации шпинделя либо от мощного
двигателя главного привода, либо от специального маломощного двигателя со
следящим приводом, аналогичным приводам подач. Очень небольшое количество
станков имеет следящий электропривод главного движения от основного электродвигателя.
.3 Проанализировать и описать элементную базу электроавтоматики и
датчиков, входящих в технологическое оборудования
Электроавтоматика станка предназначена для привода, агрегатов и
механизмов, автоматического управления ими контроля состояния, технической
диагностики и сигнализации. От четкости работы электроавтоматики зависит
производительность и надежность станка.
На рисунке приведена структурная схема электроавтоматики станка с ЭСПУ. В
состав электрооборудования входят электроприводы главного движения 1, подач 2,
вспомогательный для создания вращающего и поступательного движения механизмов,
датчики технологических параметров 4 и обратной связи 5 электропривода,
преобразующие параметры электроприводов и пропорциональные им электрические сигналы.
Устройства диагностики и контроля 8 служат для контроля и индикации
основных рабочих режимов, а также для защиты станка в аварийном режиме.
Вместе с системой ЧПУ контроллер электроавтоматики обеспечивает
логическую задачу (задача вспомогательных операций). К их числу относится
автоматическая смена инструмента, управление переключением в приводе главного
движения, управление зажимным приспособлением инструмента, охлаждением,
смазыванием, перемещением ограждения. Все эти функции выполняются цикловой электроавтоматикой
которая обеспечивает работу станка в заданных режимах, а также индикацию
состояния электрооборудования станка, выход из аварийной ситуации, защиту
электрооборудования и др. При решении логической задачи в качестве
исполнительной части выступают исполнительные цикловые механизмы объекта
(станка), а функции управления автомата выполняет система электроавтоматики.
Элементами электроавтоматики служат электромагнитные гидравлические
вентили, некоторые кнопки пульта станка, автоматические выключатели (автоматы)
для защиты электрических цепей от токов короткого замыкания, тепловые и
температурные реле для защиты от перегрузок, контакторы и магнитные пускатели
для дистанционного управления двигателями, а также
Устройства диагностики и контроля служат для контроля и индикации
основных рабочих режимов, а также для защиты станка в аварийном режиме.
Рисунок 2.3.1 - Структурная схема электроавтоматики станка с ЧПУ
Для управления станками в различных режимах и контроля состояния их
механизмов служат пульт управления установленные в ЭСПУ. В зависимости от
назначения, все элементы, входящие в состав электроавтоматики станка,
подразделяются на:
Командные элементы:
концевые выключатели (путевые выключатели);
Рисунок 2.3.2
автоматические выключатели;
Рисунок 2.3.3
- коммутационные кнопки
Рисунок 2.3.4
Логические элементы:
- токовое реле;
Рисунок 2.3.5
- тепловое реле;
Рисунок 2.3.6
реле напряжения;
Рисунок 2.3.7
- реле времени (после подачи напряжения на катушку КТ1 контакты 1 будут
коммутироваться через определённую задержку времени, в случаи контактов 2
коммутация произведётся моментально и через задержку времени контакты вернутся
в первоначальное состояние);
Рисунок 2.3.8
- командные контроллер (SM)
Защитные элементы:
плавкие предохранители;
Рисунок 2.4.9
автоматические выключатели
Рисунок 2.4.10
Эти электрические элементы характеризуются родом питающего тока, типом
управляющих цепей, наличием или отсутствием подвижных частей.
Электроавтоматика станка оснащена бесконтактными элементами управления и
содержит большое количество релейно-контакторной аппаратуры. К их числу
относится автоматические выключатели (автоматы) для защиты электрических цепей
от токов короткого замыкания, тепловые и температурные реле для защиты от
перегрузок, контакторы и магнитные пускатели для дистанционного управления
двигателями, а также контактные путевые выключатели, применяемые для контроля
передвижения рабочих органов станков.
.4 Расчитать мощность, потрбляемую заданным блоком ЭСПУ
Для наглядности расчета мощности потребляемой заданным модулем УЧПУ
составим таблицу, в которую включим наименование микросхемы, их количество,
потребляемый ток, питающее напряжение и рассчитанную мощность. Мощность,
потребляемая микросхемами одной серии, рассчитывается путем умножения
количества микросхем данной серии на мощность потребляемой одной микросхемой
этой же серии. Мощность одной микросхемы определяется формулой:
= IпотUпит.
Таблица 2.4.1
Расчет мощности субблока
|
Наименование микросхемы
|
Количество
|
Iпот.мА
|
Uпит. В
|
Pпот. мВт
|
|
К155ЛА3
|
1
|
27
|
5
|
135
|
|
К589ИР12
|
4
|
130
|
5
|
2600
|
|
КР531ЛА3
|
1
|
100
|
5
|
500
|
|
К155ИД4
|
1
|
40
|
5
|
200
|
|
КР140УД608
|
2
|
4
|
5
|
40
|
Итоговая мощность микросхем (субблока) 3475 мВт; 3,475 Вт
Рассчитанная мощность, потребляемая субблоком SB-449 ( цифро-аналогового
преобразователя), примерно соответствует нормам, приведенным в технической
характеристике данного модуля.
2.5 Разработать тест-программу для проверки заданного блока ЭСПУ
Надежность УЧПУ в значительной мере зависит от системы диагностирования,
а также от системы контроля и исправления ошибок в памяти.
Входной контроль УЧПУ выполняется с помощью специального теста проверки
исправности функционирования системы. Этот тест, реализуемый программно-аппаратными
средствами завода-изготовителя УЧПУ, предусматривает временную установку платы
контроля. Помимо входного контроля в процессе работы УЧПУ предусматривается
выполнение тестов самодиагностирования двух видов: до начала рабочих режимов
(резидентный тест); во время функционирования в фоновом режиме.
Резидентный проверяющий тест автоматически выполняет подробную
диагностику узлов непосредственно после включения УЧПУ. Особенностью
резидентного теста является полная его автономность по отношению к контролируемым
функциональным узлам устройства ЧПУ, что позволяет обеспечить детальную
проверку всех узлов устройства ЧПУ на функционирование. Обнаруженные
неисправности в функционировании узла индикатируются на экране дисплея пульта
управления в виде кодов ошибок или в расшифрованном тестовом виде. По окончании
полного диагностического контроля устройства ЧПУ с помощью резидентного теста
оператор получает возможность выбрать соответствующий режим работы.
Диагностический контроль в рабочих режимах выполняется во время,
свободное от выполнения основных операций. При этом устройство ЧПУ
автоматически переводится в фоновый режим выполнения диагностических тестов. В
процессе проведения каждого теста последовательно решается ряд элементарных
арифметико-логических задач. Полученные в процессе выполнения теста результаты
сравниваются с константами, представляющими полученные ранее ответы и
хранящиеся в памяти устройства ЧПУ.
Несовпадение результатов выполнения тестов с соответствующими константами
рассматривается диагностической системой как ошибка функционирования (сбой,
отказ) узла устройства ЧПУ. При этом на экран дисплея в зону комментариев
выводится информация о ходе ошибки, которая позволяет локализовать неисправный
узел или место в устройстве ЧПУ.
Запишем тест-программу для субблока SB-449 устройства ЧПУ 2С42-65-14.
Машинный код Язык Ассемблер
/ 012702 M7: MOV # 1, R2
402 / 000001 MOV # 164042, R1
/ 012701 M1: TST B @ # 160776
/ 161001 BPL M1
/ 105737 MOV # 167770, R5
/ 160776 M4: MOV (R5) + , R3
/ 100375 MOV (R5) + , R4
/ 012705 JSR R7 @ # M2
/ 167700 JSR R7 @ # M3
/ 012504 INC R2
/ 004737 CMP # 11, R2
/ 000510 BNE M4
/ 004738 MOV # 100, R0
/ 000602 M5: MOV B # 40, (R1) +
/ 000602 DEC R0
/ 005202 BNE M5
/ 022707 MOV # 11, R2
/ 000011 TST @ # R7
/ 001366 JSR R6, @ M5
/ 012700 M2: MOV # 100, R0
/ 000100 TST @ # R0
/ 112721 MOV # 112721, 40
/ 000040 TST @ # 112721
/ 0007 3 BLR M2
/ 0127 0 MOV # 10, R1
/ 000010 TST @ R1
/ 112721 MOV # 104, 112721
/ 000104 TST @ R1
/ 062702 ADD # 60, R2
/ 000060 TST @ R2
/ 110802 BRL M1
/ 110221 MOV # R2, (R1) +
/ 112721 JMP R1 @
/ 112722 MOV @ 40, 112721
/ 000040 TST @ R1, 112721
/ 042702 JMP R2
/ 000060 CLR 60, R2
/ 000000 TST R2, @
/ 010206 MOV # R2, (R6) +
/ 010506 MOV # R5, (R6) +
/ 005002 CLR R2
/ 012705 MOV # 4, R5
/ 000004 TST @ R5
/ 052702 JMP R2 @
/ 052705 JMP R5 @
/ 005300 CMP # R2, R5
514 / 00000 RESET @
MOV # 1, R2 - Пересылка непосредственным методом адресации через
СК (счётчик команд) 1 в регистр R2.@ # 160776 - Проверка содержимого
ячейки 160776.M1 - Ветвление, переход на метку М1, при условии, если имеется
знак “+”.(R5) + , R3 - Пересылка автоинкрементным методом адресации
через РОН содержимого регистра R5 в регистр R3.(R5) + , R4 - Пересылка
автоинкрементным методом адресации
через РОН содержимого регистра R5 в регистр R4.R7 @ # M2 - Перейти к
подпрограмме по метке М2.R2 - Прибавление 1 к содержимому регистра R2.# 11, R2
- Сравнение содержимого ячейки R2 с числом 11.M4 - Переход к М4, если результат
≠ 0.# 100, R0 - Пересылка непосредственным методом адресации
через СК (счётчик команд) 100 в регистр R0.R0 - Из содержимого регистра
R0 вычитается 1.M5 - Переход к М5, если результат ≠ 0.# 11, R2 -
Пересылка непосредственным методом адресации
через СК (счётчик команд) 11 в регистр R2.@ # R7 - Проверка абсолютным
методом через СК содержимого
регистра R7.M7 -Ветвление, безусловный переход по метке М7.# 1, R2 - Из
содержимого регистра R2 вычитается 1.R6, @ M5 - Перейти к подпрограмме по метке
М5.R2 - Очистка содержимого регистра R2.@ R1 - Проверка косвенно-регистровым
методом через РОН
содержимого регистра R1.# R2, R5 - Сравнение непосредственным методом
через СК
содержимого регистра R2 с содержимым регистра R5.@ - Сброс.
2.6 Рассчитать надежность заданного блока ЭСПУ с использованием
прикладной программы на ПЭВМ
.7 Разработать алгоритмы поиска неисправностей в технологическом
оборудовании
Под алгоритмом понимают последовательность выполнения логических операций
необходимых для совершения некоторых действий или решения задачи.
Алгоритм может иметь словесное описание или реализован в виде структурной
схемы. Схема алгоритма состоит из геометрических фигур и линий. Геометрические
фигуры (блоки) соответствуют тем или иным шагам алгоритмического процесса, а
направление линий определяет порядок выполнения блоков.
Для составления блок-схемы алгоритма, поиска неисправности применяются
следующие блок схемы:
- блок
выполнения операций (действий) по обработке данных, текст внутри блока является
кратким описанием этого.
- блок
проверки выполнения условия с целью принятия решения о направлении последующего
кода вычислений. Внутри блока описывается условие, подлежащее проверке в той
точке схемы алгоритма, где размещается данный блок. Возможные результаты
проверки указываются на линиях, выходящих из блоков.
- блок
печати и конца алгоритма.
Алгоритм, состоящий из блок-схем, дает полное представление о работе той
или иной системы. Опираясь на технологическую документацию, можно составить алгоритм
по нахождению заданных неисправностей.
Вначале рассмотрим неисправность 1 (при вводе задания скорости шпинделю и
последующем пуске станка, происходит отключения электропривода главного
движения). Алгоритм неисправности приведён на рисунке 2.7.1.
Опираясь на алгоритм поиска неисправности для устранения неполадок в
работе технологического оборудования, я должен произвести следующие действия:
. Проверить исправность автоматического выключателя главного привода.
2. Проверить исправность силовой части тиристоров.
. Проверить фазы.
. Проверить блок платы А14.
. Проверить поступление сигнала на тахогенератор.
При обнаружении неисправности в выше указанных пунктах и проведении
ремонтных и наладочных работ, данная неисправность будет устранена.
Рисунок
- 2.7.1 Алгоритм поиска неисправности (отключения электропривода главного
движения)
Неисправность
2 (нет соответствия заданному и действительному значения числа оборотов
шпинделя). Алгоритм неисправности приведен на рисунке 2.7.2.
Опираясь
на алгоритм поиска неисправности для устранения неполадок в работе
технологического оборудования, я должен произвести следующие действия:
1. Проверить исправность тахогенератора.
2. Проверить исправность ЧАП стойки.
. Проверить исправность регулятора тока.
При обнаружении неисправности в выше указанных пунктах и проведении
ремонтных и наладочных работ, данная неисправность будет устранена.
Рисунок
- 2.7.2 Алгоритм поиска неисправности (нет соответствия значению числа
оборотов)
3. ОРГАНИЗАЦИОННО-ТЕХНОЛОГИЧЕСКАЯ ЧАСТЬ
.1 Разработать и описать методы поиска неисправностей и восстановление
работоспособности технологического оборудования с использованием
контрольно-измерительных приборов и диагностического оборудования
Немаловажное значение при эксплуатации станков с ЭСПУ имеет надёжная
работа электронной схемы станка и взаимозаменяемость электронных блоков, а
также и других узлов и блоков станка. Поэтому при обслуживании таких станков
необходимо иметь достаточное количество резервных блоков и узлов, чтобы
устранить наладочные работы на станке и тем самым сократить потери времени при
восстановлении ЭСПУ. Но при этом необходимо иметь или целиком повторенную ЭСПУ,
или специализированные наладочные и испытательные стенды, позволяющие
производить наладку и регулировку узлов и блоков вне системы станка.
Наладка и испытания элементов, узлов и блоков ЭСПУ содержат в себе
операции подрегулировки или настройки. Нельзя изменить данные, например,
полупроводникового устройства, так как все элементы, влияющие на
характеристику, например, полупроводникового транзистора, закрыты герметическим
корпусом. Но, очевидно, можно изменить характеристику такого элемента системы,
как электромеханический преобразователь, у которого изменением натяга пружин
или мембран можно изменить тяговую характеристику.
К общим вопросам подготовки и проведения наладочных и испытательных работ
по узлам и блокам аппаратуры ЭСПУ можно отнести подбор измерительных приборов,
внешний осмотр, проверку работоспособности, контрольные измерения и снятие
характеристик.
Для испытания элементов, узлов и блоков ЭСПУ в лабораториях
исследовательских институтов и крупных заводов обычно применяют специальные
контрольные устройства и стенды. Разрабатываются компактные переносные
устройства для испытания и настройки узлов и блоков ЭСПУ вне станков. По мере
появления таких устройств на предприятиях, эксплуатирующих станки с ЭСПУ,
наладчики должны их осваивать и применять в своей практической работе. В ходе
испытаний элементов, узлов и блоков аппаратуры ЭСПУ необходимо понимание ее
основных свойств, без чего нельзя обеспечить качественную режимную наладку этих
устройств. Освоение методики испытаний поможет также обеспечить
квалифицированное профилактическое обслуживание новых видов оборудования и
облегчить отыскание возможных повреждений в ЭСПУ. При введении в действие ЭСПУ
с электронными блоками проверяется их пригодность и подвергаются контролю общие
характеристики блоков и отдельных элементов. Однако контроль отдельных
элементов во многих случаях недостаточен для настройки рабочих режимов ЭСПУ,
отыскания повреждений, подбора резервных элементов и проверки заводских технических
данных. Необходимы также знания приёмов испытания и снятия характеристик с
электронной аппаратуры.
В большинстве электронных схем ЭСПУ применяются полупроводниковые
приборы. Схемы с полупроводниковыми элементами собираются путем пайки, и
отключение отдельных элементов при проверке можно считать нецелесообразным.
Сопротивления и ёмкости, не отсоединенные от схемы, измеряют обычными методами,
однако наличие общих цепей с полупроводниковыми приборами (транзисторами,
диодами), вносит существенные затруднения. Во время измерения сопротивлений
подключение прибора должно производиться таким образом, чтобы полярность
источника питания была встречной по отношению к проводящим цепям транзистора
или диода и чтобы величина напряжения была значительно ниже допустимого для них
обратного напряжения. Если параллельно сопротивлению подключена емкость, то
отсчет должен производиться после того, как закончится процесс зарядки
конденсатора. Измерение емкости, включенной параллельно сопротивлению, можно
производить методом вольтметра-амперметра с последующим учетом активной
составляющей тока, проходящего через сопротивление. Более простым является
измерение с помощью моста, у которого параллельно варьируемой емкости
подключено сопротивление. Без разрыва цепей величины токов могут быть
определены только расчетным путем по данным измерения напряжений на известных
установочных сопротивлениях. В тех случаях, когда для измерения тока приходится
включать амперметр, распаивать схему рекомендуется не непосредственно у
полупроводникового прибора, а в цепях, удаленных от него, во избежание
излишнего нагрева полупроводникового элемента.
Проверку исправности интегральной микросхемы начинают с измерения
постоянных и импульсных напряжений на их выводах. Чтобы избежать случайных
замыканий близко расположенных выводов микросхемы, рекомендуется подсоединять
щупы измерительных приборов не к этим выводам, а к связанным с ними печатным
проводникам или к радиоэлементу. Если результаты измерений отличаются от
требуемых, то следует установить причину: дефекты в подсоединённых к
интегральной микросхеме радиоэлементах, отклонение их значений от номинальных,
источник, откуда поступают необходимые импульсные и постоянные напряжения, или
неисправность самой интегральной микросхемы.
Нельзя
проверить исправность интегральной микросхемы методом замены, если для этой
цели она должна быть выпаяна из печатной платы.
Выпаянную
интегральную микросхему не рекомендуется устанавливать вновь, даже если
проведенная проверка показала её исправность. Такое требование объясняется тем,
что из-за повторного перегрева выводов не гарантируется её безотказная работа.
Для
облегчения демонтажа установку интегральной микросхемы на плату рекомендуется
производить с зазором не менее 3мм между корпусами, а также между интегральной
микросхемой и платой. При выполнении электрического монтажа интегральной
микросхемы необходимо соблюдать меры предосторожности.
Монтаж интегральной микросхемы следует выполнять на столе, поверхность
которого покрыта хлопчатобумажным материалом или антистатическим линолеумом.
Рабочий инструмент (стержень) паяльника и корпус (общую шину) радиоаппарата
следует заземлять или электропаяльник включать в сеть через трансформатор, так
как во время пайки возникновение токов утечки между стержнем паяльника,
включенного в сеть, и выводами интегральной микросхемы может привести к выходу
её из строя.
Пайку интегральной микросхемы целесообразно производить специальным
групповым электропаяльником для одновременного прогрева всех её выводов. Время
пайки должно быть не более 3с. Допускается поочередная пайка выводов. При этом
интервал между пайками соседних выводов должен быть не менее 10с. Для пайки
выводов интегральной микросхемы используют припои марки ПОСК-50-18 или ПОС-61.
В общем случае программа наладки и испытания электронных систем станков с
ЭСПУ включает в себя следующие элементы работ.
. Внешний осмотр.
. Проверку правильности включения в схеме элементов и проверку их
монтажа.
. Испытание изоляции на электрическую прочность и измерение сопротивления
изоляции.
. Измерение величин и формы напряжений и токов в элементах электронной
схемы.
. Снятие рабочих характеристик (коэффициента усиления, искажения сигнала,
фронта сигналов др.).
. Контрольную нагрузку схемы на исполнительный элемент или его
эквивалент.
. Запись результатов измерений и проведенного испытания в специальную
карту.
. МЕРОПРИЯТИЯ ПО РЕСУРСО- И ЭНЕРГОСБЕРЕЖЕНИЮ
.1 Основные определения ресурсо- и энергосбережения
Необходимым условием развития современного государства является его
способность обеспечить высокий уровень эффективности производства. Сфера
хозяйствования - вот что в основном обеспечивает удовлетворение потребностей
страны. Республика Беларусь, не располагая достаточными природными
топливно-энергетическими ресурсами (ТЭР), вынуждена закупать около 85%
потребляемых ТЭР. Это делает экономику зависимой от внешних поставщиков и
уязвимой по отношению к резким колебаниям цен на энергоресурсы.
В то же время затраты на топливно-энергетические ресурсы при производстве
валового внутреннего продукта в республике заметно выше, чем в развитых странах
Европы, Америки, Азии.
В этих условиях проблема экономного потребления энергоресурсов (или более
точно - эффективного использования закупаемого, производимого и добываемого в
республике топлива), т.е. проблема энергоэффективности или энергосбережения
является одной из первоочередных. Это важный приоритет государственной политики
и, понятно, направление в развитии экономики, дающее заметные финансовые выгоды
для общества в целом и для каждого жителя Беларуси.
С целью снижения энергопотребления была издана Директива Президента РБ №3
от 14 июня 2007 г. «Экономия и бережливость - главные факторы экономической
безопасности государства» о снижении энергопотребления и переходе на
собственные возобновляемые источники энергии.
Энергосбережение - не самоцель, это один из путей повышения эффективности
нашего народнохозяйственного комплекса, это, по сути, еще один «источник
энергии» для страны, не бесплатный, но на данном этапе один из самых дешевых.
Суть энергосбережения - не в ограничении потребления ТЭР, а в эффективном
использовании энергоресурсов (за счет внедрения новых современных технологий,
оборудования и материалов; исключения потерь и т.п.) при одновременном
улучшении условий жизни человека и условий хозяйствования предприятия.
Закон Республики Беларусь "Об энергосбережении" определяет
следующие основные понятия:
Энергосбережение - организационная, научная, практическая, деятельность
государственных органов, юридических и физических лиц, направленная на снижение
расхода (потерь) топливно-энергетических ресурсов в процессе их добычи,
переработки, транспортировки, хранения, производства, использования и
утилизации;
Топливно-энергетические ресурсы (ТЭР) - совокупность всех природных и
преобразованных видов топлива и энергии, используемых в республике;
Эффективное использование топливно-энергетических ресурсов -
использование всех видов энергии экономически оправданными, прогрессивными
способами при существующем уровне развития техники и технологий и соблюдении
законодательства;
Нетрадиционные и возобновляемые источники энергии - источники
электрической и тепловой энергии, использующие энергетические ресурсы рек,
водохранилищ и промышленных водостоков, энергию ветра, солнца, редуцируемого
природного газа, биомассы (включая древесные отходы), сточных вод и твердых
бытовых отходов;
Вторичные энергетические ресурсы (ВЭР) - энергия, получаемая в ходе
любого технологического процесса в результате недоиспользования первичной
энергии или в виде побочного продукта основного производства и не применяемая в
этом энергетическом процессе.
Энергетика - область человеческой деятельности, связанная с
производством, передачей потребителям и использованием энергии.
В мире наиболее развито производство электроэнергии, что обусловлено
совершенством и сравнительной простотой преобразователей этой энергии в
механическую, тепловую и другие виды энергии, управляющей ее мощностью
аппаратуры, возможностью транспортировки и дробления для использования многими
разнородными потребителями, а также экологической чистотой использования
электроэнергии в подавляющем большинстве производств. Пожалуй, к недостаткам
электроэнергии следует отнести несовершенство и громоздкость устройств для
хранения и накопления электроэнергии, а также серьезную опасность для человека,
обусловленную тем, что человек не имеет органолептического восприятия
электрического напряжения.
Поскольку большая часть электроэнергии вырабатывается на
теплоэлектростанциях, к энергетике относят и топливодобывающие предприятия.
Обычно рассматривают топливно-энергетический комплекс страны. Энергосбережение
направлено на экономное расходование топливно-энергетических ресурсов, запасы
которых на земле ограничены.
.2 Определение технологической нормы расхода электроэнергии на 1
нормо-час по механическому цеху
В механических и сборочных цехах нормы расхода устанавливаются на единицу
производимой цехом работы (продукции), измеряемой в нормо-часах.
Для автоматизированных участков, на которых расход электроэнергии не
связан прямо с затратами живого труда - в качестве единицы измерения продукции
(работы) принимается 1 станко-час.
При расчете норм расхода все оборудование цеха разбивается на
технологические группы. При разбивке оборудования на группы учитывается не
только общее назначение оборудования по видам обработки (токарные, фрезерные и
т.д.).
Норма
расхода электроэнергии по группе станков в общем виде определяется в
на единицу продукции:
(4.2.1)
Где:
- номинальная
(установленная) мощность электродвигателей у станка i - группы, кВт:
-
количество станков в группе;
-
коэффициент использования мощности;
-
годовой объем выпуска продукции;
-
средневзвешенный к.п.д. электродвигателей станков;
- число
часов работы оборудования за учитываемый период (полезное время);
,(4.2.2)
Где:
-
трудоемкость изготовления единицы изделий, норма-часов;
К-
количеств изготовленных изделий, шт.
Норма
расхода электроэнергии на производство единицы продукции (работы) при
механическом виде обработки
складывается
из норм расходаэлектроэнергии по токарной, сверлильной, фрезерной, шлифовальной
и другие группы оборудования и рассчитывается в (кВт∙ч/ед) продукции по
формуле:
(4.2.3)
Где:
- норма
расхода электроэнергии на производство продукции по i-ой группе оборудования;
- объём
выпускаемой продукции на i-ой группе оборудования;
-
количество групп.
Расход
электроэнергии на всю производственную продукции (кВт∙ч):
(4.2.4)
Таблица 4.2.1
Технологическое оборудование
|
Номер
|
Вид оборудования
|
Кол-во, шт
|
Р уст группы, кВт
|
К исп
|
Трудоёмкость единицы, нормо-час
|
Выпуск продукциишт
|
|
1
|
Горизонтально-фрезерной станок
|
25
|
247,5
|
0,12
|
2,6
|
1000
|
|
2
|
Шлице-фрезерный станок
|
41
|
467,4
|
0.12
|
1,2
|
2000
|
|
3
|
Вертикально-фрезерный станок
|
27
|
332,1
|
0,12
|
2,6
|
1500
|
|
4
|
Продольно-фрезерный станок
|
15
|
367,5
|
0,12
|
1,2
|
2500
|
|
5
|
Продольно-фрезерный станок
|
19
|
589
|
0,12
|
2,6
|
3000
|
|
6
|
Токарно-винторезный станок
|
22
|
0,14
|
1.5
|
1000
|
|
7
|
Токарно-винторезный станок
|
44
|
871,2
|
0,14
|
1,8
|
2000
|
|
8
|
Токарно-револьверный станок
|
43
|
395,6
|
0,14
|
1,5
|
1500
|
|
9
|
Токарно-револьверный станок
|
21
|
518,7
|
0,14
|
1,8
|
2500
|
|
10
|
Токарно-вертикальный станок
|
19
|
1170,4
|
0,14
|
1,6
|
3000
|
|
11
|
Радикально-сверлильный станок
|
20
|
116
|
0,14
|
2,1
|
1000
|
|
12
|
Радикально-сверлильный станок
|
25
|
307,5
|
0,14
|
2,6
|
2000
|
|
13
|
Вертикально-сверлильный станок
|
30
|
123
|
0,14
|
2,1
|
1500
|
|
14
|
Вертикально-сверлильный станок
|
35
|
595
|
0,14
|
2,6
|
2500
|
|
15
|
Вертикально-сверлильный станок
|
32
|
236,8
|
0,14
|
1,2
|
3000
|
|
16
|
Кругло-шлифовальный станок
|
18
|
234
|
0,17
|
4,2
|
1000
|
|
17
|
Кругло-шлифовальный станок
|
20
|
648
|
0,17
|
5,1
|
2000
|
|
18
|
Горизонтально-проточной автомат
|
25
|
1070
|
0,17
|
4,6
|
1500
|
|
19
|
Зубодолбежный полуавтомат
|
22
|
244,2
|
0,17
|
3,9
|
2500
|
|
20
|
Зубодолбежный полуавтомат
|
24
|
110,4
|
0,17
|
4,5
|
3000
|
Рассчитаем годовой выпуск продукции:
П=(2,6∙1000∙25)+(1,2∙2000∙41)+(2,6∙1500∙27)+(1,2∙2500∙15)+
+(2,6∙3000∙19)+(1,5∙1000∙22)+(1,8∙2000∙44)+(1,5∙1500∙43)+(1,8∙2500∙21)+
+(1,6∙3000∙19)+(2,1∙1000∙20)+(2,6∙2000∙25)+(2,1∙1500∙30)+(2,6∙2500∙35)+
+(1,2∙3000∙32)+(4,2∙1000∙18)+(5,1∙2000∙20)+(4,6∙1500∙25)+(3,9∙2500∙22)+
+(4,5∙3000∙24)=2535550 ед. в год.
Найдём норму расхода электроэнергии на производство одной единицы изделия
на все группы станков в общем виде:
=((0.12∙247.5∙25)+(467.4∙0.12∙41)+(332.1∙0.12∙27)+(367.5∙0.12∙15)+
+(589∙0.12∙19)+(261.8∙0.14∙22)+(871.2∙0.14∙44)+(395.6∙0.14∙43)+
+(518.7∙0.14∙21)+(1170.4∙0.14∙19)+(116∙0.14∙20)+(307,5∙0.14∙25)+
+(123∙0.14∙30)+(595∙0.14∙35)+(236,8∙0.14∙32)+(234∙0.17∙18)+
+(648∙0.17∙20)+(1070∙0.17∙25)+(244,2∙0.17∙22)+(110,4∙0.17∙24))∙8ч
ч0.3∙2535550=0,358кВт/ед.
Расход электроэнергии на всю производственную продукцию:
=0,358∙2535550 = 907725,8 кВт\ч.
4.3 Расчет тепловой энергии на отопление и вентиляцию цеха
Расход теплоэнергии на отопление и вентиляцию зданий и сооружений
определяется исходя из индивидуальных отраслевых норм расхода тепловой энергии
на отопление и вентиляцию зданий, работы обогрева каждого отдельного здания, а
так же средней температуры наружного воздуха за отопительный период и
продолжительности работы отопления за год.
Расход тепловой энергии на отопление зданий определяется по формуле:
(4.3.1)
Где:
-
удельная тепловая характеристика зданий, ккал/м3∙сут∙С0;работа
на обогрев здания, м∙сут∙С0
Работа
обогрева здания определяется по формуле:
(4.3.2)
Где: V- наружный строительный объем здания, м3;
-
нормируемая температура воздуха внутри помещения(18С0);
- средняя
температура наружного воздуха за отопительный период(-1,6 С0);-
продолжительность работы отопления ( для Гомеля 194 дня).
Норма
расхода тепловой энергии на обогрев равна:
.
ЭКОНОМИЧЕСКАЯ ЧАСТЬ
.1
Определение трудоёмкости капитального ремонта станка с ЭСПУ
Трудоемкость-время
необходимое для выполнения капитального ремонта. Трудоемкость капитального
ремонта рассчитывается по формуле:
Т
= Тмех. + Тэлектр. + Тэлектрон.(1)
где:Тмех.
- трудоёмкость выполнения капитального ремонта механической части;
Тэлектр.
- трудоёмкость выполнения капитального ремонта электрической части;
Тэлектрон.
- трудоёмкость выполнения капитального ремонта электронной части.
В
свою очередь Тмех., Тэлектр., Тэлектрон.
рассчитываются следующим образом:
Тмех.
= ЕРСмех. * Н1; (2)
Тэлектр.
= ЕРСэлектр. * Н2; (3)
Тэлектрон.
= ЕРСэлектрон. * Н3. (4)
где:
ЕРСмех.
- единица ремонтной сложности механической части(67);
ЕРСэлектр.
- единица ремонтной сложности электрической части(100);
ЕРСэлектрон.
- единица ремонтной сложности электронной части(42);
Н1,
Н2, Н3 - нормы времени на 1 ЕРС капремонта механической, электрической и
электронной частей соответственно.
Каждой единице оборудования присваивается категория ремонтной сложности
(КРС), которая определяется трудоемкостью ремонтных работ. КРС устанавливается
отдельно для механической и электрической частей оборудования. В качестве
ремонтной единицы принята 1/11 трудоемкости капитального ремонта
токарно-винторезного станка 1К62, относящегося к одиннадцатой группе сложности.
Для единицы ремонтной сложности рассчитан норматив в часах по видам ремонтных
работ: слесарные, станочные, прочие.
ЕРС механической части - это ремонтная сложность некоторой условной
машины, трудоёмкость капитального ремонта механической части которой отвечает
по объёму и качеству требованиям ТУ на ремонт равна 35н-ч. в неизменных
организационно-технических условиях среднего ремонтного цеха
машиностроительного предприятия.
ЕРС электрической части - это ремонтная сложность некоторой условной
машины, трудоёмкость капитального ремонта электрической части которой отвечает
по объёму и качеству требованиям ТУ на ремонт равна 8,6н-ч. в неизменных
организационно-технических условиях среднего ремонтного цеха
машиностроительного предприятия.
ЕРС электронной части - это ремонтная сложность некоторой условной
машины, трудоёмкость капитального ремонта электронной части которой отвечает по
объёму и качеству требованиям ТУ на ремонт равна 5,3 н-ч. в неизменных
организационно-технических условиях среднего ремонтного цеха
машиностроительного предприятия.
Тмех. = 35 * 67=2345 (н-ч);
Тэлектр. = 8,6. * 100=860 (н-ч);
Тэлектрон. = 5,3 * 42=222,6 (н-ч).
На основании полученных данных определяем трудоемкость капитального
ремонта станка модели: ИР500ПМФ4:
Т = 2345 + 860 + 222,6 = 3427,6 (н-ч).
.2 Планирование численности рабочих, занятых капитальным ремонтом станка
с ЭСПУ
Важнейшим элементом использования рабочей силы является определение
нормативной численности, необходимой для обеспечения бесперебойного
производственного процесса. В основе ее расчета лежит определение баланса рабочего
времени, который составляется по предприятию в целом и по его структурным
подразделениям. Баланс рабочего времени включает определение: среднего
фактического числа рабочих дней в предстоящем году; средней продолжительности
рабочего дня и полезного фонда рабочего времени. На основании планируемого
фонда рабочего времени рассчитывается нормативная численность
Из производственного календаря, который составляется на текущий год,
берется номинальный фонд времени Фн. Он означает, сколько всего
рабочих часов (дней) в году. На 2012 год номинальный фонд времени составляет
2023 часов.
Составляют также количество невыходов на работу по уважительным причинам.
На основании этих данных на предприятии рассчитывается действительный
фонд времени.
д
= Fн * ( 1-λ /100 ),(5)
где Fд - действительный годовой фонд времени одного рабочего,
ч;
λ- процент потерь рабочего времени по
уважительным причинам.
д
= 2023 * ( 1-16 /100 )=1699,32 (ч).
Рассчитать численность рабочих можно по следующей формуле:
Ч = Т/(Fд*kн), (6)
где: Ч - численность рабочих,
Т -трудоемкость выполнения капитального ремонта каждой части;н
- планируемый коэффициент выполнения норм выработки,н=1,1.
Чмех.=2345/(1699,32*1,1)=1,25(чел);
Чэлектр. = 860/(1699,32*1,1)=0,46(чел);
Чэлектрон. = 222,6/(1699,32*1,1)=0,12(чел).
5.3 Расчёт себестоимости капитального ремонта станка с ЭСПУ
Себестоимость - это общая сумма всех затрат, связанных с выполнением
капитального ремонта станка. Расчет себестоимости производится по
калькуляционным статьям расходов.
Содержание калькуляционных статей расходов:
В статье «материальные затраты»
отражаются: стоимость приобретенных со стороны сырья, материалов,
полуфабрикатов, комплектующих изделий, энергии, израсходованных на капитальный ремонт.
В статью «основная заработная плата» включает оплату за выполнение
капитального ремонта на основе трудоемкости работ.
Статья «дополнительная заработная плата» отражает
выплаты, предусмотренные законодательством за непроработанное в производстве
время.
Статья «отчисления в фонд социальной
защиты населения» отражает обязательные отчисления по установленным
законодательством ставкам.
В статью «цеховые расходы» включаются
расходы на оплату труда управленческого и обслуживающего персонала цехов,
амортизация; расходы на ремонт основных средств; на содержание и эксплуатацию
оборудования, сигнализацию, отопление, освещение и другие.
Годовой фонд оплаты труда состоит из основного и дополнительного фонда
заработной платы.
Фонд основной заработной платы- это зарплата за выполненную работу.
Фонд дополнительной зарплаты - это зарплата за неотработанное время,
предусмотренное законодательством. По своей структуре он включает в себя оплату
отпусков, выполнение государственных обязанностей.
ФОТ = ФЗПосн + ФЗПдоп;(7)
где: ФЗПосн - фонд основной заработной платы, рассчитывается
по формуле:
ФЗПосн = Сч * Т * (1 + П/100); (8)
где:
Сч - часовая тарифная ставка;
Т - трудоемкость капитального ремонта;
П - процент премии (30%).
Часовая тарифная ставка рассчитывается по формуле:
Сч=ЧТС1*Кт*Кур(9)
где: ЧТС1 - часовая тарифная ставка первого разряда,
устанавливается государством (предприятием), с 1.05.12 составляет 6227 р.;
Кт - тарифный коэффициент к разряду (берется из единой
тарифной сетки);
Кур - коэффициент, учитывающий уровень работы, Кур=1.1.
Фонд дополнительной зарплаты рассчитывается по формуле:
ФЗПдоп=(α/100)*ФЗПосн (10)
где: α - процент дополнительной заработной платы по предприятию (15%).
Таким образом, годовой фонд оплаты труда будет равен:
ФОТ= ФЗПосн + ФЗПдоп (11)
ЧТС4=6227*1,57*1,1=10754 (р);
ФЗПосн. мех.=10754*2345*(1+30/100)=32783569 (р);
ФЗПосн. электр.=10754*860*(1+30/100)=12022972 (р);
ФЗПосн. электрон.=10754*222,6*(1+30/100)=3111992,5 (р);
ФЗПосн общ.=32783569+12022972+3111992,5=47918533,5(р);
ФЗПдоп. мех.=(15/100)*32783569=4917535,4 (р);
ФЗПдоп. электр.=(15/100)*12022972=1803445,8 (р);
ФЗПдоп. электрон.=(15/100)*3111992,5=466798,9 (р);
ФЗПдоп общ.=4917535,4+1803445,8+466798,9=7187780,1(р);
ФОТмех.=32783569+4917535,4=37701104,4 (р);
ФОТэлектр.=12022972+1803445,8=13826417,8 (р);
ФОТэлектрон.=3111992,5+466798,9=3578791,4 (р);
ФОТобщ.=37701104,4+13826417,8+3578791,4 =55106313,6(р).
Материальные затраты, выраженные в денежной форме - это сумма всех затрат
на основные материалы, комплектующие, инструменты необходимые для капитального
ремонта станка.
Материальные затраты приведены в таблице 5.3.1
Таблица 5.3.1
Расчет затрат на материалы
|
№п/п
|
Статьи затрат
|
Порядок расчета
|
Стоимость,р.
|
|
1
|
Сырье и основные материалы
|
60%ФЗПосн
|
28751120,1
|
|
2
|
Топливо и энергия
|
0.1%ФЗПосн
|
47918,5
|
|
Итого материальных затрат
|
∑п1-п2
|
28799038,6
|
Расчет себестоимости капитального ремонта представлен в таблице 5.3.2.
Таблица 5.3.2
Расчет себестоимости капитального ремонта
|
№ п/п
|
Статьи затрат
|
Порядок расчета
|
Стоимость тыс. руб.
|
|
1
|
Материальные затраты
|
Таблица 1
|
28799
|
|
2
|
Основная заработная плата
|
Раздел 5.3
|
47918,5
|
|
3
|
Дополнительная заработная плата
|
Раздел 5.3
|
7187,8
|
|
4
|
Отчисления в фонд соц. защиты населения
|
34%(ФЗПосн+ФЗПдоп)
|
18736,1
|
|
5
|
Отчисления в Белгосстрах
|
1.98%(ФЗПосн+ФЗПдоп )
|
371
|
|
6
|
Цеховые расходы
|
30%ФЗПосн
|
14375,6
|
|
Итого заводская себестоимость
|
åп1-п6
|
117388
|
.4 Расчет свободно-отпускной цены капитального ремонта станка С ЭСПУ
Цена - денежное выражение стоимости капитального ремонта сторонней
организации.
Отпускная цена рассчитывается по формуле:
ОЦ = Сп+П+НДС(12)
где Сп - заводская себестоимость капитального ремонта;
П - прибыль ;НДС - налог на добавленную стоимость.
Все расчёты сведём в таблицу 5.4.1.
Таблица 3
Расчет свободно-отпускной цены капитального ремонта
|
№ п/п
|
Статья затрат
|
Расчет
|
Сумма тыс. руб.
|
|
1
|
Заводская себестоимость капитального ремонта (Сп).
|
Раздел 5.3
|
117388
|
|
2
|
Прибыль (П)
|
10% от п1
|
17738,8
|
|
3
|
Цена без НДС
|
Сумма п1+п2
|
129126,8
|
|
4
|
НДС
|
20%п3
|
25825,4
|
|
5
|
Свободно- отпускная цена капитального ремонта (ОЦ).
|
п3+п4
|
154952,2
|
алгоритм неисправность программный станок
6. ОХРАНА ТРУДА И ОКРУЖАЮЩЕЙ СРЕДЫ
.1 Правовые и организационные вопросы
Трудовое законодательство и нормативное регулирование вопросов охраны
труда являются важнейшими элементами правового обеспечения
социально-экономических отношений в обществе и создании здоровых и безопасных
условий труда для работающих. В 2005 году в РБ разработана и утверждена Советом
Министров программа государственного управления охраной труда. В этом документе
определены цели, задачи и основные направления государственного управления
охраной труда. Главной целью государственного управления охраны труда является
создание условий, которые должны обеспечить условия жизни и здоровья граждан в
процессе трудовой деятельности.
Основные принципы государственной политики в области охраны труда -
приоритет жизни и здоровья работников на протяжении их производственной
деятельности, обеспечение гарантий права работников на охрану труда. В функции
государства входит принятие законов и нормативных правовых актов, направленных
на совершенствование правоотношений в области охраны труда.
По сфере действия нормативные документы подразделяются на отраслевые и
локальные.
Отраслевые документы действуют только для учреждений и предприятий
определенной отрасли.
Локальные документы разрабатываются для конкретных предприятий и имеют
силу действия только на данных субъектах.
Важнейшими локальными нормативными правовыми актами являются инструкции
по охране труда, требования которых направлены на безопасное выполнение
соответствующих работ.
Инструкции подготавливаются на основе стандартов безопасности труда,
правил и норм безопасности и гигиены труда, типовых инструкций, требований
безопасности, а также на основе технологической документации.
Инструкция должна содержать следующие разделы:
. Общие требования безопасности;
2. Требования безопасности перед началом работы;
. Требования безопасности при выполнении работы;
. Требования безопасности по окончании работы;
. Требования безопасности при аварийных ситуациях.
В необходимых случаях в инструкцию могут включать дополнительные разделы.
ИНСТРУКЦИЯ ПО ОХРАНЕ ТРУДА ДЛЯ НАЛАДЧИКОВ СТАНКОВ И МАНИПУЛЯТОРОВ С ПУ
. ОБЩИЕ ТРЕБОВАНИЯ БЕЗОПАСНОСТИ
.1 К выполнению самостоятельных работ по наладке технологического
оборудования допускаются лица не моложе 18 лет, прошедшие специальное обучение
и проверку знании, прошедшие медосмотр и стажировку на рабочем месте. При
наладке технологического оборудования наладчик обязан знать инструкцию по
охране труда для данной группы оборудования. Наладчик проходит инструктаж по
охране труда: вводный - при поступлении на работу, первичный - на рабочем
месте; повторный - не реже одного раза в квартал; внеплановый и целевой.
2
Работник обязан
строго соблюдать производственную дисциплину, правила внутреннего трудового
распорядка, не допускать употребления алкогольных, наркотических и токсических
средств, курить строго в отведенных местах.
3
В процессе работы
на персонал могут оказывать действие следующие опасные и вредные
производственные факторы:
4
Шум
5
Недостаточная
освещённость
6
Повышенное
значение напряжения
7
Движущиеся или
вращающиеся части оборудования
8
Движущиеся
машины, перемещаемые грузы
9
Масло минеральное
1.4 Повышенный уровень шума (ПДУ - 80 дБ А) мешает восприятию полезных
сигналов (человеческой речи, сигналов оборудования) неблагоприятно действует на
органы слуха человека. В зонах с повышенным уровнем шума, должны быть вывешены
предписывающие знаки: «Работать в наушниках». Работать в этой зоне необходимо с
использованием средств индивидуальной защиты (СИЗ) органов слуха- беруши типа
У216, ЗМ 1110 или наушниках типа ЗМ1435 (в зависимости от превышения ПДК)
согласно ГОСТ 12.4.051-87. При работе с повышенным уровнем шума и не
использованием СИЗ возможно возникновение профессионального заболевания органов
слуха.
5
Недостаточная
освещённость (менее 200 лк) приводит к напряжению зрения, вызывает утомление
глаз, снижает остроте зрения, что может привести к травматизму. Напряжение
зрения приводит к зрительному утомлению, головным болям, раздражительности,
нарушению сна, усталости и болезненному ощущению в глазах.
6
Повышенное
значение напряжения в электрической сети, замыкание которого может произойти
через тело человека. Поражение электрическим током возникает в результате
случайного прикосновения или опасного приближения к частям электроустановки,
находящимся под напряжением, и конструктивным металлическим частям
электроустановок, в нормальных условиях находящихся без напряжения и в
следствие повреждения изоляции оказавшимся под напряжением. Электрический ток,
прохода через тело человека, оказывает на него воздействие, являющееся
совокупностью термического, электролитического, биологического и механического
воздействия, что приводит к различным нарушениям в организме, вызывая как
местные повреждения тканей и органов, так и общее его поражение,
7
Движущиеся или
вращающиеся части оборудования при соприкосновении с подвижными частями
производственного оборудования возможно получение травм (зажиму, ушибам,
переломам и т.д.) частей тела.
8
Движущиеся
машины, перемещаемые грузы вероятность столкновения с которыми из-за
невнимательности или нарушений ТБ может привести к травмам (ушибам, переломам и
т.д.) частей тела. В зонах с движущимися машинами и перемещаемыми грузами быть
внимательными и соблюдать требования усыновленных знаков безопасности «Берегись
автомобиля». «Осторожно работает кран» и т.д.
9
Масло минеральное
- (ПДК- 5мг/м3) относится к 3-му классу опасности. Оказывает
токсическое, отравляющее воздействие на организм человека. Вызывает
функциональные нервные расстройства. При вдыхании паров - возможно
возникновение аллергических заболеваний. При повышенных концентрациях и времени
пребывания в рабочей зоне, а также не использовании СИЗ органов дыхания
(респиратор РПГ-67, ГОСТ 12.4.041-89) возможно отравление.
1.10 Наладчик технологического оборудования должен быть обеспечен
следующей специальной одеждой и специальной обувью:
1.10.1 - костюм х\б ГОСТ 12.4.045-87;
.10.2 - ботинки ГОСТ 12.4.032-76;
.10.3 -
очки ГОСТ 12.4.013-97.
1.11 - Соблюдайте правила личной гигиены:
- не мойте руки в масле, эмульсии, керосине и не вытирайте их ветошью,
загрязненной стружкой.
1
для
предупреждения кожных заболеваний рук при применении на станках охлаждающих
масел и жидкостей по указанию врача перед работой смазывайте руки специальными
пастами и мазями;
2
на рабочем месте,
где уровень шума превышает 80 ДБ, применяйте средства индивидуальной защиты
органон слуха;
3
не принимайте
пищу у станка;
4
не оставляйте
одежду на рабочем месте;
5
содержите в
чистоте рабочую одежду;
1.11.6 мойте руки перед едой.
1.12 Нарушения инструкции недопустимо, т.к. ведет к возникновению опасной
ситуации как для нарушителя, так и для окружавших.
За нарушение инструкции работник привлекается к ответственности согласно
действующего законодательства.
13
Содержите рабочее
место в чистоте в течении всего рабочего дня, не загромождайте его деталями,
заготовками и посторонними предметами.
14
Немедленно
сообщите своему непосредственном у начальнику, а в случае его отсутствия -
вышестоящему руководителю о неисправности оборудования и защитных устройств.
15
На территории
завода, в цехе, на подъездных путях выполняйте следующие правила:
16
Будьте
внимательны к предупредительным сигналам электрокар, автомашин, электрических
кранов и других видов движущегося транспорта, выполняйте требования
предупредительных плакатов, световых сигналов в местах пересечения
железнодорожных путей, автомобильного транспорта.
18
Тяжелые детали,
инструмент и приспособления (массой более 20 кг) устанавливайте и снимайте с
помощью подъемных механизмов.
1.16К самостоятельной работе с грузоподъемными кранами могут быть
допущены лица не моложе 18 лет, специально обученные, сдавшие экзамены
квалифицированной комиссии и имеющие на руках удостоверение.
2. ТРЕБОВАНИЯ БЕЗОПАСНОСТИ ПЕРЕД
НАЧАЛОМ РАБОТЫ
1
Приведите в
порядок рабочую одежду: застегните обшлага рукавов, наденьте головной убор,
подготовьте рабочее место, оденьте очки.
2
Перед включением
станка убедитесь, что пуск станка никому не угрожает опасностью.
3
Проверьте
наличие, исправность и надежность установки:
2.3.1 Ограждений зубчатых колес, приводных ремней, валиковых приводов, а
также токоведущих частей электрической аппаратуры (пускателей, рубильников,
кнопок);
2
Заземляющих
устройств;
3
Предохранительных
устройств для защиты от стружки и охлаждающих жидкостей;
4
Устройства для крепления
инструмента;
5
Режущего,
измерительного, крепежного инструмента и приспособлений;
6
Проверьте, все ли
узлы и механизмы станка находятся в исходном положении (путем визуального
осмотра);
7
Работайте только
исправным инструментом и приспособлениями и применяйте их строго по назначению.
2.4Проверьте на холостом ходу станок:
2.4.1 Действие пусковых, остановочных, реверсивных устройств, устройств
переключения и фиксаторов органов управления, убедитесь в невозможности
самовключения и безотказной остановки станка:
2
Исправность
системы смазки и охлаждения;
3
Исправность
работы гидравлической и пневматической системы;
4
Нет ли заеданий и
излишней слабины в движущих частях станка; правильность работы защитных,
блокирующих устройств и сигнальных ламп согласно руководства станка.
5
Разложите
инструмент и приспособления в удобном для пользования порядке.
6
Обо всех
обнаруженных неисправностях сообщите мастеру и до их устранения не приступайте
к работе.
3. ТРЕБОВАНИЯ БЕЗОПАСНОСТИ ПРИ ВЫПОЛНЕНИИ РАБОТЫ
1
Выполняйте
указания по обслуживанию и эксплуатации станка, изложенные в "Руководстве
к станку», а также требования предупредительных таблиц и надписей, находящихся
на станке
2
Устанавливайте и
снимайте режущий и вспомогательный инструмент только после полной остановки
станка, остерегайтесь касания руками режущих кромок инструмента
3
Обрабатываемые
материалы должны аккуратно уложены в контейнер или специальную тару.
4
Устанавливая и
снимая детали со станка остерегайтесь острых кромок и заусенцев.
5
При работе ударным
инструментом одеть очки.
6
При наладке
оборудования устанавливайте тс режимы резания, которые указаны в операционной
карте технологического процесса изготавливаемой детали.
7
На поверхности
станка не должны находиться личные предметы, инструмент, ветошь и заготовки.
8
Если во время
наладки Вам потребуется помощь другого рабочего, проинструктируйте его, в чем
должна заключаться его помощь и убедитесь, что он Вас хорошо понял.
9
Закончив наладку,
проверьте не остались ли в механизмах станка ручной инструмент, крепёжные
детали и другие предметы.
10
После наладки
станка проверьте ещё раз надёжность действия его блокировочных и
предохранительных устройств и органов управления.
11
Постоянно
наблюдайте за работой станков своего участка, и если заметите какие-либо
нарушения, отклонения от нормальной работы, принимайте меры к их устранению.
12
Сдавая
настроенный станок рабочему, проинструктируйте его о правильных и безопасных
приёмах работы.
4. ТРЕБОВАНИЯ БЕЗОПАСНОСТИ ПО ОКОНЧАНИИ
РАБОТЫ
4.1 Все подвижные узлы станка переведите в исходное положение, после
этого выключите станок, отключите электрооборудование вводным выключателем
4.2 Приведите в порядок рабочее место, уберите со станка инструмент,
приспособления.
4.3 Уберите инструмент в отведенное для этой цели место.
.4 Ознакомьте сменщика и мастера участка со всеми обнаруженными и
зарегистрированными недостатками в работе станка.
4.5 Снимите рабочую одежду, уложите её в специальный шкаф, вымойте руки и
лицо тёплой водой с мылом или примите душ.
5. ТРЕБОВАНИЯ БЕЗОПАСНОСТИ В АВАРИЙНЫХ СИТУАЦИЯХ
5.1 В случае возникновения аварийной ситуации (заклинивания подвижных
частей, механизмов, самопроизвольное включение механизмов от вибрации и
сотрясений, одновременное включение в работу механизмов, несовместимые движения
и т.п.) следует остановить станок с помощью органов аварийного отключения.
5.2 В случае неисправности трубопровода или шланга сжатого воздуха
или СОЖ, выключите станок, отключите подачу сжатого воздуха или СОЖ и только
после злого устраняйте неисправность.
.3 Сообщите мастеру о возникновении аварийной ситуации у
необходимости принятия мер для ее устранения.
.4 При любом несчастном случае, происшедшем с Вами или с Вашим
товарищем немедленно поставьте в известность мастера и обратитесь в медицинский
пункт.
.5 При необходимости окажите первую медицинскую помощь
пострадавшему.
.6 В случае возникновения пожара немедленно сообщите об этом
мастеру или начальнику смены и вызовите пожарную машину. До прибытия команды
примите меры по эвакуации людей, материальных ценностей, участвуйте в тушении
пожара до приезда пожарной команды имеющимися средствами пожаротушения.
.7 В случае травмирования работника сохраните рабочее место и
оборудование в рабочем состоянии, в котором оно было в момент происшествия
(если это не угрожает жизни окружающих работников)
Все участники производственного процесса проходят инструктажи.
Вводный инструктаж проводят со всеми работниками, которые впервые
принимаются на постоянную или временную работу, независимо от их образования,
стажа работы по этой профессии, специальности, должности. Вводный инструктаж
проводит инженер по охране труда либо специалист, на которого возложены эти
обязанности, а с учениками в учебном заведении - преподаватель либо мастер
производственного обучения.
Первичный инструктаж на рабочем месте проводится до начала преступления к
работе с работниками, принятыми на работу; переведенными с другого
подразделения; выполняющими работы по заданию организации.
Первичный
инструктаж на рабочем месте проводится с каждым работником индивидуально, с
практическим показом безопасных приемов и методов работы. Допускается проводить
его с группой работников, обслуживающих однотипное оборудование и в пределах
общего рабочего места.
Повторный
инструктаж проходят все работающие независимо от стажа работы, профессии,
специальности не позднее 1 раза в пол года. Повторный инструктаж проводиться
для закрепления требований по вопросам охраны труда на рабочем месте.
Внеплановый
инструктаж проводится:
♦ при
введении в действие новых либо переработанных нормативных актов (документов) по
охране труда или внесении изменений в них;
♦ при
изменении технологического процесса, замене или модернизация оборудовании,
приборов и инструментов, сырья, материалов и иных факторов, воздействующих на
охрану труда;
♦ при
нарушении рабочим нормативных правовых актов (документов) по охране труда,
которые могли привести либо привели к травмированию, аварии или отравлению;
♦ при
требовании государственных органов надзора и контроля в случаях нарушении
работниками действующего законодательства и нормативных актов по охране труда;
♦ при
перерывах в работе по профессии (в должности)более шести месяцев;
♦ при
поступлении информации об авариях и несчастных случаях, происшедших на
аналогичных производствах.
Целевой
инструктаж проводиться:
♦ При
выполнении разовых работ, не связанных с прямыми обязанностями по
специальности;
♦ При
ликвидации последствий аварий, стихийных бедствий;
♦ При
проведении экскурсий на предприятии и организации массовых мероприятий;
♦При
производстве работ, на которые оформляется наряд-допуск или разрешение.
Проведение фиксируется в журнале инструктажей на рабочем месте.
Организационными
мероприятиями, обеспечивающими безопасное производство работ являются:
♦
оформление перед работой наряд-допуска с распоряжением или перечнем работ;
♦
допуск к работе;
♦
надзор за безопасностью работающих во время выполнения работы;
♦
оформление перерывов в работе, перевод на другое рабочее место, окончание
работы.
Для
безопасного выполнения работ необходимо выполнить следующие технические
мероприятия:
♦
произвести необходимые отключения и принять меры, препятствующие подачи
напряжения;
♦ на
приводах ручного и на ключах дистанционного управления должны быть вывешены
запрещающие плакаты;
♦
проверено отсутствие напряжения на токоведущих частях, которые должны быть
заземлены для защиты людей от поражения электрическим током;
♦
наложить заземление, где отсутствует установить переносное;
♦
ограждены при необходимости рабочие места или оставшиеся под напряжением
токоведущие части и вывешены на ограждениях плакаты безопасности
(предписывающие знаки). В зависимости от местных условий токоведущие части
ограждаются до или после их заземления.
.2 Производственная санитария
Производственная
санитария - это система организационных, санитарно-гигиенических мероприятий,
технических средств и методов, предотвращающих или уменьшающих воздействие на
рабочих вредных производственных факторов до значений не превышающих
допустимые.
Микроклимат
производственных помещений определяется действующими на организм человека
сочетаниями температуры, влажности и скорости движения воздуха, а также
температурой окружающих поверхностей.
Показатели
микроклимата должны обеспечивать сохранение теплового баланса человека с
окружающей средой и поддержание оптимального или допустимого теплового
состояния организма. Параметры микроклимата нормируются на два периода года
теплый и холодный и по тяжести работ. Холодный - период года, характеризующийся
среднесуточной температурой наружного воздуха, равной +10°С и ниже. Теплый - период
года со среднесуточной температурой наружного воздуха выше +10°С.
Таблица 6.2.1
Оптимальная температура, относительная влажность и скорость движения
воздуха в рабочей зоне производственных помещений
|
Период года
|
Категория работ
|
Температура воздуха, °С
|
Относительная влажность, %
|
Скорость движения воздуха, м/с, не более
|
|
Холодный
|
Средней тяжести IIa
|
19-21
|
40-60
|
0,2
|
|
Средней тяжести IIб
|
17-19
|
40-60
|
0,2
|
|
Теплый
|
Средней тяжести IIa
|
20-22
|
40-60
|
0,2
|
|
Средней тяжести IIб
|
19-21
|
40-60
|
0,2
|
При температуре воздуха более 30° и тепловом излучении от нагретых
поверхностей поступает нарушение терморегуляции организма, что может привести к
его перегреву.
Влажность воздуха определяется в нем содержанием водяных паров.
Оптимальной для организма является относительная влажность воздуха (40...60)%.
Повышенная влажность воздуха-(75...80)%.
Тепловое излучение рабочих поверхностей оборудования, ограждений не
должно превышать 45°С, если температура больше, то необходимо изолировать
данные поверхности.
Освещение производственных помещений.
Освещение играет важную роль в создании благоприятных условий труда.
Неправильно организованное освещение рабочих мест ухудшает видение, утомляет
зрительный аппарат, отрицательно влияет на нервную систему и может быть
причиной травматизма.
Причиной утомленности может быть чрезмерно яркий свет поверхностей
оборудования и стен в помещении. Цветовая гамма помещений классифицируется по
трем классам:
1. А- содержит возбуждающие цвета (красный);
2. Б- включают тонизирующие цвета (зеленоватые);
. В- успокаивающие цвета (голубой).
С целью обеспечения нормальных условий труда и защиты зрения человека в
производственных помещениях должно устраиваться освещение, отвечающее
требованиям соответствующих норм и правил.
В зависимости от источника света освещение может быть естественным,
искусственным и совмещенным.
Естественное освещение - это освещение помещений дневным светом,
проникающим через световые проемы в наружных конструкциях. Зависит от состояния
световых проемов, их размеров, времени суток, погодных условий.
Искусственное освещение предназначено для освещения рабочих поверхностей
в темное время суток, а также при недостатке естественного освещения.
Искусственное освещение подразделяется на: рабочее, аварийное, дежурное и
охранное. Освещение бывает общее - предназначено для освещения всего помещения,
местное - предназначено для освещения только рабочих мест. Согласно санитарным
нормам и правилам предусматривается следующая освещенность рабочих мест: общее
и местное освещение не менее 200 люкс, дежурное и аварийное от 10 до 50 люкс,
охранное от 100 до 300 люкс, эвакуационное 5 - 10 люкс.
Согласно ГОСТ 12.1.2007 под вредным веществом понимают вещество, которое
при контакте с организмом человека может вызвать производственные травмы,
профессиональные заболевания и отклонения состояния здоровья.
Производственная пыль - это тонкодисперсные частицы, образующиеся при
различных производственных процессах и способные длительное время находиться в
воздухе во взвешенном состоянии. По характеру воздействия на организм человека
производственная пыль подразделяется на раздражающую и токсическую. На участке
присутствует раздражающая пыль, в частности металлическая (чугунная, медная,
железная, алюминиевая, цинковая и др.) которая выделяется при разных видах
механической обработки. Пыль оказывает механическое раздражение кожи.
Электромагнитное излучение и защита от его воздействия.
При работе различного электрического оборудования, высоко мощных
электродвигателей, высоковольтных линий электропередач возникает электромагнитное
излучение (ЭМИ).
ЭМИ зависит от таких физических параметров как:
· Длина волн;
· Интенсивность излучения;
· Режим облучения;
· Продолжительность воздействия;
· Частота.
Электротехническая шкала воздействия ЭМИ подразделяется на следующие
виды:
· Нормальной частоты (0-60)Гц;
· Среднечастотные (60-10000)Гц;
· Высокочастотные (0,01-300)МГц;
· Сверхвысокочастотные (300-300000)МГц.
ЭМИ оказывает воздействие на физико-химические процессы в организме
человека.
В зависимости от воздействия ЭМИ используют следущие методы и средства
защиты:
1. Защита временим;
2. Защита расстоянием;
. Снижение интенсивности излучения в источнике;
. Метод экранирования источника.
.3 Безопасность труда
Общие требования безопасности труда заключаются в создании условий,
предохраняющих работающих от опасных и вредных воздействий окружающей среды.
Электробезопасность - это система организационных, технических
мероприятий и средств, которые обеспечивают защиту людей от вредного и опасного
воздействия электрического тока, электрической дуги, электромагнитного поля и
статического электричества.
Электробезопасность должна обеспечиваться:
. Конструкцией электрических установок;
2. Техническими средствами и способами защиты;
. Организационными и техническими мероприятиями;
Конструкция электрического оборудования по способу защиты человека от
поражения током подразделяется на 5 классов: 0, 1, I, II, III.
При прохождении через организм человека электрический ток может вызвать
термическое, электролитическое и биологическое воздействие.
После термического воздействия тока, на теле человека остаются ожоги,
нагреваются кровеносные сосуды, нервы, кровь и т. д.
Электролитическое действие характеризуется разложением крови и других
органических жидкостей организма.
При биологическом действии происходит раздражение и возбуждение тканей,
что сопровождается судорожным сокращением сердечной мышцы и спазмом легких.
Различают два вида положений после воздействия электрического тока на
организм человека:
. Электрические травмы;
2. Электрические удары.
Электрические травмы - это четко выраженные внешние местные поражения
тела, которые вызваны воздействием электрического тока или электрической дуги.
Электрический удар - это возбуждение живых тканей организма, проходящим
через него электрическим током, сопровождающимся непосредственным судорожным
сокращением мышц.
Для обеспечения защиты от поражения электрическим током используются
следующие способы защиты: заземление, зануление, контроль изоляции, разделение
сетей питания, индивидуальные средства защиты и др.
Заземление - преднамеренное электрическое соединение с
землей или ее эквивалентом металлических токоведущих частей, которые могут
оказаться под напряжением.
Зануление - преднамеренное электрическое соединение с
нулевым проводником сети металлических нетоковедущих частей, которые могут
оказаться под напряжением.
Контроль состояния изоляции токоведущих частей и
своевременное устранение дефектов является одним из важнейших способов
обеспечения безопасности работы электроустановок. Сопротивление изоляции должно
быть больше или равно 1 МОм для цепей автоматического электропривода и больше
или равно 0,5 МОм для силовой и осветительной электропроводки напряжением до
1000 В.
К основным средствам индивидуальной защиты от поражения электрическим
током, используемым при выполнении работ на электроустановках напряжением до
1000 В, относят диэлектрические перчатки, слесарно-монтажный инструмент с
изолирующими рукоятками, изолирующие и измерительные клещи, указатели
напряжения. В качестве дополнительных средств защиты применяют диэлектрические
галоши и коврики, переносные заземления, изолирующие подставки, защитные
ограждения и др. Рабочие перед каждым применением защитных средств должны
проверить их исправность, отсутствие внешних повреждений, проколов, убедиться,
что срок очередного испытания средств защиты не истек использовать средства
индивидуальной защиты.
Таблица 6.3.1
Средства индивидуальной защиты от поражения электрическим током.
|
Средство
|
Срок испытания, мес.
|
Напряжение при испытании, кВ
|
|
Диэлектрические: перчатки галоши коврики Слесарно-монтажный
инструмент Изолирующие и электроизмерительные клещи Указатели напряжения
|
6 12 24 12 24 12
|
6 3,5 3 2 2 1
|
Также для профилактики электрического травматизма используются знаки
безопасности ГОСТ 12.4.026. Знаки делятся на: предупреждающие,
предостерегающие, запрещающие, предписывающие, указательные.
Ремонтные работы на электрооборудовании станков с ЭСПУ могут выполняться
при полном отсутствии напряжения, с частичным снятием напряжения и без снятия
напряжения вдали от токоведущих частей или вблизи них.
Для
безопасной организации работ на электроустановках при полном снятии напряжения
необходимо обесточить станок, отключив автомат или сняв предохранители в
распределительном шкафу или распределительной коробке шинопровода и вывесив
предупредительный плакат "Не включать! Работают люди".
По степени
опасности поражения людей электрическим током все помещения подразделяются на
три класса: помещения без повышенной опасности, помещения с повышенной
опасностью и особо опасные помещения.
Цеха, в
которых размещаются станки с ЭСПУ относятся к помещениям с повышенной
опасностью, характеризующиеся наличием в них одного из следующих условий,
создающих повышенную опасность:
♦
сырости или токопроводящей пыли;
♦
токопроводящих полов (металлические, земляные, железобетонные, кирпичные и
т.п.);
♦
высокой температуры;
♦
возможности одновременного прикосновения человека к имеющим соединение с землей
металлоконструкциям зданий, технологическим аппаратам, механизмам и т.п., с
одной стороны, и к металлическим корпусам электрооборудования - с другой.
6.4 Противопожарная безопасность
Пожарная безопасность предусматривает такое состояние
объекта, при котором исключалось бы возникновение пожара, а в случае его
возникновения предотвращалось воздействие на людей опасных пожарных факторов и
обеспечивалась защита материальных ценностей в соответствии с законом
Республики Беларусь "О пожарной безопасности".
В соответствии с нормами пожарной безопасности
НПБ5-2000 помещения и здания подразделяются по взрыво- и пожароопасности на
следующие категории: А, Б, В1, В2, В3, В4, Г1, Г2, Д. Механические цеха, в
которых работают наладчики станков с ПУ относятся к категории Д.
Для тушения пожара необходимо выполнить следующие действия:
· Охладить зону горения ниже температуры самовоспламенения;
· Разбавить реагирующие вещества негорючими веществами;
· Изолировать горючие вещества от зоны горения.
Тушение пожара сводиться к механическому, физическому или химическому
воздействию на зону горения для нарушения его устойчивости одним из принятых
средств.
Огнетушащие вещества - это вещества, которые обладают физико-химическими
свойствами, позволяющими создать условия для прекращения горения.
К факторам, приводящим к появлению очага возгорания
при ремонте оборудования с ЭСПУ, можно отнести:
· нарушение правил эксплуатации электроустановок;
· неисправность технических средств
защиты от статического электричества;
· нарушение правил использования
легковоспламеняющихся жидкостей (ЛВЖ);
· самовоспламенение ветоши,
неисправности отопительных приборов;
· нарушение правил эксплуатации
оборудования, приводящее к разогреву трущихся частей при отсутствии смазочного
материала;
· неосторожное обращение с огнем.
Для предупреждения пожаров на предприятиях проводятся
организационные, эксплуатационные, технические режимные мероприятия.
К организационным относятся:
· Правильная организация пожарной охраны объекта;
· Обучение работающих пожарной
безопасности;
· Проведение противопожарных
инструктажей.
У входа в производственные помещения должны быть
вывешены таблички с указанием класса пожароопасности, в помещениях запрещается
устанавливать системы отопления, вентиляции, освещения, не соответствующие
указанному классу пожароопасности. Помещения, оборудование и установки,
размещенные в них, должны регулярно очищаться от горючих материалов и
посторонних предметов. Источники искусственного освещения должны быть
расположены так, чтобы обеспечить безопасное расстояние между осветительной
арматурой и сгораемыми конструкциями или материалами. Производственные помещения
оборудуют огнетушителями (порошковыми - ОП-10, углекислотными - ОУ-8, ОУ-10),
пожарными кранами, ящиками с песком, пожарным инвентарем. Оборудуются
специальные пожарные лестницы, проходы и устанавливается сигнализация.
Не допускается загромождение проездов, пожарных
проходов и аварийных выходов (доступ к средствам первичного пожаротушения
должен быть свободен). Пользоваться поврежденными электророзетками,
выключателями и другой неисправной коммутирующей аппаратурой не допускается.
Любые неисправности электроаппаратуры, ведущие к повышенному искрению, нагреву,
необходимо устранять. При перерывах в работе и по ее окончании
электроустановки, понижающие и разделительные трансформаторы, измерительную
электроаппаратуру, электропаяльники следует отключать от сети. В связи с тем,
что электропаяльники имеют высокую температуру рабочих частей, на рабочих
местах должны быть предусмотрены для них термостойкие подставки. Средства,
применяемые при пайке (ацетон, спирт этиловый, флюсы), промывке и обезжиривании
деталей и узлов, должны храниться только в герметичной и небьющейся таре.
Промасленная спецодежда должна храниться в шкафах. Сушка ее на батареях
отопления или около нагревательных приборов не допускается.
При обнаружении пожара необходимо:
немедленно сообщить об этом в пожарную службу (при этом чётко назвать
адрес учреждения, место пожара, свою должность и фамилию, а также сообщить о
наличии в здании людей);
задействовать систему оповещения о пожаре;
принять меры к эвакуации людей;
известить о пожаре руководителя предприятия или заменяющее его лицо;
организовать встречу пожарных подразделений;
приступить к тушению пожара имеющимися средствами.
На случай
возникновения пожаров здания, сооружения и помещения должны иметь первичные
средства пожаротушения: огнетушители, ящики с песком, лопаты.
.5 Охрана окружающей среды
Под охраной окружающей среды понимают совокупность технических и
организационных мероприятий, позволяющих свести к минимуму или в идеальном
случае совершенно исключить выбросы в биосферу материальных и энергетических
загрязнений.
Машиностроительное производство может создавать самые различные
загрязнения. Это обусловлено большим разнообразием применяемых в машиностроении
материалов, множеством видов технологических процессов и большим ассортиментом
выпускаемой продукции.
Разнообразными, в том числе вредными для здоровья человека загрязнениями
сопровождаются процессы пайки и сварки. При работе металлорежущего оборудования
с применением смазочно-охлаждающих жидкостей (эмульсий, масел) воздух
загрязняется аэрозолями этих веществ. При обработке заготовок абразивным
инструментом выделяется абразивная пыль.
Основные технологические процессы в машиностроении характеризуются
довольно значительными шумом и вибрациями. Наиболее интенсивны шум и вибрации
при работе технологического оборудования кузнечно-прессовых и штамповочных
молотов и прессов.
Примером рационального размещения источников загрязнений может быть
расположение промышленных предприятий с подветренной стороны по отношению к
жилой застройке, чтобы продукты горения, вредные газы, копоть и пыль,
выделяемые даже в малых дозах, уносились ветром в сторону относительно
свободного пространства. Между предприятием и жилым районом оставляют
благоустроенную и озелененную санитарно-защитную зону. Размер санитарно-защитной
зоны зависит от класса опасности предприятий и колеблется в размерах от 50 м.
до 1км. Локализация источников загрязнения ограничивает распространение их
вредного воздействия (например, окраска изделий распылением в специальных
камерах). Широкое распространение имеют методы очистки загрязнений. Для этой
цели разрабатываются самые различные очистные устройства и сооружения. Сущность
активных методов борьбы с загрязнениями заключается в совершенствовании
существующих и разработке новых технологических процессов и оборудования в
целях снижения их вредного воздействия на окружающую среду. Этим методам в
последнее время уделяют все большее внимание, так как они решают проблему
охраны окружающей среды радикально.
Существуют два основных направления природоохранной деятельности
предприятий. Первое - очистка вредных выбросов. Этот путь «в чистом виде»
малоэффективен, так как с его помощью далеко не всегда удается полностью
прекратить поступление вредных веществ в биосферу. К тому же сокращение уровня
загрязнения одного компонента окружающей среды ведет к усилению загрязнения
другого.
И например, установка влажных фильтров при газоочистке позволяет
сократить загрязнение воздуха, но ведет к еще большему загрязнению воды.
Уловленные из отходящих газов и сливных вод вещества часто отравляют
значительные земельные площади.
Второе направление - устранение самих причин загрязнения, что требует
разработки малоотходных, а в перспективе и безотходных технологий производства,
которые позволяли бы комплексно использовать исходное сырье и утилизировать
максимум вредных для биосферы веществ.
Безотходная технология - это такой способ производства продукции, при
котором наиболее рационально и комплексно используются сырьё и энергия в цикле
«сырьевые ресурсы - потребление - вторичные сырьевые ресурсы», таким образом,
что любые воздействия на окружающую среду не нарушают её нормального
функционирования.
Еще одним фактором для снижения негативного влияния на природу является
переход к качественно новым источникам энергии. Необходимость перехода к новым
источникам энергии вызвана не только их истощением и загрязнением природной
среды, но и с количеством энергетических затрат. Наряду с химической и атомной
энергией существуют солнечная, ветровая, приливная и другие виды возобновляемой
энергии, которые необходимо шире использовать. Также нужно использовать
вторичные энергетические ресурсы. Это носители энергии, образующиеся в ходе
производства, которые могут быть повторно использованы для получения энергии
вне основного технологического процесса.
ВЫВОД ПО ПРОЕКТУ
Данный дипломный проект состоит из следующих основных разделов: введения,
расчетно-технической части, организационно-технологической части, экономической
части, охраны труда и окружающей среды, вывода к проекту, перечня используемой
литературы и графического материала.
Каждый из этих разделов включает комплекс вопросов, раскрытие и описание
которых требует наличие знаний и навыков по данному вопросу. Поэтому при
выполнении дипломного проекта мы использовали те знания, умения и навыки,
полученные за весь период обучения по специальности.
В расчетно-технической части дипломного проекта мы произвели описание
станка, привода, УЧПУ, узлов станка, подлежащих рассмотрению, а также описали и
подвергли детальному рассмотрению заданный субблок устройства ЧПУ и его
взаимодействие со станком. Произвели расчёт мощности приводов и субблока,
разработали алгоритм поиска заданной неисправности, разработали функциональную
электрическую схему и произвели расчёт надёжности заданного субблока.
В организационно-технологической и экономической частях описали
организацию ремонтной службы на предприятии, составили график
планово-предупредительного ремонта, а также произвели расчёт затрат на
капитальный ремонт станка модели ИР500ПМФ4 с системой ЧПУ 2С42
В написании раздела мероприятий по охране окружающей среды и техники
безопасности использовалась информация с лекций по предмету “Охрана труда”, а
также использовалась другая литература.
Также приложен список литературы, при использовании которой и написан данный
дипломный проект.
Кроме пояснительной записки в дипломный проект входит графическая часть,
т.е. пять чертежей, выполненные на формате А1.
Дипломный проект оказался достойным завершающим этапом в освоении и
получении специальности «Техническое обслуживание технического оборудования и
средств робототехники в автоматизированном производстве».
ПЕРЕЧЕНЬ ИСПОЛЬЗУЕМОЙ ЛИТЕРАТУРЫ
1. Богданович
М.И. «Цифровые интегральные микросхемы» Справочник. Минск, 1996г.
2. Борисов
Ю.С. «Справочник механика машиностроительного завода», том 1. Москва, 1971г.
. Боровик
С.С., Бродский М.А. «Ремонт и регулировка бытовой радиоэлектронной аппаратуры».
Минск, 1989г.
. Коломбеков
Б.А. и др. «Цифровые устройства и микропроцессорные системы»
. Косовский
В.Л. «Программное управление станками и промышленными роботами». Москва, 1986г.
. Лебедев
А.М. и др. «Следящие электроприводы станков с ЧПУ». Москва, 1988г.
. Лещенко
В.А. «Станки с числовым программным управлением». Москва, 1988г.
. Локтева
С.Е. «Станки с программным управлением и промышленные роботы». Москва, 1986г.
. Марголит
Р.Б. «Наладка станков с программным управлением». Москва, 1983г.
. Москаленко
В.В. «Электрический привод». Москва, 1991г.
. Московский
станкостроительный завод “Красный пролетарий” им. А.И. Ефремова Станок токарный
патронно-центровой с ЧПУ модели 16А20Ф3 «Руководство по эксплуатации» Альбом
№1-2.
12. Преснухин
Л.Н. «Архитектура и проектирование микро ЭВМ. Организация вычислительных
процессов» Минск 1987.
13. Сергиевский
Л.В., Русланов В.В. «Пособие наладчика станков с ЧПУ». Москва, 1991г.
14. Сергиевский
Л.В. «Наладка, регулировка и испытание станков с программным управлением».
Москва, 1974г.
15. Устройство
ЧПУ “Электроника НЦ-31” Альбом №1-5.
16. Хрипач
В.Я. «Экономика предприятия». Минск, 2000 г.