Проектирование парового компрессионного холодильника
Введение
В бывшем СССР первые образцы (10 шт.) бытового
холодильника ХТЗ-120 были изготовлены в 1937 г. на Харьковском тракторном
заводе (ХТЗ).
Полезный объем холодильников ХТЗ-120 составлял
120 л. Холодильник ХТЗ-120 был оснащен герметичным компрессором холодопроизводительностью
около 116 Вт, потребляемой мощностью до 200 Вт. Расход электроэнергии не
превышал 60 кВт∙ч в месяц. Хладагентом служил сернистый ангидрид (SO2).
Наиболее низкая температура на средней полке была -3°С, а в испарителе - до
-20°С. В испаритель можно было устанавливать формочку для льда. Внутренний
объем холодильника освещался электролампочкой, автоматически включающейся при
открывании двери. Габаритные размеры шкафа 1425х615х590 мм, холодильной камеры
- 755х455х380 мм. Изоляция толщиной 80 мм была выполнена из древесного войлока.
Организация на ХТЗ нового сложного производства
заняла около двух лет. Лишь в 1939 г. начался серийный выпуск бытовых
холодильников ХТЗ-120. В 1940 г. их было изготовлено уже 3500. Дальнейшее
развитие производства было прервано начавшейся Великой Отечественной войной.
Массовое производство современных компрессионных
бытовых холодильников на фреоне (R12) было организовано на Московском
автозаводе (ныне ЗИЛ) в 1949…1951 гг. Первый холодильник этого завода «ЗИС-Москва»
модель ДХ-2 имел полезный объем охлаждаемой камеры 165 дм3.
Холодильники меньшего размера - «Саратов-2»
полезным объемом 85 дм3 - с 1951 г. стал выпускать также Саратовский завод. В
1963 г. вступил в строй один из ведущих заводов бытовых холодильников -
Минский.
Главная тенденция развития бытовых
холодильников, определяемая спросом населения, - увеличение их полезного
объема. Если в 1968 г. только 6,3 % проданных холодильников имели объем 200 дм3
и более, то в 1988 г. их доля возросла до 68%.
Другая тенденция в производстве бытовых
холодильников - увеличение объема отделения, предназначенного для хранения
замороженных продуктов, и понижение температуры воздуха в нем с -10…-12 до
-18…-24 °С.
С 1980 по 1988 г. выпуск двух- и трехкамерных
холодильников увеличился в 17,5 раза - со 143 тыс. до 2500 тыс.
В 1990 г. в бывшем СССР в эксплуатации
находилось свыше 71 млн. бытовых холодильников и морозильников. Обеспеченность
городского населения достигла 101 на 100 семей (в 1970 г. - 43), а сельского -
81 (в 1970 г. - 13).
Выпускаемые холодильники (одно- и двухкамерные)
и морозильники представляют широкую гамму оборудования полезным объемом 120…350
дм3, в том числе с объемом морозильного отделения 20…125 дм3. Морозильники
сундучного типа имеют полезный объем 94…300 дм3.
В настоящее время бытовые холодильники и
морозильники зарубежных фирм, так и отечественных заводов все больше оснащаются
элементами комфортности. Это:
Прозрачность полки из высокопрочного стекла или
пластика с возможностью перестановки по высоте, предохраняющие от протекания
жидкого продукта вниз при неосторожном проливании;
Отделения в холодильных камерах и отдельные
камеры с прозрачными дверками, прозрачные выдвижные секции или емкости для
хранения в охлажденном (но незамороженном) состоянии при нулевых температурах
парного мяса, свежей рыбы и других продуктов;
Отделения замораживания с прозрачными дверками в
морозильных камерах;
Дезодораторы для устранения неприятных запахов,
включаемые автономной кнопкой на наружном пульте управления;
Аккумуляторы холода в виде лотков-подносов для
сохранения низких температур в морозильной камере при неработающем компрессоре,
стабилизации температурного режима при его цикличной работе, а также для
быстрого замораживания ягод и охлаждения напитков.
Исходные данные
Объем морозильной камеры: Vм.к.=280 л,
температура морозильной камеры: tм.к.=-24 °C;. Хладагент, используемый в
холодильнике, R-12. Аналог холодильника: Свияга-106.
1. Описание
конструкции бытового холодильника

Рис. 1 - Бытовой холодильник: 4, - решетчатые
полки; 21 - фильтр-осушитель; 22 - прокладка; 23 - конденсатор; 24 - задняя
стенка; 25 - задний упор; 26 - винт крепления конденсатора; 27 - болт; 28 -
ванночка для сбора и испарения талой воды; 29 - герметичный компрессор; 30 -
клеммная колодка; 31 - пускозащитное реле
2. Расчет теплопритоков в шкаф
бытового холодильника
.1 Проводим расчет теплопередающих
поверхностей холодильного шкафа
Рис. 2
Определяем площади теплопередающих поверхностей
холодильного шкафа:
боковых стенок (2 шт):
бок. стенок=h*глубина без изол. -
Sтреуг=1,21*0,525-0,02=0,615 м2;
дна:
дна=ширина без изол.*(глубина без изол. -
0,2)=0,52*(0,525-0,2)=0,169 м2;
потолка:
Fпотолка= Sоснования= ширина без изол.* глубина
без изол.=0,52*0,525=0,273 м2;
задняя стенка:
зад. стенка. =(h - 0,2)* ширина без
изол.=(1,21-0,2)*0,52=0,525 м2;
дверь:
двери. =h* ширина без изол.=1,21*0,52=0,629 м2.
Расчет перепадов температур:
температура окружающей среды: tо.с.=32 °C;
температура морозильной камеры: tм.к..=-24 °C
(****);
Δtм= tо.с.-
tм.к..=32-(-24)=56 °C.
Определяем коэффициенты теплопередачи
ограждающих конструкций холодильника:
;
Нужно определить αв
- коэффициент теплоотдачи охлаждаемой среды к внутренней поверхности, αн
- коэффициент теплоотдачи от наружной поверхности к окружающей среде.
αвг=1,7 Вт/(м2*К) -
от внутренней стенки к горизонтальному участку;
αвв=2,1 Вт/(м2*К) -
от внутренней стенки к вертикальному участку;
αнг=6 Вт/(м2*К) - от
наружной стенки к горизонтальному участку;
αнв=10 Вт/(м2*К) -
от наружной стенки к вертикальному участку.
Рис. 3
λ1=45,4 Вт/(м*К) -
коэффициент теплопроводности металла;
λ2=0,0465 Вт/(м*К) -
полистирола;
λиз=0,021 Вт/(м*К) -
пенополиуретана;
δ1=1 мм; δ2=4
мм;
δиз
- толщина изоляции .
Вычисляем коэффициент теплопередачи:
боковой стенки:
дна:
потолок:
задняя стенка:
двери:
2.2 Проверка поверхностей на условия
конденсации
Для tо.с.=32 °C → влажность φ≈80…85%;
;
По диаграмме при tо.с.=32 °C точка росы
соответствует температуре tр=28 °C.
боковая стенка:
<0,95∙ kmax;
; 0,389<0,67
дно:
; 0,364<0,4
потолок:
; 0,364<0,4
задняя стенка:
; 0,356<0,678 у
дверь:
. 0,478<0,678
Все поверхности проходят по конденсации влаги
Определяем теплопритоки через отдельные элементы
ограждения холодильника:
;
боковая стенка:
Вт;
дно:
Вт;
потолок:
Вт;
задняя стенка:
Вт;
дверь:
Вт.
Определяем теплопритоки от термической обработки
продуктов
Мсуточн.=суточная норма хранения продуктов.
При max коэффициенте эксплуатации морозильная
камера заполняется говядиной на 50%, холодильная камера заполняется говядиной
на 20%.
Мсуточн.м=ρгов∙Vм.к.=1000∙0,32∙0,5=160
кг;
н - энтальпия при tо.с.=32 °C→ iн =329
кДж/кг;м.к. - энтальпия при tм.к.=-25 °C→ iм.к=-10,9 кДж/кг;
Вт;
Определяем теплоприток при открывании двери:
холодильник теплоприток компрессор
, где n=20…30 -
количество открываний двери; =320 л =0,32 м3; n=25;
;
Вт.
Теплоприток от электроприборов:
Вт.
Суммарные потери:
Вт.
Вт.
3. Тепловой расчет холодильной
машины
В данном холодильнике рабочим фреоном является
фреон R-12.
Рис. 4
Принимается в холодильниках с естественной
циркуляцией
=tм.к.-(8…15) °С - температура кипения
фреона;=-24-12=-36 °С;к=tо.с..+(10…20) °С - температура конденсации
фреона;к=32+15=47 °С.
По t0 и tк определяем давление кипения p0 и
давление конденсации pк:
;
.
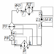
Схема холодильника (по ГОСТу)
Рис. 5 - М-К - мотор-компрессор; КД -
конденсатор; ФО - фильтр-осушитель; ТО - теплообменник; РВ - регулирующий
вентиль (капиллярная трубка); И - испаритель
Строим рабочий цикл холодильной машины с учетом
следующего:
≈tо.с.=32 °С;
;
Процесс 1-1' - подогрев паров хладагента в М-К.
Давление в т.1 - есть давление кипения:
=p0∙(1-δвс),
где δвс=0,03…0,05
- потери давления на всасывающих клапанах.=pк∙(1+δнаг),
где δнаг=0,03…0,06
- потери давления на нагнетательных клапанах.=p0∙(1-δвс)=0,037∙(1-0,04)=0,03552
МПа=0,035∙106 Па;=pк∙(1+δнаг)=0,65∙(1-0,045)=0,61
МПа=0,61∙106 Па.
Для определения положения т.4 используем
уравнение теплового баланса:
h3-h4=Kp∙(h1-ha), где Kp - коэффициент,
учитывающий долю регенерации в процессе перегрева; =0,5;=h3-Kp∙(h1-ha).
Заполняем таблицу основных параметров рабочих
точек цикла:
|
№
точки
|
P,
МПа
|
t,
°С
|
h,
кДж/кг
|
υ,
м3/кг
|
|
а
|
0,037
|
-36
|
0,9
|
|
1
|
0,035
|
32
|
614,28
|
1,2
|
|
1'
|
0,035
|
40
|
628,5
|
1,24
|
|
2
|
0,61
|
120
|
767,8
|
0,08
|
|
3
|
0,61
|
47
|
312,5
|
0,0003
|
|
4
|
0,61
|
|
258,9
|
-
|
|
5
|
0,037
|
-36
|
258,9
|
0,33
|
=h3-Kp∙(h1-ha)=312,5-0,5∙(614,28-507,14)=258,9
кДж/кг;
Рассчитываем следующие параметры:
Удельная массовая холодопроизводительность:
q0=ha - h5=507,14 - 258,9=248,24 кДж/кг;
удельная объемная холодопроизводительность:
;
удельная теплота отводимая в конденсаторе: qк=h2
- h3=767,8 - 312,5=455,3 кДж/кг;
удельная изоэнтропная работа цикла: ιs=h2
- h1'=767,8 - 628,5=139,3 кДж/кг;
массовый расход рабочего тела холодильной
машины:
;
теплота отводимая в конденсаторе: Qк=m∙qк=3,08∙10-3∙455,3∙103=1,383
кВт;
изоэнтропная мощность компрессора: Ns=m∙ιs
=3,08∙10-3∙139,3∙103=430,14
Вт;
холодильный коэффициент цикла:
.
4. Расчет поршневого компрессора
.1 Тепловой расчет и подбор
холодильного компрессора
Определяем объемный расход в компрессоре:
Д=m∙υ1'=3,08∙10-3∙1,24=3,81∙10-3
м3/с.
Определяются составляющие коэффициента подачи и
рассчитывается коэффициент подачи:
λ= λ0∙
λдр∙
λТ∙
λпл;
λ0 - объемный
коэффициент;
;
mp =0,9÷1,05 - политропа
расширения конечных параметров;
GM=0,02÷0,05 - относительный
массовый объем;
=0,61 МПа, p1=0,035 МПа;
;
λдр - коэффициент
дросселирования; λдр=0,95÷1,0=0,99;
λпл - коэффициент
плотности; λпл=0,90÷0,95=0,95;
λТ - коэффициент
подогрева;
;
λ=0,698∙0,99∙0,95∙0,68=0,44.
Теоретическая объемная производительность
компрессора:
;
По объемной производительности подбирается марка
холодильного компрессора по [ГОСТ 17008-85 «Компрессоры герметичные
холодильные»].=8,65∙10-3 м3/с - компрессор ХКВ-8 ЛП УХЛ.
, где n - частота
вращения; D - диаметр поршня; S - ход поршня; =50 1/c;
Сср - средняя скорость движения поршня; Сср =1,8
м/с;
м;
;
Погрешность между рассчитанной и уточненной
производительности составила 0,2%, что в пределах нормы (5%).
4.2 Энергетические потери и мощность
компрессора
Ni - мощность, затрачиваемая на сжатие паров
хладагента в действительном компрессоре, называется индикаторной.
,
где ηi - индикаторный
КПД для малых холодильных компрессоров; NS - изоэнтропная мощность.
ηi=0,7…0,8;
тр - мощность на преодоление сил трения Nтр=Pтр∙Vh=45∙103∙9,68∙10-3=435
Вт, где Pтр=40…50 кПа - удельное давление трения.
4.3 Определяем эффективную мощность
или мощность на валу компрессора
=Ni+Nтр=591,16+435=1026,16 Вт.
Потери, связанные с трением, учитываются в
механическом КПД:
;
Эффективный КПД:
.
Для того чтобы перейти от эффективной мощности
Ni к мощности потребляемой электродвигателем из сети NЭ, необходимо учесть КПД
электродвигателя.
Вт, где ηэ.дв.=0,7…0,8.
Электрический КПД: ηЭ=ηi∙ηмех∙ηэ.дв.=0,8∙0,576∙0,75=0,345.
При сопоставлении различных компрессоров и их
механических характеристик используют эффективный холодильный коэффициент:
и общий (электрический) коэффициент:
;
.
5. Расчет теплообменных аппаратов
Расчет теплообменных аппаратов проводится на
основе известной рассчитанной нагрузки на аппарат (Q0, Qк).
5.1 Расчет и подбор конденсатора
Определяем среднюю разность температур между
воздухом и хладагентом и коэффициент теплопередачи от хладагента к воздуху.
Δtн, Δtк
- разность температур потоков на входе и выходе из теплообменного аппарата.
Δtн=t2 -
tо.с..=122-32=90 °С;
Δtн=tк -
tо.с..=47-32=15 °С;
- коэффициент теплопередачи от воздуха к
хладагенту.
В конденсаторе k=9…12 Вт/(м2∙К)→k=11,0
Вт/(м2∙К);
В испарителе k=3,7…7 Вт/(м2∙К)→k=5,0
Вт/(м2∙К).
Средний логарифмический перепад температур:
°С.
Определяем площадь поверхности конденсатора:
м2.
Вычислим действительную площадь конденсатора:
Fконд.д=Fзмеевика+Fпрутков.
Рис. 6
Предположим, что на длине=580 мм можно
разместить 17 секций змеевика.
Определим длину одной секции:
ιодной
секции=0,58/17=0,034 м.
Вычислим наружный радиус закругления:закругл.
наружн.=0,034/2=0,017 м.
Внутренний радиус закругления:
Средний радиус закругления:
м.
Определяем длину прямых и закругленных частей
змеевика:
ιпрям. уч.=0,71 - 2∙
Rзакругл.среднее=1,1 - 2∙0,0145=1,071 м;
ιзакругл. уч.=π∙
Rзакругл.среднее=3,14∙0,0145=0,045 м.
Найдем количество прямых и закругленных
участков, исходя из того, что всего 10 секций:
прям.уч.=34; Nзакругл.уч.=34.
Вычислим общую длину змеевика:
ιзмеевика= Nпрям.уч∙
ιпрям.
уч.+ Nзакругл.уч.∙ ιзакругл.
уч.=34∙1,071+34∙0,045=37,96 м.
Длина окружности трубки змеевика:
ιтр.змеевика=2∙π∙
Rтрубки= π∙dтрубки=3,14∙0,006=0,01884
м.
Находим площадь змеевика:
змеевика= ιзмеевика∙
ιтр.змеевика=37,96∙0,01884=0,71
м2.
Для того чтобы найти площадь прутков, зададимся
dпрутков=1,5 мм=0,0015 м и шаг между прутками а=6 мм=0,006 м.
Определим площадь одного прутка:прутка=0,58∙π∙
dпрутка=0,58∙3,14∙0,0015≈0,003 м2.
Вычислим количество прутков, которых можно
разместить на высоте=1100 мм с шагом между ними равным 6 мм: Nпрутков=1100/6≈183
шт.
Площадь прутков: Fпрутков= Nпрутков∙
Fпрутка=183∙0,003=0,55 м2.
Поэтому действительная площадь
конденсатора:конд.д=Fзмеевика+Fпрутков=0,71+1,1=1,81 м2.
Так как
,
поэтому расчет конденсатора произведен верно.
5.2. Расчет и подбор испарителя
Рис. 7
Δtн=tо.с. -
t0=32-(-37)=69 °С;
Δtн=47-32=15 °С;
Средний логарифмический перепад температур:
°С.
Площадь испарителя:
м2.
Действительная площадь испарителя:
Так как
,
поэтому расчет испарителя произведен верно.
5.3 Расчет и подбор трубопроводов
Площадь внутреннего сечения трубопровода
определяется:
, где Vi=m∙υi
- объемный
расход хладагента в трубопроводах; ωi - скорость
движения хладагента в трубопроводах; υi - удельный
объем в соответствующей точке.
;
,
где dвн.i - внутренний диаметр трубопровода.
υ1=1,27 м3/кг - удельный
объем в 1-ой точке;вс=m∙υ1=3,01∙10-3∙1,27=3,82∙10-3
м3/с- объемный расход хладагента во всасывающем трубопроводе.
Для всасывающего трубопровода: ωвс=8…15
м/с. Принимаем ωвс=8 м/с.
Найдем
м2;
подбираем по
сортаменту Ø8 мм.
Расчет нагнетательного трубопровода:наг=m∙υ2=1,19∙10-3∙0,025=2,98∙10-5
м3/с- объемный расход хладагента в нагнетательном трубопроводе.
Для всасывающего трубопровода: ωнаг=10…18
м/с. Принимаем ωнаг=11 м/с.
Найдем
м2;
подбираем по
сортаменту Ø6 мм.
Расчет капиллярной трубки:
Обычно это медная трубка: dвнутр=0,7…1,0 мм,
принимаем dвнутр=1 мм.
При заданном внутреннем диаметре вычисляем длину
капиллярной трубки:
,
где R= dвнутр/2=1/2=0,5 мм=0,0005 м; μ
- динамическая
вязкость хладагента, определяется по [В. Мааке, Жан-Луи Кошпен - «Польманн:
Учебник по холодильной технике].
м.
Объемный расход через капиллярную трубку: Vкап=m∙υ3=3,01∙10-3∙0,00035=0,00000105
м3/с.
6. Обоснование выбора основных
материалов
Ограждение холодильника - трехслойное. Наружный
слой выполняется из Ме - Сталь 10, толщиной=1 мм; промежуточный -
пенополиуретан ППУ-309М ТУ 2226-214-00244147-2001, толщиной от 30 до 45 мм;
внутренний слой - ударопрочный полистирол УПС-0803Л толщиной=4 мм ГОСТ
28250-89;
Трубки конденсатора выполняются из меди диаметром=6
мм. К змеевику под прямым углом к трубам приварены прутки из стальной проволки
диаметром=1,5 мм ГОСТ 2246-70;
Испаритель О-образный изготавливается из
нержавеющей стали;
Капиллярная трубка и фильтр-осушитель
выполняются из меди. На капиллярные трубки существует ГОСТ 2624-77 «Трубки
капиллярные медные и латунные»;
Уплотнители для дверей поливинилхлоридные ТУ
6-55-12-88;
Герметичность шкафа холодильника обеспечивается
пастой ПВ-3 на основе хлорвиниловой смолы. Поверхность шкафа фосфарируют, затем
грунтуют и дважды покрывают эмалью МЛ-12-01;
Эмаль М4-123 черная ТУ6-19-979-84 и Лак МЛ-133
для холодильника.
Список используемой литературы
1.
Бабакин Б.С., Выгодин В.А. «Справочник: бытовые холодильники и морозильники».
2.
Варгафтик Н.Б. «Справочник по теплофизическим свойствам газов и жидкостей».
.
Мааке В. и др. «Польманн: учебник по холодильной технике».