|
Модуль
|
m
|
4
|
|
Число
зубьев
|
z
|
26
|
|
Коэффициент
смещения
|
x
|
0
|
|
Степень
точности по ГОСТ 1643-81
|
-
|
7-В
|
|
Длина
общей нормали
|
w
|
|
|
Допуск
на радиальное биение зубчатого венца
|
Fr
|
0,040
|
|
Допуск
на колебание длины общей нормали
|
Fvw
|
0,022
|
|
Предельные
отклонения шага зацепления
|
±fpb
|
±0,017
|
|
Допуск
на погрешность профиля зуба
|
ff
|
0,014
|
|
Допуск
на направление зуба
|
Fβ
|
0,011
|
|
Делительный
диаметр
|
d
|
108
|
|
Шаг
зацепления
|
Pa
|
11,808
|
Степень точности 7 по нормам кинематической
точности характеризуется параметрами Fvw
и Fr.
Степень точности 7 по нормам плавности
характеризуется параметрами fpb
и ff.
Степень точности 7 по нормам контакта зубьев
характеризуется параметром Fβ.
Шпоночный паз колеса следует выполнить по Js9.
Основное отверстие колеса Ø36
следует
выполнить по Н7.
Наружный диаметр Ø112 следует
выполнить по h12.
Остальные поверхности выполнить по 14 квалитету
точности.
.1.1.2 Анализ точности формы поверхностей
Особых требований к точности формы поверхностей
не предъявляется.
1.1.1.3 Анализ точности взаимного расположения
поверхностей
Неперпендикулярность торцов колеса к оси
отверстия не более 0.01 мм.
Торцевое биение торцевых поверхностей зубчатого
колеса Ø
112 мм
и Ø52
мм
относительно оси А не более 0.03 мм.
Несимметричность шпоночного паза относительно
оси отверстия не более 0.02 мм.
Радиальное биение зубчатого венца относительно
базы А не более 0.012 мм.
Остальные поверхности выполнить в пределах
допуска на размер.
.1.1.4 Анализ качества поверхностей
Поверхность делительной окружности зубчатого
колеса выполнить с шероховатостью 0.8 мкм.
Торец Ø112 мм
выполнить с шероховатостью 1.25 мкм.
Поверхность торцевой впадины Ø85
мм,
а также внутреннее отверстие колеса выполнить с шероховатостью 1.6 мкм.
Поверхности шпоночного паза выполнить с
шероховатостью 3.2 мкм.
Остальные поверхности выполнить с шероховатостью
не более 12.5 мкм.
.1.1.5 Анализ технологичности конструкции детали
Рассматриваемое в бакалаврской работе зубчатое
колесо является технологичным.
Геометрические формы колеса являются
унифицированными. Подход к обрабатываемым поверхностям режущего инструмента
обеспечен. Отсутствуют внутренние глухие отверстия. Обеспечены все необходимые
фаски и плавные сопряжения поверхностей. Обеспечена возможность многоместной
обработки.
1.1.2 Определение объема выпуска детали
Для определения объема выпуска необходимо знать
массу детали. Для этого разобъем зубчатое колесо на простейшие геометрические
фигуры.
Рис.1.1. Разбиение зубчатого колеса на
простейшие геометрические фигуры
Объем колец:
, (1.1)
где D - наибольший диаметр кольца;
d - наименьший
диаметр кольца;- ширина кольца.
Для данной детали:
Масса детали:
По заданию объем выпуска деталей составляет 2000
штук в год.
Тогда количество деталей в партии запуска:
, (1.2)
где N-объем выпуска деталей;периодичность
запуска в днях; а=10;
Т-количество рабочих дней в планируемом периоде
выпуска. В курсовом проекте это 1 год, то есть 240 дней.
Подставляя все значения в формулу (1.2),
получаем количество деталей:
1.1.3 Формулирование основных технологических
задач
Класс деталей объединяет совокупность деталей,
имеющих одинаковый маршрут операций, осуществляемых на однородном оборудовании
с применением однотипных приспособлений и инструментов. Данная деталь относится
к классу зубчатых колес.
Основные технологические задачи:
· точность размеров: самыми точными
поверхностями являются шпоночный паз, гарантирующий соединение колеса с валом
(выполнен по 9 квалитету) и отверстие для посадки на вал, выполненное по 7
квалитету;
· точность формы: особые требования по
точности формы не предъявляются;
· точность взаимного расположения:
неперпендикулярность торцов колеса к оси отверстия не более 0,01 мм; несимметричность
шпоночного паза относительно оси отверстия не более 0.02 мм; торцевое биение
торцевых поверхностей зубчатого колеса Ø 112 мм
и Ø52
мм
относительно оси А не более 0.03 мм.
· твердость рабочих поверхностей:
необходимая твердость достигается для стали 40Х путем проведения закалки и
высокого отпуска.
Гарантированный боковой зазор должен
обеспечивать нормальные условия работы передачи, т. е. исключить возможность
заклинивания при её нагреве и создать необходимые условия для смазки зубьев.
Очевидно, что при выборе необходимого уменьшения толщины зубьев зубчатых колес
необходимо учитывать не только величину гарантированного бокового зазора в
передаче, но и возможность компенсации погрешностей изготовления и монтажа
передачи. Следовательно, при передаче с определенным боковым зазором необходимо
учитывать, с какой точностью она выполнена. В противном случае из-за
погрешностей монтажа и неточности колес гарантированный зазор в передаче может
полностью отсутствовать. Поэтому устанавливаются соотношения между видами
сопряжения колес в передаче и степенью точности по нормам плавности. Вид
сопряжения, выбранный для данной детали - В.
1.2 Анализ действующего
технологического процесса
Действующий технологический процесс является
типовым технологическим процессом обработки зубчатых колес. [2, стр. 312-318].
Однако, типовой технологический процесс не может учитывать конструктивных
особенностей каждой детали в отдельности. Значит между действующим
технологическим процессом и технологическим процессом на изготовление данного
зубчатого колеса будет ряд различий.
Основные операции механической
обработки зубчатого колеса cо
ступицей 7-й степени точности:
В технологическом процессе
изготовления любого зубчатого колеса можно выделить 2 основных этапа:
§ изготовление заготовки
зубчатого колеса;
§ нарезание зубчатого венца.
Ø Предварительные
операции.
Операции 005, 010.
Заготовительная.
Для заготовок из проката -
резка проката, для штампованных заготовок - штамповка.
Штампованные заготовки
целесообразно выполнять с прошитыми отверстиями, если их диаметр не более 30 мм
и длина не более 3-х диаметров.
Заготовки из чугуна и цветных
сплавов (иногда из сталей) получают литьем.
Термическая.
Нормализация, отпуск (для
снятия внутренних напряжений) заготовки.
Ø Черновая обработка
заготовки.
Основная задача этапа -
удаление припусков и напусков с наиболее возможной производительностью и
формирование контура будущей детали. Снимается 70% припуска.
Операции 015, 020, 025.
Токарная.
Точить торец обода и торец
ступицы с одной стороны начерно, точить наружную поверхность обода до кулачков
патрона начерно, расточить начерно на проход отверстие (или сверлить и
расточить при отсутствии отверстия в заготовке), точить наружную поверхность
ступицы начерно, точить фаски.
Технологическая база - наружная
поверхность обода и торец, противолежащий ступице (закрепление в кулачках
токарного патрона).
Оборудование:
единичное производство -
токарно-винторезный станок;
мелко- и среднесерийное -
токарно-револьверный, токарный с ЧПУ;
крупносерийное и массовое -
одношпиндельный или многошпиндельный токарный полуавтомат (для заготовки из
прутка - прутковый автомат).
Токарная.
Точить базовый торец обода
(противолежащий ступице) начерно, точить наружную поверхность обода на
оставшейся части начерно, расточить отверстие под шлифование, точить фаски.
Технологическая база -
обработанные поверхности обода и большего торца (со стороны ступицы).
Оборудование - то же (см.
операцию 015).
Протяжная (долбежная)
Протянуть (долбить в единичном
производстве) шпоночный паз или шлицевое отверстие.
Технологическая база -
отверстие и базовый торец колеса.
Оборудование -
горизонтально-протяжной или долбежный станки.
Применяются варианты чистового
протягивания отверстия на данной операции вместо того чистового растачивания на
предыдущей операции.
Ø Чистовая обработка
заготовки.
На этом этапе обеспечиваются
все требования по точности размеров, формы, взаимного расположения.
Токарная.
Точить базовый и противолежащие
торцы, наружную поверхность венца начисто.
Технологическая база - поверхность
отверстия (реализуется напрессовкой на оправку, осевое положение на оправке
фиксируется путем применения подкладных колец при запрессовке заготовки).
Необходимость данной операции вызывается требованием обеспечения соосности
поверхностей вращения колеса.
Оборудование -
токарно-винторезный (единичное производство), токарный с ЧПУ (серийное) или
токарный многорезцовый полуавтомат.
Ø Обработка зубьев.
Образование требуемой формы и
точности поверхности зубьев.
Зубофрезерная.
Фрезеровать зубья начерно (обеспечивается
8-я степень точности).
Технологическая база -
отверстие и базовый торец (реализуется оправкой и упором в торец).
Оборудование - зубофрезерный
полуавтомат.
Зубофрезерная.
Фрезеровать зубья начисто
(обеспечивается. 7-я степень точности).
Шевинговальная.
Шевинговальная операция
повышает на единицу степень точности зубчатого колеса. Операции применяют для
термооб-рабатываемых колес с целью уменьшения коробления зубьев, так как
снимается поверхностный наклепанный слой после фрезерования.
Технологическая база -
отверстие и базовый торец (реализуется оправкой).
Оборудование -
зубошевинговальный станок.
Ø Термообработка.
Достижение требуемой по
техническим требованиям твердости .
Термическая.
Калить заготовку или зубья
(ТВЧ) или цементировать, калить и отпустить - согласно техническим требованиям.
Наличие упрочняющей термообработки, как правило, приводит к снижению точности
колеса на одну единицу.
Внутришлифовальная.
Шлифовать отверстие и базовый
торец за один установ. Обработка отверстия и торца за один установ обеспечивает
их наибольшую перпендикулярность.
Технологическая база - рабочие
эвольвентные поверхности зубьев (начальная окружность колеса) и торец,
противолежащий базовому. Реализация базирования осуществляется специальным
патроном, у которого в качестве установочных элементов используют калибровочные
ролики или зубчатые секторы. Необходимость такого базирования вызвана
требованием обеспечения равномерного съема металла и зубьев при их последующей
отделке с базированием по отверстию на оправке.
Оборудование --
внутришлифовальный станок. При базировании колеса на данной операции за
наружную поверхность венца для обеспечения соосности поверхностей вращения
необходимо ввести перед иди после термообработки круг-лошлифовальную операцию
для шлифования наружной поверхности венца и торца, противолежащего базовому
(желательно за один установ на оправке).
Технологическая база -
отверстие и базовый торец.
Оборудование -
круглошлифовальный или торцекруглошлифовальный станки.
Необходимость отделки наружной
поверхности венца колеса часто вызывается также и тем, что контроль основных
точностных параметров зубьев производится с использованием этой поверхности в
качестве измерительной базы.
Плоскошлифовальная.
Шлифовать торец, противолежащий
базовому (если необходимо по чертежу).
Технологическая база - базовый
торец.
Оборудование -
плоскошлифовальный станок с прямоугольным или круглым столом.
Зубошлифовальная.
Технологическая база -
отверстие и базовый терец. Оборудование - зубошлифовальный станок (обработка
обкаткой двумя тарельчатыми или червячный кругами или копированием фасонным
кругом). При малом короблении зубьев при термообработке (например, при
азотировании вместо цементации) операция зубошлифования может быть заменена
зубохо-нингованием или вообще отсутствовать.
Наличие зубошлифовальной или
зубохонинговальной операции определяется наличием и величиной коробления зубьев
при термообработке. Двукратное зубофрезерование и шевингование зубьев до
термообработки может обеспечить 6-ю степень точности. При потере точности во
время термообработки на одну степень конечная 7-я степень точности будет
достигнута. Введение отделочной операции зубошлифования или зубохонингова-ния
необходимо только при уменьшении точности колеса при термообработке больше, чем
на одну степень.
Ø Технические
операции.
Операции 070, 075, 080.
Моечная.
075 Контрольная.
080 Нанесение антикоррозионного
покрытия.
Применяются варианты
техпроцесса с однократным зубофрезерованием, но с двукратным зубошлифованием.
Наличие упрочняющей
термообработки приводит, как правило, к снижению степени точности колес на одну
единицу, что требует введения дополнительной отделочной операции. Для
незакаливаемых зубчатых колес шевингование является последней операцией; перед
термообработкой шевингуют зубья в целях уменьшения деформации колеса в процессе
термообработки и повышения степени на одну единицу.
1.3 Выбор метода получения заготовки
1.3.1 Заготовка из проката
Рис.1.2. Эскиз заготовки из проката
Коэффициент использования материала
, (1.3)
где qдет-масса детали,заг-масса
заготовки.
Масса детали qдет=1.56 кг (рассчитано
выше)
Масса заготовки
заг
Коэффициент использования материала в этом
случае:
Расчет стоимости
, (1.4)
где
-
норма расхода материала на 1 заготовку;
Сзч - средняя часовая заработная
плата основных рабочих по тарифу, руб./чел.ч;
Ц0 - цена 1кг отходов материала, руб;
- оптовая цена 1
килограмма материала в зависимости от метода получения заготовки (из проката,
свободной ковкой, штамповкой, литьем);0 - масса отходов материала,
кг;
Ц0 - цена 1кг отходов материала, руб;
Т - время черновой обработки заготовки, ч;
Сн - цеховые накладные расходы (для
механического цеха могут быть приняты равными 60…80 %).
Время черновой обработки заготовки складывается
из времен, которые затрачиваются на выполнение различных операций и находятся
по следующим формулам:
черновая обработка
за один проход;
черновое
растачивание отверстий;
черновая подрезка
торцев;
- сверление
отверстия.
1. Снятие припуска на зубчатом венце.
Т1=2∙0.00017∙118∙46=2∙0,92276=1,845
мин;
2. Черновая подрезка торцев.
3.
мин
4. Вытачивание ступицы. Т3=3∙0.000037∙
=1.245
мин;
5. Сверление отверстия. 
мин.
Общее время 
ч.
Подставляя все значения в формулу (1.4),
получаем:
1.3.2 Штампованная заготовка
Рис.1.3. Эскиз штампованной заготовки
Объём заготовки:
Масса заготовки:
Коэффициент использования материала в этом
случае:
Расчет стоимости
, (1.5)
где
-
норма расхода материала на 1 заготовку;
Сзч - средняя часовая заработная
плата основных рабочих по тарифу, руб./чел.ч;
Ц0 - цена 1кг отходов материала, руб;
- оптовая цена 1
килограмма материала в зависимости от метода получения заготовки (из проката,
свободной ковкой, штамповкой, литьем);0 - масса отходов материала,
кг;
Ц0 - цена 1кг отходов материала, руб;
Т - время черновой обработки заготовки, ч;
Сн - цеховые накладные расходы (для
механического цеха могут быть приняты равными 60…80 %).
1. Снятие припуска на зубчатом венце. Т1=2∙0.00017∙118∙50=2∙1,003=2,006
мин;
2. Черновая подрезка торцев:
мин
3. Сверление отверстия:
мин.
Общее время 
ч.
Подставляя все значения в формулу (1.5),
получаем:
1.3.3 Обоснование метода получения заготовки
В результате расчетов получили, что
себестоимость штампованной заготовки в
раза
больше, чем себестоимость заготовки из проката. Однако коэффициент
использования материала у штампованной заготовки в 1.5 раза больше.
Для крупносерийного и массового производства
рациональнее было бы выбрать штампованную заготовку.
В бакалаврской работе в условиях серийного
производства выбираем заготовку из проката, как обладающую неплохим
коэффициентом использования материала и малой себестоимостью.
2. Технологический процесс механической
обработки детали-представителя (зубчатого колеса)
В данной главе приведен маршрут обработки
зубчатого колеса, а также рассчитаны нормы времени на операции.
.1 Проектирование маршрута изготовления детали
.1.1 Выбор технологических баз
Выбор базовых поверхностей зависит от
конструктивных форм зубчатых колес и технических требований.
Выбор баз влияет на:
§ точность размеров;
§ точность взаимного расположения поверхностей;
§ производительность обработки;
§ степень сложности приспособления.
При выборе баз необходимо руководствоваться
следующими принципами:
§ Принцип совмещения баз (конструкторские базы по
возможности должны совпадать с технологическими).
§ Принцип постоянства баз (на всех основных операциях
используются одни и те же базы).
§ Базы необходимо выбирать таким образом, чтобы
исключалась возможность возникновения вибрации.
Различают три стадии обработки - черновую,
чистовую и отделочную.
При черновой обработке снимают основную массу
металла и обеспечивают взаимное положение обработанных и необработанных
поверхностей. Так как эта стадия связана с действием силовых и температурных
факторов, то после нее обычно вводятся операции термообработки для снятия
внутренних напряжений. Достигается точность обработки IT14,
шероховатость Ra=6,3 -12,5 мкм.
Целью чистовой обработки является достижение
заданной точности поверхностей деталей и их взаимного расположения. Точность
размеров - IТ8-10,
шероховатость Ra=6,3-1,6 мкм.
На первых операциях черновыми технологическими
базами являются наружные необработанные " черные" поверхности.
На первой операции (черновая токарная) в
качестве базы будем использовать наружную поверхность обода колеса 5, чтобы
обработать отверстие и использовать в дальнейшем в качестве ТБ его
цилиндрическую поверхность. Также в качестве базы используем торец 1, для
обработки поверхностей 2, 3.
На второй операции принимаем в качестве базы
внутреннюю цилиндрическую поверхность 8) и поверхность торца 2 для обработки
поверхностей 5 и 1.
У колес со ступицей (одновенцовых и
многовенцовых) с достаточной длиной центрального базового отверстия в качестве
технологических баз используют двойную направляющую поверхность отверстия и
опорную базу в осевом направлении - поверхность торца.
На промежуточных операциях в качестве баз
используем: поверхность базового торца 2, отверстие 8, торец 1, поверхности 5 и
3, рабочие эвольвентные поверхности зубьев 12, также торец 4.
На чистовых операциях в качестве базы будем
использовать поверхность отверстия 8 и торец 2 (в том числе для шлифования
зубьев зубчатого колеса).
2.1.2 Классификация видов поверхностей и выбор
маршрута их обработки
Рис. 2.1. Поверхности зубчатого колеса,
подлежащие обработке
Таблица.2.1. Маршруты
обработки поверхностей
|
№
п/п
|
Вид
поверхности
|
Маршрут
обработки
|
|
1
|
Левый
торец
|
Точение
черновоеIT14,
Ra=12,5 мкм Точение чистовое IТ12, Ra=6,3 мкм Шлифование
чистовое IT12, Ra=1.25мкм
|
|
2
|
Правый
торец
|
Точение
черновое IT14,
Ra=12,5 мкм Точение чистовое IT 12, Ra=6,3 мкм Шлифование
чистовое IT12, Ra=1.25мкм
|
|
3
|
Цилиндрическая
поверхность
|
Точение
черновое IT14, Ra=12.5мкм
|
|
4
|
Венец
|
Точение
черновое IT 14,
Ra=12,5 мкм
|
|
5
|
Цилиндрическая
поверхность
|
Точение
чистовое IТ 12,
Ra=12,5 мкм
|
|
6
и 7
|
Фаски
|
Точение
чистовое IT14, Ra=12.5мкм
|
|
8
|
Внутренняя
цилиндрическая поверхность
|
Растачивание
черновое IT 12,
Ra=12,5 мкм Растачивание чистовое IT 8, Ra=3,2
мкм Шлифование чистовое IT 7, Ra=l,6 мкм
|
|
9
и 10
|
Фаски
|
Точение
чистовое IT14, Ra=12.5мкм
|
|
11
|
Шпоночный
паз
|
Протягивание
черновое IT9, Ra=3.2
мкм
|
|
12
|
Обработка
профиля зубьев
|
Зубофрезерование
черновое 10ст.точности Ra=12.5мкм Зубофрезерование
чистовое 8ст.точности Ra=3,2мкм Зубошлифование
7ст.точности Ra=0.8мкм
|
|
13
|
Фаска
|
Точение
чистовое IT14, Ra=12.5мкм
|
2.1.3 Маршрут обработки зубчатого колеса
Таблица 2.2 Маршрут обработки зубчатого колеса
|
Nоп.
|
Наименование
и краткое содержание операции
|
Операционный
эскиз
|
|
005
|
Заготовительная.
Резка проката. Размеры заготовки Æ118´46 мм.
|
|
|
010
|
Термическая.
Нормализация (для снятия внутренних напряжений).
|
|
|
015
|
Токарно-винторезная
(черновая). § точить
торец 2 и 4, § точить
поверхность
З,
§ расточить
отверстие 8 напроход начерно, § точить поверхность 5 до кулачка патрона.
|
|
|
020
|
Токарно-винторезная
(черновая). 1. Подрезать торец 1 2. Точить оставшуюся необработанной часть
поверхности 5
|
|
|
025
|
Токарно-винторезная
(чистовая). § точить
торец 1, § расточить
отверстие 8, § точить
фаски 6 и 10.
|
|
|
030
|
Токарно-винторезная
(чистовая). § точить
торец 2, § точить
фаски 7, 9, 13.
|
|
|
035
|
Зубофрезерная
(черновая) § фрезеровать
зубья колеса 12
|
|
|
040
|
Зубофрезерная
(чистовая) § фрезеровать
зубья колеса 12 под шлифование
|
|
|
045
|
Термическая.
Установка ТВЧ. Закалка зубьев.
|
|
|
050
|
Протяжная.
§ протянуть
шпоночный паз
|
|
|
055
|
Плоскошлифовальная.
§ шлифовать
торец 2.
|
|
|
060
|
Внутришлифовальная:
§ шлифовать
отверстие 8 и базовый торец 1 за один установ.
|
|
|
065
|
Зубошлифовальная.
§ шлифовать
зубья 12.
|
Длина
общей нормали: W= Допуск на колебание длины общей
нормали: Fvw
=0,022
|
|
070
|
Моечная
|
|
|
075
|
Контрольная
|
|
2.2 Проектирование технологической операции
.2.1 Выбор оборудования, приспособлений,
измерительного и режущего инструмента
Типоразмер (модель) станка можно выбирать на
основании следующих данных: метода обработки и требуемой точности размеров
обрабатываемой поверхности, габаритных размеров детали и других. Выбранное
оборудование приведено в соответствии с последовательностью выполнения
операций.
Станки для фрезерных операций ГПМ ИР320ПМФ4
Станки для токарных операций РТК 1720ПФ30
1. Токарно-винторезная операция. Станок:
РТК 1720ПФ30 Приспособление: трехкулачковый патрон; Базирование: ось колеса и
торцы обода колеса; Режущий инструмент: резец проходной по ГОСТ 18869-73, резец
подрезной по ГОСТ 18880-73, материал - Т5К10; Измерительный инструмент:
линейка, штангенциркуль с диапазоном измерения 0-230 мм с отчётом по нониусу
0,05 мм.
2. Токарно-винторезная операция. Станок:
РТК 1720ПФ30 Приспособление: трехкулачковый патрон; Базирование: ось колеса и
торцы обода колеса;
Режущий инструмент: резец проходной по ГОСТ
18869-73, резец подрезной по ГОСТ 18880-73, материал - Т15К6, фасонный левый и
правый
;
Измерительный инструмент: микрометр,
калибры-скобы.
3. Внутришлифовальная операция.
Станок: ГПМ ИР320ПМФ4;
Приспособление: трёхкулачковый патрон;
Базирование: по цилиндрической поверхности;
Режущий инструмент: круг шлифовальный 14А 40П С2
К5 6 30м/с;
Измерительный инструмент:
профилограф-профилометр мод. 201.
4. Плоскошлифовальная операция.
Станок: ГПМ ИР320ПМФ4;
Приспособление: патрон с калибровочными
роликами;
Базирование: по плоскости;
Режущий инструмент: круг шлифовальный 14А 40П С2
К5 6 35м/с;
Измерительный инструмент:
профилограф-профилометр мод. 201.
. Протяжная операция. Станок: ГПМ ИР320ПМФ4;
Приспособление: жёсткая опора; Базирование: плоскость и отверстие; Режущий
инструмент: шпоночная протяжка; Измерительный инструмент: комплексный шпоночный
калибр-пробка.
. Зубофрезерная операция.
Станок: ГПМ ИР320ПМФ4;
Приспособление: оправка цилиндрическая;
Базирование: ось отверстия колеса и плоскость;
Режущий инструмент: Фреза червячная модульная m=4
мм;
Измерительный инструмент: нормалемер М3-50,
шагомер БВ-5070.
. Зубошлифовальная операция.
Станок: ГПМ ИР320ПМФ4;
Приспособление: оправка цилиндрическая;
Базирование: ось отверстия колеса и базовый
торец;
Режущий инструмент: Круг шлифовальный 14А 40П С2
К5 6 30м/с;
Измерительный инструмент: Нормалемер М3-50,
шагомер БВ-5070.
.2.2 Расчет режимов резания для одного
технологического перехода и назначение режимов резания по нормативам для
остальных технологических переходов
· Расчет режимов резания выполним для
операции 015 - точение.
Черновое точение
Подача и глубина резания при черновом точении
выбираются из рекомендуемых значений для стали:=0,6 мм;=0,6 мм.
Скорость резания при продольном точении:
, (2.1)
где
=
350, Т=60 мин, m=0.2, х
=0.15, у=0.35,
(2.2)

- коэффициент, учитывающий влияние физико-
механических свойств обрабатываемого материала (заготовки) на скорость резания
(сталь 40Х,
,
),
- коэффициент,
учитывающий влияние состояния поверхности заготовки на скорость резания,
- коэффициент,
учитывающий влияние инструментального материала (Т5К10) на скорость резания.

,тогда

, отсюда
Учитывая из геометрического ряда частот вращения
шпинделя станка, назначаем: n=355
об/мин, V=131,6 м/мин.
Таблица 2.3 Режим резания для операции 015
|
Наименование
и номер операции
|
t ,мм
|
s ,об/мин.
|
n, об/мин.
|
V, м/мин.
|
|
015
Токарно-винторезная
|
0,6
|
0,6
|
355
|
131
|
Для остальных переходов назначаем режимы резания
используя машиностроительные нормативы:
Таблица 2.4 Режимы резания для остальных
операций
|
Наименование
и номер операции
|
t ,мм
|
s ,об/мин.
|
n, об/мин.
|
V, м/мин.
|
|
025
- Токарно-винторезная (чистовая)
|
0,27
|
0,8
|
1250
|
140
|
|
060
- Внутришлифовальная
|
0,02
|
пер.30
чис.10
|
1400
|
Vз=20 Vкр=30м/c
|
|
055
- Плоскошлифовальная
|
0,02
|
0,06
мм/дв.ход
|
1400
|
Vз=20 Vкр=30м/c
|
|
050
- Протяжная
|
2
|
15
|
---
|
43
|
|
035-040
- Зубофрезерная
|
2,8
|
10
|
400
|
Vз=20 Vкр=30м/c
|
|
065
- Зубошлифовальная
|
0,02
|
10
мм/дв.ход
|
1400
|
Vз=20 Vкр=30м/c
|
2.2.3 Расчет
сил резания
Расчет силы резания производим для операции 015-
точения.
Силу резания обычно раскладывают на составляющие
силы, направление по осям координат станка: тангенциальная Pz,
радиальная Ру и осевая Рх:
, (2.3)
(2.4)
При черновом точении коэффициенты равны:
Х:
Y:
Z:
- для
- для
-для
.2.4 Расчет норм времени на операцию
Технические нормы времени в условиях серийного
производства устанавливаются расчетно-аналитическим методом.
Штучно-калькуляционное время в серийном
производстве определяется по формуле:
, (2.5)
где
основное технологическое время.
вспомогательное
время.
время технического
обслуживания.
время
организационного обслуживания.
время перерывов в
работе.
число заготовок в
партии.
подготовительно-заключительное
время, затраченное на партию изготовленных изделий.
. На основании рассчитанных режимов работы
оборудования по каждому переходу вычисляем основное (технологическое) время по
формуле:
, (2.6)
где
длина
обрабатываемой поверхности;
величина врезания и
пробега инструмента;
дополнительная
длина на взятие пробной стружки, учитываемая при точении резцами, кроме
фасонных и отрезных.
2. По содержанию каждого перехода устанавливаем
необходимый комплекс вспомогательной работы и определяем вспомогательное время
с
учетом возможных и целесообразных совмещений и перекрытий.
. По нормативам в зависимости от операции и
оборудования, устанавливаем время на организационное и техническое обслуживание
рабочего места, отдых и личные потребности-
,
,
. Устанавливаем состав
подготовительно-заключительной работы, вычисляем подготовительно-заключительное
время
и
штучно-калькуляционное время
.
Приведем пример расчета для операции 015-
токарной (черновой).
Основное технологическое время:
Вспомогательное время:
(2.7)
где
время
на установку и снятие детали;
время на
управление станком, связанное с переходом;
время на контрольные
измерения.
Таким образом:
Результаты расчетов для других операций сведены
в таблицу и приведены в маршрутной и операционной картах.
Таблица 2.5 Нормы
времени на операции
|
№
|
|
,
|
|
|
|
|
|
015
|
2,08
|
2,31
|
0,20
|
0,15
|
0,12
|
4,86
|
|
020
|
2,08
|
2,31
|
0,20
|
0,15
|
0,12
|
4,86
|
|
025
|
2,08
|
1,87
|
0,19
|
0,13
|
0,11
|
4,38
|
|
030
|
2,08
|
1,87
|
0,19
|
0,13
|
0,11
|
4,38
|
|
035
|
2,08
|
1,67
|
0,17
|
0,13
|
0,1
|
4,15
|
|
040
|
2,08
|
1,38
|
0,14
|
0,10
|
0,1
|
3,80
|
|
055
|
2,08
|
2,82
|
0,65
|
0,34
|
0,37
|
6,26
|
|
060
|
2,08
|
2,07
|
0,18
|
0,13
|
0,1
|
4,56
|
|
065
|
2,08
|
2,02
|
0,16
|
0,12
|
0,08
|
4,46
|
|
070
|
2,08
|
2,72
|
0,32
|
0,24
|
0,16
|
5,52
|
Выводы:
В данных частях бакалаврской работы:
§ разработан технологический процесс изготовления
зубчатого колеса для серийного производства;
§ выбраны необходимые режущий инструмент,
приспособления, автоматизированное оборудование;
§ рассчитаны режимы резания, силы резания;
§ проведено техническое нормирование операций, что
позволяет повысить производительность обработки и обеспечить экономическую
эффективность предлагаемого технологического процесса по сравнению с типовым.
Для решения поставленной задачи были выполнены
следующие требования:
· Точность размеров.
Точность размеров цилиндрических поверхностей
достаточно высокая, основная конструкторская база АØ36Н7.
Данные требования выполнялись путем проведения обработки за несколько этапов.
Требования к точности зубьев колеса были выполнены за счет окончательного
шлифования.
· Взаимное расположение элементов
детали.
Требования к взаимному расположению поверхностей
были достигнуты за счет правильного выбора технологических баз на операциях и
их постоянства. На первой операции была подготовлена база для дальнейших
операций - общая ось, на в дальнейшем она была использована в качестве
технологической базы.
Точность взаимного расположения задается
допуском симметричности расположения шпоночного паза относительно базы А.
Решение этой задачи является черновая чистовая токарные операции, а также
черновое и чистовое шлифование.
· Качество поверхностного слоя.
Шероховатость базовой поверхности Ra=1,6 мкм
достигается за счет чистого шлифования. Все остальные поверхности выполняются с
шероховатостью Ra<12,5 мкм, которая получается после чистовой токарной
обработки.
Твердость 320....345 НВ мы получаем в результате
введения в технологический процесс термической обработки.
3. Проектировочный расчет автоматизированной
транспортно-складской системы
3.1 Определение объема выпуска
деталей
.1.1 Исходные данные
Рис. 3.1. Эскиз детали-представителя
Таблица 3.1 Типоразмеры детали-представителя
(зубчатого колеса)
|
|
|
|
|
|
|
|
|
|
|
мм
|
мм
|
мм
|
мм
|
мм
|
кг
|
мин
|
мин
|
112
|
52
|
36
|
40
|
20
|
1.56
|
47,23
|
22,02
|
|
2
|
130
|
90
|
80
|
90
|
30
|
2.57
|
61.48
|
36.27
|
|
3
|
160
|
100
|
70
|
70
|
20
|
4.12
|
84.58
|
58.15
|
|
4
|
210
|
160
|
130
|
130
|
35
|
10.96
|
180.86
|
154.71
|
|
5
|
260
|
200
|
160
|
80
|
40
|
13.91
|
221.32
|
196.35
|
|
6
|
290
|
240
|
200
|
60
|
20
|
9.78
|
164.02
|
138.05
|
|
7
|
230
|
200
|
180
|
100
|
25
|
6.67
|
120.58
|
94.15
|
|
8
|
190
|
150
|
130
|
70
|
20
|
4.09
|
84.22
|
57.73
|
|
9
|
170
|
120
|
80
|
150
|
30
|
10.08
|
168.76
|
142.28
|
|
10
|
100
|
70
|
50
|
100
|
20
|
2.11
|
56.21
|
29.78
|
Тмаш - машинное время обработки
каждого вида деталей
Тмаш1 - было рассчитано ранее.
Определим время, затрачиваемое на машинную
обработку для остальных заготовок из пропорции:
(3.1)
Пример расчета для второй строки:
Определим штучно-калькуляционное время для
остальных заготовок прибавлением к машинному времени обработки детали
вспомогательное время (рассчитанное выше для детали 1). Твсп1=25,21
мин.
Пример расчета для второй строки:
Исходя из заданных 12 штук токарных РТК
1720ПФ30, определяем количество фрезерных обрабатывающих комплексов по
соотношению времен на общую обработку детали.
Для этого для исходной детали-представителя по
табл.2.5 выделим времена на токарную и на фрезерную обработку.
От общего времени на обработку детали:
операции на токарном РТК занимают 16,39 минут
(34.70%)
операции на фрезерном ГПМ занимают 30,84 минут
(65.30%)
Тогда количество фрезерных обрабатывающих
комплексов ГПМ ИР320ПМФ4 составит
Окончательно получаем:
токарных РТК 1720ПФ30;
фрезерных ГПМ ИР320ПМФ4.
.1.2 Расчет фонда времени и определение производительности
§ Фонд времени оборудования вычисляется по
формуле:
, (3.2)
где Tг
= 260- число рабочих дней в году; kисп = 0,9 - коэффициент
использования по времени; Tсм
= 8 часов - продолжительность смены; nсм
= 3 - количество смен работы оборудования; nст
-
количество станков, реализующих технологический процесс.
Для токарной обработки:
часов
Для фрезерной обработки:
часов
§ Расчет фонда времени изготовления деталей всех
типов:
, (3.3)
где
-объем
времени, необходимый для выполнения токарных операций, N
- количество деталей, выпускаемое в течение года.
Примем
,
тогда
, (3.4)
В этой формуле
-
время на токарную обработку i-й детали. Для первой детали номенклатуры это
время получено в пункте 3.1.1. Для остальных деталей это время можно получить
исходя из соотношения времен на общую обработку детали. В данной работе
принимаем, что соотношение, полученное для первой детали ряда справедливо и для
остальных деталей.
Тогда
Общий грузопоток:
кг
.2 Выбор тары
В общем случае проектирования автоматизированной
транспортно-складской системы типовой ГПС механообработки следует предусмотреть
использование тары трех типов:
) общезаводская тара произвольного типа;
) поддон ящичный по ГОСТу 14861-91 в качестве
унифицированной складской тары;
) кассеты специальные для транспортирования
деталей типа тел вращения и плиты-спутники для транспортирования корпусных деталей
в качестве транспортно-технологической тары.
.2.1 Выбор заводской и складской тары
Для сравнительно крупных грузов следует
применять метод определения вместимости складской грузовой единицы посредством
теоретической раскладки грузов на поддоны при помощи простых моделей-формул,
основанных на взаимных соотношениях между размерами грузов и поддонов. Ниже
приведены три из них, используя которые необходимо определить наиболее
рациональный способ заполнения поддонов для каждого типоразмера обрабатываемых заготовок.
Например, модель раскладки грузов по способу №1 (грузы раскладываются длинной
стороной вдоль длины поддона, а короткой - вдоль ширины) имеет вид
, (3.5)
где N1
- количество грузов (штук), помещающихся в данном поддоне, при укладке их по
способу 1;
L, B,
H1
- соответственно длина, ширина, высота поддона;, b,
h - соответственно
длина, ширина, высота единицы груза по внешнему контуру (рис.3.2.);
Рис.3.2. Внешний контур перевозимого груза
Запись [ ] обозначает целую часть числа,
получающегося в результате выполнения действия в скобках.
Соответственно:
; (3.6)
; (3.7)
Исходя из того, что для всей номенклатуры грузов
в стеллажном складе должен использоваться один типоразмер ящичного поддона, в
качестве критериев оптимальности при вариантном выборе тары следует принять:
а) наиболее полное использование поддона по
грузоподъемности;
б) наименьший объем стеллажного склада,
необходимый для хранения всех грузов.
В данной работе предлагается выбрать ящичный
поддон из довольно широкого диапазона типоразмеров.(42 шт.) Очевидно, что
ручной расчет такого числа поддонов из-за ограниченности во времени не
представляется возможным. Поэтому проведем расчет с использованием программы
"Тара". Но для того, чтобы избежать каких-либо неточностей и выяснить
погрешность расчётов, сделаем ручной расчет одного поддона, удовлетворяющего по
грузоподъемности и габаритам.
Таблица 3.2 Основные параметры выбранной ящичной
тары
|
Масса
груза брутто, т
|
Основные
параметры (мм)
|
|
Длина
|
Ширина
|
Высота
|
Не
более
|
Не
менее
|
|
|
|
|
|
|
|
|
|
|
|
1,0
|
800
|
600
|
650
|
840
|
640
|
540
|
400
|
100
|
110
|
Результаты ручного расчета тары представлены
ниже.
Вариант1
Вариант2
Вариант3
Вариант4
Вариант5
Вариант6
Вариант7
Вариант8
Вариант9
Вариант10
Критерий выбора тары - коэффициент заполнения
объема поддона. Он характеризует вместимость поддона для каждого вида деталей.
, (3.8)
где Vпод
- объем поддона
, мм3
(3.9)
Для рассчитываемого поддона
дет
- объем детали
Vд (3.10)
д-объем
деталей по наружному контуру, мм3.
Тогда:
Средний коэффициент заполнения для данного вида
поддона:
Проверка грузоподъемности тары
Масса Qi (кг) i-го груза в каждой
таре определяется по формуле:
, (3.11)
где gi-масса i-го груза
Ni-максимальное
количество i-х грузов, помещающихся при укладке по одному из трех способов.
Масса брутто складского ящичного поддона с i-м
грузом определяется по формуле:
, (3.12)
Gп
- грузоподъемность поддона, кг; Gп=1000
кг
- собственная масса
складского поддона (5% от грузоподъемности);
По всем десяти типоразмерам деталей
рассматриваемый поддон удовлетворяет условию грузоподъемности.
;
.
Соответственно, коэффициент использования
данного типоразмера поддона по массе 0,759.
Расчет этого поддона в программе
"Тара":
Из сравнения ручного и программного расчетов
видно, что незначительная погрешность возникает только при расчете коэффициента
использования тары. Дальнейший окончательный выбор поддонов будем проводить,
опираясь на расчеты программы "Тара" (Приложение 1).
По наибольшему коэффициенту использования и
удовлетворяющей нас грузоподъемности производим выбор тары:
· складская тара
заводская тара (выбираем из тар с максимальной
грузоподъемностью)
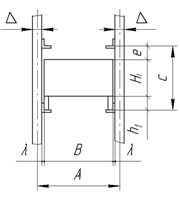
3.2.2 Выбор транспортной тары
Габаритные размеры в плане L
B
кассет транспортной тары в соответствии с ГОСТ 14861-91 принимаются из
стандартного ряда: 300х400; 400х600; 600х800; 800х1200; максимальная высота
укладки грузов Н - в пределах 0,7-0,8 от наибольшего его размера в плане.
Грузоподъемность тары должна соответствовать стандартному ряду. Число деталей
типа тел вращения, помещаемых в кассете при укладке их вертикально, определяется
по формуле:
, (3.13)
а высота кассеты с грузом
, (3.14)
где L, В - соответственно длина и ширина
поддона, мм;
-зазор между
заготовкой и краем кассеты;
-зазор между
заготовками или деталями в кассете, необходимый для захвата их перегрузочным
роботом;
-длина
заготовки, мм;
-наибольший диаметр
заготовки, мм;
Результаты расчетов сведем в таблицу:
Таблица3.3 Результаты расчетов при укладке
деталей в кассету вертикально
|
|
112
|
130
|
160
|
210
|
260
|
290
|
230
|
190
|
170
|
100
|
|
N
|
12
|
12
|
6
|
4
|
2
|
2
|
4
|
6
|
6
|
15
|
Пример расчета для первого столбца
При укладке деталей в один ряд по высоте их
число в кассете определяется как:
; (3.15)
; (3.16)
где
.
Результаты расчетов сведем в таблицу:
Таблица 3.4 Результаты расчетов при укладке
деталей в кассету в один ряд по высоте
|
|
|
N1
|
N2
|
|
40
|
112
|
24
|
24
|
|
90
|
130
|
15
|
16
|
|
70
|
160
|
12
|
12
|
|
130
|
210
|
8
|
6
|
|
80
|
260
|
5
|
8
|
|
60
|
290
|
7
|
10
|
|
100
|
10
|
6
|
|
70
|
190
|
12
|
12
|
|
150
|
170
|
6
|
6
|
|
100
|
100
|
15
|
15
|
Пример расчета для первой строки
3.3 Расчет интенсивностей грузопотоков
.3.1 Маршрутная технология обработки детали
Таблица 3.5
|
№
п/п
|
Наименование
и краткое содержание операции
|
|
1
|
Токарно-винторезная
(черновая). § точить
торец 2 и 4, § точить
поверхность
З,
§ расточить
отверстие 8 напроход начерно, § точить поверхность 5 до кулачка патрона.
|
|
2
|
Токарно-винторезная
(черновая). § подрезать
торец 1, § точить
оставшуюся необработанной часть поверхности 5
|
|
3
|
Токарно-винторезная
(чистовая). § точить
торец 1, § расточить
отверстие 8, § точить
фаски 6 и 10.
|
|
4
|
Токарно-винторезная
(чистовая). § точить
торец 2, § точить
фаски 7, 9, 13.
|
|
5
|
Зубофрезерная
(черновая) § фрезеровать
зубья 12
|
|
6
|
Зубофрезерная
(чистовая) § фрезеровать
зубья 12 под шлифование
|
|
7
|
Термическая.
Установка ТВЧ. Закалка зубьев.
|
|
8
|
Протяжная.
§ протянуть
шпоночный паз
|
|
9
|
Плоскошлифовальная.
§ шлифовать
торец 2. §
|
|
10
|
Внутришлифовальная:
шлифовать отверстие 8 и базовый торец 1 за один установ.
|
|
11
|
Зубошлифовальная.
§ шлифовать
зубья 12.
|
|
12
|
Моечная
|
|
13
|
Контрольная
|
3.3.2 Структурно-функциональная схема
Структурно-функциональная схема движения и
преобразования основного потока предметов производства и всех видов тары в ГПС
имеет вид:
Рис.3.3. Структурно-функциональная схема
проектируемого цеха механообработки
1-оборот заводской тары
-оборот складской тары
-оборот технологической тары и плит-спутников
На схеме и в таблице буква:
С - функция складирования;
Т - транспортная функция;
К - функции, закрепляемые за рабочими
Таблица 3.6 Описание структурно-функциональной
схемы проектируемого цеха
|
Обозначение
по схеме
|
Содержание
функции
|
|
С1
|
Накопление
партий заготовок/полуфабрикатов, прошедших термическую обработку, в заводской
таре в ожидании их приема в ГПС
|
|
К1
|
Контроль
поступающих партий заготовок/полуфабрикатов, прошедших термическую обработку,
на соответствие сроков, количества и качества графикам поставки и
технологическим требованием (по сопроводительной документации)
|
|
К2
|
Укладка
заготовок/полуфабрикатов, прошедших термическую обработку, в унифицированную
складскую тару. Получение пустой складской тары. Определение места
последующего складирования. Отправка пустой заводской тары
|
|
С2
|
Накопление
партий заготовок/полуфабрикатов, прошедших термическую обработку, (резервного
задела) в унифицированной складской таре
|
|
К3
|
Комплектация
заготовок, /полуфабрикатов, прошедших термическую обработку, в
технологической таре. Получение пустой технологической тары. Отправка пустой
складской тары.
|
|
С3
|
Накопление
партии заготовок в транспортно - технологической таре
|
|
ТО
(ток)
|
Выполнение
ГПМ за один установ токарных операций над заготовками, поступающими в
технологической таре.
|
|
С4
|
Накопление
полуфабрикатов, прошедших токарную обработку, в технологической таре и , по
необходимости, в унифицированных поддонах
|
|
К4
|
Разукомплектация
технологической тары. Комплектация полуфабрикатов на спутниках
|
|
С5
|
Накопление
партии полуфабрикатов на спутниках в транспортно - технологической таре
|
|
ТО
(фрез)
|
Выполнение
ГПМ за один установ фрезерных операций над полуфабрикатами, поступающими на
спутниках в технологической таре.
|
|
С6
|
Накопление
партии полуфабрикатов, прошедших фрезерную операцию, /полностью обработанных
деталей на спутниках в транспортно - технологической таре
|
|
К5
|
Разукомплектация
тары. Разборка и очистка тары и ее сменных элементов. Укладка сменных
элементов в место хранения. Отправка пустой технологической тары и столов -
спутников. Получение пустой складской тары. Укладка полуфабрикатов /
полностью обработанных деталей в унифицированную складскую тару.
|
|
С7
|
Накопление
партии полуфабрикатов / полностью обработанных деталей в унифицированной
складской таре
|
|
К6
|
Выемка
полуфабрикатов / полностью обработанных деталей из унифицированной складской
тары. Отправка пустой складской тары. Получение пустой заводской тары.
Укладка деталей для термической обработке в другой ГПС в заводскую тару.
Укладка готовых деталей в заводскую тару.
|
|
К7
|
Контроль
выходящих из ГПС партий и оформление сопроводительной документации
|
|
С8
|
Накопление
партии полуфабрикатов, подлежащих термической обработке, а также готовых
деталей в заводской таре в ожидании вывоза потребителями из ГПС.
|
|
С9
|
Накопление
пустой заводской тары в ожидании её заполнения готовыми деталями. Ожидание
пришедших в ГПС транспортных средств и заводской тары с момента готовности
партии к отправке из ГПС
|
|
С10
|
Накопление
пустой складской унифицированной тары
|
|
С11
|
Накопление
пустой технологической тары и пустых плит-спутников
|
|
T1
|
Перемещение
предметов производства в заводской таре
|
|
T2
|
Перемещение
предметов производства в складской таре
|
|
T3
|
Перемещение
предметов производства в транспортно-технологической таре
|
|
T4
|
Перемещение
предметов производства на плитах-спутниках
|
На участках от С1 до С3 в грузопотоке участвуют
заготовки и незавершенные изделия. Незавершенные изделия уже прошли часть
технологических операций и вернулись в наш цех после прохождения
термообработки. На участке от С6 до С8 имеем готовые изделия и незавершенные
изделия.
Фрезерные комплексы ИР320ПМФ4 имеют собственные
накопители, что позволяет нам отправлять плиты-спутники напрямую с участка
комплектации на ИР320ПМФ4, минуя склад. В третью смену, когда комплектация не
работает, комплексы ИР320ПМФ4 используют плиты-спутники как из накопителей, так
и со склада. За две смены участок комплектации должен заготовить оборотный
задел на третью смену и обеспечить текущие две смены.
Грузопоток через ГПС складывается из потоков на
отдельных участках или локальных грузопотоков. Различают локальные грузопотоки
внешние (прибытия и отправления грузов из ГПС) и внутренние (внутрисистемные).
.3.3 Расчет интенсивностей грузопотоков
Среднечасовая интенсивность грузопотока на
участках C1-К1-K2,
K6-К7-C8
определяется количеством общезаводских тар, доставляемых в ГПС поштучно, по
формуле:
, (3.17)
где
-
интенсивность грузопотока грузов
-го типоразмера (
),1/ч;
-
номенклатура грузов, проходящих через транспортно-складскую систему,
=10;
-
годовой грузопоток
-го груза, кг;
-
масса
-х
грузов в одном общезаводском поддоне, кг;
-
коэффициент неравномерности прибытия (отправления) грузов;
-
число дней (суток) работы ГАУ в году за исключением дней, отведенных на ППР;
-
режим сменности работы ОК;
- продолжительность
рабочей смены, ч.; "2" в выражении учитывается из-за того, что на
данных участках происходит движение как необработанных заготовок, так и
полуфабрикатов, прошедших частичную механообработку, а также термообработку за
пределами проектируемого участка.
Среднечасовая интенсивность на участках K2-C2,
K5-C7-K6
определяется количеством складских тар по формуле:
, (3.18)
где
-
масса
-х
грузов в одном складском поддоне, кг;
Среднечасовая интенсивность на участках C2-К3,
C2-K4
определяется количеством складских тар с необработанными заготовками:
,
Среднечасовая интенсивность грузопотока на
участке К3-СЗ-ТО(ток)-С4-К4 определяется количеством транспортно -
технологических тар,
. В потоке только
незавершенные изделия.
; (3.19)
где
-
масса i-х грузов в одном
транспортно-технологическом поддоне, кг.
время, отводимое
ежедневно на профилактику и диагностику оборудования ГПМ, ч. Примем Тпп равным
5% от продолжительности смены. Для трех смен Тпп = 3 • 8 • 0.05 = 1.2 ч.
Участок комплектации работает в 2 смены, а
станки в 3. Поэтому, надо за две смены заготовить количество поддонов, которое
обеспечит непрерывную обработку деталей на станках.
Выбранные в данной работе фрезерные станки ИР320ПМФ4
имеют собственные пристаночные накопители (4 шт/станок). Одновременно на
заданном количестве станков (23 шт) может находиться
спутника.
Если не учитывать наличие пристаночных
накопителей, то среднечасовая интенсивность грузопотока на участке
К4-С5-ТО(фрез)-С6 определялась бы массой i-ых грузов на столах-спутниках по
формуле:
; (3.20)
где
-
масса i-ой детали,
-
количество заготовок на спутнике,
-
количество спутников на транспортной таре.
Разделим поток
на
две части (
и
),
учитывая возможность полной занятости пристаночных накопителей станков. Введем
обозначение:
-максимальное число
спутников, помещающееся на пристаночных накопителях всех станков цеха.
Тогда:
Среднечасовая интенсивность грузопотока на
участке ТО(фрез)-К4 (возврат на перекомплектацию):
Среднечасовая интенсивность грузопотока на
участке С6-К4 (возврат на перекомплектацию):
,
.4 Определение параметров склада
.4.1 Определение общей вместимости склада
Общая вместимость склада (число складских
грузовых единиц) определяется по формуле
, (3.21)
где
-
число поддонов соответственно с заготовками и готовыми деталями, находящихся
одновременно на складе;
- число мест на
складе, необходимых для хранения оборотного задела заготовок в транспортно-технологической
таре;
коэффициент,
учитывающий необходимость хранения инструмента, приспособлений, технологической
оснастки, пустой тары и т.п.
Число мест на складе для поддонов с заготовками
определяется по формуле
, (3.22)
где
-
нормативный срок, в течение которого склад должен бесперебойно снабжать
заготовками производственный участок;
Число мест на складе для поддонов с готовыми
деталями определяется по формуле
, (3.23)
где
-
нормативный срок хранения готовых деталей на складе;
Число мест на складе, необходимых для хранения
оборотного задела заготовок в транспортно-технологической таре, определяется
максимальной величиной этого задела
, (3.24)
где
-
разница в режимах сменности работы ГПМ и ОК
= 115
3.4.2 Определение размеров стеллажного склада
Схема ячейки бесполочного стеллажа приведена на
рис. 3.4:
Рис.3.4 Ячейка бесполочного стеллажа
Высота яруса стеллажа определяется по формуле:
, (3.25)
где Н1 - высота поддона без учета
высоты его ножек в мм; h1 - высота ножек поддонов в мм;
мм;
е - расстояние по высоте от верха нижнего поддона до низа опорной поверхности в
мм; е = 100 мм
мм
Длина ячейки вдоль стеллажа определяется по
формуле
, (3.26)
где В- ширина поддона в мм;
-
зазор между поддоном и стойкой стеллажа в мм;
мм;
-
толщина стоек стеллажа в мм;
мм
мм
Ширина ячейки стеллажа
, (3.27)
где L- длина поддона в мм; а = 50 мм
мм
Длину и высоту стеллажа определим из следующих
соотношений

где y - число ячеек по длине стеллажа; z - число
ярусов по высоте стеллажа; hн - расстояние по вертикали от уровня
пола до опорной поверхности для грузовой единицы первого яруса в м;
н =
0,5 - 0,75 м
Решая систему уравнений
,
получаем z = 5, y
=32
мм
мм
Таким образом, стеллаж удовлетворяет параметрам
цеха (высота цеха равна 9 м).
.5 Определение параметров автоматических
транспортных устройств
.5.1 Выбор складского автоматического
стеллажного крана - штабелера
Складской автоматический стеллажный кран -
штабелер выбирается из приложения 2 [6, стр. 51] по грузоподъемности и высоте
подъема грузозахвата.
Выбираем кран - штабелер типа PCК-1000.
(Высота подъема груза H=6.6 м. Грузоподъемность Q=1.0 т.)
Необходимое число кранов - штабелеров
определяется по формуле
, (3.28)
где
-
потребная производительность складского крана - штабелера; tц
- среднее время цикла складского крана - штабелера при приеме - выдаче грузов; Kt
- коэффициент использования крана - штабелера во времени в течении смены в мин;
Kt
=
0,6 - 0,8
Потребная производительность складского
крана-штабелера:
Время цикла автоматического крана - штабелёра
определяется по формуле
, (3.29)
где tх
- время горизонтального перемещения в с; ty
- время вертикального перемещения грузозахвата в с;
-
постоянное дополнительное время в с.
, (3.30)
, (3.31)
где l
- длина горизонтального перемещения в м; h
- длина вертикального перемещения в м;
рабочие
скорости соответственно по горизонтали и по вертикали в м/с;
-
средние ускорения по горизонтали и по вертикали в
;
;
lg - длина пути на доводочной скорости по горизонтали и по вертикали в
с
с
где
-
время выдвижения грузозахвата в с;
с
величина
выдвижения грузозахвата в м;
; V3 -
скорость выдвижения грузозахвата в м/с
- время подъема и
опускания грузовой единицы на доводочной скорости в с;
с
- время
срабатывания приборов автоматического управления и корректирования положения
относительно точки позиционирования в с;
с
Таким образом, получаем
Тогда
Количество кранов - штабелеров
.5.2 Выбор транспортного робота
Потребное число транспортных роботов для
обслуживания гибкого участка зависит от числа перемещений тар с заготовками и
деталями со станка на станок в течение заданного промежутка времени, т.е. от
маршрута обработки деталей на технологических модулях и числа обрабатываемых
грузовых единиц.
Число транспортных роботов определяется по формуле:
(3.32)
где
-
среднее время цикла транспортного робота при перемещении с (i-1)-й на i-ю
позицию при последовательной обработке деталей в мин; К - число адресов
доставки грузовых единиц на производственном участке;
-
коэффициент использования транспортных роботов по времени;
;
n - число поддонов в
транспортной партии.
Среднее время цикла транспортного робота при
перемещении с (i-1)-й на i-ю позицию определяется по формуле:
(3.33)
где
-
средняя длина перемещении с (i-1)-й группы станков на i-ю в м;
-
скорость движения робота в м/с;
- среднее ускорение
транспортого робота в
;
;
-
длина пути на доводочной скорости в
;
-
время загрузки и разгрузки транспорного робота.
Среднее время цикла транспортного робота,
обслуживающего фрезерные станки:
;
Среднее время цикла транспортного робота,
обслуживающего токарные РТК:
;
Таким образом,
число транспортных роботов, обслуживающих
фрезерные РТК:
;
число транспортных роботов, обслуживающих
токарные РТК:
;
.6 Компоновка участка
Последним этапом этой части бакалаврской работы
являлась разработка компоновочного решения автоматизированного участка
механообработки. Для выбора оптимального решения предлагалось сделать минимум
два варианта.
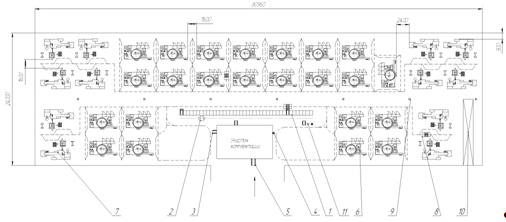
Вариант №1. Станки в основном расположены по
ширине участка. Четыре фрезерных станка расположены между колоннами. Соблюдены
минимальные расстояния между стеной участка и станками (900 мм). Общая длина
89550 мм.
Вариант №2. Станки расположены по длине участка
(кроме одного фрезерного комплекса) в четыре ряда. Расстояния между станками
минимизированы. Расстояния между стеной участка и станками 900 мм. Общая длина
80960 мм.
Как видно из сравнения, лучшим вариантом
компоновки оказался вариант №2. (Меньше общая длина участка и больше
коэффициент использования производственной площади)
Окончательные параметры участка:
L=80.96 м
B=24.00 м
H=9.00 м
Рис.3.5 Вариант №1 компоновки участка
Рис.3.6 Вариант №2 компоновки участка
4. Проектирование мостового крана
В данной главе приведён расчёт основных
параметров мостового крана, который установлен на спроектированном в главе 3
автоматизированном участке механообработки зубчатых колес.
Крюковые краны предназначены
для подъема и перемещения грузов на складах и производственных помещениях,
специальные краны.
Параметры, характеризующие
условия применения кранов:
а) температура окружающего
воздуха - от минус 40°С до плюс 40°С (другие параметры температур
согласовываются с заказчиком);
б) относительная влажность
воздуха - не более 80% при температуре 20°С;
в) высота над уровнем моря - не
более 1000 м;
г) для кранов, работающих на
открытом воздухе, допускается скорость ветра для рабочего состояния - не более
14 м/с, а для нерабочего - не более 27 м/с.
Остальные климатические факторы
внешней среды для районов с умеренным климатом - по ГОСТ 15150-69.
Мостовые электрические краны
являются унифицированными балочными машинами. Механизмы и металлоконструкции их
состоят из отдельных узлов, блоков, представляющих собой отдельные сборочные
единицы, обеспечивающие возможность быстрой сборки всех частей крана. Узлы
механизмов, в основном, однотипны для всех кранов.
На рис.4.1 приведена схема мостового крана.
Рис.4.1. Схема проектируемого мостового крана
В соответствии с заданием на бакалаврскую работу
кран имеет следующие характеристики:
§ грузоподъемность Q=10 т;
§ пролет L=12 м;
§ высота подъема h=10 м;
§ группа режима работы 4К;
§ род тока переменный 380 в.
Характеристика механизмов:
|
Наименование
механизма
|
Группа
режима работы
|
ПВ,
%
|
Скорость,
м/мин или об/мин
|
|
Механизм
подъёма
|
4М
|
40
|
15
|
|
Механизм
передвижения тележки
|
3М
|
40
|
36
|
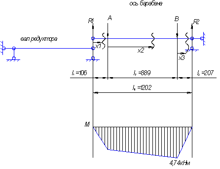
.1 Расчет механизма подъёма
Принимаем следующую схему механизма подъёма
(рис.4.2.)
Рис.4.2. Схема механизма подъёма
- редуктор; 2 - двигатель; 3 - барабан
Для механизмов подъема, расположенных на
тележке, целесообразно располагать двигатель и барабан с одной стороны от
редуктора. В этом случае компоновка получается более компактной.
.1.1 Выбор типа и кратности полиспаста, расчет и
выбор каната, определение размеров барабана и блоков
Выбор каната производится по величине разрывного
усилия каната в целом:
, (4.1)
где Smax
- наибольшее натяжение ветви каната; ZP
- минимальный коэффициент использования каната (минимальный коэффициент запаса
прочности каната).
Коэффициент запаса принимается в соответствии с
группой режима работы механизма. В соответствии с заданием на бакалаврскую
работу группа режима работы механизма подъема 4М (по ГОСТ 25835). Эта группа
соответствует группе М6 по ИСО 4301/1. [8, стр.8]
Следовательно, ZP
=
5,6. Наибольшее натяжение ветви каната
, (4.2)
где Q - грузоподъемность крана, Q=10 т;-
ускорение свободного падения; g≈10 м/с2;- кратность
полиспаста;
а - число полиспаста;
ηпол
- КПД полиспаста.
Для кранов мостового типа с тележками
обязательно применение сдвоенных полиспастов. (рис.4.3)
Рис. 4.3. Схема сдвоенного полиспаста
Применение такого типа полиспастов обеспечивает
постоянство давлений на опоры барабана во время подъема или спуска груза, а
соответственно и равномерную загрузку металлоконструкции моста по обоим
рельсам. Также в конструкции сдвоенного полиспаста присутствует уравнительный
блок, который предназначен для выравнивания длины ветвей каната при их
неравномерном вытягивании.
Таким образом, выбираем полиспаст сдвоенный
кратностью m=2.
Определим КПД полиспаста:
, (4.3.)
где t-количество обводных блоков; t=0.
Коэффициент полезного действия канатных блоков
при угле обхвата
и при
использовании подшипников качения можно принять
.[10,
стр. 271]
Получаем, что
.
Разрывное усилие каната вцелом:
.
Выбираем канат двойной свивки типа ЛК-Р, 6×19
с
одним органическим сердечником, ГОСТ 2688-80, ø16,5
мм, маркировочная группа 1666 МПа (170 кгс/мм2), F0
не
менее 147,5 кН.[10,стр. 246]
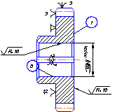
Рис. 4.4. Сечение каната
Минимальный диаметр по дну канавки барабанов Dб,
блоков Dбл и
уравнительных блоков Dу.бл,
огибаемых стальными канатами, определяется по формулам:
, (4.4)
, (4.5)
, (4.6)
где dк
- диаметр каната; h1,
h2,
h3
- коэффициенты выбора соответственно барабана, блока и уравнительного блока [8,
стр.8].
Получаем:
,
,
.
Принимаем
Рабочее число витков нарезки барабана
рассчитывается по формуле

(4.7).
где Н - высота подъема крюка.
Подставляем все значения в формулу (4.7). Получаем:
Принимаем
16.
Общее число витков:
, (4.8)
Таким образом,
.
Шаг навивки каната
(4.9)
Длина нарезанной части барабана:
(4.10)
Длина гладкой части барабана:
. (4.11)
Длина центральной части барабана:
. (4.12)
Общая длина барабана:
(4.13)
Рис.4.5 Расчетная схема барабана
Рекомендуется, чтобы выполнялось условие
.
В этом случае барабан выбирают из расчета только на сжатие.
В нашем случае
.
Условие выполняется.
Для изготовления барабана возьмем сталь ВМСт3сп:
для группы режима 4М,
МПа [10]
При отношении
значение
следует
уменьшать;
.
Так как
уменьшаем
на
5 %, [10, стр.260]. Таким образом,
МПа.
Приближенно толщину цилиндрической стенки
барабана можно определить по формуле [11, стр.120]:
, (4.14)
мм
Влияние деформации стенки и каната учитывается
коэффициентом
, (4.15)
где
-
толщина стенки барабана, принимается равной
;
-
модуль упругости стенки барабана,
для
сварных стальных барабанов;
- модуль упругости
каната,
для
шестипрядных канатов с органическим сердечником.
Окончательная толщина стенки определяется по
формуле [11, стр.121]:
, (4.16)
Принимаем:
Расчет барабана на сжатие выполняется по формуле
, (4.17)
где
-
коэффициент снижения нагрузки под влиянием деформаций каната и стенки барабана;
n -число слоев навивки слоев каната. При однослойной навивке каната
Выполним проверку барабана на сжатие:
, проверка
выполняется.
.1.2 Определение КПД механизма, потребной
статической мощности и выбор двигателя
Статическая мощность двигателя N, кВт, при
подъеме груза G0 со
скоростью vп. равна
, (4.18)
где ηмех
- общий КПД механизма подъема, равный
, (4.19)
где ηред
- КПД редуктора, ηред
= 0,96 [10,стр. 216]; ηб
- КПД барабана, ηб
= 0,98, ηп
- КПД полиспаста, ηпол
= 0,99, ηбл
- КПД блока,
.
Подставляя значения в выражение (4.19), получаем
.
Таким образом,
.
По табл.II.1.11[9,стр 240] c учетом ПВ = 40% и
статической мощности, выбираем двигатель типа МТF 412-6:
об/мин; КПД = 85.5
%; Ммах = 932 Н·м; N =30 кВт; момент инерции Jр
= 0,675 кг·м2; m=345кг.
.1.3 Определение числа оборотов барабана,
передаточного числа механизма подъема и момента на тихоходном валу
Число оборотов барабана барабана nб
, об/ мин,
.
(4.20)
Передаточное число лебедки
(4.21)
Вращающий момент на тихоходном валу определяется
по формуле:
(4.22)
По табл. V.1.43 [10, стр.218] выбираем редуктор
типа Ц2-500: u=40; МТ =21,2 кН·м при nб=16
.
Но при дальнейшей компоновке механизма подъема
межосевого расстояния 500 мм редуктора Ц2-500 недостаточно, поэтому, для
увеличения этого расстояния выбираем Ц2-650, с межосевым расстоянием 650 мм.
Ц2-650: u=40; МТ =42,5 кН·м
.1.4 Выбор тормоза и муфты
Тормоз выбирают по тормозному моменту Мт,
нужному для удержания неподвижно висящего груза, с коэффициентом запаса
торможения kт
. (4.23)
Для группы режима 4М работы механизма примем
.
Таким образом,
.
По табл. V.2.20 [10, стр.284] выбираем тормоз
типа ТКГ-300 DШ
= 300 мм; Мт =800 Н·м.
Муфту выбираем в зависимости от передаваемого
вращающего момента и условий работы по формуле
, (4.24)
где Мр - расчетный вращающий момент;
k - коэффициент
запаса прочности;
, (4.25)
- коэффициент,
учитывающий степень ответственности соединения;
- коэффициент
режима работы;
- коэффициент
углового смещения;
Подставляем значения коэффициентов в формулу
(4.25):
Мк - действующий вращающий момент;
действующий
(табличный) момент, который способна передавать муфта.
. (4.26)
Таким образом,
.
Используя полученные значения, по табл. V.2.41
[10, стр.308] выбираем втулочно-пальцевую упругую муфту ОСТ 24.848.03-79,
номинальный вращающий момент для которой Мк =1000 Н·м; тормозной
момент Мт =420 Н·м; момент инерции Jм
= 1,5 кг·м2; m=43 кг .
4.1.5 Проверка выбранного двигателя и тормоза
Проверку двигателя по времени пуска t, с при
подъеме груза выполняют по формуле
, (4.27)
где
-
моменты инерции ротора двигателя и тормозной муфты, кг ·м2; Q0
и
G0 -
масса (кг) и вес (Н) груза;
скорость подъема,
м/с; nдв
в об/мин;
- средний пусковой
момент двигателя, Н·м;
Мн - номинальный момент двигателя,
Н·м;
(4.28)
ψ - кратность среднего
пускового момента двигателя, ψ = 1,5.
Время пуска соответствует рекомендациям [10,стр.
397 ] (tп=1…2
c.)
Время торможения tт, при спуске груза
находим по формуле:
, (4.29)
Время торможения также соответствует
рекомендациям [10, стр.397] (tт
tп
)
.2 Расчет механизма передвижения тележки
.2.1 Выбор диаметра ходовых колес и их расчет на
контактную долговечность
Приближенно масса тележки с колесным приводом
передвижения может быть определена по формуле [8, стр. 9]:
, (4.30)
где Q - грузоподъемность крана,т.
.
Выбираем число колес тележки:
(по
2 приводных и по 2 холостых).
Нагрузка на каждое колесо:
(4.31)
Ходовые колеса крановых тележек обычно
изготавливают двухребордными [3,стр.311].
По табл. V.2.47 [10, стр.319], выбираем диаметр
D дорожки катания колеса. Принимаем D=25 см.
Соответствующий тип рельса с выпуклой головкой
Р24 ГОСТ 6368-82.
Напряжения в контакте обода колеса и рельса с
выпуклой головкой [10, стр.320]:
, (4.32)
где К- коэффициент, зависящий от отношения
радиуса закругления головки рельса
к
диаметру колеса
[10,cтр.320];
- коэффициент,
учитывающий влияние касательной нагрузки на напряжения в контакте; в закрытом
помещении, при
,
[10,
стр.320];
-коэффициент
динамичности пары колесо - рельс:
, (4.33)
где
-
коэффициент, зависящий от жесткости кранового пути (рельсы на металлических
балках) [10,
с.320];
;
Подставляя все значения в формулу (4.32),
получаем:
Эти напряжения не должны превышать допускаемые
напряжения
при приведенном числе
оборотов колеса N за срок службы:
, (4.34)
где
-допускаемые
напряжения при N
, МПа.
Для изготовления колес тележки выбираем Сталь 45
ГОСТ 1050-74. Тогда
МПа.
Приведенное число оборотов колеса за срок
службы:
, (4.35)
где
-
коэффициент приведенного числа оборотов;
=0,16
- полное число
оборотов колеса за срок службы, определяемое по формуле:
, (4.36)
где D-диаметр колеса, см;D=25 см;
-усредненная
скорость передвижения колеса, м/с, определяемая по формуле:
(4.37)
где
-коэффициент,
зависящий от отношения времени неустановившегося движения
(суммарного
времени разгона и торможения) к полному времени передвижения t;
-номинальная
скорость передвижения м/с;
Тогда
-машинное время работы
колеса в часах за срок его службы. Исходя из группы режима работы 4М,
принимаем:
=3200 ч.,
ориентировочный срок службы 8 лет. [10,стр.322]
Подставляя все значения в формулу (4.36),
получаем:
В итоге приведенное число оборотов колеса за
срок службы составит:
Подставляя полученные значения в (4.34),
получаем, что допускаемые напряжения
при
приведенном числе оборотов колеса N за срок службы:
460 МПа.
Напряжения в контакте обода колеса и рельса с
выпуклой головкой меньше допускаемых. Проверка на контактную долговечность
выполняются.
4.2.2 Определение сопротивлений передвижению
Статическое сопротивление передвижению Wc
состоит из сопротивления от трения в ходовых частях Wтр и от уклона
пути Wу на угол β:
. (4.38)
Сопротивление от трения в ходовых частях на
прямолинейном участке пути определяется по формуле:
, (4.39)
где ω - коэффициент
сопротивления движению на прямолинейном участке пути
, (4.40)
где
коэффициент
трения подшипников, приведенный к цапфе колеса; принимаем
[10,
стр.237];
- диаметры колеса и
его цапфы,
мм;
;-
коэффициент трения качения стальных колес по рельсам; f
= 0,4 для cкругленной головки
рельса[10, стр. 421];
коэффициент,
учитывающий трение реборд и ступиц колес;
[10,
стр. 422];
Таким образом,
.
Подставляя полученные значения в выражение
(4.39), получаем:
Сопротивление движению от уклона пути Wу рассчитывается
по формуле:
, (4.41)
где i=0,001
- уклон пути для мостовых кранов [10, стр.423].
.
Подставляя полученные значения в выражение
(4.38) находим статическое сопротивление передвижению:
.
4.2.3 Выбор двигателя
Статическая мощность двигателя Nс,
кВт, при установившемся движении на подъем равна
, (4.42)
где
-
посчитанное в п.4.2.2. статическое сопротивление передвижению, Н; v
- номинальная скорость движения тележки, м/с; η
- общий КПД механизма передвижения; η
=0,8.
Таким образом,
.
При больших силах инерции (больших скоростях) и
малых сопротивлениях мощность двигателя вычисляют по формуле:
, (4.43)
где ψ
-кратность среднего пускового момента двигателя, ψ =1,5; Ри
- сила инерции масс крана
(4.44)
- время разгона
механизма до номинальной скорости v, c; принимаем для тележки
.
Подставляя полученные значения в формулу (4.43),
получаем
.
Таким образом, по табл. II.1.11
[9,стр. 240] выбираем двигатель типа МТF 012-6:
об/мин;
КПД = 64,0 %; Ммах = 56 Н·м ; N =2,2 кВт; момент инерции Jр
= 0,029 кг·м2; m=58кг.
4.2.4 Выбор редуктора
Номинальная частота вращения колеса nк,
об/ мин, равна:
.
(4.45)
Передаточное число механизма равно:
. (4.46)
Вращающий момент на тихоходном валу определяется
по формуле:
. (4.47)
По табл. V.1.49, [10, стр. 222], выбираем
редуктор типа ВКУ-500М: u=20; МТ =3,3 кН·м
При компоновке необходимо добиться, чтобы
действительная скорость тележки не отличалась от заданной более чем на 10%,
т.е.:
, (4.48)
где
-
заданная скорость тележки;
- действительная
скорость тележки
, (4.49)
где
-
действительная частота вращения колеса тележки
;
;
тогда, подставив в формулу (4.48) значения, получим:
.
Действительная скорость тележки отличается от
заданной на 3.3%. Окончательно принимаем для механизма передвижения тележки
редуктор ВКУ-500М: u=20; МТ =3,3 кН·м
.2.5 Выбор тормоза и муфты
Муфту выбираем в зависимости от передаваемого
вращающего момента и условий работы по формуле
, (4.50)
где Мр - расчетный вращающий момент;
-
коэфициент запаса прочности,
- коэффициент,
учитывающий степень ответствености соединения при II
случае нагрузки;
- коэффициент
режима работы при II
случае нагружения;
- коэффициент
углового смещения;
; Мк -
действующий вращающий момент;
действующий
(табличный) момент, который способна передавать муфта.
.
Таким образом,
.
По табл. V.2.41
[10,стр.308] выбираем втулочно-пальцевую муфту ОСТ 24.848.03-79, номинальный
вращающий момент для которой Мк = 250 Н·м; тормозной момент
Мт =160 Н·м; момент инерции Jм
= 0,24 кг·м2; DШ
= 200 мм; m=13,5 кг.
Тормозной момент на валу двигателя определяется
по формуле:
, (4.51)
, (4.52)
.
По табл. V.2.20 [10, стр. 280], выбираем тормоз
типа ТКТ-200/100 DШ
= 200 мм; Мт = 40 Н·м
4.2.6 Проверка выбранного двигателя и тормоза
Проверку двигателя по времени разгона tр
тележки до номинальной скорости вверх по уклону выполняют по формуле:
, (4.53)
где nдв
- номинальная частота вращения двигателя, об/мин;
-
моменты инерции ротора двигателя и тормозной муфты, кг ·м2;
-
средний пусковой момент двигателя, Н·м; Мн - номинальный момент
двигателя, Н·м; ψ = 1,5 кратность
среднего пускового момента двигателя.
.
Время торможения tт , с, находят по
формуле
, (4.54)
4.2.7 Проверка двигателя на кратковременную
перегрузку
Проверим двигатель на кратковременную перегрузку
при возросших статических сопротивлениях в условиях установившегося движения
, (4.55)
где
-
максимальный момент двигателя
- момент при
кратковременной перегрузке
, (4.56)
.
Двигатель выдержит кратковременную перегрузку.
.2.8 Проверка отсутствия буксования при разгоне,
торможении и работе тележки
Запас сцепления
ходовых
колес, при допускаемом запасе сцепления [kcц]=1,2;
[10,
стр.425];
Проверка отсутствия буксования при разгоне
тележки
Запас сцепления с грузом:
, (4.57)
- коэффициент
сцепления приводных колес с рельсом (для кранов, работающих в закрытом
помещении)
=0,2 [3,
стр.425]);
, (4.58)
- минимальное
значение коэффициента сопротивления передвижению:
, (4.59)
где
-
диаметр цапфы;
- коэффициент
трения шариковых подшипников, приведенный к цапфе колеса;
- коэффициент
трения качения стальных колес диаметром 200 мм по рельсу с выпуклой головкой [10,
стр.421];
- диаметр колеса;
;
Запас сцепления без груза:
, (4.60)
, (4.61)
, (4.62)
Как видим из двух неравенств, коэффициент запаса
сцепления приводных колес с рельсами превышает минимально допустимый,
следовательно, соблюдается условие отсутствия буксования при разгоне.
Проверка отсутствия буксования при торможении
тележки
Запас сцепления с грузом:
, (4.63)
, (4.64)
, (4.65)
Запас сцепления без груза:
, (4.66)
, (4.67)
Как видим из двух неравенств, коэффициент запаса
сцепления приводных колес с рельсами превышает минимально допустимый,
следовательно, соблюдается условие отсутствия буксования при торможении.
Проверка отсутствия буксования при работе
тележки
Максимальное ускорение тележки при ее разгоне:
, (4.68)
- реальные
ускорения тележки при ее разгоне
, (4.69)
Максимальное ускорение тележки при ее
торможении:
, (4.70)
- реальные
ускорения тележки при ее торможении
, (4.71)
Как видим из двух неравенств, ускорений тележки
не превышает максимально допустимых значений, следовательно, соблюдается условие
отсутствия буксования при работе тележки.
.3 Проверочные расчеты элементов тележки крана
.3.1 Проверка крепления каната к барабану
В качестве крепления каната к барабану выберем
одну накладку (с каждой стороны) с двумя шпильками и трапецеидальной формой
канавок:
Рис.4.6 Накладка
В этом случае натяжение каната перед накладкой:
, (4.72)
где
-
максимальное рабочее натяжение в канате при подъеме груза,
- минимальный
коэффициент трения между канатом и поверхностью барабана;
рад - минимальный
угол обхвата барабана неприкосновенными витками;
Подставляя все значения в формулу (4.72),
получаем:
.
Допускаемое напряжение растяжения в шпильке:
, (4.73)
где
-
запас прочности;
- предел текучести
для шпилек, изготовленных из стали 09Г2С-12;
.
Усилие, растягивающее каждую шпильку:
, (4.74)
где
-
диаметр шпильки;
- запас надежности
крепления каната к барабану, учитывающий возможные отклонения фактического
значения коэффициента трения от расчетного и влияние динамических нагрузок;
.
Рис.4.7 Крепление каната к барабану
При данном способе крепления канат на барабане
удерживают три силы:
·
-
сила трения между канатом и накладкой, а так же канатом и барабаном на участке
АБ (рис.4.7) под планкой:
, (4.75)
где
-
приведенный коэффициент трения между канатом и накладкой;
.
- сила трения между
канатом и барабаном на участке БВ (рис.4.7)
(4.76)
где
-
угол обхвата барабана витком каната от точки Б до точки В
.
·
-
сила трения под накладкой на участке ВГ (рис.4.7)
.
При удержании каната на барабане должно
соблюдаться равенство силы натяжения каната и сил трения:
Следовательно, канат будет удерживаться на
барабане.
.3.2 Проверка оси барабана
Оси работают только на изгиб.
Рис.4.8. Эскиз оси барабана
Условие прочности на изгиб:
(4.77)
Рис. 4.9. Схема нагружения оси барабана.
Из схемы нагружения найдем максимальный момент
- реакция левого
подшипника определяется из уравнения моментов относительно точки 2
.
- реакция правого
подшипника определяется из уравнения моментов относительно точки 1
.
,
Условие уравновешивания сил выполняется, значит
выбранная схема нагружения оси барабана правильная.
.
- осевой момент
сопротивления ослабленного шпоночным пазом сечения оси:
, (4.78)
где
-
диаметр опасного сечения;
- ширина шпоночного
паза;
- глубина
шпоночного паза;
;
- допускаемые
напряжения
где
-
предел текучести для стали 45;
- запас прочности
для поковки;
;
.
Построим эпюру изгибающего момента:
Рис. 4.10. Эпюра изгибающего момента
.3.3 Расчет болтов барабана
Производим расчет болтов. Болты следует
рассчитать на срез, поскольку они устанавливаются без зазора.
Рис. 4.11 Расчетная схема болтового соединения
Условие прочности на срез для болтов,
установленных без зазора имеет вид:
, (4.79)
где
-
сила, действующая на один болт:
(4.80)
где
-
вращающий момент на барабане;
- количество
болтов;
- диаметр
расположения болтов;
;
- диаметр болта
- допускаемые
касательные напряжения
где
-
предел текучести для болтов из стали 45Х;
;
Условие прочности на срез выполняется.
Условие прочности на смятие представляет собой
условие несминаемости:
, (4.81)
где
-
допускаемые напряжения смятия
Условие несминаемости выполняется.
.3.4 Проверка подшипников качения
§ Проверка по динамической грузоподъемности
(подшипник правой опоры барабана)
Условие работоспособности подшипника:
, (4.82)
где
-
паспортная динамическая грузоподъемность;
- потребная
динамическая грузоподъемность:
, (4.83)
где
-эквивалентная
нагрузка:
- условная
радиальная нагрузка при вращающемся внутренним кольцом и неподвижным наружным
для радиальных и радиально-упорных подшипников:
, (4.84)
где
-
радиальная нагрузка;
- осевая нагрузка;
- коэффициент
радиальной динамической нагрузки;
- коэффициент
осевой динамической нагрузки;
- коэффициент
вращения;
- коэффициент
безопасности, учитывающий характер нагрузки на подшипник;
- температурный
коэффициент;
- показатель
степени;
- ресурс в
миллионах оборотах:
, (4.85)
где
-
частота вращения;
- ресурс в часах;
- коэффициент
надежности
- обобщенный
коэффициент совместного влияния качества металла и условий эксплуатации
- паспортная
динамическая грузоподъемность для шарикового радиального двухрядного
сферического подшипника 1218;
- радиальная
нагрузка на подшипник;
- осевая нагрузка
на радиальный подшипник;
- коэффициент
радиальной динамической нагрузки;
- коэффициент
осевой динамической нагрузки;
- коэффициент
вращения при вращающемся внутреннем кольце;
- коэффициент
безопасности при умеренных толчках;
- температурный
коэффициент при температуре до 100°С;
;
- показатель
степени для шариковых подшипников;
- частота вращения
барабана;
- ресурс в часах
;
- коэффициент
надежности;
- обобщенный
коэффициент для шариковых сферических двухрядных подшипников при обычных
условиях применения;
.
Динамическая нагрузка на подшипник не превышает
паспортной, при которой подшипник становится неработоспособным.
§ Проверка по статической грузоподъемности
(подшипник левой опоры барабана)
Условие работоспособности подшипника:
(4.86)
- паспортная
статическая грузоподъемность для шарикового радиального двухрядного
сферического подшипника 1218;
- эквивалентная
статическая нагрузка
(4.87)
- коэффициент
радиальной статической нагрузки
- коэффициент
осевой статической нагрузки
- радиальная
нагрузка на подшипник;
- осевая нагрузка
на радиальный подшипник;
Статическая нагрузка на подшипник не превышает
паспортной, при которой подшипник становится не работоспособным.
.3.5 Проверка валов приводных колес тележки
На практике установлено, что для валов основным
видом разрушения является усталостное. Статическое разрушение наблюдается
значительно реже. Поэтому для валов расчет на сопротивление усталости
(выносливость) является основным.
Проверку статической прочности производят в
целях предупреждения пластических деформаций и разрушений с учетом кратковременных
перегрузок (например, пусковых и т.д.).
Условие прочности:
, (4.88)
- напряжения от
изгибающего момента:
, (4.89)
- максимальный
изгибающий момент:
(4.90)
Рис.4.12 Схема нагружения вала приводного колеса
- реакция в
подшипниковой опоре,
где
-
равнодействующая сила,
Рис.4.13 Вид колеса сбоку
- сила сцепления
приводного колеса с рельсом:
, (4.91)
- минимальное
значение коэффициента сопротивления передвижению;
- коэффициент,
учитывающий трение реборд о рельсы;
Из формулы (4.91) получаем, что
Тогда
- осевой момент
сопротивления изгибу ослабленного шпоночным пазом сечения вала приводных колес:
, (4.92)
- диаметр опасного
сечения
- ширина шпоночного
паза
- глубина
шпоночного паза
- напряжения от
крутящего момента:
, (4.93)
- крутящий момент:
; (4.94)
- полярный момент
сопротивления кручению ослабленного шпоночным пазом сечения вала приводных
колес:
; (4.95)
- допускаемые
напряжения,
- предел текучести
для стали 45;
- запас прочности
для поковки;
.
;
Условие прочности выполняется.
.4 Расчет пролетной балки мостового крана
Мост крана представляет собой жесткую
металлическую сварную конструкцию, состоящую из двух пролетных и двух концевых
балок коробчатого сечения, опирающуюся на ходовые колеса, которые приводятся в
действие механизмом передвижения.
Приближенно масса мостового крана с пролетом не
более 30 м и грузоподъемностью 5-15 т может быть определена по формуле [1, стр.
9]:
, (4.96)
где Q - грузоподъемность крана,т.
.
Тогда вес крана
В качестве грузозахватного устройства выбираем
по режиму работы 4М заготовку однорогого кованого или штампованного крюка 16
ГОСТ6627-74.[3,стр.340]
Масса крюка mкр=18кг.
Вес крюка
Вес груза на канатах
Расчет балки производим для нагрузок II
расчетного случая.
Суммарная нагрузка от крана, тележки и груза:
Необходимо спроектировать сечение балки
коробчатого типа.(рис.4.14)
Рис.4.14 Коробчатое сечение балки крана
- высота сечения;
-
ширина пояса;
- расстояние между
стенками;
- толщина стенки;
-
толщина пояса.
Материал балки сталь 09Г2С.
Предел текучести
Коэффициент запаса n=1.4
Предварительно высота сечения балки равна:
Принимаем
Толщину стенки выбираем из диапазона 4…8 мм
Принимаем
Рис.4.15. Схема нагружения главной балки крана
Выбираем параметры пояса сечения:
толщина пояса
;
ширина пояса
.
Расстояние между стенками:
Уточненный момент инерции для данного сечения:
Момент сопротивления:
Проверочный расчет сечения балки на прочность:
(4.97)
Условие прочности в опасном сечении для
спроектированной коробчатой балки выполняется.
Окночательно принимаем сечение балки с
параметрами:
h=700 мм
b1=364
мм
bf=400
мм
tw=6
мм
tf=6
мм
Рис.4.16. Сечение главной балки крана
5. Система управления краном
В данной главе приведено описание блок схемы
системы управления мостовым краном, спроектированном в главе 4.
Систему управления краном функционально можно
разделить на четыре части:
сенсорика
логические устройства
усилители мощности
исполнительный механизм
Сенсорика включает в себя датчики,
предотвращающие аварийные режимы крана.
Датчики устанавливаются на металлоконструкциях и
обесточивают соответствующий механизм при срабатывании.
Логические устройства представляют собой
механизм для непосредственного управления краном: выбора скорости подъема или
опускания груза, скорости передвижения крана и тележки. В качестве логического
устройства может быть как простейшая "жесткая" логика с необходимыми
блокировками кнопочных пультов, так и микропроцессорные комплексы с
возможностью отрабатывать управляющие программы, адаптируясь к внешним условиям
и внутреннему состоянию механизмов оборудования. Логические устройства на
основании получаемой информации и имеющихся ограничений вырабатывает
необходимое множество управляющих воздействий для исполнительных механизмов.
Однако мощности этих воздействий, как правило, не достаточно для работы
большинства исполнительных механизмах и требуется устройство, которое сможет
сигнал слабой мощности от логического устройства преобразовать в воздействие,
пропорциональное управляющему сигналу и достаточное для работы данного
исполнительного механизма. Такие устройства называются усилителями мощности.
Усилитель мощности состоит из контакторов и
служит для коммутации электрических цепей большой мощности по средствам
маломощного сигнала управления, поступающего с контроллеров соответствующего
механизма. Выбор усилителя мощности должен обеспечить срабатывание
исполнительного механизма по мощности и удовлетворять требованиям управляемости
от логического устройства по согласованности входных и выходных характеристик
(нагрузочные способности и напряжение) усилителя мощности и логического устройства.
Исполнительные устройства - это электрические
механизмы, необходимые для преобразования электрической энергии в механическую.
Электродвигатель создает необходимый крутящий момент на валу редуктора, а
тормоз соответственно- тормозной.
На блок-схеме не отражены вспомогательные
электрические устройства (лампы освещения кабины, рабочей зоны, обогреватели),
но они так же предусмотрены в устройстве крана.
Подвод питания к мостовому крану гибкий. На
тележку питание подается при помощи гибкого кабеля.
Заключение
В выпускной работе бакалавра спроектирована
логистическая система автоматизированного участка механообработки.
Выбрано технологическое оборудование
механообработки. Транспортирование грузовых единиц в пределах ГПС
осуществляется автоматическими транспортными устройствами: кранами -
штабелерами, обслуживающими стеллажный склад, и транспортными роботами.
Рассчитан мостовой кран, обслуживающий участок
комплектации цеха. Произведен проектировочный расчет механизмов подъема,
передвижения тележки и крана. Работоспособность некоторых узлов механизмов и
металлической конструкции подтверждена прочностными расчетами.
Разработаны вопросы системы управления краном.
Установлены датчики, предотвращающие аварийные режимы крана.
Список литературы
. Технология машиностроения. Часть
I: Учебное пособие / Э.Л. Жуков, И.И Козарь, Б.Я. Розовский, В.В Дегтярев, А.М.
Соловейчик; под ред. СЛ. Мурашкина. С-Пб.: изд-во СПбГТУ, 2007.190с.
. Технология машиностроения. Часть
П: Учебное пособие / Э.Л. Жуков, И.И Козарь, Б.Я. Розовский, В.В Дегтярев, A.M.
Соловейчик; под ред. С.Л. Мурашкина. С-Пб.: изд-во СПбГТУ, 2007. 498с.
. Технология машиностроения. Часть
Ш: Учебное пособие / Э.Л. Жуков, И.И Козарь, Б.Я. Розовский, Н.Н. Шипилов, В.В
Дегтярев, А.М. Соловейчик; под ред. С.Л. Мурашкина. С-Пб.: изд-во СПбГТУ, 2007.
59с.
. Справочник
технолога-машиностроителя. В 2-х т. T.I
/ Под ред. А.Г Косиловой и Р.К. Мещерякова. - 4-е изд., перераб. и доп. - М.:
Машиностроение, 1986. 496с.
. Справочник
технолога-машиностроителя. В 2-х т. Т.2 / Под ред. А.Г Косиловой и Р.К.
Мещерякова. - 4-е изд., перераб. и доп. - М.: Машиностроение, 1986. 496с.
. Логистика.
Организационно-техническое проектирование микрологистической производственной
системы: Методические указания / Сост.: Е.П. Кукушкина, В.М. Макаров, С.Ф.
Пилипчук. СПб.: Изд-во Политехн. Ун-та, 2006, 55с.
. Роботизированные технологические
комплексы и гибкие производственные системы в машиностроении: Альбом схем и
чертежей: Учеб. пособие для втузов/Ю.М.Соломенцев, К.П.Жуков, Ю.А.Павлов и др.;
Под общ.ред.Ю.М.Соломенцева.-М.:Машиностроение,1989.-192 с.:ил.
. Выпускная работа бакалавра: Учеб.
пособие для студентов кафедры "Подъемно-транспортные и строительные
машины", обучающихся по циклу специальных дисциплин "Проектирование
машин" / А.Н. Орлов, С.А.Соколов, В.С.Бурлуцкий -СПб.: Изд-во СПбГТУ,
1999. 48 с.
. Справочник по кранам. В 2 т.: Т.1.
Характеристики материалов и нагрузок. Основы расчета кранов, их приводов и
металлическихконструкций/В.И.Брауде, М.М.Гохберг, И.Е.Звягин и др.; Под общ.
ред. М.М.Гохберга.- Л.: Машиностроение. Ленингр. отд-ние, 1988.- 536с.: ил.
. Справочник по кранам. В 2 т.: Т.2.
Характеристики и конструктивные схемы кранов. Крановые механизмы, их детали и
узлы. Техническая эксплуатация кранов /М.П.Александров, М.М.Гохберг, А.А.Ковин
и др.; Под общ. ред. М.М.Гохберга.- Л.: Машиностроение. Ленингр. отд-ние,
1988.- 559с.: ил.
. Грузоподъемные машины: Учебник для
вузов по специальности "Подъемно-транспортные машины и
оборудование"/М.П.Александров, Л.Н.Колобов, Н.А.Лобов и др.:-М.:
Машиностроение, 1986-400 с.,ил.
. Подъемно-транспортные машины:
Атлас конструкций: Учеб. пособие для студентов втузов/М.П.Александров,
Д.Н.Решетов, Б.А.Байков и др.; Под ред. М.П.Александрова, Д.Н.Решетова. - 2-е
изд., перераб. и доп. - М.: Машиностроение, 1987. - 122 с.: ил.
. ПБ 10-382-00 Правила устройства и
безопасной эксплуатации грузоподъемных кранов М.: Изд-во ОБТ, 2000. 240с.
. Строительная механика и
металлические конструкции: Учебник для вузов по специальности
"Подъемно-транспортные машины и оборудование"/ А.В.Вершинский,
М.М.Гохберг, В.П.Семенов; Под общ.ред.М.М.Гохберга.-Л.:Машиностроение, Ленингр.
отд-ние, 1984.231с., ил.
Приложение