Двигательная установка на основе стационарного плазменного двигателя для спутника наблюдения за поверхностью Земли
Содержание
ПЕРЕЧЕНЬ УСЛОВНЫХ ОБОЗНАЧЕНИЙ, СИМВОЛОВ, ЕДИНИЦ, СОКРАЩЕНИЙ И
ТЕРМИНОВ
ВВЕДЕНИЕ
ТЕХНИЧЕСКОЕ ЗАДАНИЕ
. РАСЧЕТ ОСНОВНЫХ ХАРАКТЕРИСТИК И ОСНОВНЫХ РАЗМЕРОВ
СПД
.1 ОПРЕДЕЛЕНИЕ ТЯГОВОЙ МОЩНОСТИ И КИНЕТИЧЕСКОЙ МОЩНОСТИ
СТРУИ
.2 ОПРЕДЕЛЕНИЕ РАЗНОСТИ ПОТЕНЦИАЛОВ, УСКОРЯЮЩЕЙ ИОНЫ
.3 РАСЧЕТ РАЗРЯДНОГО ТОКА
.4 РАСЧЕТ КПД И РЕСУРСА ДВИЖИТЕЛЯ
. РАСЧЕТ МАГНИТНОЙ СИСТЕМЫ СПД
. РАСЧЕТ СИСТЕМЫ ХРАНЕНИЯ И ПОДАЧИ
.1 РАСЧЕТ ГЕОМЕТРИЧЕСКИХ ПАРАМЕТРОВ БАКА
.2 РАСЧЕТ ГЕОМЕТРИЧЕСКИХ ПАРАМЕТРОВ РЕСИВЕРА
. РАСЧЕТ ОДНОТАКТНОГО ПРЕОБРАЗОВАТЕЛЯ НАПРЯЖЕНИЯ(ОПН)
.1 ИСХОДНЫЕ ДАННЫЕ
.2 РАСЧЕТ ОПН
ЗАКЛЮЧЕНИЕ
ПЕРЕЧЕНЬ ССЫЛОК
Перечень условных обозначений, символов, единиц,
сокращений и терминов
-массовый
расход рабочего тела;
Nт - тяговая
мощность;
Ni-кинетическая
мощность струи ионов;
Ta-температура
анода;
U-эквивалентная
разность потенциалов;
Up-разрядное
напряжение;разрядный ток;
Np - разрядная
мощность;
Cт-цена тяги;
Vi-средняя
скорость ионов на выходе;
Kcmy-доля
ускоренных ионов на выходе;
т -
тяговый КПД движителя;
I-потенциал
ионизации рабочего тела;
D-средний
диаметр движителя;
bk -ширина
ускорительного канала;
lk -длина
ускорительного канала;
к -
толщина выходных кромок разрядной камеры;
Dн- наружный
диаметр ускорительного канала;
Dв- внутренний
диаметр ускорительного канала;
Dу- габаритный
диаметр установки;
M-молярная масса ксенона;
e -заряд
электрона;
-ток
ионов при полной ионизации рабочего тела;
ресурс движителя;
P-тяга двигателя;
Jуд- удельный
импульс;
R-универсальная
газовая постоянная;
d -диаметр бака;
V-объем бака;
min
-минимальная толщина бака;
СПД
- стационарный плазменный двигатель;
КПД-коэффициент
полезного действия;
ЭРД
- электроракетный двигатель;
РТ
- рабочее тело;
СХПРТ-
система подачи и хранения РТ;
МП
- магнитное поле.
Введение
Электроракетные движители представляют собой новый класс устройств, в
которых тяговое усилие получается в результате преобразования электрической
энергии в кинетическую энергию выбрасываемой из них массы рабочего тела.
Благодаря использованию новых принципов ускорения рабочего тела с помощью ряда
типов ЭРД удалось получить большие скорости истечения, чем в термохимических
движителях. В настоящее время можно считать практически освоенным диапазон
скоростей (10000…100000) м/c. Без
значительных осложнений могут быть получены еще более высокие скорости, тогда
как для жидкостных ракетных двигателей предельные скорости истечения составляют
приблизительно 5000 м/с.
ЭРД представляют собой эффективные источники ионов и ускоренных потоков
плазмы и, как показывают первые пробы, могут найти целый ряд других применений.
Перспективы применения ЭРД зависят от общего уровня и перспектив развития
космической техники, которые в первую очередь определяются состоянием разработки
систем запуска КА и бортовой энергетики КА. В данной работе рассчитан двигатель
с необходимым запасом рабочего тела. Конструктивные параметры двигательной
установки разработаны с учетом требований надежности и прочности.
В процессе разработки использовались рекомендованные методики и
математические модели, разработанные для проектировочного расчёта СПД.
Магнитная система рассчитана с учетом дополнительных элементов -магнитных
экранов.
Техническое задание
Спроектировать электрореактивную двигательную установку ориентации
космического аппарата, предназначенного для наблюдения за поверхностью Земли.
Исходные данные:
Тип ЭРД: стационарный плазменный движитель (СПД).
Параметры СПД:
· Тяга двигателя P=0.0177 Н;
· Время
функционирования спутника
=
с;
· Время работы
двигателя
с;
· Рабочее тело
движителя ксенон (Xe);
· Тяговый КПД ηт=0,45;
· Удельный
импульс движителя V=12000м/с;
· Напряжение
СЭС U=28
0.5 В.
1. РАСЧЕТ
ОСНОВНЫХ ХАРАКТЕРИСТИК И ОСНОВНЫХ РАЗМЕРОВ СПД
Расчёт основных характеристик и основных размеров СПД произведён в
соответствии с методикой, изложенной в [1].
К числу основных параметров, с помощью которых можно описать СПД типовой
схемы, представленной на рисунке 1.1, относятся:
а) средний диаметр ускоряющего канала D определяющий масштаб модели;
б) диаметр наружного полюсного наконечника Dн;
в) диаметр внутреннего полюсного наконечника Dв;
г) ширина канала bк;
д)длина канала lk;
ж)толщина выходных кромок разрядной камеры δk
Рис.1.1 Принципиальная схема и основные размеры СПД.
Для общей характеристики конструкции используются также габаритные
размеры Dу и lу. Принимая во внимание вышеизложенное, можно сделать вывод,
что в качестве основной задачи расчёта рассматриваем задачу определения
совокупности значений перечисленных размеров, а также параметров магнитной
системы (количество ампер-витков и размеры элементов магнитопровода), которые
обеспечивают выполнение заданных требований. Все эти размеры можно определить
по среднему диаметру движителя. При выборе среднего диаметра необходимо
выполнение условия эффективной работы двигателя:
(1.1)
Массовый расход через анодный блок определим по формуле:
(1.2)
Тогда максимально допустимое значение среднего диаметра составляет:

На основе накопленного опыта по разработке ЭРД типа СПД можно сделать
вывод о том, что оптимальный режим работы достигается при:
- ширине канала камеры ускорения bk =0.012 м;
- длине ускоряющего канала lk =0,024 м,
при различных значениях массового расхода и мощности.
Наружный диаметр ускоряющего канала определим по формуле:
DH=D+bk; (1.3)
DH=0.049+0.012=0.061
м;
Внутренний диаметр ускоряющего канала определим по формуле:
DB=D-bk; (1.4)
=0.049-0.012=0.037 м;
Рассчитаем габаритные размеры движителя по формуле:
(1.5)
(1.6)
Толщину выходных кромок изолятора вычислим из соотношения:
(1.7)
1.1 Определение тяговой мощности и кинетической
мощности струи
При расчете характеристик СПД примем, что время работы движителя
составляет 10% от времени существования КА.
(1.8)
Зная массовый расход РТ, определяем следующие величины:
а) тяговую мощность струи ионов определим по формуле:
(1.9)
Вт;
б) кинетическую мощность ионного потока на выходе из движителя вычислим
из соотношения:
, (1.10)
где
-коэффициент, характеризующий разброс угла вылета
ионов относительно оси ЭРДУ.
=
0,95…0,97; Принимаем
= 0,96;
-
коэффициент, характеризующий разброс ионов по энергии.
=
0,93…0,98; Принимаем
= 0,97.
Вт.
1.2 Определение разности потенциалов, ускоряющей
ионы
Толщину слоя ионизации в канале определяем по следующей формуле:
, (1.11)
где
k=
- постоянная Стефана-Больцмана;
Та
=1100 К- температура анода;
=12,1 эВ
- потенциал ионизации ксенона;
e=
Кл - заряд электрона;
=
- коэффициент скорости ионизации;
- площадь ускорительного канала.
Площадь
ускорительного канала определяем по формуле:
, (1.12)
м2.
Таким образом:
м.
Концентрацию электронов в канале найдем по формуле:
,(1.13)
где М- масса одного иона ксенона, которая составляет:
кг,
- перепад
потенциала в зоне ионизации.
, где
=12,1 В - потенциал ионизации ксенона;
Рассчитанная концентрация электронов соответствует оптимальному режиму
работы двигателя.
1.3 Расчет разрядного тока
Долю ускоренных электронов, попадающих на стенки диэлектрической камеры
определяем по формуле:
(1.14)
.
, (1.15)
А.
Вычислим эквивалентную разность потенциалов, которая определяет ускорение ионов,
по формуле:
, (1.16)
где kа - коэффициент аккомодации энергии
ионов . В настоящее время отсутствуют точные данные о величине kа в случае бомбардировки ионами диэлектрических
мишеней, поэтому в дальнейшем будем принимать kа = 1.
В.
Зная
, определяем разрядное напряжение из соотношения:
;(1.17)
В.
Определяем разрядный ток по формуле:
;(1.18)
А.
1.4 Расчет КПД и ресурса движителя
Разрядную мощность расчитаем как:
(1.19)
Вт.
Исходя из выше приведенных расчётов, цену тяги определяем по формуле:
;(1.20)
.
Среднюю скорость ионов на срезе ускоряющего канала определим по формуле:
;(1.21)

.
Для
определения тягового КПД, воспользуемся формулой:
;(1.22)
.
Итак, все
тяговые характеристики определены.
Далее, рассчитаем параметры, определяющие ресурс двигателя:
Рассчитаем период приработки по формуле:
,(1.23)
где
-величина тока ионов, выпадающих на стенку и полностью
отдающих ей свою энергию.
(1.24)
А,
где
- коэффициент распыления для материала АБН-2 [3].
с.
Таким образом, толщина кромки разрядной камеры, которая распыляется
ионами за время τ, определяется зависимостью:
, (1.25)
где
- константа
- период
приработки, по истечении которого скорость эрозии разрядной камеры
стабилизируется;
- время
работы двигателя.
Толщину
кромки разрядной камеры
, которая распыляется ионами за время
, вычислим по формуле:
, (1.26)
где
- длина эродированного участка;
φ=15˚ -угол поворота профиля эродированного участка.
м.
Из
граничных условий, пользуясь формулой (1,25) и (1,26), константа
определяется как 0,0029 м.
Подставив
вычисленное значения
в формулу (1.25), получим:
м.
Для
того чтобы движитель мог функционировать в течении заданного ресурса времени,
полученная величина
должна быть меньше, чем толщина выходных кромок
разрядной камеры
. Итак получим:
Таким образом, условие эффективной работы движителя в течение требуемого
времени выполняется.
Для нахождения ларморовского радиуса иона (Rлi) и электрона(Rлe)
воспользуемся формулами:
;(1.27)
;(1.28)
где В=15·10-3Тл -значение индукции магнитного поля на выходе из канала;
Ve-
скорость электронов на срезе ускоряющего канала.
м;
м.
Для
величин
выполняются неравенства
и
, которые
соответствуют принятым при расчете допущениям.
2. РАСЧЕТ
МАГНИТНОЙ СИСТЕМЫ СПД
Магнитная система спроектирована таким образом, что в кольцевом
ускорительном канале реализуется преимущественно радиальное магнитное поле.
Высокий КПД СПД удается получить в том случае, когда максимум радиальной
компоненты магнитного поля реализуется вблизи среза ускорителя.
Выбор основных размеров должен осуществляться с учётом их влияния на
выходные характеристики СПД и на тяговые характеристики. Наиболее существенное
влияние на тяговые характеристики СПД оказывают параметры магнитной системы.
Это связано, с тем, что уровень напряженности и конфигурация силовых линий
магнитного поля определяют величину сквозного электронного тока и уровень
потерь ускоренных ионов.
Управлять конфигурацией силовых линий магнитного поля можно, подбирая
формы, размеры элементов магнитной системы (магнитопроводов, полюсов, катушек
намагничивания) и соотношение ампер-витков в катушках, если их несколько.
Конфигурация силовых линий магнитного поля связана с распределением
напряженности магнитного поля в канале. Поскольку оптимальным режимам
соответствует конфигурация близкая к симметричной относительно срединной
поверхности канала, то в первом приближении достаточно знать продольное
распределение радиальной компоненты индукции магнитного поля.
Рис.2.1
Распределение радиальной компоненты индукции магнитного поля по длине
ускорительного канала СПД.
Исходя
из накопленного опыта можно сделать вывод о том, что для обеспечения высоких
тяговых характеристик в движителе анод целесообразно располагать в области
канала, где Br = 0, а срез канала - в области максимума Br.
Выполнение первого условия необходимо для того, чтобы обеспечивались
благоприятные условия замыкания электронного тока из плазмы на анод. Выполнение
второго условия необходимо для того, чтобы фиксировалось оптимальное положение
ускоряющего слоя в канале. Последнее условие обеспечивается тем, что в области
спадающего магнитного поля развивается высокочастотная дрейфовая
неустойчивость, способствующая резкому повышению подвижности электронов
перпендикулярно магнитному полю, и необходимый поток электронов в этой области
пропускается при малой разности потенциалов. Запишем систему уравнений по
первому и второму закону Кирхгофа для магнитной цепи (рис.2.2):
Рис.2.2
Схема магнитной системы СПД.
. (2.1)
где
Фi- поток магнитного поля;
εi-МДС внутренней
или внешней катушки
Преобразовав систему (2.1), получим выражения для потоков магнитного
поля:
;
(2.2)
Для
упрощения расчетов были введены следующие константы в, с и d:
. (2.3)
Представим
выражение для магнитного потока
в виде:
.
Исходя
из этого, формулы системы (2.2) примут вид:
(2.4)
Используя
формулы (2.2) и (2.3), выражение для магнитного потока
можно записать как:
. (2.5)
Для
наших расчетов особую важность представляет поток
, так как из него можно определить количество витков
и
.
Численно поток
можно определить по формуле:
, (2.6)
где
-- индукция магнитного поля через сечение катушки.
Для
обеспечения прочности и жесткости магнитной системы выбирается диаметр
внутреннего и наружного сердечников магнитных катушек 12 и 6 мм соответственно.
Толщина
наружного и внутреннего полюсного наконечников зададим равным 3мм
Искомыми
величинами являются
и
. Для
определения
воспользуемся формулой:
,
где
разрядный ток.
Запишем
соотношение числа витков внутренней и наружной катушек:
,
где
-количество витков внутренней катушки,
-количество
витков наружной катушки.
Выразив
из соотношения (2.9)
через
,
получим:
.
Исходя
из формулы (2.10), соотношения для
и
имеют вид:
Найдем выражения для определения каждого из сопротивлений,
воспользовавшись рис.2.3.
Рис2.3
Сечение двигателя СПД .
, (2.7)
где
,
,
где
=1,25610-6 Гн - магнитная постоянная;
-
магнитная проницаемость материала сердечников внутренней и наружной катушек,
равная 600.
. (2.8)
Сопротивление
вычислим из соотношения:
, (2.9)
где
ширина канала камеры ускорения.
.
Запишем
формулу для определения сопротивления
:
, (2.10)
где
;
.
R4=R5=22
·103
Рассчитанные
значения сопротивлений подставим в систему формул (2.3), получим:
;
;
.
Для
нахождения конечного результата, все полученные величины подставим в
формулу(2.5):
.
мощность потенциал силовой магнитный
Таким образом, искомое число витков внешней и внутренней равно:
витка, 
витка.
Для намотки магнитных катушек выбираем медный провод в термостойкой
изоляции ПОЖМ 1 ТУ16-502.004-82.
Мощность, затрачиваемая на питание катушек магнитной системы определим по
формуле:
; (2.23)
Вт.
Мощность, преимущественно затрачивается на омический нагрев проволоки и
определяется по формуле:
. (2.24)
Отсюда найдем сопротивление проволоки:
Ом.
Определим длину проволоки из соотношения:
; (2.25)
Площадь поперечного сечения проволоки равна[5]:
, (2.26)
где
-удельное сопротивление проволоки при 20°С,
[5].При рабочей температуре катушки в 600 К удельное
сопротивление равно:
; (2.27)
где
- температурный коэффициент для медной проволоки.
;
м2;
Найдем диаметр проволоки по формуле:
; (2.28)
м;
Принимаем
диаметр проволоки
.
Расчет
системы хранения и подачи РТ
Система хранения и подачи рабочего тела (СХПРТ) состоит из бака (Б),
заправочного устройства (ЗУ), пускового клапана (ПК), предохранительного
клапана (ПК), двух электроклапанов (ЭК1 и ЭК2), редуктора (Р), ресивера (РС),
двух жиклёров (Ж1 и Ж2) и самого двигателя (СПД).
В бак рабочее тело поступает через заправочное устройство. Рабочее тело
хранится в газообразном виде. Состояние рабочего тела в баке контролируется с
помощью датчика температуры (ДТ) и датчика давления (ДД1), сигналы с которых
поступают в систему управления (СУ). Рабочее тело из бака попадает в систему
подачи через пироклапан, пропускающий рабочее тело в систему подачи. Далее
рабочее тело через редуктор и электроклапан (ЭК1) поступает в ресивер. Редуктор
понижает давление в системе подачи, а ресивер сглаживает пульсации и
стабилизирует расход газа. Давление в ресивере контролируется датчиком давления
(ДД2). Затем с помощью электроклапана (ЭК2) и жиклёров (Ж1 и Ж2) осуществляется
подача рабочего тела в анод СПД и в катод-компенсатор.
В двигатель рабочее тело поступает в газообразном состоянии.
Расчет
геометрических параметров бака
Топливные баки с рабочим телом по размерам и массе составляют наибольшую
долю в массе всей двигательной установки. Рассчитаем бак для данной
двигательной установки.
Масса рабочего тела описывается выражением:
, (3.1)
где к =1,02-1,05- коэффициент запаса рабочего тела (принимаем к=1,05);
-массовый
расход двигательной установки;
- время
работы движителя.
Массовый расход РТ через движитель равен сумме массовых расходов через
катод-компенсатор и анод и определяется формулой:
(3.2)
;
кг.
Определяем объём бака [4]:
(3.3)
где R=8,31Дж/(моль*К)- универсальная газовая постоянная;
=
кг/моль - молярная масса ксенона;=5,5·106 Па- давление
в баке
Для
авиационной и космической техники обычно задается диапазон рабочих температур
примерно от -50 до +
С. Очевидно, что расчетное давление в баке должно
соответствовать максимальной температуре хранения Т=323 К.
м3
Определяем диаметр сферического бака по формуле:
(3.4)
м.
В
качестве материала бака принимаем титановый сплав ВТ5-1, т.к. этот материал
хорошо поддается штамповке и имеет хорошую свариваемость. Плотность данного
материала ρб= 4507 кг/м3, а
=
850·106 Па.
Определяем минимальную толщину стенки бака:
(3.5)
м.
Для обеспечения достаточной жесткости, чтобы использовать бак, как
силовой элемент конструкции СХПРТ, принимаем, с учетом коэффициента запаса
прочности, δб = 0,002 м.
Определяем массу пустого бака из соотношения:
кг.
Определяем массу заправленного бака по формуле:
Определяем
коэффициент складирования по формуле:
Расчет
геометрических параметров ресивера
Ресивер - промежуточная емкость в магистрали подачи, в которой
поддерживается давление рабочего тела на заданном определенном уровне. Ресивер
служит для сглаживания пульсаций давления при подаче рабочего тела из бака и
стабилизация параметров газа в магистрали.
Из бака газообразное рабочее тело поступает в ресивер. Перед ресивером
стоит электроклапан, который при открытии открывает доступ газу в ресивер.
Электроклапан открывается в том случае, когда давление газа в ресивере
снизилось ниже установленного значения и открывает доступ газу. Как только
давление в ресивере достигнет требуемой величины , электроклапан закрывается.
Давление
в ресивере устанавливается таким, чтобы оно было выше давления в трубопроводе
на входе в движитель. Поэтому одним из условий является следующее -- рабочее
тело должно вырабатываться настолько, чтобы
.
Минимальное давление в полости ресивера задается системой управления для
обеспечения расхода рабочего тела с заданной точностью.
РТ
должно вырабатываться настолько, чтобы изменение массы РТ в ресивере
был намного меньше массы РТ в ресивере
. При работе движителя необходимо, чтобы СХПРТ
обеспечивала постоянный массовый расход РТ. При подачи РТ из ресивера в
движитель, его масса уменьшается. Учитывая, что массовый расход РТ постоянный,
получим массу газа в ресивере:
.(3.11)
Время одного цикла работы ресивера, учитывая время работы ЭРДУ, которое
составляет 10% от всего времени существования КЛА, будет определяться как:
,(3.12)
где nвкл - число включений электроклапанов
(т.е. ресурс электроклапанов).
Число включений электроклапанов в среднем составляет ~ 10000 .
Тогда рассчитаем время одного цикла работы ресивера :
В ЭРД расход рабочего вещества настолько мал, что в результате
энергообмена с окружающей средой рабочего вещества в ресивере находится в
термодинамически равновесном состоянии. Это означает, что для газа (или пара) в
ресивере справедливо уравнение Менделеева-Клапейрона:
,(3.13)
Так
как ресиверы, которые используются в СХП КЛА, термостатированы, то для
рассчитываемого ресивера, исходя из опыта их применения, температуру рабочего
тела принимаем равной 320 К, а давление примем равным 3
Па.
Масса
рабочего тела, находящегося в ресивере в момент его заполнения, будет
определяться как отношение массы рабочего тела, потребляемое за один цикл, к
коэффициенту использования массы
, который
принимаем равным 3%.
,(3.14)
кг.
Таким образом, объем ресивера равен:
,(3.15)
м3.
Зная геометрическую форму бака, подбираем геометрическую форму ресивера.
Форма резервуара ресивера должна быть такой, чтобы компоновочная схема СХП
занимала наименьший объём на КЛА. Для бака сферической конфигурации целесообразно
применять ресивер, имеющий конфигурацию тора.
Определим объём тора по формуле:
,(3.16)
Рис.3.1.
Ресивер, имеющий конфигурацию тора
R = 0,5м; r =
0.07м.
Принимая
во внимание то, что давление в ресивере значительно меньше, чем давление в
баке, толщина стенок будет определяться требованием к жесткости ресивера.
Принимаем толщину стенки ресивера δрс = 0,002 м.
Расчет
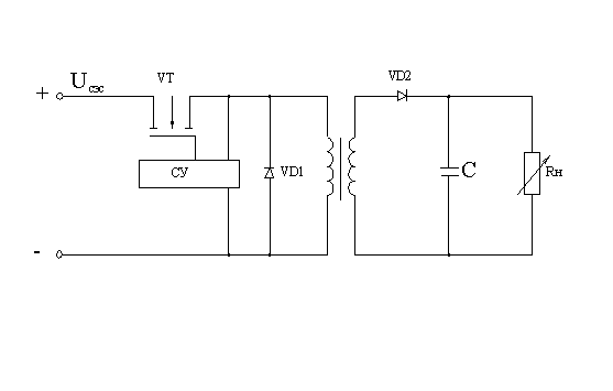
однотактного преобразователя напряжения(ОПН)
Рис.4.1 Схема однотактного преобразователя напряжения
ОПН может быть применен для преобразования и поддержания требуемого
уровня напряжения или диапазона изменения напряжения на нагрузке (питание
блоков ЭРД, питание аппаратуры с повышенным напряжением, питание исполнительных
устройств и т.п.) с заданным допуском на точность стабилизации. ОПН применим в
случае если необходимый уровень напряжения на нагрузке выше напряжений бортовой
сети СЭС КА, а мощность нагрузки не превышает 500 Вт.
Исходные
данные
· напряжение
бортовой сети СЭС и его допуск
В;
· мощность
нагрузки Pн=400 Вт;
· напряжение
нагрузки и его допуск
В (из расчетов рабочих параметров устройств режим
стабилизации
принимаем 3% от Uн);
· начальное
значение коэффициента полезного действия
;
· коэффициент
трансформации
;
· частота
преобразования fп=150 кГц [5].
Расчет ОПН
Определяем коэффициент заполнения импульсов ШИМ регулятора:
1. минимальный:
; (4.1)
;
2. номинальный:
; (4.2)
3. максимальный:
; (4.3)
,
где
;
, а
.
Определяем минимальное значение индуктивности первичной обмотки из
условия неразрывности тока в цепи нагрузки:
. (4.4)
.
Определяем значение максимального тока коллектора силового транзистора:
; (4.5)
,
где
L=1,2LMIN=
.
Определяем максимальное значение напряжения на силовом транзисторе из
условия его отсечки:
; (4.6)
.
По рассчитанным параметрам тока, напряжения и мощности нагрузки выбираем
транзистор IRFZ24 [5].
Определяем значение обратного напряжения выпрямительного и разрядного
диодов:
; (4.7)
Выбираем диод 2Д203 по параметрам обратного напряжения и прямому току,
который равен Ik max [5].
Определим значение емкости фильтрующего конденсатора:
; (4.8)
.
Выбираем
конденсатор по значениям емкости и значению напряжения UH К73-16.
Определяем
габаритную мощность сердечника трансформатора, для чего рассчитаем значение
произведения площадей поперечного сечения сердечника магнитопровода Sм и
площади окна сердечника So:
(4.9)
м4,
где
коэффициент формы для мостовых схем преобразователей Кф=1;
отношение
площади сечения сердечника к площади сечения окна;
=0,39
максимальное значение индукции сердечника по выбранной марке феррита 2000НМ
[5].
По значению Sмо выбираем
сердечник трансформатора с сечением равным 52,61 мм2 и сечения окна равное
201,05 мм2.
Определяем число витков первичной обмотки трансформатора:
;(4.10)
1.
По
рассчитанному значению W1 числа витков принимаем ближайшее большее целое [5].
Определяем число витков вторичной обмотки трансформатора:
;(4.11)
.
Вносим
результаты расчета в сводную таблицу:
Сводная
таблица расчета однотактного преобразователя напряжения.
|
Транзистор
|
Тип IRFZ24
|
Ток 10 А
|
Напряжение 60 В
|
|
Диод
|
Тип 2Д203
|
Ток 50 А
|
Напряжение 0,6 В
|
|
Конденсатор
|
Тип К73-16
|
Емкость 0,1-22 мкФ
|
Напряжение 63-1600 В
|
Тип 2000НМ
|
Размер К28x16x9
|
Число витков
|
Заключение
В данном проекте был проведен расчет основных узлов стационарного
плазменного движителя и системы хранения и подачи рабочего вещества СПД.
Целью данной курсовой работы является закрепление методики расчета и
конструирования ЭРДУ, которые были получены в рамках курса «Основы теории ПУ и
ЭУ». В рассчитанной курсовой работе были получены следующие важные
характеристики СПД:
1.тяговая
мощность СПД
Вт;
.разрядное
напряжение
В;
.разрядный
ток
А;
.разрядная
мощность
Вт;
.тяговый
КПД СПД
;
.ресурс
СПД
с;
.средний
диаметр СПД
0,049
.
.массовый
расход
В качестве рабочего вещества был принят инертный газ- ксенон.
Расчет СХП показал, что:
- рабочее тело хранится в сферическом баке в газообразном
состоянии;
- масса рабочего вещества Мрт= 16,2 кг;
- бак и ресивер не термостатируются, т.е. в условиях открытого
космоса;
- диаметр бака dб=0,5м;
- масса бака 86 кг;
- ресивер имеет форму тора;
- малый диаметр ресивера rрес=0,1 м;
- большой диаметр ресивера Rрес=0,18м.
Перечень ссылок
1. Белан Н.В., Ким В.П., Севрук Д.Д.
Методика инженерного расчета СПД (учебное пособие по курсовому и дипломному
проектированию), Харьков, ХАИ, 1980-62с.
2. Белан Н.В., Ким В.П., Оранский А.И.,
Тихонов В.Б. СПД (учебное пособие), Харьков, ХАИ, 1989-316с.
3. Белан Н.В., Ким В.П., Севрук Д.Д.
Расчет и проектирование двигательных установок с СПД (учебное пособие),
Харьков, ХАИ, 1987-104с.
4. Белан Н.В., Маштылев Н.А. и др.
“Системы подачи рабочих веществ электрореактивных движителей”, Харьков, ХАИ,
1990-56стр.
5. Терещук Р.М., Терещук К.М., Седов
С.А.”Полупроводниковые приемно-усилительные устройства ”, Киев: Наук. думка
1987г.-800с.