|
g=1,846 кН/
|
|
|
|
|
2) Змінне (корисне): - повне -
квазіпостійне(тривале)
|
|
1,2 1,2
|
|
|
Разом:
- тривале в т.ч.
|
|
-
|
|
Балки настилу проектуємо
з двотаврів з ухилом внутрішніх граней поличок за ГОСТ 8239-89 з урахуванням
пружно-пластичної роботи сталі. Матеріал балки настилу - сталь класу С245.
1.3 Статичний розрахунок
балки
Визначаємо
розрахунковий проліт крайньої балки настилу. Балка на стіну спирається на
монолітну опорну подушку, а на головну балку - через опорне ребро, причому з
приєднанням в одному рівні з поясом головної балки. Ширину поясів головної
балки приймаємо рівною 1/3 прольоту, тобто 
Схема кріплення балки
настилу показана на рис.

Розрахункове
граничне погонне навантаження, якщо крок балок настилу 

Розрахункова
схема балки настилу наведена на рис 3.
Розрахункові
зусилля:
максимальний
момент 
максимальна
поперечна сила 
1.4 Підбір перерізу балки настилу, виходячи з умови міцності (за І
групою граничних станів)
Задаємося
коефіцієнтом пружно-пластичної роботи сталі 
, який враховує
пружно-пластичну роботу сталі. Тоді необхідний момент опору перерізу, якщо
будинок ІІ класу відповідальності(
), а коефіцієнт умов
роботи 
, який враховує умови
експлуатації конструкції (табл. 6 норм СНіП ІІ-23-
):

,
де 
для сталі класу С245
(табл. 51 норм СНіП ІІ-23-
).
За ГОСТ 8239-89
підбираємо двотаврову балку номер 22 з наступними характеристиками:






Маса погонного
метра m = 24,00 кг.
Обчислюємо
співвідношення площ полички і стінки підібраного профілю:
За табл. 66 СНіП
ІІ-23-
для двотаврового
профілю обчислюємо коефіцієнт 
за інтерполяцією:
Перевіримо
напруження:
Оцінимо
економічність підібраного перерізу:
Оскільки 
, то даний вибір є
неекономічний. Якщо прийняти менший профіль номер 20, 
, 
, то одержимо:

що неприпустимо,
оскільки переріз перенапружений.
Висновок:
залишається профіль номер 22 у зв’язку
з відсутністю ближчого профілю за сортаментом ГОСТ 8239-89.
1.5
Розрахунок балки настилу за ІІ групою граничних станів: розрахунок прогинів
Прогини балок
обмежуються естетично-психологічними вимогами. Згідно ДСТУ Б В.1.2-3:2006
(табл. 1) навантаження слід приймати постійні та тривалі змінні.
Розрахункове
експлуатаційне навантаження на балку настилу, якщо 
, крок балок настилу 
.:
поверхневе

;
- лінійне 
Момент від
розрахункового експлуатаційного навантаження:
Кривина при цьому рівна:
Прогин балки,
якщо 
для
схеми навантаження на рис 4.:
Граничний прогин 
(за табл. 1.2 ДСТУ Б
В.1.2-3:2006). Умова 
виконується, двотаврова
балка настилу номер 22 забезпечує жорсткість системи.
Висновок: Балку
настилу остаточно приймаємо двотаврового профілю номер 22 за ГОСТ 8239-89.
2.
Розрахунок і конструювання головної балки марки ГБ - 2
Головну балку,
номінальним прольотом 6,6 м. (див. план-схему перекриття на рис 1.1),
проектуємо із двотаврів з паралельними гранями поличок типу Б і Ш за ГОСТ
26020-83. Сталь класу С245 згідно із завданням на проектування. Балка ГБ - 2
обпирається на металеві колони збоку: через опорні ребра на опорні столики (рис
3.1) колон.
2.1
Обчислення навантаження
Головну балку
розглядаємо як однопрольотну балку з опорами на колонах, яка навантажена
зосередженими силами в третинах прольоту. Для обчислення цих сил скористаємося
вантажними площами впливу на їх величину (рис 1). Так ширина вантажної площі
рівна крокові балок настилу 
, а довжина - віддалі
від осі головної балки до внутрішньої грані стіни 
Із таблиці 2.1
розрахункове граничне навантаження від власної ваги конструкції підлоги і балки
настилу.
Фактичне зведене
розподілене навантаження від балки настилу номер 22, якщо її маса становить 
а крок балок 
:
Зведене
розподілене навантаження від власної ваги головної балки попередньо приймаємо в
рекомендованих межах 0,2 - 0,3 кН/м²,
а саме: 
Таким чином,
розрахункова гранична сила в кожній третині прольоту головної балки, якщо
розміри вантажної площі 
а
граничне змінне навантаження становить 
обчислюємо за формулою:
2.2
Обчислення розрахункового прольоту
З достатньою
точністю попередньо призначаємо висоту перерізу колони.

де H - висота поверху. В нашому випадку, якщо H=3,5 м.:
Приймаємо розмір,
кратний сортаменту колонних або широкополичних двотаврів, які рекомендуються
для колон, тобто 
У випадку
обпирання головних балок на опорні столики колон (рис 3.1) розрахунковий проліт
обчислюємо за формулою:
2.3
Статичний розрахунок головної балки
Найбільший
згинальний момент від розрахункового граничного навантаження - сили 
:
Найбільша
поперечна сила від розрахункового граничного навантаження:
Епюри моментів і
поперечних сил:
2.4
Підбір перерізу головної балки з умови міцності за нормальними напруженнями
(при дії згинального моменту)
Для зварних балок
постійного перерізу розрахунок ведемо з урахуванням пружно-пластичної роботи
сталі в зоні чистого згину, оскільки поперечна сила в середній третині довжини
балки рівна нулю. Приймаючи попередньо 
для
двотаврового перерізу, обчислимо з урахуванням п. 5.18* норм[1]
середнє значення коефіцієнта с1m, який враховує розвиток пластичних
деформацій.
Таким чином, для
будинку ІІ-го класу відповідальності необхідний момент опору перерізу
обчислюємо за формулою:
де 
для сталі класу С245,
якщо припустити товщину листів поличок 2-20 мм.;

- коефіцієнт умов
роботи головних балок (табл. 6 [1]);

- коефіцієнт надійності
за відповідальністю для будинку ІІ-го класу.
За сортаментом
вибираємо балковий двотавр номер 35Б2 з наступними характеристиками: 







Знаходимо
співвідношення
За табл. 66 для
двотаврового перерізу знаходимо, інтерполюючи: 
Тоді 
Перевірку
нормальних напружень здійснюємо, виходячи з умови:
Таким чином,
Недонапруження:
2.5
Перевірка міцності головної балки в зоні впливу моментів і поперечних сил
Як видно з епюр
на рис 3.2 в перерізі, розташованому на початку зони чистого згину діють
найбільші зусилля: Mmax і поперечна сила Qmax.
Їхній сумісний вплив на напружений стан перерізу оцінюємо на рівні
волокна, що знаходиться на краю стінки (рис 3.3). Перевірку міцності здійснюємо
за зведеними напруженнями урахуванням пластичних деформацій. При цьому,
перевіривши умову щодо усереднених дотичних напружень:
де 
- розрахунковий опір
сталі класу С245 із умови зрізання.
За формулою 42
Норм [1] приймаємо 
таким чином, нормальні
напруження:
Тоді дотичні
напруження на цьому ж рівні, якщо статичний момент площі пояса, який вище краю
стінки:
Зведені
напруження знаходимо за формулою 33 Норм[1], якщо 
:
Умова
виконується, міцність забезпечена.
2.6
Перевірка головної балки в зоні впливу поперечних сил (в опорному перерізі)
Перевірку
міцності здійснюємо на рівні нейтральної лінії перерізу за формулою 29 Норм [1], якщо статичний момент половини перерізу 
Умова
задовольняється, міцність забезпечується.
2.7
Розрахунок і конструювання опорного ребра головної балки
Принципове
конструктивне вирішення опорного ребра балки у вузлі обпирання на опорний
столик колони наведено на рис, а у вузлі обпирання на монолітну опорну подушку
- на рис.
Уточнюємо
навантаження від головної балки із двотавра номер 35Б2 масою 
що при ширині вантажної
площі 
що еквівалентно
розподіленому поверхневому навантаженню:

що менше від
попередньо прийнятої величини 
Уточнене значення
величини поперечної сили (див. п. 3.1):
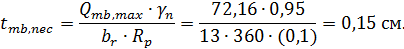
Розрахунок
опорного ребра у випадку обпирання на опорний столик.
Розміри опорного
ребра визначимо з умови міцності на зминання його торцевої поверхні.
Розрахунковий опір листової сталі класу С245
товщиною 2-10 мм. (табл. 51 Норм [1]) 
Ширину опорного ребра
приймаємо рівною ширині пояса балки 
(див. сортамент). Тоді
необхідна товщина ребра, якщо 
:
Із конструктивних
міркувань товщину опорного ребра головної балки приймаємо не менше, ніж товщина
стінки, тобто 
Остаточно приймаємо 
Розрахунок
зварних швів прикріплення опорного ребра до стінки балки.
Приймаємо
зварювання ручне, електродами типу Е46 для сталі класу С245 (табл. 55* Норм [1]). Розрахунковий опір металу кутового зварного шва 
(табл. 56* Норм [1]). Розрахунковий опір металу межі сплавлення обчислюємо:
де Run - нормативний
опір листового прокату при товщині деталі до 10 мм. із сталі класу С245 (табл.
56* Норм [1]).
Перевіряємо вид
роботи швів, виходячи з умови:
Коефіцієнт 

- для
ручного зварювання (табл. 34* Норм [1]).
Коефіцієнти 
для
всіх конструкцій крім тих, які споруджуються в районах з кліматом нижче -400С.
Таким чином:

Умова
виконується. Менш міцним є матеріал шва, тому розрахунок параметрів швів
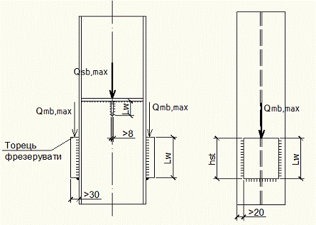
ведемо, виходячи з умови міцності металу шва. Довжину зварного шва Lw приймаємо рівною висоті
стінки головної балки (рис 3.4). При кількості зварних швів 
необхідний катет шва із
умови зрізування опорною реакцією 
допускаючи, що 
обчислюємо
за формулою:
Із конструктивних
міркувань (табл. 38*) мінімальний катет зварного шва таврового з’єднання із
двосторонніми швами у випадку ручного зварювання листів із сталі класу С245≤С430
- приймається рівним 
, що є більше, ніж
розрахунковий катет. Остаточно приймаємо для вертикальних швів 
Решту швів - 
, оскільки товщина
поясів - 10 мм.
.7.3 Розрахунок
опорних ребер у випадку обпирання головної балки на монолітну опорну подушку.
Розміри одного із
двох опорних ребер визначаємо як і в першому випадку, виходячи з умови міцності
на зминання його торцевої поверхні. Ширину ребра приймаємо в межах габариту
балки 
а саме 
З урахуванням
конструктивного скосу ребра для пропуску поясного шва ширина опорної ділянки,
через яку передається опорний тиск, буде рівною:
Необхідна товщина
опорного ребра, якщо 
а кількість ребер 
:
Із конструктивних
міркувань призначаємо товщину парних опорних ребер 
Остаточно приймаємо
Необхідний катет швів
прикріплення опорних ребер до стінки головної балки як і в першому випадку, в
допущенні, що максимальна розрахункова довжина шва становить 
і
якщо 
обчислюємо за формулою:
Виходячи із
конструктивних вимог (табл. 38 Норм [1]),
приймаємо катети вертикальних швів 
Зауважимо, що нижчі
горизонтальні шви опорних ребер в межах контрольної ділянки є конструктивними,
оскільки опорна реакція передається через фрезерований торець ребра.
2.8
Розрахунок прогину головної балки (розрахунок за другою групою граничних
станів)
Оскільки прогини
балок обмежуються естетично-психологічними умовами, обчислюємо розрахункову
експлуатаційну зосереджену силу, якщо характеристичне значення власної ваги
конструкції підлоги і ваги балки настилу 
(табл. 2.1), власної
ваги головної балки 
квазіпостійне (тривале)
змінне навантаження

, коефіцієнт надійності
за експлуатаційним навантаженням 
, а вантажна площа 
Прогин головної
балки від розрахункового експлуатаційного навантаження обчислюємо за формулою:
де 

Коефіцієнт 
для
схеми завантаження нарис. на 3.6.
Таким чином, якщо

Граничний прогин
за табл. 1 ДСТУ Б.В.1.2-3:2006 [2], якщо 
, інтерполюючи:
Перевіривши умову

- умова виконується,
жорсткість головної балки забезпечується.
2.9
Розрахунок і конструювання проміжних ребер жорсткості
В місцях
обпирання балок настилу на головну балку в одному рівні передбачаємо опорні
ребра жорсткості шириною 
(за аналогією рис 3.5),
а товщину ребер призначаємо виходячи із умови (п. 7.10 Норм [1]):
і не менше
товщини стінки балки настилу і не менше 8 мм. із конструктивних вимог.
Приймаємо остаточно товщину ребер 
із листової сталі. Шви
прикріплення ребер двосторонні катетом 5 мм. вертикальний, катетом 6 мм. -
горизонтальні - із конструктивних вимог.
2.10
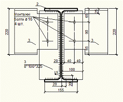
Розрахунок болтового з’єднання
балок настилу БН - 1 з головною балкою ГБ - 1
Приймаємо болти
нормальної точності (класу В) з класом міцності 4.8. За табл. 58*
Норм [1] приймаємо 
За табл. 59 Норм [1]
приймаємо 
якщо класи сталей: С245
- балки настилу, С245 - головної балки, для менш міцної сталі класу С245 із 
.
Необхідна площа
перерізу монтажних болтів із умови зрізу, якщо 
:
де 
Приймаємо два
болта М16 із 
3.
Розрахунок і конструювання металевої колони першого поверху з прокатних профілів
Колону першого
поверху проектуємо з колонних двотаврів з паралельними гранями поличок за ГОСТ
26020-83 Для колони використовуємо сталь класу С245 згідно із завданням на
проектування. Колона обпирається на фундамент через опорну плиту.
3.1
Розрахунок навантаження
Колону першого
поверху розглядаємо, як центрово-стиснутий стрижень, що навантажений
зосередженою силою N.
Для обчислення даної сили скористаємось поняттям вантажної площі колони (рис
1)., яка буде рівна добутку кроків колони 
Навантаження на колону
буде складатись з: навантажень від верхніх поверхів (конструкції перекриття,
конструкції даху, снігового навантаження і власної ваги колони).
де 
- коефіцієнт поєднання
змінних навантажень для цивільного будинку, що характеризує одночасне
завантаження поверхів (за п. 6.9 Норм[2]);

- постійне навантаження
від конструкції перекриття;

- розподілене
поверхневе навантаження від балки настилу;

- розподілене
поверхневе навантаження від головної балки;
n
- к-сть поверхів в будинку;

- постійне навантаження
від конструкції даху;
S
- розрахункове повне снігове навантаження;
А - вантажна
площа колони.
Обчислення
навантаження від конструкції даху.
Для даного
будинку проектуємо суміщену плоску покрівлю, конструкція якої наведена на рис:
Обчислення
навантажень зводимо до таблиці:
|
Види навантажень і їх підрахунок
|
Х-не навантаження,
|
Коефіцієнт надійності,
|
Розрахункове навантаження,
|
1) Постійні: -
Шар єврорубероїда t=0,005 м, ρ =600 кг/
;
t·ρ=0,005·600·(0,01)=
Цементно-піщана
стяжка
t=0,03 м, ρ =1800 кг/
;
t·ρ=0,03·1800·(0,01)=
Утеплювач
(плитний пінопласт)
t=0,1 м, ρ =45 кг/
;
t·ρ=0,1·45·(0,01)=
Одна верства
пергаміну
t=0,003 м, ρ
=600 кг/
;
t·ρ=0,003·600·(0,01)=
З/б монолітна
плита
t=0,05 м, ρ
=2500 кг/
;
t·ρ=0,05·2500·(0,01)=
Всього постійне:
,03
,54
,045
0,018
,25
,2
,1
,2
,3
,1
-
,036
,594
,054
,023
,375
|
g=2,059 кН/
|
|
|
|
Обчислення снігового
навантаження.
Розрахункове снігове
навантаження знаходимо за розділом 8 ДБН В.1.2-2:2006.
де 
- коефіцієнт надійності
для снігового навантаження, що залежить від терміну експлуатації будинку (за п.
8.11 Норм [2]).

- характеристичне
значення снігового навантаження, що визначається в залежності від снігового
району по карті 8.1 Норм [2].
с - коефіцієнт,
що враховує конфігурацію даху, географічну висоту і умови експлуатації даху.

- для будинків з
розрахунковим терміном експлуатації 100 років.
Київ знаходиться
в 5 сніговому районі для якого характеристичне значення снігового навантаження
рівне 
Коефіцієнт с
знаходимо за формулою:
де 
- коефіцієнт, що
переводить ухил даху до горизонтальної поверхні і залежить від конфігурації
даху і схеми розподілення снігового навантаження (за п. 8.7, 8.8 Норм [2]).
Для суміщених
дахів 

- коефіцієнт, що
враховує режим експлуатації даху (п. 8.9 Норм[2]).
Оскільки не дано
ніяких даних про режим експлуатації даху, приймаємо 

- коефіцієнт, що
враховує географічну висоту територій будівництва (п. 8.9 Норм[2]).
Оскільки
географічна висота Києва рівна приблизно 300 м. то 
Обчислення
коефіцієнта поєднання навантажень.
Коефіцієнт
обчислюємо за п. 6.9
Норм [2].
де n - кількість перекриттів,

- коефіцієнт зменшення
навантажень в залежності від величини вантажної площі.
Обчислення
приблизної ваги колони
Оскільки даний
будинок є цивільний з невеликими навантаженнями, то для розрахунку ваги колони
приймемо колонний двотавр номер 20К1 з масою погонного метра 41,5 кг/м.
Обчислення
центрово-стискуючої сили.
3.2
Розрахункова схема колони і обчислення розрахункової висоти колони
Розрахункова
схема колони відповідає схемі центрово-стиснутого стрижня з двома шарнірними з’єднаннями.
Розрахункову
висоту колони знаходимо за формулою:
Віддаль 
, що є реальною висотою
колони, знаходимо від опорної плити до низу головної балки:
μ - коефіцієнт зведення довжини, що залежить від схеми закріплення
стержня.
Остаточно
розрахункова висота колони рівна:
3.3
Підбір перерізу колони з умови стійкості центрально-стиснутого стрижня
Спочатку
задаємося гнучкістю колони в межах від 50…70. Приймаємо 
Межа текучості сталі
С245 
(табл. 51*
Норм [1]). Тепер за табл. 72 Норм [1]
знаходимо коефіцієнт поздовжнього згину 

де 
- коефіцієнт умов
роботи конструкції колони для громадських будинків,

- коефіцієнт надійності
за відповідальністю для будинку ІІ класу.
За сортаментом
ГОСТ 26020-83 вибираємо 23Ш1 зданими характеристиками: 






Уточнюємо
значення коефіцієнта поздовжнього згину.
За табл. 72 Норм [1] знаходимо коефіцієнт поздовжнього згину 
Перевірка нормальних
напружень, що виникають в колоні при її згині:
Оскільки даний
переріз виходить перенапружений ми перевіряємо наступний за сортаментом
двотавр.
Беремо двотавр
номер 26Ш1 з наступними характеристиками:







Уточнюємо
значення коефіцієнта поздовжнього згину.
За табл. 72 Норм [1] знаходимо коефіцієнт поздовжнього згину 
Перевіряємо умову
міцності за нормальними напруженнями:
Знаходимо
недонапруження перерізу колони:
3.4
Розрахунок і конструювання опорного столика колони
Розрахунок і
конструювання опорного столика колони головної балки.
Принципове конструктивне
вирішення опорного столика колони наведено на рис.
Розміри опорного
столика визначимо з умови міцності на зминання його торцевої поверхні.
Розрахунковий опір листової сталі класу С255 товщиною від 20 до 40 мм. (табл.
51 Норм [1]) 
Ширину опорного столика
знаходимо за формулою (див рис.):
Остаточно
приймаємо ширину опорного столика 130
мм.
Тоді необхідна
товщина ребра, якщо 
:
Із конструктивних
міркувань товщину опорного столика колони для головної балки приймаємо не
менше, ніж 
Остаточно приймаємо 
Розрахунок
зварних швів прикріплення опорного столика до колони.
Приймаємо
зварювання ручне, електродами типу Е42 для сталі класу С255 (табл. 55* Норм [1]). Розрахунковий опір металу кутового зварного шва 
(табл. 56* Норм [1]). Розрахунковий опір металу межі сплавлення обчислюємо:
де Run - нормативний опір
листового прокату при товщині деталі від 20 мм. до 40 мм. із сталі класу С255
(табл. 51* Норм [1]).
Перевіряємо вид
роботи швів, виходячи з умови:
Коефіцієнт 

- для
ручного зварювання (табл. 34* Норм [1]).
Коефіцієнти 
для
всіх конструкцій крім тих, які споруджуються в районах з кліматом нижче -400С.
Таким чином:

Умова
виконується. Менш міцним є матеріал шва, тому розрахунок параметрів швів
ведемо, виходячи з умови міцності металу шва. При кількості зварних швів 
необхідна довжина шва
із умови зрізування опорною реакцією головної балки 
допускаючи, що 
обчислюємо за формулою:
де 
- коефіцієнт умов
роботи конструкції.
Остаточно
приймаємо довжину зварних швів 
Тоді висоту
опорного столика приймаємо:
Остаточно
приймаємо опорний столик з штабової сталі розміром 150×130×30 мм класу С255. Решту швів приймаємо
конструктивно: лобовий горизонтальний шов по всій ширині опорного столика з
катетом 8 мм.
Розрахунок і
конструювання опорного столика колони балки настилу.
Принципове
конструктивне вирішення опорного столика колони наведено на рис.
Розміри опорного
столика визначимо з умови міцності на зминання його торцевої поверхні.
Розрахунковий опір листової сталі класу С255 товщиною
від 4 до 10 мм. (табл. 51 Норм [1]) 
Ширину опорного столика
знаходимо за формулою (див рис.):
Остаточно
приймаємо ширину опорного столика балки настилу 85 мм.
Тоді необхідна
товщина ребра, якщо 
:
Із конструктивних
міркувань товщину опорного столика колони для балки настилу приймаємо не менше,
ніж 
Остаточно приймаємо 
Розрахунок
зварних швів прикріплення опорного столика до колони.
Приймаємо
зварювання ручне, електродами типу Е42 для сталі класу С255 (табл. 55* Норм [1]). Розрахунковий опір металу кутового зварного шва 
(табл. 56* Норм [1]). Розрахунковий опір металу межі сплавлення обчислюємо:
де Run - нормативний опір
листового прокату при товщині деталі від 4 мм. до 10 мм. із сталі класу С255
(табл. 51* Норм [1]).
Перевіряємо вид
роботи швів, виходячи з умови:
Коефіцієнт 

- для
ручного зварювання (табл. 34* Норм [1]).
Коефіцієнти 
для
всіх конструкцій крім тих, які споруджуються в районах з кліматом нижче -400С.
Таким чином:

Умова
виконується. Менш міцним є матеріал шва, тому розрахунок параметрів швів
ведемо, виходячи з умови міцності металу шва. При кількості зварних швів 
необхідна довжина шва
із умови зрізування опорною реакцією балки настилу 
допускаючи, що 
обчислюємо за формулою:
де 
- коефіцієнт умов
роботи конструкції.
Остаточно
приймаємо довжину зварних швів 
Тоді висоту
опорного столика балки настилу приймаємо:
Остаточно
приймаємо опорний столик з штабової сталі розміром 55×85×8 мм класу С255. Решту швів приймаємо конструктивно: лобові
горизонтальні шви з катетом 5 мм, кутові парні таврові шви з катетом 5 мм.
3.5
Розрахунок і конструювання бази колони
Конструктивне
вирішення бази колони наведене на рис:
Базу колони
проектуємо, як опорну плиту з листової сталі з отворами під анкерні болти.
Розміри опорної плити знаходимо з умови міцності фундаменту.
де 
- максимальні
напруження, що виникають в фундаменті,

- розрахунковий опір
фундаменту.
де 
- розрахунковий опір
бетону фундаменту.

- коефіцієнт умов
роботи фундаменту.
Для фундаменту
приймаємо бетон невисокої міцності класу В15 з розрахунковим опором 
Задаємося коефіцієнтом
умов роботи фундаменту 
.
Тоді необхідну
площу опорної плити знаходимо за формулою:
Тепер задаємося
одним з розмірів плити, виходячи з конструктивних вимог.
Конструктивно для
виконання кріплення плити до фундаменту:

Остаточно
приймаємо ширину плити рівну 
Тоді довжина
плити буде рівна 
Конструктивно для
виконання кріплення колони до фундаменту 
Остаточно приймаємо 
Перевіряємо
напруження, що виникають в фундаменті від дії колони:
Отже міцність
фундаменту забезпечена.
Товщину опорної
плити знаходимо з умови її згину під дією пари сил: тиску колони і опору
фундаменту.
Згинальний момент
для більшої консолі опорної плити рівний:
Якщо розглянути
ділянку плити шириною 1 см., то момент опору перерізу плити буде рівний:
Тоді виходячи з
умови міцності згинаних елементів:
отримаємо формулу
для обчислення товщини плити:
Конструктивно
товщина плити повинна бути більшою за 30 мм., тому остаточно приймаємо 
4. Розрахунок і
конструювання монолітного ребристого перекриття
.1 Компонування схеми
монолітного ребристого перекриття
Поздовжні середні і
поперечні розбивочні осі проходять через центр колон. Прив’язка зовнішніх стін
200.
Для монолітного
перекриття приймаємо поздовжнє розміщення головних балок і поперечне розміщення
головних балок з кроком 2200 мм.
Зовнішні несучі
конструкції - цегляні стіни товщиною 510 мм., внутрішні несучі конструкції -
залізобетонні колони.
Конструктивні розміри
монолітного перекриття приймаємо по розрахунку.
Колони. Виходячи
з умов роботи колон їх поперечний переріз приймаємо квадратним з розмірами 300×300 мм. при кількості поверхів 
. Висота поверху 3,5 м.
Фундаменти.
Фундаменти під колони приймаємо стовпчасті, монолітні, залізобетонні. Відмітка
верху фундаменту приймається на 150 мм. нижче рівня чистої підлоги. Глибина
закладання фундаментів приймається 950 мм. від рівня чистої підлоги.
Покрівля.
Покрівля суміщеного типу. Конструкція покрівлі наведена на рис 3.2.
4.2
Розрахунок орієнтовних розмірів елементів перекриття
Монолітне
перекриття виконуємо з бетону класу В20. Робоча арматура у вигляді зварних
каркасів із сталі періодичного профілю А-ІІІ та сіток з робочою арматурою Вр -
І.
Орієнтовні
розміри елементів:
1) Товщина плити:

) Другорядна
балка: 

) головна балка: 

4.3
Розрахунок і конструювання залізобетонної плити
Розрахункова
схема плити
Для розрахунку
плити виділимо на схемі перекриття смугу шириною 1 м. Плиту розглядаємо як
багато пролітну балку завантажену рівномірно розподіленим навантаження.
Орієнтовні
розміри плити:
Товщина плити: 
Для знаходження
розрахункових прольотів плити використовуємо орієнтовні розміри другорядної
балки:
Статичний
розрахунок плити
Згинальний момент
в крайньому прольоті і на першій опорі буде рівний:
де 
- еквівалентне
розподілене навантаження від конструкції перекриття.
Згинальний момент
в середньому прольоті і на середніх опорах.
Розрахунок
армування плити.
Перевірка
прийнятої товщини плити.
Приймаємо 
і ширина плити 
Тоді похідний
коефіцієнт 
буде рівний:
Тоді робоча
висота плити буде рівна:
де 
- розрахункова міцність
бетону.
Для перекриття
використовуємо бетон класу В20, для якого 
, з коефіцієнтом умов роботи
бетону 
Тоді розрахункова
міцність бетону буде рівна:
Приймаємо
відстань від розтягнутої грані плити до центра ваги розтягнутої арматури при захисному
шарі бетону 10 мм. і діаметрі робочої арматури 5 мм.:
Тоді повна
товщина плити буде рівна 
Остаточно
приймаємо товщину плити рівну 50 мм.
Розрахунок
необхідних площ арматури.
Армування
крайнього прольоту і першої опори розраховуємо за згинальним моментом рівним 
і проводимо арматурою
класу Вр - І з міцністю 
Відстань від
розтягнутої грані плити до центра ваги розтягнутої арматури при захисному шарі
бетону 10 мм. і діаметрі робочої арматури 5 мм.:
Остаточно
приймаємо 
Тоді робоча висота
перерізу плити буде рівна:
Тепер знаходимо
характеристику бетону:
Таким чином
гранична відносна висота стиснутої зони буде рівна:
де 
- максимальні
напруження, що можуть виникнути в арматурі, рівні міцності арматури.

- тимчасовий опір
металу арматури, що залежить від коефіцієнта умов роботи бетону.
Наступним
знаходимо похідний коефіцієнт 
:
Тепер знаходимо
відносну висоту стиснутої зони:
Перевіряємо умову

Оскільки умова
виконується, то арматура буде працювати на повну міцність.
Таким чином площа
робочої арматури в крайньому і першій опорі прольоті буде рівна:
де 
- похідний коефіцієнт
від відносної висоти стиснутої зони.
Армування
середніх прольотів і середніх опор розраховуємо за згинальним моментом рівним 
і проводимо арматурою
класу Вр - І з міцністю 
Проводимо
аналогічно до розрахунку крайнього прольоту плити, використовуючи
характеристики знайдені вище.
Знаходимо
похідний коефіцієнт 
:
Тепер за
табличками знаходимо коефіцієнт 
Таким чином площа
робочої арматури в середніх прольотах і середніх опорах буде рівна:
Підбір сіток і
конструювання їх розміщення.
Для всієї плити
приймаємо сітку С1 з діаметром робочої арматури 4 мм. з кроком 100 мм. з 
.
Розподільчі
стержні при діаметрі робочої арматури 4 мм. і кроці 100 мм. приймаємо діаметром
3 мм. з кроком 400 мм.
Таким чином
маркування сітки С1 буде:
В крайні прольоти
і над першою опорою вкладаємо сітку С1 з додатковою сіткою С2. Площа робочої
арматури додаткової сітки рівна:

.
Таким чином
додаткову сітку приймаємо діаметром 3 мм. з кроком 125 мм. Тоді розподільчі
стержні при діаметрі робочої арматури 3 мм. і кроці 125 мм. приймаємо діаметром
3 мм. з кроком 400 мм.
Використана
література
1. Бучок Ю.Ф. Будівельні конструкції: основи розрахунку:
Підручник. - К.: Вища школа, 1994 - 147 с.
2. Мандриков А.П. Примери
расчета железобетонних конструкций: Учеб.
пособие для техникумов. 2-е узд., перераб., М: Стройиздат, 1986.-506 с.
. ДБН В.1.2. - 2:2006.
. ДСТУ Б В.1.2-3:2006.
. СНиП ІІ-23-81*.