Автоматика и автоматизация технологического процесса управления лесопильных рам деревообрабатывающих предприятий

  • Вид работы:
    Курсовая работа (т)
  • Предмет:
    Другое
  • Язык:
    Русский
    ,
    Формат файла:
    MS Word
    90,25 Кб
  • Опубликовано:
    2012-11-28
Вы можете узнать стоимость помощи в написании студенческой работы.
Помощь в написании работы, которую точно примут!

Автоматика и автоматизация технологического процесса управления лесопильных рам деревообрабатывающих предприятий

Федеральное агентство по образованию

ГОУ ВПО “Сибирский Государственный Технологический Университет”

Лесосибирский филиал

КАФЕДРА ИТС










КУРСОВАЯ РАБОТА

по дисциплине: “Автоматизация технологических процессов и производств”

Тема: “Автоматика и автоматизация технологического процесса управления лесопильных рам деревообрабатывающих предприятий”

 

Руководитель:

Шишкова М.Г.

Разработал:

Студент группы



Лесосибирск 2010

Задание на проектирование

Изучить технологический процесс управления лесопильных рам с помощью средств автоматики и автоматизации на деревообрабатывающих предприятиях

Реферат

Курсовой проект содержит 49 листов текстового документа, с описанием автоматики и автоматизации технологического процесса управления лесопильных рам. Пояснительная записка содержит 5 таблиц и 2 рисунка. В конце пояснительной записки приведено заключение и список использованных источников.

Целью данной работы является изучение технологического процесса управления лесопильных рам с помощью средств автоматики и автоматизации на деревообрабатывающих предприятиях.

Рассмотрим процесс управлением лесопильных рам на примере конвейеров сортировочной площадки. Для начала определимся с понятиями, которые используются в технологическом процессе лесопильного цеха.

Сортировка- это распределение пиломатериалов по группам. Весь процесс сортировки пиломатериалов слагается из двух последовательных операций: браковки и разборки пиломатериалов по сортам. Браковка представляет собой установление и разметку сорта и назначения каждого сортимента по качеству древесины и качеству обработки. Разборка-это раскладка в отдельные стопы рассортированных и размеченных пиломатериалов по их размерам, назначению, сортам. Для обеспечения браковки и разборки применяются специальные механизированные и автоматизированные устройства, в которых наиболее тяжелые операции по перемещению пиломатериалов производят механической силой.

Сортировка пиломатериалов является операцией, в результате которой достигается их внутрипроизводственное распределение и формируется состав продукции на определенной стадии по размерам и качественным признакам: толщине, ширине, породе, сортности, степени обработки назначению. Процесс производится согласно режиму РП 08-01 «Сортировка сырых пиломатериалов на сортировочных площадках лесопильных цехов предприятий, выпускающих продукцию экспортного назначения по ГОСТ 26002-83». Затем доски распределяют по местам, отведенным для каждой сортировочной группы.

Все пиломатериалы, вырабатываемые в лесопильных цехах, поступают на сортировочные площадки.

От сортировки зависит дальнейшее использование пиломатериалов. Переработка недостаточно хорошо рассортированных по качеству и размерам пиломатериалов приводит к увеличению отходов, т.е. нерациональному использованию пиломатериалов. Кроме того, увеличиваются трудовые затраты на переработку таких пиломатериалов. Необходимое качество сушки и правильное использование мощности сушильного хозяйства можно обеспечить только при условии тщательной сортировки пиломатериалов по размерам и породам. Без сортировки по размерам и качеству нельзя учесть выработанные пиломатериалы и, следовательно, определить эффективность работы лесопильного цеха.

На лесопильных предприятиях применяют автоматизированное и механизированное оборудование финских фирм «План-Селл» и «Валмет». Применение этой техники позволяет увеличить производительность труда и повысить качество выпускаемой продукции с одновременным высвобождением значительного числа рабочих.

Техническая характеристика линии.

Линия представляет собой комплекс автоматизированных механизмов для торцовки, сортировки и пакетирования материалов, а так же обвязки и окончательной обработки плотных пакетов.

Габаритные размеры подаваемого сушильного штабеля, мм:

длина………… 6800

ширина……….2050

высота…….….5000

Размеры обрабатываемых пиломатериалов, мм:

длина……….2000-6800

ширина………....75-300

толщина…………16-100

Размеры формируемых пакетов, мм:

малых:

ширина…………450-600

высота……...…..450-600

больших:

ширина…….. 800-1300

высота……….500-1300

Градация при торцовке досок, мм………….250 или 300

Число сортов пиломатериалов…………………………..6

Пропускная способность линии, досок/мин….….30-90

Габаритные размеры линии, м:

длина………..…220

ширина………..53,2

высота…………9,6

Число накопителей («сортировочные карманы»)…17 или 36

Число рабочих на линии………………………………..10-12

Технологический процесс.

Штабеля сухих пиломатериалов на подштабельных тележках подаются на наклонный рельсовый путь А1, в конце которого установлен гидроотсекатель 1В, управляющий подачей штабелей на наклонный подъемник 2А. При исходных положениях подъемника и его каретки, отсутствии предыдущей подштабельной вагонетки у подъемника очередной штабель сухих пиломатериалов поступает от гидроотсекателя 1В на наклонный лифт 2А. Каретка последнего приподнимает штабель, освобождая вагонетку, после чего подъемник переводится в наклонное положение, а порожняя вагонетка специальным механизмом передается на участок возврата.

При подъеме наклонного штабеля доски послойно сходят на приемный цепной конвейер 3А, а освобождающийся при этом прокладки через центральный люк поступают на ленточный конвейер 16А. Конвейер 3А транспортирует пиломатериалы в приямок наклонного конвейера 3В, поштучно подающего доски на торцеравнительный роликовый конвейер 3С. После этой операции доски с винтовым конвейером 3Д передаются на роликовые шины 4А.

Посредством дозировщика 4В доски передаются на загрузочный конвейер 4С, предназначенный для перемещения пиломатериалов в конвейеру 5А участка оценки. Находясь на цепях 4С, доски последовательно проходят ряд роликовых конвейеров 4Д, 4Е,4F.При этом определяют размер отрезка комлевой части и вводят с пультов ЕР1 и ЕР2 соответствующие команды в ЭВМ.

На цепях 4С доски проходят стационарно установленные пилы 4Н и 4G, для торцовки комлевого конца. После этого доски поступают на роликовый конвейер 4I. Затем доски поступают на конвейер 5А, транспортирующий мимо кабины 17А. В кабине за пультами ЕР3…ЕР8 находятся три оператора-сортировщика.

При осмотре доски переворачиваются специальными кантователями 5В, 5С и 5Д. Во время движения досок по конечному участку конвейера 5А фотодатчики измеряют длину пиломатериалов и передают юту информацию на ЭВМ.

После оценки пиломатериалы передаются на конвейер адресации 6А. Одновременно пиломатериалы перемещаются роликовым конвейером 6В в поперечном направлении до упора. Подъемом упоров управляет ЭВМ. С участка 6А доски передаются на конвейер 6Е и перемещаются к пилам 6С и 6Д. Далее пиломатериалы через ускорительный конвейер 6F передаются на крюки распределительного конвейера 7, сбрасывая их в соответствующие накопители 8А.

ЭВМ наряду с управлением выбирает накопитель для данного сорторазмера и учитывает число досок, поступивших туда. Накопители 8А имеют 2 поворотных дна, приводимых в движение от гидроцилиндров. После поступления в накопитель числа досок, соответствующего половине плотного пакета, рычаги верхнего дна поворачиваются и пиломатериалы ложатся на нижнее дно. После поступления в накопитель заданного числа пиломатериалов, необходимого для формирования плотного пакета, ЭВМ выдает сигнал о заполнении, прекращая подачу досок в данный накопитель и отыскивает новый для того же сортразмера.

По команде, подаваемой рабочим с пульта ЕР9, нижнее дно накопителя открывается и доски падают на поперечный цепной конвейер состоящий из секций 9А, 9В, 9С. Он подает неорганизованные пакеты на маркировочно-торцовочный участок линии. Кусковые отходы передаются в рубительную машину 16L ленточными конвейерами 16F и 16G.

Линия снабжена системой скребковых конвейеров 16В, 16С, 16Д, 16Е, предназначенные для сбора мелких отходов.

Энергоснабжение и управление приводами осуществляется от единого электроцентра, а подача масла к гидрооборудованию - от общего для всего участка гидроцентра.

Кроме того на технологическом оборудование установлены: защитные, конечные, ножные выключатели; фотореле; индуктивные и емкостные датчики; датчики контроля скорости вращения; клеммные коробки; устройства аварийной сигнализации.

Введение

Рациональное использование пиломатериалов требует их сортировки по толщине, а обрезных по ширине. Если из пиломатериалов вырабатываются длинные заготовки, целесообразна их сортировка по длине. Чем однороднее характеристики качества пиломатериалов, тем рациональнее можно их использовать. Поэтому пиломатериалы сортируются не только размерам, но и по сортам или на группы качества.

Для организации современного технологического процесса производства пиломатериалов так же требуется их сортировка. Ее осуществление необходимо для сушки пиломатериалов. Кроме того, пиломатериалы поставляются потребителям в транспортных пакетах. Каждый пакет должен состоять из пиломатериалов одного сечения, сорта или группы сортов, ограниченного количества размеров длины.

Процесс сортировки включает операции по определению размеров и оценки качества пиломатериалов, распределению их в соответствии с принадлежностью к той или иной группе.

Механизация, а особенно автоматизация процесса сортировки позволяют значительно повысить производительность труда и создать благоприятные условия для работы.

Автоматические сортировочные устройства предназначены для автоматической сортировки обрезных досок по сечениям на основе команд, получаемых от датчиков, измеряющих толщину и ширину досок. В случае, когда требуется сортировка досок не только по сечениям, но и по качеству, установки работают в полуавтоматическом режиме при визуальном определении качества досок. На автоматизированных сортировочных установках по качеству пиломатериалы обычно сортируются на ограниченное число групп.

Данная курсовая работа содержит четыре таблицы, один чертеж формата А1, 47 страницы, полную информацию описывающую процессы автоматизации и управления конвейерами сорт. площадки.

1. Организация производства

.1 Оборудование

Наименования оборудования. Целевая функция

Кол-во

Производитель

Характеристики и свойства.

Питающий конвейер. Распределение боковых досок.

5

«План-Селл»

мощность 2,2кВт скорость перемещения досок 2,6 м/с

Приемный цепной конвейер. Прием боковых досок.

2

-

регулируемая скорость 0-72 м/мин. Мощность 2,2кВт.

Перегонный роликовый конвейер. Выравнивание досок.

5

-

Скорость 2,5 м/мин. Мощность 2,2Квт.

Оценочная зона конвейера. Оценивание качества и размера досок.

5

-

Скорость 2,5 м/мин. Мощность 2,2Квт.

Торцеравнительный конвейер. Получение требуемой ориентировки доски.

6

-

Продольное перемещение 1800мм.

Триммер. Комлевая и вершинная торцовка.

5

-

длина-2,8м, ширина-9,5м, 6,2м. содержит 21 пилу, диаметром 450мм

Перегонный роликовый конвейер.

5

-

Содержит 12 приводных гладких роликов диаметром 168 и длиной 3070мм, расположенных параллельно тяговым осям.

Сортировочный конвейер. Распределение досок в зависимости от сорта и сечения.

5

-

Скорость 2,5 м/мин. Мощность 2,2Квт.

Ленточный конвейер отходов триммера. Выносит кусковые отходы из-под триммера.

5

-

Скорость 3 м/с.

Загрузочный цепной конвейер отходов. Буферно-накопительное устройство для равномерной загрузки рубительной машины отходами пиломатериалов.

4

-

Регулирование скорости от 0 до 0,6 м/с. Мощность 7,5 кВт. Максимальная производительность-20 м3

Рубительная машина. Переработка отходов в технологическую щепу.

1

 «Payte»

Мощность 110 кВт, угловая скорость вала 1000об/мин, роторный барабан с закрепленными на нем ножами имеет диаметр 1000мм

Шнековый питатель. Перемещение щепы от рубительной машины к шлюзовому питателю

1

-

Мощность 3 кВт, угловая скорость 100 об/мин.Линейная скорость 12 м/с.

Запорный шлюзовый питатель. Дозирование подачи в напорную линию.

1

-

Мощность 5,5 кВт, частота вращения 1440 об/мин

Пневмотранспортная установка. Удаление в циклон опилок и древесной пыли, а так же щепы от рубительной машины.

1

-

Мощность 100 кВт, скорость воздуха 28 м/с


.2 Сырье и компоненты

Химический состав древесины

Древесина состоит в основном из органических веществ, на долю которых приходится не менее 99% общей массы. Элементный химический состав древесины всех пород практически одинаков. Органическая часть абсолютно сухой древесины (высушенной при 103 °С) содержит в среднем 49-50% углерода, 43-44% кислорода, около 6% водорода и 0,1-0,3% азота.

Неорганическая часть может быть выделена в виде золы путем сжигания древесины. Золы содержится в древесине всего лишь 0,1-1%. В состав золы входят кальций, калий, натрий, магний, в меньших количествах фосфор, сера и другие элементы. Они образуют минеральные вещества, большая часть которых (75-90%) нерастворима в воде. Среди растворимых веществ первое место занимают щелочные - поташ и сода, а из нерастворимых - соли кальция.

Целлюлоза, лигнин и гемицеллюлозы,- основные составляющие клеточных стенок древесины, (характер связей между ними весьма разнообразен: от слабых дисперсионных, водородных и др. до сильных - химических.

Древесина хвойных пород отличается несколько большим содержанием целлюлозы, а лиственных - высоким содержанием пентозанов.

В ранней зоне годичного слоя целлюлозы меньше, чем в поздней. Заметны также различия в химическом составе ядра и заболони. Целлюлозы и лигнина в заболони хвойных пород меньше, чем в ядре, экстрактивных веществ больше в ядре, чем в заболони. У некоторых лиственных пород (у ясеня, дуба) содержание целлюлозы в ядре несколько больше, чем в заболони. Ядро дуба и ряда других пород содержит значительно больше, чем заболонь, экстрактивных веществ, растворимых в воде.

В древесине ветвей содержание целлюлозы на 3-10% меньше, чем в стволе. По данным Л. П. Жеребова, у сосновых ветвей в нижней части, испытывающей сжимающие нагрузки, содержание лигнина примерно на 5% выше, чем в верхней части.

Кора по элементному химическому составу мало отличается от древесины, но количество минеральных веществ в ней больше, чем в древесине. Так, в еловой коре, по данным ВНПОбумпрома, содержится, % : углерода 44, кислорода 45,4, водорода 6,4, азота 0,19 и золы 3,6, в состав которой входит, %: кальция 0,93, калия 0,37 и фосфора 0,76.

Соотношение между основными органическими веществами в коре также иное, чем в древесине, здесь значительно меньше целлюлозы (особенно в корке). Кроме того, в наружной части коры содержится суберин, которого нет в древесине.

Физические свойства древесины

Цвет. Под цветом древесины понимают определенное зрительное ощущение, зависящее от спектрального состава отраженного ею светового потока. Древесина обладает избирательной способностью поглощать световые излучения, и отраженный от нее световой поток имеет иной спектральный состав, чем падающий.

В древесиноведческой литературе, так же как и в обиходе, для характеристики цвета древесины обычно используют словесные описания и понятия, в основе которых лежат определенные зрительные образы. Между тем любой цветовой оттенок древесины различных пород может быть точно охарактеризован с помощью методов, которыми располагает колориметрия (от латинского «колор» - цвет) - наука о цветовых измерениях.

Для количественной характеристики цвета необходимо установить численные значения трех показателей - цветового тона %, чистоты Р и светлоты р.

Цветовой тон определяется длиной волны X чистого спектрального цвета. Если спектральный цвет смешивается с белым цветом, то степень чистоты, или насыщенность, его уменьшается. Таким образом, показатель Р, изменяющийся от 100% до нуля, характеризует степень разбавления спектрального цвета белым. Обычно цвета окружающих нас предметов блеклые, они не имеют максимальной насыщенности, т. е. отличаются от чистых спектральных. Светлота определяется коэффициентом отражения р. Для белых поверхностей, отражающих максимальное количество световой энергии, коэффициент отражения близок к единице, для черных приближается к нулю.

Характеристики цвета древесины можно установить, используя фотоэлектрические колориметры или атлас цветов, представляющий собой альбом с большим количеством накрасок. На отдельных страницах альбома размещены накраски одного цветового тона, но разной чистоты и светлоты. К исследуемой поверхности подбирают наиболее близкую по цвету накраску атласа. Каждой накраске соответствует определенный номер, по которому в таблице справочника, приложенного к атласу, находят значения X, Р и р.

Основное вещество, из которого состоит древесина, - целлюлоза почти белого цвета. Все многообразие цветовых оттенков древесины придают ей вещества, заключенные в полостях клеток или пропитывающие их стенки,- красящие и дубильные, смолы и продукты их окисления.

Цвет древесины зависит от климатических условий. Обычно древесина пород умеренного пояса окрашена бледно, древесина пород тропического пояса имеет очень яркую окраску. Влияние климатических факторов сказывается и в пределах одного климатического пояса (умеренного): так, среди наших пород наиболее интенсивно окрашены породы, произрастающие в более теплых зонах (дуб, орех, тис, фисташка, шелковица, белая акация), наиболее же распространенные породы (сосна, ель, осина, береза) окрашены бледно. Интенсивность окраски увеличивается с возрастом, что особенно заметно у ядровых пород; в оптимальных условиях роста для данной породы окраска бывает более яркой.

Древесина многих пород изменяет цвет при выдержке под влиянием воздуха и света. Тем не менее цвет многих пород настолько характерен, что может служить одним из признаков при их распознавании. Изменение цвета древесины чаще всего указывает на поражение ее грибами. Под влиянием различных физических и химических воздействий при хранении, транспортировке и обработке древесины цвет ее также может изменяться. В речной воде древесина дуба сильно темнеет в результате соединения дубильных веществ с солями железа. Этой же причиной объясняется и появление на поверхности дубовых пиломатериалов черных полос и пятен при распиловке сырой древесины. Заболонь сосны после сплава иногда приобретает желтую окраску, а древесина березы - оранжевую. При пропаривании древесины бука она довольно равномерно окрашивается в красноватый цвет. Высокотемпературная сушка служит причиной появления буроватой окраски у древесины хвойных пород.

Цвет - одна из важнейших характеристик внешнего вида древесины, которую учитывают при выборе пород для внутренней отделки помещений, изготовления мебели, музыкальных инструментов, художественных поделок, спортивного инвентаря и т. д.

Блеск. Под блеском древесины понимают ее способность направленно отражать световой поток. Как известно, строго направленное отражение и, следовательно, наибольший блеск наблюдаются при освещении зеркальных, т. е. гладких, поверхностей с размерами неровностей, меньшими половины длины световой волны. В отличие от них матовые поверхности, имеющие однородные неровности больших размеров, отражают световой поток диффузно, т. е. равномерно во все стороны. Поверхности даже самым тщательным образом обработанной древесины приближаются к матовым и могут характеризоваться коэффициентом диффузного отражения (белизной).

Если на продольных разрезах древесины встречаются участки со сравнительно небольшими структурными неровностями, появляются блики, отсветы. Такой способностью в значительной мере направленно отражать свет обладают сердцевинные лучи на радиальных разрезах (лучше расколах) древесины произрастающих у нас пород - клена, платана, бука, ильма, дуба, кизила, белой акации, айланта; шелковистый блеск свойствен древесине бархатного дерева. Из иноземных пород особенно заметным блеском отличается древесина атласного дерева и махагони (красное дерево).

Текстура. Текстурой называют рисунок, образующийся на поверхности древесины вследствие перерезания анатомических элементов. Чем сложнее строение древесины и разнообразнее сочетание отдельных элементов, тем богаче ее текстура. В строении древесины хвойных пород принимает участие сравнительно небольшое число типов упорядоченно расположенных анатомических элементов, создающих довольно однообразную текстуру.

У хвойных пород текстура зависит в основном от разницы в окраске ранней и поздней древесины, а также от ширины годичных слоев. Извилистые очертания годичных слоев образуют более интересный рисунок, особенно у лиственницы и тиса на тангенциальном разрезе.

Для древесины лиственных пород, отличающихся весьма сложным строением, характерно наличие видимых невооруженным глазом крупных сосудов (например, у ясеня, бархатного дерева, дуба), сердцевинных лучей, обычно окрашенных темнее, чем окружающая древесина (например, у бука, ильма, платана), неправильно расположенных волокон и т. д. Это создает более богатую текстуру.

Выбор направления разреза древесины определяет характер текстуры. Из наших лиственных пород на радиальном разрезе красивую текстуру, обусловленную наличием сердцевинных лучей, имеют бук, платан, клен, явор, дуб, ильм, карагач. Три последние кольцесосудистые породы ценятся своей текстурой и на тангенциальном разрезе. Кроме этих пород на тангенциальном разрезе красивую текстуру, образованную в основном перерезанными сосудами, имеют ясень, грецкий орех, бархатное дерево, каштан съедобный, вяз.

Путаное расположение волокон (свилеватость) создает отличающуюся высокими декоративными свойствами текстуру древесины капов - наростов на стволах деревьев лиственных пород. Так называемая узорчатая древесина наблюдается у карельской березы. Ценится текстура клена «птичий глаз», которую создают неразвившиеся в побег спящие почки. Своеобразную текстуру можно получить при неравномерном прессовании древесины, лущении ее ножом с волнистым лезвием, а также при лущении древесины под углом к направлению волокон.

Текстура, так же как и цвет, определяет ценность древесины как декоративного материала. Прозрачная отделка древесины лаками проявляет ее текстуру. Лаковое покрытие, имеющее близкий к древесине коэффициент преломления света, увеличивает прозрачность поверхностных слоев и способствует зрительному восприятию глубины текстуры.

Макроструктура. Для оценки по внешнему виду древесины ее качества используют некоторые характеристики макроструктуры: ширину годичных слоев, степень равнослойности, содержание поздней древесины в годичных слоях, равноплотность, а также величину и характер распределения анатомических неровностей.

Показателем, характеризующим ширину годичных слоев, служит число слоев, приходящееся на 1 см отрезка, отмеренного по радиальному направлению на торцовой поверхности образца. Степень равнослойности обычно оценивают по разнице в числе годичных слоев на двух таких соседних участках длиной по 1 см. Содержание поздней древесины определяется соотношением в процентах между суммарной шириной зон поздней древесины и общей протяженностью (в радиальном направлении) участка измерения, включающего целое число слоев. Для определения этих показателей на древесине должны быть хорошо видны годичные слои и заметны четкие границы между ранней и поздней древесиной в пределах каждого годичного слоя. Поэтому у некоторых пород можно определить и ширину годичных слоев и содержание поздней древесины (хвойные и кольцесосудистые лиственные), у части рассеянно-сосудистых можно установить только ширину слоев, а у остальных пород возникают затруднения с определением и этого показателя.

Наименов-е

Химический состав

Физический свойства

Технологические требования и параметры

Хвойные: Сосна

Целлюлозы 41,9%, Лигнин 44,1%, Пентозаны 6,0%, Гексозаны 14,1% Золы 0,2% Влажность - 85%

Условная плотность 400 кг/м3. Плоскость раскалывания Н/мм: Радиальный 7,2; тангенциальный 7,1. Ударная твердость - 0,58 Дж/см2

Толщина пиломатериалов, мм. 16…19, 22…25, 32…40, 50 и более. Длина пакета или штабеля, м (числитель - хвойные, знаменатель - лиственные породы): 2,5…5/7; 5/6; 4/5; 3/4. 4,0…4,5…8/10; 7/9; 5/7; 4/5. 6,5…6,8…12/14; 10/12; 7/9; 6/7. По высоте штабеля прокладки следует укладывать одна над другой. Крайние прокладки рекомендуется укладывать на расстоянии не более 25 мм от торцов.

Ель

Целлюлозы 44,1%, Лигнин 28,9%, Пентозаны 5,1%, Гексозаны 15,6% Золы 0,2% Влажность - 91%

Условная плотность 360 кг/м3. Плоскость раскалывания Н/мм: Радиальный 5,7; тангенциальный 5,8. Ударная твердость - 0,59 Дж/см2


Лиственница.

Целлюлозы 34,5%, Лигнин 26,7%, Пентозаны 6,5%, Гексозаны 22,1% Золы 0,2% Влажность - 82%

Условная плотность 520 кг/м3. Плоскость раскалывания Н/мм: Радиальный 8,3; тангенциальный 8,2. Ударная твердость - 0,72 Дж/см2


Пихта.

Целлюлозы 41,2%, Лигнин 29,9%, Пентозаны 5,2%, Гексозаны 11,3% Золы 0,5% Влажность - 113%

Условная плотность 300 кг/м3. Плоскость раскалывания Н/мм: Радиальный 4,6; тангенциальный 5,6. Ударная твердость - 0,42 Дж/см2


Лиственные: Береза

Целлюлозы 33,7%, Лигнин 22,8%, Пентозаны 22,2%, Гексозаны 4,9% Золы 0,2% Влажность - 78%

Условная плотность 500 кг/м3. Плоскость раскалывания Н/мм: Радиальный 10,3; тангенциальный 12,8. Ударная твердость - 0,71 Дж/см2


Осина

Целлюлозы 41,8%, Лигнин 21,8%, Пентозаны 16,3%, Гексозаны 3,6% Золы 0,3% Влажность - 82%

Условная плотность 400 кг/м3. Плоскость раскалывания Н/мм: Радиальный 7,2; тангенциальный 9,6. Ударная твердость - 0,66 Дж/см2



.3 Энергоносители

Автоматическое управление электроприводом деревообрабатывающих станков и линий.

Энергоносителем в этом приводе является электрический ток, посредством которого обеспечиваются передача энергии и преобразование ее в механическую энергию выходного звена электродвигателя, передавшие через те или иные передаточные механизмы исполнительным звеньям манипулятора.

Основные достоинства электроприводов:

доступность энергоносителя;

компактная конструкция двигателя;

высокое быстродействие;

равномерность вращения;

высокий крутящий момент на максимальной скорости;

высокий КПД:

простота монтажа и наладки, а так же эксплуатации и обслуживания;

низкий уровень шума и вибраций;

достаточно высокие показатели надежности;

взаимозаменяемость двигателей;

высокая точность.

К недостаткам можно отнести:

сравнительно высокие обороты двигателей требуют применения сложных передаточных механизмов;

ограниченное использование во взрывоопасных средах;

недостаточно высокие показатели удельной мощности;

инерционность, вызывающую необходимость введения устройств фиксации звеньев;

наличие щеток в коллекторных двигателях постоянного тока.

По уровню автоматизации различают электроприводы: неавтоматизированный с ручным управлением, автоматизированный с автоматическим регулированием параметров; автоматический, управляемый полностью от автоматического устройства.

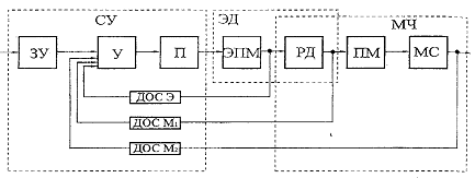
Структурная схема взаимодействия составных частей следящего электропривода показана на рисунке 1.


В этом приводе можно выделить три основные составные части:

механическая часть МЧ, включающая манипуляционную систему МС, передаточный механизм ПМ и ротор электродвигателя РД;

электродвигательное устройство ЭД, предназначенное для преобразования электрической энергии в механическую и представленное на схеме двумя элементами: электромеханическим преобразователем ЭМП и ротором электродвигателя РД.

система управления СУ, состоящая из силовой преобразовательной части П, управляющего устройства У и датчиков обратной связи - электрических ДОСЭ и механических ДОС М1 и ДОС М2. Преобразователь П предназначен для питания электродвигателя и формирования управляющих сигналов; устройство У управляющее преобразователем П, получает командные сигналы от задающего устройства ЗУ.

На рисунке 2 представлена функциональная схема электропривода. Эта схема представляет собой аналого-цифровую систему автоматического управления. В ней сочетаются преимущества комбинированной аналоговой системы, работающей по принципу трехконтурной системы подчиненного регулирования, с достоинствами цифровой системы.


Из рисунка видно, первый контур регулирования образован двигателем М с преобразователем ПР и регулятором тока РТ. Во второй контур регулирования входят: датчик скорости ДС и регулятор скорости РС. В третий контур дополнительно входят датчик угла ДУ и цифровой регулятор положения ЦРП.

Наименование

Технологические требования

 

Электродвигатель питающего конвейера

Мощность- 2,2кВт

 

Электродвигатель привода главного вала

Мощность- 0-100кВт

 

Электродвигатель рубительной машины

Мощность-110кВт

 

Электродвигатель гидропривода

Мощность- 0-7,5кВт

 

Электродвигатель шнекового питателя

Мощность -3кВт

Электродвигатель шлюзового питателя

Мощность- 5,5кВт

Электродвигатель пневмотранспортной установки

Мощность - 100кВт

Электродвигатель масляного насоса гидродвигателя

Мощность - 7,5 кВт


1.4 Продукт

В процессах выработки пиленой продукции необходимо обеспечить рациональное использование не только пиловочного сырья, но и оборудования, а также труда рабочих. Теоретические основы решения последних задач излагаются в теории гармонизации производственных процессов (теории производственных потоков). Без знания этих основ решать инженерные задачи в технологии пиломатериалов невозможно.

Производственным процессом называется совокупность операций, которые выполняются в необходимой последовательности, определенными средствами труда над предметами труда до превращения их в готовую продукцию. В производственных процессах можно выделить две группы операций: группу основных операций и группу вспомогательных операций. К основным операциям производственного процесса относятся те операции, в которых предмет труда претерпевает размерные или качественные изменения. Такие операции называются технологическими. Производство организуется для выполнения основных операций. Проведением этих операций в определенной последовательности производятся необходимые изменения с предметами труда и получается продукт труда. В этом основная цель производства.

Вспомогательными считаются такие операции, в которых предмет труда не претерпевает никаких изменений. Однако без этих операций в производстве нельзя обойтись. Примером таких операций может быть транспортировка предметов труда. К вспомогательным операциям относятся операции по укладке предметов, их учету, контроль качества и т. п.

В производственном процессе основная группа операций составляет технологический процесс. Все производственные процессы подразделяются на четыре группы:

-я группа - линейные процессы - предметы труда не расчленяются и не сочленяются на рабочих местах, но претерпевают изменения в форме, размерах, качестве; например, изготовление из лыжных заготовок массивных лыж;

-я группа-расчленяющиеся процессы - предметы труда разделяются на части; например, раскрой бревен на доски;

-я группа - сочленяющиеся процессы - готовые изделия представляют собой результат последовательного соединения различного однородного или разнородного исходного материала; например, сборка мебели в мебельном производстве;

-я группа - смешанные процессы - готовая продукция получается как результат расчленения исходных материалов на части, линейной их обработки и соединения отдельных частей в изделия; например, процессы мебельного производства, где материалы раскраиваются (расчленяющиеся процессы), проходят машинную обработку (линейные процессы), а затем собираются в узлы и изделия (сочленяющиеся процессы).

Во всех этих процессах любые последовательно выполняемые операции на рабочих местах называются смежными. В линейных процессах к ним относится любая пара последовательно выполняемых операций; в сочленяющихся процессах сборочная операция может иметь несколько смежных предшествующих ей операций, выполняемых с деталями, входящими в сборку; в расчленяющихся процессах - одна операция может иметь несколько смежных последующих операций, например при раскрое бревен на брусья и доски, направляемые для последующей обработки на рабочие места.

Каждый предмет труда проходит все операции производственного процесса, осуществляемые на рабочих местах. Движение многих однородных или неоднородных предметов труда в производственном процессе образует производственный поток. Руслом производственного потока принято называть размещенные в производстве рабочие места. Понятие о производственном потоке не следует смешивать с понятием производственного процесса.

Производственный процесс - совокупность операций, выполняемых в определенной последовательности, а производственный поток - это движение предметов труда в производственном процессе во времени и пространстве.

Один и тот же производственный процесс может быть выполнен при различной организации движения в нем обрабатываемых предметов труда во времени и пространстве. Состав и количество обрабатываемых предметов в производственных потоках разных типов производства различны:

в единичном производстве через одно и то же оборудование (рабочие места) в производственных потоках обычно пропускаются разные предметы единицами или небольшими партиями; поэтому состав предметов труда в таких потоках неоднороден;

в серийном производстве через один и тот же состав оборудования (русло потока) периодически пропускаются разные предметы труда партиями, а поэтому предметы труда в производственных потоках попеременно неоднородны;

при массовом производстве в потоках могут пропускаться однородные предметы труда неопределенно длительное время. Движение обрабатываемых предметов во времени и пространстве в смежных операциях процесса, выполняемых на рабочих местах, может быть непрерывным или прерывным. Под непрерывным движением обрабатываемых предметов в смежных операциях процесса понимается переход каждого из них после его обработки из одной операции в другую без всякого пролеживания (ожидания обработки) между рабочими местами, где выполняются эти операции.

Под прерывным движением обрабатываемых предметов в смежных операциях процесса понимается переход каждого из них после обработки в одной операции на другую с пролеживанием (ожиданием обработки) между рабочими местами, где выполняются эти операции.

Понятие непрерывности или прерывности в данном случае относится к обрабатываемым предметам, определяющим характер движения между операциями процесса, но не к рабочим местам, выполняющим эти операции.

Основная задача управления производством состоит в гармонизации движения обрабатываемых предметов на рабочих местах, где осуществляются операции производственного процесса, обеспечение их согласованной и бесперебойной работы.

Основы теории гармонизации движения обрабатываемых предметов на рабочих местах позволяют решать эту задачу применительно к разным условиям производства.

лесопильный автоматический управление деревообрабатывающий

1.4.1 Пиломатериалы

В 1983 г. в нашей стране было произведено, по данным ЦСУ, более 97 млн. м3 пиломатериалов. В зависимости от области применения различают пиломатериалы внутрисоюзного потребления и пиломатериалы, поставляемые на экспорт. Пиломатериалы внутрисоюзного потребления делятся на пиломатериалы общего назначения и специальные (авиационные, резонансные).

Пиломатериалы общего назначения, изготовляемые из древесины хвойных и лиственных пород (далее для краткости - хвойные пиломатериалы и лиственные пиломатериалы), соответствуют техническим условиям, которые регламентированы ГОСТ 8486 -66 (а также ГОСТ 24454 - 80) и ГОСТ 2695 - 83. Преимущественно выпускают хвойные пиломатериалы.

По форме и размерам поперечного сечения пиломатериалы делят на доски - если ширина вдвое больше толщины, бруски - если ширина меньше двойной толщины и брусья (у хвойных пиломатериалов)- если ширина и толщина более 100 мм. По числу пропиленных сторон брусья могут быть двухкантными, трехкантными и четырехбитными.

В пиломатериалах продольную широкую сторону называют пластью, узкую - кромкой, а линию пересечения пласти и кромки - ребром. По современной терминологии (ГОСТ 18288-77) пласть пиломатериала, обращенная к периферии бревна, называется наружной (старое название - лицевая), а к сердцевине бревна - внутренней. У необрезных пиломатериалов пласти пропилены, а кромки не пропилены. У обрезных пиломатериалов пропилены все четыре стороны, или же на кромках в допустимых размерах сохранилась часть поверхности бревна - обзол. Как указывалось ранее (глава 7), обзол может быть тупым или острым. Кроме того, пиломатериалы делятся на разновидности по направлению годичных слоев на торцах и месту выпиловки из бревна.

Хвойные пиломатериалы, согласно ГОСТ 24454-80, вырабатывают 16 размеров по толщине. Доски могут быть толщиной-16, 19, 22, 25 и 32 мм, доски и бруски 40, 44, 50, 60, 75, 100 мм, брусья-120, 150, 175, 200 и 250 мм. У лиственных пиломатериалов стандартизовано 12 толщин: с 19 по 40 мм, как у хвойных, затем 45, 50 мм и далее по 100 мм с градацией 10 мм. Пиломатериалы толщиной до 32 мм включительно называют тонкими, а больших размеров - толстыми.

Ширина обрезных хвойных пиломатериалов находится в диапазоне 75-275 мм. Из различных сочетаний толщины и ширины пиломатериалов образуется размерная сетка, включающая стандартизованные сечения пиломатериалов. Всего таких сечений 106, из них 72 сечения для досок, 15 - для брусков и 19 - для брусьев. Кроме того, для экспорта, платформ грузовых автомобилей, брусьев нефтяных вышек и мостовых брусьев стандартизовано еще 17 сечений. Для авто- и вагоностроения пиломатериалы изготовляются шириной 110 и 130 мм.

У хвойных необрезных пиломатериалов ширина узкой пласти должна быть не менее 50 или 60 мм при толщине от 16 до 50 и от 50 до 100 мм соответственно; не менее 0,6 толщины у брусьев толщиной от 100 до 300 мм. Такие же требования к ширине и для обрезных пиломатериалов с непараллельными кромками, только у брусьев ширина в узком конце должна быть не менее 0,7 толщины.

У лиственных обрезных пиломатериалов ширина может быть от 60 до ПО мм с градацией 10 мм, а также 130, 150, 180 и 200 мм. Необрезные и односторонне обрезные лиственные пиломатериалы имеют ширину 50 мм и более с градацией 10 мм. Ширина узкой пласти в необрезных пиломатериалах не должна быть менее 40 мм.

Ширину необрезных и односторонне обрезных пиломатериалов определяют как полусумму ширин двух пластей, измеренных посередине длины сортимента, округляя результат до 10 мм. Номинальные размеры пиломатериалов по толщине и ширине даны для древесины влажностью 20%. При влажности более или менее 20% фактические размеры должны быть установлены с учетом величины усушки согласно ГОСТ 6782.1-75 (для хвойных пород) и ГОСТ 6782.2-75 (для лиственных пород).

Пиломатериалы хвойных пород изготовляют длиной от 1 до 6,5 м с градацией 0,25 м, для тары от 0,5 м с градацией 0,1 м, а для экспорта от 0,9 до 6,3 м с градацией 0,3 м. Среди лиственных пиломатериалов можно выделить: короткие, длиной от 0,5 до 0,9 м; средние - от 1 до 1,9 м; длинные - от 2 до 6,5 м. Из древесины твердых лиственных пород короткие, средние и длинные пиломатериалы изготовляют с градацией 0,1 м. Из древесины мягких лиственных пород и березы короткие и средние пиломатериалы изготовляют с градацией 0,1 м, а длинные- 0,25 м.

Предельные отклонения от установленных размеров пиломатериалов не должны превышать, мм: по длине +50 и -25; по толщине для тонких ±1, а для толстых ±2 (у хвойных брусьев ±3); по ширине обрезных ±2 или ±3, если ширина пиломатериалов соответственно меньше или больше 100 мм.

В зависимости от качества древесины для хвойных пиломатериалов- досок и брусков установлено пять сортов: отборный (О), 1, 2, 3, 4-й, а для брусьев - четыре сорта (нет отборного). У лиственных пиломатериалов установлено три сорта, 1, 2 и 3-й.

Основным сортообразующим пороком в пиломатериалах являются сучки. В зависимости от сорта установлены различные нормы допуска сучков. Так, здоровые, сросшиеся сучки у хвойных пиломатериалов шириной более 100 м отборного сорта допускаются размером не более 20 мм в количестве не более 2 шт. на каждом метровом участке длины; у пиломатериалов 1-го сорта - размером не более lU ширины пласти в количестве не более 3 шт.; 2-го сорта - не более четырех сучков размером не свыше '/з ширины пласти; 3-го сорта - тоже не более четырех сучков, но размер их может достигать 7г ширины пласти; у пиломатериалов 4-го сорта эти сучки допускаются без ограничения.

Кроме сучков, на сортность пиломатериалов оказывают влияние трещины, пороки строения древесины, грибные поражения, повреждения насекомыми, покоробленности, дефекты обработки. Нормы допускаемых пороков указаны в ГОСТ 8466-66 с изменениями и ГОСТ 2695-83.

К пиломатериалам, предназначенным для обшивки судов, настила палуб, предъявляются дополнительные требования в отношении содержания ядра и заболони, расположения годичных слоев и т. д.

Получает развитие производство конструкционных пиломатериалов с контролируемой прочностью и жесткостью. Согласно ТУ 13-722-83 «Доски конструкционные» эти пиломатериалы должны изготовляться из древесины сосны, ели, пихты, лиственницы, березы и осины. Размеры досок должны соответствовать требованиям ГОСТ 24454-80. Доски изготовляют двух сортов - К24 и К19. Число, входящее в обозначение сорта, соответствует значению (в МПа) нормативного сопротивления изгибу при нагружении на кромку. Кроме того, для обоих сортов установлены нормативные сопротивления изгибу на пласть, продольному сжатию, растяжению и скалыванию, а также нормативный модуль упругости при влажности 12±2%. Для досок, используемых в строительстве, допускается нормировать в зависимости от особенностей конструкции любой из перечисленных показателей, а для досок, применяемых в авто- и вагоностроении,- только сопротивление изгибу при нагружении на пласть.

Нормативные показатели должны быть обеспечены сплошным визуальным или измерительным контролем досок. Визуальный контроль основан на определении в худшем участке длиной равной двум ширинам доски относительных совокупных размеров zK сучков прикромочной зоны (0,25 ширины доски) и 2П сучков, выходящих на обе пласти. В ТУ приведены допустимые значения zK и zn для обоих сортов досок из древесины сосны и ели, разных регионов произрастания.

Сортирующую машину, которая измеряет усилие реакции или прогиб, настраивают, используя приведенные в ТУ нормы модуля упругости, обеспечивающие требуемые показатели сопротивления изгибу, сжатию, растяжению. При отсутствии таких норм границы регулирования показателей жесткости определяют, применяя согласно ГОСТ 21554.3-82 уравнения регрессии между пределом прочности и модулем упругости.

С целью повышения точности сортировки можно применить комбинированный измерительно-визуальный метод контроля. В указанном ТУ приведены также нормы допуска отклонений формы и шероховатости поверхности, а также пороков (гнили, червоточины, трещин, прорости), характеризующих состояние древесины. Влажность конструкционных досок должна быть не более 22%.

В основе действующего с 1982 г. прейскуранта оптовых цен на пилопродукцию, так же как на круглые лесоматериалы, лежат ценностные коэффициенты. Здесь за единицу принят коэффициент для хвойных пиломатериалов, предназначенных для внутрисоюзного потребления, самого распространенного 3-го сорта, обрезных, длиной 2-6,5 м толщиной 25-32 мм. Хвойные пиломатериалы отборного сорта имеют коэффициент 2; 1-го-1,6; 2-го-1,3; 4-го - 0,7. Необрезные пиломатериалы тех же сортов имеют коэффициенты равные 0,65 от приведенных выше значений. Пиломатериалы из лиственницы имеют коэффициенты в 1,2 раза большие, чем пиломатериалы остальных хвойных пород (сосны, ели, пихты, кедра). Короткие доски (длиной менее 2 м) стоят в 2-3 раза дешевле длинных.

У пиломатериалов из лиственных пород ценностные коэффициенты существенно зависят от породы. Для пиломатериалов из мягких лиственных пород коэффициенты ниже на 15-20%, из березы - ниже на 10%, а из твердых лиственных пород - выше в 2-3 раза. Необрезные пиломатериалы имеют коэффициенты на 20% ниже, чем обрезные. Короткие лиственные доски стоят в 2-5 раза дешевле длинных.

Для хвойных и лиственных пиломатериалов установлены различные цены в зависимости от их толщины, и толстые доски дешевле тонких. Кроме того, у хвойных пиломатериалов влияет на цену ширина; доски шириной более 180 мм стоят на 10% дороже.

Правила приемки, контроля, маркировки и транспортирования пиломатериалов изложены в ГОСТ 6564-79. Объем каждой штуки пиломатериала определяют по номинальным размерам длины, ширины и толщины, не учитывая припуски на усушку и допускаемые отклонения размеров. Для определения объемов используют таблицы, приведенные в ГОСТ 5306-83. Правила атмосферной сушки и хранения пиломатериалов хвойных и твердых лиственных пород установлены ГОСТ 3808.1-80 и ГОСТ 7319-80; методы поверхностной антисептической обработки пиломатериалов хвойных пород с целью защиты их от синевы и плесени регламентируются ГОСТ 10950-78.

В последнее время все шире развивается транспортирование пиломатериалов в пакетах. В пакет укладываются пиломатериалы одной породы, толщины, сорта и не более четырех смежных длин (для экспортных пиломатериалов - одной длины). Пакеты состоят из стоп, отделенных прокладками. В свою очередь, пакеты входят в состав более крупных складочных, грузовых и транспортных единиц блок-пакетов. Размеры пакетов и блок-пакетов установлены ГОСТ 16369-80, а правила формирования, упаковки, маркировки, транспортирования и хранения - ГОСТ 19041-73.

Авиационные пиломатериалы изготовляются из соответствующих кряжей хвойных и лиственных пород и предназначаются для выработки заготовок и деталей, применяемых в самолетостроении, вертолетостроении, производстве авиационных винтов и лыж. Из авиационной зоны кряжей, древесина которой обладает высокими удельными характеристиками прочности, выпиливают доски и бруски. Эти пиломатериалы должны удовлетворять требованиям, изложенным в ГОСТ 968-68.

Обапол - это крайняя часть бревна, остающаяся при распиловке досок, прирезанная по длине и предназначенная для крепления горных выработок. Обапол может быть двух видов: горбыльный с непропиленной наружной поверхностью и дощатый с пропиленной более чем на половину длины наружной поверхностью. Обапол изготовляется из древесины хвойных пород; он должен быть окорен, опилен с торцов и очищен от сучьев вровень с наружной поверхностью. Длина обапола находится в пределах от 0,8 до 2,75 м, толщина в вершинном конце от 16 до 35 мм, а ширина от 90 до 200 мм. Более подробно размеры обапола, требования к его качеству, правила обмера (объем измеряют в складочной мере), упаковки и другие вопросы изложены в ГОСТ 5780-77.

Экспортные пиломатериалы производятся в значительных количествах. Наши пиломатериалы отличаются высоким качеством и пользуются большим спросом на внешних рынках. Для экспорта преимущественно в капиталистические страны Европы и Азии пиломатериалы «северной сортировки» вырабатывают согласно ГОСТ 26002-83. В эти страны поставляется более половины общего объема экспортных пиломатериалов. Значительно меньше пиломатериалов идет на средиземноморский и южный рынок; эти пиломатериалы «черноморской сортировки» вырабатывают согласно требованиям ГОСТ 9302-83 Э. В социалистические страны пиломатериалы изготовляются по внутрисоюзному ГОСТ 8486-66.

Экспортные пиломатериалы северной сортировки, поставляемые через беломорские, дальневосточные, Ленинградский и Игарский порты, вырабатывают из хвойных пород, главным образом из сосны и ели, а также пихты, лиственницы и кедра. Пиломатериалы подразделяют: по толщине - на тонкие (от 16 до 22 мм), средние (от 25 до 44 мм) и толстые (от 50 до 100 мм); по ширине - на узкие (от 75 до 125 мм) и широкие (150 мм и выше); по длине - на короткие (от 0,45 до 2,40 м) и длинные (от 2,7 до 6,3 м). Сетка сечений установлена в соответствии с ГОСТ 24454-80. Размеры пиломатериалов по длине следующие: от 1,5 м и более с градацией 0,3 м и от 0,45 до 1,35 с градацией 0,15 м.

Номинальные размеры экспортных пиломатериалов относятся к влажности равной 20%. По качеству древесины и ее обработке установлено пять сортов. Обычно пиломатериалы сортируют на три группы, бессортные (включающие 1, 2 и 3-й сорта) и порознь пиломатериалы 4-го и 5-го сорта. Весьма жесткие требования к качеству древесины пиломатериалов каждого сорта установлены в ГОСТ 26002-83. Основные сортообразующие пороки - сучки, гнили, синева, а также обзол. Предусматривается сортировка пиломатериалов по породам. При этом среди еловых пиломатериалов допускается не более 15% пихтовых. Поставка пиломатериалов осуществляется по согласованным с потребителем спецификациям - стокнотам. Экспортные пиломатериалы должны пройти атмосферную или камерную низкотемпературную сушку до транспортной влажности. Перед атмосферной сушкой летом пиломатериалы подвергаются антисептированию.

.4.2 Заготовки

В виде товарной продукции выпускаются заготовки общего и специального назначения.

Заготовки общего назначения хвойных и лиственных пород изготовляются согласно требованиям ГОСТ 9585-61 и ГОСТ 7897-83. Они предназначены для изготовления деталей, применяемых в строительстве, вагоно-, авто-, судо-, обозо- и сельхозмашиностроении, производстве мебели, паркета. По виду обработки заготовки различаются на пиленые, полученные путем пиления, и калиброванные, простроганные (профрезерованные) после пиления для придания точных размеров по толщине и ширине. Кроме того, выпускаются клееные заготовки, изготовленные из нескольких более мелких заготовок склеиванием их по длине, ширине или толщине. Такие заготовки по существу представляют композиционные материалы.

Сетки поперечных сечений заготовок приближены к соответствующим размерным сеткам пиломатериалов. У хвойных заготовок в отличие от пиломатериалов предусмотрены толщины 7, 10 и 13 мм; наибольшая толщина заготовок 100 мм, а ширина 200 мм. Всего установлено 138 номинальных сечений. У лиственных заготовок наименьшая толщина 19 мм, а ширина 40 мм; наибольшая толщина заготовок 70 мм, а ширина 150 мм. Всего установлено 89 номинальных сечений. Дополнительно регламентирована ширина заготовок для производства штучного паркета от 40 до 100 мм с градацией 5 мм. По размерам поперечного сечения различают заготовки тонкие (толщина до 32 мм включительно) и толстые. Кроме того, выделяют досковые - шириной более двойной толщины и брусковые - шириной менее двойной толщины.

Длина заготовки установлена от 0,3 м (у хвойных - от 0,5 м) до 1 м с градацией 50 мм, а свыше 1 м с градацией 100 мм. Хвойные заготовки для изготовления паркетных покрытий и лиственные заготовки для штучного паркета имеют размеры по длине, отличающиеся от размеров для остальных заготовок. Номинальные размеры заготовок по длине и ширине установлены для древесины влажностью 20% (у хвойных 15%). При большей или меньшей влажности древесины фактические размеры заготовок устанавливают согласно ГОСТ 6782.1-75 или ГОСТ 6782.2-75.

По качеству древесины и обработки хвойные заготовки делятся на четыре группы: 1, 2, 3 и 4-я, а лиственные - на три сорта; 1, 2, 3-й. Нормы допускаемых пороков и дефектов обработки для каждой группы или сорта установлены в ГОСТ 9685-61 и ГОСТ 7897-83.

Правила приемки, маркировки, упаковки, транспортирования и хранения заготовок приведены в соответствующих стандартах, которые были указаны при рассмотрении пиломатериалов.

Заготовки специального назначения подразделяются: на заготовки авиационные хвойных (ГОСТ 2646-71) и лиственных пород (ГОСТ 2996-79); заготовки для лыж (ГОСТ 16424-83); лыжные заготовки (ГОСТ 48-76); заготовки деревянные резонансные для музыкальных инструментов (ГОСТ 6900-83); заготовки для весел (ГОСТ 12457-77); деревянных деталей колес конных повозок (ГОСТ 2800-83); бруски для ткацких челноков (ГОСТ 12131-76); шпуль и катушек (ГОСТ 13520-76); каблуков (ГОСТ 6251-76); секторы для обувных колодок (ГОСТ 6241-76).

Заготовки лыжные предназначаются для производства гоночных, спортивно-беговых, подростковых, туристских, лесных и детских лыж. Заготовки многослойных лыж имеют толщину от 16 до 28 мм, а массивных лыж - от 22 до 32 мм. Ширина заготовок от 45 до 125 мм, длина от 1000 до 2400 мм. Их вырабатывают из древесины березы, ясеня, клена и ильма, также из бука (для детских лыж) и частично осины, липы, ольхи. По качеству древесины заготовки могут быть двух сортов. В числе ограничиваемых пороков: сучки, грибные поражения, пороки строения, трещины, покоробленность. Предъявляются дополнительные требования к расположению годичных слоев в заготовках для скользящей поверхности различных видов лыж.

Заготовки резонансные предназначаются для изготовления дек клавишных, щипковых и смычковых инструментов. Вырабатывают заготовки из древесины ели и пихты кавказской и, по особому соглашению, из кедра сибирского. В зависимости; от назначения в ГОСТ 6900-63 установлены различные размеры заготовок. Длина их может быть от 280 до 2700 мм, ширина от 30 мм и более, а толщина в пределах от 4 до 53 мм. Заготовки должны быть радиальной распиловки. К заготовкам для клавишных, щипковых и смычковых инструментов предъявляются дифференцированные требования в отношении показателей макроструктуры и пороков древесины.

1.4.3 Пиленые детали

К пиленым деталям относят шпалы и переводные брусья железных дорог, планки для снегозадерживающих щитов и др. Рассмотрим основные характеристики шпал и переводных брусьев, на изготовление которых ежегодно расходуется 10 млн. м3 крупномерной древесины.

Шпалы для железных дорог широкой колеи. В зависимости от назначения шпалы могут быть трех типов: I-для главных путей, II - для станционных и подъездных путей и III-для малодеятельных подъездных путей промышленных предприятий. Шпалы также подразделяются на необрезные, пропиленные только с двух противоположных сторон, и обрезные, пропиленные со всех четырех сторон. Согласно ГОСТ 78-65 шпалы I типа имеют толщину 180 мм, ширину верхней пласти 165 мм, а нижней - 250 мм, шпалы II и III типов имеют несколько меньшую толщину соответственно: 160 и 150 мм. Ширина верхней пласти у них равна толщине, а нижняя имеет размер 230 мм. Длина шпал для принятой в нашей стране ширины колеи в 1524 мм обычно составляет 2750 мм. Однако для особо грузонапряженных участков по специальным заказам изготовляют шпалы длиной 2800 мм, а для участков, где укладывается совмещенный путь с различной шириной колеи,- длиной 3000 мм.

Допускаются отклонения от установленных размеров по длине ±20 мм, по толщине ±5 мм; по ширине верхней пласти - 10 мм до ширины нижней пласти; по ширине нижней пласти - 5 мм и +20 мм. В стандарте указаны также допустимые отклонения в высоте пропиленных боковых сторон у обрезных шпал. Для изготовления шпал используются кряжи указанных в гл. 11 пород. Влажность древесины может быть любой, однако если она выше 22%, по толщине и ширине шпал должны быть предусмотрены припуски к номинальным размерам на усушку согласно ГОСТ 6782.1-75 или 6782.2-75.

В шпалах ограничен допуск пороков, влияющих на прочность древесины. По качеству различают шпалы 1-го и 2-го сорта. Особое внимание уделяется качеству древесины у шпал в местах расположения подрельсовых подкладок. Так, здоровые сросшиеся сучки в этих местах у шпал 1-го сорта должны быть размером не более 40 мм, а у шпал 2-го сорта - не более 60 мм. На остальных поверхностях сучки указанной разновидности допускаются больших размеров. Табачные сучки совсем не допускаются у шпал 1-го сорта, а у шпал 2-го сорта их может быть не более 3 шт. размером не более 25 мм, при условии, что эти сучки не находятся в месте расположения подкладок.

Вне зависимости от сорта шпал не допускаются: гнили - ядровые и мягкая заболонная, двойная сердцевина, одновременно метиковые и морозные трещины. Стандартом установлены определенные ограничения в допуске грибных ядровых пятен и полос, твердой заболонной гнили, ложного ядра, червоточины глубокой, трещин, наклона волокон, прорости и механических повреждений. Непропиленные поверхности шпал и обзольные участки обрезных шпал должны быть очищены от коры и луба. Шпалы учитываются в штуках; хранятся они в штабелях на прокладках или с перекрещивающимися рядами. Перед укладкой в путь шпалы пропитывают масляными антисептиками.

Шпалы для железных дорог узкой колеи такой же формы, как для широкой колеи, но меньших размеров. Согласно ГОСТ 8993-75 они изготовляются трех типов: I, II и III и могут быть обрезными и необрезными. У шпал I типа толщина и ширина верхней пласти 140 мм, ширина нижней пласти 230 мм. У шпал III типа толщина 130 мм, ширина верхней пласти 100 мм, а нижней-190 мм. Длина шпал для колеи 600 мм равна 1200, для колеи 750 мм- 1500 и для колеи 900 мм- 1700 мм. Нормы допускаемых пороков примерно соответствуют нормам для второго сорта шпал широкой колеи.

Брусья для стрелочных переводов железных дорог широкой и узкой колеи изготовляются соответственно по ТОСТ 8816-70 и ГОСТ 8992-59. По форме и поперечным размерам они близки к шпалам (имеют одинаковую толщину, но большую ширину, особенно верхней пласти). Длина переводных брусьев для широкой колеи составляет от 3 до 5,5 м с градацией 0,25 м. Для узкой колеи шириной 600 и 750 мм установлено десять размеров длины в диапазоне 1300-3000 мм, а для колеи 900 мм - тоже десять размеров в диапазоне 1600- 3500 мм.

Переводные брусья изготовляют из древесины тех же пород, что и шпалы. К качеству древесины предъявляются более высокие требования, чем у шпал. Нормы допускаемых пороков приведены в указанных выше стандартах. Ширококолейные переводные брусья учитываются и поставляются комплектами с разным набором брусьев в зависимости от назначений путей, типа рельсов и марки стрелочных переводов. Узкоколейные переводные брусья учитываются в комплектах или поштучно. Переводные брусья широкой колеи допускается изготовлять склеенными из отдельных элементов согласно ГОСТ 9371-76.

Шпалы для метрополитена согласно ГОСТ 22830-77 имеют толщину и ширину верхней пласти 165 мм, а ширину 'нижней пласти 250 мм. Длина шпал 2650 мм, а также 900 мм (и кратной длины). Номинальные размеры установлены для влажности 18%. Изготовляют шпалы из древесины сосны или березы. Их пропитывают масляными антисептиками.

Наименов-е

Химический состав

Физические свойства

Технологические требования и параметры

Сосна

Целлюлозы 41,9%, Лигнин 44,1%, Пентозаны 6,0%, Гексозаны 14,1% Золы 0,2%

Условная плотность 505 кг/м3. Плоскость раскалывания Н/мм: Радиальный 11,5; тангенциальный 11,3. Ударная твердость - 0,73 Дж/см2

Пиломатериалы изготавливают сухими (с влажностью не более 22%), сырыми (с влажностью более 22%) и сырыми антисептированными. Для древесины неокрашенных деталей не более 18%, кроме брусков сечением 100*100 мм и выше влажность которых не должна превышать 22%. В строганных деталях, предназначенных внутри помещения - 15%, снаружи помещения - 18%. Для дощечек, планок ящиков или комплектов не более 20%. Для наружных коробок и тамбуров дверей 12-+2%; внутренних дверей и дверных полотен 9+-3%.

Ель

Целлюлозы 44,1%, Лигнин 28,9%, Пентозаны 5,1%, Гексозаны 15,6% Золы 0,2%

Условная плотность 445 кг/м3. Плоскость раскалывания Н/мм: Радиальный 9,8; тангенциальный 10,9 Ударная твердость - 0,65 Дж/см2


Лиственница

Целлюлозы 34,5%, Лигнин 26,7%, Пентозаны 6,5%, Гексозаны 22,1% Золы 0,2%

Условная плотность 665 кг/м3. Плоскость раскалывания Н/мм: Радиальный 13,4; тангенциальный 13,3. Ударная твердость - 0,90 Дж/см2


Пихта

Целлюлозы 41,2%, Лигнин 29,9%, Пентозаны 5,2%, Гексозаны 11,3% Золы 0,5%

Условная плотность 375 кг/м3. Плоскость раскалывания Н/мм: Радиальный 7,4; тангенциальный 9,0. Ударная твердость - 0,53 Дж/см2


Береза

Целлюлозы 33,7%, Лигнин 22,8%, Пентозаны 22,2%, Гексозаны 4,9% Золы 0,2%

Условная плотность 640 кг/м3. Плоскость раскалывания Н/мм: Радиальный 16,5; тангенциальный 20,6. Ударная твердость - 0,82 Дж/см2


Осина

Целлюлозы 41,8%, Лигнин 21,8%, Пентозаны 16,3%, Гексозаны 3,6% Золы 0,3%

Условная плотность 495 кг/м3. Плоскость раскалывания Н/мм: Радиальный 11,5; тангенциальный 15,5. Ударная твердость - 0,75 Дж/см2



2. Описание режимов технологического процесса

.1 Режим Пуск-остановка

Ключ управления электродвигателя имеет 3 положения: 0-холостое, соответствующее отключению схемы, СТАРТ - пусковому моменту и 1-рабочее. В положении 0 все контакты разомкнуты. Для пуска ключ переводят в положение СТАРТ, при этом замыкаются все контакты. Тогда возникает токовая цепь от управления шины через автоматический выключатель, замкнутые контакты теплового реле, контактор и нулевую шину. Контактор срабатывает и замыкает контакты. При этом питание поступит на двигатель от силовых шин через трехполюсный выключатель-предохранитель. Двигатель включается.

Замкнувшиеся контакты подключаются параллельно и блокируют питание. Разомкнувшиеся контакты отключают сигнальную лампу, а замкнувшиеся контакты совместно с рядом других контакторов передают определенную токовую команду управления на соответствующий узел.

При остановке всех механизмов линии отключение производится в обратном порядке установкой пусковых и защитных ключей в состояние 0.

.2 Аварийный режим

При аварийной ситуации обесточивается контактор, так как тепловое реле размыкает свои контакты. Тогда силовые контакты размыкаются, питание на двигатель прекращается и он останавливается. Через замкнувшиеся в состоянии покоя контакты напряжение подается на первичную обмотку сигнального трансформатора и лампа, сигнализирующая об аварийном состоянии загорается. Контакты прерывают токовую команду в дальнейшие цепи, а размыканием контактов прерывается цепь блокировки контактора. За счет данного разрыва контактор не включится. Поэтому при аварийном отключении ключ необходимо вернуть в положение 0 и устранить аварию.

3. Описание существующей системы управления, ее состав

Наименование

Контроль

Сигнализация

Регулирование

Защита

Дистанционное управление


А

Р

А

Р

А

Р

А

Р

А

Р

Механизмы главного привода

+

+

+

+

+

+

-

-

+

Триммер

+

-

+

-

+

+

+

-

-

+

Сортировочный конвейер

+

 +

 +

 -

 +

 +

+

-

 -

 +

Рубительная машина

+

+

+

-

-

 +

+

 -

 -

 +

Пневмотранспортная установка

+

+

+

+

+

+

+

-

-

+


4. Расчетная часть

Обосновать экономическую эффективность технологического процесса управления лесопильного цеха при предпроизводственных затратах 750 тыс. рублей, если ассигнования на приобретение вычислительной техники и комплектующего оборудования составляют 300 тыс. рублей. Структура и размер предпроизводственных затрат представлены в таблице 1.

Таблица 1

Статьи расхода

Размер предпроизводственных затрат, тыс.руб.


всего

На научные исследования

экспериментальные работы

конструкторские работы

изготовление образцов

Материалы

30

0,5

1,25

1,25

27

Топливо

1

-

-

-

1

Зар. плата

20

10

2,5

2,5

5

Амортизация

6,25

-

-

-

6,25

Накладные расходы

16,25

8

1,5

1,75

5

Прочие расходы

6,5

1,25

1,25

0,75

3,25

Итого

80

19,75

6,5

6,25

47,5

 

Решение:

Общая сумма капитальных затрат составит по формуле:

Кв = Ка + Км + Кп + Кр + Зп

Кв = 750 + 80 = 830 тыс. руб.

Суммарные текущие затраты в расчете на квартал составят:

Зэ = За + Зтр + Зоп + Зэн + Зэп

Зэ = 300∙0,1 + 300∙0,04 + 17,5 +6,25 + 3,5 = 69,25 тыс. руб.

Из расчета среднепрогрессивного суточного выпуска изделия №1,2 (таблица 2,3)

вычислим прирост производства:

 - для изделия №1

 - для изделия №2

В этих условиях суммарный прирост производства достигает:


Таблица 2 - Изделие №1

месяцы

Выпуск, тыс.м2

Число рабочих дней

Среднесут. выпуск, тыс.м2

Показатели прогрессивного уровня





Выпуск, тыс.м2

Число дней

Среднесут. выпуск, тыс.м2

апрель

1115

31

42,3

1290

31

42,5

май

1050

29

42,6

1206

29

42,9

июнь

1110

31

42,25

1280

31

42,5

итого

3275

91

42,38

3776

91

42,63


Таблица 3 - Изделие №2

месяцы

Выпуск, тыс.м2

Число рабочих дней

Среднесут. выпуск, тыс.м2

Показатели прогрессивного уровня





Выпуск, тыс.м2

Число дней

Среднесут. выпуск, тыс.м2

апрель

1200

31

41,3

1189

31

41,5

май

1150

29

41,6

1145

29

41,9

июнь

1198

31

41,25

1190

31

41,3

итого

3548

91

41,38

3524

91

41,56


%

Таким образом, коэффициент роста объема производства в условиях функционирования АСУП составит:

Расчет возможного сокращения затрат сырья и материалов по отдельным изделиям, используются данные о помесячных затратах.

С учетом полученных фактического и среднепрогрессивного удельных коэффициентов возможная экономия затрат сырья и материалов по изделию №1 составит:

Эм = (Рсф - Рсп)*В или Эм1 = (1,65 - 1,63)*835880 = 16717,6 руб.,

а снижение затрат:

 равно

С учетом полученных фактического и среднепрогрессивного удельных коэффициентов возможная экономия затрат сырья и материалов по изделию №2 составит:

Эм = (Рсф - Рсп)*В или Эм2 = (1,66 - 1,59)*786865 = 55080,55 руб.,

а снижение затрат:

 равно

При условии, что вычисленное аналогичным путем снижение затрат по изделию №2 достигает 0,031, а также с учетом удельного веса указанных видов продукции в общем объеме производства (изделия №1 - 0,68%, №2 - 0,46%) суммарное снижение затрат составит:


Таблица 4 - Изделие №1

месяцы

Затраты сырья и материалов, руб.

Выпуск продукции, кг

На 1кг продукции, руб.

Показатели среднепрогрессивного уровня





Затраты всего, руб.

Выпуск продукции, кг

На 1кг продукции, руб.

апрель

565056

226451

1,56

565056

226451

1,56

май

623265

306843

1,70

-

-

-

июнь

648904

302586

1,70

648904

302586

1,70

итого

1837225

835880

1,65

1213960

529037

1,63


Таблица 5 - Изделие №2

месяцы

Затраты сырья и материалов, руб.

Выпуск продукции, кг

На 1кг продукции, руб.

Показатели среднепрогрессивного уровня





Затраты всего, руб.

Выпуск продукции, кг

На 1кг продукции, руб.

апрель

575032

300432

1,80

-

-

-

май

645322

254322

1,55

645322

254322

1,55

июнь

534212

232111

1,63

534212

232111

1,63

итого

1754566

786865

1,66

1179534

486433

1,59


Из данных предприятия (таблица 6), в среднем за квартал на 1т изделия №1 приходилось 0,144 т отходов. Их среднепрогрессивный уровень составлял 0,138 т, что обеспечивает возможность уменьшения отходов по изделию №1 на

∆От1 = (0,144 - 0,138) 4753 = 28,5т.

Аналогичные расчеты по изделию №2 показали возможное сокращение отходов в размере 24,06т.

∆От2 = (0,153 - 0,148) 4813,5 = 24,06т.

В результате общее сокращение отходов достигает

∆От = 28,5 + 24,06 = 52,56т.

Таблица 6 - Изделие №1

месяцы

Выпуск продукции, т

Количество отходов

Показатели среднепрогрессивного уровня



Всего, т.

На 1т продукции

Выпуск продукции, т

Количество отходов






Абсолютное, т.

На 1т продукции

апрель

1654,5

187,5

0,156

-

-

-

май

1521,5

196,6

0,134

1521,5

196,6

0,134

июнь

1577,0

276,1

0,143

1577,0

276,1

0,143

итого

4753

660,2

0,144

3098,5

472,7

0,138


Таблица 7 - Изделие №2

месяцы

Выпуск продукции, т

Количество отходов

Показатели среднепрогрессивного уровня



Всего, т.

На 1т продукции

Выпуск продукции, т

Количество отходов






Абсолютное, т.

На 1т продукции

апрель

1663,4

236,3

0,142

1663,4

236,3

0,142

май

1586,6

154,2

0,165

-

-

-

июнь

189,5

0,154

1563,5

189,5

0,154

итого

4813,5

580

0,153

3226,9

425,8

0,148


Заключение

При выполнении данной курсовой работы был проведен анализ существующих систем управления и выявлены ее недостатки. Внесение коррективов в существующую систему управления сможет увеличить производительность всего предприятия. Я изучила устройство линии сортировки пиломатериалов, ее функции и предназначение; ее значение на деревообрабатывающем предприятии, а так же ознакомилась со структурами и функциями систем управления, овладела методами анализа сложных систем регулирования.

Список использованной литературы

1.   Г.С. Мациевский, В.И. Алексеев. Пособие оператору автоматических линий сортировки сырых пиломатериалов. Учебное пособие для профтехобразования. - М.: Лесная промышленность, 1985. - 272с.

2.       Ю.М. Варакин, Г.С. Мациевский. Пособие оператору установок для торцовки и сортировки пиломатериала. Учебное пособие для профобразования. - М: Лесная промышленность, 1981. - 112с.

.        С.Н. Рыкунин, Ю.П. Тюкина, В.С. Шалаев. Технология лесопильно-деревообрабатывающих производств. Учебное пособие для студентов специальности 260200 - М.: МГУЛ, 2003. - 225с.:ил.

Похожие работы на - Автоматика и автоматизация технологического процесса управления лесопильных рам деревообрабатывающих предприятий

 

Не нашли материал для своей работы?
Поможем написать уникальную работу
Без плагиата!
Без нейросетей!