Расчет редуктора
Содержание
1. Техническое задание
2. Кинематический и силовой расчет
. Определение диаметров зубчатых колес по критерию
контактной выносливости зубьев
. Определение размеров зубчатых колес планетарного
редуктора из условия изгибной прочности зубьев
. Определение размеров зубчатых колес планетарного
редуктора из условия долговечности подшипников сателлитов
. Проектировочный расчет валов
. Расчет быстроходного вала
. Проверочный расчет подшипников быстроходного вала
. Расчет соединений
. Расчет фундаментальных болтов
. Расчет КПД редуктора
. Расчет на нагрев и выбор смазки
. Выбор электродвигателя
Список
литературы
1. Техническое
задание
Задание №1
Вариант №2
Дано:
Максимальный момент на тихоходном валу: Тт = 2500 Н*м
Частота вращения: nт = 90 об/мин
Передаточное число: iобщ = 16
Режим
нагрузки:

Долговечность:
tΣ = 5500 час
Параметр:
p1 = 3
Марка
стали колес: 30ХГТ
Термообработка
активных поверхностей их зубьев: Цементация
2.
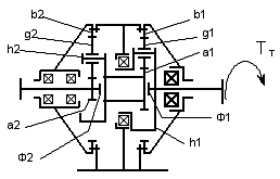
Кинематический и силовой расчет
Редуктор
выполнен по схеме
iобщ = (p1+1)*(p2+1)=16
Частоты
вращения основных звеньев:
Относительные
частоты вращения сателлитов:
Расчет
относительных частот вращения основных звеньев.
Вращающие
моменты на основных звеньях планетарных передач определяют из условия, что
отношение моментов, действующих на два основных звена, обратно пропорционально
отношению угловых скоростей этих звеньев относительно третьего основного звена
с обратным знаком.
Формула
в общем виде имеет вид:
где
μ,
ν, τ - индексы, присваиваемые
любому из основных звеньев.
Моменты
действующие на основные звенья передач:
3.
Определение диаметров зубчатых колес по критерию контактной выносливости зубьев
1. Расчет эквивалентного времени:
Тихоходная
ступень
2. Расчет эквивалентного числа циклов:
3. Расчет коэффициента долговечности:
Следовательно
Следовательно
.
4. Расчет допускаемых напряжений:
Быстроходная ступень
Следовательно
Следовательно
Следовательно
.
Твердость
при цементации стали 30ХГТ 57 - 63 HRC, табл.2.6, с.43[1] для
шестерни и колеса.
Предел
выносливости при цементации рассчитывается по формуле:
из табл.
2.5, с.38[1].
Рассчитывая
по нижнему пределу твердости, получим:
МПа.
Коэффициент
при цементировании:
.
Допускаемые
напряжения для шестерни:
Допускаемое
напряжение для зацепления выбираем, как наименьшее из
и
:
=1125.275МПа.
Допускаемые
напряжения для шестерни:
Допускаемое
напряжение для зацепления выбираем, как наименьшее из
и
:
=1092,5МП
5. Расчетный момент на шестерне:
Н*м
6. Передаточное число в зацеплении a - g:
7. Определение относительной ширины шестерни:
, тогда
Таким
образом
8. Расчет коэффициента неравномерности распределения нагрузки в
зацеплении:
Из рис. 6.16, с.131[1] находим
При
плавающем центральном колесе
Принимаем
коэффициент, учитывающий динамические нагрузки,
Н*м
,тогда
Таким
образом
Из
рис. 6.16, с.131[1] находим
При
плавающем центральном колесе
Принимаем
коэффициент, учитывающий динамические нагрузки,
9. Расчет начального диаметра шестерни (центрального колеса а)
4.
Определение размеров зубчатых колес планетарного редуктора из условия изгибной
прочности зубьев
1. Эквивалентное
время
:
ч;
ч;
2. Эквивалентные числа циклов нагружения колес:
3. Коэф-ты долговечности:
Так
как
принимаем
.
4. Расчет допускаемых напряжений:
Твердость
поверхности при цементации стали 30ХГТ (57-63)HRC табл.2.6,
с.43[1]. Солнечное колесо
и сателлиты
изготовлены
из этой стали с данной термообработкой. Следовательно,
МПа;
;
МПа;
;
Для
колеса b марка стали и ее термообработка будет определена в
конце данного расчета.
МПа,
МПа.
. Подбор
чисел зубьев. Принимаем
, тогда:
Округляем
до ближайшего целого, четного числа N=24.
Округляем
до ближайшего целого, четного числа N=24.
6. Величины коэффициентов формы зубьев колес планетарного ряда:
7. Величины отношений:
8. Расчетный момент на шестерне (солнечном колесе), Н*м:
9. Величину относительной ширины шестерни оставляем той же, что и в
расчете на контактную прочность:
10. Величина коэффициента неравномерности распределения нагрузки по
ширине венцов и среди сателлитов:
11. По табл. 2.8 с.46[1]
выбираем:
12. Делительный диаметр шестерни (солнечного колеса),мм:
13. Предварительное значение модуля:
Принимаем
m=3.5
Принимаем
m=2.25
Так
как
, что больше
,то
производим корректировку чисел зубьев колес:
Назначаем
, тогда
Так
как
, что больше
, то
производим корректировку чисел зубьев колес:
Назначаем
, тогда
14. Таблица окончательных значений параметров рассчитываемых
планетарных ступеней:
Для тихоходной ступени:
Для быстроходной ступени:
15. Скорректированная
ширина венцов. Так как в обоих ступенях
, то в
обоих случаях пользуемся формулой (11.16) с.41[2]:
Принимаем
Уточнение
относительной ширины зубчатого венца солнечного колеса:

Принимаем
Уточнение
относительной ширины зубчатого венца солнечного колеса:
16. Обоснование выбора марки стали и ее термообработки для колеса b.
Величина контактных напряжений в зацеплении “g-b”, МПа,
Требуемая
для этого уровня напряжений твердость поверхностей зубьев колеса b НВ:
Действующие
максимальные напряжения изгиба в зубьях колеса b, МПа,
Необходимая
для этого уровня напряжений твердость сердцевины зубьев, НВ:
Для
центрального колеса b выбираем сталь 40Х ГОСТ 4543-75, термообработка
улучшение до НВ (320-350).
5. Определение
размеров зубчатых колес планетарного редуктора из условия долговечности
подшипников сателлитов
1. Исходные данные для проектирования узла сателлита, минимального
по габаритам, удовлетворяющего критериям контактной и изгибной выносливости
зубьев и работоспособности подшипника сателлита, представлены в таблицах ниже:
Для тихоходной ступени:
|
Наименование параметра
|
Условное обозначение
|
Величина
|
Размерность
|
|
Максимальный момент на
центральном колесе
|
625Н*м
|
|
|
|
Коэффициент неравномерности
нагрузки между сателлитами
|
1,03-
|
|
|
|
Число сателлитов
|
3-
|
|
|
|
Модуль
|
3.5мм
|
|
|
|
Параметр планетарной
ступени
|
3.105-
|
|
|
|
Число зубьев:
|
|
Центрального колеса b
|
59-
|
|
|
|
Сателлита g
|
20-
|
|
|
|
Центрального колеса а
|
19-
|
|
|
|
Делительный диаметр
центрального колеса а, удовлетворяющий контактной выносливости
|
59.16Мм
|
|
|
|
Диаметр начальной окружности
центрального колеса а, удовлет-воряющий контактной выносливости
|
65.26Мм
|
|
|
|
Коэф-т формы зуба колеса,
лимитирующего изгибную выносливость
|
4.20-
|
|
|
|
Эквивалентное число циклов
перемен напряжений сателлита при расчете контактной выносливости
|
32824440ч.ц.
|
|
|
|
Частота вращения сателлита
относительно водила
|
270мин-1
|
|
|
|
Рабочая ширина зубчатого
венца
|
33мм
|
|
|
Для быстроходной ступени:
|
Наименование
параметраУсловное обозначениеВеличинаРазмерность
|
|
|
|
|
Максимальный момент на
центральном колесе
|
156.25Н*м
|
|
|
|
Коэффициент неравномерности
нагрузки между сателлитами
|
1,03-
|
|
|
|
Число сателлитов
|
3-
|
|
|
|
Модуль
|
2.25мм
|
|
|
|
Параметр планетарной
ступени
|
3.105-
|
|
|
|
Число зубьев:
|
|
Центрального колеса b
|
59-
|
|
|
|
Сателлита g
|
20-
|
|
|
|
Центрального колеса а
|
19-
|
|
|
|
Делительный диаметр
центрального колеса а, удовлетворяющий контактной выносливости
|
38.64мм
|
|
|
|
Диаметр начальной
окружности центрального колеса а, удовлет-воряющий контактной выносливости
|
43.87мм
|
|
|
|
Коэф-т формы зуба колеса,
лимитирующего изгибную выносливость
|
4.20-
|
|
|
|
Эквивалентное число циклов
перемен напряжений сателлита при расчете контактной выносливости
|
32824440ч.ц.
|
|
|
|
Частота вращения сателлита
относительно водила
|
270мин-1
|
|
|
|
Рабочая ширина зубчатого
венца
|
21мм
|
|
|
2. Определяем минимальный диаметр сателлита, обеспечивающий
работоспособность встроенного подшипника. При расчете принимаем эквивалентное
число миллионов оборотов подшипника
млн.об.
млн.об.
3. Корректируем все зубчатые колеса, поскольку:
4. Диаметр центрального колеса а:
5. Число зубьев центрального колеса а:
Принимаем
ближайшее большее значение
Принимаем
ближайшее большее значение
. Числа
зубьев
и
:
поскольку
нечетное
Отклонение
от исходного значения:
поскольку
нечетное
Отклонение
от исходного значения:
7. Корректируем рабочую ширину колес:
Поскольку
:
Так
как
, принимаем
Принимаем
Поскольку
:
Так
как
принимаем
Принимаем
Окончательно:
8. Основные параметры колес планетарной ступени:
-делительный диаметр

диаметр
окружности впадин
межосевое
расстояние
9. Минимальная толщина обода, обеспечивающая изгибную прочность
сателлита:
10. Диаметр отверстия под подшипник
11. Радиальная нагрузка, воспринимаемая наиболее нагруженной опорой
сателлита:
12. Приведенная радиальная нагрузка
13. Расчетное значение динамической грузоподъемности подшипника:
. По
найденным значениям
и
из
справочника [4] подбор подшипника:
Радиального роликового 42305 с параметрами:
Радиального роликового 42203 с параметрами:
Геометрические
параметры выбранного подшипника
Геометрические
параметры выбранного подшипника
15. Фиксирование сателлита относительно подшипника дистанционным
кольцом и стандартным пружинным кольцом IA 80 ГОСТ 13941-80, устанавливаемыми между встроенными
подшипниками сателлита.
16. Назначаем основные геометрические параметры щек водила
Основные
расчетные параметры
|
Условное обозначение
|
Величина
|
Размерность
|
|
тихоходн. ступень
|
Быстроходн.ступень
|
|
|
3.083.25-
|
|
|
|
|
2524-
|
|
|
|
|
2627-
|
|
|
|
|
7778-
|
|
|
|
|
625156.25Н*м
|
|
|
|
|
3.52.25мм
|
|
|
|
|
59.1638.64мм
|
|
|
|
|
65.2643.87мм
|
|
|
|
|
84.7553.4мм
|
|
|
|
|
2214мм
|
|
|
|
|
87.554мм
|
|
|
|
|
9160.75мм
|
|
|
|
|
269.5175.5мм
|
|
|
|
|
94.558.5мм
|
|
|
|
|
9865.25мм
|
|
|
|
|
263.375171.5625мм
|
|
|
|
|
78.7548.375мм
|
|
|
|
|
82.2555.125мм
|
|
|
|
|
278.25181.125мм
|
|
|
|
|
89.2557.375мм
|
|
|
|
|
64.4443.425мм
|
|
|
|
|
49051987Н
|
|
|
|
|
76513100Н
|
|
|
|
|
218648857Н
|
|
|
|
|
4230542203-
|
|
|
|
|
25*62*1717*40*12-
|
|
|
|
|
222009720Н
|
|
|
|
|
800012500Мин-1
|
|
|
|
|
2918мм
|
|
|
|
6.
Проектировочный расчет валов
Диаметры консольных участков (мм) входного и выходного валов весьма
приближенно могут приняты
где
- крутящий момент, передаваемый валом, Н*м;
Мпа
- допускаемое касательное напряжение.
Для
быстроходной ступени
. Сталь 30ХГТ Цементация
.
Принимаем
Для
тихоходной ступени
Сталь 40Х
.
Принимаем
7. Расчет
быстроходного вала
Расчетные схемы валов и осей редукторов представляют в виде
ступенчатых или гладких балок на шарнирных опорах. Подшипники, одновременно
воспринимающие осевые и радиальные нагрузки, заменяют шарнирно неподвижными
опорами, а подшипники, воспринимающие только радиальные силы - шарнирно
подвижными опорами.
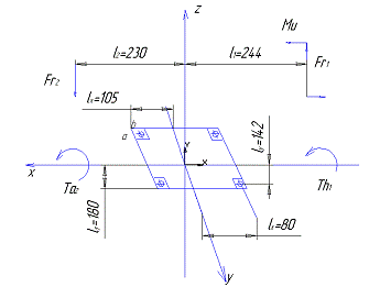
Исходные данные.
Расстояние
между центром шпоночного паза и центром первого подшипника l1=50
мм. Расстояние между центрами подшипников l2=43 мм.
Расстояние между центром второго подшипника и центром зубчатого колеса l3=47
мм. [см. КП01.02.100.000СБ Редуктор].Диаметр расположения пальцев МУВП Dm=100 мм. Крутящий
момент зубчатого колеса a2,
. Диаметр зацепления зубчатого колеса a2,
.
Расчет сил действующих на вал.
Сила, действующая на зубчатое колесо.
где:
W - коэффициент неравномерности распределения нагрузки
между сателлитами рис.6.8[1]
n - коэффициент учитывающий влияние погрешностей изготовления и монтажа
aw - угол зацепления
Сила,
действующая со стороны муфты (МУВП).
-
окружное усилие
-
радиальное усилие
Расчетная
схема вала.
Определение реакций опор.
=>
=>
Построение
эпюр силовых факторов.
I участок:
участок:
участок:
По результатам расчета строим эпюры.
Из эпюр видно, что опасным сечением в данном случае является место
посадки левого(первого) подшипника, так же в этом сечении действуют
концентраторы напряжений: посадка с натягом и выкрутка.
8.
Проверочный расчет подшипников быстроходного вала
Т.к. подшипники для валов мы уже выбрали, то данный расчет сводится к
определению необходимого количества замен подшипников.
Проверочный расчет на долговечность сводится к проверке
неравенства
,
где
L - долговечность подшипника миллионов оборотов в минуту, E -
эквивалентная долговечность которую подшипник должен выдержать за полный срок
службы миллионов оборот.
Для
вала быстроходной ступени мы выбрали два радиальных шарикоподшипника типа
легкой серии имеющих грузоподъемность С=9720 кг.
Расчет долговечности подшипника.
Номинальная долговечность подшипника - это число оборотов или часов (при
заданной постоянной частоте вращения), которое подшипник должен проработать до
появления первых признаков усталости материала дорожки качения любого кольца
или тела качения.
Номинальная долговечность подшипника:
,
где:
C - динамическая грузоподъемность,
- коэффициент качества,
-
приведенная расчетная нагрузка,
-
коэффициент зависящий от типа подшипника (для шарикоподшипников
).
,
где:
V=1 -
коэффициент вращения,
(см.
стр.21 «Расчет быстроходного вала»)
где
- радиальное усилие,
-окружное
усилие. Диаметр расположения пальцев МУВП Dm=100 мм.
Ks=1.3 - коэффициент безопасности, KT=1 -
температурный коэффициент (значения приняты в связи с рекомендациями стр.
189[1]).
=>
Расчет
эквивалентной долговечности подшипника.
Эквивалентную долговечность подшипника за полный срок службы определяют
по формуле:
.
Параметры
ni, Li соответствуют частоте вращения (мин)-1 и
продолжительности работы (ч) при действии приведенной нагрузки Pi для определения которой используют зависимость
рис.10.3[1]. Если число в процессе эксплуатации не предусмотрена (число замен
равно nзам=0), то Lh1, Lh2... Lhk равны продолжительности работы при указанных
нагрузках за полный срок службы. редуктор вал зубчатый колесо
Для
передач с постоянным передаточным отношением при нереверсивной нагрузке, а так
же при реверсивной нагрузке у передач с прямозубыми колесами приведенная
нагрузка Pi прямо пропорциональна значению передаваемого момента Ti и поэтому предыдущую формулу можно записать в виде:
.
Из
полученного выражения для эквивалентной долговечности видно, что неравенство L>LE выполняется при количестве замен равном нулю. Таким
образом для вала БС, в течении всего времени работы редуктора, замена
подшипников не нужна.
9. Расчет
соединений
Расчет внутреннего диаметра зубчатой муфты:
,
где
- наружный диаметр
-
внутренний диаметр
Расчет
производим из условия равенства нулю изгибающего момента (М=0):
a=0,6 при
Принимаем
dвн=40мм по
Ra 40.
Расчет
призматических шпонок.
Для
передачи крутящего момента от одного вала к другому используют шпоночное
соединение, где элементом связывающим оба вала является шпонка. Размеры сечений
призматических шпонок выбирают в зависимости от диаметра вала
. Материал шпонок - сталь Ст6 с пределом прочности
. Длину призматических шпонок
выбирают из стандартного вала в соответствии с
расчетом на смятия по боковым сторонам шпонки:
где
- наибольший крутящий момент с учетом динамических
нагрузок при пуске или внезапном торможении, Н*мм;
- высота шпонки;
-
заглубление шпонки в вал.
Рабочая
длина шпонки
равна длине
призматической
шпонки с плоскими торцами. При скругленных торцах
, где
- ширина
шпонки.
Допускаемые
напряжения для шпонки назначают в зависимости от предела текучести
материала шпонки или сопряженных деталей, если их
прочность ниже прочности шпонки:
. При
нереверсивной нагрузке с частыми пусками и остановами
. Для шпонок стали Ст6
Тихоходная ступень: для d=82
мм, h=14 мм, b=22 мм, t1=9.
=>
по
ГОСТ 8788-68 берем
Шпонка:
22х14х103 ГОСТ 8788-68
Быстроходная
ступень: для d=34,5 мм, h=8 мм, b=10 мм, t1=5.
=>
по
ГОСТ 8788-68 берем
Шпонка:
10х8х30 ГОСТ 8788-68
Расчет круглых шпонок (штифтов).
Круглые
шпонки (штифты) удобно устанавливать с торца ступицы. Отверстия под эти шпонки
изготавливаются при сборке, в сопряжении обеспечивают посадку с натягом
. Диаметр шпонки
, где
- диметр вала в соответствии с ГОСТ 3128-70. Размер
.


Быстроходная
ступень
Тихоходная
ступень
На срез
Быстроходная
ступень
возьмем
2 штифта.
Тихоходная
ступень
возьмем
3 штифта.
На смятие
.
А
т.к. материал - Сталь 45 то
.
Коэффициент
запаса при не реверсивной нагрузке при мало изменяющейся нагрузке
.Принимаем
Быстроходная
ступень
Тихоходная
ступень
Условия
выполняются
Расчет
зубчатых муфт.
1. Выбор муфты для соединения вала быстроходной ступени с валом
приводного механизма.
Для соединения входного вала редуктора с валом
электродвигателя используют упругую втулочно-пальцевую муфту (МУВП). За счет
использования в конструкции упругих элементов данные муфты обладают
способностью амортизировать толчки и удары, демпфировать колебания, разгружать
отдельные элементы привода от периодически изменяющихся возмущающих моментов,
действующих на вращающиеся массы привода. Так же выполняют компенсирующие
функции, допуская некоторые радиальные и угловые смещения валов. Данная муфта
допускает радиальные смещения валов 0,2-0,5 мм, осевые - 1-5 мм и угловые до 1°.
где: k1=1 - коэффициент безопасности (стр. 227[1])
k2=1
- коэффициент учитывающий условия работы муфты (стр. 227[1])
- момент
действующий на колесо а быстроходной ступени
-
табличное значение передаваемого крутящего момента
В соответствии с полученным TM по ГОСТ 21424-75 (таблица 13,2 [1]) выбираю размеры упругой
втулочно-пальцевой муфты со следующими характеристиками:
Исходя
из размеров муфты выбираем размеры и количество пальцев:
При
работе муфты в условиях смещений валов возникает радиальное усилие, нагружающее
вал, принимаемое условно равным
,
где
- окружное усилие, действующее на пальцы муфты, равное
. Выбор соединительной компенсирующей муфты для тихоходного вала:
Выбираем зубчатую муфту по ГОСТ 92-8764-76. Размеры муфты выбираем по
таблице 13,1стр. 229 [1]. Исходя из диаметра вала и величины момента
передаваемой муфтой
Диаметр
окружности выступов муфты
. Диаметр окружности впадин муфты
. Длина зубчатой втулки
ориентировочно
определяется из соотношения
. При
работе муфты в условиях смещений соединяемых валов возникает неуравновешенная
радиальная сила
(
) и
момент
, нагружающие вал.
3. Выбор
муфты для передачи крутящего момента от водила h2 к колесу a1.
Для
обеспечения радиальной подвижности основных плавающих звеньев планетарных
передач с целью компенсации погрешностей изготовления используются зубчатые
соединительные муфты. Геометрические параметры зубчатого сочленения
соединительных муфт центральных колес с внешними зубьями могут выбираться
аналогично параметрам зубчатых муфт по ГОСТ 5006-55. При проектировании
нестандартных муфт расчетный диаметр зубчатого венца может быть найден по
эмпирической формуле:
где
- крутящий момент, передаваемый муфтой, Н*м;
-отношение
рабочей ширины зубчатого венца к расчетному диаметру.
-коэффициент,
зависящий от твердости активных поверхностей зубьев муфты;
Аналогично,
10.
Расчет фундаментных болтов
Система сил и моментов:
· на
втулочно-пальцевой муфте -
; см.
стр.29-30
· на
быстроходном валу -
;
· на
тихоходном валу -
;
· на
зубчатой муфте -
. см. стр.30
· момент
. см. стр.30
составим расчетную схему (см. рис.).
Определение внешних нагрузок, действующих на болт в групповом
болтовом соединении.
Считая, что предварительная затяжка одинакова для всех болтов и
обеспечивает не раскрытие стыка при действии внешних нагрузок, и предполагая,
что нагрузка между болтами и по поверхности стыка изменяется по линейному
закону, получают наибольшую растягивающую внешнюю силу, действующую на болт:
Определения
силы затяжки и расчетной осевой силы болта группового соединения.
В
расчетной практике принимают
, где
- коэффициент затяжки
при
, и
при
;
- коэффициент внешней нагрузки для проектировочного
расчета и соединений из стальных и чугунных деталей рекомендуют:
.
Проверим условия не раскрытия стыка
где:
- площадь поверхности стыка
;
-
моменты инерции площади стыка относительно осей
и
:
;
-
минимальное допустимое напряжения сжатия в стыке, обеспечивающее жесткость и не
раскрытие его
.
Расчетная
осевая сила болта определяется из выражения
Условие
выполняется(
).
Определение
диаметра болта.
Внутренний
диаметр резьбы болта, при действии внешней не изменяющейся нагрузке (
),
,
где
- допускаемое напряжение растяжения
,
- предел
текучести материала болта;
-
допускаемый коэффициент запаса прочности.
При
неконтролируемой затяжки для проектируемого расчета коэффициент
определяется по приближенной зависимости:
где
- для болтов из легированной стали
Принимаем:
класс прочности 8,8 марки стали болта 35Х.
Берем
болт М24
Расчет
болта на статическую прочность.
Условие
прочности:
, где
Расчет
болта на циклическую прочность.
При
действии внешней нагрузки изменяющейся от
до
коэффициент запаса прочности находится из соотношения
,
где
- придел выносливости болта при коэффициенте
асимметрии цикла изменения напряжения
находится
из формулы
.
Здесь
определяются из зависимости
,
где
- коэффициент чувствительности материала к
концентрации напряжений;
-
теоретический коэффициент концентрации напряжения.
Действующая
амплитуда напряжения:
Условия
выполняются.
11.
Расчет КПД редуктора
С
учетом потерь на трение в зацеплении
, в
подшипниках
и на размешивание и разбрызгивание масла
КПД равен:
.
Коэффициент
потерь на трение в зацеплении определяется по упрощенной зависимости:
,
где
- коэффициент трения в зацеплении;
Суммарная
окружная скорость зубчатых колес:
,
где
- окружная скорость зубчатых колес.
Расчет
коэффициента потерь на трение в подшипниках качения производится по формуле:
,
где
- момент трения и частота вращения
- го подшипника планетарной передачи , которая
рассчитывается в относительной величине:
- число
подшипников в опоре;
-
произведение момента и частоты вращения рабочего органа.
Приближенное
значение момента трения определяются из зависимости
,
где
- коэффициент трения в подшипнике;
-
внутренней диаметр подшипника;
-
радиальная нагрузка на подшипник.
Ориентировочные
значения коэффициентов трения
: для
радиальных шариковых однорядных подшипников - 0,0015, а для радиальных
подшипников с короткими цилиндрическими роликами - 0,0011.
Расчет
КПД быстроходной ступени
Для
зацепления a-g:
Для
зацепления g-b:
Момент
трения в подшипниках ведется только по подшипникам сателлита, так как потери на
трение на валах незначительны.
Следовательно,
суммарные потери в подшипниках:
Расчет
КПД тихоходной ступени.
Для
зацепления a-g:
Для
зацепления g-b:
Момент
трения в подшипниках ведется только по подшипникам сателлита, так как потери на
трение на валах незначительны.
Следовательно,
суммарные потери в подшипниках:
Общее
КПД редуктора рассчитывается по следующей формуле:
12. Расчет
на нагрев и выбор смазки
Расчет на нагрев
Повышение
температуры сопряженных поверхностей кинематических пар зубчатых передач в
результате работы сил трения вызывает падение защитных свойств маслянистого
слоя. Во избежание повышения интенсивности изнашивания и для предупреждения
опасных форм повреждения контактирующих поверхностей температура масла
не должна превышать предельного допускаемого значения
, при котором масло еще сохраняет свои защитные
функции. Обычно принимают
.
Для
передач, работающих при постоянной нагрузке в течение времени, достаточного для
появления установившегося теплового режима, надо обеспечить условие
где
- установившаяся температура масла, оС;
- мощность на ведущем валу передачи, Вт:
, где
- КПД
редуктора,
- температура окружающего воздуха (принимаем равной
).
-
мощность теплового потока, отводимого от передачи в окружающую среду при
перепаде температур в
,
-
коэффициент теплоотдачи с поверхности корпуса, не обдуваемой вентилятором
;
-
коэффициент теплоотдачи при использовании искусственного обдува корпуса; АН
и Аобд - площади соответственно не обдуваемых и обдуваемых
поверхностей корпуса.
Принимаем
.
Для
упрощения расчета площади не обдуваемой поверхности (вся поверхность редуктора)
примем редуктор за шар радиусом R=200 мм.
Определяем
мощность теплового потока не обдуваемой поверхности:
Тогда
.
Выбор
смазочного материала
Для
смазывания зубчатых передач со стальными зубьями ориентировочное значение
вязкости масла определяется по рисунку 19.1 [1] в зависимости от фактора:
где
- твердость по Виккерсу активных поверхностей зубьев;
- контактные напряжения,
;
-
окружная скорость в зацеплении,
.
Так
как материал центральных колес обеих ступеней 30ХГТ, то твердость по Виккерсу
активных поверхностей зубьев принимаем
.
· Определим окружную скорость в зацеплении:
.
Тихоходная ступень:
Быстроходная
ступень:
· Определяем коэффициент торцевого перекрытия:
,
при
b=0 Þ
Тихоходная
ступень:
Быстроходная
ступень:
· Определяем коэффициент, учитывающий форму сопряженных
поверхностей [1, с.34]:
; при b=0 и х1=х2=0
· Определяем коэффициент, учитывающий суммарную длину
контактных линий, и коэффициент перекрытия при b=0:
Тихоходная ступень:
Быстроходная
ступень:
· Определяем
коэффициент, учитывающий распределение нагрузки между зубьями: при b=0
[1, с.34]
· Определяем
коэффициент, учитывающий распределение нагрузки по ширине венца:
Тихоходная ступень:
при
[1, с.36]
Быстроходная
ступень:
при
[1, с.36]
· Определяем коэффициент, учитывающий динамическую нагрузку,
возникающую в зацеплении:
· Определяем контактное напряжение:
Тихоходная
ступень:
Быстроходная
ступень:
· Определим вязкость масла:
Тихоходная ступень:
Быстроходная
ступень:
По
графику (рис. 19.1 [1]) определяем вязкость:
Тихоходная
ступень:
Быстроходная
ступень:
Выбираем
среднее значение вязкости
По
вязкости из таблицы 19.1 [2] выбираем масло: И-70А ГОСТ 20799-75 с температурой
замерзания -10оС.
13. Выбор
электродвигателя
Выбор двигателя из каталога производится по номинальной мощности
,
где
- расчетная мощность двигателя, определяемая с учетом
режима работы привода и
- частота вращения.
Длительный
режим работы характеризуется продолжительностью работы, достаточной для того,
чтобы температура нагрева двигателя достигла установившегося значения. Заданный
внешний переменный момент заменяют эквивалентным постоянным моментом,
рассчитываемый по формуле
,
где
- ступень нагрузки
и
соответствующее ей время работы по гистограмме;
-
суммарное время работы под нагрузкой.
Угловая
скорость рабочего органа:
Тогда
расчетная мощность
Выбираем
короткозамкнутый трехфазный асинхронный двигатель серии 4А (при синхронной
частоте вращения 1500 об/мин) климатического исполнения У, категории 3 по ГОСТ
15150-69, общего применения и предназначен для продолжительного режима работы
от сети переменного тока с частотой 50 Гц.
|
Тип электродвигателя
|
Р, кВт
|
n, об/мин
|
|
4А160М4У3
|
18,5
|
1500
|
Проверка двигателя на перегрузку преследует цель предотвратить
«опрокидывание» (остановку под нагрузкой) при резком увеличении внешней
нагрузки. Проверка производится при возможных неблагоприятных условиях
эксплуатации, когда напряжение в электрической сети понижено до 10% (что
соответствует уменьшению движущего момента на 19%), а нагрузка достигает
максимального значения:
,
где
- кратность максимального момента по каталогу для выбранного
электродвигателя (
).
Произведем
расчет номинального момента двигателя:
Требуемый
для данного режима нагружения номинальный момент двигателя:
Так
как номинальный момент двигателя больше необходимого, то выбранный двигатель
4А160М4У3 является надежным.
Литература
1. Курсовое проектирование деталей машин / Под общ. ред.
В.Н. Кудрявцева. - Л.: ЛМИ, 1983. - 400 с.
2. Методические указания к лабораторным работам по
курсу «Детали машин» часть2, под ред. И.С.Кузьмина Ленинград 1986г.
. Анурьев В.И. Справочник
конструктора-машиностроителя. В 3-х тт. - М.: Машиностроение, 1979.
. Справочник «Подшипники качения» Р.Д.Бейзельман,
Б.В.Цыпкин, Л.Я.Перель, 6-е издание Москва «машиностроение» 1975г.
. Справочник «Машиностроительное черчение» Г.Н.Попова,
С.Ю.Алексеев, 3-е издание, Санкт-Петербург «Политехника» 1999г.
. Методические указания по расчету на прочность
зубчатых передач, Под ред. В.Н. Кудрявцева. - Л.: ЛМИ, 1984. - 33 с.
. Методические указания по расчету и проектированию
соединений, Под ред. В.Н. Кудрявцева. - Л.: ЛМИ, 1983. - 54 с.