|
Условное обозначение метода
|
Метод водоподготовки
|
Удаляемые примеси, форма воздействия на них и
условия применения
|
Отстаивание в ковшах и открытых отстойниках
(вне зданий)
|
ГДП с концентрацией взвеси >2000 мг/л
|
|
ФО
|
Фильтрование через обсыпку фильтрующих
оголовков
|
ГДП, плавающие вещества, щепа, листья, остатки
растений водотоков и водоемов
|
|
К(Ф)
|
Обработка воды коагулянтами и флокулянтами
|
Тонкодисперсные и коллоидные взвеси,
агрегативно и кинетически устойчивые, требующие агрегации и придания им когезионных
и адгезионных свойств: снижения электрокинетических сил отталкивания
|
|
КПФ
|
Фильтрование через крупнозернистую среду в
префильтрах
|
ГДП с размером частиц менее 1,0 мм
|
|
ОЗ
|
Обработка воды озоном
|
Маломутные воды, трудноокисляемые органические
вещества, обуславливающие цветность, запах и привкус; болезнетворные бактерии
и др. виды микроорганизмов
|
|
ПУ
|
Сорбция с вводом мелкогранульных или порошковых
сорбентов в очищенную воду
|
Неприятные привкусы и запахи; азот аммонийный,
нефтепродукты, ПАВ, пестициды
|
|
РСФ
|
Реагентное скорое фильтрование
|
Коагулирующая взвесь с размером частиц <100
мкм после предочистки с мутностью до 200 мг/л и цветностью до 200° ПКШ
|
|
ХЛ
|
Обрабокта хлором (гипохлоритом кальция, натрия)
|
Органические вещества, обуславливающие
цветность воды, трудноокисляемая органика (до 15 мг О2/л) и
отдельные ингредиенты (Fe, Mn, H2S), болезнетворные
бактерии и другие микроорганизмы
|
3.
Технологические расчеты сооружений проектируемой станции водоподготовки
Расчетный
расход
Расчетный расход Qр определяется с учетом затрат воды на собственные
нужды по формуле
,
где Qр - расчетный расход, м³/сут;
α=1,03 - коэффициент расхода воды на
собственные нужды;
Q= 1450 м³/сут -
величина водопотребления
Реагентное хозяйство
Определение доз реагентов
Доза коагулянта Дк
определяется в соответствии с п. 6.16 [3] по формуле
,
где Ц=145° - цветность воды
Доза коагулянта по [3, табл. 16]
составляет 79 мг/л.
Принимается наибольшая доза величиной
79 мг/л.
В соответствии с п. 6.17 [3]
принимается доза полиакриламида
ДПАА = 0,96 мл/л.
Флокулянты следует вводить в воду после коагулянта. При очистке
высокомутных вод допускается ввод флокулянтов до коагулянтов. Следует
предусматривать возможность ввода флокулянтов и коагулянтов с разрывом во
времени до 2-3 мин в зависимости от качества обрабатываемой воды.
Доза хлорсодержащих реагентов принимается
ДCl = 3 мл/л
Доза подщелачивающего реагента Дщ вычислена по формуле
где Кщ=53 - коэффициент щелочности;
Дк=79 мл/л - максимальная в период подщелачивания доза
безводного коагулянта;
ен= 57 мг/мг-экв - эквивалентная масса коагулянта;
Що = 5 мг/л - минимальная щелочность воды;
Потребная доза подщелачивающего реагента имеет отрицательное
значение, что свидетельствует о достаточности естественной щелочности воды.
Хранение коагулянтов и флокулянтов
Площадь складов сухого хранения определяется по формуле
где Дк= 79 гр/м³ - доза коагулянта по максимальной
потребности;
Qрсут=1500 м³/сут; - полная суточная
производительность;
Т= 30 сут - продолжительность хранения;
α = 1,15 - коэффициент запаса;
р0= 50% - содержание безводного продукта в коагулянте;
γ= 1 т/м³ - объемный вес коагулянта
γ hк= 2,3 м - допустимая высота слоя
коагулянта (см. п. 6.204 [3])
Объем реагентного хранилища определяется по формуле
,
где вхр=25% - концентрация раствора при хранении
(используется барботаж)
Объем рабочих баков для хранения раствора определяется по формуле
,
где враб=3% - рабочая концентрация раствора
4.
Гидравлические технологические расчеты сооружений проектируемой станции
водоподготовки
Смесители
Число смесителей следует принимать не менее двух с
возможностью отключения их в периоды интенсивного хлопьеобразования.
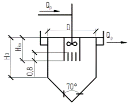
Вихревой
смеситель
Вихревые смесители надлежит применять при поступлении на
станцию воды с крупнодисперсными веществами и при использовании реагентов в
виде суспензий или частично осветленных растворов.
Схема вихревого смесителя приведена на рисунке 3.
Рисунок 3 - Схема вихревого смесителя
Расход вихревого смесителя qр определяется по формуле
Объем вихревого смесителя определяется по формуле
,
где t = 1,5 мин - время нахождения воды в
смесителе
Площадь входа в смеситель fвх
определяется по формуле
,
где Vвх =1,2 м/с - входная скорость в смеситель, м/с;
Диаметр входного отверстия dвх
определяется по формуле
Площадь выхода из смесителя Fвых
определяется по формуле
,
где Vвых = 0,005 м/с - скорость на выходе из смесителя, м/с;
Диаметр выходного отверстия смесителя определяется по формуле
Высота конусной части смесителя Нк определяется по
формуле
где α = 700
- угол конуса
Объем конусной части смесителя Vк
определяется по формуле
Объем цилиндрической части смесителя Vц
определяется по формуле
Высота цилиндрической части смесителя Нц определяется
по формуле
Перегородчатый
смеситель
Схема перегородчатого смесителя представлена на рисунке 3.
Рисунок 3 - Схема перегородчатого смесителя
Потери напора на перегородках смесителя h определяется по формуле
,
где V0 = 1 м/с - скорость движения воды в смесителе
g = 9,81 м/с2 - ускорение свободного падения
Высота первой перегородки смесителя Н1 определяется по
формуле
где Нл = 0,2 м - высота лотка
Высота второй перегородки смесителя Н2 определяется по
формуле
Высота третьей перегородки смесителя Н3 определяется по
формуле
Суммарная площадь отверстий в смесителе Σfо определяется по формуле
Площадь одного отверстия fо определяется по формуле
,
где d0 = 0,01 м - диаметр отверстий
Число отверстий n0 определяется по формуле
Ширина смесителя вс определяется по формуле
,
где fр - рабочая площадь первой по ходу движения воды перегородки, м²;
Рабочая площадь первой перегородки fр
определяется по формуле

Шайбовый
смеситель
На рисунке 4 отображена расчетная схема для шайбового
смесителя
Рисунок 4 - Схема шайбового смесителя
Потери напора в шайбовом смесителе h определяются по формуле
,
где V1 = 0,98 м/с (при d1 = 150 мм) - скорость движения воды до
перегородки;
V2 = 2,21
м/с (при d2 = 100 мм) - скорость движения воды после перегородки
Водоворотная
камера хлопьеобразования, совмещенная с вертикальным отстойником
Схема камеры приведена на рисунке 5.
Рисунок 5 - Схема водоворотной камеры хлопьеобразования,
совмещенной с вертикальным отстойником
Объем камеры хлопьеобразования Vкх определяется по формуле
,
где t= 10 мин - время пребывания очищаемой воды
в камере хлопьеобразования;
Nкх = 1 шт.
- число камер хлопьеобразования при отстойнике
Площадь камеры хлопьеобразования fкх
определяется по формуле
,
где Нкх = 4 м - высота камеры хлопьеобразования
Диаметр камеры хлопьеобразования dкх
определяется по формуле
Принимается две рабочих и одна резервная камера хлопьеобразования.
Площадь зоны осаждения Fзо определяется по формуле
,
где αоб = 1,3 - коэффициент объемного
использования вертикального отстойника;
Vр = 0,7
мм/с - расчетная скорость движения воды в вертикальном отстойнике
Площадь вертикального отстойника Fо
определяется по формуле
Диаметр вертикального отстойника До определяется по
формуле
Высота вертикального отстойника Но определяется по
формуле
Расчетное время заполнения зоны осаждения Тр
определяется по формуле
,
где Vосаж - объем осадочной части, м³;
δ = 80000 г./м³ - характеристика осадка (принимается по
таблице 19 СНиП 2.04.02-84);
Св - общая концентрация осадка, г/м³;
Мосв =10 г./м³ - мутность воды, выходящей из отстойника,
г/м³
Объем осадочной части Vосад определяется по формуле
,
где β = 700
Общая концентрация осадка Св определяется по формуле
где М = 1450 г./м³- исходная мутность воды;
Дк = 75 г./м³ - доза коагулянта;
Ц = 145 град - исходная цветность, град;
Дщ = 0 г/м³ - доза подщелачивающего реагента, г/м³
Сброс осадка необходимо производить один раз в двое-трое суток.
Скорые
фильтры
Расчетная схема скорого фильтра представлена на рисунке 6.
Рисунок 6 - Схема скорого фильтра
Площадь скорых фильтров Fсф рассчитывается по
формуле
где Qр= 1500 м³/сут -
полная суточная производительность;
Т = 24 часа - время работы станции улучшения качества природных
вод;
VН = 7 м/ч
- расчетная скорость фильтрования при нормальных условиях;
nпр = 3 шт.
- число промывок фильтра в течении суток
qпр -
удельный промывной расход необходимый на одну промывку, м³/м²;
Удельный промывной расход необходимый на одну промывку qпр находится по формуле
,
где W = 15 л/(с∙м²) - интенсивность промывки, л/(с∙м²);
tпр = 360
сек - время промывки
Количество фильтров Nсф определяется по формуле
Принимаем 2 скорых фильтра.
Форсированная скорость в скорых фильтрах Vф
определяется по формуле
Так как Vф = 14 м/ч > [Vф] = 9
м/ч, то необходимо принять один резервный фильтр.
Площадь одного скорого фильтра fсф
определяется по формуле
Ширина скорого фильтра принимается 2,2 м.
Длина скорого фильтра l
определяется по формуле
Площадь отверстий Σfо
определяется по формуле
Площадь одного отверстия fо определяется по формуле
,
где dо = 0,01 м - диаметр отверстия, м;
Количество отверстий nо определяется по формуле
Удельный промывной расход q’пр определяется по формуле
По графику определена ширина желоба вж = 0,5 м.
По таблицам Шевелева определяем диаметр коллектора dкол, скорость движения воды по ответвлениям Vкол и 1000i,
dкол = 300
мм; Vкол = 1 м/с; 1000i = 5,02.
Количество ответвлений в коллекторе скорого фильтра Nотв определяется по формуле
Расход, приходящийся на одно ответвление qотв,
определяется по формуле
По таблицам Шевелева определяем диаметр ответвлений dотв, скорость движения воды по ответвлениям Vотв и 1000i,
dотв = 80
мм; Vотв = 1,07 м/с; 1000i = 26,7.
Высота поддерживающих слоев в скором фильтре НПС
определяется по формуле
Высота превышения бака водонапорной башни над желобом скорого
фильтра НБ определяется по формуле
где hтр - потери напора в трубопроводе, м;
hдр -
потери напора в дренаже, м;
hпс -
потери напора в поддерживающем слое, м;
hф - потери
напора в фильтрующем слое, м;
hо = 1,7 м
- потери напора на начальное преодоление загрузки, м;
Потери напора в трубопроводе hтр
определяются по формуле
где l = 50 м - длина трубопровода
Потери напора в дренажной системе hдр
определяются по формуле
где ξ -
коэффициент местного сопротивления трубопровода;
Vкол = 1
м/с - скорость движения воды в коллекторе;
Vотв = 1,07
м/с - скорость движения воды в ответвлениях от коллектора
Коэффициент местного сопротивления трубопровода ξ определяется по формуле
,
где Кп - коэффициент перфорации;
Коэффициент перфорации Кп определяется по формуле

Потери напора в фильтрующем слое hф
определяются по формуле
,
Потери напора в поддерживающем слое hпс
определяется по формуле
Объем бака водонапорной башни VВБ
определяется по формуле
Высота водонапорной башни НВБ определяется по формуле
Стандартная высота водонапорной башни НВБст
= 8,5 метров.
Стандартный объем бака водонапорной башни VВБст = 55 м³.
5.
Обеззараживание воды
Хлорирование - способ дезинфекции и окисления воды.
Применяется наряду с другим способом окисления - озонированием. Хлорирование
применяется при подготовке воды для:
- очистки окислением. При окислении загрязняющие
вещества разрушаются хлором и озоном (хлором или озоном). Образовавшиеся
продукты распада удаляются фильтрованием или сорбионным фильтрованием. Другими
способами очистки являются: коагуляция, фильтрование, окисление озоном
(озонирование).
- дезинфекции (обеззараживания воды). Основной способ.
Как правило сочетается с озонированием или обеззараживанием ультрафиолетовым
излучением.
Ни озонирование, ни ультрафиолетовое излучение не обладают
бактерицидным последействием, поэтому их не допускается использовать в качестве
самостоятельных средств обеззараживания воды при подготовке воды бассейнов.
Озониpование и ультрафиолетовое обеззараживаниe применяются как дополнительные
методы дезинфекции, вместе с хлорированием, повышают эффективность хлорирования
и снижают количество добавляемых хлорсодержащих реагентов.
Хлорсодержащие реагенты (хлорреагенты) - реагенты на основе
хлора и соединений хлора. Растворяются в воде и образуют хлорноватистую кислоту
и (или) гипохлорит-ионы.
Для обеззараживания воды бассейнов, оборудования,
трубопроводов и материалов системы водоподготовки применяют только те
хлорсодержащие реагенты, которые разрешены для использования в
хозяйственно-питьевом водоснабжении, внесены в Перечень материалов, реагентов и
малогабаритных устройств, разрешенных для применения в практике
хозяйственно-питьевого водоснабжения (утвержден заместителем Главного
санитарного врача 23 октября 1992 года №01-19/32-11) и приведены в приложение В
ГОСТ Р 53491.1-2009 Бассейны. Подготовка воды. Часть 1. Общие требования (DIN
19643-1:1997).
Для дезинфекции воды применяют следующие реагенты:
- гипохлорит натрия марки А по ГОСТ 11086-76 Гипохлорит
натрия. Технические условия
- гипохлорит натрия, получаемый методом электролиза на
месте применения
гипохлорит кальция по ГОСТ 25263-82 Кальция
гипохлорит нейтральный. Технические условия
газообразный хлор, получаемый из жидкого хлора по
ГОСТ 6718-93 (ИСО 2120-72, ИСО 2121-72) Хлор жидкий. Технические условия
газообразный хлор, получаемый методом электролиза на
месте применения
Для дезинфекции ванн бассейна, системы перелива и обходных
дорожек бассейна, оборудования и трубопроводов системы водоподготовки,
помещений и инвентаря применяют следующие реагенты:
- растворы гипохлорита натрия, гипохлорита кальция
- хлорную известь
Для дезинфекции помещений (бассейна (аквапарка) и инвентаря
применяют также средства:
двутретьосновную соль гипохлорита кальция (ДТСГК) (3Ca(OCl)
2x2Ca(OH) 2)
хлорамин 0,5% (NH2Cl)
ниртан 3%.
6. Зоны санитарной охраны
Зоны санитарной охраны проектируются в соответствии с п. 10
[3].
Граница первого пояса зоны водопроводных сооружений совпадают
с ограждением площадки сооружений и предусматривают следующие расстояния:
от стен резервуаров фильтрованной (питьевой) воды, фильтров
(кроме напорных) - не менее 30 м;
от стен остальных сооружений и стволов водонапорных башен -
не менее 15 м.
Санитарно-защитная полоса вокруг первого пояса зоны
водопроводных сооружений, расположенных за пределами второго пояса зоны
источника водоснабжения, должна иметь ширину не менее 100 м.
Территория первого пояса зоны спланирована, огорожена и
озеленена, при этом ограждение предусмотрено согласно п. 14.4 [3].
На территории первого пояса зоны площадки водопроводных
сооружений предусматривается сторожевая охрана и технические средства охраны
согласно п. 14.5 [3].
На территории первого пояса зоны:
а) запрещаются:
все виды строительства, за исключением реконструкции или
расширения основных водопроводных сооружений (подсобные здания, непосредственно
не связанные с подачей и обработкой воды, должны быть размещены за пределами
первого пояса зоны);
размещение жилых и общественных зданий, проживание людей, в
том числе работающих на водопроводе;
прокладка трубопроводов различного назначения, за исключением
трубопроводов, обслуживающих водопроводные сооружения;
выпуск в поверхностные источники сточных вод, купание,
водопой и выпас скота, стирка белья, рыбная ловля, применение для растений
ядохимикатов и удобрений;
б) здания должны быть канализованы с отведением сточных вод в
ближайшую систему бытовой или производственной канализации или на местные
очистные сооружения, расположенные за пределами первого пояса зоны с учетом
санитарного режима во втором поясе. При отсутствии канализации должны
устраиваться водонепроницаемые выгребы, расположенные в местах, исключающих
загрязнение территории первого пояса при вывозе нечистот;
в) должно быть обеспечено отведение поверхностных вод за
пределы первого пояса;
г) допускаются только рубки ухода за лесом и санитарные рубки
леса.
На территории второго пояса зоны водопроводных сооружений
надлежит:
а) осуществлять регулирование отведения территорий для
населенных пунктов, лечебно-профилактических и оздоровительных учреждений,
промышленных и сельскохозяйственных объектов, а также возможных изменений
технологии промышленных предприятий, связанных с повышением степени опасности
загрязнения источников водоснабжения сточными водами;
б) благоустраивать промышленные, сельскохозяйственные и
другие предприятия, населенные пункты и отдельные здания, предусматривать
организованное водоснабжение, канализование, устройство водонепроницаемых
выгребов, организацию отвода загрязненных поверхностных сточных вод и др.;
г) производить только рубки ухода за лесом и санитарные рубки
леса.
Во втором поясе зоны водопроводных сооружений запрещается:
а) загрязнение территорий нечистотами, мусором, навозом,
промышленными отходами и др.;
б) размещение складов горючесмазочных материалов,
ядохимикатов и минеральных удобрений, накопителей, шламохранилищ и других
объектов, которые могут вызвать химические загрязнения источников
водоснабжения;
в) размещение кладбищ, скотомогильников, полей ассенизации,
полей фильтрации, земледельческих полей орошения, навозохранилищ, силосных
траншей, животноводческих и птицеводческих предприятий и других объектов,
которые могут вызвать микробные загрязнения источников водоснабжения;
г) применение удобрений и ядохимикатов
Заключение
В данном курсовом проекте произведена оценка качества воды в
водоисточнике, в соответствии с этим предложена и обоснована схема очистки. При
подборе оборудования произведен расчет нескольких возможных вариантов. В
качестве смесительного оборудования принят вихревой (основной) и шайбовый
(аварийный), смесители. В качестве фильтровального оборудования приняты скорые
фильтры. Произведен расчет основных сооружений входящих в данную
технологическую схему, определены основные размеры и отметки.
Список литературы
вода очистка санитарный станция
1) Водоснабжение. Проектирование
систем и сооружений. В 3-х т. Т. 2. Очистка и кондиционирование природных вод /
под общ. ред. д-ра техн. наук, проф. М.Г. Журбы. - М.: Изд-во АСВ, 2004. - 496
с.
) ГОСТ 2761-84. источники централизованного
хозяйственно - питьевого водоснабжения. Гигиенические, технические требования и
правила выбора. - М.: Изд-во стандартов, 1986. - 6 с.
3) СНиП 2.04.02-84*.
Водоснабжение. Наружные сети и сооружения. - М.: Стройиздат, 2001. - 128 с.
) Типовой проект 901-3-21
Водопроводная очистная станция для вод с содержанием взвешенных веществ до 2000
мг/л производительностью 1600 куб. м в сутки - Альбом II.
) Шевелев Ф.А. Таблицы для
гидравлических расчетов стальных, чугунных, асбестоцементных, пластмассовых и
стеклянных водопроводных труб / Ф.А. Шевелев. - М.:Стройиздат, 2007. - 112 с.