Проектирование координатно-расточного станка

  • Вид работы:
    Курсовая работа (т)
  • Предмет:
    Другое
  • Язык:
    Русский
    ,
    Формат файла:
    MS Word
    511,09 Кб
  • Опубликовано:
    2012-09-09
Вы можете узнать стоимость помощи в написании студенческой работы.
Помощь в написании работы, которую точно примут!

Проектирование координатно-расточного станка

Введение


Металлорежущие станки являются распространенными производственными машинами, предназначенными для механической обработки заготовок из металла режущими инструментами. Путём снятия стружки заготовке предается требуемая форма, размеры и чистота поверхности.

Расточные станки - группа металлорежущих станков, предназначена для обработки заготовок крупных размеров в условиях индивидуального и серийного производства. На этих станках можно производить растачивание, сверление, зенкерование, нарезание внутренней и наружной резьб, обтачивание цилиндрических поверхностей, подрезку торцов, цилиндрическое и торцовое фрезерование. Иногда на расточных станках можно произвести окончательную обработку заготовки корпусной детали без перестановки ее на другие станки.

Отличительной особенностью расточных станков является наличие горизонтального (или вертикального) шпинделя, совершающего движение осевой подачи. В отверстии шпинделя закрепляется режущий инструмент - борштанга с резцами, сверло, зенкер, развертка, фреза и др.

Координатно-расточные станки предназначены для обработки отверстий с высокой точностью взаимного расположения относительно базовых поверхностей в корпусных деталях, кондукторных плитах, штампах в единичном и мелкосерийном производстве. На станках этого типа выполняют практически все операции, характерные для расточных станков. Ко всему прочему, на координатно-расточных станках можно еще и производить разметочные операции.

Для точного измерения координатных перемещений станки снабжены различными индуктивными, механическими, оптико-механическими и электронными устройствами отсчета, которые позволяют измерять перемещения подвижных узлов с высокой точностью. Станки снабжены универсальными поворотными столами, дающими возможность обрабатывать отверстия в полярной системе координат и наклонные отверстия. По компоновке станки бывают одностоечными и двухстоечными. Главным движением является вращение шпинделя, а движением подачи - вертикальное перемещение шпинделя. Установочные движения в одностоечных станках - это продольное и поперечное перемещение стола на заданные координаты и вертикальное перемещение шпиндельной бабки в зависимости от высоты детали. В двухстоечных станках - это продольное перемещение стола, поперечное перемещение шпиндельной бабки по траверсе и вертикальное перемещение траверсы со шпиндельной бабкой.

1.     Расчёт и обоснование основных технических характеристик металлорежущих станков


1.1   Обоснование размерных характеристик проектируемого станка

Основными размерными характеристиками сверлильных станков являются:

Dmax - наибольший диаметр обработки отверстия в сплошном металле

L - Длина рабочей поверхности стола (L=1100 мм)

L1 - Расстоянии от оси шпинделя до стойки (L1=310 мм)

B - Ширина рабочей поверхности стола (B=630 мм)

H - Расстояние от торца шпинделя до рабочей поверхности стола (H=425 мм)

h - Наибольшее перемещение выдвижного шпинделя (h=150 мм)

Рисунок 1 Основные размеры

При сверлении:=30 мм=(0,25…0,3)∙Dmax =0,25∙30=7,5 мм - минимальный диаметр обработки отверстия при сверлении.

При растачивании:=250 мм - при растачивании≥0,25∙Dmax ≥0,25∙250=62,5 мм - наименьший диаметр обработки изделия при растачивании.

При фрезеровании:=(0,2…0,3) ∙bст=0,2∙630=126 мм - максимальный диаметр фрезы=(0,1…0,2) ∙bст=0,1∙630=63 мм - минимальный диаметр фрезы=(0,75…1) ∙Dmax=1∙126=126 мм - максимальная ширина фрезерования=(0,75…1) ∙Dmin=0,75∙63=47,25 мм - минимальная ширина фрезерования

1.2   Расчёт и обоснование скоростных характеристик

1)       Определение глубины резания

При сверлении:

tmax=Dmax/2=30/2=15 мм

tmin=Dmin/2=7,5/2=3,75 мм

При растачивании:

tmax=Ct∙Dmax0,33, Ct=0,8 - для стали, Ct=0,6 - для чугуна.

tmax=0,8∙2500,33=4,94≈5 мм - для стали.

tmax=0,6∙2500,33=3,71≈3,5 мм - для чугуна.

tmin=0,7+0,025∙Dmin0,5=0,7+0,025∙62,50,5=0,89≈1 мм

При чистовом фрезеровании глубина резания применяется в пределах 0,5-1 мм

)         Определение пределов подач

Подача при сверлении в сплошном материале и зенкеровании назначается по формуле, мм/об:

Smax=Cs∙Dmax0,6

Для стали Cs=0,064

Максимальная подача при сверлении: Smax=0,064∙300,6=0,48≈0,5 мм/об

Минимальная подача при сверлении: Smin=0,064∙7,50,6=0,21≈0,2 мм/об

Для чугуна Cs=0,125

Максимальная подача при сверлении: Smax=0,125∙300,6=0,96≈1 мм/об

Минимальная подача при сверлении: Smin=0,125∙7,50,6=0,41≈0,5 мм/об

Величины максимальных подач при растачивании можно приблизительно находить по следующим формуле, мм/об:

Smax=0,17∙Dmax1/3+(tmax-2) ∙0,15

Для чугуна: Smax=0,17∙2501/3+(3,5-2) ∙0,15=1,275 мм/об.

Для стали: Smax=0,17∙2501/3+(5-2) ∙0,15=1,5 мм/об.

Значение минимальных подач при растачивании определяется по формуле, мм/об:

Для чугуна: Cм=0,045; x=0,25; y=1,25, z=0,5; U=0,75

Для стали: Cм=0,008; x=0,03; y=1,4, z=0,35; U=0,7

Для чугуна:

Для стали:

При чистовом фрезеровании подачу на один зуб фрезы можно определять по формуле, мм/зуб:


где: Cs - коэффициент, зависящий от материала обрабатываемой детали и типа фрезы; D - диаметр фрезы, мм; t - глубина резания, мм; R - высота микро неровностей, мм; x, y, z - показатели степени.

Для чугуна:

Для стали:

3)       Определение пределов скорости резания

Определим предельные расчетные значения скорости резания при сверлении в сплошном металле:

для чугуна средней твёрдости HB=180


для сталей средней твёрдости HB=160

металлорежущий привод шпиндельный станок

Определим предельные расчётные значения скорости резания при растачивании:


для чугуна средней твёрдости HB=180

для сталь средней твёрдости HB=160

Определим предельные расчётные значения скорости резания при фрезеровании:


для чугуна:

для стали:

Определяем минимальные и максимальные обороты шпинделя станка:


Полученные значения сверяем с нормальным рядом чисел в станкостроении и корректируем: nmin=100 мин-1, nmax=3000 мин-1.

1.3   Расчёт и обоснование силовых характеристик

Рассчитаем силы резания при сверлении:


Максимальные силы резания будут равны:

Рассчитаем силы резания при растачивании:


Максимальные значения сил резания будут равны:

Рассчитаем силы резания при фрезеровании:


Максимальное значение силы резания будет равно:

Наибольшая эффективная мощность, привода потребляемая при сверлении определяется по формуле:


где, Мб - величина наибольшего крутящего момента при сверлении, кН∙м;- скорость резания, определяемая для условий получения наибольшего значения М, м/мин; D - диаметр сверла, мм;

Мощность электродвигателя главного движения Nд определяется по наибольшей эффективной мощности резания, кВт


где, k - коэффициент перегрузки станка, k=1,2-1,3; η - КПД привода главного движения, η=0,76-0,85.

По справочнику выбираем электродвигатель постоянного тока 4ПНМ180МО4 15кВт

1.4   Выбор станка прототипа

Характеристика

Проектируемый станок

Станок прототип

Наибольший диаметр сверления Dmax, мм

30

16

Наибольший ход шпинделя h, мм

150

150

Наибольшее расстояние от конца шпинделя до стола K, мм

425

425

Размер рабочей поверхности стола, мм

630x1100

280x630

Мощность главного электродвигателя, кВт

15 кВт

2 кВт


2.    
Разработка кинематической схемы привода главного движения

Произведём кинематический расчёт главного привода при условии, что регулирование частоты вращения во всём диапазоне должно быть бесступенчатым. Предельные частоты вращения шпинделя nmin=100 мин-1, nmax=3000 мин-1, электродвигателя nдmin=100 мин-1, nдmax=3700 мин-1, nд.н.=1500 мин-1. Задаём .

Определим диапазон регулирования:

привода


двигателя


Требуемое число ступеней коробки скоростей (число поддиапазонов регулирования частоты вращения шпинделя)


Применяем z=4, следует применять четырёхступенчатую коробку скоростей. Тогда диапазон регулирования коробки скоростей

Требуемое число электрических ступеней регулирования:


Общее число ступеней регулирования скорости привода:


Рисунок 2. Структурная сетка коробки скоростей

Определим промежуточные значения чисел оборотов шпинделя пользуясь нормалью станкостроения Н11-1.

n1=nmin=100 об/мин2=n1∙φ=100∙1.26=126=125 об/мин3=n2∙φ=125∙1.26=160 об/мин

n4=200 об/мин

n5=250 об/мин

n6=315 об/мин

n7=400 об/мин

n8=500 об/мин

n9=630 об/мин

n10=800 об/мин

n11=1000 об/мин

n12=1250 об/мин

n13=1600 об/мин

n14=2000 об/мин

n15=2500 об/мин

n16=3150 об/мин

Рисунок 3 График частот вращения шпинделя

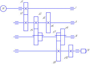
Строим схему коробки скоростей (рисунок 3)

Рисунок 4 Схема коробки скоростей

Определения числа зубьев зубчатых передач

Передаточное отношение передачи между I и II валом:


Следовательно


Отсюда наименьшее кратное сумм К=3

Определим Еmin для передаточного отношения


Сумма чисел зубьев сопряжённых колёс Sz=K∙E=18∙3=54

Определим числа зубьев сопряжённых колёс:


Передаточное отношение между валами II и III:

;

Следовательно

;

Отсюда наименьшее кратное сумм К=7∙2=14

Определим Еmin для передаточного отношения


Сумма чисел зубьев сопряжённых колёс Sz=K∙E=14∙4.5=70

Определим числа зубьев сопряжённых колёс:


Передаточное отношение между валами III и IV:

;

Следовательно

;

Отсюда наименьшее кратное сумм К=4.16∙2=8.4

Определим Еmin для передаточного отношения


Сумма чисел зубьев сопряжённых колёс Sz=K∙E=8.3∙10=84

Определим числа зубьев сопряжённых колёс:


Уравнения кинематического баланса

Уравнения кинематического баланса

Число оборотов в минуту

∆n, %


Нормализованное

Расчётное


1001000




1251250




160156,252,34




200196,8751,56




2502500




315312,50,79




400390,6252,34




500492,1871,56




630640-1,58




8008000




100010000




125012600,8




160016000




200020000




250025000




315031500





Отклонения np не превышают допустимую величину ∆n=±10 (1,26-1)∙100%=±2,6%, что свидетельствует о правильности кинематических расчётов.

3.       Динамический расчёт привода главного движения


3.1     Проектировочный расчёт валов


Предварительно диаметры валов для эскизного проекта (компоновки) устанавливаем расчётом, базирующимся на простейших зависимостях между диаметром вала, крутящим моментом, условным допускаемым напряжениям при кручении или углом закручиванием. Рассмотрим порядок расчёта валов коробки скоростей.

.         Определим мощность на всех валах:


где Nшп - мощность, передаваемая шпинделем, кВт, равная эффективной мощности резания при наиболее нагруженном режиме работы; η - КПД участка кинематической цепи от шпинделя до рассчитываемого вала.

Мощность на валу IV:

N4=Nэфзп∙ηп=14.23/0.97∙0.99=14.81 кВт

где ηп - КПД подшипников, ηзп - КПД зубчатой передачи;

Мощность на валу III:

N3=N4зп∙ηп=14.81/0.97∙0.99=15.4 кВт

Мощность на валу II:

N2=N3зп∙ηп=15.4/0.97∙0.99=16 кВт

Мощность на валу I:

N1=N2зп∙ηп=16 /0.97∙0.99=16.7 кВт

.         Рассчитаем крутящий момент на всех валах:


где Mi - крутящий момент, Н∙м; Ni - передаваемая валом мощность, кВт; nр - расчётная частота вращения вала, мин-1, которая для последнего вала-шпинделя большинства станков определяется из следующей зависимости:


где nmin - минимальная частота вращения шпинделя, мин-1; Rn - диапазон регулирования частот вращения шпинделя.

Расчётные частоты вращения промежуточных валов определим по графику передач привода с учётом nmin шпинделя:

Крутящий момент на валу IV:

,        

Крутящий момент на валу III:

,        

Крутящий момент на валу II:

,        

Крутящий момент на валу I:

,   

3.       Определяем диаметры валов по допускаемому напряжению при кручении [τ]=25…30 МПа:


где di - диаметр вала, мм.

Диаметр вала I:

Диаметр вала II:

Диаметр вала III:

Диаметр вала VI:      

4.       Найденные расчётом диаметры валов округляются до нормализованных диаметров гладких (ГОСТ 6636-69) и шлицевых валов (по ГОСТ 1139-58). Результаты многоваловой коробки скоростей сводим в таблицу:

№ вала по кинематической схеме

Расчётные параметры


Nj, кВт

Mj, кВт

np, мин-1

dj, мм





расчётная

нормализ.

I

16.7

85.8

1895.25

25.7

26

II

16

159.9

974.6

31.7

32

III

15.4

314.7

476.6

35.1

36

IV

14.81

608.9

236.9

39.8

40


3.2     Расчёт модулей зубчатых колёс


Ориентировочное минимально допустимое значение модуля m, мм. определим по формуле:


где km - вспомогательный коэффициент; М1 - крутящий момент на шестерне, Н∙м; z1 - число зубьев шестерни; k - коэффициент учитывающий неравномерность распределения нагрузки по ширине венца; ψbd - отношение ширины венца к начальному диаметру шестерни; yF1 - коэффициент учитывающий форму зуба.

Допустимое напряжение зубьев по изгибу σFP определяют по формуле


σ’FP - допускаемое напряжение зубьев по изгибу, МПа, соответствующее базовому числу циклов перемены напряжений; kFL - коэффициент долговечности.

Ориентировочное минимально допустимое значение модуля:

Рассчитанный по формуле модуль округляется до стандартного значения m=2. Характеристики зубчатых колёс сведём в таблицу:


№ зубчатого колеса

Число зубьев

Модуль, мм

Диаметр делительной окружности, мм

Ширина зубчатого венца, мм

1

18

2

36

52

2

36

2

72

52

3

20

2

40

52

4

50

2

100

52

5

35

2

70

52

6

35

2

70

52

7

20

2

40

65

8

64

2

128

65

9

56

2

65

10

28

2

56

65


3.3     Проверочный расчёт зубчатых передач


Расчёт на контактную выносливость рабочих поверхностей зубьев

Действующие в передаче контактные напряжения определяют по формуле


где σн - контактные напряжения, МПа; zН - коэффициент, зависящий от угла наклона зубьев, для x=0 применяем zН=1,76; zМ - коэффициент, учитывающий механические свойства материалов сопряжённых колёс, для стальных колёс zМ=275; zε - коэффициент, учитывающий суммарную длину контактных линий:


Коэффициент торцевого перекрытия:


где z1 и z2 - числа зубьев шестерни и колеса, знак «+» принимают для наружного зацепления.         


Удельную расчётную окружную силу ωHt определяют по формуле


где Pt - исходная окружная сила, Н:


где ωHV - удельная окружная динамическая сила, Н/мм,


где V - окружная скорость, м/с; аω - межосевое расстояние, мм.

Допускаемое контактное напряжение [σн] определяем по формуле:


где  - допускаемое контактное напряжение, соответствующее базовому числу циклов перемены напряжений, МПа; kHL - коэффициент долговечности, для зубчатых колёс коробки скоростей станков kHL=1.

Для стали 45 с улучшением =750 МПа.

,25 МПа ≤ 750 МПа

Условие контактной выносливости выполняется.

Расчёт на изгибную выносливость зубьев

Действующее в передаче напряжение изгиба сравнивается с допустимыми, с учётом коэффициента долговечности.

Действующее напряжение изгиба:


Коэффициент yε - учитывает перекрытие зубьев. Для прямозубых колёс применяют yε=1. Коэффициент yβ учитывает наклон зуба. Для прямозубых применяют yβ=1.

Удельную расчётную окружную силу ωFt определяем по формуле


где Pt - расчётная окружная сила в зубчатом зацеплении, Н; bω - рабочая ширина венца, мм

Окружная сила Pt=2∙103∙M1/d1, где M1 - крутящий момент, Н∙м; d1 - диаметр делительной окружности, мм.


Коэффициент kFa учитывает распределение нагрузки между зубьями. Для прямозубых передач приметаем kFa=1. Коэффициент k учитывает распределение нагрузки по ширине венца, можно принять k=1.1.

Коэффициент kFv учитывает динамическую нагрузку, возникающую в зацеплении.


где ωFV - удельная окружная динамическая сила, Н/мм,


где V - окружная скорость, м/с; аω - межосевое расстояние, мм; для прямозубых передач δ=0.016; коэффициент g0=47, учитывает влияние разности шагов зацепления.

Допускаемое изгибное напряжении [σF] определяется по формуле:


где  - допускаемое контактное напряжение, соответствующее базовому числу циклов перемены напряжений, МПа; kFL - коэффициент долговечности, для зубчатых колёс коробки скоростей станков kFL=1.

Для стали Для стали 45 с улучшением σ’F=450 МПа, условие изгибной выносливости выполняется.

.49 МПа ≤ 450 МПа

Условие на изгибную выносливость выполняется.

3.4     Проверочный расчёт валов


Проверочный расчёт выполним для наиболее нагруженного вала 4 коробки скоростей.

Выполним расчёт усилий нагружения вала и реакции в опорах. Согласно схеме нагружения на вал в вертикальной плоскости действует окружная сила:

H, где

T - крутящий момент,

dω - диаметр делительной окружности колеса, мм

H, где

α - угол зацепления.

Рассчитаем нагрузки в вертикальной плоскости:

Реакции в опорах:


Направление реакций в опорах определены верно. Строим эпюру изгибающих моментов в вертикальной плоскости.

Рассчитаем нагрузки в горизонтальной плоскости.


Реакции в опорах:


Направления реакций в опорах определены верно. Строим эпюру изгибающих моментов в горизонтальной плоскости.

Осевая сила на данный вал не действует.

Строим эпюру суммарного изгибающего момента:

1)      

2)      

Полные реакции в опорах:

1)      

2)      

Определим действительные напряжения в опасных сечениях. На прочность валы рассчитывают по формуле:

 где

Mпр - приведенный момент;

W - момент сопротивления в опасном сечении, мм³

изг] - допускаемое напряжение, МПа

Определим приведенный момент:

, где

Мизг - максимальный изгибающий момент в опасном сечении,

Опасным сечением является ступень вала между зубчатыми колёсами.


Момент сопротивления круглого вала найдём по формуле:


Действительное напряжение не превышает допускаемого, следовательно, условие прочности выполняется.

Рисунок 5 Расчётная схема вала

3.5 Выбор и расчёт подшипников


Определим действительную динамическую грузоподъемную силу наиболее нагруженного подшипника на шпинделе:


С - динамическая грузоподъёмная сила, кН;

Q - приведенная нагрузка на подшипники, кН;

n - частота вращения вала, мин-1;

h - требуемая долговечность (ресурс) подшипника;

ɑ - показатель степени (для шарикоподшипников ɑ=10/3).

Долговечность подшипника h ориентировочно можно принимать равной 10000 ч. [по рекомендации 5].

Приведенную нагрузку для радиальных шарикоподшипников и радиально-упорных шарико- и роликоподшипников определим по формуле:

, где

R - расчётная радиальная нагрузка, действующая на подшипник, кН, равная по величине суммарной опорной реакции;

А - расчётная осевая нагрузка на подшипник, кН;

m - коэффициент приведения осевой нагрузки к радиальной; практически для основных типов подшипников, применяемых в коробках скоростей станков, можно принять m=1,5;

kδ - коэффициент, учитывающий влияние характера нагрузки на подшипник (для коробок скоростей можно принять kδ=1…1,2);

kk - коэффициент вращения, равный 1 при вращении внутреннего кольца и 1,2 при вращении наружного кольца.

KT - температурный коэффициент, который равен1.

Получаем:

кН

кН

По ГОСТ 8338 подшипник 204 имеет динамическую грузоподъёмность равную 13 кН. Следовательно условие применения данного подшипника в коробке скоростей удовлетворяется.

4.     Расчёт шпиндельного узла


4.1     Расчёт на кинематическую точность


В результате этого расчёта выбирают класс точности подшипников шпинделя в зависимости от его допускаемого радиального биения ∆. Предполагают наиболее благоприятный случай, когда биение подшипников ∆А в передней опоре и ∆B в задней опоре направлены в противоположные стороны. При этом радиальное биение конца шпинделя определяется по формуле:


Рисунок 6 Схема к расчету шпиндельного узла на точность

Приняв


получаем

Для проектируемого станка применяем ∆=0,01 мм, l=308 мм, a=150 мм, получаем:

По полученным значениям биения подшипников выбираем требуемый класс точности. Для передней опоры выбираем подшипники с классом точности Р2, для задней опоры класс точности также Р2.

4.2     Расчёт шпинделя на жесткость


Жёсткость шпиндельного узла определяет точность его положения при воздействии нагрузок, и следовательно, точность обработки на станке.

Расчёт на жёсткость шпиндельного узла сводится к определению суммарных упругих отжатий y и углов поворота поперечных сечений θ на наиболее ответственных участках шпинделя, а именно: переднем торце, посадочных местах подшипников, посадочных местах зубчатых колёс.

Фактические значения параметров y и θ не должны превышать предельно допустимые.

На переднем торце шпинделя:

[y]=0,33∙∆P, [θ]=0,001 рад

В местах посадки зубчатых колёс:

[y]=0,02∙m, [θ]=0,001 рад

Величины прогибов в подшипниках опор определяется жёсткостью и величиной сил реакции и автоматически ограничивается при выборе подшипников по коэффициенту работоспособности. Значения углов наклона внутренних колец относительно наружных должны быть проверены и не должны превышать для шарикоподшипников 0,005.

Рассчитаем углы поворота и прогиб вала в опасных точках. Нагрузка шпинделя от приводных зубчатых колёс отсутствует. Для этого построим расчётную схему вала.

Рисунок 7 Расчётная схема шпинделя


Определим прогиб шлицевого конца шпинделя при самом неблагоприятном случае (шпинделя выдвинут на максимальный ход) под воздействием нагрузки:

, где

Кy - коэффициент, учитывающий связь между точкой приложения силы и точкой, в которой определяют деформацию. По графику 6 определим Кy: x/l=60/308=0,2; c/l=290/308=0,94. Кy=0,3

мм

Определим наклон оси шлицевого конца шпинделя:

, где

 - коэффициент, учитывающий связь между точкой приложения силы и точкой, в которой определяют деформацию. По графику 3 определим, что

рад

Расчётные значения не превышают допустимых, таким образом жёсткость шпинделя обеспечена.

4.3     Расчёт шпинделя на виброустойчивость


Расчёт на виброустойчивость сводится к определению критической частоты вращения и сравнению её с рабочим диапазоном частот вращения шпинделя. Считается, что опасность резонанса не возникает, если предельные скорости рабочего диапазона отличаются от критической частоты не более чем на 25%, то есть:

, где


Рисунок 8 Расчётная схема

Шпиндельный узел рассматриваем как жёсткий ротор на упругих опорах, а критическую частоту вращения определим из биквадратного уравнения:

, где

m - масса шпинделя, m=4,8;

 - жёсткость соответственно первой и второй опор. В опорах находятся радиальные шарикоподшипники. По определяем жёсткость опор. Для шарикоподшипников она самая низкая и равна 50 кГ/мк=500Н/мк.

Ix, Iy - моменты инерции относительно главных осей.

Моменты инерции цилиндра равны:


Моменты относительно осей y - такие же.

a и b расстояния от центра масс до первой и второй опор. a=180 мм=0,18 м, b=128 мм=0,128 м.


Сделаем замену: , тогда получим:

Решая уравнение получим один положительный корень - .

 

Рабочая частота вращения вала не превышает критической частоты.

5.     Описание системы смазки и охлаждения


Смазку производить в сроки указанные в карте смазки согласно схеме точек смазки.

В зависимости от климатических условий масляный резервуар заполняется до нужного уровня. Уровень масла следует проверять по красной точке маслоуказателя до пуска станка или после его выключения через 10 - 15 минут (после стока масла в резервуар).

При нормальной работе насоса масло должно непрерывно поступать в контрольный глазок.

Убедившись в нормальной работе насоса и смазав все остальные смазываемые точки можно приступать к работе.

Коробка скоростей смазывается разбрызгиванием масла, подаваемого в процессе работы на зубчатые колёса плунжерным насосом.

Через 6-12 месяцев следует производить замену смазки с разборкой и промывкой сборочных единиц станка.

Смазочный материал: масло индустриальное И-20А ГОСТ 20799-75 в насос; смазка ЦИАТИМ - 201 ГОСТ 6267 - 74; смазка Солидол УС - 2 ГОСТ 1033 - 73.

6.      
Механизм управления подачами

Механическая подача шпинделя осуществляется червячным колесом, получающим вращение от шпинделя.

Механизм коробки подач позволяет получить 6 подач с реверсированием подач через конические шестерни и кулачковую муфту. Реверс осуществляется рукояткой 8. Переключение подач производится рукоятками 4.

Включение подачи осуществляется перемещением рукояток 13 на себя. При этом стержень с конусом 10 раздвигает кулачки 9 и включает фрикционную муфту 11 с червячным колесом 12.

Включение подачи шпинделя производится перемещением рукояток 13 от себя.

Автоматическое отключение подачи шпинделя после достижения определённой заранее установленной по лимбу 5 величины перемещения производится упором 6. Последний отключает муфту.

Заключение

В данном курсовом проекте был спроектирован координатно-расточной станок в соответствии со станком прототипом 2А430. Спроектированный станок предназначен для обработки легированных и углеродистых сталей, и чугунов, а также алюминиевых сплавов. На станке можно выполнять следующие виды работ: сверление, рассверливание, растачивание, чистовое фрезерование.

По рассчитанным режимам и силам резания была спроектирована коробка скоростей, обеспечивающая диапазон регулирования частот вращения 100-3150 об/мин и имеющая 4 механические ступеней регулирования и 4 с помощью ЭД постоянного тока. Валы и зубчатые колёса рассчитывались и подвергались проверочным расчетам.

Список литературы

1. Атлас конструкций деталей машин, под ред. Решетова Д.Н., М., Машиностроение, 1979

2.       Кочергин А.И. Конструирование и расчет металлорежущих станков и станочных комплексов. Курсовое проектирование, Мн.: Выш. школа, 1991.

.         Детали и механизмы металлорежущих станков, т. 2, под ред. Решетова Д.Н., М., Машиностроение, 1972.

.         Расчёт и конструирование деталей и узлов металлообрабатывающих станков, А.Т. Калашников, А.А. Погонин, И.В. Шрубченко, М.Н. Воронкова.

Похожие работы на - Проектирование координатно-расточного станка

 

Не нашли материал для своей работы?
Поможем написать уникальную работу
Без плагиата!
Без нейросетей!