Анализ прохождения радиосигнала через линейный резонансный усилительный каскад
Содержание
1. Задание и исходные данные
. Анализ схемы
. Построение эквивалентной схемы
заданной цепи для рабочего диапазона частот
. Определение параметров линейной
схемы на резонансной частоте
. Нахождение передаточной функции
цепи по напряжению. Построение АЧХ и ФЧХ схемы для рабочего диапазона частот
. Построение управляющего сигнала.
Расчет и построение амплитудо-частотного и фазо-частотного спектров
управляющего сигнала
. Аплитудно-модулированное
колебание. Его амплитудо-частотный и фазо-частотный спектры
. Отклик схемы на
амплитудно-модулированное колебание
. Импульсная характеристика схемы
. Выводы
. Список литературы
1. Задание и исходные данные
Для решения задач курсовой работы необходимо:
1. Объяснить, письменно, работу схемы и
назначение всех элементов;
2. Изобразить эквивалентную схему заданной
цепи в рабочем диапазоне частот;
. Определить параметры линейной схемы
замещения на резонансной частоте контура;
4. Найти передаточную функцию по напряжению
относительно расстройки, построить графики К(ξ),φ(ξ);
5. Рассчитать и построить АЧ и ФЧ спектры
управляющего сигнала;
. Записать аналитическое выражение АМ
сигнала с модуляцией по закону: φн=0,
ω0 = ωр,
U0=0,2 В. Записать
функцию спектральной плотности;
7. Построить АМ сигнал и графики АЧ и ФЧ
спектра АМ сигнала;
8. Найти отклик схемы при воздействии на
ее вход АМ сигнала. Построить графики АЧ и ФЧ спектра АМ сигнала на выходе.
. Определить импульсную характеристику
цепи, построить её график;
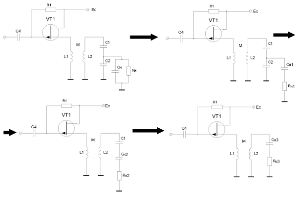
Исходная схема приведена на рисунке 1.
Рисунок 1 - Исходная схема
Исходные данные:
R1=82 кОм
C1=9100 пФ
C2=910 пФ
C4=3,3 мкФ
L1=600 мкГн
L2=800 мкГн
M=200 мкГн
Rн=47 кОм
Сн=80пФ
QL=100
Параметры транзистора:
fраб=200 МГц
СЗИ = 12 пФ;
СЗС = 5 пФ;
S = 3 мСм.
Управляющий сигнал приведен на рисунке 2, где
Е=9 В, τ
- длительность сигнала.
Рисунок 2 - Управляющий сигнал
. Анализ схемы
Определение резонансной частоты:
Так как полевой транзистор является
схемой с распределенными параметрами, то частотный диапазон схемы ограничен.
Для оценки усилительных свойств
транзистора вводится понятие граничной частоты по крутизне и обозначается как
.
На этой частоте модуль крутизны
уменьшается в 1,4 раза по сравнению низкой частотным значением, граничная
частота определяется по формуле:
Для расчета будем считать что
= 200Ом.
Рассчитаем граничную частоту :
Объясним назначение каждого из
элементов схемы представленной на рис.1.
Конденсатор С4 - разделительная
емкость обеспечивает гальваническую развязку входа цепи каскада от источника
сигнала (отсекает постоянную составляющую).
Сопротивление R1 - задает
смещение цепи затвора.
Катушки L1 и L2 образуют
магнитную связь.
Катушка L1 ,конденсаторы
C1,С2 и
Сн(ёмкостная составляющая Zн) - образуют частотоизберательную
систему каскада;
Zн -
сопротивление нагрузки.
. Построение эквивалентной схемы
заданной цепи для рабочего диапазона частот
Для уменьшения количества контуров
произведем следующие преобразования показанные на рисунке 3.
Рисунок 3 - Преобразование исходной схемы
Этим преобразованиям соответствуют следующие
расчёты:

Так как граничная частота fs много
меньше резонансной частоты fр можем использовать схему
замещения.
С учетом того, что транзистор
работает в узкополосном режиме вблизи резонансной частоты, эквивалентную схему
транзистора целесообразно преобразовать в следующий вид. Результат
преобразования представлен на рисунке 4
Рисунок 4 - Схема замещения
транзистора - 1
В результате данного преобразования
проводимости ветвей будут комплексными, но не будут зависеть от частоты.
При расчете узкополосных схем
целесообразно рассматривать транзистор как проходной четырехполюсник. В этом
случае он будет полностью охарактеризован 4-мя параметрами, которые являются
комплексными, но частотно независимыми. Для заданной схемы перейдем от
параметров виде Y-параметров к Z-
параметрам. Результат представлен на рисунке 5.
Рисунок 5 - Схема замещения
транзистора - 2
Таким образом, схема примет вид,
представленный на рисунке 6
Рисунок 6 - Итоговая схема
преобразований
. Определение параметров линейной
схемы на резонансной частоте
Для расчета малосигнальных
параметров транзистора используется расчетное значение резонансной частоты по
следующим формулам:
Неопределенная матрица проводимости
имеет следующий вид:
При использовании в анализе метода
контурных токов нам потребуются параметры Zij, которые
получаем из Yij-параметров
с помощью формул пересчёта:
где
- определитель матрицы Y
. Нахождение передаточной функции
цепи по напряжению. Построение АЧХ и ФЧХ схемы для рабочего диапазона частот
Для нахождения передаточной функции
используем метод контурных токов. В результате преобразования схемы мы получили
4 контура. Схема представлена на рисунке 6. Возможность анализа поведения схемы
в узком диапазоне частот при высокой добротности используемого контура
позволяет существенно упростить составляемую систему уравнений.
Вычисления будем проводить используя
программный пакет MatLab.
Матрица контурных токов задается
следующим образом:
I =
[1/(i*wr*C4)+Z11+Z12, -Z11-Z12, Z12, 0;
Z11-Z12,
Z11+Z12+Z21+Z22+R1, -Z21-Z22, 0;, -Z21-Z22, Z21+Z22+i*wr*L1, -i*wr*M;
0, 0, -i*wr*M, r*(1+i*E)+Rn2];
где wr - ωр , Е - это
расстройка равная ξ=x/r, где x- реактивное
сопротивление контура, r - сопротивление потерь магнитной
связи, которые рассчитываются по следующим формулам соответственно:
Коэффициент передачи по напряжению
мы можем найти по следующей формуле:
где
-- определитель матрицы I;
-- определитель матрицы, в которой
4-ый столбец заменен матрицей напряжений (входное напряжение принимаем за
единицу):
I4=[1/(i*wr*C4)+Z11+Z12,
-Z11-Z12, Z12, 1;
Z11-Z12,
Z11+Z12+Z21+Z22+R1+9, -Z21-Z22, 0;, -Z21-Z22, Z21+Z22+i*wr*L1, 0;
0, 0, -i*wr*M, 0];
Зависимость коэффициента усиления от
расстройки имеет вид показанный на рисунке 7.
Рисунок 7 - Зависимость коэффициента
усиления и фазы от расстройки
Заменяя расстройку в матрице I по формуле
, где
, можно
построить зависимости коэффициента усиления и фазы от частоты:
Рисунок 8 - Зависимость коэффициента
усиления и фазы от частоты
6. Построение управляющего сигнала.
Расчет и построение амплитудо-частотного и фазо-частотного спектров
управляющего сигнала
Данный в условии управляющий сигнал
представим в виде суммы двух прямоугольных импульсов, в формате MatLab сигнал
задаётся следующим образом:
fsign=3000;=square(fsign*4*pi*t);=square(fsign*2*pi*t);=(s1+s2)/2;
где t - время, fsign - частота
сигнала равная 3 кГц.
Построенный управляющий сигнал на
входе показан на рисунке 9.
Рисунок 9 -Управляющий сигнал
АЧ и ФЧ спектры управляющего сигнала
представлены на рисунке 10.
Рисунок 10 - АЧ и ФЧ спектры
управляющего сигнала.
7. Аплитудно-модулированное
колебание. Его амплитудо-частотный и фазо-частотный спектры
По условию дано:
φн=0, ω0 = ωр, U0=0,2 В;
Амплитудно-модулированное колебание
задается формулой:
Значит, аналитическое выражение
амплитудно-модулированного сигнала с модуляцией по закону заданного
управляющего сигнала в формате MatLab будет выглядеть следующим
образом:
где n - индекс
векторов сигналов; AMsignal - вектор АМ сигнала; signal - вектор
управляющего сигнала; wr - ωр ; t - время.
Функция спектральной плотности имеет
следующий вид:
В результате получаем АМ-колебание
показанное на рисунке 11.
Рисунок 11 - АМ-колебание
АЧ и ФЧ спектры АМ-колебания на
входе представлены на рисунке 12
Рисунок 12 - АЧ и ФЧ спектры
АМ-колебания на входе
. Отклик схемы на
амплитудно-модулированное колебание
Пусть на вход данной схемы подается
сигнал, который представлен на рисунке 11. Чтобы получить сигнал на выходе
схемы, нужно поэлементно умножить значения АЧХ на значения спектральных
составляющих, а затем, применив обратное преобразование Фурье, получим сигнал
на выходе. Результаты проделанной работы представлены на рисунках 14 и 15.
Рисунок 14 - АЧ и ФЧ спектры
АМ-колебания на выходе
Рисунок 15 - АМ-колебание на выходе
. Импульсная характеристика схемы
Импульсную характеристику схемы
будем строить исходя из реакции схемы на резкое изменения амплитуды входного
сигнала. Поэтому на протяжении времени t будем
подавать на вход схемы некоторое напряжение ≈ 0 В, а в момент времени t
скачкообразно изменим напряжение. Реакция схемы на такое воздействие является
импульсная характеристика.
Рисунок 16 - Реакция схемы на
импульс
10. Выводы
В ходе данной работы были выполнены
следующие задачи:
. Рассчитана резонансная частота
колебательного контура схемы:
; рассчитана граничная частота
транзистора:
.
. Преобразована исходная схема, как
показано на рисунке 3, в результате чего уменьшилось количество контуров.
Применена схема замещения транзистора и рассчитаны Y- и Z- параметры
схемы замещения.
. Сформирована матрица контурных
токов:
I = [1/(i*wr*C4)+Z11+Z12, -Z11-Z12, Z12, 0;
-Z11-Z12,
Z11+Z12+Z21+Z22+R1, -Z21-Z22, 0;, -Z21-Z22, Z21+Z22+i*wr*L1, -i*wr*M;
0, 0, -i*wr*M, r*(1+i*E)+Rn2];
найдена передаточная функция цепи по
напряжению; построены графики зависимостей коэффициента усиления и фазы от
расстройки, а также графики АЧХ и ФЧХ схемы для рабочего диапазона частот.
. Построен управляющий сигнал.
Рассчитаны амплитудо-частотный и фазо-частотный спектры управляющего сигнала и
построены их графики.
. Произведена амплитудная модуляции
с заданным управляющим сигналом. Построены амплитудо-частотный и фазо-частотный
спектры амплитудно-модулированного сигнала. Записана функция спектральной
плотности.
. Получен отклик схемы на
амплитудно-модулированное колебание. Сравнение АМ-сигнала на входе и на выходе
показано на рисунке 18; расчёт спектров выходного АМ-сигнала наглядно показан
на рисунке 17.
. Получена импульсная характеристика
схемы.
Рисунок 18 - Расчёт спектров
выходного АМ-сигнала
радиосигнал
резонансный усилительный
Рисунок 19 - Сравнение АМ-сигнала на входе и
выходе схемы
11. Список литературы
1. МATLAB
5.x - Н.Н. Мартынов,
А.П. Иванов
2. MATLAB
- перевод с английского Конюшенко В.В.
. Баскаков С.И. -
Радиотехнические цепи и сигналы
. Бойко В.И. - Схемотехника
электронных систем. Аналоговые и импульсные устройства