Автоматизированная система научных исследований
Содержание
Введение
. Структура двухуровневой
АСНИ
. Поле рассеяния данных
нестационарных процессов
. Управляющая аппаратура
АСНИ. Управляющие реле
. Программно-аппаратная
цепочка прохождения интерфейсной
команды
Литература
Введение
Автоматизированная система научных исследований
и комплексных испытаний образцов новой техники (АСНИ) - это
программно-аппаратный комплекс на базе средств вычислительной техники,
предназначенный для проведения научных исследований или комплексных испытаний
образцов новой техники на основе получения и использования моделей исследуемых
объектов, явлений и процессов.
Программно-аппаратный комплекс АСНИ состоит из
средств методического, программного, технического, информационного и
организационно-правового обеспечения.
Взаимодействие исследуемого объекта, явления или
процесса с АСНИ осуществляется через аппаратуру сопряжения, входящую в состав
программно-аппаратного комплекса. Взаимодействие подразделений
научно-исследовательской организации или предприятия с АСНИ регламентируется
средствами организационно-правового обеспечения системы.
1. Структура двухуровневой АСНИ
Этап 1.
Процесс эксперимента.
Управление приборами. Сбор данных.Простейшая
первичная обработка данных.Запись на магнитный носитель для последующей
обработки.
Здесь от ЭВМ требуется только способность
управлять приборами в реальном времени. Но объем памяти и быстродействие для
большинства экспериментов на этом этапе не критичны. Продуктивная активность
ЭВМ сводится к посылке на прибор команды запуска процесса измерения, ожиданию
готовности данных и, наконец к приему от прибора уже готовых данных.
Этап 2.
Вторичная обработка данных.
Выработка математических моделей. Описание
опытных данных формулами. Создание базы данных. Использование данных в
разработке теоретических моделей изучаемого процесса.
Здесь от ЭВМ уже не требуется способность
управлять приборами. Однако появляется необходимость в высоком быстродействии и
достаточном объеме памяти.
Чтобы снять указанное противоречие, на разных
этапах эксперимента надо использовать разные ЭВМ. В результате образуется
двухуровневая структура АСНИ.
. Поле рассеяния данных нестационарных процессов
автоматизированный рассеяние реле
интерфейсный
Особенность нестационарных процессов - в числе
факторов всегда находится текущее время процесса. Обработка данных производится
по ансамблю реализаций. Не касаясь специфики сбора данных для нестационарных
процессов, рассмотрим уже готовый ансамбль реализаций.
3. Управляющая аппаратура АСНИ
ЦАП цифро-аналоговый преобразователь.
Предназначен для выдачи электрических сигналов
управляемой величины, изменяющихся во времени по любому закону в соответствии с
программой управления объектом.
Максимальному коду входного двоичного регистра
соответствует напряжение калибровки Uк на выходе ЦАП.
Разрешающая способность дельта
U=
Uк/(Макс.код) зависит от разрядности ЦАП
Дискретность значений входного регистра приводит
к ступенчатой форме выходного напряжения для заведомо гладкой функции.
Степень приближенности к форме гладкой кривой
зависит от интервала квантования (шага по времени) и от разрядности ЦАП.
Для сглаживания сигнала применяется электронная
фильтрация.
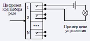
Управляющие реле.
Коммутаторы управляющих сигналов, актуаторы.
Предназначены для создания дискретного управления типа (вкл /откл).

Модули могут включать 8,16 и др. число реле.
Переключаемый ток до 1 А и более, зависит от
типа реле.
. Программно-аппаратная
цепочка прохождения интерфейсной команды
Информационную связь программы пользователя с
аппаратурой, подключенной к приборному интерфейсу (ПИ), можно представить в
виде цепочки.
Литература
. АСНИ в энергитике. Конспект
лекций по курсу " Автоматизированные системы научных исследований".
Кафедра ИТФ,МЭИ.Разработка материала и создание PDF версии: доц. Ковалев.С.И.
Версия 1.3 Московский энергетический институт, 2002.
2. Кузьмичев Д.А., Радкевич И.А.,
Смирнов А.Д. Автоматизация экспериментальных исследований. М.:Наука, 1983. 392
с.
. Мирский Г.Я. Электронные
измерения. М.: Радио и связь, 1986. 304 с.
. Виноградова Н.А., Есюткин А.А.,
Филаретов Г.Ф. Научно-методические основы построения АСНИ. М.:МЭИ, 1989. 84 с.
. Новицкий П.В., Зограф И.А. Оценка
погрешностей результатов измерений. - 2-е изд., перераб. и доп. - Л.:
Энергоатомиздат.Ленингр.отд-ние, 1991. 304 с.
. Ковалев С.И, Свиридов В.Г.,
Соколов В.М. Автоматизация теплофизического лабораторного эксперимента. М.:
МЭИ, 1994. 64 с.