Электроразведка касситеритовых месторождений

  • Вид работы:
    Контрольная работа
  • Предмет:
    Геология
  • Язык:
    Русский
    ,
    Формат файла:
    MS Word
    81,26 Кб
  • Опубликовано:
    2012-10-19
Вы можете узнать стоимость помощи в написании студенческой работы.
Помощь в написании работы, которую точно примут!

Электроразведка касситеритовых месторождений














Электроразведка касситеритовых месторождений

Оглавление

касситеритовое месторождение геологическое электроразведка

Ведение

. Касситеритовые месторождения

1.1 Касситерит - минерал

.2 Образование месторождений

.3 Географическое расположение месторождений олова

.4 Типы промышленных месторождений

. Основы электроразведки

. Электроразведка на месторождениях олова

.1 особенности месторождений и применяемые методы

.2 Описание используемых методов на месторождениях

Заключение

Список используемой литературы

Ведение


В данном курсовой работе рассмотрены касситеритовые месторождения. В ходе выполнения курсовой работы был составлен геологический очерк и строение месторождений, включающее происхождение, географическое распространение, разновидности и ассоциации.

Цель курсовой работы:

описать физические особенности пород касситеритовых месторождений;

по физическим свойствам горных пород и руд выбрать методы электроразведки;

описать эти методы.

Основными электромагнитными свойствами горных пород являются удельное электрическое сопротивление (УЭС, или ), электрохимическая активность ( ), поляризуемость ( ), диэлектрическая ( ) и магнитная ( ) проницаемости. Электромагнитные свойства геологических сред, вмещающей среды, пластов, объектов, а также геометрические параметры последних служат основой для построения геоэлектрических разрезов. Геоэлектрический разрез над однородным по тому или иному электромагнитному свойству полупространством принято называть нормальным, а над неоднородным - аномальным. На выделении аномалий и основана электроразведка.

Изменение глубинности электроразведки достигается изменением мощности источников, частоты и длительности возбуждения, а также зависит от способов создания поля. Последние могут быть гальваническими (ток вводится в Землю с помощью заземлений) или индукционными (ток пропускается в незаземленную петлю, рамку). Глубинностью можно управлять также геометрическим (дистан-ционным) и частотным приемами. Сущность дистанционного (геометрического) приема сводится к увеличению расстояния между источником поля и точками, где оно измеряется, что ведет к росту объема среды, вовлекаемого в исследование. Частотный принцип увеличения глубинности основан на скин-эффекте, т.е. прижимании поля к поверхности Земли, тем большем, чем выше частота гармонического поля ( ) или меньше время ( ) после создания импульсного поля. Наоборот, чем меньше частота, больше (период колебаний) или (его называют временем диффузии, становления поля, или переходного процесса), тем больше глубинность разведки. В целом она может меняться от сотен и десятков километров на постоянном токе и инфранизких частотах до сантиметров и миллиметров на частотах свыше гигагерц (Ггц = 109 Гц).

Вследствие многообразия используемых полей, их частотно-временных спектров, электромагнитных свойств горных пород электроразведка отличается от других геофизических методов большим количеством методов (свыше 50). По физической природе их можно сгруппировать в методы естественного переменного электромагнитного поля, поляризационные (геоэлектрохимические), сопротивлений, индукционные низкочастотные, высокочастотные, сверхвысокочастотные, биогеофизические.

По геометрии и строению изучаемых геологических разрезов методы электроразведки условно делятся на: 1) зондирования, которые служат для расчленения горизонтально (или полого) слоистых разрезов в вертикальном направлении; 2) профилирования, предназначенные для изучения крутослоистых разрезов или выявления объектов в горизонтальном направлении; 3) подземно-скважинные (объемные), объединяющие методы выявления неоднородностей между скважинами, горными выработками и земной поверхностью.

Электроразведка с той или иной эффективностью применяется для решения практически всех задач, при которых используются геофизические методы. В частности, с помощью естественных переменных полей солнечно-космического происхождения разведываются земные недра на глубинах до 500 км и ведется изучение таких геосфер, как осадочная толща, кристаллические породы, земная кора, верхняя мантия. Электромагнитные зондирования используются при глубинных и структурных исследованиях, поисках нефти и газа. Электромагнитные профилирования применяются при картировочно-поисковых съемках, поисках рудных и нерудных полезных ископаемых. Объемные методы применяются при разведке месторождений. Малоглубинные электромагнитные зондирования и профилирования используются при инженерных и экологических исследованиях.

По технологии и месту проведения работ различают аэрокосмические, полевые (наземные), акваториальные (или аквальные, водные, морские, речные), подземные (шахтно-рудничные) и скважинные (межскважинные) методы электроразведки.

 

3. Электроразведка на месторождениях олова

 

.1 особенности месторождений и применяемые методы


Для месторождений олова характерны околорудные изменения вмещающих пород, которые проявляются в виде окварцевания и сульфидизации. В первом случае это вызывает повышение электрического сопротивления, во втором случае - чаще всего понижение сопротивления. Зоны сульфидной минерализации нередко вызывают аномалии ЕП. В Приморье наименьшие сопротивления у сплошных сульфидов, наибольшие - у квар-цево-сульфидных вкрапленных руд. Сопротивление вмещающих пород (песчаников, алевролитов, сланцев, порфиритов, грано-диоритов) изменяется от 200-400 до 8000- 10 000 Ом-м .

Электроразведка при поисках месторождений олова применяется со стадии крупномасштабных поисков (1:50000 - 1:25000) и комплексируется с магниторазведкой и металлометрией. Так, протяженными зонами интенсивных аномалий метод ЕП отмечает крупные тектонические нарушения, минерализованные сульфидами или графитом. С помощью электропрофилирования можно проследить зоны окварцевания, характерные для кварц-касситеритовых месторождений, а также исследовать природу зон гидротермального метаморфизма. Для изучения рыхлых отложений комплекс дополняется методом ВЭЗ.

Более широко электроразведочные работы проводятся при детальных поисках олова для решения таких задач, как изучение природы аномалий, геолого-структурных условий известных месторождений, выделение и прослеживание рудных тел и др. Масштаб работ преимущественно 1:10000, но, учитывая, что мощность оловоносных жил редко превышает 1 - 2 м, нередки случаи применения съемок и в более крупных масштабах (1:5000, 1:2000). Различные модификации электропрофилирования (срединного градиента, трехэлектродного, диполь-ного) используются для прослеживания кварцево-касситеритовых жил (повышение значения рк), зон сульфидной минерализации и даже отдельных касситерит-сульфидных рудных тел (зоны проводимости). Известны случаи прослеживания рудных жил методом отношения градиентов потенциала и радио-кип. Но все указанные методы электроразведки наряду с «рудными» аномалиями выявляют много «ложных», что затрудняет решение задач поисков и требует привлечения в комплекс других геофизических методов для расшифровки аномалий.

Метод ЕП эффективен при поисках и прослеживании сульфидно-касситеритовых рудных зон и жил. Однако многие аномалии ЕП могут быть вызваны графитизированными породами, жилами пирита, халькопирита н других сульфидов; выделять локальные аномалии над оловорудными зонами на их фоне зачастую сложно.

Наиболее перспективные площади на касситерит-сульфидное оруденение изучаются на этой стадии методом ВП (установки срединного градиента и ВЭЗ). С помощью метода уверенно выделяются и исследуются на глубину зоны сульфидной минерализации, с которыми связаны оловянные рудопроявления. В благоприятных условиях изучение временных характеристик поляризуемости позволяет приближенно оценивать природу аномалий ВП. На одном из участков в Приморье выявлена четкая аномалия методом переходных процессов, проверка которой привела к открытию нового олово-полиметаллического рудопроявления. Методы электроразведки на стадии детальных поисков широко комплексируются с магниторазведкой, гравиразведкой, гамма-спектрометрией и металлометрией.

В помощь разведке оловорудных месторождений ведутся наземные электроразведочные работы тех же модификаций, но в более крупном масштабе (Г: 2000-1:1000), с задачей локализации промышленного оруденения. На сульфидных месторождениях олова они комплексируются с методами подземной электроразведки - заряда, ЕП, ВП, РВП для уточнения положения оруденения в меж-скважинном (межвыработочном) пространстве. Для изучения стенок скважин привлекаются методы электрокаротажа (ПС, КС, МЭП). На кварцево-касситеритовых месторождениях в изучении заскважинного пространства хорошую эффективность показал метод пьезоэлектрического эффекта.

Россыпные месторождении олова. Россыпи олова в нашей стране дают около 30% добываемого олова. По условиям образования выделяют четыре типа оловоносных россыпей: элювиальные, делювиальные, аллювиальные и прибрежные (морские и озерные); по условиям залегания выделяют россыпи современных долин, погребенные и ископаемые . Благоприятным фактором для применения методов электроразведки является различие по сопротивлению вмещающих россыпи рыхлых отложений и подстилающих их коренных пород. Часто наблюдается дифференциация по этому параметру и самих рыхлых отложений. Наиболее низкие значения рк (единицы и первые десятки Ом-м) у глинистых образований, повышенные - у галечников и у делювиальных глин (от первых десятков до сотен Ом-м) и высокие (от сотен до нескольких тысяч Ом-м) -у разнозернистых песков.

Основные задачи, решаемые методами электроразведки, сводятся к картированию рельефа коренных пород, выявлению погребенных речных долин и определению мощности рыхлых отложений. При четкой дифференциации рыхлых отложений по электрическому сопротивлению ведется изучение их состава. При решении этих задач наиболее широко используются методы СЭП и ВЭЗ, первый из них - при малой мощности плащгвщкого рыхлого покрова и небольшой глубине залегания россыпей, второй - при глубинном картировании погребенного рельефа и оценке мощности рыхлых отложений. Масштаб работ (1 : 50 000, 1 : 25 000, 1:10 000) обусловливается требуемой детальностью геологических изысканий.

 

.2 Описание используемых методов на месторождениях

 

Метод естественного поля

Метод естественного электрического поля (ЕП, МЕП) или метод собственных потенциалов (СП, ПС) основан на изучении локальных электрических постоянных полей, возникающих в горных породах в силу различных физико-химических процессов . Небольшие собственные потенциалы диффузионно-адсорбционной и фильтрационной природы существуют практически повсеместно. Интенсивные же поля окислительно-восстановительной природы наблюдаются, как правило, только над сульфидными и графитными залежами. Естественные электрические поля могут возникнуть также при коррозии трубопроводов и других подземных металлических конструкций, при ухудшении их гидроизоляции и на участках с низкими УЭС пород. Для измерения ЕП применяются милливольтметры постоянного тока и неполяризующиеся электроды.

Съемка естественных электрических потенциалов выполняется либо по отдельным линиям (профильная съемка), либо по системам обычно параллельных профилей, равномерно покрывающих изучаемый участок (площадная съемка). Направления профилей выбираются вкрест предполагаемого простирания прослеживаемых объектов, а расстояния между ними могут меняться от 10 до 100 м и должны быть в несколько раз меньше ожидаемой длины рудных тел или иных разведываемых геологических объектов.

На каждом профиле равномерно размечаются пункты измерения потенциалов. Расстояния между точками наблюдений (шаг съемки) меняются от 5 до 50 м в зависимости от масштаба съемки, характера и интенсивности электрического поля. Расстояние между профилями при площадной съемке может быть равно или в 2 - 3 раза превышать шаг наблюдений.

Съемка естественных потенциалов может выполняться двумя способами: способом потенциала (), при котором производятся измерения разности потенциалов между одной неподвижной точкой и всеми пунктами наблюдений изучаемого профиля или площади, и способом градиента-потенциала (), при котором измеряется разность потенциалов между двумя электродами, расположенными на постоянном расстоянии друг от друга и перемещаемыми одновременно по профилям. Съемка бывает полевой, акваториальной, подземной и скважинной. Для работ используются неполяризующиеся электроды разных конструкций, например, медный электрод, помещенный в пористый сосуд с раствором медного купороса.

По результатам съемки ЕП строятся графики, карты графиков и карты или .

Глубинность метода ЕП не превышает 500 м, а при решении ряда задач составляет десятки метров.

При электропрофилировании используются переносная электроразведочная аппаратура и различные установки . Простейшей установкой для ЭП является симметричная ( АМNВ), когда все электроды АМNВ с соединяющими их проводами последовательно перемещаются вдоль линии наблюдений с постоянным шагом съемки. Как и в ВЭЗ, измеряются и , по которым рассчитывается КС. Взаимные расстояния между электродами во всех пунктах измерения остаются постоянными. Применяются и другие установки электропрофилирования:

трехэлектродные с двумя встречными установками АМN, С в и МNВ, С в , где С - общий питающий электрод, удаленный в бесконечность, т.е. на расстояния в 5 - 10 раз больше АВ (такое ЭП называется комбинированным);

срединного градиента, когда приемная линия перемещается в средней трети АВ;

дипольные и др..

Иногда ЭП выполняется на двух-трех разносах АВ, отличающихся примерно в 3 раза по длине.

При электропрофилировании любой установкой профили прокладываются вкрест предполагаемого простирания структур или искомых объектов. Шаг установки берется обычно равным МN и несколько меньшим ожидаемой ширины разведываемых геологических объектов.

В результате электропрофилирования строятся графики, карты графиков, а также карты КС для каждого разноса питающих электродов. Глубинность ЭП не превышают 500 м.

Электрическое зондирование

Электрическое зондирование - это такая модификация метода сопротивлений на постоянном или низкочастотном (до 20 Гц) токе, при котором в процессе работы расстояние между питающими электродами или между питающими и приемными линиями (разнос) постепенно увеличивается. В результате строятся графики зависимости кажущегося сопротивления ( ) от разноса ( ), или кривая зондирований, которая характеризует изменение удельных электрических сопротивлений (УЭС) с глубиной.

Различают две модификации зондирований: вертикальные электрические зондирования (ВЭЗ), применяемые для разведки небольших глубин(до 500 м), и дипольные электрические зондирования (ДЗ), применяемые для разведки глубин 0,5 - 10 км.

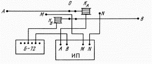
. Методика вертикальных электрических зондирований. Вертикальное электрическое зондирование выполняется симметричной четырехэлектродной или трехэлектродной градиент-установками. Работы cимметричной установкой проводятся в такой последовательности (см. рис1).

Рис. 1. Схема установки ВЭЗ: - катушки с изолированными проводами, Б - батарея, ИП - измерительный прибор

В выбранной точке зондирования (центр зондирования, называемый точкой записи) устанавливаются батарея с измерительным прибором, две катушки с проводом для разноса питающих электродов. На небольшом расстоянии (обычно 1 м) заземляются приемные электроды М и N, а на расстоянии 3 м - питающие А и В. Производится измерение и и рассчитывается , где коэффициент установки . Далее питающие электроды постепенно разносятся в разные стороны, а могут выбираться, например, такими: 1,5; 2,2; 3; 5; 10; 15; 22; 30; 50; 100; ... м. При больших АВ приходится переходить на увеличенную длину MN, чтобы превышали уровень помех. На каждом разносе определяется . Для удобства работ провода предварительно промеряются и на них краской или изолентой ставятся метки, например, одна, две, три, вновь одна, две, три и т.д. При работах с аналоговыми приборами в ходе зондирования на бланке с логарифмическим масштабом по осям координат (бланк ВЭЗ) с модулем 6,25 см при точности измерений или 10 см при точности строится кривая ВЭЗ: по вертикали откладывается , а по горизонтали - величина полуразноса ( ). При работах с цифровой аппаратурой данные вносятся в компьютер, и кривая ВЭЗ строится автоматически на экране дисплея.

После окончания зондирования и построения кривой ВЭЗ аппаратуру и оборудование переносят на новую точку. Обычно точки зондирований располагаются вдоль профилей. Расстояния между соседними точками ВЭЗ (шаг съемки) меняются от первых десятков до нескольких сот метров. Они должны быть сравнимыми с проектируемыми глубинами разведки. Максимальный разнос АВ / 2 выбирается в 3 - 10 раз большим этих глубин.

Разносы должны быть направлены, по-возможности, вдоль дорог, просек, а при так называемых круговых ВЭЗ - по двум или четырем азимутам. Изучаемая площадь покрывается сетью профилей на расстояниях, сравнимых или в 2 - 5 раз больших шага съемки. Для уменьшения искажающего влияния рельефа разносы направляют вдоль его простирания. Изучение почв и грунтов проводится ВЭЗ с малыми разносами (от долей до первого десятка метров). Их называют микрозондированиями (МКВЭЗ).

При выполнении трехэлектродных ВЭЗ один питающий электрод ( А) постепенно удаляется от центра ( О) зондирования, а второй ( В) относится в "бесконечность", т.е. в 3 - 5 раз дальше максимального АО по перпендикуляру к линии разноса и остается постоянно заземленным (установка AMN, B в ).

. Методика дипольных электрических зондирований. Если надо изучить большие глубины (свыше 1 км), то при выполнении ВЭЗ разносы АВ приходится увеличивать до 10 км, что делать сложно и неудобно. В этом случае используются дипольные установки (азимутальные, радиальные и др.). При дипольных электрических зондированиях (ДЗ) измеряется кажущееся сопротивление при разных расстояниях или разносах r между центрами питающего и приемного диполей (рис. 2).

Рис. 2. Схема проведения дипольного азимутального зондирования: ГГ - генераторная группа, ПЛ - полевая лаборатория

Разнос осуществляется либо в одну сторону от неподвижного питающего диполя (одностороннее ДЗ), либо вначале в одну, а затем в противоположную сторону (двухстороннее ДЗ).

Измерив силу тока в АВ ( ) и разность потенциалов на первой М1 N1 () точке О1, можно получить , где - коэффициент дипольной установки (см. 7.3.2). После этого полевая лаборатория переезжает на новую точку О2 (см. рис. 3.6). По радио устанавливается связь между станциями, снова проводятся замеры и расcчитывается и т.д. В результате на бланках с двойным логарифмическим масштабом строится кривая ДЗ: по горизонтали откладывается r (в азимутальном (ДАЗ) и экваториальном (ДЭЗ) зондировании) или (в радиальном (ДРЗ) или осевом (ДОЗ) зондировании), а по вертикали - . Из теории известно, что кривые ДАЗ и ДЭЗ точно совпадают с кривыми ВЭЗ, а ДРЗ и ДОЗ несколько отличаются.

Заключение


В результате проделанной работы мы использовали полученные знания для определения методов используемых при разведке касситеритовых месторождений. И описали основы этих методов.

Список используемой литературы

1.       Хмелевский В.К. «Электроразведка», М., «Недра», 1989, Книга 2.

.        Тархова А.Г. «Электроразведка», М., «Недра», 1980.

.        Смирнов В.И. «Геология полезных ископаемых», М., «Недра», 1989.

4.       Интернет источик: <http://www.astronet.ru>

Похожие работы на - Электроразведка касситеритовых месторождений

 

Не нашли материал для своей работы?
Поможем написать уникальную работу
Без плагиата!
Без нейросетей!