Создание технологичной геоинформационной системы

  • Вид работы:
    Контрольная работа
  • Предмет:
    Информатика, ВТ, телекоммуникации
  • Язык:
    Русский
    ,
    Формат файла:
    MS Word
    14,8 Кб
  • Опубликовано:
    2012-09-02
Вы можете узнать стоимость помощи в написании студенческой работы.
Помощь в написании работы, которую точно примут!

Создание технологичной геоинформационной системы

Введение

Интегральная микросхема (ИМС) - это конструктивно законченное изделие, выполняющее определенные функции преобразования информации и содержащая совокупность электрически связанных между собой электрорадиоэлементов (ЭРЭ), изготовленных в едином технологическом цикле.

Аппаратура построенная на ИМС по сравнению с аналоговой на дискретных компонентах обладает следующими преимуществами:

1.       меньшие размеры аппаратуры;

2.       более низкая стоимость процесса производства;

.         повышенная надежность, что уменьшает стоимость процесса эксплуатации за счет сокращения простоев аппаратуры.

Микросхемы разделяют на группы по принципу устройства:

1. Полупроводниковые ИМС.

2. Гибридные ИМС.

3. Пленочные ИМС.

4. Совмещенные ИМС.

Применение ИМС произвело революцию в РЭА, позволило усовершенствовать и создавать новые методы производства и проектирования РЭА, повысить ее технологические и эксплуатационные характеристики.

1.                  
Анализ задания

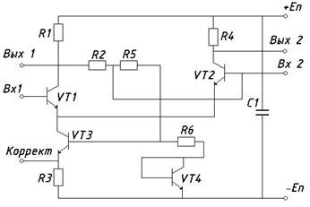
Целью данного курсового проекта является создание технологичной ГИС. В качестве электрической принципиальной схемы была выбрана схема усилителя низкой частоты. Анализируя схему рис. 1, выделяем элементы, которые можно выполнять с помощью тонкопленочной технологии. Такими элементами является конденсатор C1 с небольшой емкостью и резисторы. Транзистор целесообразно выполнить навесным элементом. В процессе разработки микросхемы требуется определить геометрические параметры интегральных компонентов микросхем, выбрать материал изготовления резисторов, облаток конденсаторов, его диэлектрика, проводников и контактных площадок, а так же материала для подложки микросхемы.

Рис. 1. Схема электрическая принципиальная

Таблица 1. Перечень элементов схемы электрической принципиальной

Элемент

R1

R2

R3

R4

R5

R6

VT1,VT2,VT3

C1

Характеристика

4,0 кОм

5,0 кОм

1,8 кОм

4,0 кОм

2,0 кОм

1,5 кОм

 КТ307А

560 пФ


2. Обоснование выбора материала подложки

Подложки в ГИС являются механическим и диэлектрическим основанием, на которых располагаются пленочные элементы и навесные компоненты. В качестве материала подложки выбираем СИТАЛЛ СТ-50-1 (ТХО.735.062.ТУ).

Основные характеристики СИТАЛЛА:

1) класс точности обработки поверхности 13¸14;

2) температурный коэффициент линейного расширения при t=20¸30° равен (50±2)·10-1 [1/ °C];

3) коэффициент теплопроводности 1,5;

4) диэлектрическая проницаемость при f=106 Гц и t=20°C составляет 5¸8,5

5) тангенс угда диэлектрических потерь при f=106 Гц и t=20°C составляет 20·10-4.

3. Расчет конструкционных элементов

.1 Расчет резисторов

Для расчета мощности резисторов рассмотрим эквивалентную схему.

Rобщ=R1+ R2+R3+R4+R5+ R6=16,3 кОм.

P1,4=I2R1=0,36 мВт=I2R2=0,45 мВт=I2R3=0,2 мВт=I2R5=0,18 мВт6=I2R6=0,14 мВт

Определяем :

Выбираем резистивный материал для всех резисторов - сплав РС-3001 (ЕТО.021.019.ТУ). rS=2 кОм/’. Допустимая удельная мощность рассеяния: P0=2 Вт/см2, температурный коэффициент сопротивления ТКР=-0,2×10-4 1/°С при T=-60¸125°C.

Данный материал является одним из наиболее распространённых. Технология исполнения плёночных элементов на его основе хорошо отлажена, что позволяет добиваться стабильной воспроизводимости.

Проверяем правильность выбранного материала:

gR=gк,ф+gr s+gRT+gRНП+gR сопр

gRT=aR(Tmax - 20°C); gr s=5%;gRНП=1%;gR сопр=0,3%.

1) gRT=0,21 %, gк,ф=0,1349>0

Определим коэффициенты формы резисторов: KФi=Ri/rS.

R1,4: KФ=4×103/1×10-3=4;

R2: KФ=5×10-3/1×10-3=5;

R3,: KФ=1,8×10- 3/1×10-3=1,8;

R5: KФ=2×10 -3/1×10-3=2;

R6: KФ=1,5×10 -3/1×10-3=1,5

По таблице 3.15 [1] определяем технологические ограничения:

Dl=Db=0,01 мм

Расчет резисторов.(1≤Кф≤10)

bрасч ³ max{bтехн,bточн,bрас}

bрасч=0,1мм; bточн³(Db+Dl/KФ)/ gк,ф доп;

bрасчR(1)=0,15 мм;

Минимальная ширина резистора с точки зрения рассеиваемой мощности:

р=0,01 мм, принимаем 0,5 мм.

Расчётная длина резисторов определяется из соотношения:

расч=b*Кф;

расч R1,4=2 мм;

lрасч R2 = 2,5 мм.

lрасч R3= 0,9 мм.

lрасч R5=1 мм.

lрасч R6=0,75 мм.

Полная длина резистора с учётом перекрытия контактных площадок:

полн=l+2e; e=0,1;

полн R1,4=2,2 мм;

lполн R2=2,7 мм.

lполн R3=1,1 мм.

lполн R5=1,2 мм

lполн R6=0,95 мм

С точки зрения конструкторской оптимизации изделия, при изготовлении тонкоплёночных резисторов можно использовать пропорциональное увеличение или уменьшение данных элементов (с сохранением коэффициента формы).

.2 Расчет тонкопленочных конденсаторов

С1=560 пФ; Up =5B; fраб=1 кГц;

Материал для напыления диэлектрика выбираем из таблицы исходя из Up: моноокись германия (ГОСТ 19062-74), для напыления облаток: алюминий А99 (ГОСТ 11069-64).

rS=0,2 Ом/; С0=1500 пФ/см2.

Диэлектрическая проницаемость при f=1 кГц e=11¸12.

Тангенс диэлектрических потерь при f=1 кГц tg d=0,005¸0,007.

Электрическая проницаемость Eпр=1×106 В/см.

Рабочая частота, не более fраб=300 МГц.

t=-60¸+125°C; ТКС=3×10 -4 1/°C.

Определяем min толщину диэлектрика dmin и удельную емкость C0V: dmin³K3×Up/Eпр. K3 - коэффициент запаса электрической прочности (для пленочных конденсаторов K3=3).

=3×5/1×106=0,15×10-4см. C0V=0,0885×e/d=0,0885×12/0,15×10-4 =708пФ/мм2.

Температурная погрешность емкости:

gс+=aс(Tmax-20°C);

gс+=3×10-4(125-20)×100=3,15%

Допустимая погрешность активной площади конденсатора: gSдоп=gс-gс0-gс+-gС стар.

gс=30%; gс0=5%; gс+=3,15%; gС стар=1%. gSдоп=20-5-3,15-1=10,85%>0

Минимальная удельная емкость, для обеспечения точности изготовления напыленного по номиналу конденсатора:

0 точн=[gSдоп/(2DL)]2; DL=0,01 мм;

0 точн=680[0,1085/0,02]2=20×103 пФ/мм2.

Определяем, какова должна быть удельная емкость напыленного по номиналу конденсатора с учетом технологических возможностей изготовления по площади перекрытия облаток и толщине диэлектрика. Зададим Smin=1мм2.

С0 min=Cmin/Smin=560/1=560 пФ/мм2. С0£ min{C0 min ,C0 V , C0 точн}.

C0 min =560 пФ/мм2; C0 V=708 пФ/мм2; C0 точн=20000 пФ/мм2.

Выбираем C0 min =560 пФ/мм2.

Определяем какая толщина диэлектрика соответствует выбранной удельной емкости C0. d=0,0885e / C0=0,0885×12/68000=0,156×10-4 см, что вполне приемлемо для тонкопленочной технологии.

Расчет конденсатора C1

2/ C0=580/560=1 мм2.

Коэффициент учитывающий краевой эффект:

£C2/C0<5мм2 K=1,3-0,06×C2/C0

=1,3-0,06×1=1,24.

Площадь перекрытия облаток: S2= C2/ C0×K=1,3 мм2.

Определяем геометрические размеры верхней облатки: Kф=1,

. 2=BH2=L+2q=1,1+2×0,2=1,7 мм.

Вычисляем размеры диэлектрика:

Lд2=Bд2=LH2+2f.

f - размер перекрытия нижней облатки и диэлектрика: f=0,1.

д2=Bд2=1,5+2×0,1=1,9 мм.

Площадь диэлектрика конденсатора: Sд2=L д2× Bд2=1,92=3,6 мм2.

Проверка расчета: 1. tg dоб=0,8×106

tg dраб=0,066+0,8×10-6<0,03

. Рабочая напряженность электрического поля Eраб не превышает Eпр диэлектрика:

раб < Eпр

Eраб=Uраб/d=0,32×106 B/см<1×106 В/см.

.Погрешность активной площади конденсатора не превышает допустимую: DL=0,01мм

gS раб£ gS доп, KФ=1.

; gS доп=gс -gсо - gс+ - gс.ст.=10,85%.

Условие gS раб£ gS доп выполняется.

4. Выбор навесных элементов

Для конструирования микросхемы по электрической принципиальной схеме и анализу задания необходимо выбрать навесной транзистор.

Выбор производится по следующим факторам:

1) максимальный ток коллектора, IK,max

2) максимум мощности рассеиваемой на коллекторе транзистора PK,max

3) напряжение, действующее на переходе коллектор - эмиттер

4) коэффициент передачи по току h21э

5) диапазон рабочих температур

5. Компоновка

Определим ориентировочную площадь платы по формуле:

,

где K - коэффициент запаса по площади. K=1,5.  - площади, занимаемые всеми резисторами, конденсаторами, контактными площадками;  - площадь навесных компонентов, которые не могут быть расположены над пленочными элементами.

S=30 мм2.

Выбираем плату размером 10х8 мм. Целесообразно применять подложку из сеситалла толщиной 0,6 мм. Для защиты тонкопленочной ИС наиболее удобно применение металлостеклянного корпуса 1203 (151.15-4). Благодаря этому корпусу ГИМС является герметичной и защищенной от попадания пыли и влаги.

6. Конструктивные меры защиты ИМС

Основным способом защиты ИМС от воздействия дестабилизирующих факторов (температуры, влажности, радиации, механических воздействий) является герметизация. Ее осуществляют с помощью специально разработанных конструкций корпусов, в которых размещают ИМС. Либо нанесением защитных материалов непосредственно на ИМС.

Корпус изготавливать из металлического дна, металлической крышки, а также стеклянных деталей, в которые впаяны металлические выводы. Дно также спаяно или скреплено со стеклом. Исходя из размеров платы выбираем типовой корпус .

7. Расчет показателя надежности

Основным показателем надежности МС является вероятность безотказной работы в течении определенного промежутка времени: P(t=1000ч)=exp(-lt), l - интенсивность отказов.

l=nlR+l1R+mlna1n×a2n+l×lnk×a1na2nk+klkc×a1kc×a2kc ,

где lR , lk , lnk , lkc - интенсивность отказов резисторов, конденсаторов, навесных компонентов, контактных площадок:

lR =lnk =10-9 1/ч,

lkc=10-8 1/ч,

lk =0,5×10-8 1/ч;

n, m, l, k - число соответствующих элементов. n=5, m=2, l=1, k=17. a1 и a2 - поправочные коэффициенты. a1R=1,5; a1k=2; a1nk=a1c=1; a2R=0,23; a2nn=a2kc=0,2.

Тогда l=2,3×10-81/час. Отсюда P(t=1000ч)=exp(-2,3×10-5)=0,999977. Из расчета видно, что надежность МС удовлетворяет техническому заданию.

8. Выбор технологии изготовления

Для формирования конфигурации проводящего, резистивного и диэлектрического слоев, используют различные методы. Наибольшее распространение получили масочный и фотолитографический методы. Для изготовления резистивных слоев будем использовать метод контактной маски. При изготовлении МС создается сложность получения номинала резистора. Точность при этом методе составляет ±10%. Для изготовления проводящего слоя, контактных площадок используем фотолитографический метод. Точность изготовления ±1%.

Масочный метод является дешевле, чем фотолитографический, но не всегда удовлетворяет требованиям точности. Поэтому в большинстве случаев методы формирования слоёв на подложке комбинируют.

В приложении представлены основные этапы производства платы микросхемы комбинированным методом.

9. Выводы

микросхема электрический резистор конденсатор

В процессе работы была сконструирована ГИМС усилителя по выбранной схеме, что значительно уменьшило габариты усилителя. Кроме миниатюризации к достоинствам сконструированной ГИМС можно так же отнести устойчивость тепловых режимов, малое значение паразитных параметров, значительно меньшее влияние параметров элементов друг на друга, а также возможность серийного производства данной ГИМС. Так как тонкопленочная технология является относительно новым разделом производства РЭА, схема имеет ряд недостатков: большие допуски при изготовлении ИМС параметров элементов после их напыления.

В процессе работы было выбрано расположение элементов с учетом более компактного расположения. Был произведен так же тепловой расчет с целью проверки теплового режима, а так же показателя надежности.

Список литературы

1. Конструирование и технология микросхем. Под ред. Л.А. Коледова - М.: “Высшая школа”, 1984г.

2. Разработка и оформление конструкторской документации РЭА.: Справочник под ред. Э.Т. Романычевой - М.: “Радио и связь”, 1989г.

3. Парфенов О.Д. Технология микросхем. - М.: “Высшая школа”,1986г.

Похожие работы на - Создание технологичной геоинформационной системы

 

Не нашли материал для своей работы?
Поможем написать уникальную работу
Без плагиата!
Без нейросетей!