Расчет водозаборной скважины

  • Вид работы:
    Курсовая работа (т)
  • Предмет:
    Строительство
  • Язык:
    Русский
    ,
    Формат файла:
    MS Word
    316,38 Кб
  • Опубликовано:
    2012-09-12
Вы можете узнать стоимость помощи в написании студенческой работы.
Помощь в написании работы, которую точно примут!

Расчет водозаборной скважины

Введение

Основные направления экономического и социального развития на 1986 - 1990 годы и на период до 2000 года предусматривают увеличение объемов водохозяйственных работ, в том числе и по сельскохозяйственному водоснабжению. В стране намечается создать сеть централизованного снабжения питьевой водой сельского населения, совхозных и колхозных ферм, полевых станов. Для сельскохозяйственного водоснабжения в основном используют подземные воды. Они распространены повсеместно, отличаются от поверхностных высоким качеством и стабильными ресурсами, не зависящими от погодных условий.

В сельскохозяйственном водоснабжении подземные воды имеют особо важное значение, так как потребители до 90…95% всей расходуемой воды получают за их счет. Широкое использование подземных вод можно объяснить тем, что при их заборе обычно не нужны сложные и дорогостоящие сооружения по очистке воды.

Подземные воды, полностью насыщающие водоносный пласт, покрытый сверху водопроницаемыми грунтами, и обладающие пьезометрическим напором, называются напорными.

Изучение условий залегания и движения подземных вод необходимо для установления наилучшего способа их захвата при помощи особых сооружений, называемых водозаборными или каптажными.

Водозаборные сооружения по конструкции подразделяются:

. Вертикальные

. Горизонтальные

. Лучевые

. Каптажи подземных вод

Добывают подземные воды, как правило, с помощью буровых скважин.

Буровая скважина - это цилиндрическая горная выработка в земной коре, характеризуемая относительно малым диаметром по сравнению с ее длиной.

По техническому назначению скважины подразделяются на разведочные, эксплуатационные, разведочно-эксплуатационные, дренажные и наблюдательные.

В данном курсовом проекте рассматривается проект строительства вертикального водозаборного сооружения. Вертикальный водозабор представляет собой цилиндрическую или призматическую вертикальную выработку в водоносном и перекрывающих его пластах (шахтный колодец, буровая скважина). Водозаборная скважина имеет следующие основные элементы: устье скважины, забой, стенки и водоприемную часть.

К водозаборной скважине применяются следующие требования:

конструкция скважины определяется в зависимости от способа бурения и должна обеспечивать максимальный расход при минимальном понижении статистического уровня;

обсадная колонна должна быть позволить установку водоподъемного оборудования;

конструкция должна обеспечить качественный забор воды

скважина должна быть удобной в эксплуатации и позволить проведение ремонтных работ;

оголовок скважины не должен быть герметичным и защищать скважину от поступления в скважину поверхностных вод.

Согласно всем требованиям в данном проекте приведены расчеты водозаборной скважины, определено водоподъемное оборудование, запроектировано здание насосной станции, то есть, все данные для строительства водозаборной скважины.

1. Выбор эксплуатационного водоносного горизонта

Одной из основных задач при проектировании разведочно-эксплуатационных скважин для водоснабжения является обоснование водоносного горизонта. Это вызвано необходимостью обеспечить потребителя водой наилучшего качества и, по возможности, без предварительной обработки.

Все показатели качества воды и характеристики всех водоносных горизонтов необходимо сравнить с требованиями СанПиН. Результаты сравнения сведены в таблице 1.

Таблица 1- Показатели качества воды и характеристики водоносных горизонтов

Показатели

Требования СанПиН

Водоносный горизонт



I

II

III

IV

Сухой остаток

≤1000 мг/л

-

-

-

+

Общая жёсткость

≤7 мг/л

-

+

+

+

Запах

≤2 балл

-

+

+

+

Цветность

<200

-

-

+

+

РН

6,5…8,5

+

+

+

+


По всем показателям подходит четвертый водоносный горизонт.

Вывод: так как четвертый водоносный горизонт удовлетворяет всем требованиям СанПИН, принимаем его за эксплуатационный.

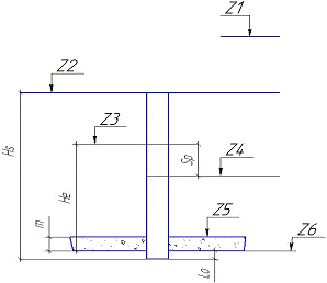
Выбрав водоносный горизонт, пригодный к эксплуатации, необходимо построить геологический разрез с обозначением всех пластов, вскрытых скважиной, а также определить глубину скважины.

Нскв = Z2 - Z6 + l0, м,

где Z2 - отметка устья скважины, м;

Z6 - отметка подошвы водоносного пласта, м;

l0 - длина отстойника фильтра, м.

l0 = 2м

Нскв = 137 - ( - 78,6) + 2 = 211,3 м

Z1 - отметка, на которую необходимо падать воду, м;

Z1=162м

Z2=137м

Z3 - отметка статического горизонта (уровня), м;

Z3 = 120м

Z4 - отметка динамического уровня, м;

Z4 = Z3 - Sст,

где Sст - понижение статического уровня воды на момент стабилизации воронки депрессии, м;

Sст = 20 м

Z4 = 120 - 20 = 100 м

Z5 - отметка кровли водоносного пласта, м;

Z5 = Z2 - Нквп,

где Нквп - глубина скважины, Нквп = 188,3м

Z5 = 137 - 188,3 = -51,3м

Z6 - отметка подошвы водоносного пласта, м;

Z6 = Z5 - m,

где m - мощность водоносного пласта, м;

m = 27,3м

Z6 = -51,3 - 27,3 = -78,6м

He - величина статического напора, м;

He = Z3 - Z6

He = 120 - (-78,6) = 198,6м

Hg - геометрическая высота подъема воды, м;

Hg = Z1 - (Z3 - Sст)

Hg =162 - (120 - 20) = 62 м

Hs=217,6м

Расчетная схема скважины представлена на рисунке 1.

Рисунок 1 - Расчетная схема скважины

2. Определение расчетного дебита скважины

Для получения кривой зависимости дебита от понижения статических уровней, используя данные опытных откачек, решим уравнения:

 , , м3/ч (2.1)

 , , м3

где q1, q2 - удельный дебит (задание таблица 4);

S1, S2 - понижение статического уровня (задание таблица 4);

Q1, Q2 - понижение соответственно при S1 и S2.

Определим расходы при понижениях S1 и S2

1 = 1,1 * 15 = 16,5 м32 = 0,97 * 20 = 19,4 м3

Зная эти значения, решим исходную систему уравнений:

 ,


Решив эти уравнения, составим общее уравнение кривой.

, м (2.2)

Задаваясь значениями Q, получим значения S. Полученные результаты представлены в таблице 2.

Таблица 2 - Координаты кривой Q=f(S)

Q,м3/ч

0

5

10

20

25,19

S,м

0

1,65

5,8

21,6

31,76

max =(1,3)Q2, м3/ч (2.3)max = 1,3 * 19,4 = 25,19 м3

Smax=0,08 * 25,19 + 0,05 * 635 = 31,76

Кривая дебита скважины, построенная по данным таблицы 2, изображена на рисунке 2.

Определим величину допустимого понижения:

 (2.4)

где He - статический напор;

m - мощность водоносного горизонта;

∆Hнас - максимальная глубина погружения насоса под динамический уровень;

∆Hнас=2…5 м;

∆Hф - потери напора на фильтр;

∆Hф=1 м;

Sдоп=198,6-(0,5*27,3+3+1)=180 м

Так так Sдоп > Smax, то Sp = Smax= 31,76м, Qp= Qmax =25,19м3

3. Групповой водозабор

Определим количество рабочих скважин, входящих в групповой водозабор:

, шт., (3.1)

где Qср. сут. - средняя суточная водопотребность (задание таблица 1);

Qр - расчетный дебит одиночной скважины;

t - время работы водоприемника в течении суток ,t=24 ч

 шт.

Согласно требованиям СНиП 2.04.02-84 «Водоснабжение. Наружные сети и сооружения» принято количество резервных скважин. Так как nраб = 2, то nрез = 1, а nобщ = 3.

Пересчитаем расчетный дебет с учетом рабочего числа скважин:

м3/ч., (3.2)

где Q’раб - дебит одиночной скважины

м3/ч = 391,5 м3/сут

м

Водопроводимость пласта по данным опытной откачки определим при первом понижении

 м2/сут, (3.3)

где    (Km)i - водопроводимость пласта, м2/сут;

r0 - радиус скважины, r0=0,1 м;

Q1 - при первом понижении статического уровня;

S1 - понижение статического уровня;

Ri - радиус влияния воронки депрессии.

Радиус влияния воронки депрессии определён по формуле:

, м., (3.4)

где а* - коэффициент пьезопроводности,

а*= м2/сут

t - время проведения опытной откачки (задание таблица 4), сут.

 м

 м2/сут

Водопроводимость пласта в прифильтровой зоне:

 , м2/сут., (3.5)

где Qp - дебит одиночной скважины;

 - понижение, снятое с графика Q=f(S).

 м2/сут

Время стабилизации воронки депрессии определяют как:

,сут., (3.6)

где ω - величина инфильтрационного питания, м/сут.

, м/сут

 сут

Зная время стабилизации, рассчитаем радиус воронки депрессии на момент стабилизации по формуле:

, м (3.7)

, м

Определим понижение уровня воды в скважине с учетом взаимодействия в начале эксплуатации определим как:

, м., (3.8)

где l - расстояние от расчетной скважины до скважины, оказывающее взаимодействие.


Понижение статического уровня на момент стабилизации определим как:

,м (3.9)

м

Выполняется условие Sдоп=180 м > Sст=64,78 м, следовательно, это говорит о правильности выполненных расчетов и верно подобранном расстоянии между скважинами l=50 м (из условия l=50…100 м).

4. Подбор водоподъемного оборудования

В качестве водоприемного оборудования рекомендуется принимать погружные насосы типа ЭЦВ. Необходимо подобрать насос, который будет соответствовать требуемой производительности и напору.

Производительность определяем по формуле:

 (4.1)

Qн = Qp= 16.31 м3/час

Далее определяем напор насоса:

Hн = Нg+∑h + hизл, м., (4.2)

где Нг - геометрическая высота подъема воды;

∑h - сумма потерь напора, подающая в трубопровод;

hизл - запас на излив, принимается равным (2 м).

Нg= Z1 - (Z3 - Sст), м (4.3)

Нg= 162-(120-64)=108м

 = 108 + 8.78 + 2 = 118.78 м

∑h =1,2, м, (4.4)

скважина водоподъемный оборудование фильтр

где 1,2 - коэффициент, учитывающий местное сопротивление.

i - потери напора на 1 м трубопровода (по таблице Шевелева) в зависимости от материала труб, от расхода и требуемой скорости.

i - потери напора на 1 см трубопровода.

l - длина подающего трубопровода. l=200…300 м

Таблица3 - Гидравлические расчеты водовода

№ участка

Q л/с

l

Материал труб

D,мм

V,м/с

1000i

h=1,2il

0-1

4.5

83

сталь

70

1,3

0.06

5.9

1-2

9

100

пластм.

60

1.41

0.024

2.88










Зная напор и расход насоса, определена его марка, используя справочные материалы. Характеристика насоса взятого из «Типового проекта» представлена на рисунке 4.

Таблица 4 - техническая характеристика насоса ЭЦВ 8 - 16 - 110

Насос

Электродвигатель

Габаритные размеры

масса агрегата, кг

завод изготовитель

марка

Внутр. диаметр обсад. Колонны, мм не менее

Водоподъемный трубопровод, мм

Номинальный режим

Подпор, м

Марка

Номинальная мощность, кВт

Номинальное напряжение, В

Номинальный ток, А

Cos φ

КПД %

Кратность пускового тока

Частота вращения, об/мин

Длина электронасосного агрегата, мм

Максимальный диаметр электронасосного агрегата, мм






Подача,м3/ч

Напор, м

КПД, %














ЭЦВ8-16-110

200

89х6.5-Д

16

110

1,0

67

АДП18-8/2

8,0

380

24

0,83

80

6,0

2850

1655

186

180

Севастопольский электроментный



5. Водоприемная часть водозаборной скважины

.1 Конструкция фильтра

Основные требования, предъявляемые к водоприемной части:

1. фильтр должен принимать из водоносного пласта только воду, не пропуская через колодец частицы грунта;

2.       потери напора должны быть минимальными, так как их увеличение влечет за собой снижение дебита или производительность скважины;

.        конструкция фильтра не должна допускать механической закупорки фильтровой поверхности;

.        если фильтр работает в агрессивных водах, то водоприемная поверхность должна быть выполнена из химически стойких материалах;

.        водоприемная часть должна обладать достаточной механической прочностью, чтобы выдержать нагрузку, чтобы выдержать давление грунта и колонны обсадных труб;

.        диаметр фильтра должен быть минимальным, обеспечивающий при этом расчетный дебит.

Схема конструкции фильтра представлена на рисунке 5

Рисунок 5 - Расчетная схема фильтра: 1- обсадная колонна; 2- фильтр; 3- пробка отстойника; 4- отстойник; 5- надфильтровая труба; 6- подвижный фланец; 7- сальниковая набивка; 8-опорный фланец; 9- муфта с фигурным вырезом; LН- длина надфильтровой трубы; L1- величина захода надфильтровой трубы в эксплуатационную колонну; L2- расстояние от кровли водоносного пласта до водоприемной части фильтра; L3- расстояние от подошвы водоносного пласта до водоприемной части; L4- величина заглубления отстойника в водоупор; L5- расстояние от нижнего обреза башмака эксплуатационной колонны труб до водоприемной части; L6- заглубление эксплуатационной колонны труб в водоносный пласт; L0- длина отстойника; Lф- длина рабочей части фильтра.

Таблица 5 - Элементы конструкции водоприемной части скважины и их числовое значение.

Буквенное обозначение

Наименование

Размер, м

l1

Величина захода надфильтровой трубы в эксплуатационную колонну труб

3

l2

Расстояние от кровли водоносного пласта до приемной части фильтра

5

l3

Расстояние от подошвы водоносного пласта до водоприемной части фильтра

0,5

l4

Величина заглубления отстойника фильтра в водоупор

2

l5

Расстояние от нижнего обреза башмака эксплуатационной колонны труб до водоприемной части

4

l6

Заглубление эксплуатационной колонны труб в водоносный пласт

1

l0

Длина отсойника

2,0

Длина фильтра

21.84

lп

Длина надфильтровой трубы

5


lф = 0,8 * m

lф = 0,8 * 27.3 =21.84м

m = 27.3м

l2 = m - lф - l3

l2 = 27.3 - 21.84 - 0,5 = 5 м

l0 = 2 м

ln = 5 м

l5 = l2 - l65 = 5 - 1 = 4 м

l1 = 3 м

l6 = 1 м

l4 = 2м

l3 = 0.5м

5.2 Выбор типа фильтра

Тип фильтра , которым предполагается оборудовать водоприемную часть скважины, устанавливается в соответствии с крупностью частиц водоносного пласта. Для правильности назначения размера входных отверстий по интегральной кривой механического состава водоносного горизонта определяем расчет на крупность частиц, она равна диаметру частиц. dр= d50

По данным гранулометрического состава водоносного грунта (задание таблица 5) строим интегральную кривую, представленную на рисунке 6.

d10 = 0,18 мм

d50 = 0,45 мм (dр)

d60 = 0,53 мм

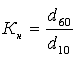
Коэффициент неоднородности:

 (5.2.1)


Выбор типа фильтра осуществляется рекомендациям СНиП 2.04.02-84 (таблица 1 справочные материалы).

За расчетную крупность частиц принимаем dр = d50 = 0,45 мм. Далее по справочным материалам определяем тип фильтра: трубчатые и стержневые фильтры с водоприемной поверхностью из сеток гладкого (галунного) плетения.

5.3 Расчет фильтра

Расчет фильтра начинаем с определения его основных размеров - диаметра Дф и длины lф. Диаметр определим по формуле:

, м, (5.3.1)

где Q’p - расчетный дебит скважины, м3/ч; lф - длина рабочей части фильтра, м; р - скважность фильтра, р=0,45; V0 - допустимая входная скорость фильтрации, м/ч.

, м/ч (5.3.2)

, м/сут (5.3.3)

, м/час

, мм

По полученным значениям принят стандартный диаметр каркаса фильтра (таблица 6 справочных материалах): , мм

Теперь определим наружный диаметр фильтра:

, мм, (5.3.4)

где tc - толщина сетки, мм;

dн - толщина подмотки под сетку с диаметром 2 мм;

dо - обмотка из проволоки 4 мм, защищающая сетку от повреждения.

, мм

Исходя из наружного диаметра фильтра, рассчитана длина фильтра:

,м (5.3.5)

, м

6. Конструкция скважины

Конструкция скважины показана на рисунке 7:

Рисунок 7 - Конструкция скважины

1 - кондуктор, предназначен для перекрытия первого водоносного горизонта и крепления устья скважины;

- эксплуатационная колонна;

- фильтровая колонна предназначена для приема воды в скважину.

Башмак кондуктора заходит в водоупор первого водоносного горизонта на 2 м:

К=28.7 + 2 = 30.2 м

Эксплуатационная колонна перекрывает все последние водоносные горизонты и его башмак заходит на 2 м в эксплуатационный водоносный горизонт:

Э=186.9 + 2 = 188,9 м

Для трубчатых фильтров диаметр бурового снаряда под фильтровую колонну определим по следующей формуле:

, мм (6.1)

, мм

Далее подберем стандартный диаметр (таблица 13,14,15 справочных материалов): , мм

Шифр долота ЗЛ-295 (трехлопастное долота).

Далее необходимо определить внутренний диаметр эксплуатационной колонны:

, мм (6.2)

, мм

По таблице 6 справочных материалов определим стандартный внутренний и наружный диаметры: , мм , мм

Далее подберем буровой снаряд для эксплуатационной колонны:

, мм (6.3)

, мм

Подобран стандартный буровой снаряд для эксплуатационной колонны: , мм

Шифр долота Д2Д-394 (двухлопастные долота).

Рассчитаем внутренний диаметр кондуктора:

, мм (6.4)

, мм

По таблице 6 справочных материалов подобран стандартный внутренний и наружный диаметры кондуктора:

, мм

, мм

Далее подобран диаметр бурового снаряда для кондуктора:

,мм (6.5)

, мм

Определён стандартный диаметр бурового снаряда для колонны:

, мм

Шифр долота 2Л-490 (двухлопастные долота).

Все полученные расчеты сведены в таблицу 5. Исходя из них подбираем наиболее подходящую буровую установку.

Таблица 6 - Ведомость расчетов обсадных труб

Наименование колоны

Интервал, м

Наружный и внутренний диаметр, мм

Масса 1 п.м трубы, кг/м

Количество труб, шт

Масса труб, кг

Количество муфт, шт

Масса муфт,кг

Масса башмака, кг

Общий вес колонны труб, кг


от

до









Кондуктор

0

30,2

Н:426 В:406

153,0

5

765

0

0

96

861

Экспл. Колонна

30,2

188,9

Н:325 В:301

122,5

21

2572,5

20

700

77

3349,5

Фильтровая колонна

188,9

218,5

Н:245 В:200

64,4

3

192

2

24,3

48,6

264,9


Конструкция скважины при роторном способе бурении:

1. Конструкция скважины должна обеспечить высококачественное вскрытие продуктов водоносных горизонтов при минимальном сопротивлении в прифельтровой зоне;

2.       длительный срок эксплуатации и минимальный темп снижения производительности;

3. выполнение ремонтных и восстановительных работ;

4. тщательное изолирование водоносных горизонтов друг от друга, за исключением тех, которые эксплуатируются совместно;

5.       наименьшее сопротивление при подъеме воды насоса;

.        минимальная возможность диаметра скважины.

7. Промывка скважин при бурении

Промывка предназначена для выноса разбуренной породы на поверхность, охлажденного рабочего инструмента, а также для временного крепления стенок скважины.

Задача промывочных растворов:

временно изолировать водоносные горизонты, удерживать частицы разбуренные во взвешенном состоянии;

уменьшить потери жидкости при прохождении водопоглотительных пород.

В качестве промывочной жидкости используются:

чистая вода при бурении в плотных устойчивых породах;

глинистый раствор при бурении слабосвязанных пород.

Качество глинистого раствора:

плотность γ=1,05…1,3 т/м3;

вязкость (18…35см);

содержание песка (не более 4%);

водоотдача (не > 25 см2);

негашеная известь (60 кг/м3);

жидкое стекло (1,5% от массы раствора);

раствор поваренной соли для понижения температуры замерзания.

Необходимо определить количество глинистого раствора, необходимого для бурения:

, м3 (7.1)

, м3., (7.2)

где Wскв - объем скважины, м3;

Дб - диаметр бурового снаряда, м;

 м3

 м3

 м3

 м3

Далее определено количество глины для приготовления глинистого раствора:

, т., (7.3)

где γгл - удельная плотность исходной комковой глины (γгл=1,1…1,8 т/м3);

γ гр - удельная плотность глинистого раствора (γгр=1,05…1,3 т/м3);

γв - удельная плотность воды (γв=1).

 т

 т

После этого определено количество воды для приготовления глинистого раствора:

, м3 (7.4)

 м3

 м3

Производительность бурового насоса определена по формуле:

, м3/с., (7.5)

где dб.т - диаметр бурильных труб , м

dб.т = 0,4*Дб (7.6)

Vпж - скорость подачи промывочной жидкости (0,4м/с)

 м

м

м3

 м3

Далее определяется напор бурового насоса:

, м., (7.7)

где Кз - коэффициент запаса (Кз=1,3)

 м

 м

Определяется рабочее давление бурового насоса:

, м (7.8)

, м

Поскольку давление бурового насоса был принят буровой насос марки 11ГрБ, производительностью - 5,00 л/с.(таблица 17 справочного материала).

8. Цементирование затрубного пространства

Цементирование затрубного пространства предусматривается для:

1. удерживание колонны во взвешенном состоянии;

2.       защита труб от коррозии;

.        изоляция водоносных горизонтов, вскрытых при бурении, для защиты от проникновения поверхностных вод в подземные.

Для цементирования используют специальные цементировочные готовки, состоящие из следующих элементов:

Рисунок 8 - Цементирование затрубного пространства

Необходимо определить объем цементного раствора , необходимое для заполнения затрубного пространства:

, м3., (8.1)

где Кц - коэффициент, учитывающий потери цементного раствора и его дополнительный расход на заполнение расширений в скважине (1,2);

Дб - диаметр бурильного снаряда;

Дн, Дв - наружный и внутренний диаметры обсадной колонны;

Нц - высота цементирования;

hст - высота цементного стакана (1м).

 м3

 м3

Wц = Wкц + Wэц , м3 (8.2)

м3

Количество сухого цемента, необходимое для приготовления цементного раствора, определено по следующей формуле:

 

, т., (8.3)

где Ксц - коэффициент, учитывающий потери сухого цемента при приготовлении сухого раствора (1,1…1,15);

γц - удельная плотность раствора (3,05…3,2 т/м3);

 - водоцементное отношение (0,3…0,5 с шагом 0,05)

 т

 т

Мц = 0,923 + 2,46 = 3,38 т

Объем промывочной жидкости определен по формуле:

 , м3., (8.4)

где Ксж - коэффициент сжатия жидкости (1,05)

 м3

 м3

, м3

5,77 + 24,04 = 29,8 м3

Время, необходимое для цементирования скважины:

, мин., (8.5)

где tвс - время, расходуемое на вспомогательные операции при цементировании (20мин).

 мин

 мин

Должно выполнятся условие: Т ≤ Тсхв,

где Тсхв - время до начала схватывания цемента. Определяется по таблице 16 справочных материалов, в зависимости от водоцементного отношения, который принят.

Тсхв=120 мин

Тк < Тсхв

,14 < 0.75*120=90

Тэ < Тсхв

,68 < 0.75*120 = 90

Условие выполняется, следовательно, расчеты верны.

9. Вскрытие и освоение водоносного пласта

Под вскрытием водоносного пласта подразумевается технологический процесс, при котором в водоносном горизонте образуется выработка для оборудования ее фильтром.

Выбор способа вскрытия зависит от:

величины пластового давления(Не);

глубины залегания водоносного горизонта;

от устойчивости водоносного пласта и кровли над ним;

диаметра и длины фильтра.

Вскрытие водоносного пласта с промывкой глинистым раствором:

,т/ м3., (9.1)

где К - коэффициент превышения гидростатического давления над пластом(1,05…1,1);

Не - статический напор;

- удельная плотность воды;

Нскв - глубина скважины.

 

 т/ м

Под освоением водоносного пласта подразумеваются технологические операции, которые обеспечивают оборудование скважины фильтром восстановление в водоотдаче.

Под разглинизацией понимают процесс удаления из скважины глинистой корки и мелких частиц песка. Разглинизация пласта позволяет удалить глинистую корку со стен скважины и шлаки из водоносного горизонта и очистить отверстия фильтра.

Один из способов разглинизации - разглинизация чистой водой, подаваемой в зафильтровое пространство через отстойник фильтра.

Такой способ разглинизации используют в скважинах, вскрывающих малонапорные водоносные горизонты, сложенные мелко- и среднезернистыми песками. Чистую воду подают по бурильным трубам, ввинчиным нижним концом в переходник башмака. Фильтровую колонну удерживают выше забоя скважины на 0.5 м, что обеспечивает свободный доступ промывочной воды в зафильтровое пространство. После появления признаков разрушения глинистой корки бурильные трубы и переходник вывинчивают из башмака отстойника и извлекают из скважин. Отверстие в отстойнике перекрывают. Если фильтровую колонну выводят выше устья или выше статического уровня, переходник не устанавливают. Отверстие для выхода промывочной воды можно также устраивать в отстойнике фильтра. Располагают его в этом случае выше забоя скважины не менее чем на 0,5 м, а фильтровую колонну ставят на забой.

10. Проектирование зон санитарной охраны

Зона санитарной охраны состоит из трех поясов: первый пояс - пояс строгого режима, второй и третий пояса ограничений.

Граница первого пояса зон санитарной охраны называется в зависимости от степени защищенности водоносного горизонта согласно пункту 10.12 СНиП 2.04.02 - 84 «Водоснабжение. Наружные сети и сооружения».

Принимаем водоносный пласт защищенным.

RI = 30 м - радиус первого пояса.

Второй пояс зон санитарной охраны предназначен для защиты от микробных загрязнений и его радиус определяется:

 , м (10.1)

Третий пояс зон санитарной охраны предназначен для защиты от химических загрязнений и его радиус определяется:

 , м., (10.2)

где - расчетный дебит одиночной скважины, м3/сут;

 м3/сут

 - производительность грунтового водозабора, м3/сут;

= 391,44 * 2 = 783 м3/сут

m - мощность водоносного горизонта, м;= 27,3 м- пористость водоносного горизонта, взятая из таблицы 3 исходные данные;= 0.4 м, Tx - расчетное время продвижения микробных и химических загрязнений к водозабору соответственно.м зависит от климатической зоны и гидрологических условий.

Таблица 7 - Время продвижения микробных загрязнений

Гидрогеологические условия

Климатическая зона


I, II

III, IV

1 Грунтовые воды:



 - при наличии гидравлической связи с открытым водоисточником

400

400

 - при отсутствии связи с водоисточником

400

200

2 Напорные воды:



 - при наличии гидравлической связи с открытым водоисточником

200

200

 - с отсутствием связи с водоисточником

200

100


Омск относится к III климатической зоне. Пусть в нашем случае отсутствует связь с водоисточником. Рассматриваемые воды - напорные.м = 200 сут

Tx выбирается согласно пункту 10.15 СНиП 2.04.02 - 84 «Водоснабжение. Наружные сети и сооружения».

сут

м

м

10.1 Санитарные мероприятия на территории зон санитарной охраны

Выбираются, согласно пункта 10.31 СНиП 2.04.02 - 84 «Водоснабжение. Наружные сети и сооружения».

На территории первого пояса зоны подземного источника водоснабжения надлежит:

-  территория первого пояса зоны подземного источника водоснабжения должна быть спланирована, огорожена и озеленена;

-       здания должны быть канализованы с отведением сточных вод в ближайшую систему бытовой или производственной канализации или на местные очистные сооружения, расположенные за пределами первого пояса зоны с учетом санитарного режима во втором поясе. При отсутствии канализации должны устраиваться водонепроницаемые выгребы, расположенные в местах, исключающих загрязнение территории первого пояса при вывозе нечистот;

-       должно быть обеспечено отведение поверхностных вод за пределы первого пояса;

-       допускаются только рубки ухода за лесом и санитарные рубки леса.

На территории первого пояса подземного водоисточника запрещаются:

-  все виды строительства, за исключением реконструкции или расширения основных водопроводных сооружений (подсобные здания, непосредственно не связанные с подачей и обработкой воды, должны быть размещены за пределами первого пояса зоны);

-       размещение жилых и общественных зданий, проживание людей, в том числе работающих на водопроводе;

-       прокладка трубопроводов различного назначения, за исключением трубопроводов, обслуживающих водопроводные сооружения.

Примечание. На водозаборах подземных вод объектов сельского хозяйства сторожевую сигнализацию допускается не предусматривать.

На территории второго пояса зоны подземного источника водоснабжения надлежит:

-  благоустраивать промышленные, сельскохозяйственные и другие предприятия, населенные пункты и отдельные здания, предусматривать организованное водоснабжение, канализование, устройство водонепроницаемых выгребов, организацию отвода загрязненных поверхностных сточных вод и др.;

-       производить только рубки ухода за лесом и санитарные рубки леса;

-       выявление, тампонаж или восстановление всех старых, бездействующих, дефектных или неправильно эксплуатируемых скважин и шахтных колодцев, создающих опасность загрязнения используемого водоносного горизонта;

-       регулирование бурения новых скважин.

Во втором поясе зоны подземного источника водоснабжения запрещается:

-  загрязнение территорий нечистотами, мусором, навозом, промышленными отходами и др.;

-       размещение складов горючесмазочных материалов, ядохимикатов и минеральных удобрений, накопителей, шламохранилищ и других объектов, которые могут вызвать химические загрязнения источников водоснабжения;

-       размещение кладбищ, скотомогильников, полей ассенизации, полей фильтрации, земледельческих полей орошения, навозохранилищ, силосных траншей, животноводческих и птицеводческих предприятий и других объектов, которые могут вызвать микробные загрязнения источников водоснабжения;

-       применение удобрений и ядохимикатов;

-       запрещение закачки отработавших вод в подземные пласты, подземного складирования твердых отходов и разработки недр земли, а также ликвидацию поглощающих скважин и шахтных колодцев, которые могут загрязнить водоносные пласты.

На территории третьего пояса зоны подземного источника водоснабжения надлежит:

-  осуществлять регулирование отведения территорий для населенных пунктов, лечебно-профилактических и оздоровительных учреждений, промышленных и сельскохозяйственных объектов, а также возможных изменений технологии промышленных предприятий, связанных с повышением степени опасности загрязнения источников водоснабжения сточными водами;

-       проводить выявление, тампонаж или восстановление всех старых, бездействующих, дефектных или неправильно эксплуатируемых скважин и шахтных колодцев, создающих опасность загрязнения используемого водоносного горизонта;

-       регулирование бурения новых скважин.

В третьем поясе зоны подземного источника водоснабжения запрещается:

-  размещение складов горючесмазочных материалов, ядохимикатов и минеральных удобрений, накопителей, шламохранилищ и других объектов, которые могут вызвать химические загрязнения источников водоснабжения;

-       запрещение закачки отработавших вод в подземные пласты, подземного складирования твердых отходов и разработки недр земли, а также ликвидацию поглощающих скважин и шахтных колодцев, которые могут загрязнить водоносные пласты.

Примечание. При использовании защищенных подземных вод и по согласованию с органами санитарно-эпидемиологической службы допускается в пределах третьего пояса зоны размещение складов горючесмазочных материалов, ядохимикатов и минеральных удобрений, накопителей, шламохранилищ и других объектов, которые могут вызвать химические загрязнения источников водоснабжения.

11. Проектирование здания насосной станции над скважиной

Над устьем водозаборной скважины устраивают здание, предназначенное для размещения оголовка скважины, приборов пусковой, контрольно- измерительной аппаратуры и автоматики, а также части напорного трубопровода с размещением запорно-регулирующей и предохранительной арматуры. Для контроля за работой водозаборной скважины устанавливается водомерный узел.

Здание проектируется по типовому проекту ТП 901-02-142.85

11.1 Конструктивные решения

Подземные камеры насосных станций запроектированы из сборных железобетонных конструкций.

Рабочая часть камеры выполняется из сборных железобетонных стеновых колец по серии 3.820-9 выпуск 1. Высота камер 2.4 м. Диаметры камер и их количество определены из условия размещения в них необходимого оборудования и аппаратуры. Ниже, в таблице, приведены основные показатели.

Таблица 9 - Основные показатели насосной станции

Производительность насосной станции, м3/ч

10 … 32

Диаметр (внутренний) рабочих камер, мм

2000

Количество рабочих камер, шт

2


11.2 Вентиляция

Вентиляция рабочих камер насосных станций предусмотрена вытяжная, естественная. Вытяжка воздуха осуществляется через воздуховод, оборудованный заслонкой и дефлектором. Воздуховод запроектирован из асбестоцементной трубы диаметром 200 мм. Фасонные части из кровельной стали. Заземлённый участок воздуховода покрывается нормальной изоляцией, наземный окрашивается водостойкой краской. тип изоляции, при привязке, следует уточнить исходя из коррозийной активности грунта.

11.3 Электрооборудование

В комплект поставки электронасоса входят устройства «Каскад», состоящие из ящика управления и датчиков. Подключение ящика управления к внешним сетям решается при привязке проекта.

Ящик управления крепится на неметаллической раме и устанавливается на площадке на расстоянии от 1,8 м до 2,0 м от оси сивошины.

Автоматическое устройство «Каскад» обеспечивает автоматическое и дистанционное местное управление.

Дистанционное местное управление обеспечивается с помощью реле исполнения выключения «РИВ» и отключения «РИО», которые в комплект не входят. Выбор способа управления устанавливается в заказе на поставку оборудования.

Заключение

В данном курсовом проекте для обеспечения потребителя водой было запроектировано четыре водозаборных скважины, из которых одна резервная на случай выхода из строя рабочих скважин.

Определены расчетный расход скважины равный 16,31 м3/час, понижение статического уровня при этом расходе, время стабилизации. Для подъема воды из водоносного горизонта подобран скважинный насос ЭЦВ8 - 16 - 110. Определена конструкция скважины, подобран буровой инструмент для эксплуатационной колонны и кондуктора, буровая установка для бурения скважины. Разработана промывка скважины, подобран буровой насос для промывной жидкости. Рассчитаны объемы цементирования затрубного пространства. Назначены радиусы зон санитарной охраны и мероприятия на этих зонах. Запроектировано здание насосной станции над скважиной.

Список использованной литературы

1.   Водопроводная насосная станция производительностью до 80 м3/ч. Типовой проект 901-02-142.85: Утв. и введ. в действие Министерством транспортного строительства 30.03.87/ Разраб. Проектно-изыскательным институтом «Мосгипротранс».- М., 1987-Альбом I.-14с

2.       СНиП 2.04.02-84 «Водоснабжение. Наружные сети и сооружения»-М.,-1985-136с

.        Справочные материалы по курсу «Насосы и насосные станции». Часть I: (Специальность: 311600) / сост.: В.В. Лоскутов.- Бел.издат - Омск, 1999-24с

.        Шевелев Ф.А. Таблицы для гидравлического расчета стальных, чугунных, асбестоцементных, пластиковых и стеклянных водоприемных труб. - М.,-1973-110с

Похожие работы на - Расчет водозаборной скважины

 

Не нашли материал для своей работы?
Поможем написать уникальную работу
Без плагиата!
Без нейросетей!