Математическое моделирование процессов идеального смешения и регулирования уровня NaOH в резервуаре
Введение
Одной из основных задач химической технологии является создание новых
высокоэффективных процессов и совершенствование уже действующих. Ее решение
возможно только с помощью разработки и использования систем автоматического
проектирования и оптимизации химико-технологических процессов. Развитие систем
автоматизированного проектирования обусловлено широким внедрением
вычислительной техники и прикладного математического обеспечения. В основе
таких систем лежит метод математического моделирования - изучение свойств
объекта на математической модели.
Целью математического моделирования является определение оптимальных
условий протекания процесса, управление им на основе математической модели и
перенос результатов на объект.
Математической моделью называется приближенное описание какого-либо
явления или процесса, выраженное с помощью математической символики.
Математическое моделирование включает три взаимосвязанных этапа:
составление математического описания изучаемого объекта;
выбор метода решения системы уравнений математического описания и
реализация его в форме моделирующей программы; установление соответствия
(адекватности) модели объекту.
На этапе составления математического описания предварительно выделяют
основные явления и элементы в объекте и затем устанавливают связи между ними.
Далее, для каждого выделенного элемента и явления записывают уравнение (или
систему уравнений), отражающее его функционирование. Кроме того, в
математическое описание включают уравнения связи между различными выделенными явлениями.
В зависимости от процесса математическое описание может быть представлено в
виде системы алгебраических, дифференциальных, интегральных уравнений.
Этап выбора метода решения и разработки моделирующей программы
подразумевает выбор наиболее эффективного метода решения из имеющихся (под
эффективностью имеются в виду быстрота получения и точность решения) и
реализацию его сначала в форме алгоритма решения, а затем - в форме программы,
пригодной для расчета на ЭВМ. Построенная на основе физических представлений
модель должна верно качественно и количественно описывать свойства
моделируемого процесса, т.е. она должна быть адекватна моделируемому процессу.
Для проверки адекватности математической модели реальному процессу нужно
сравнить результаты измерений на объекте в ходе процесса с результатами
предсказания модели.
1. Краткое
описание технологического процесса
В данном технологическом процессе производится разбавление щелочи HaOH водой до требуемой концентрации.
Затем разбавленная щелочь нагревается до необходимой температуры. Данный
технологический процесс является небольшим фрагментом производства гипохлорита
натрия, который в дальнейшем применяется для отбеливания целлюлозы.
Схема технологического процесса имеет следующий вид:
Данный технологический процесс можно разбить на две модели систем
автоматического регулирования:
Модель системы автоматического регулирования уровня NaOH в баке №1.
Модель смесителя №2 (модель идеального перемешивания).
Модель идеального смешения
Опишем аппарат идеального смешения. Представим себе аппарат с мешалкой,
через который проходит поток (рисунок 1). Мощность мешалки такова, что
поступающая жидкость мгновенно перемешивается с массой, уже находящейся в
аппарате. Таким образом, все, что попадает в аппарат идеального смешения,
мгновенно распределяется по всему его объему.
Перечислим важнейшие следствия из этого определения: 1. Концентрации всех
веществ равномерно распределены по объему аппарата. В любой паре точек в
аппарате любая из этих величин имеет одно и то же значение.
На выход поток выносит ту жидкость, которая находится в аппарате. Поэтому
на выходе из аппарата идеального смешения концентрация та же, что в объеме.
На входе в аппарат концентрация претерпевает скачок: исходные значения
параметров потока, мгновенно смешивающегося с содержимым аппарата,
соответственно мгновенно изменяются до тех значений, которые характеризуют
режим в аппарате и на выходе из него.
Время пребывания жидкости в аппарате идеального смешения распределено
неравномерно. Действительно, распределяя по объему вошедшую порцию жидкости,
наша идеальная мешалка пошлет к выходу некоторые частицы из этой порции и они
сразу уйдут из аппарата, в то время, как другие, попавшие в иные части
аппарата, могут задерживаться в нем весьма надолго.
Используя то обстоятельство, что концентрация во всех точках аппарата
одинакова, можно очень просто записать обобщенное уравнение материального
баланса:
2. Приход вещества - расход вещества = накопление вещества
Таким образом, уравнение материального баланса для нашей модели
идеального смешивания будет иметь следующий вид:
(1.1)
где
Q1 и Q2 - расход смешиваемой (в нашем случае NaOH) и
смешивающей (H2O) жидкостей соответственно. C1 и С2 -
концентрация смешиваемой и смешивающей жидкостей соответственно. Q и C -
расход и концентрация смешанной (вышедшей из аппарата) жидкости.
Перепишем
уравнение (1.1) в следующий вид:

(1.2)
Уравнение
(1.2) почленно поделим на Q, тогда получим:
(1.3)
В
уравнении (1.3)
и
, где Т -
постоянная времени нашего объекта, а k - коэффициент усиления.
Подставив
Т и k в уравнение (1.3) получим уравнение следующего вида:
(1.4)
Теперь
уравнение (1.4) поделим почленно на постоянную времени Т, в результате чего
получим:
(1.5)
Полученное
уравнение (1.5) и будет описывать нашу модель идеального смешения. В
соответствии с ним реализуем модель аппарата идеального смешения в пакете Simulink
среды MatLab 6.5. При моделировании необходимо учесть, что величины Q1 и
С1 (расход и концентрация NaOH) являются постоянными. Прежде чем моделировать
необходимо ввести исходные данные для моделирования.
Таблица
1.1 - Исходные данные для моделирования аппарата идеального смешения.
|
С1(NaOH), %
|
Q1(NaOH), м3/сек.
|
C2(HOH), %
|
Q2(HOH), м3/сек.
|
V(смесителя), м3
|
|
56,65
|
0,0006
|
10
|
0,0001
|
0,000785
|
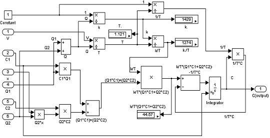
В MatLab-е представим нашу модель в следующем виде:
Рисунок 3 - Схема модели идеального смешения в среде MatLab.
Схема состоит из трех основных подсистем: объекта регулирования (Object-mixer), регулятора (ReguLator) и регулирующего органа (R.O.).
В объекте регулирования реализуется дифференциальное уравнение (1.5)
посредством блоков суммирования, деления, умножения и интегрирования:
Рисунок 4 - Схема подсистемы (Object-mixer)
С помощью подсистемы, реализирующей регулятор, на вход которого поступает
сигнал рассогласования (Delta)
с элемента сравнения (EL.Sravneniya) осуществляется формирование
управляющего сигнала (U) в
диапазоне от 0 до 10 В на регулирующий орган (R.O.). Регулирующий
орган, в свою очередь, формирует сигнал (Х), который управляет ходом штока.
Рисунок 5 - Схема подсистемы регулятора (ReguLator).
Звено Saturation в подсистеме регулятора служит для
того, чтобы сигнал со звена PID ни
в коем случае не мог превысить 0ч10 В (0ч10 В - стандартный выход для
электрического регулятора).
Рисунок 6 - Схема подсистемы регулирующего органа (R.O.)
Звено S.U. в схеме R.O. необходимо для того, чтобы
согласовать управляющий сигнал с регулятора в управляющий сигнал для двигателя,
т.е. S.U. в данном случае выполняет роль усилителя.
На выходе электродвигателя (EL.Dvigatel) частота вращения вала,
пропорциональная напряжению на входе (US.U.= 0ч380 В).
В результате реализации схемы получился график следующего вида:
Рисунок 7 - График процесса регулирования процесса идеального смешения.
3. Модель
системы автоматического регулирования уровня NaOH в баке
В данной модели бака необходимо поддерживать постоянный уровень для того,
чтобы расход поступающего в смеситель NaOH был постоянный, что, в свою, очередь требуется для того, чтобы можно
было разбавлять NaOH водой в
смесителе. Т.е. концентрация NaOH
регулируется расходом воды, поступающей в смеситель.
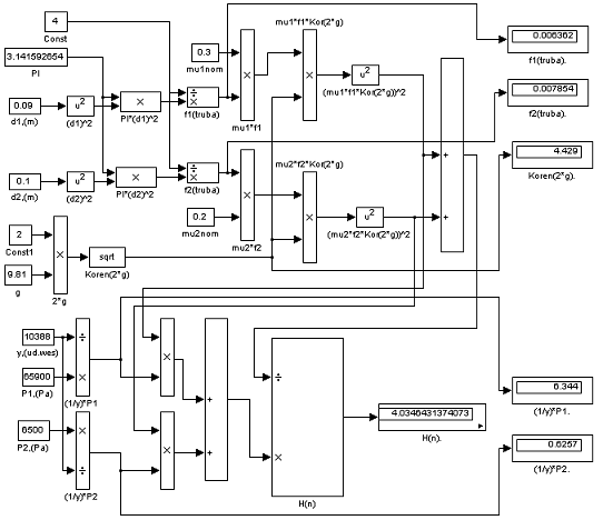
Для того, чтобы смоделировать наш бак, необходимо ввести исходные данные
и математически описать резервуар.
математический моделирование разбавление щелочь
где Q - расход (пр - приток, от. - отток) μ
- коэффициент истечения
крана f - поперечное сечение трубы Х -
управляющее воздействие
Вещество - NaOH
Удельный вес NaOH γ = 10388 Н/м3
Диаметр бака - 2 м.
Высота бака - 4,5 м.
Диаметр подходящей трубы d1=0.09
м
Диаметр отходящей трубы d2 =
0.1 м
Коэффициент истечения крана на входе μ1=0,3
Коэффициент истечения крана на выходе μ2=0,2
Давление на входе в бак Р1= 65900 кПа
Давление на выходе в бак Р2= 6500 кПа
Уравнение материального баланса для нашей модели будет иметь вид:
Qпр=Qот (2.1)
Перепишем уравнение баланса в следующем виде:
, (2.2)
где
Нн - уровень жидкости в рассматриваемом баке
Определим
численные значения уравнения (2.2):
(2.3)
Подставим
численные значения в уравнение (2.2) и определим величину НН:
(2.4)
Из
уравнения (2.4) определим величину НН, реализовав уравнение (2.4) в MatLab-е:
Расход
жидкости Qот при НН= 4,0346431 м:
(2.5)
Вычислим
высоту столба жидкости над дном бака ZH, которая будет равна разности
между значением НН и высотой столба жидкости НР2, эквивалентного давлению
напора Р2Н на линии:
(2.6)
(2.7)
Площадь
поперечного сечения бака:
(2.8)
Зная
площадь бака, можно найти объем жидкости в баке:
(2.9)
Постоянная
времени Та:
(2.10)
Определим
коэффициенты самовыравнивания на притоке и оттоке, для чего перепишем уравнения
для притока и оттока следующим образом:
(2.11)
Коэффициенты
самовыравнивания будут равны:
(2.12)
Соответственно
коэффициент самовыравнивания объекта равен:
(2.13)
Передаточная
функция нашего объекта будет иметь вид:
(2.14)
где
- коэффициент усиления, а
- постоянная времени объекта. Подставим значения К и
Т в уравнение (2.14):
(2.15)
Выражение
(2.15) и будет являться передаточной функцией бака.
Реализуем
нашу модель в среде MatLab. Она будет выглядеть следующим образом:
Рисунок
9 - Модель резервуара
Модель
резервуара состоит из четырех подсистем (блока формирования возмущений, функции
умножения, регулятора и регулирующего органа) и непосредственно передаточной
функции объекта (резервуара с NaOH). Ниже приведены схемы подсистем.
Рисунок
10 - Подсистема блока формирования возмущений.
Рисунок
11 - Подсистема - функция умножения.
Рисунок
12 - Подсистема регулятора.
Рисунок
13 - Подсистема регулирующего органа.
В
результате получился следующий график процесса регулирования:
Рисунок
14 - Процесс регулирования бака с NaOH.
Заключение
В данном курсовом проекте были рассмотрены и смоделированы с помощью
пакета визуального программирования SIMULINK (пакет Matlab
6.5) следующие модели систем регулирования объектов химической технологии:
модель идеального смешения, модель регулирования уровня NaOH в резервуаре.
Представлены графики зависимости регулируемых величин в зависимости от
времени.
Список
используемой литературы
1. Луценко В.А., Финякин Л.Н. Аналоговые вычислительные
машины в химии и химической технологии. - М.: Химия, 1979 - 248 с.
. Машины и аппараты химических производств. Под ред. И.И.
Чернобыльского. - М.: Машиностроение, 1974. - 456 с.
. Закгейм А.Ю. Введение в моделирование химико-технологических
процессов. - 2 - е изд., перераб. и доп. - М.: Химия, 1982. - (серия
«Химическая кибернетика») 288 с., ил.
. Лурье Ю.Ю Справочник по аналитической химии. 5-е изд.,
перераб. и доп. - М.: Химия. 1979. - 480