Автоматизация процесса подготовки целлюлозы в производстве газетной бумаги на бумагоделательной машине
1.
Характеристика технологического процесса
Рассматривается процесс подготовки целлюлозы в производстве газетной
бумаги на бумагоделательной машине (БДМ). Рассматривается узел технологического
процесса,
включающий пульсационную мельницу, смесительный бассейн СФА и СФИ
целлюлозы, а также бассейн-аккумулятор. Сульфатная (СФА) целлюлоза подаётся при
помощи насоса из бассейна в пульсационную мельницу. Пульсационная мельница
предназначена для дороспуска целлюлозы. Роспуск лепестков, комочков, пучков
волокон в пульсационной мельнице происходит без укорочения длины волокон. Далее
СФА целлюлоза подаётся в бассейн, где она смешивается с сульфитной (СФИ)
целлюлозой. Затем смесь подаётся в бассейн - аккумулятор. В качестве
исполнительных устройств, на потоках целлюлозы и воды используются заслонки
регулирующие с пневмоприводами и электропневматическими позиционерами. На всех
исполнительных устройствах установлены концевые выключатели. Для насосов и
мешалок бассейнов используются приводы переменного тока, 30 Квт, 380 В. Для
пульсационной мельницы используется привод переменного тока с частотным
преобразователем, 300 Квт, 6000В.
Данная система должна обеспечивать получение целлюлозы с качеством,
требуемым для производства газетной бумаги на БДМ со скоростью полотна 1200-1300
м/мин и шириной полотна готовой бумаги 7,2 м. Параметры БДМ:
§ скорость - 1200-1300 м/мин ;
§ ширина полотна готовой бумаги - 7,2 м.
Исполнительные устройства :
§ на потоках целлюлозы и воды - заслонки, регулирующие с пневмоприводами и
электропневматическими позиционерами;
на всех исполнительных устройствах установлены концевые выключатели.
Привода: §
насосов и мешалок бассейнов целлюлозы - переменного тока , 30 квт, 380 в; § пульсационной мельницы - переменного
тока с частотным преобразователем, 300 квт, 6000 в.
2.
Основные решения по автоматизации
.1 Функции
АСУТП
Функциональная схема (рис.1) автоматизации выполнена в соответствии с
ГОСТ 21.404-85. ГОСТ предусматривает построение графических и буквенных
условных обозначений по функциональным признакам, выполняемым техническими
средствами.
Назначение систем автоматизации:
FIR-1 индикация
и регистрация расхода СФА целлюлозы в трубопроводе
PIR-2 индикация
и регистрация давления в трубопроводе СФА целлюлозы
QIR-3 индикация
и регистрация концентрации СФИ целлюлозы в трубопроводе
FFYRC-4 индикация,
регистрация и управление концентрацией СФА целлюлозы в смесительном бассейн
FIR-5 индикация
и регистрация расхода СФИ целлюлозы в трубопроводе
QIRC-6 индикация,
регистрация и управление концентрацией СФА целлюлозы в трубопроводе
QIR-7 индикация
и регистрация концентрации целлюлозы в трубопроводе
QIRC-8 индикация,
регистрация и управление концентрацией целлюлозы в трубопроводе после бассейна
аккумулятора
LIARC-9 индикация,
регистрация, сигнализация предельных значений и управление уровнем целлюлозы в
смесительном бассейне
LS-9-1 блокировка
задвижки на потоке СФИ целлюлозы при достижении предельного значения уровня
целлюлозы в смесительном бассейне
LS-9-2 блокировка
приводов мешалки и насоса при достижении предельного значения уровня целлюлозы
в смесительном бассейне
LIAR-10 индикация,
регистрация, сигнализация предельных значений уровня целлюлозы в бассейне
аккумуляторе
LS-10-1 блокировка
приводов мешалок и насосов при достижении предельного значения уровня целлюлозы
в бассейне-аккумуляторе
HSA-11 дистанционное
управление приводами сигнализация режимов работы («включены- выключены»)
HSA-12 дистанционное
управление задвижками и сигнализация предельных положений («открыты- закрыты»)
2.2
Техническая структура АСУТП
Регулирование параметров процесса осуществляет
программируемый контроллер серии SIMATIC S7-300 (Siemens). Этот контроллер обеспечивает
решение задач нижних уровней управления в системах комплексной автоматизации -
от управления отдельными элементами и устройствами технологического
оборудования до управления производственными участками и линиями.
По функциональным признакам контроллер можно разделить
наследующие составляющие:
1. Центральный процессор, предназначенный для
выполнения команд (инструкций) управляющей программой и обработки данных
размещенных в памяти.
2. Память контроллера с жестким распределением
областей для размещения различных типов данных.
. Процессоры, обеспечивающие обмен информацией
между модулями ввода/вывода и соответствующими областями памяти.
. Процессоры связи, предназначенные для
обслуживания каналов контроллера с программами, с ведущей ЭВМ, с другими
контроллерами или локальными вычислительными системами, информация, принятая по
каналам связи, размещаются непосредственно в памяти.
. Модули ввода, обеспечивающие прием и
первичное преобразование информации от датчиков объекта управления.
. Модули вывода, предназначенные для выдачи
управляющих сигналов на исполнительные устройства объектов управления.
Для регистрации параметров технологических процессов (t,p и т.д.) и аварийных сообщений используется принтер. Вывод на
печать параметров осуществляется во времени и по запросу оператора. На месте
оператора может использоваться РС, позволяющий осуществлять:
1 просмотр информации
2 просмотр состояния оборудования
3 прием и подтверждение сигналов
аварийных сообщений
4 архивирование информации
5 распечатку протоколов
6
вывод графиков
Программирование контроллера осуществляется с помощью
инструментального программного пакета STEP7 для Windows 98/NT/ 2000. Редактор программ STEP7 содержит языки программирования по стандарту IEC 61131-3: FBD, LD, IL или дополнительно языки
программирования высокого уровня.
Конфигурация контроллера SIMATIC S7-300
CPU
312
- рабочая память 16 Кбайт;
- время выполнения операции:
логических 0,2 мкс
с фиксированной точкой 1 мкс
с плавающей точкой 6 мкс.
Модуль памяти Flash-Eprom 64 Кбайт
Модуль ввода-вывода дискретных сигналов SM 323 1Ч8DI (24B); 1Ч8DO (24B/0,5A)
Модуль ввода аналоговых сигналов SM 331 1Ч8AI (4
-20 мА)
Модуль вывода аналоговых сигналов SM 332 1Ч4AO (4
- 20 мА)
Модуль расширения IM 365
с соединительным кабелем 1 м.
Блок питания PS 307: питание
220В, выход 24В/2А.
Многофункциональная панель оператора SIMATIC MP 240 B - 10
Keys
- процессор Risc 32, разрешение 66 МГц;
- операционная система Windows CЕ;
- дисплей 10,4” TFT.
Клавиатура мембранная
- система клавиш 38;
- функциональных клавиш 36.
Техническая структура (рис. 2) для управления технологическим процессом
состоит из микропроцессорного программируемого контроллера SIMATIC и рабочей станции оператора (АРМ),
которая включает в себя IBM совместимый PC, дисплей, клавиатуру, ручной
манипулятор (мышь), принтер.
2.3
Разработка технического обеспечения
В качестве измерителя концентрации массы на потоке используется датчик
МЕК-2000 фирма BTG, Саффле, Швеция
Диапазон измерения концентрации 0,8%...10,0%.
Класс точности 2
Потребляемая мощность максимум 60В*А.
Выходной сигнал 4-20мА
Масса датчика 36 кг
Электропитание 110/ 220 +/- 10% , 50/60Гц.
Класс защиты IP 65
Допустимые параметры окружающей среды: Влажность до 95% при 20°С Давление
760 мм рт. ст. +-30 Температура +5-+60°С.
Регулирующий орган PISTOR 75 фирма-изготовитель “VALMET”. Диаметр поршня
: 75мм Давление питания: 3…6 кг/см2 Выходной сигнал: 4-20мА
Исполнительный механизм серии B1C9 Пневматический поршневой привод типа
B1C9 фирмы ''Neles'' двухстороннего действия и с возвратной пружиной, как для
режима регулирования, так и для отсечки
Рабочая температура 0…+100˚С
Максимальное давление питания 300 кПа
Номинальный момент, Нм 400
Диапазон командного давления 20…100 кПа
Угол поворота оси обратной вязи max 90є
Соотношение угла поворота
к командному сигналу линейное
Давление питания 0,3…2,0 МПа
Температура окружающей среды 0…+40 єС
Вес ≈1,9 кг
3.
Разработка алгоритмического обеспечения АСР
В соответствии с выполняемыми функциями в АСУТП можно выделить
ин-формационную подсистему, в которой решаются следующие задачи: • сбор
информации с датчиков технологических параметров и состояния оборудования; •
первичная обработка собранной информации (масштабирование , фильтрация,
контроль достоверности параметров); • контроль параметров техпроцесса и расчет
косвенных; показателей; • архивация данных технологического режима и
формирование отчетов. Для контролируемых технологических параметров в буквенной
форме разрабатываем алгоритмы первичной обработки информации: Масштабирование
Полученные в результате опроса цифровые коды сигналов датчиков, должны быть
переведены в действительные значения технологических параметров.
Формулы пересчёта кодов зависят от параметров измерительного канала:
• вида сигнала (аналоговый, число - импульсный);
• типа градировочной характеристики (линейная, квадратичная и т.п.);
• представлением градировочной характеристики ( в виде аналитических
функций, табличным методом);
• драйвера платы УСО.
Так как датчик МЕК-2000 с аналоговым выходным сигналом и линейной
градуировочной характеристикой::
(1)
где : Y, - значения технологического параметра, I- значения сигнала с
датчика , индексы 1, 2 относятся к любым двум точкам градуировочной
характеристики измерителя.
Аналого-цифровой преобразователь с линейной характеристикой:
(2)
где
- код АЦП сигнала датчика, индексы 1, 2 относятся к
рассматриваемым точкам градуировочной характеристики .
Если оперируют значениями сигнала тока, то формула масштабирования (3)
получается из уравнения (1):
(3) т.е.
где константы:
,
Формула масштабирования концентрации целлюлозы примет следующий вид:
При выходном сигнале 4-20 мА и диапазоне измерений 0,8%...10,0%.
технологический целлюлоза бумага автоматизация
A=(10-0,8)/(20-4)=0,575
B=((0.8*20)-(10*4))/(20-4)=-1.5
Y=0.575*I-1,5
Фильтрация
Практически изменения всех технологических параметров, кроме полезного сигнала,
содержат помехи. Высокочастотные помехи, проходя по тракту формирования
управляющего воздействия, вызывают высокочастотные колебания регулирующих
органов, что приводит к их быстрому износу. Для выделения полезного сигнала
среди помех осуществляют операцию фильтрации. В общем виде дискретное уравнение
фильтрации имеет вид:
Yf[n]=
al*Yf[n-l]+
bm*Y[n-m] (4)
где: Y[n] - исходное значение технологического
параметра на n-ом такте, Yf[n] - фильтрованное значение
технологического параметра, al ,bm - коэффициенты фильтрации.
В частном случае уравнение (5) является фильтром экспоненциального
сглаживания:
Yf[n]=aYf[n-1]+(1-a)Y[n], 0≤ a < 1 (5)
Результаты вычислений представлены в таблице 1:
При a=0.5
|
t
|
у[n]
|
yf[n]
|
|
0
|
2,44
|
1,22
|
|
10
|
2,42
|
1,82
|
|
20
|
2,47
|
2,145
|
|
30
|
2,45
|
2,2975
|
|
40
|
2,57
|
2,43375
|
|
50
|
2,67
|
2,551875
|
|
60
|
2,73
|
2,640938
|
|
70
|
2,76
|
2,700469
|
|
80
|
2,75
|
2,725234
|
|
90
|
2,77
|
2,747617
|
|
100
|
2,74
|
2,743809
|
|
110
|
2,73
|
2,736904
|
|
120
|
2,78
|
2,758452
|
Дискретность контроля технологических параметров Цифровой код
технологического параметра, полученный с АЦП в момент опроса, сохраняется в
оперативной памяти до следующего такта опроса, т.е. осуществляется ступенчатая
экстраполяция сигнала. В результате возникает погрешность воспроизведения
аналогового сигнала. Её называют ошибкой ступенчатой экстраполяции. Ошибки
экстраполяции зависят от дискретности (периода) контроля и свойств измеряемого
сигнала. Их можно рассчитать непосредственно по реализации технологического
параметра или аналитическими методами , используя корреляционную функцию
сигнала
где: Dэ - дисперсия ошибки ступенчатой экстраполяции, Т - дискретность
контроля, K(0), K(T) - значения корреляционной функции сигнала при аргументах
равных 0 и T.
Из условия, что ошибки экстраполяции не должны превышать заданной
величины, можно определить допустимую дискретность контроля
технологического параметра.
Составляем таблицу 2 для определения Dэ
Таблица 2
|
t
|
Y(t)
|
t=10 c
|
|
t=20 c
|
|
|
|
|
ΔY(t)
|
ΔY^2(t)
|
ΔY(t)
|
ΔY^2(t)
|
|
0
|
2,42
|
-
|
-
|
-
|
-
|
|
10
|
2,47
|
0,05
|
0,0025
|
-
|
-
|
|
20
|
2,45
|
-0,02
|
0,0004
|
-0,03
|
0,0009
|
|
30
|
2,57
|
0,12
|
0,0144
|
-0,1
|
0,01
|
|
40
|
2,67
|
0,1
|
0,01
|
-0,22
|
0,0484
|
|
50
|
2,73
|
0,06
|
0,0036
|
-0,16
|
0,0256
|
|
60
|
2,76
|
0,03
|
0,0009
|
-0,09
|
0,0081
|
|
70
|
2,75
|
-0,01
|
0.0004
|
-0,02
|
0,0004
|
|
80
|
2,77
|
0,02
|
0,0004
|
-0,01
|
0,0001
|
|
90
|
2,74
|
-0,03
|
0,0009
|
0,01
|
0,0001
|
|
100
|
2,73
|
-0,01
|
0,0001
|
0,04
|
0,0016
|
|
110
|
2,78
|
0,05
|
0,0025
|
-0,04
|
0,0016
|
|
120
|
3,28
|
0,5
|
0,25
|
-0,55
|
0,3025
|
|
|
|
|
0,02858
|
|
0,044366667
|
Расчет дисперсии ошибки экстраполяции Dэ:
, т.к.
класс точности 2
T≤2c
4.
Имитационное моделирование АСР
.1 Разработка математической модели АСР
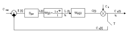
Система автоматического регулирования концентрации целлюлозы после
бассейна-аккумулятора должна обеспечивать отклонения концентрации от заданного
значения в диапазоне: | С(t) - Сзад | < 0.2%
где : C(t), Сзад - текущее и заданное значения концентрации целлюлозы, %
; Сзад = 2.8 % ;
При останове насоса (443) на выходе бассейна заслонка (031) на потоке
оборотной воды должна закрываться. Переходная характеристика объекта
регулирования по каналу: “ изменение положения регулирующей заслонки (031) на
потоке оборотной воды - изменение концентрации целлюлозы после
бассейна-аккумулятора” представлена на рисунке. При ручном управлении в
процессе эксплуатации на объекте наблюдаются изменения концентрации целлюлозы,
вызванные отклонениями концентрации целлюлозы, поступающей в бассейн-
аккумулятор. Они могут быть описаны функцией:
где
: t - время , сек , А, Тс - коэффициенты , А = 0.7 , Тс =
900 , сек .
Разрабатываем
математическую модель объекта управления на основе переходных характеристик.
По
полученному уравнению строим график переходного процесса для объекта
регулирования
Таблица
3
|
t
|
n
|
L[n]
|
L[n-9]
|
C[n-1]
|
C[n]
|
|
18
|
0
|
0
|
0
|
0
|
0
|
|
20
|
1
|
-25
|
0
|
0
|
0
|
|
22
|
2
|
-25
|
0
|
0
|
0
|
|
24
|
3
|
-25
|
0
|
0
|
0
|
|
26
|
4
|
-25
|
0
|
0
|
0
|
|
28
|
5
|
-25
|
0
|
0
|
0
|
|
30
|
6
|
-25
|
0
|
0
|
0
|
|
32
|
7
|
-25
|
0
|
0
|
0
|
|
34
|
8
|
-25
|
0
|
0
|
0
|
|
36
|
9
|
-25
|
0
|
0
|
0
|
|
38
|
10
|
-25
|
-25
|
0
|
0,0505
|
|
40
|
11
|
-25
|
0,0505
|
0,093223
|
|
42
|
12
|
-25
|
-25
|
0,093223
|
0,129367
|
|
44
|
13
|
-25
|
-25
|
0,129367
|
0,159944
|
|
46
|
14
|
-25
|
-25
|
0,159944
|
0,185813
|
|
48
|
15
|
-25
|
-25
|
0,185813
|
0,207698
|
|
50
|
16
|
-25
|
-25
|
0,207698
|
0,226212
|
|
52
|
17
|
-25
|
-25
|
0,226212
|
0,241876
|
|
54
|
18
|
-25
|
-25
|
0,241876
|
0,255127
|
|
56
|
19
|
-25
|
-25
|
0,255127
|
0,266337
|
|
58
|
20
|
-25
|
-25
|
0,266337
|
0,275821
|
|
60
|
21
|
-25
|
-25
|
0,275821
|
0,283845
|
|
62
|
22
|
-25
|
-25
|
0,283845
|
0,290633
|
|
64
|
23
|
-25
|
-25
|
0,290633
|
0,296375
|
|
66
|
24
|
-25
|
-25
|
0,296375
|
0,301233
|
|
68
|
25
|
-25
|
-25
|
0,301233
|
0,305344
|
|
70
|
26
|
-25
|
-25
|
0,305344
|
0,308821
|
|
72
|
27
|
-25
|
-25
|
0,308821
|
0,311762
|
|
74
|
28
|
-25
|
-25
|
0,311762
|
0,314251
|
|
76
|
29
|
-25
|
-25
|
0,314251
|
0,316356
|
|
78
|
30
|
-25
|
-25
|
0,316356
|
0,318137
|
|
80
|
31
|
-25
|
-25
|
0,318137
|
0,319644
|
|
82
|
32
|
-25
|
-25
|
0,319644
|
0,320919
|
|
84
|
33
|
-25
|
-25
|
0,320919
|
0,321997
|
|
86
|
34
|
-25
|
-25
|
0,321997
|
0,32291
|
|
88
|
35
|
-25
|
-25
|
0,32291
|
0,323682
|
|
90
|
36
|
-25
|
-25
|
0,323682
|
0,324335
|
|
92
|
37
|
-25
|
-25
|
0,324335
|
0,324887
|
|
94
|
38
|
-25
|
-25
|
0,324887
|
0,325355
|
|
96
|
39
|
-25
|
-25
|
0,325355
|
0,32575
|
|
98
|
40
|
-25
|
-25
|
0,32575
|
0,326084
|
Полученный график имеет вид
4.3 Моделирование АСР
Для ПИ-регулятора имеем:
L(t)=Кп*Со+Ки ∫Со(t)dt
L[n]=L[n-1]+Kп
(Co[n]-Co[n-1])+Kи*Co[n], где
- степень открытия клапана (%);
С- концентрация (%).
При
Кп= -20 ;
Ки= -6;
По полученному уравнению строим график.
Для построения графика переходного процесса по задающему воздействию
составляется таблица 4 с данными:
Таблица 4
|
t
|
n
|
L[n]
|
L[n-1]
|
L[n-9]
|
C[n-1]
|
C[n]
|
|
0
|
0
|
-15
|
0
|
0
|
0
|
0
|
|
2
|
1
|
-30
|
-15
|
0
|
0
|
0
|
|
4
|
2
|
-45
|
-30
|
0
|
0
|
0
|
|
6
|
3
|
-60
|
-45
|
0
|
0
|
0
|
|
8
|
4
|
-75
|
-60
|
0
|
0
|
0
|
|
10
|
5
|
-90
|
-75
|
0
|
0
|
0
|
|
12
|
6
|
-105
|
-90
|
0
|
0
|
0
|
|
14
|
7
|
-120
|
-105
|
0
|
0
|
0
|
|
16
|
8
|
-135
|
-120
|
0
|
0
|
0
|
|
18
|
9
|
-149,39
|
-135,00
|
-15,00
|
0,00
|
0,03
|
|
20
|
10
|
-163,09
|
-149,39
|
-30,00
|
0,03
|
0,09
|
|
22
|
11
|
-176,01
|
-163,09
|
-45,00
|
0,09
|
0,16
|
|
24
|
12
|
-188,10
|
-176,01
|
-60,00
|
0,16
|
0,26
|
|
26
|
13
|
-199,29
|
-188,10
|
-75,00
|
0,26
|
0,37
|
|
28
|
14
|
-209,55
|
-199,29
|
-90,00
|
0,37
|
0,50
|
|
30
|
15
|
-218,84
|
-209,55
|
-105,00
|
0,50
|
0,63
|
|
32
|
16
|
-227,12
|
-218,84
|
-120,00
|
0,63
|
0,78
|
|
34
|
17
|
-234,36
|
-227,12
|
-135,00
|
0,78
|
0,93
|
|
36
|
18
|
-240,57
|
-234,36
|
-149,39
|
0,93
|
1,09
|
|
38
|
19
|
-245,76
|
-240,57
|
-163,09
|
1,09
|
1,26
|
|
40
|
20
|
-249,95
|
-245,76
|
-176,01
|
1,26
|
1,42
|
|
42
|
21
|
-253,16
|
-249,95
|
-188,10
|
1,58
|
|
44
|
22
|
-255,45
|
-253,16
|
-199,29
|
1,58
|
1,74
|
|
46
|
23
|
-256,85
|
-255,45
|
-209,55
|
1,74
|
1,90
|
|
48
|
24
|
-257,41
|
-256,85
|
-218,84
|
1,90
|
2,05
|
|
50
|
25
|
-257,19
|
-257,41
|
-227,12
|
2,05
|
2,20
|
|
52
|
26
|
-256,25
|
-257,19
|
-234,36
|
2,20
|
2,34
|
|
54
|
27
|
-254,66
|
-256,25
|
-240,57
|
2,34
|
2,46
|
|
56
|
28
|
-252,48
|
-254,66
|
-245,76
|
2,46
|
2,58
|
|
58
|
29
|
-249,78
|
-252,48
|
-249,95
|
2,58
|
2,69
|
|
60
|
30
|
-246,63
|
-249,78
|
-253,16
|
2,69
|
2,79
|
|
62
|
31
|
-243,10
|
-246,63
|
-255,45
|
2,79
|
2,88
|
|
64
|
32
|
-239,24
|
-243,10
|
-256,85
|
2,88
|
2,96
|
|
66
|
33
|
-235,14
|
-239,24
|
-257,41
|
2,96
|
3,03
|
|
68
|
34
|
-230,85
|
-235,14
|
-257,19
|
3,03
|
3,08
|
|
70
|
35
|
-226,43
|
-230,85
|
-256,25
|
3,08
|
3,13
|
|
72
|
36
|
-221,94
|
-226,43
|
-254,66
|
3,13
|
3,17
|
|
74
|
37
|
-217,43
|
-221,94
|
-252,48
|
3,17
|
3,19
|
|
76
|
38
|
-212,96
|
-217,43
|
-249,78
|
3,19
|
3,21
|
|
78
|
39
|
-208,57
|
-212,96
|
-246,63
|
3,21
|
3,21
|
|
80
|
40
|
-204,30
|
-208,57
|
-243,10
|
3,21
|
3,21
|
Для построения графика переходного процесс по возмущающему воздействию
составляется таблица 5:
|
t
|
n
|
L[n]
|
L[n-1]
|
L[n-9]
|
C[n-1]
|
C[n]
|
Cв[n]
|
Co[n]
|
Co[n-1]
|
|
0,000
|
0
|
0,000
|
0,000
|
0,000
|
0,000
|
0,000
|
0,000
|
0,000
|
0,000
|
|
2,000
|
1
|
0,903
|
0,000
|
0,000
|
0,000
|
0,000
|
0,045
|
0,045
|
0,000
|
|
4,000
|
2
|
2,018
|
0,903
|
0,000
|
0,000
|
0,000
|
0,087
|
0,087
|
0,045
|
|
6,000
|
3
|
3,333
|
2,018
|
0,000
|
0,000
|
0,000
|
0,127
|
0,127
|
0,087
|
|
8,000
|
4
|
4,833
|
3,333
|
0,000
|
0,000
|
0,000
|
0,164
|
0,164
|
0,127
|
|
10,000
|
5
|
6,508
|
4,833
|
0,000
|
0,000
|
0,000
|
0,198
|
0,198
|
0,164
|
|
12,000
|
6
|
8,346
|
6,508
|
0,000
|
0,000
|
0,000
|
0,231
|
0,231
|
0,198
|
|
14,000
|
7
|
10,336
|
8,346
|
0,000
|
0,000
|
0,000
|
0,261
|
0,261
|
0,231
|
|
16,000
|
8
|
12,468
|
10,336
|
0,000
|
0,000
|
0,000
|
0,289
|
0,289
|
0,261
|
|
18,000
|
9
|
14,734
|
12,468
|
0,000
|
0,000
|
0,000
|
0,316
|
0,316
|
0,289
|
|
20,000
|
10
|
17,088
|
14,734
|
0,903
|
0,000
|
-0,002
|
0,341
|
0,339
|
0,316
|
|
22,000
|
11
|
19,508
|
17,088
|
2,018
|
-0,002
|
-0,006
|
0,364
|
0,358
|
0,339
|
|
24,000
|
12
|
21,973
|
19,508
|
3,333
|
-0,006
|
-0,012
|
0,385
|
0,374
|
0,358
|
|
26,000
|
13
|
24,461
|
21,973
|
4,833
|
-0,012
|
-0,020
|
0,406
|
0,386
|
0,374
|
|
28,000
|
14
|
26,954
|
24,461
|
6,508
|
-0,020
|
-0,030
|
0,425
|
0,395
|
0,386
|
|
30,000
|
15
|
29,432
|
26,954
|
8,346
|
-0,030
|
-0,042
|
0,442
|
0,400
|
0,395
|
|
32,000
|
16
|
31,877
|
29,432
|
10,336
|
-0,042
|
-0,057
|
0,459
|
0,403
|
0,400
|
|
34,000
|
17
|
34,272
|
31,877
|
12,468
|
-0,057
|
-0,073
|
0,475
|
0,401
|
0,403
|
|
36,000
|
18
|
36,599
|
34,272
|
14,734
|
-0,073
|
-0,092
|
0,489
|
0,397
|
0,401
|
|
38,000
|
19
|
38,844
|
36,599
|
17,088
|
-0,092
|
-0,112
|
0,503
|
0,390
|
0,397
|
|
40,000
|
20
|
40,995
|
38,844
|
-0,112
|
-0,135
|
0,515
|
0,381
|
0,390
|
|
42,000
|
21
|
43,041
|
40,995
|
21,973
|
-0,135
|
-0,158
|
0,527
|
0,369
|
0,381
|
|
44,000
|
22
|
44,973
|
43,041
|
24,461
|
-0,158
|
-0,184
|
0,539
|
0,355
|
0,369
|
|
46,000
|
23
|
46,782
|
44,973
|
26,954
|
-0,184
|
-0,210
|
0,549
|
0,339
|
0,355
|
|
48,000
|
24
|
48,462
|
46,782
|
29,432
|
-0,210
|
-0,238
|
0,559
|
0,321
|
0,339
|
|
50,000
|
25
|
50,008
|
48,462
|
31,877
|
-0,238
|
-0,266
|
0,568
|
0,302
|
0,321
|
|
52,000
|
26
|
51,418
|
50,008
|
34,272
|
-0,266
|
-0,294
|
0,576
|
0,282
|
0,302
|
|
54,000
|
27
|
52,690
|
51,418
|
36,599
|
-0,294
|
-0,323
|
0,584
|
0,261
|
0,282
|
|
56,000
|
28
|
53,824
|
52,690
|
38,844
|
-0,323
|
-0,352
|
0,592
|
0,239
|
0,261
|
|
58,000
|
29
|
54,820
|
53,824
|
40,995
|
-0,352
|
-0,381
|
0,599
|
0,217
|
0,239
|
|
60,000
|
30
|
55,681
|
54,820
|
43,041
|
-0,381
|
-0,410
|
0,605
|
0,195
|
0,217
|
|
62,000
|
31
|
56,411
|
55,681
|
44,973
|
-0,410
|
-0,438
|
0,611
|
0,173
|
0,195
|
|
64,000
|
32
|
57,014
|
56,411
|
46,782
|
-0,438
|
-0,466
|
0,617
|
0,151
|
0,173
|
|
66,000
|
33
|
57,495
|
57,014
|
48,462
|
-0,466
|
-0,492
|
0,622
|
0,130
|
0,151
|
|
68,000
|
34
|
57,860
|
57,495
|
50,008
|
-0,492
|
-0,518
|
0,627
|
0,109
|
0,130
|
|
70,000
|
35
|
58,116
|
57,860
|
51,418
|
-0,518
|
-0,543
|
0,632
|
0,089
|
0,109
|
|
72,000
|
36
|
58,271
|
58,116
|
52,690
|
-0,543
|
-0,566
|
0,636
|
0,070
|
0,089
|
|
74,000
|
37
|
58,331
|
58,271
|
53,824
|
-0,566
|
-0,588
|
0,641
|
0,052
|
0,070
|
|
76,000
|
38
|
58,306
|
58,331
|
54,820
|
-0,588
|
-0,609
|
0,644
|
0,035
|
0,052
|
|
78,000
|
39
|
58,203
|
58,306
|
55,681
|
-0,609
|
-0,628
|
0,648
|
0,020
|
0,035
|
|
80,000
|
40
|
58,030
|
58,203
|
56,411
|
-0,628
|
-0,646
|
0,651
|
0,005
|
0,020
|
При данных настройках, система справляется с возмущением, но отклонение
значения концентрации от заданного превышает допустимые 0,2%.
5. Разработка программного обеспечения АСУТП
.1 Характеристика среды программирования
ТРЕЙС МОУД - это программный комплекс, предназначенный для разработки,
настройки и запуска в реальном времени систем управления технологическими
процессами. Все программы, входящие в ТРЕЙС МОУД, делятся на две группы:
· инструментальная система разработки АСУ;
· исполнительные модули (runtime).
Инструментальная система Инструментальная система включает в себя три
редактора:
· Редактор базы каналов;
· Редактор представления данных;
· Редактор шаблонов.
В них разрабатываются: база данных реального времени, программы обработки
данных и управления, графические экраны для визуализации состояния
технологического процесса и управления им, а так же шаблоны для генерации
отчетов о работе производства.
В зависимости от лицензии инструментальная система позволяет создавать
проекты на разное количество каналов. Существуют следующие градации
инструментальных систем по количеству точек ввода/вывода в одном узле проекта:
128, 1024, 32000х16, 64000х16.
Результатом работы в этом редакторе является математическая и информационная
структуры проекта АСУТП. Эти структуры включают в себя набор баз каналов и
файлов конфигурации для всех контроллеров и операторских станций (узлов)
проекта, а также файл конфигурации всего проекта.
Редактор представления данных
Здесь разрабатывается графическая часть проекта системы управления. При
этом создается статичный рисунок технологического объекта, а затем поверх него
размещаются динамические формы отображения и управления. Среди них такие, как
поля вывода численных значений, графики, гистограммы, кнопки, области ввода
значений и перехода к другим графическим фрагментам и т. д.
Кроме стандартных форм отображения (ФО), ТРЕЙС МОУД позволяет вставлять в
проекты графические формы представления данных или управления, разработанные
пользователями. Для этого можно использовать стандартный механизм Active-X.
Все формы отображения информации, управления и анимационные эффекты
связываются с информационной структурой, разработанной в редакторе базы
каналов.
Графические базы узлов проекта, созданные в редакторе представления
данных, сохраняются в файлах с расширением dbg. Их сохранение осуществляется в
соответствующие директории проектов.
Характеристика ПИД-регулятора (PID)
Этот блок формирует выходное значение по ПИД-закону от величины, поданной
на его вход INP. Формула вычисления выходного значения выглядит следующим
образом: n
Q := KP * INP + KD * (INP - INP1)/dt + S KI *INP i*dt
|
Q
|
- выход блока;
|
|
INP
|
- значение входа на текущем
такте пересчета;
|
|
INP1
|
- значение входа на
предыдущем такте пересчета;
|
|
INP I
|
- значение входа на i-м
такте пересчета;
|
|
N
|
- общее число тактов
пересчета;
|
|
Dt
|
- время между тактами
пересчета;
|
|
KP
|
- коэффициент при
пропорциональной составляющей;
|
|
KD
|
- коэффициент при
дифференциальной составляющей;
|
|
KI
|
- коэффициент при интегральной
составляющей.
|
Для ввода значений настроек используются три входа: KP - коэффициент при
пропорциональной составляющей, KD - при дифференциальной, KI - при
интегральной.
Модуль подаваемого на вход KI отрицательного значения передается на
выход. Далее при подаче на вход KI неотрицательного значения регулирование
начинается с установленной величины.
Для ограничения величины управляющего воздействия используются входы
блока MIN и MAX. Первый из них задает нижний предел управления, а второй -
верхний. Если величина управления выходит за любую из этих границ, то выходу
присваивается величина соответствующего входа и перестает накапливаться
интегральная составляющая закона регулирования.
Данный блок вычисляет величину управления по значению рассогласования
регулируемой величины и задания, которое надо вычислять с помощью отдельного
функционального блока.
Программирование контроллера
Программирование контроллера осуществляется путем выбора алгоритмических
блоков, из стандартного, ранее установленного, набора. Разработка алгоритмов
регулирования может осуществляться с помощью любой инструментальной системы
разработки АСУ с использованием визуального программирования, например такой
как «Trace Mode». Для внесения программы непосредственно в
контроллер, либо для коррективы существующей программы, удобно использовать
переносной коммуникатор, который имеет компактные размеры и подключается к
контроллеру непосредственно в месте его установки, через последовательный
интерфейс RS-485.
5.2 Проектирование интерфейса оператора процесса
Проектируются две экранные формы интерфейса оператора:
Видеограмма контроля заданного узла технологического процесса
1. Индикация измеренного значения концентрации(%)
2. индикация Значения концентрации по заданию(%)
. Индикация степени открытия клапана(%)
. Ручной режим (открыто/закрыто)
,6,7 Режим работы мешалок и насоса (вкл/выкл)
Видеограмма контроля и управления параметрами заданной АСР
5.3 Разработка программного обеспечения
Необходимо выделить каналы для обмена данными между контролером и
операторской станцией в соответствии с заданным технологическим процессом.
Необходимо, также предусмотреть процедуры масштабирования данных. Программная
реализация регулирования заданным технологическим параметром осуществляется на
встроенном в среду ТРЕЙС МОУД языке функциональных блоков FBD .
Литература
1.
Е.П.Дятлова,
М.Р.Сафонова. Проектирование автоматизированных систем управления
технологическими процессами ЦБП. Учебное пособие. СПб.: СПбГТУ РП, 1999. 51с.
2.
В.Н. Леонтьев.
Теория автоматического управления в ЦБП. Учебное пособие. Ленинград, 1984. 81
с.
3.
Ю.С.Жукова.
Конспект лекций по АТПО. СПбГТУ РП, 2007. Электронный носитель.
4.
Документация на
инструментальную систему “Трейс Моуд”. Электронный носитель.