Модернизация системы сбора и подготовки попутного нефтяного газа месторождения Одопту 'Северный Купол'
ПРОЕКТ
НА ТЕМУ:
Модернизация
системы сбора и подготовки попутного нефтяного газа месторождения Одопту
«Северный Купол».
Выполнил:
Геолог II
категории ЦДНиГ-2
Алена Андреевна Скибо
г.
Оха
год
СОДЕРЖАНИЕ
Аннотация
Введение
.
Система сбора и подготовки скважинной продукции
.1
Система сбора скважинной продукции
.2
Подготовка нефти и газа
.
Анализ эффективности осушки газа
.1
Технологический расчет работающего абсорбера
.2
Расчет абсорбера, оснащенного регулярной насадкой
.
Оценка экономической эффективности от модернизации абсорбера
.1
Анализ основных технико-экономических показателей деятельности объекта за
2011-октябрь 2012 год
.2
Анализ себестоимости
.3
Расчет затрат на внедрение регулярной насадки
.4
Расчет экономической эффективности от модернизации абсорбера
Заключение
Список
используемой литературы
АННОТАЦИЯ
В данной работе рассмотрена система сбора и
подготовки попутного нефтяного газа месторождения Одопту «Северный Купол».
Объектом исследования является блок подготовки газа, в частности абсорбер
гликолевой осушки газа. Произведен анализ работающего абсорбера и рассчитан
абсорбер, оснащенный регулярной насадкой ДОАО ЦКБН. Рассчитана экономическая
эффективность от модернизации абсорбера.
Заключительная часть содержит выводы о
проделанной работе.
ВВЕДЕНИЕ
Нефтегазовое месторождение Одопту-море
расположено на шельфе Охотского моря в 6-10 км восточнее берега острова
Сахалин. Открыто в 1977г. И введено в пробную эксплуатацию в 1998г.
На рисунке 1 изображена карта «Одопту-море»
Рисунок 1 - Обзорная карта месторождения
«Одопту-море»
Выделено два объекта эксплуатации: XXI
(пласты XXI1+XXI2)
и XX (пласты XX12+XX2+XX3).
В тектоническом отношении месторождение
приурочено к Одоптинской антиклинальной складке, расположенной в пределах
Одоптинской мегаантиклинали и осложненной тремя куполами (Северный, Центральной
и Южный).
Северный купол через седловину сочленяется с
Центральным куполом и представляет собой брахиантиклиналь, ориентированную по длинной
оси в субмеридиональном направлении и осложненную тектоническими нарушениями,
контролирующими три блока.
Промышленная нефтегазоносность связана с
отложениями нижненутовского горизонта верхнего миоцена (пласты XX12,
XX2,
XX3,
XXI1
и XXI2)
На месторождении по состоянию на 01.01.2010
пробурены 33 добывающих скважин, 6 из них переведены под закачку воды.
Конструкция скважин наклонно-направленная, была выработана исходя из условий
предотвращения осложнений в процессе бурения. На рисунке 2 изображена типовая
конструкция скважин.
Рисунок 2 - Типовая конструкция скважин
Фонд добывающих скважин - 27, в том числе
действующих 21, в бездействии - 1 скважина, в освоении после бурения - одна,
ликвидированных - 4. Все скважины эксплуатируются механизированным способом
(ЭЦН).
Фонд нагнетательных скважин - шесть, под
закачкой воды - четыре, в бездействии - одна, наблюдательная - одна.
Средняя обводненность за 2009г. Составила 6,8%,
средний дебит по нефти - 118 т/сут., по жидкости - 127 т/сут.
С начала разработки по месторождению добыто 4929
тыс. т нефти, что составляет 27,7% от НИЗ, 5051 тыс. т жидкости. Накопленная
добыча газа составляет 1256 млн. м3, в том числе 1110 млн. м3
растворенного газа,146 млн. м3 газа газовых шапок.
В пласты закачено 3537 тыс. м3 воды.
Текущая и накопленная компенсация отборов жидкости закаченной воды составляют
159% и 83% соответственно.
Накопленная добыча конденсата, добываемого
вместе с нефтью, составила 6 тыс. т.
В 2009 г. Проектные показатели по добыче нефти
превышают фактические всего на 0,3%. Данное отклонение обусловлено
незначительно меньшим отбором жидкости, в среднем на 8%, за счет остановки
перевода скважин под закачку воды.
Объект XXI
Объект разрабатывается с 1998 г. Пробурены 24
добывающих скважин.
Фонд добывающих скважин - 24, в том числе
действующих - 15 (из них одна совместная), приобщен вышележащий объект в одной,
переведены под закачку воды - пять, ликвидированных - четыре.
Фонд нагнетательных скважин - пять, под закачку
воды - три, в бездействии - одна, наблюдательных - одна.
Дебит по нефти - 120 т/сут, по жидкости - 131
т/сут. Отбор нефти с начала разработки - 4118 тыс. т (35% от НИЗ), жидкости -
4225 тыс. т., 1041 млн.м3 газа, в том числе 146 млн.м3
газа газовых шапок. Текущий КИН - 0,174. Текущая обводненность 8,6%. Текущее
пластовое давление составляет 12 МПа, что ниже начального на 36%. С декабря
2005 г. Начата опытная закачка воды в соответствии с Программной
научно-исследовательских и промысловых работ. В пласт закачано 3342 тыс. м3
воды. Текущая компенсация отбора жидкости закачкой 189%, накопленная - 98%.
Объект XX
Объект введен в разработку в 2003 году и
находится в стадии разбуривания. Пробурены 9 добывающих скважин, переведены с
нижележащего объекта - одна.
Фонд добывающих скважин - 10, в том числе
действующих - семь (из них одна совместная), в бездействии - одна, в освоении
после бурения - одна, переведены под закачку воды - одна.
Фонд нагнетательных скважин - одна под закачку
воды.
Дебит по нефти - 99 т/сут, по жидкости - 101 т/сут.
Отбор нефти с начала разработки - 811 тыс. т (13,1% от НИЗ), жидкости - 826
тыс. т, 215 млн. м3 растворенного газа. Текущий КИН - 0,050. Текущая
обводненность 2,5%. По результатам промысловых замеров и расчетов на
гидродинамической модели среднее пластовое давление составляет 13 МПА, что ниже
начального на 12%. В 2009г. организована избирательная система заводнения - в
пласт закачано 196 тыс.м3 воды. Текущая и накопленная компенсация
отборов жидкости закачкой воды составляют 91% и 28% соответственно.
Геолого-физическая характеристика продуктивных
пластов приведена в таблице 1.1.
Состояние запасов свободного газа и газа газовых
шапок приведено в таблице 1.6.
Состояние запасов газового конденсата приведено
в таблице 1.7.
Таблица 1.1 - Геолого-физическая характеристика
продуктивных пластов
|
параметры
|
пласты/объекты
разработки
|
|
XX21
|
XX2
|
XX3
|
объект
XX пласта
|
XXI1
|
XXI2
|
объект
XXI пласта
|
|
1
|
2
|
3
|
4
|
5
|
6
|
7
|
8
|
|
Ср.
глубина залегания кровли (абс.), м
|
1318
|
1430
|
1477
|
1430
|
1594
|
1599
|
1597
|
|
Тип
залежи
|
плостово-сводовый,
литологически экранированный
|
|
Тип
коллектора
|
поровый
|
|
Площадь
нефетегазоносности, тыс. м2
|
4670
|
27912
|
16057
|
27912
|
31578
|
28840
|
31578
|
|
Ср.
общая толщина, м
|
4,5
|
16,5
|
7,1
|
16,5
|
9,2
|
13,1
|
11,2
|
|
Ср.
газонасыщенная толщина, м
|
1,9
|
4,5
|
-
|
4,5
|
4,1
|
2,8
|
3,5
|
|
Ср.
эффективная нефтенасыщенная толщина, м
|
1,6
|
8,1
|
2
|
8,1
|
3,4
|
9,3
|
6,4
|
|
Ср.
эффективная водонасыщенная толщина, м
|
1,2
|
5,9
|
4
|
5,9
|
6,2
|
6,2
|
6,2
|
|
Коэфф.
пористости, д. ед.
|
20
|
20
|
21
|
20
|
23
|
23
|
23
|
|
Коэфф.
нефтенасыщенности ЧНЗ, д.ед.
|
0,53
|
0,54
|
0,47
|
0,54
|
0,6
|
0,6
|
0,6
|
|
Коэфф.
нефтенасыщенности ВНЗ, д.ед.
|
0,53
|
0,54
|
0,47
|
0,54
|
0,6
|
0,6
|
0,6
|
|
Коэфф.
нефтенасыщенности пласта, д.ед.
|
0,53
|
0,54
|
0,47
|
0,54
|
0,6
|
0,6
|
0,6
|
|
Проницаемость,
10-3, мкм2
|
30
|
35
|
20
|
35
|
64
|
48
|
56
|
|
Коэфф.
песчанности, д.ед.
|
0,1
|
0,48
|
0,29
|
0,5
|
0,38
|
0,79
|
0,59
|
|
Коэфф.
расчлененности, д.ед.
|
6
|
5,3
|
3,6
|
5,3
|
8,2
|
7,9
|
8,1
|
|
Начальная
пластовая температура, ◦С
|
40
|
43
|
43
|
43
|
51
|
51
|
51
|
|
Начальное
пластовое давление, Мпа
|
13,5
|
15,1
|
15,2
|
15,1
|
17
|
17,2
|
17,1
|
|
Вязкость
нефти в пластовых условиях, мПс
|
0,72
|
0,72
|
0,72
|
0,72
|
0,74
|
0,74
|
0,74
|
|
Плотность
нефти в пластовых условиях, т/м3
|
0,77
|
0,77
|
0,77
|
0,77
|
0,75
|
0,75
|
0,75
|
|
Плотность
нефти в пов. условиях, т/м3
|
0,841
|
0,841
|
0,841
|
0,841
|
0,839
|
0,854
|
0,847
|
|
Абсолютная
отметка ГНК, м
|
1332
|
1365
|
-
|
1365
|
1462
|
1580
|
1521
|
|
Абсолютная
отметка ВНК, м
|
1362
|
1520
|
1539
|
1520
|
1720
|
1740
|
1730
|
|
Объемный
Коэфф. нефти, д.ед
|
1,181
|
1,181
|
1,181
|
1,181
|
1,25
|
1,193
|
1,222
|
|
Содержание
серы в нефти, %
|
0,27
|
0,27
|
0,27
|
0,27
|
0,21
|
0,21
|
0,21
|
|
Содержание
парафина в нефти, %
|
0,91
|
0,91
|
0,91
|
0,91
|
1,3
|
1,3
|
1,3
|
|
Давление
насыщения нефти газом, Мпа
|
13,5
|
15,1
|
15,2
|
15,1
|
17
|
17,2
|
17,1
|
|
Газосодержание
нефти, м3/т
|
91
|
91
|
91
|
91
|
116
|
92
|
104
|
|
Содержание
стабильного конденсата, г/м3
|
40
|
40
|
-
|
40
|
40
|
40
|
40
|
|
Вязкость
воды в пластовых условиях, мПас
|
0,59
|
0,53
|
0,53
|
0,53
|
0,62
|
0,62
|
0,62
|
|
Плотность
воды в пластовых условиях, т/м3
|
1,02
|
1,02
|
1,02
|
1,02
|
1,02
|
1,02
|
1,02
|
|
Сжимаемость,
1/МПах10-4, -нефти
|
23,9
|
23,9
|
23,9
|
23,9
|
23,9
|
23,9
|
23,9
|
|
-
воды
|
0,5
|
0,5
|
0,5
|
0,5
|
0,5
|
0,5
|
0,5
|
|
-породы
|
0,1
|
0,1
|
0,1
|
0,1
|
0,1
|
0,1
|
0,1
|
|
Коэфф.
вытеснения, д.ед.
|
0,451
|
0,461
|
0,381
|
0,461
|
0,583
|
0,583
|
0,583
|
|
Коэфф.
продуктивности, м3/сут/МПа
|
0,23
|
1,31
|
0,19
|
1,25
|
0,98
|
2,01
|
1,62
|
На месторождении «Одопту-море» производится
герметизированный сбор, сепарация газожидкостной смеси, обезвоживание
водонефтяной эмульсии и доведение нефти, газа и воды до нормируемых свойств с последующим
их транспортом. Пластовая вода, добытая и отделенная от нефти, транспортируется
к нагнетательным скважинам месторождения для закачки ее в пласт с целью
поддержания пластового давления.
Максимальная производительность месторождения
«Одопту-море» составляет:
· по пластовой жидкости 1674тыс. т/год
(4586 т/сут)
· по нефти 1042 тыс. т/год (2855
т/сут)
· по закачке воды в систему ППД 2382
тыс. т/год (6526 т/сут)
· по газу 340 млн. нм3/год
(1000000 нм3/сут)
· сбор и разделение продукции нефтяных
скважин на сырую нефть, сырой газ и воду;
· подготовку, учет и транспорт нефти
до центрального пункта сбора нефти (ЦПСН «Тунгор»);
· подготовку, компримирование
попутного нефтяного газа, его учет и подачу на собственные нужды в
магистральный трубопровод;
· очистку пластовой воды до норм
соответствующих требованиям ОСТ-39-225-88, замер и подачу подготовленной
пластовой воды в систему ППД.
По физико-химическим свойствам нефть, добываемая
на месторождении Одопту-море, характеризуется как легкая, малопарафинистая.
Согласно исходным геологическим данным по бурению и добыче скважинная продукция
характеризуется высоким газовым фактором, который составляет 200÷250
м3/т,
а в исключительных случаях может достигать и 300 м3/т. Обводненность
нефти составляет 35%.
Физико-химические свойства нефти месторождения
«Одопту-море», приведены в таблице 1.2.
Таблица 1.2 - Физико-химические свойства нефти
|
Наменование
сырья, материалов, реагентов изготавливаемой продукции
|
Показатели
качества, обязательные для проверки
|
|
Нефть
|
|
|
1.
Плотность при 20 оС, кг/м3
|
847,75-858,67
|
|
2.Кинематическая
вязкость, сСт
|
|
|
при
20 оС
|
3,54-5,16
|
|
при
50 оС
|
2,01-2,66
|
|
3.
Содержание в нефти, % об
|
0,7-1,41
|
|
парафина
|
0,2-0,42
|
|
4.
Фракционный состав, %
|
|
|
до
100 С
|
3,5-4,0
|
|
до
150 С
|
19,3-24,0
|
|
до
200 С
|
33,7-40,0
|
|
до
250 С
|
50
|
|
до
300 С
|
60,5-67,4
|
По физико-химическим свойствам вода, попутно
добываемая с нефтью, характеризуется как сильноагрессивная (суммарная
концентрация сульфатов и хлоридов более 5 г/л) по степени агрессивного
воздействия рабочей среды на элементы металлоконструкций (трубопроводы,
оборудование).Физико-химическая характеристика пластовых вод, попутно
добываемых с нефтью на месторождении «Одопту-море», приведена в таблице 1.3.
Газы Сахалинских месторождений свободные и
попутные, бессернистые, сухие, углеводородные с высоким содержанием метана до
96-98 %, с низким содержанием СО2, N2.
Качество подаваемого газа в газопровод и
потребителю должна соответствовать требованиям ГОСТ 5542-87 «Газы горючие
природные для промышленного и коммунально-бытового назначения. ТУ» и ОСТ
51.40-93 «Газы горючие природные, поставляемые и транспортируемые по магистральным
газопроводам. Технические условия».
Попутный газ, подаваемый в трубопровод для
перекачки, состоит в основном из метана. Метан представляет собой простейшего
представителя соединений углерода с водородом. Это бесцветный, нетоксичный, не
имеющий запаха и вкуса газ, малорастворимый в воде. На него не действуют ни
кислоты, ни щелочи. С кислородом метан в обычных условиях не реагирует, но при
поджигании - сгорает. Горение сопровождается выделением большого количества
тепла.
Кроме метана, в газе присутствуют этан, бутан,
пропан.
Физико-химические свойства и компонентный состав
газа добываемого с затрубного пространства скважин, газа выделяемого при
разгазировании нефти на площадке подготовки нефти и подготовленного газа с УПГ
месторождения «Одопту-море», приведены в таблицах 1.4- 1.5.
Таблица 1.3 - Физико-химические свойства
пластовой воды
|
Наименование
сырья, материалов, реагентов изготавливаемой продукции
|
Показатели
качества, обязательные для проверки
|
|
Пластовая
вода
|
|
|
1.Плотность,
г/см3 2.Содержание сероводорода мг/л (без консервации)
|
1,015
|
|
2.Содержание
сероводорода мг/л (без консервации)
|
отсутствует
|
|
3
Общая минерализация, г/л
|
23,5
|
|
4.
рH
|
7,1
|
|
5.Основной
компонентный состав, мг/л:
|
|
|
Cl-
|
12338
|
|
SO42-
|
704
|
|
НСО3-
|
1379
|
|
Cа2+
|
438
|
|
Mg2
|
131
|
|
Na
K
|
8462
|
Таблица 1.4 - Физико-химические свойства и
компонентный состав газа с затрубного пространства скважин
|
Наименование
сырья, материалов, реагентов изготавливаемой продукции
|
Номер
государственного или отраслевого стандарта, технических условий, стандарта
компании
|
Показатели
качества, обязательные для проверки
|
|
Попутный
нефтяной газ
|
|
|
|
1.Плотность
относительная при 20С и 760мм рт.ст., кг/м3
|
ГОСТ
22667-82
|
0,62
|
|
2.
Плотность абсолютная при 20°С и 760мм рт.ст., кг/м3
|
ГОСТ
22667-82
|
0,75
|
|
|
3.Молекулярный
вес
|
|
18,0
|
|
|
4.Компонентный
состав, % объемн.
|
|
|
|
|
Метан
|
|
90,34
|
|
|
Этан
|
|
4,68
|
|
|
Пропан
|
|
1,4
|
|
|
i - бутан
|
|
0,45
|
|
|
n - бутан
|
|
0,48
|
|
|
i - пентан
|
|
0,34
|
|
|
n - пентан
|
|
0,14
|
|
|
гексан
+ высшие
|
|
0,2
|
|
|
Углекислый
газ
|
|
0,26
|
|
|
Азот
|
|
0,13
|
|
|
Вода
|
|
1,58
|
|
|
|
|
|
|
Таблица 1.5 - Физико-химические свойства и
компонентный состав газа Iступени
сепарации
|
Наименование
сырья, материалов, реагентов изготавливаемой продукции
|
Номер
государственного или отраслевого стандарта, технических условий, стандарта
компании
|
Показатели
качества, обязательные для проверки
|
|
Попутный
нефтяной газ
|
|
|
|
1.Плотность
относительная при 20С и 760мм рт.ст., кг/м3
|
ГОСТ
22667-82
|
0,6245
|
|
2.
Плотность абсолютная при 20°С и 760мм рт.ст., кг/м3
|
ГОСТ
22667-82
|
0,7525
|
|
3.Молекулярный
вес
|
|
18,1
|
|
4.Компонентный
состав, % объемн.
|
|
|
|
Метан
|
|
91,63
|
|
Этан
|
|
3,66
|
|
Пропан
|
|
0,95
|
|
i - бутан
|
|
0,35
|
|
n - бутан
|
|
0,31
|
|
i - пентан
|
|
0,2
|
|
n - пентан
|
|
0,08
|
|
гексан
+ высшие
|
|
0,13
|
|
Углекислый
газ
|
|
1,47
|
|
Азот
|
|
0,72
|
|
Вода
|
|
0,5
|
Таблица 1.6 - Состояние запасов свободного газа,
газа газовых шапок на 01.01.2010г.
|
Объекты,
месторождение в целом
|
утвержденные
ГКЗ Роснедра
|
на
государственном балансе
|
|
начальные,
млн. м3
|
начальные,
млн. м3
|
текущие,
млн. м3
|
|
С1
|
С2
|
С1
|
С2
|
С1
|
С2
|
|
XX
|
|
101
|
151
|
101
|
151
|
101
|
|
XXI
|
155
|
|
332
|
246
|
186
|
246
|
|
по
месторож. в целом
|
155
|
101
|
483
|
347
|
337
|
347
|
Таблица 1.7 - Состояние запасов конденсата на
01.01.2010г.
|
Объекты,
месторождение в целом
|
утвержденные
ГКЗ Роснедра
|
на
государственном балансе
|
|
начальные
геолог.
|
начальные
извлек.
|
КИК,
д.ед.
|
начальные
геолог.
|
начальные
извлек.
|
КИК,
д.ед.
|
текущие
извлек.
|
Текущие
КИК, д.ед
|
|
С1
|
С2
|
С1
|
С2
|
С1/C2
|
С1
|
С2
|
С1
|
С2
|
С1/C2
|
С1
|
С2
|
C1+C2
|
|
XX
|
|
4
|
|
4
|
-
/0,92
|
6
|
4
|
5
|
4
|
0,92/0,92
|
5
|
4
|
0
|
|
XXI
|
6
|
|
5
|
|
0,92/
-
|
14
|
10
|
12
|
9
|
0,92/0,92
|
6
|
9
|
0,25
|
|
по
месторож. в целом
|
6
|
4
|
5
|
4
|
0,92/0,92
|
20
|
14
|
17
|
13
|
0,92/0,92
|
11
|
13
|
0,176
|
. Система сбора и подготовки попутного нефтяного
газа месторождение «Одопту-море»
.1 Система сбора скважинной продукции
Южный куст
Добываемая продукция от скважин по
индивидуальным шлейфам подается на измерительные установки типа Мера 40-14-400
(2ед.), где производится замер дебита жидкости каждой скважины и замер дебита
газа. Проектом разработки установлено подключение существующих скважин на
проектируемые измерительные установки.
С измерительных установок газожидкостная смесь
по проектируемым трубопроводам подается в сборный коллектор: основной
трубопровод и лупинг «Южный Куст - Северный Куст» Ду200, L=4,8
км, Ру=2,5 МПа, в объеме 2450 т/сут и поступает на площадку подготовки нефти,
расположенном на Северном Кусте.
На Южном Кусте предусмотрена установка дожимной
насосной станции, которая предназначена для перекачки жидкости добываемой по
затрубному пространству фонтанирующих скважин, при эксплуатации которых
возникает необходимость работы на более низкое давление, чем в закрытой системе
сбора Южного Куста.
Газ с затрубного пространства скважин по
индивидуальным шлейфам Ду80, Ру1,6 МПа с давлением 0,5 - 1,0 МПа и температурой
20 - 25 0С поступает в сборный коллектор Ду300, который подключен к
блоку регуляторов давления, с целью его редуцирования до давления 0,25 - 0,5
МПа, и с последующей подачей на площадку предварительной сепарации газа, и где
происходит очистка нефтяного газа от капельной влаги. На площадке
газосепараторов предусмотрена установка предохранительных устройств, а так же возможность
отвода газа в полном объеме на факельную установку для сжигания в случае
возникновения аварии.
Газ с площадки предварительной сепарации в
объеме 122,4 млн. куб. м/год поступает в проектируемый газопровод Ду 400
протяженностью 4,4 км на УСН «Одопту-море» для дальнейшей его подготовки к
транспорту.
Северный куст
Добываемая продукция от скважины по
индивидуальным шлейфам подается на измерительные установки типа Мера 40-14-400
(2ед.), где производится замер дебита жидкости каждой скважины и замер газа.
Проектом предусмотрено подключение существующих скважин на проектируемые
измерительные установки.
Продукция скважин с измерительных устройств
Северного Куста по проектируемым трубопроводам подается в сборные коллектора и
поступает на площадку подготовки нефти в объеме 2325 т/сут.
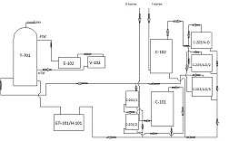
Упрощенная технологическая система сбора и
подготовки скважинной продукции представлена на рисунке 1.1.1.
Площадка подготовки нефти представлена:
установка блочная сепарационная: УБС 6300/16
(2ед.), Рраб=1,2-1,4 МПа;
установка предварительного сброса пластовой
воды: УПСВ-16-3000 (2ед.), Рраб=1,2-1,4 МПа.
На Северном Кусте также предусмотрена установка
блока регулятора давления газа, предназначенного для редуцирования газа до
заданного давления и автоматическое его поддержание, а также для учета газа.
Рисунок 1.1.1 - Принципиальная схема системы
сбора и подготовки скважинной продукции
Далее газ в объеме 1000 тыс.м3/сут,
давлением 0,1-0,35 МПа по проектному газопроводу Ду 400 поступает на площадку
сепарации газа с последующей подачей на площадку дожимной компрессорной станции
с давлением 0,05 - 0,3 МПа.
Для обеспечения бесперебойной утилизации
попутного газа месторождения Одопту-море в районе ЦНП «Тунгор» запроектированы
газораспределительная станция с узлом учета газа и дожимная компрессорная
станция, которая предназначена для обеспечения необходимого давления газа (не
менее 5,5 МПа) с целью его транспортировки в летний период по высоконапорному
газопроводу «Даги-Оха» диаметром Ду 500 протяженностью 147 км до Боатасино и
далее потребителям Хабаровского края в объеме 0,5 млн. м3/сут. (175
млн. м3/год).
.2 Подготовка нефти и газа
Подготовка нефти
Поступившая с южного и северного кустов
скважинная продукция по нефтепроводу Ду 300 мм, поступает на площадку
подготовки нефти, где происходит разделение газонефтяного потока на газ и
жидкость.
После УБС дегазированная пластовая жидкость по
трубопроводу Ду300 с давлением 1,2-1,4 МПа в объеме 4750 т/сут подается в
теплообменник «газ-жидкость», где нагревается до температуры 350С за
счет теплообмена с газом, поступившего с площадки ДКС с температурой 100-1200С
и давлением 1,8-2,0 МПа. Далее жидкость поступает на установку предварительного
сброса воды (УПСВ). Обезвоженная нефть с площадки УПСВ, поступает на площадку
буферных емкостей, (V-100 в
количестве 4 штук), с которых по низконапорному нефтепроводу Ду 250, в объеме
1042 тыс. т/год подается на прием нефтенасосной, и далее через СИКН с давлением
3,0-3,5 МПа поступает в межпромысловый нефтепровод НСУ «Одопту-море» - ЦНП
«Тунгор» (L=24км, Ду 200мм).
Подготовка газа
Газ с затрубных пространств скважин Южного куста
по газопроводу Ду 400 протяженностью 4,4 км в объеме 350 тыс. м3/сут,
давлением 0,15-0,48 МПа, и с Северного куста в объеме 220 тыс. м3/сут,
давлением 0,5-1,0 МПа, поступает на площадку блока регулятора давления газа,
где происходит смешивание данных объемов газа с газом выделившегося с площадки
подготовки нефти (УПСВ, УБС) в объеме 390 тыс. м3/сут, давлением
1,0-1,5 МПа. Далее газ в объеме 1000 тыс. м3/сут, давлением 0,1-0,35
МПа температурой 60С поступает на площадку сепарации газа с
последующей подачей на площадку дожимной компрессорной станции с давлением
0,05-0,3 МПа. После компремирования газ с давлением1,8-2,0 МПа и температурой
100-1200С по трубопроводу 250 протяженностью 125м направляется в
теплообменник «газ-жидкость», где охлаждается до 300С за счет
теплообмена с дегазированной жидкостью, поступающей с площадки подготовки нефти
в объеме 4750 т/сут. Далее газ по трубопроводу Ду 300 поступает на установку
подготовки газа.
Упрощенная схема системы подготовки газа
представлена на рисунке 1.2.1.
Рисунок 1.2.1 - Принципиальная схема системы
осушки газа
Дожимная компрессорная станция ДКС «Одопту»
предназначена для компримирования нефтяного попутного газа месторождения
Одопту-море, поступающего с трех направлений (Южный куст; Северный куст;
площадка подготовки нефти УБС, УПСВ), осушки и дальнейшего транспорта газа с
давлением Р=1,6 МПа по г/п «Одопту - АГРС «Тунгор» Ду300, Ду400 мм на АГРС
«Тунгор» и г/п «Кыдыланьи - Оха».
Компримирование газа осуществляется
газоперекачивающими агрегатами (ГПА) на базе интегрированных мотор-компрессоров
Ajax DPC 2803 LE и DPC 2804 LE производства компании Cameron Compression
Systems, США, блочного исполнения. Перекачиваемый технологический газ служит
также топливным газом для ГПА. Топливный газ на газопоршневые приводы
компрессоров отбирается после установки осушки.
Суммарная проектная производительность
компрессорной станции по газу составляет 350 млн. м3/год (1 млн. нм3/сут.)
в том числе:
I поток объединяет
газ затрубных пространств Южного и Северного кустов - 610 тыс. нм3/сут.:
нитка - поступление с Южного куста - 136,5
млн.нм3/год; ( 390 тыс.нм3/сут.);
нитка - поступление с Северного куста - 77 млн.
нм3/год; ( 220 тыс.нм3/сут.);
II поток:
нитка - поступление с УПСВ- 136,5 млн.нм3/год;
( 390 тыс.нм3/сут.).
Часть скомпримированного газа в объеме ~1000 нм3/час
редуцируется и используется на собственные нужды ДКС (газопоршневые приводы
компрессорных агрегатов, установка осушки газа).
Для компримирования газа установлено 6
газоперекачивающих агрегатов: на базе мотор-компрессоров Ajax DPC 2803 LE -
1шт., на базе мотор-компрессоров Ajax DPC 2804 LE - 5шт., (5 рабочих, 1
резервный).
В состав компрессорной станции входят основные
технологические сооружения:
- блок приемных газопроводов с узлами
учета газа;
- площадка сепараторов для очистки
поступающего газа от жидких и твердых примесей;
- компрессорный блок, представляющий
группу газоперекачивающих агрегатов со вспомогательными системами:
межступенчатыми сепараторами для отделения капельной жидкости, аппаратами
воздушного охлаждения (АВО) газа, аппаратами воздушного охлаждения (АВО) масла
и антифриза;
- установка осушки газа;
- площадка дренажной емкости для
приема углеводородного конденсата;
компрессорная сжатого воздуха, воздуха КиП и А с
установкой получения азота.
На площадке входных сепараторов происходит
отделение капельной жидкости от газа, с последующей подачей газа на прием
дожимной компрессорной станции.
Объединенный поток газа 1 и 2 ниток (I-поток)
по трубопроводу Ду=600мм, с давлением Р=0,1-0,15 МПа поступает в центробежный
вертикальный сепаратор поз. С-102, где происходит отделение капельной жидкости.
Попутный нефтяной газ 3 нитки (II-поток)
по трубопроводу Ду=200 мм, с давлением Р=1,0-1,5 МПа, поступает в сепаратор
поз. С-101, где происходит отделение капельной жидкости.
Отделенный газовый конденсат (вода) из
сепараторов С-101, С-102, через регуляторы уровня LV101,
LV102, сливается в
дренажную емкость с погружным насосом поз. ЕП-101/Н-101. Откуда насосным
агрегатом АВ50/50 поступает в автоцистерну для защиты от превышения уровня
жидкости в сепараторах, на линиях выхода газового конденсата установлены
электромагнитные клапаны №7,8 с автоматическим их открытием по верхнему уровню
и закрытием по нижнему уровню в сепараторах.
Сброс газа с сепараторов С-101 и С-102с
предохранительных устройств осуществляется на факельную установку высокого и
низкого давления.
Далее газ I
потока по газопроводу Q=61000
нм3/сут, Р=0,1-0,3 МПа и t=10-150С
и газ II потока Q=390000
нм3/сут, Р=1,0-1,5 МПа и t=15-160С
поршневыми газоперекачивающими агрегатами AJAX
DPC-2804LE
и AJAX DPC-2803LE
перекачиваются на прием ДКС.
Низконапорный газ (Iпоток)
по газопроводу №80 Q=610000 нм3/сут,
Р=0,1-0,3 МПа и t=10-150С
распределяется на приеме компрессоров ГПА 103/A-D,
точнее на прием входных сепараторов С-203/A-D
далее через демпферную емкость на всасывании поступает на первую ступень сжатия
компрессорных агрегатов ГПА-103/A-D
и через аппарат воздушного охлаждения АВО-103/A-D,
где охлаждается до температуры 48-500С и поступает в промежуточный
сепаратор С-203/A-D/2
на вторую ступень сжатия, где дожимается и проходит через вторую секцию
АВО-103/A-D
и охлаждается до температуры 35-490С. Далее поступает в концевые
сепараторы С-203/A-D/3.
Высоконапорный газ (II
поток) по газопроводу №81 Q=390000
нм3/сут, Р=1,0-01,5 МПа и t=15-160С
поступает на прием С-201/1 далее через демпферную емкость поступает на
компрессорный агрегат ГПА-101, где происходит охлаждение до температуры 35-490С.
Далее в концевой сепаратор С-201/2. Сброс газа с сепараторов С-201/1 и С-201/2
через клапаны и пневмоприводные клапана по сбросному трубопроводу поступает на
факельную установку высокого давления.
Компримированный попутный нефтяной газ после
сепараторов С-201/1, С-201/2 и С-203/A-D/3
поступает в общий коллектор №85 и далее с Q=1000000
нм3/сут, Р=1,8 МПа и t=35-490С
подается на УПГ 36ММ/TEG
Dehy с использованием
ТЭГ.
Установка подготовки газа состоит из:
блок осушки газа ТЭГом
блок регенерации ТЭГ
Газ с Q=1000000
нм3/сут, Р=1,8 МПа и t=35-490С
поступает на вход абсорбера Т-701. В абсорбере происходит контакт газа и
жидкости, во время которого происходит отделение влаги. Сырой газ подается вниз
абсорбера и поднимается вверх. Тощий раствор подается сверху и движется вниз.
Опуская по колонне абсорбент поглощает влагу из газа, осушенный газ поднимается
наверх и через теплообменник «газ-гликоль» Е-103 выводится с установки.
Насыщенный гликоль с нижней тарелки абсорбера Т-701 по регулятору уровня
поступает в десорбер Е-102 с целью его дегенерации. Насыщенный гликоль перед
подачей в десорбер подогревается в конденсаторах поз. Е-105, V-203 и
теплообменниках поз. Е-101/А,В,С «тощий - насыщенный ТЭГ» в верхней части
десорбера. Затем он подается в трехфазный сепаратор V-202 «газ-гликоль».
Отделившиеся газы подаются на сжигание в Е-102. Отвод гликоля из трехфазного
сепаратора - по регулятору уровня, через фильтры поступает в теплообменники
«тощий - насыщенный ТЭГ» поз. Е101/АВС, затем в десорбер поз.Е-102.
Основная функция десорбера - выделение влаги из
поглотителя ТЭГ, сброс отделенной влаги в атмосферу и улавливание гликоля,
испаренного в огневом подогревателе десорбера.
Циркуляционные насосы обеспечивают откачку гликоля
из десорбера, повышения давления концентрированного гликоля и подачи гликоля на
верхнюю тарелку абсорбера. Расход гликоля регулируется посредством насосов.
Перед входом в насос гликоль проходит теплообменники поз. Е-101/А,В,С, где
подвергается охлаждению, а на выходе - через теплообменник сухого газа Е-103,
где подвергается дополнительному охлаждению перед попаданием в абсорбер.
Подготовленный газ с давлением не более1,6 МПа
подается в межпромысловый газопровод диаметром Ду300/400 НСУ «Одопту-море» - ЦНП
«Тунгор» протяженностью 25 км и далее по существующим сетям диаметром Ду 500
потребителям Охинского и Ноглинского районам.
2. Анализ эффективности осушки газа
.1 Технологический расчет работающего абсорбера
Абсорбер предназначен для очистки и осушки
природного газа перед подачей в магистральный газопровод и представляет собой
колонный аппарат, состоящий из трех функциональных секций. Эскиз абсорбера
изображен на рисунке 2.1.
Технологический расчет включает в себя:
определение числа теоретических тарелок;
расчет фильтрующей секции;
расчет количества ТЭГа;
расчет массообменной секции;
определение сечения ситчатых и
контактно-сепарационных тарелое;
расчет гидравличекого сопротивления тарелок;
выбор расстояния между тарелками;
расчет переливного устройства;
расчет глухой тарелки;
расчет труб для перетока РТЭГа
расчет входной сепарационной секции;
расчет сепарационной тарелки, находящейся под
фильтрующей секцией;
гидравлический расчет верхней сепарационной
тарелки;
расчет штуцеров аппарата, расчет сливной трубы с
контактно-сепарационной тарелки и гидрозатвора.
Рисунок 2.1 - Эскиз абсорбера с колпачковыми
тарелками
Исходные данные для расчета приведены в таблице
2.1.
Таблица 2.1
|
Параметр
|
Значение
|
|
Температура
росы, Тросы, оС
|
-5
|
|
Рабочее
давление, Рраб, МПа
|
1,8
|
|
Плотность
газа ρг, кг/м3
|
14,217
|
|
Плотность
РТЭГа ρРДЭГ,кг/м3
|
1123
|
|
Плотность
воды ρв, кг/м3
|
1000
|
|
Объемная
производительность, Qоб, тыс. м3/сут
|
1000
|
|
Поверхностное
натяжение ТЭГа, σ, Н/м
|
30 10-3
|
|
Поверхностное
натяжение воды, σ,
Н/м
|
733 10-4
|
|
Массовая
концентрация НТЭГа, Х2 %
|
98,25
|
|
Массовая
концентрация РТЭГа, Х1 %
|
99,50
|
|
Температура
контакта Т, 0С
|
35
|
Компонентный состав газа, на входе в УКПГ
приведен в таблице 2.2
Таблица 2.2 - Компонентный состав газа
|
Yi
|
%
|
Tкр,0C
|
Тпк YiPкр,МПаРпк Yiρ,кг/м3ρ YiММ Yi
|
|
|
|
|
|
|
|
СН4
|
91,63
|
190,5
|
174,55
|
4,88
|
4,471
|
0,717
|
0,656
|
16,04
|
14,69
|
|
С2Н6
|
3,66
|
305,4
|
11,177
|
5,07
|
0,185
|
1,344
|
0,049
|
30,07
|
1,101
|
|
С3Н8
|
0,95
|
369,8
|
3,513
|
4,42
|
0,0419
|
1,967
|
0,0187
|
44,09
|
0,4188
|
|
iС4H10
|
0,35
|
408,1
|
1,4283
|
3,80
|
0,0133
|
2,6
|
0,0091
|
58,12
|
0,2034
|
|
nC4H10
|
0,31
|
425,5
|
1,3191
|
3,95
|
0,0122
|
2,6
|
0,0081
|
58,12
|
0,1802
|
|
iC5H12
|
0,2
|
460,4
|
0,9208
|
3,51
|
0,0070
|
3,22
|
0,0064
|
72,15
|
0,1443
|
|
nC5H12
|
0,08
|
469,7
|
0,3757
|
3,50
|
0,0028
|
3,22
|
0,0026
|
72,15
|
0,0577
|
|
ΣC6H12
|
0,13
|
574
|
0,7462
|
3,13
|
0,0041
|
3,88
|
0,0050
|
86,18
|
0,112
|
|
N2
|
0,72
|
304
|
2,1888
|
3,53
|
0,0254
|
1,251
|
0,0090
|
28,02
|
0,2017
|
|
H2O
|
0,5
|
647,1
|
3,235
|
9,06
|
0,0453
|
1,539
|
0,0077
|
34,08
|
0,170
|
|
CO2
|
1,47
|
304
|
4,4688
|
7,64
|
0,1123
|
1,977
|
0,0291
|
44,01
|
0,6469
|
|
Σ
|
|
|
203,92
|
|
4,9215
|
|
0,8018
|
|
17,9336
|
Определение числа теоретических тарелок
Для расчета числа теоретических тарелок аппарата
строим равновесную линию водяного пара и раствора ТЭГа и рабочую линию
абсорбции.
Построение равновесной и рабочей линии для
температуры контакта 35 оС и точки росы минус 5 оС
ведется по данным таблице 2.3.
Из
таблицы 2.2 получаем: Тпк=210,22; Рпк=4,93
По
известным данным Тпк и Рпк определим приведенные параметры газа при нормальных
и рабочих условиях:
Тпр
=
=
Рпр
=
=
Тпр
=
=
Рпр
=
=
По графикам Брауна-Катца определяем значения
коэффициентов сверхсжимаемости газа при нормальных Zn
и рабочих Zp условиях: Zn=1;
Zp=0,95.
Секундный расход газа по формуле (2.1)
q=
=
м3/c
Плотность газа в рабочих условиях
определяется по формуле (2.2)
р
=
кг/м3
Таблица 2.3 - Зависимость влагосодержания ТЭГа и
газа от точки росы
|
Влагосодержание
ТЭГа, % масс.
|
0,1
|
0,2
|
0,5
|
2,0
|
3,0
|
3,5
|
5,0
|
|
Точка
росы, оС
|
-17
|
-10
|
-4
|
0
|
3
|
6
|
11
|
|
Влагосодержание
газа, г/м3
|
0,083
|
0,142
|
0,222
|
0,296
|
0,365
|
0,448
|
0,625
|
Влагосодержание приведено к условиям Р=0,1013
МПа и t=0 оС.
Точка А на рабочей линии (рисунок 2.2)
соответствует конечной точке осушки газа. Концентрация ТЭГа в точке А равна Х1,%
масс. Точке росы, равной минус 5 оС, соответствует влагосодержание
газа Х1 (таблица 2.3). Точка В на рабочей линии соответствует
начальной точке осушки. Концентрация ТЭГа в точке В равна Х2.
При подаче газа в абсорбер с температурой 35 оС
его влагосодержание определяется по формуле (2.3)

г/м3
г/м3
Рисунок 2.2 - Рабочая и равновесная линия
влагосодержания для МФА и определения теоретического числа ступеней
Построением ступенчатой ломаной линии между
рабочей и равновесной линиями получаем nТ
теоретических тарелок.
Число теоретических тарелок определяем по
формуле (2.4)
шт
шт
где ηт -
контактно-сепарационных тарелок, принимаем равным 0,6.
Принимаем 2 рабочие тарелки.
Расчет количества ТЭГа.
Расчет количества TЭГа
проводится для следующих параметров газа:
температура контакта - TK= 35 оС,
точка росы минус 5 оС, давление 1,8 МПа.
Количество влаги, поглощаемое при
осушке определяется по формуле (2.5)
кг/ч
Необходимое количество РTЭГа по
формуле (2.6)
QРТЭГ
м3/час
При температуре осушаемого газа 350С
для достижения точки росы минус 50С при давлении 1,8 МПа необходимо
7,7 м3/ час РТЭГа.
Расчет массообменной секции
Площадь сечения элемента составит по формуле
(2.7)
Fк-с=0,785∙dк-с2
=
0,785∙0,062 = 0,002826 м2
где dк-с-
внутренний диаметр элемента. Принимаем равным 0,06м.
Скорость газа в контактных элементах по формуле
(2.8)
W=
Wmax=
м/с
Wmin=
м/с
Wном=
м/с
где Ф - фактор скорости в контактных
элементах: Фном=24,3; Фmaх=26,7; Фmin=12.
Объёмная производительность секции
определяется по формуле (2.9)
Qmax=Wmax∙nк-с∙Fк-с
м3/с
Qmin=Wmin∙nк-с∙Fк-с
м3/с
где nк-с -
количество контактно-сепарационных элементов.
Принимается 110 шт., при диаметре
аппарата D=1,4 м.
Расчет выходной сепарационной секции (сепарационная
тарелка и фильтр-коагулятор)
Поверхностное натяжение ТЭГа при рабочих
условиях определяется по формуле (2.10)
σD=(σD0+1)-(10∙Pp)0,65
= (30+1)-(10∙1,8)0,65 =26,75 кг/м
Критическая скорость газа в сепарационном
элементе определяется по формуле (2.11)
м/с
где К - коэффициент устойчивости
режимов течения от давления, принимается равным 4,5.
Объемная производительность
сепарационной тарелки определяется по формуле (2.12)
Fc
м3/c
где Fc=Fк-с=0,00283 м2
- площадь сечения элемента;
nс - количество
элементов на сепарационной тарелке.
Принимается nс=204 шт.
Свободное сечение между фильтрующими
патронами определяется по формуле (2.13)
Fсв=0,785∙(D2-nф∙dф2) = 0,785∙(1,42-121∙0,1052)=0,5
м2
где dф - наружный
диаметр фильтрующего патрона, принимается равным 0,105 м;
nф -
количество фильтрующих патронов. Принимается равным 121 шт.
Объемная секундная
производительность определяется по формуле (2.14)
0,7 м3/с
Скорость в свободном сечении
аппарата на верхнем срезе фильтрующих аппаратов определяется по формуле (2.15)
м/с
Скорость фильтрации определяется по
формуле (2.16)
Wф=0,07∙
м/с
Поверхность набегания газа на
фильтрующий патрон определяется по формуле (2.17)
fф=
м2
где lф- длина
фильтрующих патронов. Принимается равной 1,05 м.
Действительная площадь фильтрации
определяется по формуле (2.18)
Fф= nф ∙ fф =121∙0,346=41,88
м2
Максимальная пропускная способность
фильтрующей секции определяется по формуле (2.19)
Qmax= Wф∙ Fф∙
м3/с
Расчет входной сепарационной секции
(вертикальная кольцевая сетчатая насадка)
Коэффициент, учитывающий влияние начального
содержания жидкости
Се=5,47
Скорость набегания газа на вертикальную
кольцевую сетку определяется по формуле (2.20)
Wкр/=1,5 ∙
0,85 ∙ Ce ∙ K ∙
м/с
где К=0,51 - коэффициент
устойчивости режимов течения от давления.
Расчетная площадь вертикальной
кольцевой насадки определяется по формуле (2.21)
м2
Расчетная высота насадки
определяется по формуле (2.22)
м
где Dср =1,36 м -
средний диаметр насадки
Действительная поверхность набегания
кольцевой вертикальной насадки по формуле (2.23)
м2
Максимальная пропускная способность секции
определяется по формуле (2.24)
млн. м3/с
Площадь сечения колонны определяется
по формуле (2.25)
м2
Площадь для прохода гза определяется
по формуле (2.26)
Fг = FK - 0,785∙
Dгл2 =1,538 -
0,785∙1,22 = 0,4082 м2
Скорость природного газа в сечении
определяется по формуле (2.28)
м/с
Скорость движения жидкости в
эллиптическом днище (2.29)
м/с
Действительное время пребывания
жидкости на глухой тарелке определяется по формуле (2.30)
мин
Допустимое время пребывания жидкости
на глухой тарелке [τ]=3
мин
- условие выполняется
Проверка переливного устройства
Расстояние между сливной и приемной
планками в сливном устройстве определяются по формуле (2.31)
где hпр -
действительная величина стрелки приемного кармана, равная 0,185 м;
hсл -
действительная величина стрелки слива, равная 0,125 м.
,06≥0,04 - условие выпоняется
Расчет гидравлического сопротивления контактных
тарелок
Перепад давления на тарелке определяется по
формуле (2.32)
мм вод. ст.=0,00285 МПа
Действительная скорость газа в
контактно-сепарационных элементах определяется по формуле (2.33)
м/с
Максимальная нагрузка на единицу
длины слива определяется по формуле (2.34)
м3/м∙ч
где а1=0,91 м -
действительная длина хорды
Подпор жидкости над сливной планкой
определяется по формуле (2.35)
мм
где Н1=160 мм - высота
части элемента, находящейся над тарелкой.
- условие выполняется
где hn.max=80 мм -
максимальная высота регулируемой сливной планки;
hn.min=50 мм -
минимальная высота регулируемой сливной планки.
Высота слоя светлой жидкости на
тарелке определяется по формуле (2.36)
м
Проверка расстояния между
контактными тарелками
Высота слоя светлой жидкости в
переливе определяется по формуле (2.37)
мм
Сопротивление движению жидкости в
переливе определяется по формуле (2.38)
МПа
Высота вспененной жидкости в
переливе определяется по формуле (2.39)
мм
где
- плотность вспененной жидкости,
кг/м3.
Условие нормальной работы
переливного устройства
hn.min
где Hm=700 мм -
расстояние между тарелками.
≤700+50 - условие выполняется
Общее гидравлическое сопротивление
аппарата
Гидравлическое сопротивление
контактных тарелок определяется по формуле (2.40)
мм вод. ст.=0,00292 МПа
Скорость газа в сепарационных
элементах определяется по формуле (2.41)
м/с
где nc - количество
сепарационных патрубков, принимается равным 204 шт.
Гидравлическое сопротивление
сепарационной тарелки определяется по формуле (2.42)
мм вод. ст.=0,0000832 МПа
где εсеп -
коэффициент сопротивления сепарационной тарелки, равный 8.
Площадь поперечного сечения
коагулирующего элемента по внутреннему диаметру определяется по формуле (2.43)
м2
Действительная скорость газа в
коагулирующем элементе определяется по формуле (2.44)
м/с
Гидравлическое сопротивление
коагулирующего фильтра определяется по формуле (2.45)
мм вод. ст.=0,0000015 МПа
Гидравлическое сопротивление
вертикальной кольцевой насадки определяется по формуле (2.46)
мм вод. ст.=0,0000105 МПа
Действительная скорость газа в
вертикальной кольцевой насадке, определяется по формуле (2.47)
Wк.в.=
м/c
Гидравлическое сопротивление
вертикальной кольцевой насадки определяется по формуле (2.48)
мм вод. ст.=0,0000039 МПа
Скорость газа в штуцерах входа и
выхода определяется по формуле (2.49)
м/с
где dшт - диаметр
штуцеров входа и выхода газа. Принимается равным 0,4 м.
Гидравлическое сопротивление в
штуцерах определяется по формуле (2.50)
где εшт. -
коэффициент гидравлического сопротивления в штуцерах
Полное гидравлическое сопротивление
аппарата определяется по формуле (2.51)
∆РА=1,1∙(0,00292+0,0000832+0,0000015+0,0000105+0,0000039+0,000331)
=0,0034 МПа
Полное гидравлическое сопротивление
не превышает допустимого.
[∆Р]=0,02 МПа
,02≥0,0034 - условие выполняется
Расчет сливной трубы с верхней
сепарационной тарелки и гидрозатвора.
Количество жидкости, стекающей с
верхней сепарационной тарелки, определяется по формуле (2.52)
м/с
Необходимая площадь сливной трубы
определяется по формуле (2.53)
м2
где [Wж]=0,25 м/с.
Диаметр сливной трубы определяется
по формуле (2.54)
м
Столб жидкости в сливной трубе,
необходимый для предотвращения проскока газа, определяется по формуле (2.55)
м
где Кп - коэффициент
пульсации. Принимается равным 2.
Необходимая высота сливного стакана
определяется по формуле (2.56)
м
Необходимое условие нормальной
работы определяется по формуле (2.57)
Нст. - d1 ≥ hст.
где Нст=0,4 м - высота
приемного стакана;
d1=0,05 м -
недовод сливной трубы до дна приемного стакана.
,4 - 0,05 ≥ 0,15 - условие
выполняется.
Данный абсорбер может работать в
стабильном режиме, но массообменная секция не обеспечивает требуемую степень
очистки и осушки природного газа. Так как влагосодержание газа на выходе из
абсорбера 0,2064 г/м3 превышает необходимую - 0,03 г/м3.
Для обеспечения необходимого
влагосодержания газа целесообразно установить в массообменной секции
пластинчатую насадку конструкции ДОАО ЦКБН.
.2 Расчет абсорбера, оснащенного
регулярной насадкой ДОАО ЦКБН
Регулярные насадки предназначены для
массообменного, теплообменного, ректификационного и сепарационного
технологического оборудования. Преимущества:
малое гидравлическое сопротивление; - высокая
производительность; - повышенная эффективность; - минимальные потери жидкости с
газом; - большой свободный объем; - высокая прочность; - самораспределение
потоков жидкости и газа.
Технические характеристики:
Удельная поверхность, м2/м3: 135..
264 - Удельный вес, кг/м3: 270.. 290 - Свободный объем, %: 8.. 96 - Удельное
сопротивление, мм вод.ст./м: 50.. 80
Преимущества абсорбера, оснащенного регулярной
насадкой:
- сокращение потерь гликоля уносимого с
насыщенным газом из аппарата с 15 г/1000 м3 до 1- 3г/1000м3
газа; - увеличение ресурса работы фильтрующих элементов до 4-10 лет; -
сохранение производительности аппарата по газу при снижении рабочего давления
практически в 2 раза; - сокращение капитальных затрат.
Технические характеристики:
Точка росы осушенного газа, °C - в соответствии
с ОСТ 51.40-93 - Унос гликоля из аппарата, г/1000м3: до 1-3 - Вынос
гликоля на фильтр-коалесцирующую секцию, г/1000м3: следы

Рисунок 2.3 - Эскиз регулярной насадки
Расчет массообменной секции абсорбера осушки газа,
оснащенного регулярной пластинчатой насадкой конструкции ДОАО ЦКБН.
Эскиз абсорбера представлен на рисунке 2.4
<#"578049.files/image098.gif">
10-3
|
Поверхностное
натяжение воды, σ,
Н/м
|
733 10-4
|
|
Массовая
концентрация НТЭГа, Х2 %
|
98,25
|
|
Массовая
концентрация РТЭГа, Х1 %
|
99,5
|
|
Температура
контакта Т, 0С
|
35
|
|
Удельная
поверхность насадки а, м2/м3
|
213
|
|
Свободный
объем насадки ε, м3/м3
|
0,96
|
|
Высота
элемента насадки l, м
|
0,15
|
|
Максимальная
производительность по газу, Gг м3/ч
|
149717
|
Влагосодержание газа, подаваемого на осушку,
определяется по формуле (2.58)
WH
=WC + V = 2,34 +
0,02 = 2,36 г/м3
где Wc -
равновесное влагосодержание при условии сепарации, г/м3;
V - унос
капельной жидкости из сепаратора, г/м3.
Количество извлекаемой влаги
определяется по формуле (2.59)
W = WH - WO.C. = 2,36 -
0,03 = 2,33 г/м3
где Wо.с. =
влагосодержание осушаемого газа, г/м3.
Удельная подача регенерированного
абсорбента определяется по формуле (2.60)
кг/м3
где L - подача
гликоля, кг/ч;
Q - расход
газа, м3/ч.
Концентрация насыщенного абсорбента
определяется по формуле (2.61)
масс
где ХР - концентрация
регенерированного абсорбента, % масс
Построим оперативную линию по точкам
на входе и выходе газа из абсорбера. В координатах Х-У мольная дол воды в
гликоле - мольная доля воды в газе)
Таблица 2.5 - Зависимость
влагосодержания ТЭГа и газа от точки росы
|
Влагосодержание
ТЭГа, % масс.
|
0,1
|
0,2
|
0,5
|
2,0
|
3,0
|
3,5
|
5,0
|
|
Точка
росы, оС
|
-17
|
-10
|
-4
|
0
|
3
|
6
|
11
|
|
Влагосодержание
газа, г/м3
|
0,083
|
0,142
|
0,222
|
0,296
|
0,365
|
0,448
|
0,625
|
Мольная доля воды в газе на выходе определяется
по формуле (2.62)
У1 = 0,00000456 ∙ WH
∙
Tабс
= 0,00000456 ∙ 2,36 ∙ 308 = 0,00032 г/м3
Мольная доля воды в насыщенном ТЭГе определяется
по формуле (2.63)
Мольная доля воды в осушенном газе
на выходе из абсорбера определяется по формуле (2.64)
У2 = 0,00000456 ∙WK ∙ Tабс =
0,00000456 ∙ 0,011 ∙ 308 = 0,000015 г/м3
Мольная доля воды в регенерированном
ТЭГе определяется по формуле (2.65)
После определения координат двух
точек А(0,54; 0,00032) и В (0,04; 0,0000152) в системе координат Х-У проводится
оперативная линия А-В.
Равновесная линия составляется в тех
же координатах Х-У по следующей методике. Рабочий диапазон в молярных
концентрации воды в гликоле разбивается на несколько точек (рисунок 2.5).
х1*=,08…0,38
Молярная концентрация воды в газе у1*=0,00011
г/м3. Молярная концентрация воды в газе у2*=0,00008
г/м3
Рисунок 2.5 - Определение молярной
концентрации воды в газе
Равновесное влагосодержание
природного газа, над растворами гликолей с концентрацией Хi последующей
формуле (2.66)
W=
Давление насыщенного пара
определяется по формуле (2.67)
Па
Зависимость коэффициента активности
воды от температуры и концентрации гликоля определяется уравнением Ван-Лаара по
формуле (2.68)
где m и n -
коэффициенты по данным Касперовича.
m=0,0245
n=0,137
Величина поправки на не идеальность
раствора водяного пара в газе зависит от температуры и определяется по формуле
(2.69)
= ехр[(0,06858∙(0,01∙35)4-
0,3798∙(0,01∙35)3+1,06606∙(0,01∙35)2-2,00075∙(0,01∙35)+4,2216]=34,88
Давление насыщенного пара над
растворами гликоля определяется по формуле (2.70)
Па
Молярная концентрация воды в газе
получается следующим образом. Из точки А проводят линию параллельно оси У до
пересечения с равновесной кривой СД (точка у1*).
Аналогично получают точку у2*, проводя ту же операцию, но
из точки В. Полученные значения будут определять молярную концентрацию воды в
газе.
Массовая скорость газа на полное
сечение аппарата определяется по формуле (2.71)
м/c
Критерий Ренольдса для газовой фазы
определяется по формуле (2.72)
ReГ=
Эквивалентный диаметр насадки
определяется по формуле (2.73)
dэкв=
м
где
- свободный объем насадки;
А - абсорбционный фактор.
Коэффициент диффузии в газовой фазе
определяется по формуле (2.74)
Dг=
Диффузионный критерий Прангля
определяется по формуле (2.75)
Рч.д.=
Высота единицы переноса из газовой
фазы определяется по уравнению Гильденблата по формуле (2.76)
м
Критерий Ренольдса по жидкости
определяется по формуле (2.76)
Reж=
Коэффициент диффузии воды гликолем
определяется по формуле (2.77)
=0,000312∙10-6 м2/c
Диффузный критерий Прангля по
жидкости определяется по формуле (2.78)
ВЕП в жидкой фазе (2.79)
hж=
Reж0,25∙ Рч.д.ж.=
м
Высота единицы переноса (ВЕП)
определяется по формуле (2.80)
hо.г =
hо.г.=1,7+
м
Ннас=4,9∙1,98=9,7м
Количество влаги, поглощаемое при
осушке определяется по формуле (2.5)
кг/ч
Необходимое количество РTЭГа по
формуле (2.6)
QРТЭГ
м3/час
На основании проведенного проектного
технологического расчета принят вертикальный аппарат диаметром 1400 мм. Во
входной сепарационной секции в качестве сепарационных элементов приняты
прямоточно-центробежные элементы в количестве 68 штук. Принятый диаметр
регулярной насадки 0,018м. принятый диаметр насадки 1400 мм. Максимальная
производительность по газу составляет 0,082 млн м3 сут. Общее
гидравлическое сопротивление 0,0034 МПа. Расчеты показывают, что абсорбер обеспечивает
требуемое качество подготовки газа. Влагосодержание газа на выходе из УПГ
составляет 0,04 г/м3, что свидетельствует о наиболее качественной
осушки газа абсорбером оснащенным регулярной насадкой. А так же количество
триэтиленгликоля, необходимого для осушки газа, требуется значительно меньше
1,6м3/час, что отразится на уменьшении затрат, необходимых для
подготовки газа к транспорту.
месторождение абсорбер газ
3. Оценка экономической эффективности от
модернизации абсорбера осушки газа регулярной насадкой ДОАО ЦКБН
.1 Анализ основных технико-экономических
показателей деятельности объекта за 2011-октябрь 2012 год
Изучение совокупности технико-экономических
показателей, характеризующих производственную, финансовую и социальную стороны
деятельности предприятия, помогает правильно анализировать его работу, выявить
и обосновать направления по повышению эффективности его функционирования,
подготовить решения, мобилизующие коллектив на более рациональное использование
современной техники, сооружений, трудовых ресурсов, материальных и денежных
средств. В таблице 5.1 представлены технико-экономические показатели работы
предприятия “РН-Сахалинморнефтегаз’ месторождения Одопту-море.
Фактическая валовая добыча газа на октябрь
2012г. составляет 146 152 тыс. м3. Соответственно за период 2011
года её значение несколько выше и составляло 223 397,3 тыс. м3.
Попутный товарный газ составляет 139 925 тыс. м3. Наибольшая
среднесуточная валовая добыча попутного газа 612,1 м3.
Средняя цена попутного газа составляет 300руб/1000
м3, в 1,2 раза превышает предыдущий год. Себестоимость товарной
продукции - 1824633тыс. руб., затраты на 1 руб. товарной продукции 1,03 руб.,
что в 1,5 раза меньше предыдущего года.
В таблице 3.1 представлены технико-экономические
показатели работы предприятия на примере месторождения «Одопту-море».
Таблица 3.1 - Технико-экономические показатели
работы предприятия «РН-Сахалинморнефтегаз» месторождение «Одопту-море» за 2011
и 10.2012 годы
|
Показатель
|
2011
год
|
10.2012
год
|
Темп
роста,%
|
|
1
|
2
|
3
|
4
|
|
1.Валовая
добыча газа, тыс. м3
|
223
397
|
146
152
|
78,51
|
|
2.Добыча
газового конденсата, т
|
0,0
|
3
079
|
|
|
3.Товарный
газ попутный, тыс. м3
|
111
792
|
139
925
|
150,2
|
|
4.Товарный
газ потребителям,тыс. м3
|
111
792
|
139
925
|
150,2
|
|
5.Товарный
конденсат, тыс. т
|
|
3
079
|
|
|
6.Среднесуточная
валовая добыча попутного газа, м3
|
612,1
|
480,5
|
78,51
|
|
7.Среднесуточная
добыча газового конденсата, т
|
0
|
10,1
|
|
|
8.Ввод
скважин в эксплуатацию, скв.
|
21
|
22
|
104,7
|
|
9.Средняя
цена тыс.м3 природного газа, руб.
|
250
|
300
|
126,0
|
|
10.Себестоимость
товарной продукции, тыс. руб.
|
1
853093
|
1824633
|
118,2
|
|
11.Затраты
на 1 рубль товарной продукции, руб.
|
1,54
|
1,03
|
1,5
|
|
12.Себестоимость
1 тыс. м3 газа, руб.
|
346
|
292
|
101,3
|
|
13.Фонд
оплаты труд, тыс. руб.
|
51
891
|
40
935
|
94,7
|
|
14.Среднесписочная
численность - всего, чел.
|
21
|
16
|
76,2
|
|
15.Среднемесячная
оплата, труда, руб.
|
50
360
|
52
255
|
103,8
|
|
16.Капитальные
вложения, тыс. руб
|
741330
|
2616669
|
352,97
|
|
17.Ввод
основных фондов, тыс. руб
|
526425
|
1664658
|
316,22
|
По данным таблицы 3.1 можно рассчитать
фактическую производительность труда.
Пт = Q/
Ч ( 3.1)
За 2012 год: Пт = 175382,4 / 16 = 10,9 тыс. м3/чел.
год.
За 2011 год: Пт = 223397 / 21 = 10,6 тыс. м3/чел.
год.
Производительность за 2012г. выше чем была в
2011 году, так как уменьшилась численность работников цеха.
.2 Анализ себестоимости
Затраты предприятия на производство и реализацию
продукции выраженные в денежной форме, образуют себестоимость продукции.
Исчисляется за какой-то временной период и себестоимость единицы продукции. В
зависимости от цели расчёта себестоимости затраты классифицируют по
экономическим элементам и калькуляционным статьям расхода.
Себестоимость, рассчитываемая по экономическим
элементам, позволяет определить общий объём потребительских ресурсов,
независимо от того на какие цели они были израсходованы. Группировка затрат по
статьям калькуляции позволяет определить где, для производства какого вида
продукции понесены те или иные затраты.
Группировка затрат по экономическим элементам
единая по всем экономическим элементам и в соответствии с основным положением
по составу затрат включаемых в себестоимость продукции содержат следующие
статьи:
·
материальные
затраты;
·
затраты
на оплату труда (компенсационные выплаты);
·
отчисление
на социальные страхования (5,4 % от фонда заработанной платы);
·
отчисление
в пенсионный фонд (2 % от фонда заработной платы);
·
отчисление
в фонд обязательного медицинского страхования (3,6 % от фонда заработной
платы);
·
отчисление
в фонд занятости (1,5 % от фонда заработной платы);
·
амортизация
основных фондов;
·
прочие
расходы.
К материальным затратам относят расходы на
сырьё, основные и вспомогательные материалы, покупные изделия, полуфабрикаты,
стоимость топлива, энергии, затраты связанные с использованием природного
сырья, отчисления на геологоразведочные работы, расходы рекультивирования
земли, плата за воду, забираемых из водохозяйственных систем в пределах
установленных лимитов. Затраты на работу и услуги производственного характера:
ремонт основных фондов, транспортные услуги и т.д.
В состав расходов на оплату труда включаются
выплаты по заработанной плате исчисленные исходя из сдельных и повременных
тарифных ставок и должностных окладов, компенсированных выплат (районный,
полярный коэффициент). Амортизационные отчисления включаются в себестоимость по
нормам амортизации, установленных законодательством России. В себестоимость
продукции не включаются следующие выплаты в денежной и натуральной форме:
материальная помощь, вознаграждения по итогам работы за год, оплата
дополнительного отпуска, предоставляющегося по решению трудового коллектива,
надбавки на пенсию, доходы, проценты, доходы по акциям, вкладам и др.
Прочие расходы - это платежи по обязательному
страхованию имущества предприятия, вознаграждения за изобретательство, платы за
кредиты банка, оплата работ по сертификации продукции, командировочные расходы
по установленным нормам, отчисления в ремонтный фонд, арендная плата. Структура
себестоимости по элементам затрат колеблется в зависимости от характера
производства и условия деятельности предприятия. Для определения себестоимости
единицы основных видов продукции затраты формируются по статьям калькуляции,
калькуляция указывает на каком участке производства понесены те или иные
затраты. В таблице 3.2 представлена смета затрат на предприятии.
Себестоимость товарной продукции за 2012 год
составила 182 463 тыс. рублей. Затраты на один рубль товарной продукции 1,03
рубля, что ниже по сравнению с отчётом 2011 года на 33 %.
Себестоимость добычи газа выросла по сравнению с
2011 годом в 1,24 раза и составила за 1000 м3 292 рублей, средняя
цена реализации 300 рублей, рентабельность составила 2,6%.
В «Прочих расходах» значительную долю составляют
платежи за право пользования недрами, что в 4,5 раза больше чем в 2011 году. В
отчётном году увеличились затраты по капитальному ремонту увеличились на 30% в
связи с увеличением объема работ и увеличению стоимости одного часа работы
бригады КРС.
В отчетном году увеличились расходы по
подготовке газа на 26,6%, за счет увеличения аренды имущества по статье
"Прочие расходы"
В таблице 3.2. приведена смета затрат на
производство и реализацию товарной продукции за 2011 и 2012 годы.
Статьи калькуляции себестоимости добычи газа:
·
добыча
и первичная обработка сырого газа;
·
компремирование
и подготовка газа;
·
транспорт
и распределение газа;
·
транспорт
газового конденсата;
·
интенсификация
добычи газа и газового конденсата, в том числе сайклинг-процесс;
·
подготовка
и освоение производства, в том числе отчисления на ГРР;
·
общепроизводственные
расходы.
Сумма расходов по всем статьям образуют
производственную себестоимость валовой и товарной продукции,
внепроизводственными расходами они образуют полную себестоимость товарного
газа. В общепроизводственные расходы предприятия включают затраты на содержание
аппарата управления, командировочные и т.п. В статье внепроизводственные
расходы учитываются расходы по реализации продукции,
административно-управленческие расходы по содержанию вышестоящих организаций,
отчисления на научно-исследовательские работы, на подготовку кадров, налоги, включаемые
в себестоимость продукции.
.3 Расчет затрат на внедрение регулярной насадки
На сегодняшний день значительное количество
абсорберов для осушке газа оборудованы регулярными насадками фирм Зульцер, ЦКБН
и т.д.
При модернизации абсорбера гликолевой осушки
газа возможны несколько вариантов поставщиков-изготовителей регулярных насадок.
Рассмотрим два завода-изготовителей фирмы Зульцер и ДОАО ЦКБН. В данном
дипломном проекте предлагается оборудовать абсорберы регулярной насадкой УГНТУ.
Регулярная насадка для абсорберов изготовляется из просечно вытяжного листа
нержавеющей стали толщиной 1 миллиметр. Сама насадка состоит из блоков
оснащенных распределителем жидкости.
Далее приведена оценка экономической
эффективности переоборудования абсорбера осушки газа регулярной насадкой ДОАО
ЦКБН.
Рыночная стоимость 1 тонны нержавеющего листа
стали - С1 = 173 тыс. руб./тн).
Общий объем регулярной насадки составляет - О =
4,41 м3, а плотность распределения одной регулярной насадки - к =
250 кг./м3.
Затраты на изготовление регулярной насадки
составит - З1 = 150 тыс. руб.
Затраты на монтаж насадки - З2 = 80
тыс. руб.
Затраты на проектно-конструкторские работы - З3
= 400 тыс. руб.
Выберем коэффициент запаса Кз равным
1,2.
Общая масса регулярной насадки М1 определяется
по формуле (3.2)
М1 = О ∙ к,
М1 = 4,41∙ 250 = 1102,5кг.
Необходимое количество металла М2
будет по формуле (3.3)
М2 = Кз ∙ М1,
М2 = 1,2 ∙ 1102,5 = 1323кг.
Общая стоимость металла С2 составит
(3.4)
С2 = М2 ∙ С1,
С2 = 1323 ∙ 173 = 228,9 тыс.
руб.
Таким образом, общая стоимость переоборудования
абсорбера К1 составит (3.5)
К1 = С2 + З1+ З2
+ З3,
К1 = 228,9 + 150 + 80 + 400 = 858,9 тыс. руб.
Также приводим пример расчета затрат на
установку насадки фирмы Зульцер.
Рыночная стоимость 1 тонны нержавеющего листа
стали - С1 = 173 тыс. руб./тн).
Общий обьем регулярной насадки составляет - О =
4,76 м3, а плотность распределения одной регулярной насадки - к =
280 кг/ м3
Затраты на изготовление регулярной насадки
составит - З1 = 450 тыс. руб.
Затраты на монтаж насадки - З2 = 100
тыс. руб.
Затраты на проектно-конструкторские работы - З3
= 500 тыс. руб.
Выберем коэффициент запаса Кз равным
1,2.
Общая масса регулярной насадки М1 определяется
М1 = 4,76∙ 280 = 1332,8 кг.
Необходимое количество металла М2
будет
М2 = 1,2 ∙ 1332,8 = 1599,36 кг.
Общая стоимость металла С2 составит:
С2 = 1599,36 ∙ 173 = 277 тыс.
руб.
В итоге, общая стоимость установки насадки фирмы
Зульцер К2 составит:
К2 = 277 + 450 + 100 + 500 = 1 327 тыс. руб.
Итак, сравнение значений стоимости установки
насадок приведено в таблице 3.3.
Отсюда можно сделать вывод, что оборудование
абсорберов для осушки газа регулярными насадками ДОАО ЦКБН обходится гораздо
дешевле, чем насадками фирмы Зульцер, при этом качество осушаемого газа
остается на том же уровне.
Таблица 3.3 - Сравнение затрат на оборудование
абсорберов осушки газа регулярными насадками фирмы Зульцер и ДОАО ЦКБН
|
Затраты
на оборудование абсорберов регулярными насадками
|
Насадка
|
|
Насадка
фирмы Зульцер
|
Насадка
ДОАО ЦКБН
|
|
1.Рыночная
стоимость 1 тонны нержавеющего листа стали, тыс. руб.
|
173
|
173
|
|
2.Затраты
на изготовление насадки, тыс. руб.
|
450
|
150
|
|
3.Затраты
на монтаж, тыс. руб.
|
100
|
80
|
|
4.Затраты
на проектно-конструкторские работы, тыс. руб.
|
500
|
400
|
|
5.Итого,
тыс. руб.
|
1327
|
858,9
|
.4 Расчет экономической эффективности от
модернизации абсорбера
Для снижения потерь абсорбента предлагается
усовершенствовать массообменную секцию абсорбера регулярной насадкой ДАО ЦКБН.
В результате чего сокращаются потери ТЭГа с газом, что увеличивает межремонтный
период работы абсорбера, вследствие уменьшения засорения ФП, позволяет
подготовить дополнительный объем газа за счет уменьшения количества ремонтов
(аппарата). Промысловые данные показали, что средняя величина этих потерь
составляет 25-50 г/тыс.м³. После модернизации
эти потери не должны будут привышать 15 г/тыс.м³.
Результаты рассчитываются исходя из сокращений
потерь ТЭГа в результате модернизации. Исходные данные для расчета представлены
в таблице 3.4.
Таблица 3.4 - Исходные данные для расчета
экономической эффективности
|
Показатель
|
До
модернизации
|
После
модернизации
|
|
1.
Объем осушенного газа м3/год
|
8,760
|
8,760
|
|
2.
Потери ТЭГа с газом, г/тыс.м³
|
40
|
15
|
|
3.
Стоимость 1т ТЭГа, тыс. руб.
|
61
|
61
|
Потери ТЭГ до модернизации (3.7)
QДЭГ1=Qг
· Х1,
где Qг
- годовой объем осушенного газа, одной установкой;
QДЭГ1=8,76тыс.
м³
· 40 г/тыс.
м³
= 3504000
г =3,5 т.
Потери ТЭГа после модернизации (3.8)
QДЭГ2 =Qг·
Х2,
где Х2 - потери ТЭГа после
модернизации.
QДЭГ2=Qг
· Х2=8,76тыс. м³ · 15 г/тыс.
м³=1314000
г=1,314 т.
Годовая экономия ТЭГа за счет модернизации (3.9)
ΔQДЭГ=
QДЭГ1-
QДЭГ2
=3,504 -1,314 =2,19 т.
В денежном выражении (3.10)
Р = ΔQДЭГ·
ЦДЭГ,
где ЦДЭГ - стоимость 1т ТЭГа
Р=2,19 т · 61 тыс.руб./т= 133590 руб.
Рассчитанные показатели экономического эффекта
сведем в таблицу.
Таблица 3.5- Результаты расчета экономического
эффекта.
|
Показатель
|
Ед.
измерения
|
Величина
|
|
Уменьшение
уноса ТЭГ
|
мг/м3
|
25
|
|
Уменьшение
уноса в год
|
т
|
2,19
|
|
Цена
ТЭГ
|
руб./т
|
61000
|
|
Экономия
вследствие уменьшения уноса с одного МФА в год
|
руб
|
133590
|
Расчет затрат на проведение модернизации
абсорбера
З = ЗТР + ЗМ + ЗЗ/П
+ ЗСОЦ.С +ЗДОП, (3.11)
Для доставки насадки необходимо воспользоваться
услугами грузоперевозки от завода-изготовителя и транспортировка по Сахалину до
установки комплексной подготовки газа.
ЗТР1 = 80000 руб. - на
железнодорожные услуги до г.Карсаков.
ЗТР2 = 20000 руб. - на транспортные
услуги до места назначения.
Стоимость изготовления насадки завода ДОАО ЦКБН
составляет 858,9 тыс.руб:
ЗМ = 858900 руб.
Модернизация проводится 3 операторами 4 разряда,
оплата труда которых составляет 156 руб. в час. Продолжительность работы 15
часов. Премиальные 75%.
ЗЗ/П = 3 · 156 · 15 · 1,75 = 12285
руб.
Отчисления на социальные нужды - 20 %.
ЗСОЦ.С = 12285 · 0,20 = 2457 руб.
Итак, расходы на проведение данного мероприятия:
З = 80000+20000 + 858900 + 12285 + 2257 = 973
442 руб.
Годовой экономический эффект от модернизации
абсорбера составит 133 590 руб.
Себестоимость товарной продукции определится из
выражения:
Сб = С1·Q
(3.12)
Сб = 292 ·8,76 =2557920руб.
Снижение себестоимости в результате модернизации
составляет:
Сб1 = Сб - Э (3.13)
Сб1 = 2557920 - 133590=2424000 руб.
Стоимость товарной продукции в действующих ценах
продажи:
Ст = Ц2 · Q
(3.14)
Ст =300 · 8,76=2628000руб.
Прибыль в результате продажи составляет:
По = Ст - Сб (3.15)
По = 2628000-2557920=70080 руб.
После модернизации прибыль составит:
П1 = Ст - Сб1 (3.16)
П1 = 2628000-2424000=204000 руб.
Увеличение балансовой прибыли в результате
модернизации составит:
П = П1 - По (3.17)
П = 204000-70080=133920 руб.
Налог на прибыль составляет 23 %.
Н=П·0,23 (3.18)
Н=133920·0,23=30801 руб.
Увеличение чистой прибыли составит:
ЧП=133920-30801=103118 руб.
Таблица 3.6 - Результаты расчета прибыли от
модернизации абсорберов
|
Показатель
|
До
модернизации
|
После
модернизации
|
|
|
|
|
1.Унос
ТЭГ с осушенным газом, мг/м3.
|
40
|
25
|
|
2.Цена
продажи газа, руб./1000 м3
|
300
|
300
|
|
3.Увеличение
балансовой прибыли в результате модернизации, руб.
|
|
133920
|
|
4.Увеличение
чистой прибыли, руб.
|
|
103118
|
Заключение
Проанализировав работу уже функционирующего
абсорбера, можно сделать вывод, что данный абсорбер работает в нормальном
режиме, но не обеспечивает необходимое качество газа, поступающего по
магистральному газопроводу до потребителей. Так как влагосодержание его на
выходе из УКПГ значительно превышает требуемое влагосодержание 0,03 г/м3.
На основании данного анализа, мною было предложено модернизировать данный
абсорбер регулярной насадкой. Произведенный технологический расчет показал, что
аппарат будет работать так же в стабильном режиме и обеспечивать необходимую
степень очистки и осушки газа, так как влагосодержание газа на выходе из
модернизированной системы УКПГ составит 0,004 г/м3. Количество
используемого ТЭГ - 1,6 м3/ч. Диаметр насадки 1400мм
В целом система сбора и подготовки газа будет
являться надежной и обеспечивать необходимое качество осушки газа перед подачей
его магистральный газопровод. Так же после модернизация абсорбера приведет к
значительному сокращению потерь ТЭГа с газом, что в свою очередь приведет к
уменьшению затрат на подготовку газа в целом.
Список литературы
1. Технологический
регламент (СахНИПИ) 05081 - Оха, 2010 - 120с.
. Технологический
регламент Обустройство месторождения Одопту-море (СахНИПИ) - Оха, 2011 - 120с.
. Тех-регламент
ДКС Одопту - Оха, 2011 - 33с.
. Гафарова
З.Р. Учебно-методическое пособие по выполнению экономической части дипломных
проектов. - Уфа: УГНТУ, 2000. - 12 с.
. Чеботарев
В.В. Расчет основных технологических процессов при сборе и подготовке
скважинной продукции: Учебное пособие. - Уфа: УГНТУ, 1995. -144 с.