Несущие конструкции административного здания в г. Цетинье (Черногория)
Введение
Проектирование общественных зданий
основывается на принципах синтеза функциональных, архитектурно-художественных,
технических и экономических сторон архитектуры. Целью проектирования является
нахождение таких решений общественных зданий, которые наиболее полно отвечают
своему назначению, удобны для той или иной деятельности людей, обладают
высокими архитектурно-художественными качествами, обеспечивают зданиям
прочность, экономичность возведения и эксплуатации.
Общественные здания часто занимают
доминирующее положение в застройке, определяют композиции архитектурных
ансамблей и своими архитектурно-художественными качествами активно воздействуют
на сознание людей, их естественное восприятие и формирование художественного
вкуса. Градостроительные и природные факторы оказывают существенное влияние на
формирование архитектурного облика общественного здания. Архитектура
общественных зданий воспринимается в связи с архитектурой окружающей жилой
застройки и выявляется благодаря отличительным композициям для этого вида
зданий.
Город Цетинье можно отнести к одному
из перспективных районов строительства, входящую в свободную экономическую
зону, для более полного объема предлагаемых услуг населению города предлагается
проект здания администрации, который отвечает всем современным требованиям,
предъявляемым к строительству общественных зданий.
В данном проекте разрабатывается
административное здание с двумя конференц залами для строительства в Черногории
в г. Цетинье. Производится расчет несущих конструкций для данного здания.
Площадка строительства расположена в
I
температурной зоне территории Черногории; вес снегового покрова: 0,5 кПа (50
кгс/м²) - I снеговой район, скоростной напор
ветра: 0,38 кПа (38 кгс/м²) - III ветровой район;
Основанием фундаментов служит суглинок
полутвердый, средней прочности. Площадка строительства находится на не
подрабатываемой территории, грунт относится к непросадочным. Грунтовые воды
обнаружены на глубине 5,7 метров от поверхности земли. Тип территории по
потенциальной подтопляемости: потенциально не подтопляемая. Нормативная глубина
промерзания грунта dfn=0.9 м. Участок строительства граничит с существующей застройкой.
Рельеф участка спокойный. Господствующее направление ветра юго-восточное.
1.
Архитектурно-строительная часть
железобетонный балка перекрытие
плита
По функциональному назначению и
особенности эксплуатации проектируемое административное здание относится к
специализированным общественным зданиям, группа VI - организации и
учреждения управления. Основное функциональное назначение проектируемого здания
администрации решение административных вопросов города, а также оказания
населению целого ряда услуг.
Здание администрации представляет
собой трехэтажное, отдельно стоящее здание с техническим этажом. В центральной
части первого этажа расположен холл, в котором предусмотрены: гардероб,
помещение связи, предназначенное для различного рода оповещения. В левой и
правой частях первого этажа расположены конференц-залы необходимые для
проведения различных мероприятий. На втором и третьем этажах расположены
помещения для пребывания и работы административных сотрудников. На каждом этаже
предусмотрены санитарные узлы. Для связи с этажами предусмотрены лестницы.
Расположение всех помещений запроектировано согласно функциональным процессам,
которые будут происходить в проектируемом административном здании.
1.1
Объемно-планировочное решение
Разработка объемно-планировочного
решения здания администрации является первым этапом его проектирования и
основывается на комплексном учете разносторонних требований: функциональных,
физико-технических, конструктивных, архитектурно-художественных и
экономических.
Характерной особенностью
проектируемого административного является земная планировка.
В плане здание имеет размеры в осях:
66х24 м. Планировочное решение здания основывается на единой модульной системе
(ЕМС); высота этажа принята 3,3 м. Под зданием находится подвал, высотой 2,6 м.
Для административного здания
запроектирован один главный вход с вестибюлем, через который проходят основные
массы людей, участвующих в функциональном процессе, и четыре служебных
эвакуационных входа. Выходной тамбур предусмотрен для защиты от проникновения
холодного воздуха при открывании наружных дверей.
Через вестибюль потоки людей
направляются в коридоры, шириной 2,9 м, являющиеся основными горизонтальными
коммуникациями, которые обеспечивают связь между помещениями в пределах этажа.
В проекте применена объемно-планировочная схема со средними коридорами, которая
обеспечивает компактность здания, сокращения его длины, поверхности наружных
ограждений и, следовательно, теплопотерь.
В качестве вертикальных
коммуникаций, используемых для связи между этажами, а также в качестве основных
эвакуационных путей используются лестницы, которые устроены в огнестойких
лестничных клетках и освещаются искусственным светом.
В здании предусмотрено 2 лестницы,
которые имеют выход на крышу и спуск в подвал. Уклон лестниц принят 1:2.
1.2 Конструктивная схема
здания
Конструктивное решение здания, также
как и объемно-планировочное, должно быть функционально и технически
целесообразным, экономическим в строительстве и эксплуатации. Кроме того,
конструктивное решение должно отвечать установленным техническим требованиям
(прочности, устойчивости, долговечности, пожарной безопасности, благоустройства).
Конструктивное решение влияет на внешний вид здания, его интерьеры и,
следовательно, является важнейшим фактором, определяющем архитектурную
выразительность здания. Таким образом конструктивное решение основывается на
комплексной увязке его с объемно-планировочным и архитектурно-художественным
решением.
В данном проекте применяется
каркасная схема с несущими наружными продольными и поперечными стенами и сеткой
колонн. Планировочные и конструктивные решения основываются на единой модульной
системе (ЕМС), позволяющей сохранить многообразие объемно-планировочных и
конструктивных элементов здания. Для создания целесообразной конструктивной
схемы здания, эффективного применения конструктивных типовых элементов,
упрощения монтажных работ и снижение их трудоемкости применяется группировка
однотипных по геометрическим параметрам помещений с унифицированной модульной
сеткой и выделение большепролетных зальных помещений в отдельных частях здания.
Фундаменты
Фундаменты под административное
здание запроектированы сборные ленточные из железобетонных плит-подушек (по
ГОСТ 13580-85) и бетонных стеновых блоков (по ГОСТ 13579-78*) с учетом
характера несущего состава здания, характера геологических и гидрогеологических
условий участка, условий района строительства, наличия местных строительных
материалов и средств механизации. Основанием фундаментов служит суглинок
полутвердый, средней порочности.
Монолитные участки между
фундаментными плитами выполняются из бетона класса В15 с конструктивным
армированием (арматура 
16АIII, 
8АIII, по ГОСТ 5781-82). Стены подвала выполняется из бетонных блоков
(ГОСТ 13579-78*) на цементном растворе марки М100; монолитные участки между
блоками заполняются бетоном, класса В7,5. Глубина заполнения фундаментов - 4 м.
Вертикальная гидроизоляция поверхности стен, соприкасающихся с грунтом
обмазывают горячим битумом за 2 раза. Горизонтальная гидроизоляция фундаментов
- цементная с жидким стеклом.
Стены и
перегородки
Наружные несущие стены
административного здания запроектированы из монолитного железобетона толщиной
400 мм. Марка бетона В20, арматура АIII. В качестве утеплителя используется минеральная вата толщиной 100
мм, расположенный с наружной стороны. Фасад здания облицовывается плиткой.
Несущая способность стен при
заданной расчетной толщине обеспечивается преимущественно классом бетона и
необходимой толщиной стены. Повышение несущей способности стен за счет
армирования допускается только в случае экономической нецелесообразности
повышения класса бетона и увеличения толщины стены. При проектировании стен из
тяжелого бетона рекомендуется использовать класс бетона по прочности не выше
В20.
В конструкции монолитных стен
предусматривается конструктивное армирование для ограничения трещинообразования
от усадки и температурно-влажностных воздействий в процессе эксплуатации
зданий.
В здании запроектированы
кирпичные перегородки из глиняного обычного кирпича, плотностью γ=1800
кг/м³ по ГОСТ 530-80, толщиной ½ кирпича.
Кладку перегородок камер для подсудимых, ½ кирпича
армировать сеткой 
6 А-I через 5 рядов. Перегородки должны опираться непосредственно на
несущую конструкцию перекрытий, а не на чистый пол. Боковые и верхние слоя
перегородок для обеспечения их устойчивости и прочности надежно крепят к стенам
и потолку при помощи ершей или специальных оцинкованных скоб из полосовой
стали, заводимых в швы между сборными элементами перекрытий и стен. Примыкания
к потолкам и стенам необходимо заделывать очень плотно и тщательно, с
конопаткой в глубине швов и с расшивкой его с обеих сторон гипсовым раствором.
Перекрытия
и покрытие
Перекрытие должно быть прочным, т.е.
выдерживать действующие на него постоянные и временные нагрузки, включая
собственный вес. Не достаточно жесткое перекрытие создает под влиянием
временной нагрузки значительные прогибы. Исходя из этих требований, в качестве
несущих конструкций перекрытий применены монолитные железобетонные перекрытия,
изготавливаемые непосредственно на
Отверстия в плитах перекрытия для
пропусков стояков отопления выполняются путем сверления по месту специальными
сверлами с последующей заделкой их цементным раствором.
Предусматривается звукоизоляция труб
от перекрытия с утеплением зазоров, например, гильза из мягкого асбестового
картона.
Лестницы
Лестницы являются вертикальными,
используются для связи между этажами, а также в качестве эвакуационных путей. В
данном проекте применены лестницы из сборных железобетонных элементов двух
видов: площадочной плиты, монолитно окаймленной по контуру ребрами и лестничных
маршей со ступеньками, марки. Марши опираются на консольные выступы крайних
(лобовых) ребер площадочных плит и соединяются с ними с помощью закладных
уголков или пластин на сварку не менее чем в двух местах. Лестничные марши
устроены с уклоном 1:2. В данном проекте применены лестничные марши ребристой
конструкции с фризовыми ступеньками. Фризовые ступеньки, совпадающие с полом
площадок, имеют особое очертание. Остальные ступеньки марша одинаковы и
характеризуются высотой подступенька (150 мм) и шириной проступи (300 мм).
Лестничные площадки на уровне каждого этажа - этажные, между этажами -
промежуточные. Для проектируемого здания применяем ребристые лестничные
площадки, опорные ребра которых входят в гнезда каменных стен лестничной
клетки. Лестницы устроены в огнестойких лестничных клетках и освещаются
естественным светом, через окна.
Из двух лестничных клеток предусмотрен
выход на крышу, для чего эти лестные клетки оборудованы огнестойкой дверью.
Входы в повал устроены в пределах двух других лестничных клеток. Вход в подвал
ограждают от лестницы, ведущей в верхние этажи, глухой стенки с устройством
двери.
Окна и
двери
Окно устраивается для освещения и
проветривания (вентиляции) помещений и состоят из оконных проемов, рам и
заполнения проемов, называемого оконным переплетом.
Основные требования к окнам, должны
соблюдаться при их проектировании и конструировании, - пропускать свет в
помещение в соответствии с требующей степенью их освещенности. Окна являются
наружным ограждением, т.е. теплозащитное качество воздухопроницаемость. Исходя
их этого был выполнен расчет и подбор конструкции оконных заполнений, согласно
которым принято тройное остекление в деревянных раздельно-спаренных переплетах.
Двери внутренние запроектированы в
соответствии с ГОСТ 6629-88 и изготовляются из древесины на деревообделочных
заводах.
Наружные входные двери
запроектированы из алюминиевых сплавов; серия 1.236.4-7/84 (в соответствии с
ГОСТ 24584-81), ДАЧ 24-19П - двери распашные с притвором, частично остеклены.
Двери запроектированы в виде блока, включающего дверное полотно и дверную
коробку в виде замкнутой рамы из алюминиевых профилей (ГОСТ 22233-83). Для
уплотнения притворов и зазоров между стеклом и алюминием применены профили из
резины НО68-1 по ТУ 38-105-1082-76. С целью сокращения воздухопроницаемости
двери имеют по периметру дверного полотна два пояса уплотнения резиновыми
профилями.
Крепление дверей в проемах
осуществляется с помощью сварки, в связи с чем в проемах должны
предусматриваться закладные детали. Заделка стыков между алюминиевой дверной
коробкой и строительной конструкции производится с помощью мягкого утеплителя
(минеральная вата), а также с помощью резинового утеплителя, установленного в
паз нащельника. В дверях используются накладные петли, позволяющие открывать
дверное полотно на 180°
Кровля
Для административного здания
запроектировано бесчердачное невентилируемое покрытие. Уклон кровли составляет
2%, что достигается применением в составе конструкции покрытия разуклонки из
пенобетона переменной толщины. Водоотвод с покрытия запроектирован внутренний.
Устройство кровли начинают с
подготовки основания под пароизоляцию (путем затирки поверхности железобетонных
плит цементным раствором). Затем устраивается разуклонка из пенобетона для
создания уклона кровли, поверх которой укладывают утеплитель - жесткие
минераловатные плиты. В качестве выравнивающего слоя применен кровельный картон.
Для устройства ковра применяем наплавленный рубероид Рм-500-2 с защитной
окраской БТ-177 (светлые тона) и с нанесением в заводских условиях клеящего
слоя. Наклейка обеспечивается за счет размягчения покровной массы до
вязко-пластичного состояния во время укладки разогревом. Перед наклейкой
первого слоя поверхность основания огрунтовать битумной мастикой. Прикатку
катком выполняют немедленно после прекращения разогрева.
2.
Расчетно-конструкторская часть
2.1
Расчет железобетонной плиты перекрытия
Конструктивная схема перекрытия
здания: балочное, состоящее из балок и опирающихся на них плит, балки
располагают в одном направлении поперек здания. В зависимости от расстояния
между балками перекрытие рассматривается как ребристое с балочными плитами. Балочная
плита работает на изгиб в направлении меньшей стороны, т.к. l2/l1= 18 м / 6 м =3>2
Принимаем тяжелый бетон класса В20.
Сопротивления такого бетона: на
сжатие Rb = 11,5 МПа, Rbn = 11,5 МПа; на
растяжение Rbt = 0.9 МПа, Rbtn = 1,4 МПа;
начальный модуль упругости Eb = 27·103;
коэффициент условий работы бетона mb1 = 0,85.
Арматуру для плиты примем в виде
сварных сеток из стали класса А-III: Rs = 365 МПа; Rsw
= 290 МПа; модуль упругости Es = 20·104МПа.
Сбор
нагрузок на железобетонное перекрытие
Табл. 1. Нагрузки на ребристое
монолитное железобетонное междуэтажное перекрытие гражданского здания, Н/м²
|
Вид и расчет нагрузки (плотность ρ
в кг/м³)
|
Нормативная
|
Коэффициент перегрузки
|
Расчетная
|
|
1. Постоянная:
|
|
Мраморный пол - 0,1·2700
|
270
|
1,1
|
297
|
|
Цементный раствор - 0,02·2000
|
400
|
1,3
|
520
|
|
Шлакобетонный слой - 0,03·1500
|
450
|
1,3
|
|
Перегородки
|
700
|
1.1
|
770
|
|
Итого:
|
gн = 1850
|
-
|
g = 2177
|
|
Собственную массу плиты и балок будем учитывать по ходу расчета
с учетом назначаемых размеров сечений и плотности бетона
|
|
2. Временная:
|
|
2000
|
1,2
|
2400
|
|
Итого:
|
vн
= 2000
|
|
v
= 2400
|
Расчетная схема плиты представляет
собой многопролетную неразрезную балку, загруженную равномерно распределенной
нагрузкой. Для получения расчетного пролета задаемся размерами поперечного
сечения балки: hвб = 1/12 - 1/20 lб;
принимаем hб = 600/12 = 40 см; bб = 1/2 -
1/3 hвб ≥ 10 см, принимаем ширину балки bб
= 20 см.
q = g + v
Расчетный пролет плиты между балками
l2 = l0, где l0 - пролет
в свету, равной 6000 - 200 = 5800 мм. Пролет плиты при опирании с одной стороны
на несущую стену l1 = l01 + h/2 =
5800 + 50 = 5850 мм, где h - толщина плиты, значением которой также
задаемся. Задаемся значением толщины плиты h. Принимаем h = 10
см, что больше hмин = 60 мм.
Собственная масса плиты gн
= 0,1·2500 = 250 кг/м² (2500 Н/м²).
Погонную нагрузку принимаем на
ширину плиты, b = 1 м. для данного случая погонные расчетные нагрузки
будут равны (с учетом массы плиты h = 10):
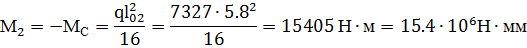
= 2177 + 1,1·2500 = 4927 Н/м;= g + v = 4927 + 2400 = 7327 Н/м.
Определение
усилий в плите от внешней нагрузки
- в крайнем пролете и на первой
промежуточной опоре В.
в средних пролетах и на средних
опорах
(Рис. 4.) Схема эпюры
изгибающих моментов.
Арматуру в плите подбираем как для
изгибаемого железобетонного элемента прямоугольного сечения размером b х
h = 100 х 10 см. Рабочая высота сечения h0 = h - а
= 10 - 1,5 = 8,5 см.
Расчет
прочности плиты по нормальным сечениям
Определяем толщину плиты из
экономических соображений
Задаемся ξ=0.25,
по табл. 3.1 
=0.219
Рабочая высота плиты ho определяется по максимальному моменту Мmax=Mв по формуле:
Полная высота плиты 
. При наибольшем
возможном диаметре рабочей арматуры 
и защитном слое бетона
в 10 мм (I, п. 5.5) а=15 мм. Найденная полная высота плиты принимается
кратной 10 мм: 
Принимаем 
мм
Расчет
арматуры
В крайних пролетах и на
первых промежуточных опорах:
Определение требуемой площади
рабочей арматуры As (мм² на 1 п.м.)

, 
мм
Из табл. 2 находим
ξ и ζ: ξ = 0.2251, ζ = 0.8875
Принимаем 
с шагом 100 мм, 
, т.е. на 1 погонный
метр приваривают 10 стержней через 100 мм.
В средних пролетах на
опорах:

, 
мм
Из табл. 2 находим
ξ и ζ: ξ = 0.1456, ζ = 0.9272
Принимаем 
с шагом 100 мм, 
, т.е. на 1 погонный
метр приваривают 10 стержней через 100 мм.
Конструирование
плиты
2.2
Расчет монолитной железобетонной балки
Расчетная схема балки представляет
собой, так же как и расчетная схема плиты, многопролетную неразрезную балку,
загруженную равномерно распределенной нагрузкой.
g + v
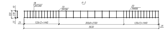
Расчётные пролёты балки
Предварительные размеры сечения
балки были приняты 40 х 20 см. Для определения расчетных пролетов задаемся
размерами колонн 400х400:
Расчетные пролеты второстепенной
балки будут:
Крайний пролет (равны расстоянию в
свету между колонной и стеной)
l01 = = 6 - 0,2-0.2 = 5,6
м;
Средний 2 пролет и крайний 4 пролет
- равны расстоянию в свету между колоннами
02 = l1 - bк = 3 - 0.4= 2.6 м,
где l1 и l2
- пролеты балки;
Средний 3 пролет равен расстоянию в
свету между колоннами
03 = l3 - bк = 6 - 0.4= 5.6 м,
Сбор
нагрузок на железобетонную балку
Погонную нагрузку на балку принимаем
на ширину грузовой площади, равную 6 м (расстоянию между осями балок).
Расчетные погонные нагрузки будут иметь значения с учетом массы балки по
принятым размерам:= 6·4927 + 0,38·0,2·25000·1,1 = 31652 Н/м,
где 0,38 и·0,2 м - размеры сечения
балки за вычетом толщины плиты h = 10 см;
,1 - коэффициент перегрузки для
собственной массы конструкций
- плотность бетона, Н/м³
Кратковременная нагрузка v = 6·2400 = 14400 Н/м;
Итого полная нагрузка q = g + v = 31652 + 14400 = 46052 Н/м = 46.05
кН/м.
Определение
расчетных моментов в балке
Расчетные моменты по равномоментной
схеме
а) в крайнем пролете и опоре:
Н·м;
б) в средних коротких
пролетах и над средними опорами:
Н·м;
в) над средними длинными
пролетами и средними опорами:
Н·м;
Поскольку отношение v/g = 14400/31652 = 0.45 < 0.5 считается что в балке будет
возникать незначительные отрицательные моменты в пролетах, которыми в расчетах
можно пренебречь.
Эпюра изгибающих
моментов балки.
Расчет
продольной арматуры
При расчете сечений балки на
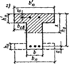
положительный момент (в пролете) принимают железобетонное сечение таврового
профиля с полкой (плитой) в сжатой зоне (рис. 5.7, в).
Рис. 5.7. Схемы к расчету прочности
изгибаемого элемента по нормальному сечению
а - усилия и эпюра напряжений; б -
прямоугольное сечение;
в-тавровое сечение при расположении
нейтральной оси в пределах высоты сжатой полки;
г-то же когда нейтральная ось
располагается в ребре
Ширина полки в данном случае:
= l0 +
bвб = 580 + 20 = 600 см, однако, по условию п. 3.16 СНиП
2.03.01-84*, по которому
≤
1/3·l + bвб = 600/3 + 20 = 220 см, принимаем
=
220 см
При расчете на
отрицательный момент принимают прямоугольное сечение (40х20 см), поскольку
плита находится в растянутой зоне и в расчете не учитывается.
Для армирования
применены сварные каркасы из стали класса А-III:
Rs = 365 МПа. Рабочая высота сечения h0 = 40 - 3,5
= 36,5 см.
а) В крайнем пролете М1
= 131290 Н·м; определяем расположение границы сжатой зоны сечения при х
=
,
b =
и
=
0:
М ≤ Rb·b·x·γb2 (h0 - 0,5x) + Rsc·
(h0
- а′) =>
13129000 Н·см <
11,5·100·220·12·0,85 (36,5 - 0,5·12) = 78708300 Н·см,
условие соблюдается,
граница сжатой зоны проходит в полке, следовательно, сечение можно принимать
шириной b =
=>
; η
= 0,9766 и ξ = 0,0469;
см².
Проверим граничное
условие ξ ≤ ξR:
|
ξ0
= 0,85 - 0,008Rb γb1 =
|
|
= 0,85 - 0,008·11,5·0,85 = 0,774;
условие соблюдается, т.к. ξ = 0,0469 < ξR = 0,636.
Принимаем для двух каркасов 4Ø18 А-III: Аs = 10,18 см² (К-1).
б) В средних коротких пролетах М² = 19457 Н·м =>
; η
= 0,9932 и ξ = 0,0068;
см²,
условие соблюдается,
т.к. ξ = 0,0068 < ξR
= 0,636.
Принимаем для двух
каркасов 2Ø14 А-III: Аs = 3,08
см² (К-2).
б) В средних длинных
пролетах М² = 90262 Н·м =>
; η
= 0,984 и ξ = 0,032;
см²,
условие соблюдается,
т.к. ξ = 0,032 < ξR
= 0,636.
Принимаем для двух
каркасов 2Ø22 А-III: Аs = 7,6
см² (К-2).
в) Над первыми от края
опорами МВ = 131290 Н·м =>
; η
= 0,61 и ξ = 0,7809;
см²,
Принимаем 2Ø22
А-III и 2Ø25
А-III: Аs = 17,42
см².
г) Над средними опорами
МС = 90262 Н·м =>
см²,
Принимаем 3Ø20
А-III: Аs = 9,42
см².
Над средними опорами М =
19457 Н·м =>
; η
= 0,9612 и ξ = 0,0777;
см²,
Принимаем 2Ø10
А-III: Аs = 1,57
см².
Расчет
поперечной арматуры
Максимальная поперечная сила:
max = 0,6 q·l = 0,6·46052·5,6 = 154735 Н = 154.7 кН.
|
Проверим I условие: Q ≤ 0,35Rb·γb2·b·h0
=>
|
|
Qmax = 154735 H <
0,35·11,5·100·0,85·20·36,5 = 249751 H,
условие I соблюдается, принятые
размеры сечения достаточны.
|
Проверим II условие: Q ≤ 0,6·Rbt·
γb2·b·h0 =>
|
|
Qmax = 154735 H >
0,6·0,9·100·0,85·20·36,5 = 33507 H,
условие II не удовлетворяется,
требуется поперечное армирование.
Предварительно принимаем 2
поперечных стержня класса A-I диаметром 8 мм: Аs = 1,01 см².
Требуемая интенсивность (на единицу
длины балки) поперечного армирования:
|

|
|
Шаг поперечных стержней:
|
u
= Rsw·As/qx
=
|
175·100·1,01/1468 = 12 см.
|
Проверим о возможности принятия
стержней 2Ø8 шагом
12 см:
см,
условие выполняется.
В средней половине
пролета балки поперечная сила на расстояние 0,25 пролета от опоры балки: Q = Qmax
- q·l/4 = 154735 - 46052·5,6/4 = 90262.2 H;
Здесь II условие не
удовлетворяется, следовательно, требуется постановка поперечных стержней.
Вычислим требуемое
значение
Н/см
Шаг поперечных стержней
при 2Ø8: u = 175·100·1,01/500 = 35 см.
Проверим о возможности
принятия стержней 2Ø8 шагом 35 см:
см;
По конструктивным
требованиям (п. 5.27 СНиП 2.03.01-84*) при высоте сечения h > 300 мм
расстояние между поперечными стержнями u принимают не более 0,75h и не
более 500 мм, поэтому в средней части балки можно принять u = 0,75h =
0,75·40 = 30 см, принимаем u = 30 см.
В средних пролетах
наибольшая поперечная сила:= 0,5 q·l = 0,5·46052·5,6 = 128945.6 Н <
154735 Н.
По конструктивным
соображениям в целях унификации каркасов принимаем для балок средних пролетов
поперечные стержни диаметром 8 мм с шагом 12 и 30 см, так же как для каркасов
К-1 в крайнем пролете.
Каркасы К-1 и К-2 на
опоре соединяют дополнительными стержнями с запуском за грань опоры (главной
балки) на длину 15d и не менее (u + 150
мм).
Построение
эпюры материалов
Крайний пролет
От действия внешней
нагрузки в пролете принято 4
18 АII 
. Определяем изгибающий
момент, воспринимаемый балкой, армированной четырьмя стержнями 4
18 АIII 
Из условия равновесия 
, где 
Определяем изгибающий
момент, воспринимаемый сечением балки, армированной 2
18 АIII 
Из условия равновесия 
, где 
Значения моментов 
и 
наносим на эпюру
моментов от внешних нагрузок (в принятом масштабе). Графически определяем место
теоретического отрыва стрежней. Точки пересечения эпюры 
с эпюрой М от внешних
нагрузок называется местом теоретического обрыва арматуры. Длину обрываемых
стержней увеличиваем на зону анкеровки W.
Длина анкеровки
обрываемых стержней определяется по зависимости:
где d-диаметр обрываемой арматуры. Q
определяем графически в точке теоретического обрыва по эпюре Q. В данном случае Q=
74.64Н.
Поперечные стержни 
8 АI в месте теоретического обрыва имеют шаг 30 см. Тогда
Принимаем 
и откладываем на эпюре
за точку теоретического обрыва. Получаем точку фактического обрыва арматуры.
Средний короткий пролет
От действия внешней
нагрузки в пролете принято 2
14 АIII 
. Определяем изгибающий
момент, воспринимаемый балкой, армированной двумя стержнями 2
14 АIII 
Из условия равновесия 
, где 

Средний длинный пролет
От действия внешней
нагрузки в пролете принято 2
22 АIII 
. Определяем изгибающий
момент, воспринимаемый балкой, армированной двумя стержнями 2
22 АIII 
Из условия равновесия 
, где 
Эта арматура не
обрывается и идет по все длине пролета
Крайняя опора.
Опора армируется для экономии металла двумя раздвинутыми гнутыми сектами.
Продольная рабочая арматура в сетках 2
22
АIII + 2
25 АIII 
, 
, 
При армировании двумя
стержнями 2
25 АIII 
, 
, так как все 4 стержня
расположены в одной плоскости
Q=105.41кН
в месте теоретического обрыва около опоры.
Принимаем 
и откладываем на эпюре
за точку теоретического обрыва. Получаем точку фактического обрыва арматуры.
Q=142.74кН
в месте теоретического обрыва.
Принимаем 
и откладываем на эпюре
за точку теоретического обрыва. Получаем точку фактического обрыва арматуры.
Q=19.53кН
в месте теоретического обрыва около опоры.
Принимаем 
и откладываем на эпюре
за точку теоретического обрыва. Получаем точку фактического обрыва арматуры.
Q=51.41кН
в месте теоретического обрыва.
Принимаем 
и откладываем на эпюре
за точку теоретического обрыва. Получаем точку фактического обрыва арматуры.
Средняя опора.
Продольная рабочая арматура на опоре В 3
АIII,

, 
, 

АIII, 
, 
, 
слева
Q=21.25кН
в месте теоретического обрыва около опоры В справа.
Принимаем 
и откладываем на эпюре
за точку теоретического обрыва. Получаем точку фактического обрыва арматуры.
Q=52.17кН
в месте теоретического обрыва.
Принимаем 
и откладываем на эпюре
за точку теоретического обрыва. Получаем точку фактического обрыва арматуры.
справа
Q=84.13кН
в месте теоретического обрыва около опоры В справа.
Принимаем 
и откладываем на эпюре
за точку теоретического обрыва. Получаем точку фактического обрыва арматуры.
Q=119.14кН
в месте теоретического обрыва около опоры В справа.
Принимаем 
и откладываем на эпюре
за точку теоретического обрыва. Получаем точку фактического обрыва арматуры.
Конструирование
балки
Список литературы
2. Бондаренко В.М., Бакиров Р.О. Железобетонные и каменные
конструкции. - М.: Высшая школа. - 2004. - 876 с.
. …Единая система конструкторской документации /ЕСКД/.
Основные положения. - М: Издательство стандартов, 1976. - 319 с.
. Кувалдин А.Н., Клевцова Г.С. Примеры расчета
железобетонных конструкций. - М.: Издательство литературы по строительству. -
1970. - 322 с.
. Манаева М.М. Расчет и конструирование элементов
монолитного железобетонного перекрытия многоэтажного здания: Методические
указания к курсовому проектированию. - М.: РУДН, 2008. - 35 с.
. Мандриков А.П. Примеры расчета железобетонных
конструкций. - М.: Стройиздат. - 1979. - 419 с.
. СНиП 2.01.07-85* Нагрузки и воздействия - СНиП 2.01.07-85
(с изм. 2 2003). - М.: Госстрой РФ. - 2004.
. СНиП 2.03.01-84 Бетонные и железобетонные конструкции (с
изм. 2004). - М.: Стройиздат. - 2004.
. СНиП 23-01-99*Строительная климатология. - М.: Госстрой
РФ. - 2002.
. Уманский А.А. Справочник проектировщика промышленных,
жилых и общественных зданий и сооружений. Расчетно-теоретический. - М.:
Стройиздат. - 1973. - 416 с.