Разработка средств функционального диагностирования вычислительного устройства

  • Вид работы:
    Реферат
  • Предмет:
    Информационное обеспечение, программирование
  • Язык:
    Русский
    ,
    Формат файла:
    MS Word
    716,03 Кб
  • Опубликовано:
    2012-10-31
Вы можете узнать стоимость помощи в написании студенческой работы.
Помощь в написании работы, которую точно примут!

Разработка средств функционального диагностирования вычислительного устройства

Содержание

 

Введение

1. Выбор варианта задания

2. Анализ задачи

2.1 Построение разбиения матрицы

2.2 Описание фрагментов разбиения

2.3 Формирование контрольных кодов КАi КВi.

3. Разработка схемы устройства контроля

3.1 Блоки контроля операндов

3.2 Контрольный блок и блок контроля БКv

4. Описание блоков устройства контроля

5. Алгоритм получения описаний

5.1 Определение и описание ключевых данных

5.2 Описание закономерностей

5.3 Описание алгоритма

Вывод

Список литературы

Введение

Темой курсовой работы является разработка средств функционального диагностирования ВУ. Проектируются блоки устройства контроля по модулю три матричного умножителя с сокращением вычислений для обработки мантисс чисел с плавающей точкой.

К построению вычислительных устройств предъявляются высокие требования по производительности, диапазону представления чисел, точности вычислений, сложности реализации и достоверности функционирования.

Производительность ВУ обеспечивается распараллеливанием вычислений. На системном уровне - специализацией вычислительного устройства на выполнение одной вычислительной операции (векторные процессоры, машины с системой сверхдлинных команд). На уровне аппаратуры - применением матричных и конвейерных структур.

Диапазон представления чисел расширяется с переходом к использованию форматов данных плавающей точкой, в которых арифметическая операция выполняется с сохранением одинаковой разрядности для операндов и результатов. Операции с плавающей точкой, содержащие умножения удваивает разрядность полного результата. Поэтому при обработке мантисс по n-разрядный операнд вычисляется округленный n-разрядный результат, т.е. имеет место потеря n младших разрядов.

Точность вычислений обеспечивается выбором соответствующей разрядности обрабатываемых чисел.

Сложность реализации определяется затратами оборудования. Для матричных структур затраты оборудования растут в квадратичной зависимости с увеличением разрядности чисел. В этих условиях целесообразно применять сокращенные методы выполнения операций. Они позволяют практически вдвое снизить затраты оборудования и времени на выполнение операции.

Вероятность функционирования ВУ обеспечивается средствами и методами функционального диагностирования. Основным методом является контроль по модулю. Его отличают высокая способность обнаружения, и простота реализации для полноразрядных ВУ.

Функциональное диагностирование современных ВУ требует умения выполнять контроль по модулю вычислительных устройств с плавающей точкой. Поэтому в курсовой работе рассматриваются вопросы проектирования устройства контроля по модулю триматричного умножителя с сокращением вычислений.

1. Выбор варианта задания


Вариант задания определяется по номеру Z. Курсовая работа является комплексной - номер варианта выдаётся двум студентам: первый студент выполняет разработку блоков контроля БКА, БКБ, а второй - узлов УУ, ФК, ФКV и УВ (рис.1.1)

Рис.1.1

Вариант задаётся видом разбиения МКП на фрагменты. Разбиение характеризуется наличием центрально-симметричного фрагмента и фрагментов, которые изменяют размер одного из образующих с постоянным шагом. По номеру Z определяются ещё два параметра:

= Z mod 9 = 14 mod 9 = 5; Х / 3 = 5/3 = 1, остаток - 2;= Z mod 4 = 14 mod 4 = 2.

По параметру X определяется шаг изменения размеров образующих фрагмента: для значения 0, 1, 2 частного и остатка от деления Х на три, шаг становится 1, 2, 4 соответственно для верхних и нижних фрагментов.

Параметр Y определяет сомножители, по которым образующие верхних и нижних фрагментов изменяют свой размер. (табл.1.1)

Табл.1.1

Y

0

1

2

3

Верхні

А

В

В

А

Нижні

А

А

В

В


Шаг изменения размеров образующих равен 2 и 4 соответственно для верхнего и нижнего фрагмента. По параметру Y и табл 1.1 определим сомножители: В - для верхнего и нижнего фрагмента.

диагностирование вычислительное устройство модуль

2. Анализ задачи


2.1 Построение разбиения матрицы


Разбиение МКП на фрагменты в соответствии с заданием указано на рис.2.1

Рис.2.1 Разбиение МКП на фрагменты.

2.2 Описание фрагментов разбиения


Фрагменты обозначены индексами в их индексных элементах в соответствии с нумерацией строк МКП, выполненной снизу вверх.

Опишем фрагменты разбиения:

          

2.3 Формирование контрольных кодов КАi КВi.


Контрольные коды КАi, КВi частей Аi, Вi разделяются на составляемые и вычисляемые.

Составляемые контрольные коды определяются по частям Аi, Вi операндов А и В, если длина этих частей не превышает L (для M=3 L=2).

Вычисляемые контрольные коды формируются при большей длине частей операндов.

Для данного разбиения составляемыми контрольными кодами по модулю М=3 КАi, КВi являются:

            

                

Другие контрольные коды вычисляются:


Процесс вычисления контрольных кодов частей КАi, КВi завершается формированием контрольных кодов операндов КА13 и КВ13, которые сравниваются с входными контрольными кодами КАi и КВi операндов с определением кодов контроля ККА и ККВ операндов соответственно. Описанный порядок вычисления кодов КАi, КВi в направлении наращивания разрядностей частей Аi, Вi называется прямым.

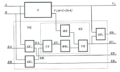
3. Разработка схемы устройства контроля


Рассмотрим для наглядного представления разрабатываемых блоков схему устройства контроля (УК). Структура устройства контроля представлена на Рис.1.1.

В состав устройства контроля входят:

·        Блоки БКа и БКв контроля сомножителей А и В, которые сравнивают их по модулю с входными контрольными кодами КА и КВ. Результаты сравнения являются кодами контроля операндов ККа, ККв. В процессе проверки также формируются контрольные коды Аi, Вi.

·        Контрольный блок КБ, содержащий:

Б) Формирователь ФК контрольного кода KVу{n+1¸2n-k} отбрасываемых разрядов Vу{n+1¸2n-k} усеченного произведения Vу.

В) Формирователь ФКv контрольного кода KVу округленного произведения Vo (складывает контрольные коды фрагментов KVi).

Г) Узел вычитания кода KVу{n+1¸2n-k} из кода KVу (вычисляет контрольный код KVo усеченного произведения Vу).

Д) Блок БКv контроля округленного произведения Vo (сравнивает его по модулю с контрольным кодом KVo и вычисляет код контроля ККv).

3.1 Блоки контроля операндов


Для рассматриваемого разбиения МКП блок контроля БКА показан в дополнение А.

На сумматорах по модулю три 1 - 16 выполняется свертка операнда А с формированием вычисляемых контрольных кодов КАi. Последний вычисляемый контрольный код КА26 является результатом свертки. Он сравнивается на сумматора по модулю три 15 с входным контрольным кодом КА операнда А. Для этого входной контрольный код подключен инверсно: первый разряд - к входу с весом 2, а второй разряд - к входу с весом 1. На первом прямом и инверсном втором выходах сумматора по модулю три 15 формируется код контроля ККА операнда А.

Схема блока контроля БКВ приведена в дополнении В. Основное отличие схемы В от схемы А заключается в разном вычислении вычисляемых контрольным кодом.

3.2 Контрольный блок и блок контроля БКv


Контрольный блок выполняется на конъюнкторах, умножителях по модулю три, полных сумматорах и сумматорах по модулю три.

На выходы контрольного блок БК поступают разряды контрольных блоков КАi, и КВi частей множимого и множителя.

На узле умножения УУ формируются контрольные коды фрагментов. Формирователь ФКV складывает контрольные коды фрагментов по мере их получения, причем коды, вычисляемые на конъюнкторах имеют одинаковый вес и складываются сначала на полных сумматорах, а затем, как и другие коды - на сумматорах по модулю три с учетом знаков фрагментов. Знак "минус" фрагмента учитывается инверсным подключением его контрольного кода в схеме сложения: первый разряд кода соединяется с вторым разрядом сумматора по модулю три, а второй разряд кода - к первому разряду.

Узлы ФК и УВ вычисляют и учитывают в контрольном коде округленного результата отбрасываемые разряды усеченного произведения.

Блок БКV контроля результата показан на рис.3

 

Рис.3 Блок контроля результата.

Блок БКV содержит узел 1, выполняющий свертку округленного результата V0, и сумматор по модулю три 2, который сравнивает результат свертки с контрольным кодом КV0 округленного результат, вычисленным по контрольным кодам фрагментов.

4. Описание блоков устройства контроля


Схемы блоков устройства контроля описываются прямым списком, который оформляется с использованием таблиц.

Для каждого типа элемента заполняется отдельная таблица. Столбец таблицы содержит описание соединений входов (вх.) и выходов (вых.) одного элемента (эл.). Входами элемента могу бать входы устройства контроля или выходы других элементов.

Входы устройства контроля нумеруються числами натурального ряда:

Схема блока УУ выполнена с использованием одного типа элементов (умножите лей по модулю три. Все коньюкторы в схеме так же заменяются умножителями по модулю три с зануленным входом с весом 2) и поэтому описывается одной таблицей. Перед заполнением таблицы определяются номера входов устройства контроля и параметр С.

Для разрядности операндов n=30 и количества отбрасываемых разрядов k=25 имеет место следующая нумерация входов устройства:

·        входы разрядов операнда  - числами ;

·        входы разрядов контрольного кода  - числами

·        входы разрядов перанда  - числами

·        входы разрядов контрольного кода  - числами

·        входы разрядов результата  - числами

·        входы отбрасываемых разрядов  усеченного произведения  - числами

Нумерация выходов элементов начинается с номера С = 100. Номером 500 обозначается зануление входа.

Описание схемы блока устройства умножения (УУ) представлено в табл 4.1

Описание схемы блоков ФК, ФКV и УВ представлено в табл.4.2.

Табл.4.1. Описание схемы блока устройства умножения (УУ).



Табл.4.2. Описание схемы блоков ФК, ФКV и УВ.


5. Алгоритм получения описаний


Процедуры получения описаний схем блоков устройства контроля формализованы в виде алгоритмов составления таблиц.

Таблицы представляются двухмерными массивами данных.

5.1 Определение и описание ключевых данных


Ключевые данные для схемы УУ.[1] = ( (k - 1) /2) /4 - количество фрагментов в нижнем треугольнике.[2] = ( (k + 1) /2 - 1) /2 - количество фрагментов в верхнем треугольнике.[3] = C + (n + 2) * 2 - номер первого выхода схемы;[4] = (k - 1) /2 - количество коньюкторов в схеме.[5] = n + C - номер второго разряда для общего контрольного кода числа А.[6] = C + 2*n - номер первого разряда для общего контрольного кода числа В.[7] = (n - k) +1 - номер первого отбрасываемого разряда.[10] = n - количество разрядов у сомножителей.[11] = 500 - номер зануления.[12] = D [5] + 2 + D [1] * 2 - номер первого разряда для первого вычисляемого контрольного кода.[13] = D [4] + (n - k) + n + 2 - номер первого разряда для контрольного кода первого фрагмента верхнего треугольника.[14] = D [5] + 2 + D [1] * 2 * 2 - номер первого выхода для четвертого вычисляемого контрольного кода КВ.[15] = k + 1 - количество умножите лей по модулю три (количество фрагментов).[16] = C + 2 * D4 - 2 - номер с которого начинается нумерация вычисляемых контрольных кодов для KA.

Ключевые данные для схем ФК, ФКV и УВ.[1] = k + 1 - количество умножите лей по модулю три (количество фрагментов).[2] = n - k - количество отбрасываемых разрядов.[3] = ( (D [2] + 1) - 2) /2 - количество сумматоров для свертки отбрасываемых разрядов.[4] = D [3] + (D [1] - 2) + 1 - количество сумматоров общее.[5] = C + 2 * (n + 2) + 2 * (k + 1) - номер первого выхода.[6] = C + 2 * (n + 2) - первый номер первого выхода множителя по модулю 3.[7] = 3 * n + 5 - номер начала усеченного произведения.[8] = 500 - номер зануления.

5.2 Описание закономерностей


Закономерности для таблицы 4.1

Первая закономерность: в столбцах 4 и 5 в пределах строк всех строк значения увеличиваются на два начиная со значений D3 и D3 + 1

Вторая закономерность: в столбцах 1 и 3 в пределах строк 0  (D4 - 1) записываются значения D11.

Третья и четвертая закономерность: в столбцах 0 и 2 в пределах строк 0  (D2 - 1) числа увеличиваются на два и уменьшаются на два начиная с D7 и (D10 - 1) соответственно.

Пятая и шестая закономерность: в столбцах 0 и 2 в пределах строк D4  D2 (в обратном порядке) числа уменьшаются на два и увеличиваются на два начиная с (D10 - 1) и d7 соответственно.

Седьмая закономерность: в столбце 2 и 3 в строке D4 подаются разряды КВ1.

Восьмая закономерность: в столбцах 2 и 3 в четных строках начиная от D4 + 2 и заканчивая (D4 + 2 * D1).

Девятая закономерность: в столбцах 2 и 3 в нечетных строках начиная от D4 и заканчивая (D4 + 2 * D1) числа уменьшаются с шагом 4 начиная с чисел (D10 - 1) и D10 соответственно.

Десятая закономерность: в столбцах 2 и 3 строке (D15 - D2) записывается контрольный код первого фрагмента верхнего треугольника.

Одиннадцатая закономерность: в столбцах 2 и 3 в пределах строк (D15 - D8) до (D15 - 1) числа увеличиваются с шагом два начиная с чисел D14 и D14 + 1 соответственно.

Двенадцатая и семнадцатая закономерности: в последнем столбце всегда умножаются контрольные коды чисел А и В.

Тринадцатая закономерность: в столбцах 0 и 1 в пределах четных строк от D4 до (D4 + D1 * 2) числа изменяются с шагом два начиная с чисел D16 + 2 и D16 + 3.

Четырнадцатая закономерность: в столбцах 0 и 1 в строке D4 + D1 * 2 всегда подается первые вычисляемых контрольный код для А.

Пятнадцатая закономерность: в столбцах 0 и 1 в пределах нечетных строк от D4 до (D4 + D1 * 2) числа увеличиваются с шагом четыре начиная с чисел D7 и D7 + 1.

Шестнадцатая закономерность: в столбцах 0 и 1 в пределах строк (D4 + D1 * 2 + 1) до (D15 - 2) числа уменьшаются с шагом два в обратном порядке, начиная с чисел D10 и (D10 - 1).

Закономерности для таблицы 4.2

Первая закономерность:

5.3 Описание алгоритма


Описание алгоритма для КА.

Блок 1 начало.

Блок 2 выполняет ввод исходных данных: разрядности операндов n и параметра сокращения вычислений k.

Блок 3 определяет все необходимые ключевые данные.

Блоки 4 - 6 заполняют строки 4 и 5 для всех столбцов матрицы Х.

Блок 7 заполняет строчки 3 и 4 столбца 0.

Блоки 8 - 10 заполняют строки 0 и 1 столбцов от 0 до D5 - 1.

Блок 11 заполняет строку 0 столбца D5 - 1 значением D10.

Блоки 12 - 14 заполняют строки 0, 1, 2 и 3 столбцов от D [5] до D [5] + D [6] - 1.

Блок 15 заполняет строки 2 и 3 столбцов D5 + D6.

Блоки 16 - 18 заполняют строки 1 и 2 столбцов от D [5] + D [6] до D [5] + D [6] + D [7] - 1.

Блоки 19 - 21 заполняют строки 0 и 1 столбцов от D [5] + D [6] + D [7] до D [5] + D [6] + D [7] + D [9] - 1.

Блок 22 заполняет значение в строке 1 столбца D [5] + D [6] + D [7] + D [9] - 1 значением D10.

Блоки 23 - 25 заполняют строки 2 и 3 столбцов от D [5] + D [6] + 1 до конца таблицы.

Блок 26 заполняет значениями строки 0 и 1 столбцов D8 - 1 и D8 - 2 соответственно.

Блок 1 начало.

Блок 2 выполняет ввод исходных данных: разрядности операндов n и параметра сокращения вычислений k.

Блок 3 определяет все необходимые ключевые данные.

Блоки 4 - 6 заполняют строки 4 и 5 столбцов от 0 до D [7] - 1.

Блок 7 заполняет значениями строки 2 и 3 столбца D [4].

Блоки 8 - 10 заполняют значениями строки 0 - 3 столбцов от D [4] до D [4] + D [5] - 1.

Блок 11 заполняет значениями строки 0, 1 столбца D [4] + D [5] и строки 2 и 3 столбца D [4] + D [5] + 1.

Блоки 12 - 14 заполняют значениями строки 0 и 1 столбцов от D [4] + D [5] + 1 до D [4] + D [5] + D [6] + 1.

Блоки 15 - 17 заполняют значениями строки 2 и 3 столбцов от D [4] + D [5] + 2 и до конца таблицы.

Блок 18 заполняет значениями строки 0 и 1 столбцов D [7] - 2 и D [7] - 1.

Вывод


В ходе выполнения данной курсовой работы был синтезирован средство функционального диагностирования вычислительного устройства. Были спроектированы блоки устройства контроля по модулю три матричного умножителя с сокращением вычислений для обработки матриц чисел с плавающей точкой.

По заданному вариантом было построено разбиение матрицы умножителя, были синтезированы контрольные коды каждого фрагмента разбиения, по этим кодам были построены схемы устройств контроля, для которых были получены описания. По этим описаниям были найдены закономерности относительно зависимости описаний от разрядности матрицы и разрядности части матрицы. Были составлены алгоритмы и написаны программы (на языке программирования С++), генерирующих описания схем устройств контроля для матрицы с большей разрядностью.

Расходы элементов с увеличением матрицы растут в линейной зависимости от разрядности операндов (множителя и множимого), а не в квадратической, как это происходит в схеме контроля без усечения.

Список литературы


1.       Дрозд О.В. "Методичні вказівки до курсової роботи з дисципліни "Діагностика комп’ютерних систем"". - Одеса, 1999.

2.       Дрозд О.В. "Арифметичні основи обчислювальної техніки: учбовий посібник". - Одеса: ОГПУ, 1998;

3.       Рабинович З.Л. "Типовые операции в вычислительных машинах". - Киев: Техника, 1980.

.        Журавлёв Ю.П. "Надёжность и контроль ЭВМ". - М.: Сов. радио, 1976.


Не нашли материал для своей работы?
Поможем написать уникальную работу
Без плагиата!
Без нейросетей!