Устройство для реографии аорты и легочной артерии
Введение
Изучение центрального и периферического
кровообращения и изменения тонуса сосудов при нормальных и патологических
состояниях организма имеет большое теоретическое и практическое значение при
физиологических исследованиях в диагностике заболеваний сердечно-сосудистой
системы.
Развитие электроники обусловило появление
принципиально новых методов исследования сердечно-сосудистой системы, таких как
реография.
Реография - неинвазивный метод исследования
кровоснабжения органов, в основе которого лежит принцип регистрации изменений
электрического сопротивления тканей в связи с меняющимся кровенаполнением. В
силу высокой информативности, малого времени проведения исследования и
безопасности для пациента, реография в настоящее время является популярным методом
выявления патологий различных органов человеческого организма. Для изучения
работы сердца проводят так называемую центральную реографию - определение
кровотока в аорте и легочной артерии.
Реография аорты и легочной артерии широко
используется в клинической практике для расчета структуры правого и левого
желудочков сердца, оценивающей сократительную функцию миокарда. [1]
Возросший интерес физиологов и врачей к
косвенным методам исследования кровенаполнения органов человека свидетельствует
об актуальности реографии. Очевидно, состояние исследований в области
физиологии кровообращения и медицинской диагностики было бы невозможно без
наличия соответствующей техники.
Колебания электрического сопротивления
регистрируются аппаратом - реографом в виде кривой - реограммы. Данная работа
посвящена разработке устройства для реографии аорты и легочной артерии.
1. Технико-экономическое обоснование
Кровообращение является основной,
фундаментальной функцией организма, что свидетельствует о важнейшей роли
сердечно-сосудистой системы в жизни человека и животных. К основным функциям
сердечно-сосудистой системы относят снабжение тканей и органов кислородом и
питательными веществами, удаление из организма углекислоты и других
метаболитов, обеспечение кислотно-основного баланса в организме и
нейро-гуморальной регуляции всех его функций. Такие разносторонние функции
сердечно-сосудистой системы обусловливают важность оценки её состояния.
Реографические (импедансные) способы контроля
дают врачу преимущества быстрой неинвазивной диагностики состояния
гемодинамики, обеспечивая возможность обойтись без использования дорогих и
небезопасных инвазивных процедур.
В настоящее время большинство отечественных
медицинских учреждений не могут позволить себе приобретение современных
реографов из-за их высокой стоимости, что объясняется их иностранным
происхождением. Поэтому купить такой прибор весьма проблематично. Следует так
же учесть затраты на «содержание» и ремонт оборудования в случае необходимости.
Иными словами, требуется разработать более
дешевый, т.е. более доступный, но не менее надежный, комфортный и точный
прибор.
Разрабатываемый реограф должен быть:
простым в эксплуатации;
достоверным;
безопасным;
надежным;
помехозащищенным.
Разработка требуемого диагностического
устройства в данном курсовом проекте будет производиться с учетом, анализом и
использованием существующих технических и методических наработок в используемых
в настоящее время приборах.
За счет использования элементов преимущественно
отечественного производства, стоимость прибора удастся значительно понизить.
Разрабатываемое устройство будет иметь возможность подключения к любому
современному компьютеру, следовательно, сможет обрабатывать информацию о
состоянии пациента с большей скоростью.
С учетом вышеизложенного разработка реографа
является технически оправданной и экономически выгодной.
2. Анализ известных методов решения
поставленной задачи
Биологические ткани, в том числе ткани тела
человека, способны проводить электрический ток.
В связи с тем, что кровь обладает значительно
большей электропроводностью по сравнению с другими тканями, при увеличении
объема крови в каком-либо участке сосудистой системы, происходит увеличение
электропроводности (уменьшение сопротивления), а после уменьшения объема в
результате оттока крови отмечается уменьшение электропроводности.
Принципиальной основой метода реографии является
зависимость изменения сопротивления от изменения кровенаполнения в изучаемом
участке тела человека. Другими словами, изучаются пульсовые колебания
электрического сопротивления.
Более полное представление о пульсовых
колебаниях электрического сопротивления получают при учете (соотношении)
базового сопротивления исследуемого участка (т.е. суммарного сопротивления тела
зондирующему току высокой частоты). Полный импеданс (сопротивление)
состоит из двух величин, постоянный или базовый импеданс,
обусловленный общим кровенаполнением тканей и их сопротивлением, и переменный
или пульсовой импеданс, вызванный колебаниями кровенаполнения во
время сердечного цикла. Величина пульсового импеданса ничтожно мала и
составляет 0,5-1 % общего импеданса. Вместе с тем, пульсовой импеданс
составляет объект изучения для реографии.
Колебания электрического сопротивления,
регистрируемые как реографические волны, подобно любым волновым колебаниям,
имеют определенные параметры, основными из которых являются период, амплитуда и
форма (строение) волны. [1]
2.1 Анализ реограммы
На реограмме можно выделить систолическую волну,
обусловленную систолическим притоком крови в изучаемую область, и диастолическую
волну, связанную преимущественно с венозным оттоком крови (рис.1)
Рисунок 1 - Схема определения основных
параметров реограммы: К - контрольный сигнал, Аарт - амплитуда основной волны
объемной реограммы (Ом), Асист - амплитуда объемной реограммы на уровне
максимума скорости нарастания систолической волны, Авен - амплитуда венозной
составляющей объемной реограммы на уровне максимальной скорости катакроты
(Ом),Аинц - амплитуда инцизуры объемной реограммы (Ом), Адикр - амплитуда
дикротической волны (Ом), Тсист - период изгнания (с), ИР - длительность
периода изоволюметрического расслабления (рассчитывается по реограмме аорты или
легочной артерии)
При количественной оценке реографической кривой
рассчитывают следующие показатели:
1. Реографический индекс (РИ) -
отношение максимальной амплитуды систолической волны к высоте калибровочного
импульса (Аарт/К). Этот показатель характеризует величину суммарного
кровенаполнения исследуемой области.
2. Амплитуда реограммы в момент
достижения максимальной скорости подъема кривой (Асист), а также ее отношение
ко времени этого подъема (Асист/a1). Эти два показателя отражают величину и
скорость кровенаполнения артерии изучаемого участка тела.
. Максимальная амплитуда первой производной
реограммы (Адиф/max).
4. Систоло-диастолический показатель -
отношение амплитуды систолической волны реограммы к максимальной амплитуде ее
диастолической части (Аарт/Адикр). Этот показатель косвенно характеризует
состояние венозного оттока.
. Индекс эластичности (ИЭ) -
отношение максимальной амплитуды систолической волны к ее амплитуде в конце
периода наполнения сосудистой области (Аарт/Авен). Это отношение является
косвенным показателем эластичности сосудистой стенки.
. Индекс тонуса (ИТ) - отношение
амплитуды реограммы в нижней точке инцизуры к максимальной амплитуде
систолической волны (Аинц/Аарт) - отражает величину тонуса сосудистой стенки и
хорошо коррелирует с величиной общего периферического сопротивления.
. Временной интервал Qх (время от начала
комплекса QRS ЭКГ до начала анакротического подъема систолической волны
реограммы), который характеризует скорость распространения пульсовой волны.
Нормальная реограмма легочной артерии имеет
пологую восходящую часть, закругленную верхушку с небольшим углублением в
середине или добавочной волной и плавный спуск. Кривая, снятая с аорты, имеет
более крутой подъем.
2.2 Выбор параметров зондирующего
тока
Регистрация реограмм осуществляется с помощью
реографов, которые состоят из различных элементов (генератора тока высокой
частоты, электродов, преобразователя импеданс - напряжение, детектора,
усилителей, фильтров и т.д.).
Для получения аргументированных обоснований по
выбору оптимальной амплитуды и частоты тока для регистрации реограмм
необходимо учитывать особенности параметров рогового слоя кожи, раздражающее
действие тока, поляризационные явления в слое электрод - ткань и др. [2]
Исследования показали, что низкие частоты (от
нескольких Гц до нескольких кГц) вызывают достаточно ощутимые раздражения нервных
стволов даже при весьма малых плотностях тока, что приводит к возникновению
болевых ощущений. В диапазоне 5 - 10 кГц обнаруживается значительное
сопротивление рогового слоя кожи и его нестабильность, меняется возбудимость
живой ткани, что вносит некоторую погрешность измерения.
Анализ работы реографов с различными диапазонами
рабочих частот позволяет сделать вывод о том, что приборы с диапазоном частот
30 - 50 кГц более устойчивы к работе, менее подвержены к воздействию помех и не
вызывают болевых ощущений у пациентов.
Данный диапазон частот применим для реографии
аорты и легочной артерии.
Амплитуду зондирующего тока следует выбирать из
диапазона 1.6 - 3 мА.
2.3 Биоимпедансные измерительные
преобразователи. Аргументация электродной техники
Совокупность электродов
образуют контактный биоимпедансный измерительный преобразователь (БИИП),
который накладывается на исследуемый участок биообъекта. По методу измерения
такие БИИП делятся на двухэлектродные (биполярные) и четырехэлектродные
(тетраполярные).
Биполярная и тетраполярная
реография решают общую задачу - измерение полного межэлектродного сопротивления
и его изменений, обусловленных пульсовым кровотоком в исследуемых областях или
участках тела биообъекта. Каждый из этих двух способов обладает рядом особенностей,
влияющих на конечный результат исследований.
Известно, что при биполярной
реографии имеется возможность проведения исследования практически на любом
участке тела биообъекта при любых межэлектродных расстояниях. Результаты
тетраполярных реографических исследований во многом зависит от формы и
взаимного расположения токовых и потенциальных электродов.
Тетраполярный способ реографии позволяет
проводить измерения на участках с наиболее равномерной плотностью тока в
исследуемом сегменте. Для биполярного способа реографии же, наоборот,
характерна неоднородность электрического поля, поэтому изменения гемодинамики в
тканях, расположенных непосредственной близости от электродов, оказывают
большее влияние на результаты измерений, чем изменения в глублежаших тканях.
При этом же способе в результате измерения межэлектродного импеданса ткани
вносится погрешность за счет дополнительного сопротивления в цепи пациента,
возникающего на переходе электрод-паста-кожа, что приводит к дополнительной
погрешности в измерениях количественных показателей кардио- и гемодинамики,
т.к. значение межэлектродного сопротивления (импеданса) или его активной
составляющей являются одними из компонентов всех расчетных формул определения
ударного и минутного объема сердца, пульсового объема крови.
Поскольку явления поляризации тесно связаны с
изменениями свойств перехода электрод - кожа, то при биполярных измерениях
предъявляются определенные дополнительные требования к качеству электродов, их
размерам и к обработке кожных покровов. Четырехэлектродный способ измерения
позволяет уменьшить погрешность, вносимую потенциалом поляризации в результаты
реографических исследований.
В данной работе будет разработан прибор для
проведения реографии, включенный по тетраполярной методике (рис. 2).
Рисунок 2 - Укрупненная структурная
схема тетраполярного реографа
При тетраполярной методике ток подводится по
двум электродам (проводящим) к исследуемому участку. Два других электрода
(измерительные) служат для измерения импеданса участка тела и располагаются
между токовыми электродами. [3]
Для записи реограммы аорты и легочной артерии
один токовый электрод располагают во втором межреберье справа от
срединно-ключичной линии, второй - в области нижнего угла правой лопатки.
Измерительные электроды располагают по подмышечной линии. Зачастую электроды
закрепляются в единый пластиковый шаблон, что позволяет иметь постоянные
условия измерений и получать сравнимые результаты при повторной регистрации
реограммы.
Провода токовых и измерительных электродов
должны быть удалены друг от друга и направлены в противоположные стороны.
Расстояние между токовыми и измерительными электродами - 1 см, расстояние между
токовыми - 10-12 см.
Для обеспечения более устойчивого
контактирования в слое электрод - ткань следует использовать электроды с
шероховатой поверхностью. Так же для улучшения контакта между электродом и
поверхностью тела пациента применяют тканевые прокладки, смоченные 20%-ным
раствором хлорида натрия, или электропроводный гель. Перед наложением
электродов кожу обезжиривают спиртом.
Электроды для реографии аорты и легочной артерии
- круглые серебряные пластины толщиной 2 мм и диаметром 15 мм, вмонтированные в
оправу из органического стекла.
3. Разработка функциональной схемы
прибора
Согласно поставленному заданию необходимо
разработать прибор для проведения реографического обследования аорты и легочной
артерии.
Функциональная схема прибора представлена на
рис. 3.

·
Генератор
тока высокой частоты необходим для того, чтобы пропустить ток через
биологический объект.
· Гальваническая развязка необходима
для предотвращения поражения человека электрическим током.
· БИИП преобразует измеряемое
сопротивление в эквивалентное ему напряжение.
· Электрические сигналы, имеющие
биологическую природу очень малы, поэтому для дальнейшей обработки информации
необходимо усилить сигнал, снятый с БО. Для этого используется усилитель.
· Детектор разделяет положительные и отрицательные полуволны сигнала.
· ФНЧ
и ФВЧ необходимы для выделения полосы частот, информативных в реографии.
· Масштабирующий усилитель необходим
для согласования для согласования амплитуды сигнала с диапазоном преобразования
АЦП микроконтроллера.
· Для записи, обработки результатов и
передачи их в персональный компьютер (ПК) необходимо использовать
микроконтроллер. В процессе обработки сигнала участвуют различные компоненты
микроконтроллера - АЦП, порты ввода-вывода, регистры, арифметико-логическое устройство,
порт сопряжения с персональным компьютером и др.
· Для сопряжения с ПК необходим
интерфейс.
· Аналоговый регистратор предназначен
для записи информации в виде, удобном для исследователя.
4. Разработка принципиальной схемы
прибора и расчет её отдельных узлов
.1 Генератор тока высокой частоты
реограмма аорта
тетраполярный электрорадиоэлемент
С учетом проведенного ранее анализа методов
решения поставленной задачи, на тело человека должен поступать ток амплитудой
1.6 - 3 мА частотой 30 - 50 кГц.
Принимаем амплитуду тока равной 2 мА, частота 40
кГц.
Принципиальная схема источника тока представлена
на рис. 4.
Рисунок 4 - Источник тока прибора
для реографических исследований
Он состоит из генератора
прямоугольных импульсов, собранного по схеме мультивибратора на элементах D1.1 и D1.2 и Т -
триггера. [3]
Когда на выходе D1.1 значение
логическая «1» (на выходе D1.2 логический «0»), емкость С1
заряжается, напряжение на входе D1.1 возрастает и при достижении им
порогового значения (
) происходит
скачкообразный переход:
· на выходе D1.1
- логический «0»;
· на выходе D1.2
- логическая «1».
Емкость разряжается током обратного направления.
Когда емкостное напряжение достигает порогового значения, схема возвращается в
первое динамическое состояние.
R1 - ограничительный
резистор, выбирается величиной не менее 1 кОм исходя из условия R1
< 0.01 R2. R2
выбирают из диапазона 20 кОм..10 МОм. Конденсатор С1 - из диапазона
30пФ…100мкФ.
Прямоугольные импульсы с частотой 40 кГц с
выхода D2 поступают на
генератор тока, выполненный на транзисторе VT1,
в коллекторную цепь которого включена обмотка трансформатора T1,
служащего для гальванической развязки электронной схемы от пациента и
уменьшения эффекта поляризации электродов.
Токовая электродная группа подключена ко
вторичной обмотке трансформатора T1
через конденсаторы С1 и С2. Коэффициент трансформации выбран 1:1 для создания
амплитуды зондирующего тока 2 мА.
На выходе микросхемы DD2
напряжение высокого уровня 2,5 В. Поэтому следует выбрать значение Еп = 5 В для
того чтобы сигнал не зарезался на выходе каскада, а так же в соответствии с
требованиями безопасности для человека.
Выберем коэффициент усиления каскада на
транзисторе 1. Значит напряжение на выходе 2.5 В. Двустороннее питание
обеспечит рабочую точку транзистора в 0. На выходе необходимо получить ток 2
мА, т.е. Iк = 2 мА:
(1)
Сопротивление в цепи коллектора:
(2)
Следовательно,
R3 = 3.6 кОм
по ряду Е24
Т.к. коэффициент усиления =1, то Rк = Rэ, значит R4 + R5 = 3.6 кОм
Выберем R4 = 1.5 кОм.
Переменный резистор R5 = 2.2 кОм.
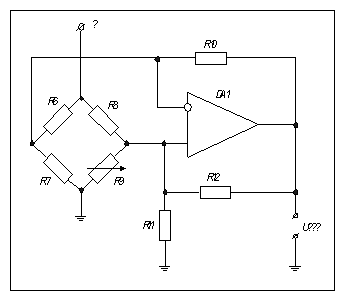
4.2 Преобразователь сопротивления в
напряжение
В таких преобразователях в качестве
параметра сигнала, несущего информацию о сопротивлении, могут использоваться
амплитуда, частота или фаза напряжения, однако предпочтение отдается амплитуде
сигнала. В данной работе использован преобразователь, схема которого приведена
на рис. 5.
Рисунок 5 - Преобразователь
сопротивления в напряжение
Резистор R9 играет
роль измеряемого соротивления. Если мост (R6=R7=R8=R9=R)
сбалансирован, то напряжение на выходе равно нулю. Разбалансировка моста
свидетельствует об изменении R9, следовательно, на выходе появится
напряжение, эквивалентное измеряемому сопротивлению.
Выходное напряжение данного
преобразователя:
(3)
Между сопротивлениями резисторов
принимаются следующие соотношения:
(4)
для того, чтобы выходное напряжение
было равно нулю, когда мост уравновешен;
(5)
для обеспечения линейной зависимости
Uвых от ΔR. [2]
Подставляя (2) и (3) в выражение
(1), получим:
(6)
Принятые соотношения позволяют найти
сопротивления резисторов R11 и R12, если
известны сопротивления R и R10:
(7)
(8)
Согласно заданию R принадлежит
диапазону 30…1000 Ом, ΔR - 0…0.1 Ом.
Принимается R = 100 Ом и R10 = 1 кОм.
Тогда:
R11 =
2000+100=2100 Ом
R12 = 1000∙2100/1100
= 1909 Ом
По ряду Е24 выбираются номиналы
резисторов R11= 2.2 кОм,
R12 = 1.8 кОм
Выходной сигнал:
Uвых = 0.1∙1000∙2,5/100∙1800=0.0013
В
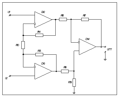
4.3 Расчет усилителя
Используемый усилитель
преобразованного сигнала построен на трех операционных усилителях (рис. 6)
Рисунок 6 - Схема усилителя
Первый каскад, состоящий из
усилителей DA2 и DA3 усиливает
сигнал в (R13+R14+R15)/R13 раз,
коэффициент передачи синфазного напряжения равен 1. Следовательно, дифференциальный
сигнал увеличивается на выходах DA2 и DA3 без
увеличения синфазного сигнала. Второй каскад, выполненный на ОУ DA4, в
дифференциальном включении усиливает дифференциальный сигнал в R17/R16 раз.
Такая схема имеет более высокий входной импеданс и обеспечивает большее
усиление и лучший КОСС по сравнению со схемами на одном ОУ. Кроме того,
величина КОСС менее чувствительна к точности подбора резисторов.
Полный коэффициент усиления:
(9)
Пусть Ku = 100
Ku1 = 20
Тогда:
)
=20
Т.к. R14=R15
=20
Пусть R13 = 5.1
кОм.
Тогда R14 = R15 = 51 кОм.
)
= 5
Пусть R16 = 6 кОм.
Тогда R17 = 30 кОм.
По ряду Е24 выбирается R17 = 30 кОм
Резисторы R18 и R19
выбираются соответственно равными R16 и R17.
Uвых = 0.0013∙100=0.13 В
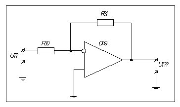
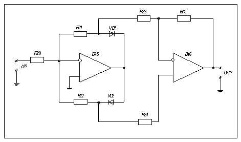
4.4 Расчет детектора
С выхода
усилителя сигнал подается на детектор, который разделяет положительные и
отрицательные полуволны входного сигнала. Детектор построен по схеме
двухполупериодного выпрямителя. Схема детектора представлена на рисунке 7.
Рисунок 7 - Схема детектора
Для
отрицательных полуволн Uвых DA5 = 0, так как диод VD1 закрыт. Для
положительных полуволн диод VD1 открывается, выпрямитель работает как инвертирующий
усилитель. Поскольку сопротивления открытых диодов разные, то необходим подбор
резисторов R23, R24, которым добиваются равенства сигналов на входах
усилителя DA6. Второй усилитель объединяет полуволны входного сигнала
и усиливает их. На выходе детектора присутствует сигнал положительной
полярности.
R20=R21=R22=R23=R24=10 кОм
R25=20 кОм
Коэффициент усиления = 2,
следовательно, Uвых = 0.13∙2=0.26 В
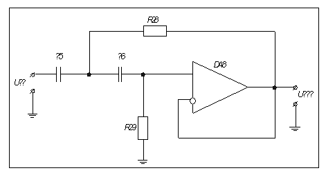
4.5 Расчет фильтров
С выхода
детектора сигнал поступает на ФНЧ, который представляет собой фильтр
Баттерворда 2-го порядка без обратной связи - коэффициент усиления равен 1 (рис. 8).
Рисунок 8 - ФНЧ Баттерворта 2-го
порядка
Известно, что частотный спектр
реограммы лежит в диапазоне 0.3 - 30 Гц.
Поэтому, частота среза для ФНЧ: fc1 = 30 Гц;
для ФВЧ: fc2 = 0.3 Гц.
Значения сопротивлений резисторов находятся из
передаточной функции НЧ фильтра:
, (10)
где а, b
-коэффициенты полинома; С4, С5 - номиналы емкостей; а=1,4142; b=1,0000
(табличное значение)
Чтобы сопротивления резисторов были
действительными должно выполняться условие:
=
=2, (11)
С4 ≥ 2С5
Возьмем согласно ряду номинальных
значений конденсаторов:
=1×10-6 Ф, С4=2,2×10-6 Ф, тогда:
= 4882 Ом
R26=R27 = 4.7 кОм
по ряду Е24
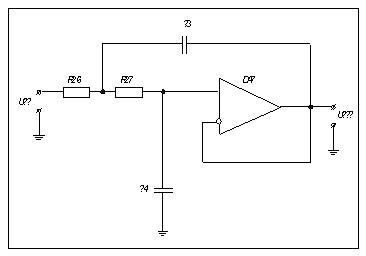
На
следующем этапе сигнал отфильтровывается ФВЧ, в качестве которого выбран фильтр
Баттерворта 2-го порядка (рис.9):
Рисунок 9 - ФВЧ Баттерворта 2-го
порядка
Коэффициент усиления равен 1.
Частота среза - 0.3 Гц.
Пусть С6=С7=С=10-6 Ф. Тогда
,
,(12)
где а, b
-коэффициенты полинома; С6, С7 - номиналы емкостей; а=1,4142; b=1,0000
(табличное значение). [4]
Ом, R29= 750 кОм
Ом, R28=360 кОм.
4.6 Расчет масштабирующего усилителя
Масштабирующий усилитель
необходим для согласования для согласования амплитуды сигнала с диапазоном
входных значений сигнала для АЦП микроконтроллера. Схема масштабирующего
усилителя представлена на рис. 10.
Рисунок 10 - Масштабирующий
усилитель
Необходимый сигнал на входе АЦП
микроконтроллера равен 5 В. В связи с этим, коэффициент усиления принимается
равным
(13)
Выбираем Ku = 10
Соответственно, резисторы R30 = 10 кОм,
R31 = 1 кОм.
Принципиальная схема устройства представлена в
приложении.
5. Выбор элементной базы
Выбор
элементов генератора тока.
Он состоит из генератора прямоугольных импульсов,
собранного по схеме мультивибратора на элементах DD1.1
и DD1.2 и Т - триггера.
Выберем соответственно микросхемы К155ЛА18 и К555ТМ2. К155ЛА18
представляет собой два логических элемента 2И-НЕ К555ТМ2 - D-триггер, технология ТТЛ, напряжение питания 5 В ± 5 %, выходное
напряжение низкого уровня не более 0,4 В, выходное напряжение высокого уровня
2,5 В.
В качестве транзистора выбран КТ315,
трансформатор ТА13-127/220-50.
Выбор резисторов
В соответствии с расчетами принципиальной схемы
и выбранными номи- налами, в данной работе использованы модели металлопленочных
резисторов с углеродным проводящим слоем (С2-23
0.125/0.25 вт, 1%,), а так же переменный однооборотный с круговым
перемещением подвижной системы резистор (СП3-4АМ А 0.25Вт 2.2 кОм 20%),
предназначенные для работы в цепях постоянного, переменного и импульсного тока.
Выбор конденсаторов
В качестве конденсаторов выбраны пленочные
металлизированные конденсаторы К73-17 с допуском 5 %, применяемые в цепях
постоянного, переменного, пульсирующего токов и в импульсном режиме.
В качестве операционных усилителей выбраны
микросхемы типа КР1407УД1 - отечественный прецизионный усилитель,
характеризующийся напряжением питания ±5 В, низкими входными напряжением и
током смещения, малым значение температурного дрейфа нуля. Обладает высоким
значением коэффициента ослабления синфазного сигнала.
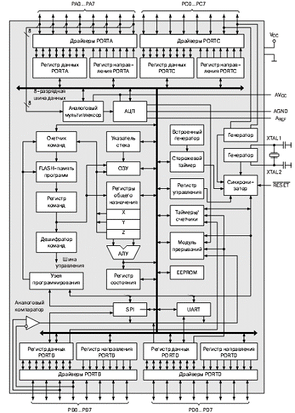
Выбор микроконтроллера
После усиления сигнал поступает на АЦП
микроконтроллера. В данной работе используется микроконтроллер AT90S8535
семейства AVR
Classic (рис.11). За последние годы микроконтроллеры AVR приобрели большую популярность, привлекая разработчиков достаточно выгодным
соотношением показателей
«цена/быстродействие/энергопотребление», удобными режимами программирования, а
так же доступностью программно-аппаратных средств поддержки.
Микроконтроллеры
этой серии представляют собой удобный инструмент для создания современных
высокопроизводительных и экономичных встраиваемых контроллеров многоцелевого
назначения.
Отличительные особенности данного
микроконтроллера:
1. Очень
быстрая гарвардская RISC-архитектура загрузки и выполнения большинства
инструкций на протяжении одного цикла тактового генератора. При этом
достигается скорость работы приблизительно 1 MIPS на МГц (MIPS - Millions
Instructions per Second - миллион операций в секунду).
2. Программы
содержатся в электрически перепрограммируемой постоянной памяти программ FLASH
ROM. Эта память может быть перепрограммирована до 1000 раз. Это облегчает
настройку и отладку систем.
. Микроконтроллеры
AVR имеют 32 регистра, напрямую работающих с арифметико-логическим устройством
(АЛУ). Это значительно уменьшает размер программ.
. Наличие
перепрограммируемой постоянной памяти данных EEPROM, которая может быть
перепрограммирована более 100000 раз.
. Восьмиканальный
10-ти разрядный АЦП.
. Программируемый
последовательный UART.
. 16-ти
разрядный таймер/счетчик
Рисунок 11 - Структурная схема микроконтроллера AT90S8535
AT90S8535
тактируется частотой 10 МГц, формируемой элементами C8,
C9, Z1.
Кварцевый резонатор Z1,
используемый в данной работе, РПК01-HC-49S 10.0000 МГц, емкости С8 = С9 =
К10-17А-М47-39Пф, 5%
Выбор аналогового регистратора
В качестве аналогового регистратора
используется устройство H3038 - быстродействующий самопишущий прибор, используемый в
медицинской технике, рабочий частотный диапазон от 0 до 100 Гц. Подвижная часть
прибора имеет пишущий инструмент, оставляющий след на движущейся бумажной
ленте, регистрируя изменяющуюся во времени величину.
Выбор используемого
интерфейса
Последовательный интерфейс RS232,
разработанный более 25 лет назад для компьютеров (в основном для их связи с
модемами до сих пор не утратил своего коммуникационного назначения. Следует
учесть, что это едва ли не единственное средство связи между компьютером и
микроконтроллером, аппаратно присутствующее и в первом и во втором. Интерфейс
RS232 является последовательным. Для подключения
микроконтроллера к каналу RS-232
требуется дополнительное устройство. В данной работе используется микросхема MAX232AEPE. Функциональное назначение электронного компонента
MAX232AEPE: многоканальный приемопередатчик интерфейса RS-232 с питанием +5В.
Для данного вида микросхем необходимо наличие внешних конденсаторов (С10, С11)
емкостью 0.1 мкФ.
Выбор
блока питания
Для того, чтоб рассчитать емкость аккумулятора
необходимо подсчитать суммарный ток, потребляемый микросхемами.
|
Микросхема
|
Потребляемый
ток, мА
|
Напряжение
питания
|
|
AT90S8535
|
6.4
|
5
|
|
MAX232AEPE
|
1
|
5
|
|
К155ЛА18
|
14
|
5
|
|
К555ТМ2
|
74
|
5
|
|
КР1407УД1
|
8∙9
= 72
|
5
|
|
Суммарный
ток
|
167.4
|
|
Следовательно для
использования в данной работе подойдет аккумулятор GP-17R9H-9V-170mAh-BC1
напряжением 9 В, емкостью 170 мА/ч. Т.к. микросхемы разрабатываемого прибора
имеют напряжение питания ±5 В, то необходимо использовать резисторы, снижающие
напряжение.
(14)
(15)
Полный перечень элементов
представлен в приложении.
6. Алгоритм работы микроконтроллера
Рисунок 12 - Алгоритм работы
микроконтроллера
Текст программы:
CSEG
AT 0; абсолютный
сегмент по адресу 0
LJMP START0003HMAINTIMERAT 60H: DS
10H; резерв
памяти
под
стек
Segment Data;
перемещаемый сегмент данных
RSEG
Mydata
ORG: 20H
Input: DS
6; место под входные данные
K:DS1;
место под калибровочный сигнал
ReoINd: DS1;
место под реографический индекс
AmplDS1; место под
значение амплитуды
SistDiastDS1;
место под систоло-диастолический показатель
IndElastDS1;
место под индекс эластичности
IndTonusDS1;
место под индекс тонуса
My_Prog Segment Code; перемещаемый
сегмент
My_Prog;
активация этого сегмента
org 30h
mov
ReoINd, #0; загрузка ReoINd
mov
Ampl, #0; задание
нулевых начальных
mov
SistDiast, #0; условий
mov
IndElast, #0
mov
IndTonus, #0
; Блок инициализации
Start:mov
SP, #Stack-1;
инициализация указателя стекаIT0; установление прерываний по срезуIE, #82H;
разрешение всех прерыванийEX0; разрешение внешнего прерыванияTMOD, #01H;
инициализация таймераTL0, #047H;запись кодов начальной задержкиTH0, #0F4H;в
таймерTR0;запуск таймераSCON, #052H; установка режима 8-битного UART
mov R1, #KR2, #Aart
mov R3, #AvenR4, #Adicr
R5, #Ainc
push
R0; сохранение
регистра
push R2R2R3R4R5_data:mov Ampl, @R0; поместить
в
Ampl значение
R0_GND:_GND: TIMER;
Вызов фоновой задачи
CLR
EA; запрет прерываний
;Нахождение
реографических показателей:
clr
C; очистка переноса
mov
A, R0;
забрать в аккумулятор R0
div
A, K;
вычисление реографического индекса
mov
R0, A;
результат поместить в R0
clr
C; очистка переноса
mov
R1, Ampl;
сохранение значения амплитуды в R1
clr
A
mov
A, R2
div
A, R4;
вычисление систоло-диастолического показателя
mov R4, AAA, R2
A, R3;
вычисление индекса эластичности
mov R3, AAA, R5
A, R2;
вычисление индекса тонуса
mov
R5, A
mov PD0, R0; передача данных в ПК
mov
PD0, R1PD0, R4PD0, R3PD0, R5 R5; очистка регистров
clr R4
clr
R3R2R1 R0
SETB EA;разрешение
прерываний
RETI
TIMER: push
ACC; сохранение
аккумулятора
push
PSW;сохранение в стеке
PSW
mov TH0, #0F4H;TL0, #047H;ACCPSW
END
7. Анализ составляющих погрешности и их расчёт,
расчёт суммарной погрешности
Наибольшая
часть погрешности обусловлена измерительным усилителем.
Операционный
усилитель КР1407УД1 обладает следующими характеристиками: Коэффициент усиления
К0 = 10000
Входные
токи = ±
20 нА
Разность входных токов = 2 нА
Температурный
дрейф нуля 50 мкВ/град. Цельсия
Номинальное значение напряжения
на выходе усилителя Uвых=Кн·U, Кн = 2000. Реальное
значение выходного сигнала Uвых=Кн·U+∆Uсм. Полагаем, что не предусмотрены регулировки коэффициента
усиления. Коэффициент усиления замкнутого операционного усилителя К=К0/(1+β·К0).
Здесь К0=10·103 - среднее значение коэффициент усиления
разомкнутого операционного усилителя К1407УД1, разброс коэффициента усиления от
экземпляра к экземпляру не более ∆К=1%, К0 = 100. Коэффициент
обратной связи β=0,5∙R13/R14=0.05.
Смещение на входе
усилителя складывается из следующих составляющих:
1) Смещение
нуля операционного усилителя ∆U1 = 10·10-6 В;
2) Смещение
нуля на выходе, обусловленное разностью входных токов
∆U2 =±∆Iвх ·R13·Кн =2·10-9
·2000·5.1 = 20.4·10-6 В;
3) Смещение
нуля на выходе, вызванное различием сопротивлений во входных цепях.
К неинвертирующему
входу:
rвх1= R13∙R14/(R13+R14)=5.1∙103·51∙103/(5.1∙103+51∙103)
= 4636 Ом.
К инвертирующему
входу:
rвх2= R13∙R15/(R13+R15)=5.1∙103·51∙103/(5.1∙103+51∙103)
= 4636 Ом.
Разность
сопротивлений входных цепей ∆rвх =0 Ом, т.е смещение на
выходе ∆U3=∆Iвх·∆rвх ·Кн=0 В;
4) Температурный
дрейф смещения ∆U4=±∆UТ·∆t = 50 ·10-6·1 = 50 мкВ.
5) Смещение нуля
под действием температурного дрейфа разностью входных токов ∆U5 = ±∆IТ · ∆t ·
R13·Кн = 2 · 10-9·5.1·103·20=204·10-6 В.
Первые три
составляющие смещение нуля остаются постоянными в пределах рабочих условий и
образуют погрешность установки нуля перед началом измерений ∆Uуст=∆U1+∆U2+∆U3=30.4·10-6 В.
Тогда смещение нуля
в процессе измерения не превышает
∆Uсм=±(∆Uуст+∆U4+∆U5) = ±284.4·10-6 В
Составим уравнение
погрешности усилителя, приведенной к выходу
(16)
Частные производные
,
(17)
, (18)
.(19)
Так как знаки
погрешностей элементов схемы неизвестны, все частные производные принимаем
положительными. Находим погрешность коэффициента обратной связи:
,
.(20)
Переходим к
относительной погрешности
(21)
Первое слагаемое -
относительное значение аддитивной составляющей погрешности.
Второе и третье
слагаемые - погрешность крутизны преобразования (коэффициента усиления):
Приведенная погрешность
в конце шкалы (U=Uмах) [5]
Погрешностью
микроконтроллера можно пренебречь, т. к. она очень мала.
Погрешность
фильтров принимается равной 0.1 %
Погрешность
выбранных резисторов 1%
Суммарная погрешность
8. Разработка конструкции прибора
Разработка
конструкции прибора начинается с расчета площади печатной платы. Чтобы
рассчитать площадь печатной платы, необходимо располагать информацией об
установочной площади элементов.
Для
резисторов: SустR =
31∙6.3∙2.3 = 449.19 мм2
Для
конденсаторов SустС = 11∙ 15∙ 7 = 1155 мм2
Операционные усилители Sуст= 10 ∙ 8.35 ∙ 9 = 751.5
мм2
Микроконтроллер Sуст= 52 ∙ 16 = 832 мм2
Микросхема MAX232AEPE Sуст= 8.35 ∙
20 = 167 мм2
Микросхема К555ТМ2 Sуст = 17.8 ∙ 10.2 =
181.56 мм2
Транзистор КТ315Б Sуст = 5.2 ∙ 5.2 ∙
3.14 = 84.9056 мм2
Трансформатор LM-LP-1001L Sуст = 18 ∙ 18 = 324 мм2
Диоды КД247Д Sуст = 2∙ 7 ∙ 3 = 42 мм2
Кварцевый генератор Sуст = 12.9 ∙ 12.9 =
166.41 мм2
S∑
= Ky∑Sустi,(22)
где S∑
- суммарная площадь; Ky
- коэффициент увеличения площади, зависящий от назначения радиоэлектронного
средства и условий эксплуатации и равный 1…5; [6]
S∑ =
13460 мм2
Исходя из расчетов, печатная плата имеет размеры
100 мм x 140 мм.
Таким образом, корпус прибора должен иметь
размеры 115x160x100
мм. На его передней панели располагается кнопка включения и разъемы для
электродов, на боковой панели - разъемы под интерфейс RS232
для связи с компьютером и аналоговым регистратором (рис. 13).
Рисунок 13 - Корпус
прибора
Заключение
В данном курсовом проекте проведен
анализ методов решения задачи конструирования реографического оборудования,
результатом которого стала разработка устройства для реографии аорты и легочной
артерии на основе тетраполярного метода регистрации реограмм, разработаны его
структурно-функциональная и принципиальная схемы, корпус, выполнен подбор
необходимых электрорадиоэлементов, а так же трассировка печатной платы. Одним
из путей усовершенствования разработанного прибора является использование
персонального компьютера в качестве дополнения к системе. Данный прибор
удовлетворяет требованиям технического задания.
Список использованной
литературы
1 С.А. Голь, В.Г. Кряков, Н.С. Харламова. Реография. Принципы
конструирования аппаратуры [Текст]. - Рязань: РГРТУ, 2008. 48 с.
2 Кореневский Н.А., Попечителев Е.П., Филист С.А.
Проектирование электронной медицинской аппаратуры для диагностики и лечебных
воздействий: Монография [Текст] / Курская городская типография. Курск, 1999.
537 с.
3 Р.В.Хемминг.
Цифровые фильтры [Текст]. М.: Сов. Радио,
1980, 224 с.
4 Садовский
Г.А. Основы теории погрешностей измерительных устройств: Учебное пособие.
Рязань: РРТИ, 1981. - 84 с.
5 Романычева
Э.Т. Разработка и оформление конструкторской документации РЭА. Справочник. -
М.: Радио и связь, 1989. - 448 с.
6 Интернет - магазин радиокомпонентов Платан [Сайт]. URL:
<http://www.platan.ru/cgi-bin/qwery.pl/id=11344&group=150>
7 Полищук В.И., Терехова Л.Г. Техника и методика реографии
и реоплетизмографии [Текст]. - М.: Медицина, 1983, 176 с.
Утямышев Р.И. Медицинская электронная аппаратура для
здравоохранения: Пер. с англ./ Л. Кромвелл, М. Ардитти и др. [Текст] - М.:
Радио и связь, 1981. - 344 с.
Якубовский С.В. Цифровые и аналоговые интегральные
микросхемы [Текст]. - М.: Радио и связь, 1990. - 496 с.