Ультразвуковой аппарат диагностики остеопороза
Курсовая
работа
Ультразвуковой
аппарат диагностики остеопороза
Введение
Целью работы является выбор и обоснование метода для безболезненной
неинвазивной диагностики остеопороза.
Остеопороз - системное заболевание скелета, которое характеризуется
снижением массы кости в единице объема, нарушением архитектоники костной ткани
и повышенной хрупкостью костей.
Это распространенная болезнь, часто называемая "молчаливой эпидемией
ХХ века", так как в большинстве случаев человек даже не знает, что у него
остеопороз до тех пор, пока потери кальция не приведут к переломам. Для
Украины проблема остеопороза весьма актуальна в связи с влиянием
неблагоприятных факторов чернобыльской катастрофы.
По данным Всемирной Организации Здравоохранения остеопороз как причина
инвалидности и смертности больных занимает четвертое место после таких
заболеваний как сердечно-сосудистые, онкологическая патология и сахарный
диабет.
Остеопороз относится к числу мультифакторных заболеваний, практически
любой человек подвержен риску заболевания остеопорозом, и предотвратить это
очень сложно.
На сегодняшний день для диагностики остеопороза чаще всего применяют
томографические и рентгенологические методы. Все они обладают рядом известных
недостатков, главные из них: необъективность (визуально снижение костной
плотности можно определить при её снижении не менее чем на 25 - 30 %), высокая
стоимость; иногда имеется дополнительная лучевая нагрузка на организм.
В настоящее время появилось много информации о возможности применения
ультразвуковых методов диагностики заболеваний костей. Их отличительная
особенность: безболезненное неинвазивное исследование, большая объективность,
возможность выявить остеопороз на ранних стадиях его развития даже при 2 -
5%-ой потере массы кости.
1. Статистические данные заболеваемости остеопорозом
По данным Всемирной Организации Здравоохранения остеопороз как причина
инвалидности и смертности больных занимает четвертое место после таких
заболеваний как сердечно-сосудистые, онкологическая патология и сахарный
диабет.
Каждая третья женщина и каждый шестой мужчина мира болен остеопорозом.
Наиболее распространенные из остеопоротических переломов - переломы шейки
бедра. 20-30% пациентов с таким переломом умерли в течение одного года; 30-40%
стали постоянно нуждаться в помощи других лиц. От последствий перелома шейки
бедра умирает больше женщин, чем от рака яичников, шейки матки и матки, вместе
взятых.
В настоящее время в мире проживает около 75 млн. челок с диагнозом
остеопороз. Число потенциальных больных может достигать 150 млн. человек.
По результатам исследований В.В. Поворознюка (д. м. н., профессор
Института геронтологии АМН Украины, Украинский научно-медицинский центр проблем
остеопороза, Киев) структурно-функционального состояния костной ткани у женщин
возрастом 20-89 лет остеопороз был обнаружен: у 13 % женщин (возрастная группа
50-59 лет), у 25 % (возрастная группа 60-69 лет), у 50 % (возрастная группа
70-79 лет) и у 53 % (возрастная группа 80-89 лет). Общее прогнозируемое
количество женщин Украины, больных остеопорозом, составляет 3005 тыс., или 11,8
% всего женского населения страны.
Эти данные свидетельствуют о том, что остеопороз в нашей стране
приобретает характер непредвиденной по своим масштабам эпидемии, предупредить
которую можно при условии создания общегосударственной программы диагностики,
профилактики и лечения данной болезни и её осложнений.
2. Опорно-двигательный аппарат человека
Одним из основных отличий животного (в том числе, и человеческого)
организма от растительного является его способность активно перемещаться в
пространстве.
Опорно-двигательный аппарат - это анатомическая и физиологическая
система, обеспечивающая перемещение в пространстве всего организма или его
частей друг по отношению к другу.
Как следует из ее названия, в этой системе выделяют опорную (пассивную,
скелетную) и двигательную (активную, скелетно-мышечную) части. Они связаны
между собой как функционально, так и по своему эмбриологическому происхождению
(развиваются из мезодермального зародышевого листка). В итоге опорно-двигательный
аппарат состоит из трех систем органов: 1) костей, 2) их соединений, 3)
скелетных мышц с их вспомогательными приспособлениями.
Всего на органы движения приходится около 72,5 процента всей массы тела
взрослого человека, причем на долю мускулатуры - около 80 процентов, а на
скелет - 14-20 процентов. Именно этим объясняется, в частности, тот факт, что
опорно-двигательная система определяет собой внешние формы и контуры тела;
определяет деление его на туловище, голову и конечности.
.1 Общая остеология
Скелет представляет комплекс плотных образований, развивающихся из
мезенхимы, имеющих механическое значение (рис. 1). Он состоит из отдельных
костей, соединенных между собой при помощи соединительной, хрящевой или костной
ткани, вместе с которыми и составляет пассивный аппарат движения.
Рис. 1. Скелет человека, вид спереди. 1 - череп; 2, 7 - позвоночный
столб; 3 - ключица; 4 - грудная клетка; 5 - грудина; 6 - плечевая кость; 8
-лучевая кость; 9 - локтевая кость; 10 - запястье; 11 - пясть; 12 - фаланги
пальцев руки; 13 - фаланги пальцев ноги; 14 - плюсна; 15- предплюсна; 16 -
большеберцовая кость; 17 - малоберцовая кость; l8 - надколенник; 19 - бедренная
кость; 20 -лобковая кость; 21 - подвздошная кость.
Костная система выполняет ряд функций, имеющих или преимущественно
механическое, или преимущественно биологическое значение.
2.2 Кость как орган
Кость, как орган живого организма состоит из нескольких тканей,
главнейшей из которых является костная.
Костное вещество состоит из двоякого рода химических веществ:
органических, в основном оссеина, и неорганических, главным образом солей
кальция, особенно фосфорнокислой извести (более 50%). Эластичность кости
зависит от оссеина, а твердость ее - от минеральных солей. Сочетание
неорганических и органических веществ в живой кости и придает ей необычайную
крепость и упругость.
Структурной единицей кости, видимой в лупу или при малом увеличении
микроскопа, является остеон, или гаверсова система, т. е. система костных пластинок,
концентрически расположенных вокруг канала (гаверсова канала), содержащего
сосуды и нервы (рис. 2): 1 - губчатое вещество, 2 - канал остеона, 3 -
перекладина губчатого вещества (трабекула), 4 - вставочные костные пластинки, 5
- ячейки губчатого вещества, 6 - компактное вещество, 7 - прободающие
питательные каналы, 8 - надкостница, 9 - общие наружные костные пластинки, 10 -
остеоны, 11 - костные пластинки остеона.
Рис. 2. Строение кости.
Остеоны не прилегают друг к другу вплотную, а промежутки между ними
заполнены промежуточными или вставочными (интерстициальными) костными
пластинками.
2.3 Классификация костей
В скелете различают следующие части: кости туловища (позвонки, ребра,
грудина), кости черепа (мозгового и лицевого), кости поясов конечностей -
плечевого (лопатка, ключица) и тазового (подвздошная, лобковая, седалищная) и
кости свободных конечностей - верхней (плечо, кости предплечья и кисти) и
нижней (бедро, кости голени и стопы).
Число отдельных костей, входящих в состав скелета взрослого человека,
больше 200, из них 36 - 40 расположены по средней линии тела и непарны,
остальные - парные кости.
По внешней форме различают кости длинные, короткие, широкие и смешанные.
Правильнее, однако, различать кости на основании 3 принципов, на которых
должна быть построена всякая анатомическая классификация, - формы (строения),
функции и развития.
С этой точки зрения можно наметить следующую классификацию костей (рис.
3):
I.
Трубчатые кости. Они построены из губчатого и компактного вещества, образующего
трубку с костномозговой полостью; выполняют все 3 функции скелета (опору,
защиту и движение). Из них длинные трубчатые кости (плечо и кости предплечья,
бедро и кости голени) являются стойками и длинными рычагами движения и, кроме
диафиза, имеют очаги окостенения в обоих эпифизах; короткие трубчатые кости
(пясть, плюсна, фаланги) представляют короткие рычаги движения, очаг
окостенения имеется только в одном (истинном) эпифизе.
II.
Губчатые кости. Построены преимущественно из губчатого вещества, покрытого
тонким слоем компактного. Среди них различают длинные губчатые кости (ребра и
грудина) и короткие (позвонки, запястье, предплюсна). К губчатым костям
относятся сесамовидные кости, т. е. похожие на сесамовые зерна растения кунжут,
откуда и происходит их название (коленная чашка, гороховидная кость,
сесамовидные кости пальцев руки и ноги); функция их - вспомогательные
приспособления для работы мышц. Сесамовидные кости располагаются около
суставов, участвуя в их образовании и способствуя их движениям, но с костями
скелета непосредственно не связаны.
III.
Плоские кости:
а) плоские кости черепа (лобная и теменные). Функция - преимущественно
защита (покровные кости).
б) плоские кости поясов (лопатка, тазовые кости), функция - опора и
защита; строение - преимущественно из губчатого вещества.. Смешанные кости
(кости основания черепа) - сюда относятся кости, сливающиеся из нескольких
частей, имеющих разную функцию, строение и развитие.
Рис. 3. Строение костей разной формы. А - бедренная кость; Б - пяточная
кость; В - позвонок: 1 - губчатое вещество, 2 - компактное вещество, 3 -
костно-мозговая полость.
3. Остеопороз
Значимость вопроса остеопороза для здравоохранения во многом определяется
широким распространением этого заболевания в большинстве стран мира и четким
прогнозированием увеличения заболеваемости на ближайшее будущее в связи с
ростом продолжительности жизни населения и числа пожилых людей. Острота проблем
усиливается тем, что заболевание имеет тяжелые осложнения. Сочетание этих
факторов ставит остеопороз на одно из первых мест среди наиболее частых причин
заболеваемости и смертности населения. По данным Всемирной Организации
Здравоохранения остеопороз как причина инвалидности и смертности больных
занимает четвертое место после таких заболеваний как сердечно-сосудистые,
онкологическая патология и сахарный диабет.
В номенклатуре ВОЗ остеопороз определяется как системное заболевание
скелета, которое характеризуется снижением массы кости в единице объема,
нарушением архитектоники костной ткани и повышенной хрупкостью костей, что
ведет к высокому риску переломов.
Костная ткань представляет собой постоянно обновляющуюся живую систему.
Нарастание пика костной массы происходит в подростковом возрасте, а вплоть до
40-45 лет у женщин и 60-65 лет у мужчин отмечается баланс процессов
костеобразования и костеразрушения. В более старшем возрасте в силу разных
причин происходит нарушение этого равновесия, и к 80 годам наблюдается
естественная убыль костной массы.
При развитии остеопороза происходит снижение костной массы и качества
кости, нарушается баланс процессов образования и резорбции кости, истончается
трабекула, нарушается минерализация органического матрикса, образуются
микротрещины, а затем происходят переломы костей. Все процессы костного
ремоделирования находятся под жестким контролем различных гормонов. Очень
важная роль принадлежит уровню кальция в крови, который регулируется гормонами,
вырабатываемыми щитовидной и пращитовидными железами. В этом процессе участвует
и витамин Д, который регулирует всасывание кальция в кишечнике и выведение его
почками.
Остеопороз
относится к числу мультифакторных заболеваний, и для диагностики очень важно
иметь представление об этих факторах. Среди факторов риска развития остеопороза
выделяют:
I. Генетические (этническая принадлежность (белая и азиатская расы),
семейная агрегация, пожилой возраст, женский пол, низкая масса тела, низкий пик
костной массы, отсутствие генерализованного остеоартроза).. Гормональные
(женский пол, ранняя менопауза, позднее начало менструаций, длительные периоды
аменореи до наступления менопаузы, бесплодие, заболевания эндокринной
системы).. Стиль жизни/особенности питания (курение, злоупотребление алкоголем,
кофеином, сидячий образ жизни, избыточная физическая нагрузка, непереносимость
молочных продуктов, низкое потребление кальция, избыточное потребление мяса,
дефицит витамина D).. Сопутствующие заболевания. . Длительное употребление
лекарств (глюкокортикоиды, тиреоидные гормоны, антикоагулянты (гепарин),
антиконвульсанты, препараты лития, химиотерапия, метатрексат, циклоспорин А,
препараты тетрациклина, диуретики (фурасемид), препараты фенотиазина, антациды,
содержащие алюминий, агонисты гонадотропного и гонадотропин-рилизинг гормона).
По классификации, принятой в 1997 году остеопороз разделяют на:
А. Первичный остеопороз (постменопаузальный остеопороз (1 типа), сенильный
остеопороз (2 типа), ювенильный остеопороз, идиопатический остеопороз).
Б. Вторичный остеопороз (заболевания эндокринной системы, ревматические
заболевания, заболевания органов пищеварения, заболевания почек, заболевания
крови, генетические нарушения, медикаменты).
По морфологическим критериям выделяют: трабекулярный, кортикальный и
смешанный остеопороз.
По метаболической активности: остеопороз с высоким костным
обменом, с низким уровнем метаболизма костной ткани и с нормальными
показателями костного метаболизма.
Среди всех форм остеопороза преобладающей является первичный
(пост-менопаузальный и сенильный), составляющий 85% всех случаев. Среди
вторичного остеопороза наиболее распространен стероидный и остеопороз при
эндокринных и ревматологических заболеваниях.
Широкое распространение и большое количество переломов, сопровождающих
остеопороз, позволяют отнести это заболевание в разряд очень актуальных
медицинских проблем, имеющих также и социальное значение. Довольно часто
остеопороз сопровождается переломами тел позвонков, что сопровождается сильным
болевым синдромом и потерей трудоспособности. Переломы шейки бедра (ПШБ)
требуют длительной госпитализации и во многих случаях хирургического лечения.
При синдроме Иценко-Кушинга остеопороз развивается в 95% случаев.
Патология костной системы здесь проявляется болями, явными рентгенологическими
изменениями, спонтанными переломами, а в детском возрасте - отставанием в
росте.
Основными задачами лечения остеопороза являются нормализация процессов
костного метаболизма, улучшение качества кости, и предотвращение переломов.
Лечение заболевания должно быть длительным с применением различных
патогенетических средств, которыми являются эстрогены, селективные модуляторы
эстрогенных рецепторов, кальцитонины и бисфосфанаты. остеопороз
ультразвук радионуклидный диагностика
В настоящее время ВОЗ признает остеопороз глобальной медицинской и
социальной проблемой и признает необходимость создания эффективной стратегии
диагностики, лечения и профилактики заболевания.
4. Методы исследования костей и суставов
Основными методами исследования костей и суставов являются:
· Анализы мочи,- помогают врачам диагностировать некоторые заболевания,
связанные с нарушением функций обмена веществ.
· Гонеометрия, - тест, помогающий определить функциональные
способности сустава (измерение кинематических характеристик движений в
суставах).
· Артрография, - при этом исследовании вводится контраст в
полость сустава и проводится рентгенологическое исследование.
· Пункция сустава и анализ пункционной жидкости (чаще всего
синовиальной), - исследование помогает поставить диагноз при инфекционных
поражениях сустава (например, хломидии).
· МРТ, - метод помогает визуализировать морфологическую
структуру сустава.
· Радионуклидные методы исследования, - эти методики
используются для выявления очагов поражения (избирательное накопление
радиоактивного вещества в пораженных тканях).
· Рентгенологическое исследование костей и суставов, -
проводится для распознавания основных заболеваний костей и суставов -
переломов, опухолей, воспалительных и дистрофических поражений суставов.
· Денситометрию периферических отделов скелета, - с помощью
этого метода можно уловить потери минеральной плотности костей
· Ультразвуковое исследование, - безболезненное неинвазивное
исследование, помогающее визуализировать морфологическую структуру связок,
суставов, суставных сумок.
Рис. 4. Основные места повреждения суставов
Остановимся на каждом из методов подробнее.
.1 Исследование синовиальной жидкости
Исследование синовиальной жидкости проводится для распознавания
заболеваний суставов различной природы. В каждом суставе его костные и хрящевые
образования покрыты оболочкой из соединительной ткани, которая называется
синовиальной. Клетки этой оболочки выделяют в полость сустава небольшое
количество жидкости - синовиальной, которая как бы «смазывает» суставные
поверхности, благодаря чему они не травмируются при движениях. При заболеваниях
суставов в составе жидкости происходят изменения, которые могут
свидетельствовать о тех или иных болезнях суставов.
Синовиальная жидкость получается путем (прокола) пункции сустава. Она
оценивается по ряду свойств: цвет, вязкость, прозрачность, характер сгустка и
клеточный состав.
В норме жидкость прозрачная, с высокой вязкостью, белка 10-15г/л, 10-15
лейкоцитов в поле зрения.
При артритах жидкость становится мутной, в ней определяется повышенное
количество лейкоцитов, что указывает на воспалительный процесс, и появляются
клетки рагоциты, которых никогда не бывает в нормальной синовиальной жидкости,
количество белка увеличивается. При некоторых заболеваниях могут быть выявлены
кристаллы мочевой кислоты.
Основной подготовки метод не требует. Недостатками является болезненность
метода, малая информативность (дает информацию только о воспалительных
процессах), иногда пункция сустава осложняется его инфекционным воспалением.
4.2 Артрография
Артрография - рентгенографическое исследование сустава. Выполняется
бесконтрастным методом или с использованием рентгеноконтрастных средств,
которые вводят в полость сустава.
При бесконтрастной рентгенографии сустав снимают в двух
взаимоперпендикулярных проекциях, что позволяет судить о форме, размерах и
патологических изменениях в суставных концах костей, о ширине суставной щели и
некоторых изменениях в мягких тканях сустава (обызвествления). При
необходимости делают снимки в дополнительных проекциях и томограммы.
Противопоказаний к исследованию нет.
Рис.5.
Пневмоартрография коленного сустава в прямой проекции.
На
рис. 5 показан пример пневмоартрографии коленного сустава в прямой проекции : 1
- вертикальный отрыв внутреннего мениска в паракапсулярной области. Над
медиальным мыщелковым бугорком межмыщелкового возвышения большеберцовой кости
выявляется внутрисуставное тело; 2 - сустав в норме.
Искусственное
контрастирование сустава осуществляется ведением путем пункции в его полость
газа (кислорода, закиси азота) - пневмоартрография, либо йодистых
водорастворимых рентгеноконтрастных средств. Исследование проводят в условиях
асептики. Метод контрастной артрографии используют для исследования хрящевых и
мягкотканных структур коленного сустава (менисков, связок, суставной сумки) с
целью выявления травматических и посттравматических изменений.
Недостатками
являются многочисленные противопоказания (острый артрит, повышенная
чувствительность организма больного к йоду и д.р.), малая информативность
метода относительно болезней самой кости.
4.3
Трепанобиопсия
Производится
взятие материала для последующего исследования из подвздошной кости таза.
Определяется структура костной ткани на микроскопическом уровне. Данный метод
может иметь ценность лишь при проведении дифференциальной диагностики с другими
патологиями. Для остеопороза характерно снижение объемного удельного веса
губчатого вещества, костных перегородок становится меньше, они истончаются,
становится тоньше и корковый слой кости.
4.4
Лабораторные методы исследования
Исследование
обмена в организме кальция производится при помощи определения в крови
количества общего и заряженного кальция, его выделения с мочой в течение суток.
При остеопорозе кальций содержится в крови в нормальном количестве, а в климактерическом
периоде оно может даже повышаться. Очень характерно повышенное выделение ионов
кальция вместе с мочой. В норме оно составляет 50-120мг.
Также
в диагностике заболевания весьма полезным оказывается определение так
называемых маркеров (буквально - меток, дополнительных веществ) остеопороза, к
которым относят:
)повышение
выделения с мочой оксипролина;
)повышенное
содержание в крови различных веществ и ферментов, например щелочной фосфатазы;
)пониженное
содержание в крови гормона остеокальцина, который является показателем
интенсивности образования новой костной ткани. Данное исследование совершается
методом радиоиммунной диагностики;
)повышение
выделения с мочой в течение суток пиридинолина и диоксипиридинолина. Содержание
данных веществ, напротив, говорит об интенсивности процессов разрушения
отжившей костной ткани;
)пониженное
содержание в кровеносном русле карбоксиамино-терминальных пептидов коллагена I
типа, которые свидетельствуют о функции костеобразования.
4.5
Магниторезонансная томография (МРТ)
Томография
- методика рентгенологического исследования, с помощью которого можно
производить снимок слоя, лежащего на определённой глубине исследуемого объекта.
При обычной рентгенографии <#"577427.files/image007.gif">
Рис.
6. Проведение костной денситометрии
Монофотонные
и моноэнергетические костные денситометры позволяют измерять костную плотность
в периферических отделах скелета (в стандартных условиях это средняя и
дистальная треть лучевой кости). Эти приборы достаточно портативны, точны в
измерениях и удобны для скриннинговых обследований и контроля за лечением,
однако они не могут измерить плотность кости в поясничных позвонках и
проксимальных отделах бедренной кости, предотвращение переломов в которых
является главной задачей при лечении остеопороза.
Помимо
измерения плотности костной ткани в любом участке скелета (стандартными
программами являются поясничные позвонки, проксимальные отделы бедренной кости
- шейка, трохантер, треугольник Варда, а также дистальная и средняя треть
лучевой кости), многие из них имеют программу "все тело", которая
позволяет определить содержание минералов во всем скелете, а также отдельно
жировой ткани и мышечной массы. В настоящее время отдают предпочтение
рентгеновским денситометрам перед изотопными, так как они не требуют замены
дорогостоящего источника изотопов, обладают большей разрешающей способностью,
меньше времени затрачивается на одно исследование, меньше лучевая нагрузка.
4.9
Рентгенологическая диагностика
До
сравнительно недавнего времени остеопороз распознавался почти исключительно с
помощью рентгенографии - путем визуальной оценки рентгенопрозрачности и
структуры костей на рентгенограммах. Чувствительность такого метода невысока и
зависит от массы тела, от качества рентгеновского снимка, на котором
сказываются многочисленные условия его выполнения, а кроме того (и в
значительной степени) от опыта врача, т.е. визуальное выявление и оценка
степени тяжести остеопороэа являются в определенной степени субъективными.
Задачами
классического рентгенологического исследования (стандартной рентгенографии) или
его усовершенствований (рентгенографии с повышенным разрешением) являются,
во-первых, обнаружение как самого остеопороза, так и его осложнений и,
во-вторых, дифференциальная диагностика остеопороза с различными
патологическими состояниями, способными приводить к уменьшению содержания в костной
ткани минеральных веществ. Стандартная рентгенография позволяет довольно
надежно распознавать остеопороз и оценивать его выраженность в диафизах
трубчатых костей на основе такого объективного симптома, как истончение
кортикального слоя, что приводит к изменению костного индекса (индекса
Нордина-Барнета) - соотношения между диаметром кости и толщиной кортикальной ее
части. При своей простоте и легкости этот метод работает четко лишь при
выраженных степенях остеопороза; из-за низкой чувствительности он мало пригоден
для диагностики ранних стадий остеопороза и из-за незначительных и медленных
колебаний (инертности) показателей - для наблюдения за динамикой процесса в
короткие сроки. Затруднительно, а порой невозможно сравнивать индекс
Нордина-Барнета у разных людей вследствие индивидуальных различий размеров
костей. Еще сложнее на стандартных рентгенограммах обнаружить остеопороз и
оценить его тяжесть в губчатом костном веществе. Здесь остеопороз проявляется
изменением трабекулярного рисунка, истончением замыкательных пластинок
суставных впадин, а в телах позвонков также повышенной контрастностью
замыкательных пластинок. Между тем при многих видах остеопороза изменения
возникают прежде всего в губчатом костном веществе и могут достигать здесь
наибольшей выраженности (это в первую очередь относится к остеопорозу
позвоночника). Различные попытки преодолеть трудности рентгенодиагностики
остеопороза губчатого костного вещества на уровне стандартного
рентгенологического исследования были до сих пор мало успешными.
Важнейшей
задачей классической рентгенологии была и остается дифференциальная диагностика
остеопороза, которая чрезвычайно широка и нередко затруднительна.
Рентгеновский
снимок кости - это своеобразное изображение на фотографической пленке различных
теней, зарисовываемых рентгеновыми лучами при прохождении их через составные
части кости и окружающие ее ткани. Ввиду того что одни только минеральные соли
главным образом задерживают лучи, на пластинке получается преимущественно лишь
изображение неорганического состава кости, получается, так сказать, один
только-«скелет скелета», а не картина всей кости. Прямого и непосредственного
изображения так называемых мягких тканей рентгенограмма непосредственно не
дает. Рентгенограмма, таким образом, представляет собой до известной степени
одностороннее специфическое извращенное плоскостное изображение кости.
Для
обнаружения остеопороза рентгенография информативна лишь при изменениях, когда
костная масса уже потеряна на 1/5-1/3 своей величины. Поэтому применение ее на
ранних этапах заболевания оправдывает себя мало. Основными же признаками
заболевания на рентгенограммах являются:
)рисунок
внутри костей в виде пятен различной величины;
)расширение
канала, проходящего в центре трубчатой кости;
)истощение
и истончение костного слоя по периферии, также характерно для длинных трубчатых
костей (например, головки бедра);
)четкость
визуализации коркового слоя костной ткани, причем не в отдельных местах, а
вокруг всей кости;
)костная
ткань выглядит на рентгенологическом снимке намного более светлой по сравнению
с нормальной, она кажется как бы прозрачной.
Существует
две формы проявления остеопороза на рентгенограммах: пятнистая и диффузная. При
пятнистой форме зоны разрушения костной ткани визуализируются в виде отдельных
или многочисленных просветлений, которые имеют чаще всего округлую форму и
небольшие размеры - 2-4 мм в диаметре. Их границы с нормальной костной тканью
неровные, нечеткие. В остальной кости при этом расстояния между костными
балками большие, корковый слой ее имеет нормальную толщину. Отличная от
предыдущей картина наблюдается при диффузной форме. Рисунок в кости однородный,
везде имеет как бы прозрачную структуру. Костные балки во всех зонах
значительно истощены.
Для
адекватной диагностики и выявления всех патологических изменений при
остеопорозе, как и при других распространенных поражениях позвоночного столба,
необходимо рентгенологическое исследование позвоночника как минимум в двух
проекциях.
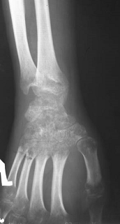
Рис.
6. Сенильный остеопороз стопы.
Рис.7.
Пятнистый остеопороз костей кисти (синдром Зудека).
5.
Физические основы ультразвука
Ультразвук
- колебания и волны в упругих средах с частотой, превышающей верхнюю границу
слышимого звука.
По
своей природе ультразвуковые волны не отличаются от звуковых, а также
инфразвуковых волн, имеющих частоту ниже нижней границы слышимого звука.
5.1
Акустические свойства биологических тканей
Акустические
свойства тканей характеризуются следующими параметрами: коэффициентом
поглощения звука α,
скоростью звука с, удельным
акустическим (волновым) сопротивлением ρс. Знание
этих параметров важно, поскольку величина α показывает, как убывает амплитуда плоской звуковой волны по мере ее
распространения в среде, а отношение удельных акустических сопротивлений сред,
через которые проходит ультразвук, определяет отношение интенсивностей в
падающей и отраженной волнах. Знание величины α позволяет также оценить степень нагрева биологических
тканей под действием ультразвука.
Измерения
коэффициента поглощения звука в биологических тканях обычно осуществляются
путем сравнения интенсивности звука, прошедшего через образец ткани
определенной толщины, с начальной интенсивностью звука. Строго говоря, такое
измерение позволяет определить не поглощение, а затухание звуковой энергии,
которое складывается из поглощения и рассеяния звука. Поэтому, чтобы не
получить завышенных результатов при измерениях α в тканях, экспериментатору необходимо учесть долю
акустической энергии, рассеянной исследуемым образцом.
Значения
α
в тканях человеческого тела представлены
в табл. 1. Там же представлены значения толщины ткани Н при уменьшении
интенсивности ультразвука в два раза от начальной величины.
Таблица
1. Значения коэффициента поглощения α и толщины ткани человека Н, при которых интенсивность
ультразвука уменьшается вдвое от начальной величины
|
Вид ткани
|
Частота ультразвука, МГц
|
α
|
, см
|
|
|
см-1
|
дБ/см
|
|
|
Плазма
|
0.87 1.7
|
0.02 0.04
|
17 8.7
|
|
Кровь
|
1
|
0.01
|
0.09
|
34
|
|
Жировая ткань
|
1 3 5
|
0.069 0.18 0.26
|
0.6 1.6 2.3
|
5.1 2 1.3
|
|
Подкожно- жировой слой
|
0.88 2.64
|
0.067 0.19
|
0.58 1.64
|
5.1 1.85
|
|
Мышца
|
0.8
|
0.1
|
0.87
|
3.6
|
|
Мышца, измерение вдоль
волокон
|
1 3 5
|
0.08 0.3 0.4
|
0.7 2.6 3.5
|
4.4 1.2 0.9
|
|
Мышца измерения поперек
волокон
|
1 3 5
|
0.16 0.48 0.71
|
1.4 4.2 6.2
|
2.2 0.73 0.5
|
|
Сухожилие
|
1 3 5
|
0.54 1.25 1.95
|
4.7 10.9 16.9
|
0.65 0.28 0.18
|
|
Суставная капсула
|
1 3 5
|
0.38 0.8 1.3
|
3.3 7 11.2
|
0.92 0.44 0.27
|
|
Хрящ
|
1 3 5
|
0.58 1.45 2.2
|
5 12.5 19
|
0.6 0.24 0.16
|
|
Кожа
|
1 3 5
|
0.4 0.85 1.05
|
3.5 7.4 9.2
|
0.88 0.41 0.33
|
|
Кость
|
1
|
1.45
|
12.5
|
0.24
|
Хотя коэффициенты поглощения различных тканей резко отличаются между
собой, их величины для всех видов тканей, кроме костной, пропорциональны
частоте ультразвука. Таким образом, для тканей существуют иные, более сложные
закономерности, чем для однородных сред, у которых величина α
возрастает в
квадратичной зависимости от частоты.
5.2 Волны в упругих средах
Акустические волны способны распространяться в средах, состоящих из
упругого вещества. Упругость обеспечивает возвращение в исходное положение
частиц среды, смещенных под воздействием каких-либо внешних сил.
Если поршень в упругой среде сместить на небольшое расстояние, то слой
вещества перед поршнем, испытывая давление, сожмется, а затем начнет
расширяться, сдавливая соседний слой, тот, в свою очередь, расширяясь сдавит
следующий слой. В результате в среде возникает последовательность сжатий и
разрежений, которые и представляют собой акустические волны, распространяющиеся
в среде и передающие все новым и новым слоям вещества возмущение, возникающее у
поршня (рис. 8). Частицы среды при этом не переносятся в направлении
распространения волн, а лишь колеблются около положения равновесия.
Волны называются продольными, если направление колебаний частиц совпадает
с направлением распространения волн. Если эти направления взаимно
перпендикулярны, то волны называются поперечными.
Рис.8. Акустические упругие волны в среде.
На рис. 8. показаны акустические упругие волны в среде: а - продольные, б
- поперечные, в - графическое изображение волны; стрелки указывают направление
колебания частиц.
Если амплитуда колебания частиц в волне невелика и не меняется со
временем, в среде распространяется плоская акустическая волна, которая
описывается уравнением
,
где
s - смещение частицы среды от положения равновесия;
А - максимальное смещение частицы относительно
положения равновесия (амплитуда);
t - время;
х - положение частицы на оси координат, в направлении
которой распространяется волна;
- волновое
число, где
- длина волны (расстояние между двумя соседними
сжатиями или разрежениями);
-
начальная фаза.
Движение
частиц, описываемое приведенной формулой, подчиняется синусоидальному закону и
называется гармоническим колебанием.
В
газообразных и жидких телах, в том числе и в мягких тканях животных, содержащих
до 75 % воды, распространяются продольные волны. Исключение составляют волны на
поверхности жидкостей. В твердых телах, в частности в костях скелета человека и
животных, наряду с продольными, могут возникать и поперечные, сдвиговые волны.
В акустической волне происходит перенос энергии без переноса вещества.
Скорость распространения акустических волн в жидкостях зависит от коэффициента
сжимаемости жидкостей:
где
- плотность жидкости;
-коэффициент
адиабатической сжимаемости, равный относительному изменению объема
при изменении давления на
.
В
твердых телах скорость продольных волн равна:
где Е - модуль Юнга, характеризующий упругие свойства вещества.
Скорость распространения упругих (акустических) волн в воздухе при 25 °С
составляет 333 м/с, в воде и мягких биологических тканях - около 1500 м/с, в
костной ткани - примерно 3500 м/с.
Скорость
распространения упругой волны практически не зависит от частоты и связана с
длиной волны
простым соотношением:
,
т. е. чем больше частота, тем меньше длина волны.
Благодаря малым длинам волн ультразвук распространяется в среде,
подчиняясь законам геометрической оптики. Так же, как и свет, ультразвук
распространяется прямолинейно в однородной среде, отражается и преломляется на
границах сред с разными акустическими свойствами. Его можно
фокусировать, используя линзы и сферические зеркала.
Интервал интенсивности ультразвука, применяемого в ветеринарной и
биомедицинской практике, весьма широк: от 10-3 Вт/см2 в
поле излучателей диагностических аппаратов, до 104 Вт/см2
в фокальной области фокусирующих излучателей, используемых для разрушения
глубинных структур без повреждения окружающих тканей.
В диагностических целях используют как непрерывный ультразвук низкой
интенсивности, так и импульсный ультразвук довольно большой интенсивности, но с
короткими импульсами и невысокой частотой их следования (табл.2).
Имеются отдельные сообщения о применении в диагностике ультразвука
значительно более высоких интенсивностей. Известен опыт использования для
визуализации полостей во внутренних органах ультразвук с интенсивностью до 500
Вт/см2 в импульсе. Однако такие попытки исключительны, так как
возможная опасность применения ультразвука в диагностических целях
обусловливает постоянную тенденцию к снижению его интенсивности.
Таблица 2. Характерные параметры диагностического ультразвука
|
Методы
|
Частота ультра-звука, МГц
|
Интенсив-ность в импульсе,
Вт/см2
|
Частота следова-ния
импуль-сов, кГц
|
Длитель-ность импуль-сов,
мкс
|
Усредне-нная
интенси-вность. мВт/см2
|
Полное время измере-ния,
мин
|
|
Импульсные методы эхографии
и визуализации внутренних органов
|
2-10
|
10-150
|
1-2
|
1-5
|
10-100
|
5-15
|
|
Методы, основанные на
эффекте Доплера (непрерывный ультразвук)
|
1-5
|
-
|
-
|
-
|
50-500
|
1-5
|
В зависимости от условий задачи и режима воздействия ультразвук
характеризуют либо максимальной в облучаемом объеме, либо усредненной но
пространству интенсивностью.
5.3 Отражение ультразвука
Ультразвуковые волны, как и любые другие волны, при падении на границу
раздела двух сред с разными акустическими свойствами частично отражаются, а
частично преломляются и переходят в другую среду. Доля энергии волн, перешедшей
из одной среды в другую, зависит от соотношения между акустическими сопротивлениями
этих сред.
Коэффициент отражения акустических волн от границы двух сред равен
отношению интенсивностей отраженной и падающей волн. Если волна падает на
поверхность перпендикулярно к ней, то коэффициент отражения может быть вычислен
по формуле Релея:
где
и
-
акустические сопротивления, соответственно, первой и второй сред.
Из
формулы Рэлея следует, что чем больше различаются между собой акустические
сопротивления, тем меньше доля энергии, переносимой волной через границу
раздела. Так, интенсивность ультразвуковой волны, перешедшей из воды в воздух,
составляет всего 0,1% интенсивности волны, падающей на поверхность воды, а 99,9
% отразится от границы вода-воздух. Именно поэтому при терапевтическом
воздействии ультразвуком или его применении в диагностических целях необходимо
следить, чтобы между излучателем ультразвука и поверхностью тела всегда была
прослойка жидкости - специального геля, воды, глицерина, вазелинового масла,
раствора лекарства. В противном случае акустический контакт будет нарушен, и
ультразвуковая волна не дойдет до биологических тканей, так как она практически
целиком отразится от прослойки воздуха. Отражение ультразвука наблюдается также
на границах тканей с различными акустическими свойствами, например на границе
мышцы и надкостницы, на поверхности полых органов и в ряде других случаев.
Если
ультразвуковая волна отражается от поверхности, перпендикулярной к направлению
ее распространения, то падающая и отраженные волны накладываются друг на друга.
В случаях, когда между излучателем и отражающей поверхностью укладывается целое
число полуволн, в среде возникает так называемая стоячая волна.
Падающая
и отраженная волны переносят энергию в противоположных направлениях, поэтому в
стоячей волне нет суммарного переноса энергии. Энергия распределяется между
пучностями и узлами колебаний. В этом случае действие ультразвука можно оценить
по амплитуде переменного давления, которое в пучностях стоячей волны вдвое
превышает давление в исходных бегущих волнах.
Если
при отражении часть энергии ультразвука рассеивается или переходит в среду,
составляющую преграду, то амплитуда отраженной волны оказывается меньше, чем
амплитуда падающей, и в жидкостях (или биологических тканях, близких по
свойствам к жидкостям) сочетаются стоячая и бегущая волны.
В
биологических объектах также могут возникать стоячие волны в результате
отражения от границ между тканями с различными акустическими свойствами. В реальных
условиях образование стоячих волн можно ожидать при воздействии ультразвуком на
ушную раковину, брюшной пресс, мышечные слои, на кровеносные сосуды и т. д.
В
зависимости от того, стоячая или бегущая волна возникает в биологическом
объекте, меняется и его реакция на ультразвук.
5.4
Искажение формы ультразвуковой волны в реальных условиях
Ультразвуковая
волна, распространяясь, остается синусоидальной только в том случае, если
свойства среды не меняются под влиянием распространяющейся в ней волны. Такое
условие приближенно выполняется только при весьма низких интенсивностях
ультразвука.
Скорость
ультразвука и коэффициент его поглощения существенно зависят от температуры. В
слое, где температура повышена, возмущение передается быстрее, чем в слое, где температура
понижена, поэтому профиль волны немного искажается.
Ультразвуковая
волна, падающая на границу твердого тела и жидкости, возбуждает на поверхности
твердого чела поперечные поверхностные волны. Энергия этих волн локализуется в
тонком приповерхностном слое с толщиной, не превышающей две длины волны.
Коэффициент затухания поверхностных волн значительно выше коэффициента
поглощения плоских волн той же частоты в однородных средах. Именно поэтому под
действием ультразвука, например, в надкостнице, выделяется много тепла, что при
достаточно высокой интенсивности может привести к болевым ощущениям, к
отслоению мышечной ткани или другим нежелательным эффектам.
5.5
Кавитация в тканях под действием «диагностического» ультразвука
В
последнее время ультразвуковые методы все более широко применяются в медицине и
ветеринарии. При этом соображения безопасности стимулируют постоянное снижение
интенсивности диагностического ультразвука при разработке новых методов, а для
увеличения информативности и разрешающей способности ультразвуковых методов
требуется применение коротковолнового (высокочастотного) ультразвука. Однако с
повышением частоты увеличивается поглощение ультразвука тканями, и для
визуализации внутренних органов необходим достаточно интенсивный ультразвук,
обеспечивающий уверенный прием отраженного от глубоколежащих тканей сигнала.
Поиски компромисса привели к использованию в диагностике либо непрерывного
ультразвука относительно низкой частоты (1...2 МГц) и невысокой интенсивности
(меньше 0,05 Вт/см2), либо импульсного высокочастотного (до 10 МГц),
мощного (до 500 Вт/см2) ультразвука с короткой длительностью
импульсов (2...5 мкс) и невысокой частотой их чередования (1 кГц). Несмотря на
высокую интенсивность в импульсе, усредненная по времени и пространству
интенсивность в этом случае не превышает тысячных долей Вт/см2,
Вероятность возникновения кавитации в таких условиях пренебрежимо мала.
5.6
Излучатели и приемники ультразвука
Существует множество устройств-преобразователей, применяемых для
возбуждения ультразвуковых колебаний и волн в газах, жидкостях и твердых телах.
Эти устройства преобразуют тепловую, механическую, электрическую или другие
виды энергии в энергию ультразвукового поля.
Наиболее удобными для исследовательских и практических целей в ветеринарии,
медицине, экспериментальной биологии и ультразвуковой технологии оказались
электроакустические преобразователи, в частности пьезоэлектрические и
магнитострикционные. Нашли применение также струйные излучатели -
ультразвуковые свистки, преобразующие кинетическую энергию струи газа или
жидкости в энергию акустических колебаний. Газоструйные излучатели наиболее
эффективны для получения аэрозолей в больших объемах.
Излучатели ультразвука характеризуются мощностью излучения, частотой
колебаний, направленностью излучения, коэффициентом полезного действия.
Наибольшее распространение в ультразвуковой медицинской технике получили
пьезоэлектрические преобразователи. Позволяя получать акустические колебания в
диапазоне частот от нескольких кГц до десятков и сотен МГц, они используются в
аппаратах для ультразвуковой терапии, в диагностических приборах,
применяемых в медицине и ветеринарии, в устройствах для ультразвуковой
стимуляции биотехнологических процессов.
Получение ультразвука базируется нa обратном пьезоэлектрическом эффекте.
Суть эффекта состоит в том, что если к определенным материалам
(пьезоэлектрикам) приложить электрическое напряжение, то произойдет изменение
их формы (рис. 9). С этой целью в ультразвуковых приборах чаще всего
применяются искусственные пьеэоэлектрики, такие, как цирконат или титанат
свинца. При отсутствии электрического тока пьезоэлемент возвращается к исходной
форме, а при изменении полярности вновь произойдет изменение формы, но уже в
обратном направлении. Если к пьезоэлементу приложить быстропеременный ток, то
элемент начнет с высокой частотой сжиматься и расширяться (т.е. колебаться),
генерируя ультразвуковое поле. Рабочая частота транедьюсера (резонансная
частота) определяется отношениям скорости распространения ультразвука в пьезоэлементе
к удвоенной толщине этого пьезоэлемента. Детектирование отраженных сигналов
базируется на прямом пьезоэлектрическим эффекте (рис.10). Возвращающиеся
сигналы вызывают колебания пьезоэлемента и появление на его гранях переменного
электрического тока. В этом случае пьезоэлемент функционирует как
ультразвуковой датчик. Обычно в ультразвуковых приборах для излучения и приема
ультразвука используются одни и те же элементы.
Рис.9. Обратный пьезоэлектрический эффект

Измерить параметры ультразвука - его интенсивность, амплитуду колебания,
колебательную скорость и ускорение частиц в ультразвуковой волне, а также
ультразвуковое давление - можно при помощи специальных устройств - приемников
ультразвука. Приемники, размеры которых намного больше длины волны ультразвука,
дают усредненные значения измеряемой величины, а структуру ультразвукового поля
можно получить лишь с помощью приемников, размеры которых меньше длины волны.
В биомедицинской практике, как правило, учитывают частоту и интенсивность
ультразвука, а также форму поля. В биотехнологии при использовании
низкочастотного ультразвука измеряют плотность акустической энергии в среде.
В медицине и экспериментальной биологии для воздействия на организм с
хирургической или терапевтической целью обычно используют ультразвук с
частотами 22, 44, 880 кГц, 2,65 МГц, а также ультразвук более высоких частот в
диапазоне 2...10 МГц для применения в диагностике.
Биологическое действие ультразвука весьма существенно зависит от его
интенсивности, меняя которую, можно получить любые эффекты - от стимуляции до
разрушения. Поэтому выбор, а значит, и измерение интенсивности ультразвука
требует особой тщательности.
Для измерения интенсивности ультразвука в разных точках поля и в тех
случаях, когда необходимо знать характер быстрых изменений интенсивности
ультразвука во времени, используют ультразвуковые приемники-зонды, размеры
которых меньше длины волны.
Простейший по конструкции ультразвуковой зонд представляет собой
дифференциальную термопару, один из спаев которой сенсибилизирован слоем
эпоксидной смолы.
Пьезоэлектрические приемники ультразвука в жидких средах (гидрофоны)
значительно превосходят термопарные зонды по многим параметрам. Приемники этого
типа преобразуют ультразвуковой сигнал непосредственно в электрический. Их
крайне малая инерционность позволяет воспроизводить форму сигнала и,
следовательно, получать информацию о его амплитуде, фазе, частоте и спектре.
Одна из простейших конструкций приемника ультразвука с цилиндрическим
пьезокерамическим приемным элементом (гидрофона) показана на рис. 11: 1 -
никелевая трубочка; 2 - металлизированный внутри и снаружи пьезокерамический
цилиндр; 3 - легкоплавкий припой; 4 - изолирующая прокладка; 5 - экранирующая
крышка из фольги; 6 - пленка эпоксидного лака.
Рис. 11. Конструкция миниатюрного гидрофона.
6. Ультразвуковые методы диагностики
Диагностические методы, основанные на применении ультразвука, в последнее
время широко используются для получения информации о глубинных структурах живых
организмов. Ультразвуковые методы применяют для изучения некоторых особенностей
строения клеток и клеточных органелл, для оценки механической прочности
цитоплазматических мембран. Ультразвуковые методы диагностики безвредны и
весьма информативны. Это делает их ведущими среди физических средств
интроскопии и функциональной диагностики человека и животных.
История развития методов ультразвуковой диагностики насчитывает немногим
более полувека. За этот период развились и выделились в самостоятельные
направления: ультразвуковая визуализация внутренних органов, позволяющая
обследовать состояние печени, желудка, поджелудочной железы, селезенки, почек,
гениталий, ультразвуковая эхокардиография, обеспечивающая диагностику различных
пороков сердца, нарушения центральной гемодинамики, а также проведение ряда
других кардиологических исследований; эхо-энцефалография - комплекс методов для
исследования головного мозга; ультразвуковая остеометрия, дающая возможность
исследовать состояние костной структуры без нарушения целостности покровных
тканей; ультразвуковая цитолизометрия, позволяющая получать информацию о
механических свойствах клеточных мембран и пр.
Методы ультразвуковой диагностики удобно рассматривать, условно разделив
их па группы по принципу действия, а также по способу получения и обработки
информации.
Ультразвуковые эхо-методы основаны на эффекте отражения ультразвука от
границ между тканями с различными акустическими свойствами. Эти методы
позволяют дифференцировать мягкие ткани, различающиеся по плотности всего лишь
на 0,1 %, тогда как рентгенография, например, дает возможность различать ткани,
если плотность одной из них отличается от плотности другой не менее, чем на 10
%.
6.1 Одномерная эхолокация
Наиболее простыми методами ультразвуковой диагностики являются методы,
основанные на принципе одномерной (1D) эхолокации (рис. 12). Зондирующий импульс ультразвука, излученный
преобразователем, распространяется в ткани до ее границы и, частично отражаясь
от этой границы, возвращается к преобразователю. Зондирующие импульсы и
принимаемые в промежутках между ними отраженные импульсы отображаются на экране
электроннолучевой трубки вертикальными отклонениями (всплесками), расстояние
между которыми соответствует глубине, на которой в организме располагаются
отражающие препятствия - границы тканей, органов, полостей. Расстояние между
излучателем ультразвука (поверхностью (тела) и отражающей преградой S = 2ctt где с - скорость ультразвука в
среде, a t - промежуток времени между моментом излучения
ультразвукового импульса и моментом регистрации импульса, отраженного от
препятствия.
Рис.12.Принцип одномерной эхолокации.
На
рис.12. показан принцип одномерной эхолокации: 1 - генератор импульсов; 2 -
эхозонд; 3 - усилитель; 4 - экран ослиццографа; a и b
- толщины слоев тканей,
и
-
соответствующие расстояния между импульсами на экране
Амплитуда отраженных сигналов очевидно зависит от различий в акустических
импедансах (ρс) тканей, на границе между которыми отражается
ультразвук. Эти сигналы несут информацию о соотношении в скоростях ультразвука
и плотностях граничащих тканей. Изображение на экране электронно-лучевой трубки
называют одномерной эхограммой, или регистрацией типа А (от англ. Amplitude отклонение).
Одномерные ультразвуковые эхолокаторы нашли широкое применение, например
в диагностике гематом при черепно-мозговых травмах. С помощью данных
эхоэнцефалоскопа судят о наличии и величине гематом или других патологических
нарушениях.
В настоящее время разработано много моделей ультразвуковых эхолокаторов
для определения размеров различных тканей, значительно ускоривших процесс
диагностики у людей. Ультразвуковые локаторы безвредны, их использование не
связано с болевыми ощущениями и не требует соблюдения условий стерильности.
6.2 Ультразвук в диагностике состояния костной ткани
Прижизненное измерение физических параметров костной ткани оказалось
возможным после разработки целого ряда рентгенологических и радиологических
методов. Это и рентгенография, дающая размеры и форму кости, и
рентгенографическая фотоденситометрия, позволяющая оценивать содержание кальция
в костной ткани по рентгенофотометрической плотности, иными словами, но степени
почернения рентгенограммы. Этот метод широко применяется в медицине и
ветеринарии. Он позволил обнаружить многие общие закономерности, например
уменьшение с возрастом содержания кальция и костной ткани, и разработать методы
диагностики.
Каждый из указанных методов имеет определенные плюсы, но все они требуют
для своей реализации применения ионизирующих излучений, специальной, часто
стационарной аппаратуры. Следует также отметить, что, несмотря на меры
биологической защиты, использование этих методов сопряжено с опасностью
лучевого поражения исследуемою организма и обслуживающего персонала.
Изменения свойств костной ткани, связанные с изменением состава
структуры, отражается и на ее акустических параметрах - на коэффициенте
поглощения ультразвука и на скорости его распространения в кости. Ослабление
ультразвука связано не только с содержанием минеральных веществ, но и со
структурированностью костной ткани, расположенной на пути распространения
ультразвука. Ослабление проходящего через кость ультразвука заметно зависит от
частоты, и в ряде случаев для повышения информативности метода измерения
проводят в широком диапазоне частот.
При ультразвуковой диагностике излучатель и приемник ультразвука
накладывают через специальную или любую контактную смазку (вазелиновое масло,
глицерин и пр.) на поверхность тела перпендикулярно оси кости, стараясь по
возможности выбрать место, где слой мягких тканей между костью и поверхностью
тела мал.
Ультразвуковой импульс от излучателя распространяется к приемнику не
только по костной, но и но мягким тканям .Скорость ультразвука в кости примерно
в 1,5-2 раза выше, чем в мягких тканях.
7. Синтез ультразвуковой системы диагностики остеопороза
На основании приведенных выше факторов предлагается структурная схема
реализации установки для ультразвуковой диагностики остеопороза.
Основные элементы схемы: Импульсный генератор, который через усилитель
подает сигнал на пьезоэлектрический преобразователь (он одновременно является и
излучателем, и приемником), который преобразует электрические импульсы в
механические колебания (ультразвуковые волны). Через контактную среду волны
доходят до исследуемого объекта (на примере - пяточная кость ), частично
отражаются и принимаясь пьезоэлектрическим преобразователем через усилитель
поступают на устройство отображения, и частично проходят через биологический
объект. Прошедший сигнал фиксируется приемником, и через усилитель, также
подается на устройство отображения. Анализ этого показателя делается на основе
временных запаздываний сигнала. Устройство управления дает возможность
синхронизировать работу генератора и устройства отображения. Таким образом, на
устройстве отображения мы получаем комплексную картину по пропусканию и
отражению ультразвуковых волн.
Параметры диагностического ультразвука:
· Режим - импульсный;
· Частота ультразвука 6 Мгц;
· Интенсивность в импульсе 10 Вт/см2;
· Частота следования импульсов 1-2 кГц;
· Длительность импульсов 1-5 мкс ;
· Усредненная интенсивность 10 мВт/см2;
· Полное время измерения 1-5 мин.
Проведение таким способом диагностики в наиболее характерных для этого
заболевания точках (суставах), позволяет обнаружить заболевание на ранних
стадиях его развития.
Также важным достоинством данного метода является его относительно
невысокая стоимость, портативность (установка включает в себя несколько
малогабаритных электронных блоков и небольшую ванночку), объективность (в
отличие от многих методов, оценка проводится объективно и не требует большого
опыта работы и внимания врача).
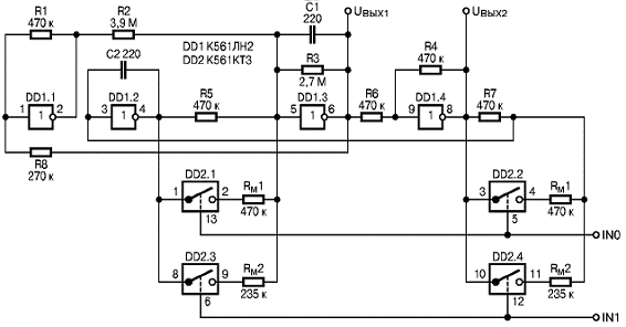
8. Расчет генератора синусоидальный колебаний
Предлагаемый генератор гармонических колебаний предназначен для
применения в различных радиотехнических устройствах с цифровым управлением.
Генератор построен на доступной элементной базе и обеспечивает формирование
гармонических колебаний со стабильными параметрами.
Функциональная схема генератора представлена на рис. 10.
Рис. 10. Функциональная схема генератора
Для генерации гармонических колебаний требуется выполнение двух условий:
· баланс
амплитуд
;
· баланс
фаз
.
В качестве усилителя обратной связи Кос применяют, как
правило, инвертор с φос = π. В качестве усилителя К
целесообразно использовать полосовой фильтр, обеспечивающий на резонансной
частоте необходимый в данном случае фазовый сдвиг φk
= π. Высокая
крутизна фазовой характеристики фильтра в полосе пропускания обеспечивает
формирование колебаний со стабильной частотой, а его избирательные свойства -
подавление гармоник.
Генератор возбуждается на резонансной частоте полосового фильтра, которая
определяется из выражения:
(8.1)
где
R (G) и С - сопротивление (проводимость) и емкость времязадающей
цепи.
Из
выражения (1) видно, что частота генерации пропорциональна проводимости
времязадающей цепи, что обеспечивает линейный закон управления частотой.
Схема
генератора гармонических колебаний приведена на рис. 2. На элементах
DD1.2-DD1.4 выполнен полосовой фильтр, на элементе DD1.1 - усилитель обратной
связи и на элементах DD2.1-DD2.4 и RM - матрица сопротивлений
с цифровым управлением. Структура фильтра позволяет получать на выходах противофазные
напряжения, для чего необходимо использовать дополнительно Uвых2. Входы IN 0 и
IN 1 являются цифровыми входами управления частотой генерации.
Ниже приведена методика расчета генератора.
1. Зададимся
значениями fmin - нижняя частота генерации,
- шаг перестройки,
- число
разрядов двоичного числа сигнала цифрового управления.
. Принимем
С1=С2=С и R7=R5=R.
. Зададим
значение С и из формулы (1) найдем значение R.
. Определим
значение RM по формуле
(8.2)
5. Определим значение fmax по формуле
(8.3)
6. Определим R3 по формуле
(8.4)
7. Определим R2 из соотношения R2= R3/0,7.
На рис. 2 приведены номиналы элементов, полученные в результате расчета
по приведенной методике для fmin =1,5 кГц, Δf =1,5 кГц и n=2.
(8.5)
где
i - номер входа (разряд управляющего слова); аi -
значение сигнала на входе управления (лог. 1 или лог. 0); n -
разрядность управляющего слова.
Сопротивления
в матрице проводимостей определяются по формуле:
(8.6)
При
необходимости получения непрерывного закона изменения частоты резисторы RM
заменяют сдвоенным потенциометром с сопротивлением Rn и включенным
последовательно ему резистором Rдоп. Значения этих
сопротивлений находим из формул:
В
генераторе можно использовать микросхемы К561ЛА7, К561ЛЕ5 при включении по
схеме инверторов. При напряжении питания 3 В генератор потребляет ток 1-3 мА.
9. Биологическое действие ультразвука и безопасность
Биологическое действие ультразвука и его безопасность для больного
постоянно дискутируется в литературе. Знания о биологическом воздействии
ультразвука базируются на изучении механизмов воздействия ультразвука, изучении
эффекта воздействия ультразвука на клеточные культуры, экспериментальных
исследованиях на растениях, животных и, наконец, на эпидемиологических
исследованиях.
Ультразвук может вызывать биологическое действие путем механических и
тепловых воздействий. Затухание ультразвукового сигнала происходит из-за
поглощения, т.е. превращения энергии ультразвуковой волны в тепло. Нагрев
тканей увеличивается с увеличением интенсивности излучаемого ультразвукам его
частоты. Кавитация - это образование в жидкости пульсирующих пузырьков,
заполненных газом, паром или их смесью. Одной из причин возникновения кавитации
может являться ультразвуковая волна.
Исследования, связанные с воздействием ультразвука на клетки,
экспериментальные работы на растениях и животных, а также эпидемиологические
исследования позволили сделать Американскому институту ультразвука в медицине
следующее заявление, которое в последний раз было подтверждено в 1993 году:
«Никогда не сообщалось о подтвержденных биологических эффектах у пациентов или
лиц, работающих на приборе, вызванных облучением (ультразвуком), интенсивность
которого типична для современных ультразвуковых диагностических установок. Хотя
существует возможность, что такие биологические эффекты могут быть выявлены в
будущем, современные данные указывают, что польза для больного при благоразумном
использовании диагностического ультразвука перевешивает потенциальный риск,
если таковой вообще существует».
Выводы
Проанализирована проблема остеопороза на сегодняшний день.
Рассмотрены методы диагностики этого заболевания, отмечены их достоинства
и недостатки.
Показано, что наиболее информативным и доступным методом на сегодняшний
день является ультразвуковая диагностика.
Представлен синтез ультразвуковой установки для диагностики остеопороза и
расчет генератора гармонических колебаний.
Перечень ссылок
1. В.Б. Акопян, Ю.А.Ершов. Основы взаимодействия
ультразвука с биологическими объектами. - М.: Издательство МГТУ им.Н.Э.Баумана,
2005. - 225 с.
2. В.В. Митьков. Клиническое руководство по
ультразвуковой диагностике. - М.: Видар, 1996. - 322с.
. Под ред. К.Хилла. Применение ультразвука в медицине.
Физические основы. - М.: Мир, 1989. - 562с.
. В.А. Шутилов. Основы физики ультразвука. - Л.:
Издательство Ленинградского университета, 1980. - 280с.
. Риггз, Б.Лоренц. Остеопороз: этиология, диагностика,
лечение. Перевод с англ. И.А.Скрипников. - М.: Бином, 2000. - 558с.
. Российский конгресс по остеопорозу. - Ярославль,
2005. - 212с.
. В.В. Поворознюк, Е.П. Подрушняк. Остеопороз на
Украине. - К.: 1995. - с.3-47.
. С.П. Моршнева. Методические рекомендации по
диагностике, лечению и профилактике остеопороза. - Одесса, 2010.