Разработка модуля оперативного запоминающего устройства на основе ИС К537РУ1

  • Вид работы:
    Курсовая работа (т)
  • Предмет:
    Информационное обеспечение, программирование
  • Язык:
    Русский
    ,
    Формат файла:
    MS Word
    271,5 Кб
  • Опубликовано:
    2012-12-08
Вы можете узнать стоимость помощи в написании студенческой работы.
Помощь в написании работы, которую точно примут!

Разработка модуля оперативного запоминающего устройства на основе ИС К537РУ1

Оглавление

Задание на курсовой проект

Ведение

Иерархия запоминающих устройств ЭВМ

Оперативные запоминающие устройства(ОЗУ)

Схемотехника статических ЗУ

Схемотехника динамических ЗУ

Основные параметры ЗУ

Принцип работы запоминающего устройства

Краткое описание микросхемы ИС К537РУ1

Внешний вид, назначение выводов

Таблица истинности

Электрические параметры

Предельно допустимые режимы эксплуатации

Увеличение объёма памяти ЗУ

Построение блока ЗУ требуемой разрядности

Увеличение числа хранимых слов ЗУ

Увеличение разрядности и числа хранимых слов ЗУ

Задание на курсовой проект

Разработать модуль ОЗУ объемом 4К сл. на 8 разр. на основе ИС К537РУ1. Регистры MAR, MDR и другие узлы модуля реализовать на микросхемах серии К1533 .

Ведение

Иерархия запоминающих устройств ЭВМ


Запоминающие устройства (ЗУ) служат для хранения информации и обмена ею с другими устройствами. Микросхемы и системы памяти постоянно совершенствуются как в области схемотехнологии, так и в области развития новых архитектур.

Важнейшие параметры ЗУ находятся в противоречии. Так, например, большая информационная ёмкость не сочетается с высоким быстродействием, а быстродействие в свою очередь не сочетается с низкой стоимостью. Поэтому в ЗУ используется многоступенчатая иерархическая структура.

В наиболее развитой иерархии памяти ЭВМ можно выделить следующие уровни.

Регистровые ЗУ - находятся внутри процессора. Благодаря им уменьшается число обращений к другим уровням памяти, находящимся вне процессора и требующим большего времени для операции обмена.

Кэш-память - быстродействующая память, которая может находиться внутри или вне процессора. Она предназначена для хранения копий информации, находящейся в более медленной основной памяти.

Оперативная память (RAM - Read Access Memory) или оперативное запоминающее устройство (ОЗУ) - часть основной памяти ЭВМ, предназначенной для хранения быстро изменяемой информации. В ОЗУ хранятся программы пользователей промежуточные результаты вычислений.

Постоянная память (ROM - Read Only Memory - память только для чтения) или постоянное запоминающее устройство (ПЗУ) - это вторая часть основной памяти ЭВМ, предназначенной для хранения редко меняемой информации, например, кодов команд, тестовых программ.

Специализированные виды памяти, например, видеопамять, предназначенная для хранения информации, отображаемой на экране дисплея и др.

Внешняя память - магнитные и оптические диски, FLASH-память, предназначенные для хранения больших объёмов информации.

 

Оперативные запоминающие устройства(ОЗУ)


ОЗУ предназначены для кратковременного хранения часто обновляемой информации. Свойство - возможность быстрого обращения, единицы наносекунд. Обращение - чтение или запись, чтение и запись - цикл обращения. При выключении питания информация теряется. Оперативные ЗУ делятся на два типа:

·        Статические. Используются как системные, в составе устройств компьютера. Сверхоперативные или буферные ЗУ, в них записываются промежуточные результаты вычислений, информация часто обновляется. К этой группе относится кеш-память, но она предполагает опережающее чтение. Малый объем.

·        Динамические. Используются в качестве системной оперативной памяти, можно сказать что это второй уровень оперативных ЗУ. Основные требования - большая емкость, работа через системную шину. Цикл обращения определяется протоколом шины. Цель использования динамических ЗУ - увеличение удельной емкости. Большая емкость динамических ЗУ достигается за счет использования всего одного транзистора на один бит информации, в то время как в статических используется шесть транзисторов. Удельная емкость динамических ОЗУ на порядок больше, чем статических. Существенный недостаток динамических ЗУ - необходимость периодической регенерации информации. Сама информация динамических ЗУ накапливается в виде зарядов на затворе МДП транзистора. Из-за токов утечки этот заряд быстро стекает (до единицы секунд), поэтому информацию нужно периодически обновлять. Обновление происходит за 2 такта, первый такт - считывание из банка данных в промежуточную память, второй - считывание в ЗУ. Refresh - если сигнал выставлен на шине, то обмен по шине прекращается. Регенерация выполняется поблочно. Быстродействие уменьшилось, по сравнению со статическими ЗУ.

В статических ОЗУ (Static RAM - SRAM) запоминающими элементами являются триггеры, сохраняющие своё состояние, пока схема находится под питанием и нет новой записи данных.

В динамических ОЗУ (Dynamic RAM - DRAM) данные хранятся в виде зарядов конденсаторов, образуемых элементами МОП-структур. Саморазряд конденсаторов ведёт к разрушению данных, поэтому они должны периодически (каждые несколько миллисекунд) регенерироваться. В то же время плотность упаковки динамических элементов памяти в несколько раз превышает плотность упаковки достижимую в статических RAM.

Регенерация данных в статических ЗУ осуществляется с помощью специальных контроллеров. Разработаны также ЗУ с динамическими запоминающими элементами, имеющие внутреннюю встроенную систему регенерации, у которых внешнее поведение относительно управляющих сигналов становится аналогичным поведению статических ЗУ. Такие ЗУ называются квазистатическими.

В целом динамические ЗУ характеризуются наибольшей информационной ёмкостью и невысокой стоимостью, поэтому именно они используются как основная память ЭВМ.

Статические ОЗУ делятся на асинхронные и тактируемые.

В асинхронных ЗУ сигналы управления могут задаваться как импульсами, так и уровнями. Например, сигнал разрешения работы может оставаться неизменным и разрешающим на протяжении многих циклов обращения к памяти.

В тактируемых ЗУ некоторые сигналы обязательно должны быть импульсными. Например, сигнал разрешения работы в каждом цикле обращения должен переходить из пассивного состояния в активное, то есть должен формироваться фронт этого сигнала в каждом цикле. Асинхронные ЗУ могут использоваться в качестве тактируемых.

Статические ЗУ в 4…5 раз дороже динамических и приблизительно во столько же раз меньше по информационной ёмкости. Их достоинством является высокое быстродействие. Область применения относительно дорогостоящих статических ОЗУ в системах обработки информации определяется именно их высоким быстродействием. Типичной областью применения статических ОЗУ в ЭВМ являются схемы КЭШ-памяти.

Запоминающими элементами статических ОЗУ служат триггеры с цепями установки и сброса. Триггеры можно реализовать по любой схемотехнологии (ТТЛШ, И²Л, n-МОП, КМОП и др.), в соответствии с которой разработаны разнообразные схемы ЗУ с различными параметрами.

 

Схемотехника статических ЗУ


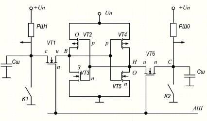
В настоящее время, используются статические ЗУ на КМПД транзисторах.


Ключ коммутирует шину на ноль или единицу.

Состав: Запоминающий элемент состоит из перекрестно соединенных инверторов, которые образуют триггер(транзисторы VT2,3,4,5). VT1, VT6 ключи для записи\считывания информации. S1 и S2 контроллеры для записи в ЗУ.

Запись: На РШ1 и РШ0 подаются противофазные сигналы, с помощью ключей К1 и К2. С некоторой задержкой на АШ подается импульс. При этом открывается один из транзисторов VT1\VT6, затвор которого имеет больший потенциал, в сравнение с истоком. Потенциал с РШ или подтверждает состояние триггера или переключает его. Недостаток такого элемента - наличие двух разрядных шин, что усложняет трассировку кристалла и требует много дополнительных ключей.

Считывание: Перед считыванием разрядные шины заряжаются до высокого потенциала за счет размыкания S1 и S2, на АШ подается высокий потенциал. Открывается один из транзисторов VT1\VT6, и подключает плечо триггера, имеющее низкий потенциал на выходе, к соответствующей разрядной шине. К этому моменту S1, S2 разомкнуты. В подключенной к триггеру РШ возникает импульс тока из-за наличия емкости Сш. Он формируется усилителем считывания и подается на выход. При считывании информация в триггере не теряется.

Режим хранения; Информация на РШ 1\0 изменяется непрерывно.Однако ячейка закрыта, поскольку обращения к ней ншщ АШ не происходит. Поскольку информация хранится в с течение времени, он подпитывается.

Схемотехника динамических ЗУ


Элемент памяти


С - полезная емкость, в ее заряде хранится информация. Для увеличения емкости С на стоке выполняется металлическая аппликация. Затвор или адресная шина уходит за плоскость чертежа. Разрядная шина в плоскости чертежа. Диэлектрик наносится на поверхность за 2 цикла.

Информация сохраняется в емкости стока относительно подложки. На исток подается 1 или 0, на АШ подается положительный импульс (всегда положительный), емкость заряжается, или разряжается. При хранении информации, информация на РШ может изменяться, однако обращения к АШ не происходит. Обращение к каждой ячейке происходит в зависимости от организации памяти (матричная, строчная, комбинированная). Записывать можно только целиком строку.

При считывании РШ подключается к усилителю считывания, усилитель считывания открывается и опрос подается на АШ. Выходная информация появляется на всех РШ данной строки.

Особенности: Очень маленькая амплитуда считываемого сигнала. Т.к. Образуется емкостной делитель напряжения. Перепад импульса напряжения

Uрш = Uсток - Ci/(Ci+Cрш)

Амплитуда сигнала составляет микровольты.

Регенерация: Заряд на стоке теряется за счет обратного тока закрытого p-n перехода сток-подложка. Регенерация выполняется путем считывания информации (т.к. Здесь затвор открыт заряд стекает, а в постоянных ЗУ затвор плавающий, находится в толще диэлектрика).

 

Основные параметры ЗУ


Важнейшими параметрами ЗУ являются информационная ёмкость и быстродействие.

Информационная ёмкость - максимально возможный объём хранимой информации. Выражается в битах или словах (в частности, в байтах). Бит хранится запоминающим элементом (ЗЭ), а слово - запоминающей ячейкой (ЗЯ), т.е. группой ЗЭ, к которой возможно лишь одновременное обращение.

Быстродействие (производительность) ЗУ оценивают временами записи, считывания и длительностями циклов записи/чтения.

Время записи - интервал после появления сигнала записи и установлением ЗЯ в состояние, задаваемое входным словом.

Время считывания - интервал между моментами появления сигнала чтения и слова на выходе ЗУ. Циклы записи и чтения - это время между двумя последовательностями записи или чтения. Длительности циклов могут превышать времена записи и чтения, так как после этих операций может потребоваться время для восстановления начального состояния ЗУ.

Кроме основных (эксплуатационных или измеряемых) параметров, ЗУ характеризуются рядом режимных параметров, обеспечение которых необходимо для нормального функционирования ЗУ. Поскольку ЗУ имеют несколько управляющих сигналов, то для них задаются не только длительности, но и взаимное положение во времени.

Принцип работы запоминающего устройства



Разберем принцип работы запоминающего устройства. При записи, данные сначала записываются в регистр MDR (регистр данных памяти), при этом сама память (М) отключена. Далее адрес, по которому будут записаны данные, записывается в регистр MAR (регистр адреса памяти) и после этого идёт сигнал, разрешающий запись и работу устройства (W/R и CS). При считывании, сначала в регистр MAR записывают адрес, по которому хранится информация, а потом подается сигнал. разрешающий считывание и работу устройства.

 

Краткое описание микросхемы ИС К537РУ1

 

Внешний вид, назначение выводов

Микросхемы представляют собой статическое тактируемое оперативное запоминающее устройство с произвольной выборкой емкостью 1 кбит (1к*1). Содержат 7200 интегральных элементов. Корпус типа 4112.16-3. масса не более 1,2 г. 4112.16-9, масса не более 1.2 г, 201.16-15, масса не более 2 г, 238.16-1. масса не более 1.5 г.

, 8, 9, 10, 11, 12, 13, 14, 15, 16- входы адресов;

- вход;

-вход разрешение на запись;

-общий;

-вход выбор кристалла;

-напряжение питания.

Таблица истинности

Вход


Режим работы

CE

W/R

D

Q


1

X

X

Хранение

1

0

X

1 или 0

Считывание

1

1

0

1

Запись «0»

1

1

1

0

Запись «1»

Примечание: X - произвольное состояние («1» или «0»),  - выходное сопротивление микросхемы

 

Электрические параметры

Номинальное напряжение питания

5 В ± 10%

Напряжение питания в режиме хранения

 2В

Выходное напряжение низкого уровня

 0,4 В

Выходное напряжение высокого уровня

≥ 2,4 В

Напряжение низкого уровня выходной информации в статическом режиме

≤0,1 В

Ток потребления в режиме хранения

≤ 10 мА

Динамический ток потребления

≤ 10 мА

Динамический ток потребления КБ537РУ1(А-4, Б-4, В-4)

≤ 2,5 мА

Ток утечки на входе (суммарный)

≤ 1 мА

Ток утечки на выходе

≤ 1 мА

Время выборки разрешения

≤ 300 нc

Время цикла записи (считывания) К537РУ1А К537РУ1Б К537РУ1В

≤ 500 не ≤ 800 нc ≤ 1300 нc ≤ 2500 нc

Входная емкость (кроме входа разрешения)

≤ 10 пФ

Емкость входа разрешения

≤ 20 пФ

Выходная (входная) емкость

≤ 10 пФ

 

Предельно допустимые режимы эксплуатации

Напряжение питания

4,5...5,5 В

Напряжение питания в режиме хранения

2...5,5 В

Входное напряжение низкого уровня

0...0,4 В

Входное напряжение высокого уровня

(-0,4)... В

Максимальное выходное напряжение

Максимальный выходной ток низкого уровня (втекающий)

500 мкА

Максимальный выходной ток низкого уровня (вытекающий)

500 мкА

Максимальное время фронта (спада) сигнала

30 нс

Максимальная емкость нагрузки

30 пФ

Температура окружающей среды

-10...+70 °С

 

Увеличение объёма памяти ЗУ

 

Построение блока ЗУ требуемой разрядности

Увеличить разрядность хранимых в памяти слов можно параллельным включением нескольких одинаковых ИС. На рисунке показано построение ЗУ с организацией 1К×4 бит на основе ИС с организацией 1К×1. Для этого один и тот же адрес необходимо подать одновременно на адресные входы четырёх ИС. С выхода DО каждой ИС по указанному адресу будет считан 1 бит информации. Следовательно, подключив выходы ИС к соответствующим разрядам 4-разрядной шины, с последней можно считать 4-разрядное слово. Таким образом, наращивание разрядности хранимых информационных слов не требует применения дополнительных технических средств и может быть выполнено простым соединением имеющихся ИС.


В общем случае алгоритм построения блока ЗУ требуемой разрядности выглядит следующим образом.

. Берётся такое количество микросхем ЗУ с одинаковым числом хранимых слов, чтобы их суммарная разрядность была не менее требуемой.

. Входы CS всех микросхем объединяются в единую цепь CS блока памяти. При необходимости сигналы согласуются по уровню с помощью инверторов (у некоторых взятых микросхем ЗУ входы CS могут иметь активным уровень лог. 1, у других лог. 0).

. Входы выбора направления обмена всех микросхем объединяются в единую цепь  блока памяти. При необходимости сигналы согласуются по уровню с помощью инверторов (у некоторых взятых микросхем ЗУ входы выбора направления обмена могут быть вида , у других - ).

. Один адресный сигнал подаётся на один адресный вход каждой микросхемы. Эта операция повторяется для всех разрядов адреса.

. Для подключения к шине данных выбираются любые информационные выводы любых микросхем ЗУ из блока памяти. Это означает, что если суммарная разрядность блока памяти оказалась больше требуемой, то в качестве неиспользуемых можно выбрать любые информационные выводы любых микросхем ЗУ.

 

Увеличение числа хранимых слов ЗУ


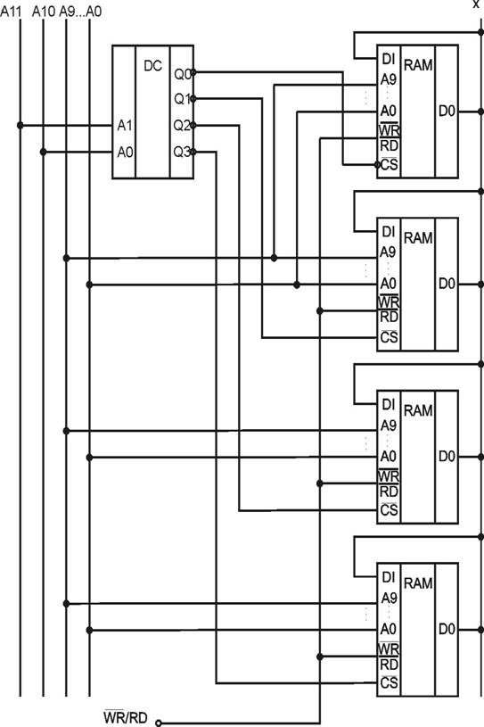
Известно, что количество хранимых в памяти кодовых слов однозначно связано с разрядностью используемого адресного слова. Поэтому его увеличение требует увеличения разрядности шины адреса. Однако, так как разрядность адресного слова для конкретного типа ИС задана, решить эту задачу без привлечения дополнительных аппаратных средств не представляется возможным.

Практически задача увеличения количества хранимых слов решается с использованием дополнительного дешифратора, предназначенного для формирования сигнала разрешения работы нескольким параллельно включенным по выходам ИС. Данное решение представлено на рисунке, на котором показано выполнение памяти 4К×1 на основе ИС с собственной организацией 1К×1. Для обращения к объему памяти в 4К необходимо 12-разрядное адресное слово. Интегральная схема заданного типа управляется 10-разрядным адресным словом. Два старших разряда адреса А11 и А10 подаются на адресные входы дополнительного дешифратора, выходы которого подсоединены к входам CS соответствующих ИС. Поэтому при подаче адреса дешифратор старших разрядов из четырех ИС выберет только ту, в которой хранится нужная информация. Выходы остальных ИС будут отключены от выходной шины данных, с которой будет считана только соответствующая поданному адресу информация.

оперативный запоминающий устройство разрядность

В общем случае алгоритм построения блока ЗУ с требуемым числом хранимых слов выглядит следующим образом.

. Берётся такое количество микросхем ЗУ с одинаковой разрядностью, чтобы их суммарное число хранимых слов было не менее требуемой.

. Входы выбора направления обмена всех микросхем объединяются в единую цепь  блока памяти. При необходимости сигналы согласуются по уровню с помощью инверторов (у некоторых взятых микросхем ЗУ входы выбора направления обмена могут быть вида , у других - ).

. Один адресный сигнал подаётся на один адресный вход каждой микросхемы. Эта операция повторяется для всех разрядов адреса, кроме дополнительных.

. Берётся дешифратор у которого количество выходов не менее, чем количество взятых микросхем ЗУ. Входы CS всех микросхем подключаются к выходам дешифратора начиная с нулевого подряд. При необходимости сигналы согласуются по уровню с помощью инверторов (у некоторых взятых микросхем ЗУ входы CS могут иметь активным уровень лог. 1, у других - лог. 0, и эти уровни должны совпадать с активным уровнем на выходах дешифратора). Если количество выходов дешифратора больше количества взятых микросхем, то дополнительные адресные сигналы подаются на адресные входы дешифратора, начиная с нулевого подряд, а на не задействованные адресные входы подается лог. 0.

. Один информационный сигнал с шины данных подаётся на один информационный вывод каждой микросхемы. Эта операция повторяется для всех разрядов шины данных.

 

Увеличение разрядности и числа хранимых слов ЗУ


Используя одновременно метод наращивания разрядности и метод увеличения числа хранимых слов, можно легко получать блоки памяти требуемой структуры из практически любых ИС ЗУ. При использовании обоих методов одновременно можно строить блоки памяти двумя способами.

По первому способу сначала происходит увеличение разрядности ЗУ, затем полученный блок используется как ИС и строится схема увеличения числа хранимых слов.

По второму способу сначала происходит увеличение числа хранимых слов ЗУ, затем полученный блок используется как ИС и строится схема увеличения разрядности.

Легко понять, что первый способ является более экономичным, так как требует меньших аппаратных затрат (используется меньшее количество дешифраторов).

Заключение

В результате работы над курсовой работой был получен навык разработки буфера типа LIFO на микросхемах серии К1533 и используя дополнительно серию К533. Сначала была взята структурная схема буфера, из которого была разработана функциональная схема. Элементы функциональной схемы были положены на микросхемы серии К1533 и К533, в результате чего была сделана принципиальная схема. Каждая из микросхем специально отбиралась в соответствии с её эффективностью в данном случае.

Список используемой литературы

1) Нефедов А.В. Интегральные микросхемы и их зарубежные аналоги: Справочник в 12-ти тт. -М.: ИП «РадиоСофт», 2001.

)Потемкин И.С. Функциональные узлы цифровой автоматики. - М.: Энергоатомиздат, 1988. - 320 с.: ил.

Похожие работы на - Разработка модуля оперативного запоминающего устройства на основе ИС К537РУ1

 

Не нашли материал для своей работы?
Поможем написать уникальную работу
Без плагиата!
Без нейросетей!