Разработка интеллектуального контроллера, обеспечивающего управление источником бесперебойного питания на основе бензинового генератора

  • Вид работы:
    Курсовая работа (т)
  • Предмет:
    Информационное обеспечение, программирование
  • Язык:
    Русский
    ,
    Формат файла:
    MS Word
    230,88 Кб
  • Опубликовано:
    2012-11-18
Вы можете узнать стоимость помощи в написании студенческой работы.
Помощь в написании работы, которую точно примут!

Разработка интеллектуального контроллера, обеспечивающего управление источником бесперебойного питания на основе бензинового генератора

Техническое задание

В данной задаче необходимо разработать интеллектуальный контроллер обеспечивающий управление источником бесперебойного питания на основе бензинового генератора. Данная система обеспечивает полное управление и автоматический запуск генератора в случае отключения питания и контроль за состоянием двигателя и генераторной установки в целом.

При этом разрабатываемая схема должна выполнять следующие функции:

. Обеспечивать интерфейс с пользователем обрабатывая нажатия на клавиатуру и выводя информационные сообщения на ЖКИ экран.

. Обеспечивать интерфейс с управляющим компьютером обрабатывая команды и передавая состояние системы в целом.

. Контроллер дожжен обеспечить контроль состояния бензинового двигателя и генератора по следующим параметрам:

а) по оборотам используя тахометрические датчики( что требуется для поддержания частоты питающей сети в пределах 40-60Гц)

б) так и поддерживая наиболее оптимальную смесь воздуха и бензина при различных нагрузках, что достигается контролем датчика кислорода.

в) контролем датчика тока по каждой из двух линий потребителей.

г)также контролируется температура как жидкостной системы охлаждения и генератора для предотвращения аварийных ситуаций.

В качестве исполнительных устройств используется специализированный клапан устанавливаемый в карбюратор двигателя и обеспечивающий регулировку состава смеси.

Введение

По мере своего развития цивилизация начинает потреблять все больше энергии, в частности, электрической - станки, заводы, электронасосы, фонари на улицах, лампы в квартирах… Появление радио, телевизоров, телефонов, компьютеров дало человечеству возможность ускорить обмен информацией, однако, еще сильнее привязало его к источникам электроэнергии, поскольку теперь, во многих случаях, пропадание электричества равносильно потере канала доставки информационного потока. Наиболее критична такая ситуация для ряда наиболее современных отраслей, в частности, там, где основным инструментом производства являются компьютерные сети.

Давно подсчитано, что через пару-тройку месяцев работы стоимость информации, хранящейся на компьютере, превышает стоимость самого ПК. Уже давно информация стала разновидностью товара - ее создают, оценивают, продают, покупают, накапливают, преобразуют... и порой теряют по самым разнообразным причинам. Разумеется, до половины проблем, связанных с потерей информации, возникает из-за программных или аппаратных сбоев компьютерами. Во всех остальных случаях, как правило, проблемы связаны с некачественным электроснабжением компьютера.

Обеспечение качественного питания компонентов ПК - залог стабильной работы любой компьютерной системы. От формы и качественных характеристик сетевого питания, от удачного выбора компонентов питания порой зависит судьба целых месяцев работы. Исходя из этих соображений, была разработана изложенная ниже методика исследования, призванная в дальнейшем стать основой тестирования качественных характеристик бесперебойных блоков питания.

1.       Описание функциональной схемы

Для правильного последующего проектирования устройства и реализации его в виде принципиальной электрической схемы требуется первоначально провести анализ основных функций и построение функциональной схемы устройства.

МК- управляющий микроконтроллер.

БК- блок клавиатуры.

RS 232 - преобразователь электронного интерфейса для сопряжения с компьютером. Выполняет сопряжение +/- 12 B c OART 0.5 B.

T1, T2 - цифровые датчики применяемые для контроля температур узлов инвертора.

ДТ1, ДТ2 - датчики тока позволяющие определить токи потребления по каждой из линий

ДК - датчик кислорода, позволяющий определять состав смеси по выхлопам.

ДН - датчик напряжения трансформаторного типа для определения напряжения на выходе генератора

АЦП - полученный сдатчиков сигнал оцифровывается с помощью АЦП.

БУК - блок управления карбюратором, увеличивающий или уменьшающий подачу бензина.

LCD (ЖКИ) - специализированный жидкокристаллический дисплей, необходимый для отображения параметров работы системы.

БК1, БК2 - блок ключей для подачи напряжения питания на одну из двух линий.

2. Разработка принципиальной схемы

.1 Выбор управляющего микроконтроллера

Для решения поставленной задачи прежде всего необходимо выбрать управляющий микроконтроллер. Основные требования для выбора данного микроконтроллера :

-        наличие достаточного количества портов ввода-вывода. К микроконтроллеру необходимо подключить 2 датчика температуры, 2 датчика тока, датчик кислорода, датчик напряжения, А/Ц преобразователь, клавиатуру, LCD индикатор, блок управления карбюратором, БУК, удаленный компьютер.

-        наличие программного пакета для написания и отладки программы микроконтроллера.

-        достаточная изученность микроконтроллера.

Для реализации МПС были выбраны 3 контроллера: AVR (ATiny2313), PIC (16C745), MK-51 (AT89C4051). В каждой серии выбирается примерно аналогичных по характеристикам контроллеры сравниваются их параметры и оценивается на сколько они подходят для оценивания конкретной задачи. Информация о выбранных микроконтроллерах для удобства представлена в таблице, наглядно показывающей различия между ними:


AVR (ATiny2313)

PIC (16C745)

MK-51 (AT89С4051)

ПЗУ (память программ)

2 Кб

8 Кб

4 Кб

Таймеры/счетчики

1(8 разрядов) 1(16 разрядов)

2(16 разрядов)

2(16 разрядов)

Число портов ввода/вывода

18

22

32

Питание

2,7-5,5

2,0-5,5

4,0-5,5

Архитектура

RISC

RISC

CISC

Тактовая частота

20МГц

24МГц

24МГц

Режим экономии энергии

Idle, Power-down, Standby

Sleep

Idle, Power-down

Память данных

128 байт

256 байт

Стоимость

50 руб.

300 руб.

50

-микроконтроллер фирмы Атмел - это 8-разрядные RISC микроконтроллер для встраиваемых приложений. Они привлекают внимание наилучшим соотношением показателей быстродействие/энергопотребление, удобными режимами программирования, доступностью программно-аппаратных средств поддержки и широкой номенклатурой выпускаемых кристаллов. Микроконтроллеры обычно поставляются со стертыми встроенными FLASH и EEPROM блоками памяти (содержимое всех ячеек = $FF), готовыми к программированию. Улучшенная RISC (enhanced RISC) архитектура AVR-микроконтроллеров объединяет в себе комплекс решений, направленных на повышение быстродействия микропроцессорного ядра AVR. Арифметико-логическое устройство (ALU), в котором выполняются все вычислительные операции, имеет доступ к 32-м оперативным регистрам, объединенным в регистровый файл. Выборка содержимого регистров, выполнение операции и запись результата обратно в регистровый файл выполняются за один машинный цикл. Большинство встраиваемых микроконтроллеров имеют только один такой регистр, непосредственно доступный ALU, - аккумулятор, что требует включения в программу дополнительных команд его загрузки и считывания. В качестве контроллера рассмотрим ATiny2313, представляющий собой 8-битовый микроконтроллер, имеющий, следующие характеристики: построен на основе расширенной RISC-архитектуры; 2К загружаемой флэш-памяти; 32 рабочих регистра; 2 таймера/счетчика; 128 байтов EEPROM; 15 линий ввода/вывода общего назначения; внешние и внутренние прерывания; встроенный последовательный порт.

Альтернативой может быть контроллер другой серии например PIC 16С745. PIC16F84 - это 8-pазpядные микpоконтpоллеpы с RISC аpхитектуpой, производимые фирмой Microchip Technology. Это семейство микpоконтpоллеpов отличается низким энеpгопотpеблением и высокой скоростью. Микpоконтpоллеpы имеют встроенное ЭППЗУ пpогpамм, ОЗУ данных и выпускаются в 20 выводных корпусах. Память данных (ОЗУ) имеет pазpядность 8 бит, память пpогpамм (ППЗУ) для PIC16C84 14. Использование Гаpваpдской аpхитектуpы позволяет достичь высокой скорости выполнения битовых, байтовых и pегистpовых операций.

МК семейства МК-51 используют гарвардскую архитектуру. Классический микроконтроллер семейства 51 и его улучшенная модификация 52 серии имеет следующие данные: целочисленный 8-разрядный CISC-процессор, использование CISK архитектуры позволяет упростить программу за счет поддержки команд умножения и деления; тактовая частота до 80 МГц; командный цикл до 12 тактов; раздельные адресные пространства программ и данных; встроенная память программ объёмом 2-64 кб; встроенное ОЗУ данных объёмом 128б-64Кб; 40 выводов, 32 линии ввода-вывода; два или 4 8/16-разрядных таймера; последовательный порт RS-232; возможность подключения внешней памяти программ и данных, до 64 кб каждая (некоторые модели до 4Мб); режим пониженного энергопотребления.

Окончательно решено выбрать контроллер 51 серии как знакомый мне по архитектуре и имеющий такие важные для меня команды как деление и умножение.

.2 Выбор электронных элементов

Выбраны интеллектуальные цифровые датчики температуры, сейчас наиболее распространены 2 типа датчиков. Один с четырех проводным подключением по шине I2C, второй по шине 2-3-х проводной ware(3-х проводная шина когда дополнительно 3-я используется для питания датчика).

В результате анализа рынка было выяснено что датчик I2C более дорог по сравнению с датчиком IWare - 50 -70 руб., в качестве датчиков было решено использовать датчики IWare DS18S20 или его модификацию. Для более детального понимания рассмотрим архитектуру датчика и его работу более подробно. интеллектуальный контроллер электронный схема

DS18S20 - калиброванный цифровой термометр. Диапазон измеряемых температур от -55°C до +125°C. Абсолютная погрешность преобразования меньше ±0,5°C в диапазоне контролируемых температур -0°C до +70°C. Результирующее значение температуры считывается, как девятиразрядное слово и с помощью специальной программной обработки позволяет достигнуть разрешающей способности преобразования 0,01°C.

Зависимость выходного кода от температуры приведена в таблице:

Типовое время полного преобразования 750 мс. Энергонезависимая память температурных установок микросхемы обеспечивает запись произвольных значений верхнего и нижнего контрольных порогов. Термометр имеет индивидуальный 64-разрядный регистрационный номер (групповой код 010Н) и обеспечивает возможность работы без внешнего источника энергии, только за счет питания 1-Wire-линии(вариант двухпроводного подключения с ограниченным числом датчиков до 5 и расстоянием до 3-5м). В трехпроводном подключении питание микросхемы через отдельный внешний вывод 4,5 В до 5,5 В. Термометр размещается в транзисторном корпусе PR-35. Линия прерывания int 0 для подключения датчика температуры. Для обеспечения требуемого тока в данной линии установлен резистор сопротивлением 5КОм который необходим на шине IWare.

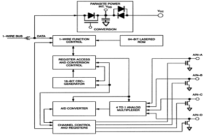
В качестве А/Ц преобразователя я использовал счетверенный АЦП с однопроводным интерфейсом. DS2450 представляет собой четырехканальный АЦП. Он имеет 8-битную точность и может сопрягаться с широким множеством датчиков и приборов, оцифровывать сигнал и передавать его на устройства сбора и обработки данных по простой однопроводной сети 1-Wire. Встроенный уникальный серийный номер позволяет объединить множество DS2450 с помощью однопроводной сети 1-Wire и получить доступ к конкретному датчику в пределах сети.

Четырехканальный АЦП на одном последовательном порту

Питание через вход Vcc или паразитное через линию передачи данных

-битная точность, 16-битная разрешающая способность

Два диапазона входных измерений: 0В-2.56В и 0В-5.12В

Напряжение питания от 4.5B до 5.5В; рабочий диапазон температур от -40°С до +85°С

Неиспользуемые аналоговые каналы могут быть сконфигурированы для работы в качестве ключа с открытым коллектором.

Время преобразования - 80 мкс/бит (в худшем случае). Пример: 3 канала, разрешение 9 бит = 3х9х80мкс+160мкс инициализация=2.32мс=140 выборок по каждому каналу в секунду

Уникальный серийный номер (ID) позволяет однозначно определить конкретный датчик в качестве источника измерений

Возможность объединения нескольких устройств по однопроводной сети 1-Wire

Передача данных по дешевому кабелю типа “витая пара”

Назначение выводов:


Структура:


Сеть 1-Wire успешно зарекомендовала себя в задачах, требующих дешевого, низко- и среднескоростного мониторинга и функций контроля. DS2450 только упрочняет эту позицию, добавляя возможность преобразования аналогового сигнала от датчиков, источников питания, потенциометров и передачи его по однопроводной сети. Потенциальные заказчики: производители датчиков, контрольного и мониторингового оборудования (измерение температуры, мониторинг окружающей среды и др.), оборудования инструментального контроля.

Для вывода информации используется алфавитно-цифровые индицирующие ЖК-модули на основе контроллера HD44780. Контроллер HD44780 фирмы Hitachi фактически является промышленным стандартом и широко применяется при производстве алфавитно-цифровых ЖКИ-модулей. Аналоги этого контроллера или совместимые с ним по интерфейсу и командному языку микросхемы, выпускают множество фирм, среди которых: Epson, Toshiba, Sanyo, Samsung, Philips. Еще большее число фирм производят ЖКИ-модули на базе данных контроллеров. Эти модули можно встретить в самых разнообразных устройствах: измерительных приборах, медицинском оборудовании, промышленнном и технологическом оборудовании, офисной технике - принтерах, телефонах, факсимильных и копировальных аппаратах.

Алфавитно-цифровые ЖКИ-модули представляют собой недорогое и удобное решение, позволяющее сэкономить время и ресурсы при разработке новых изделий, при этом обеспечивают отображение большого объема информации при хорошей различимости и низком энергопотреблении. Возможность оснащения ЖКИ-модулей задней подсветкой позволяет эксплуатировать их в условиях с пониженной или нулевой освещенностью, а исполнение с расширенным диапазоном температур (-20°С...+70°С) в сложных эксплуатационных условиях, в том числе в переносной, полевой и даже, иногда, в бортовой аппаратуре.

Контроллер HD44780 потенциально может управлять 2-мя строками по 40 символов в каждой (для модулей с 4-мя строками по 40 символов используются два однотипных контроллера), при матрице символа 5 х 7 точек. Контроллера также поддерживает символы с матрицей 5 х 10 точек, но в последние годы ЖКИ-модули с такой матрицей практически не встречаются, поэтому можно считать, что фактически бывают только символы 5 х 7 точек.

Для соединения ЖКИ-модуля с управляющей системой используется параллельная синхронная шина, насчитывающая 8 или 4 (выбирается программно) линий данных DB0...DB7, линию выбора операции R/W, линию выбора регистра RS и линию стробирования/синхронизации Е. Кроме линий управляющей шины имеются две линии для подачи напряжения питания 5 В - GND и VCC, и линия для подачи напряжения питания драйвера ЖКИ - V0.

Указанные выше названия линий шины являются стандартными, но муществует множество различных вариантов расположения контактов у каждого конкретного конструктива ЖКИ-модуля. На самом деле, единственным реально стандартным вариантом расположения контактов является двухрядное 14-ти контактное поле, расположенное вертикально в левой части модуля, а также совпадающее в ним двухрядное 16-ти контактное поле, содержащее дополнительную пару контактов с подключенными к ней выводами питания подсветки. В любом случае, для получения достоверной информации необходимо воспользоваться соответствующей справочной литературой изготовителя модуля.

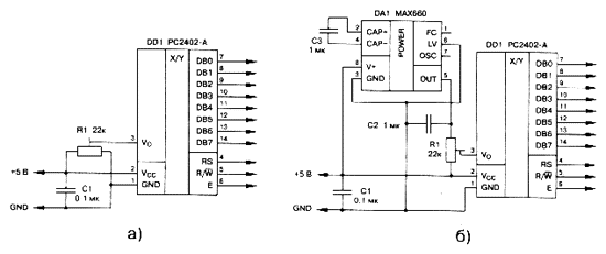
Рис. 1. Подача питания на ЖКИ-модуль

На начальном этапе необходимо подать питание на ЖКИ-модуль и добиться от него признаков работоспособности. Схема включения модуля, рассчитанного на стандартный диапазон температур, показана на рис.1а. Подстроечный резистор R1 позволяет плавно менять напряжение питания драйвера ЖКИ, что приводит к изменению угла поворота жидких кристаллов. Этим резистором можно отрегулировать фактическую контрастность при некотором преимущественном угле наблюдения (снизу-вверх или сверху-вниз). Включение в данную схему ЖКИ-модуля, рассчитанного на расширенный диапазон температур, не приведет к успеху, так как из-за особенностей применяемых в них ЖК-материалов, эти ЖКИ требуют повышенного напряжения питания и при питании напряжением 5 В изображение либо будет отсутствовать совсем, либо будет слабоконтрастным. Для преодоления ситуации необходимо подать на вывод V0 отрицательное напряжение (напряжение на ЖКИ определяется разностью VCC и V0), составляющее в предельном случае - 5 В. Если в схеме отсутствует источник отрицательного напряжения, то не составляет труда собрать простейший преобразователь, например, по схеме на рис. 1б.

Для активизации ЖКИ-модуля подайте напряжение питания и повращайте движок резистора R1 (рис. 1). После окончания цикла внутренней инициализации модуль включается в режим развертки одной верхней строки. При изменении напряжения на выводе V0 сегменты этой строки должны менять свое состояние от прозрачного до непрозрачного, что является свидетельством правильного подключения питания модуля и работоспособности контроллера и драйверов ЖКИ. Установите движок в такое положение, при котором изображение сегментов в верхней строке едва проступает на основном фоне ЖКИ. Теперь ЖКИ-модуль готов к приему и отображению информации. После того, как вы добьетесь отображения на индикаторе какого-либо текста, то сможете более точно отрегулировать изображение в соответствии с необходимой контрастностью и требуемым углом наблюдения.

Для соединения модуля с управляющей системой можно выбрать один из двух вариантов: по 8-ми или 4-х разрядной шине. В первом случае потребуется 11 сигнальных линий, во втором - только 7. Сам процесс обмена также может быть организован двояко. Можно подключить ЖКИ-модуль к системной шине (если таковая имеется) и выполнить обмен в синхронном режиме с максимальной скоростью. Этому широко распространенному в прошлые годы сопособу присущ ряд недостатков. Во-первых, большинство современных устройств выполняется с применением однокристальных микро-ЭВМ без использования дополнительной внешней памяти и, как следствие, системная шина у этих устройств просто отсутствует. Во-вторых, в современных системах повышенной сложности и производительности, у которых присутствует дополнительная память и, естественно, системная шина, скорость операций на шине находится за пределами возможностей контроллера HD44780 (2 МГц при питании 5 В и 1 МГц при 3 В). Это может потребовать введения дополнительных схем для замедления скрости работы шины при выполнении операций обмена с ЖКИ-модулем. В-третьих, подключение к системной шине в большинстве случаев потребует вводить схемы дешифрации и формирования сигналов Е и R/W, что опять приведет к дополнительным затратам. Все сказанное выше не означает, что вариант с подключением к шине принципиально неэффективен. В какой-то конкретной системе этот способ, наоборот, может быть самым оптимальным. Кроме того, некоторые современные процессоры, например, семейство МС68НС12, имеет встроенные средства для формирования сигналов выборки (CS), с возможностью программно определить скорость обмена с каждым конкретным устройством.

Другой вариант - очень простой путь - обмен с ЖКИ-модулем выполняется чисто программными средствами, через порты ввода-вывода управляющей микро-ЭВМ. В дальнейшем мы сконцентрируем внимание именно на этом варианте, так как он позволяет рассмотреть общий случай, абстрагируясь от конкретной системы. Вариант соединения с системной шиной, напротив, требует рассмотрения конкретных устройств, поэтому в случае необходимости можно рекомендовать изучить временные диаграммы операций чтения и записи, приведенные на рис. 3 и 4, а также значения временных параметров, приведенные в табл. 5, 6 и сконструировать соответствующие управляющие схемы.

На рис. 2а приведена схема подключения ЖКИ-модуля с 8-ми разрядной шиной к некоторой абстрактной микро-ЭВМ XYZ. Эта микро-ЭВМ содержит два порта: 8-ми разрядный двунаправленный РА0...РА7, к которому подключена шина DB0...DB7 ЖКИ-модуля, и 3-х разрядный РВ0...РВ2, к которому подключены линии управляющих сигналов: E, RS,R/W. На рис. 2б можно видеть схему подключения ЖКИ-модуля к этой же микро-ЭВМ в 4-х разрядном режиме. Обратите внимание, что для обмена в 4-х разрядном режиме используется старшая тетрада шины данных - DB4...DB7.

Рис. 2. Подключение к управляющей системе

В исходном состоянии сигнал Е = 0, сигнал R/W = 0, значение сигнала RS - произвольное, шина данных DBO...DB7 в состоянии высокого импеданса (НI). Такое состояние управляющих сигналов (E и R/W) должно поддерживаться все время в промежутках между операциями обмена с ЖКИ-модулем. Шина данных в эти моменты в принципе свободна, и может использоваться в мультиплексном режиме для каких-либо других целей, например, для сканирования матрицы клавиатуры. Естественно, необходимо позаботиться об исключении конфликтов на шине данных в момент совершения операций обмена с ЖКИ-модулем.

3. Разработка программы

.1 Общий алгоритм функционирования

Опиши в общем работу и то что выводиться на индикатор

Важной особенностью работы ИБП в является то обстоятельство, что при возникновении перегрузки или при внешнем КЗ, когда величина тока нагрузки превышает определенное значение, инвертор переходит в режим источника тока, ограничивая максимальное значение тока нагрузки на величине ограниченного тока - Iогр. Эта величина согласно ГОСТ 27699-88 не должна превышать 2Iном инвертора в течение 0,1 с.

Для современных ИБП инвертор обеспечивает ограниченный ток - Iогр в диапазоне 2-3 Iном в течение 1 с, в зависимости от производителя и марки ИБП. Данная характеристика указывается производителем в каталожных данных.

Кроме токоограничения важной особенностью функционирования ИБП при внешнем коротком замыкании, перегрузке является поддержание выходного напряжения. В зависимости от типа инвертора можно использовать различные способы регулирования выходного напряжения, которые можно разделить на три группы:

1.       регулирование напряжения на входе инвертора;

2.       регулирование напряжения посредством воздействия на процессы в инверторе, влияющие на выходное напряжение;

.         регулирование напряжения непосредственно на нагрузке за счет использования стабилизаторов переменного напряжения на выходе инвертора.

Перечисленные особенности функционирования ИБП при внешнем коротком замыкании, перегрузке - поддержание выходного напряжения и токоограничение - существенно влияют на величину тока КЗ и, следовательно, их необходимо учитывать при расчете тока КЗ за ИБП.

Рассмотрен вопрос расчета тока однофазного КЗ за ИБП. Предложена методика расчета тока однофазного КЗ за ИБП. В инверторном режиме работы ток однофазного КЗ рассчитывается по формуле(1),

 

 (1)

где Uном.вых.ИБП - номинальное выходное напряжение ИБП; Rph, RPE - активные сопротивления фазного и нулевого защитного проводника соответственно

В режиме работы от сети расчет тока однофазного КЗ аналогичен расчету тока однофазного КЗ при питании от сети через понижающий трансформатор. Согласно ГОСТ 28249-93 расчет токов несимметричных КЗ выполняется с использованием метода симметричных составляющих. Если электроснабжение электроустановки до 1 кВ осуществляется от энергосистемы через понижающий трансформатор, то начальное значение периодической составляющей тока однофазного КЗ от системы рассчитывается по формуле (2):

 (2)

где Uср.НН - среднее номинальное напряжение сети, в которой произошло короткое замыкание, В;

rI, xI- соответственно суммарное активное и суммарное индуктивное сопротивления прямой последовательности цепи КЗ, мОм

Для сетей типа ТN допустим расчет тока однофазного КЗ Ik(1) по упрощенной методике). Методика действительна для сетей, питающих конечные электроприемники (I-й, II-й уровень системы электроснабжения), находящиеся достаточно далеко от источника питания. Выражение для тока однофазного КЗ имеет вид (3):

 (3)

 

 где Rph, RPE - соответственно активное сопротивление фазного и нулевого защитного проводника, Ом В инверторном режиме работы ток однофазного КЗ рассчитывается по формуле (1) в которой учитывается поддержание выходного напряжения инвертором и сопротивления петли фаза- ноль. Как видно из формулы, вышестоящая сеть никак не учитывается при расчете тока однофазного КЗ от ИБП в инверторном режиме работы.

В режиме работы ИБП от сети, при расчете тока однофазного КЗ учет вышестоящей сети происходит вне зависимости от применяемого метода расчета тока однофазного КЗ. Так при точном расчете по формуле (2) учет вышестоящей сети происходит за счет введения эквивалентного индуктивного сопротивления системы до понижающего трансформатора, приведенного к ступени низшего напряжения хс. При расчете тока однофазного КЗ по методу петля-фаза ноль, ток рассчитывается по формуле (3). Коэффициент 0,8 учитывает падение напряжения в сети до ИБП, то есть предполагается, что участок цепи КЗ выше рассматриваемого щита представляет 20% суммарного сопротивления петли фаза-ноль. Другими словами, напряжение между фазой и PE (PEN) проводником составляет 80% номинального фазного напряжения.

В инверторном режиме работы возможны два варианта соотношения между рассчитанным и реальным током КЗ. В первом варианте, когда рассчитанный ток однофазного КЗ за ИБП - Iк(1) меньше ограниченного тока применяемого ИБП - Iогр , рассчитанный ток соответствует реальному току КЗ в сети с учетом погрешности расчета. Во втором варианте, когда рассчитанный ток однофазного КЗ за ИБП - Iк(1) больше ограниченного тока применяемого ИБП - Iогр , реальный ток КЗ будет меньше рассчитанного за счет токоограничения инвертора. В сети в течение времени токоограничения будет протекать ограниченный ток ИБП, определяемый настройками производителя. Этот вариант является наихудшим с точки зрения обеспечения защиты при косвенном прикосновении автоматическим отключением питания, так как рассчитанный минимальный ток КЗ, ток однофазного КЗ за ИБП - Iк(1), будет больше реального сетевого тока КЗ, равного ограниченному току ИБП - Iогр. Во избежание ошибки при выборе защитного аппарата необходимо учитывать последний вариант.

В сетевом режиме рассчитанный ток КЗ соответствует реальному току КЗ с учетом погрешности расчета.


Приведём таблицу возможных рабочих состояний системы.

Таблица 3. Рабочие состояния системы.


Коды этих состояний передаются в COM-порт компьютера. Можно написать резидентную программу, обрабатывающую прерывание от COM-порта, которая будет выводить соответствующие сообщения для пользователя ПК. Если система находится в критическом состоянии, то в COM-порт постоянно передаются байты, состоящие только из единиц.

В работе устройства мы используем два счетчика-таймера: С/T0 и C/T2. С/T0 работает во втором режиме: 8-битный автоперезагружаемый таймер/счетчик. TH0 хранит значение, которое должно быть перезагружено в TL0 каждый раз, по переполнению. Таймер работает от внутреннего источника сигналов синхронизации, инкрементируется на каждый двенадцатый такт. C/T2 - 16-тиразрядный автоперезагружаемый счётчик, работает в режиме синхронизации последовательного передатчика.

C/T0 используется для калибровки скважности импульсов, участвующих в генерации переменного напряжения от постоянного источника. Скважность сигнала - есть отношение периода сигнала к его длине. Таким образом, регулируя длину импульса можно добиться необходимого значения величины действующего напряжения.

После включения устройства через делитель напряжения, на вход микроконтроллера AVDD и на вход схемы генерации одиночного импульса RESET подаётся питание. По истечении сигнала RESET микропроцессор начинает выборку команд из памяти. Сначала, выполняются команды инициализации режимов таймеров, асинхронного приёмопередатчика, портов АЦП, портов ввода вывода и глобальных переменных. Снимается запрет на прерывания.

Далее начинается бесконечный цикл, в котором осуществляется управление устройством.

1)       Разрешаем прерывания от АЦП. Устанавливаем АЦП в режим однократного преобразования напряжения на канале 0 (Uвх.). Ожидаем, пока преобразование не завершилось. Как только преобразование завершено, программа передаёт управление обработчику прерывания от АЦП (см. ниже). В нутрии обработчика прерывания от АЦП запрещаются.

2)       После обработки прерывания снова разрешаем прерывания от АЦП. Устанавливаем АЦП в режим однократного преобразования напряжения на канале 2 (напряжение на аккумуляторе). Ожидаем, пока преобразование не завершилось. Как только преобразование завершено, программа передаёт управление обработчику прерывания от АЦП.

)         Проверяем, работает ли таймер 0. Если нет, переходим на пункт 1.

)         Таймер работает, следовательно, питание идёт от резервного источника. После обработки последнего прерывания, прерывания от АЦП остаётся запрещённым, а разрешено оно может быть только в обработчике прерывания от таймера 0 по истечении 0,02 с, т.е. одного периода переменного напряжения питания (f = 50 Гц). Дождёмся разрешения прерывания. Это сделано для того, чтобы длина импульса (которая калибруется в обработчике прерывания от АЦП) не изменялась чаще, чем раз в период. Устанавливаем АЦП в режим однократного преобразования напряжения на канале 1 (Uвых.).

)         Ожидаем, пока преобразование не завершилось. Как только преобразование завершено, программа передаёт управление обработчику прерывания от АЦП. После возврата из прерывания, переходим к пункту 1.

Контроль над входным, выходным напряжением, а также над напряжением аккумулятора производиться в обработчиках прерываний. Когда напряжение компьютера происходит от электросети, таймер C/T0 выключен и прерываний от него не происходит. Рассмотрим алгоритм обработчика прерываний от АЦП.

1)       Сохраняем в локальную переменную State типа byte состояние битов P0.0, P0.1.

2)       Заносим в локальную переменную Voltage результат преобразования АЦП.

)         Переходим на часть обработчика соответствующую каналу, на котором производилось преобразование напряжения. (ADC0 - п.4, ADC1 - п.5, ADC2 - п.6).

)         Канал ADC0 - входное напряжение.

Если Uвх.<200В или Uвх.>250В, запускаем счётчик который будет генерировать импульсы, необходимые для формирования переменного напряжения резервного источника питания, отключаем компьютер от электросети, включаем питание от аккумулятора. Переходим на пункт 7.Если 200В< Uвх.<250В, останавливаем счётчик, закрываем транзисторы, подключаем к компьютеру питание от сети. Переходим на пункт 7.

5)       Канал ADC1 - выходное напряжение.

Этот канал проверяется только в случае, если питание идёт от аккумулятора, т.е. если таймер 0 работает (см. описание рабочего цикла).Если напряжение питания меньше 225В, и импульс короче 8,75мс (не достиг максимально предусмотренной длинны), то увеличим длину импульса на 250мкс, что повлечёт увеличение действующего напряжения. Если напряжение питания больше 235В, и импульс длиннее 1,25 мс (не достиг своей минимальной предусмотренной длинны), то уменьшим длину импульса на 250мкс, что повлечёт уменьшение действующего напряжения. Таким образом, автоматически будет выбрана длинна импульса, необходимая для того, чтобы действующее напряжение питание находилось в пределах от 225 до 235В. Эти значения выбраны потому, что блок питания компьютера рассчитан на 230В.

6)       Канал ADC2 - напряжение аккумулятора. Когда компьютер питается от внешней электросети, и напряжение аккумулятора больше 12В, схема подзарядки отключается, если меньше 10В - подключается. В случае если питание компьютера происходит от аккумулятора, при напряжении меньше 10В на COM-порт посылается байт из единиц, а при напряжении ниже 9,85В происходит принудительное отключение резервного питания. Это сделано потому, что, если напряжение снизиться до 9,82В, контроллер перестанет функционировать из-за недостатка питания.

7)       Если состояние системы изменилось, посылаем код нового состояния через последовательный порт TxD на COM-порт компьютера.

)         Запрещаем прерывания от АЦП.

Обработчик прерывания от таймера служит для формирования импульсов. Прерывание происходит каждые 250 мкс (т.к. TH0 = 5). Глобальная переменная Counter инкрементируется внутри обработчика.

Рисунок 6. Формирование переменного напряжения.

Если Counter больше или равен 40 минус длинна импульса, открываем 1-й транзистор (см. рисунок 6). Когда происходит сороковое прерывание, закрываем 1-й транзистор. Если Counter больше или равен 80 минус длинна импульса, открываем 2-й транзистор. На восьмидесятом прерывании, закрываем 2-й транзистор, обнуляем переменную Counter, и разрешаем прерывание от АЦП, в котором (если требуется) изменяется длина импульса.

Заключение


В данной курсовой работе мной было реализована, разработана схема интеллектуального контроллера, обеспечивающего управление источником бесперебойного питания на основе бензинового генератора. После анализа функциональной схемы, рассмотрение множества разработок и отдельных электронных узлов мной была разработана схема системы, обеспечивающая полное управление и автоматический запуск генератора в случае отключения питания и контроль за состоянием двигателя и генераторной установки в целом. При схемотехнической реализации блока был произведен выбор наиболее оптимального контроллера для решения задачи.

Приложение

Схема устройства

Похожие работы на - Разработка интеллектуального контроллера, обеспечивающего управление источником бесперебойного питания на основе бензинового генератора

 

Не нашли материал для своей работы?
Поможем написать уникальную работу
Без плагиата!
Без нейросетей!