Учения Конфуция о государстве
"Частотомір середніх значень"
частотомір генератор лічильник цифровий
Пояснювальна
записка
Під частотою розуміється число повних циклів
періодичного процесу за одиничний інтервал часу. Формула розмірності частоти:
де
- період сигналу.
Діапазон частот, які використовуються у техніці - від
часток Герца до десятків гігаГерц, тобто від інфранизьких до надвисоких частот.
Частотомір середніх значень призначено для вимірювання частоти
періодичних сигналів. Принцип його дії полягає в зіставленні сумарного часу
проходження
імпульсів, які генеруються щоперіоду з невідомою частотою
, із точно встановленим проміжком часу
.
Структурна схема
Рис.1.
Частотомір складається з
таких функціональних блоків: формувача прямокутних імпульсів ФПІ; генератора
каліброваних часових інтервалів ГКЧІ; ключа К; лічильника імпульсів частоти
ЛІЧ; регістра РГ; цифрового відлікового пристрою ЦВП; пристрою керування ПК.
Досліджуваний періодичний сигнал
, частоту
якого потрібно виміряти, перетворюється на ФПІ на послідовність
прямокутних імпульсів з періодом
(рис. 2). Зразковий часовий інтервал
встановлюється генератором каліброваних
часових інтервалів ГКЧІ. Імпульси з його виходу керують ключем К, який
відкривається на проміжок часу
. Через відкритий ключ імпульси з періодом Тх з
виходу ФПІ надходять на лічильник імпульсів ЛІЧ та підраховуються ним
(рис. 3).
Рис.2.
Рис.3.
Кількість імпульсів
дорівнює
,
Тоді
(1).
Отже, код на виході лічильника дорівнює середньому за час
значенню вимірюваної частоти
. Вихідний код лічильника записується в
регістр РГ, де зберігається до наступного запису й одночасно
відображається на відліковому пристрої ЦВП. Після запису лічильник обнуляється
і підраховує кількість імпульсів у наступній пачці. Імпульси запису в регістр
та встановлення лічильника в нульовий стан генеруються пристроєм керування,
засинхронізованим з ГКЧІ. Згідно
з (1)
вибирається таким, щоб результат
вимірювання, відображуваний на відліковому пристрої, був у одиницях частоти.
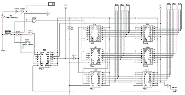
Принципова схема частотоміра середніх значень
Рис.4.
Розглянемо принцип дії схеми:
Досліджуваний сигнал
(джерелом сигналу є генератор синусоїдної напруги Е1) надходить на тригер
Шмідта DD1.1, що перетворює гармонічний сигнал на прямокутні імпульси, які
мають ту саму частоту, що й сигнал. З виходу тригера імпульси надходять на
інвертор DD2.2, який застосовується тому, що тригер Шмідта має інверсний
вихід.
З виходу інвертора
імпульси надходять на перший вхід ключа DD3.2 та на перший вхід
елемента «І» DD3.1. Одночасно імпульси з функціонального генератора надходять на
другий вхід ключа, на вхід «R» RS-тригера DD4.1, а через інвертор DD2.1 - на другий
вхід DD3.1 та на вхід установки в нульовий стан «CLR'» лічильника DD5.
Отже, коли на виході
функціонального генератора присутня лог. «1», ключ пропускає імпульси з ФПІ на
тактові входи «СLК» лічильників DD6-DD8, що підраховують їх (стан лічильників у даний
момент часу відображається на допоміжних індикаторах НG1-НGЗ, які в реальних
схемах відсутні). Лічильник DD5 та RS-тригер DD4.1 встановлюються в
нульовий стан. Отже, на виході Q’ RS-тригера встановлюється лог. «1», яка надходить
на вхід дозволу підрахунку «ЕNP» мікросхеми DD5, що дозволяє лічильнику
підрахунок, але на виході інвертора DD2.1 є лог. «0», отже, елемент «І» DD3.1 не пропускає імпульси з
ФПІ на тактовий вхід лічильника DD5. Коли ж на виході функціонального генератора
встановлюється лог. «0», то ключ не пропускає імпульси з ФПІ і лічильники DD6-DD8 перестають
рахувати імпульси, на виході інвертора DD2.1 встановлюється лог.
«1», отже, елемент «І» DD3.1 пропускає імпульси з ФПІ на тактовий вхід
лічильника DD5 і він починає підрахунок. Коли він підрахує один імпульс, на
його виході QА з'являється лог. «1» (про її наявність сигналізує індикатор U2), яка надходить
на тактові входи «СLК» мікросхем регістра DD9-DD11. Цей сигнал
дозволяє перепис інформації з виходів лічильників DD6-DD8 у регістр.
Після запису інформація зберігається у регістрі до наступного перепису й
одночасно відображається індикаторами НG4-НG6. Коли лічильник
DD5 підрахує другий
імпульс, на його виході QВ з'являється лог. «1» (про її наявність
сигналізує індикатор U1), яка надходить на вхід «S» RS-тригера DD4.1 і установлює
на його виході Q’ лог. 0, що забороняє лічильнику DD5 подальший підрахунок.
Крім того, лог. «1» надходить на вхід інвертора DD2.3, на виході якого
встановлюється лог. 0, який надходить на входи «СLR'» мікросхем лічильника DD6-DD8 і встановлює їх
у нульовий стан. Після цього схема не змінює свій стан до появи на виході
функціонального генератора лог. «1», після чого процес вимірювання
повторюється.
Короткий огляд
функціональних блоків. Формувач прямокутних імпульсів
У даній схемі ФПІ побудовано на тригері Шмідта DD1.1 та інверторі DD2.2. Досліджуваний
сигнал надходить на тригер Шмідта DD1.1, що перетворює гармонічний сигнал на
прямокутні імпульси. З виходу тригера імпульси надходять на інвертор DD2.2, який
застосовується тому, що тригер Шмідта має інверсний вихід
Таблиця. Електричні параметри
|
1
|
Номінальна
напруга живлення
|
5 В 5 %
|
|
2
|
Вихідна
напруга низького рівня
|
не
більше 0,4 В
|
|
3
|
Вихідна
напруга висого рівня
|
не
менше 2,4 В
|
|
4
|
Напруга
на антидзвонному діоді
|
не
менше -1,5 В
|
|
5
|
Вхідний
струм низького рівня
|
не
більше -1,2 мА
|
|
6
|
Вхідний
струм високого рівня
|
не
більше 0,04 мА
|
|
7
|
Вхідний
пробійний струм
|
не
більше 1 мА
|
|
8
|
Струм
короткого замикання
|
-18...-55
мА
|
|
9
|
Струм
споживання при низькому рівні вихідної напруги
|
не
більше 60 мА
|
|
10
|
Струм
споживання при високому рівня вихідної напруги
|
не
більшее 36 мА
|
|
11
|
Споживання
статистична потужність
|
не
більше 330 мВт
|
|
12
|
Час
затримки поширення при включенні
|
|
13
|
Час
затримки поширення під час вимкнення
|
не
більше 28 нс
|
Рис. 5. Осцилограма на виході тригера Шмідта
Ключ. Генератор
каліброваних часових інтервалів
За ГКЧІ використовується функціональний генератор. Ключ
побудовано на елементі «І» DD3.2
Рис.6.
Пристрій керування
Пристрій керування на лічильнику DD5, RS-тригері DD4, інверторах DD2.1, DD2.3 та елементі
«І» DD3.1.
RS-тригер.Функція тригера
полягає у тому, щоб виділити різницю між слідуваннями імпульсів з компараторів.
Тригер формує імпульс лише при надходженні на один із його входів
інформаційного сигналу. При відсутності інформаційних сигналів або при
наявності їх на обох входах тригера в один момент часу на виході тригера маємо
низький рівень інформаційного сигналу - логічний нуль. Це ілюструє таблиця
істинності.
X, Y - входи тригера. Z - вихід тригера.
Табл.1. Таблиця істинності.
|
X
|
Y
|
Z
|
|
0
|
0
|
-
|
|
1
|
0
|
1
|
|
0
|
1
|
1
|
|
1
|
1
|
x
|
Рис.7 Тригер.
Таблиця. Тригер беремо К155ЛП5.
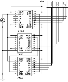
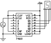
Рис. 8. Синхронний десятковий паралельний
лічильник К155ИЕ9.
Призначення виводів :
CLR’- вхід встановлення лічильника в нульовий
стан незалежно від сигналів на інших входах наявність на цьому вході сигналу
лог. “0” встановлює лічильник у нульовий стан;
CLK - тактовий вхід (за кожним фронтом
імпульсу на вході CLK стан лічильника збільшується на одиницю);
A-D - входи для подачі коду при паралельному
записі інформації ;
ENP - вхід дозволу підрахунку, активний сигнал
лог. “1”;
GND - корпусний вивід ;
VСС - вивід живлення ;
QA-QD - інформаційні виходи ;
ENT - вхід дозволу переносу; активний сигнал
лог. “1”;
LOAD’- вхід дозволу паралельного запису інформації зі
входів А-D на виходи QA-QD; активний сигнал “ 0 ”, для того щоб лічильник
підраховував на ньому має бути лог. “1”;
Рис. 9. Схема включення лічильника К155ИЕ9
Лічильник
Лічильник побудовано на трьох паралельних
десяткових лічильниках за модулем 10 DD6-DD8, з'єднаних разом з метою отримання лічильника за
модулем 1000.
Схема лічильника за модулем 1000 на мікросхемах
К155ИЕ9 зображена на рис. 10.
Рис. 10. Лічильник
Регістр
Регістр побудовано на трьох чотирирозрядних регістрах DD9-DD11. Кількість десяткових лічильників та відповідно
регістрів визначається кількістю десяткових розрядів вимірюваної величини, що
забезпечує необхідну точність вимірювань
Рис. 11. Регістр.
CLR’ - вхід установки регістра в нульовий
стан; незалежно від сигналів на інших входах наявність на цьому вході лог. “0”
установлює регістр у нульовий стан; при лог. “1” на вході CLR’ режим роботи
регістра визначається сигналами на входах S1-S0;
SR - вхід для подачі інформації при послідовному
записі та зсуві вправо (від молодшого до старшого розряду);
A-D - входи для подачі інформації при паралельному
записі;
SL - вхід для подачі інформації при послідовному
записі та зсуві вліво
VCC - вивід живлення ;
CLK - тактовий вхід, всі операції над
інформацією в регістрі виконуються за фронтом тактового імпульсу ;
S1-S0 - входи задавання режиму роботи регістра.
Нижче наведені режими роботи регістра залежно від сигналів на цих входах.
Таблиця
|
S1
|
S2
|
Режими
|
|
0
|
0
|
Стан
регістра не змінюється
|
1
|
Прийняття
інформації зі входу SR та її зсув вправо
|
|
1
|
0
|
Прийняття
інформації зі входу SL та її зсув вліво
|
|
1
|
1
|
Паралельний
запис інформації зі входів A-D
|
Регістри можна включати каскадно, збільшуючи їх
розрядність.
Цифровий відліковий пристрій побудовано на
семисегментних індикаторах HG4-HG6.
Розрахунок похибок приладу
Вихідні дані схеми:
1.
Діапазон вимірюваних частот: 1кГц - 100кГц.
2.
Частота на виході ГКЧІ 80 Гц.
3.
Частота на виході генератора синусоїдальної напруги 99 кГц.
4.
Виміряна частота 99 кГц.
5.
Тривалість імпульсів за цикл вимірювання 12,5 мс.
Похибки
1. Похибка, зумовлена нестабільністю порміжку часу
, який визначається нестабільністю
генератора квантуючих імпульсів.
,
де
- максимальне відхилення періоду ГКІ від
номінального значення.
2. Похибка квантування зумовлена тим, що
перший чи останній квантуючий імпульс залежно від моменту початку чи кінця
циклу вимірювання можуть не потрапити на вхід лічильника. Максимальне відносне
значення цієї похибки дорівнює
.
Верхня межа вимірювання частот обмежується максимальною
швидкустю підрахунку та ємністю лічильника
.
Нижня межа вимірювання обмежується припустимою похибкою
квантування
При відсутності синхронізації імпульсів Тх
зі старт імпульсом
.
При синхронізації старт імпульсу з вимірюваною
послідовністю

.
3. похибка від наявності на виході ФПІ шуму із
середньоквадратичним відхиленням
можна охарактеризувати середньоквадратичним відхиленням інтервалу
часу
від тривалості періоду
досліджуваного сигналу, яке з'являється
внаслідок дії шуму. Відносне значення цієї похибки дорівнює:
,
де
- амплітуда вхідного сигналу.
,
.
Сумарна похибка становить:
,
Похибка квантування можна зменшити в 2 рази, якщо
підраховувати число напівперіодів.
Зі зменшенням частоти похибка вимірювання
збільшується. Її можна зменшити, збільшуючи Тц, однак,
збільшується час виміру, що не завжди припустимо. Крім того, при зміні fx
у часі, збільшення Тц приводить до зростання динамічної
похибки.
Верхня межа виміру частоти обмежується
максимальною швидкістю підрахунку лічильника імпульсів (десятки ГГц). Нижня
межа виміру визначається припустимою похибкою і часом виміру
Висновок
У даній курсовій роботі було спроектовано
частотомір середніх значень, за допомогою програми Electronics Workbench. Даний
пристрій складається з 7-vи блоків: формувача прямокутних імпульсів, ключа,
генератора каліброваних часових інтервалів, лічильника, регістра, цифрового
відлікового пристрою, пристрою керування. Було задано діапазон виміряної
частоти 1кГц - 100 кГц. Також було побудовано осцилограми в певних точках
схеми: на виході генератора синусоїдальної напруги і на виході ФПІ. У ході
роботи була розрахована сумарна похибка частотоміра, що складає 0,1%.
Список літератури
.Орнатский
П.П. Автоматические измерения и приборы.−К.: Вища школа,1986.−558
с.
.Орнатский
П.П. Теоретические основы информационно-измерительной техники. − К.: Вища
школа,1983.−455 с.
.Полищук
Е.С. Измерительные преобразователи.−К.: Вища шк.,1985.−321 с.
.Бабак
В.П., Єременко В.С., Куц Ю.В., Мокійчук В.М. Цифрові вимірювальні прилади:
Комп'ютерний лабораторний практикум: Навч. посібник / За ред. чл.-кор. НАНУ
В.П. Бабака. - К.: Книжкове вид-во НАУ, 2006. - 168 с.
.ДСТУ
2681−94. Метрологія. Терміни та визначення.