Устройство, ТО, диагностика и ремонт трансмиссии автомобиля УАЗ-3151

  • Вид работы:
    Курсовая работа (т)
  • Предмет:
    Транспорт, грузоперевозки
  • Язык:
    Русский
    ,
    Формат файла:
    MS Word
    1,58 Мб
  • Опубликовано:
    2012-04-27
Вы можете узнать стоимость помощи в написании студенческой работы.
Помощь в написании работы, которую точно примут!

Устройство, ТО, диагностика и ремонт трансмиссии автомобиля УАЗ-3151














«Устройство, ТО, диагностика и ремонт трансмиссии

автомобиля УАЗ-3151»

Содержание

Введение

Устройство трансмиссии

Техническое обслуживание трансмиссии

Диагностика трансмиссии

Ремонт трансмиссии

Список используемой литературы

Введение

Трансмиссия или силовая передача, служит для передачи крутящего момента от коленчатого вала двигателя к ведущим колесам. На автомобилях так называемых классических моделей двигатель установлен в передней части машины, а ведущими являются задние колеса, что обусловливает необходимость применения трансмиссии, состоящей из нескольких механизмов.

При движении автомобиля коленчатый вал двигателя развивает до 5800 об/мин, а ведущие колеса при этом вращаются со скоростью не более 1300 об/мин. Следовательно, даже при благоприятных дорожных условиях колеса автомобиля вращаются в четыре с лишним раза медленнее коленчатого вала.

А при неблагоприятных дорожных условиях, когда возрастает сопротивление движению машины и приходится двигаться с невысокой скоростью, это отношение возрастает.

При эксплуатации автомобиля возникает необходимость изменять не только скорость движения и величину подводимого к колесам момента, но также маневрировать, останавливаться, двигаться задним ходом.

Выполнение всех этих действий становится возможным благодаря тому, что развиваемый двигателем крутящий момент подводится к ведущим колесам через механизмы, составляющие трансмиссию автомобиля. К этим механизмам относятся: сцепление, коробка передач, карданная передача, главная передача, дифференциал и полуоси. Каждый из механизмов выполняет определенные функции.

Сцепление позволяет на непродолжительное время отсоединить силовую передачу от двигателя и обеспечивать плавное включение трансмиссии при трогании автомобиля с места или при переключении передач.

Коробка передач служит для получения различных тяговых усилий на ведущих колесах путем изменения крутящего момента, передаваемого от двигателя к карданному валу, а также для изменения направления вращения ведущих колес при движении задним ходом и для отключения трансмиссии от двигателя на длительное время.

Карданная передача позволяет передавать крутящий момент от выходного вала коробки передач к заднему мосту при изменяющемся угле между осями вала коробки передач и ведущего вала главной передачи.

Главная передача служит для того, чтобы передать крутящий момент под углом 90 градусов от карданного вала к полуосям, а также для уменьшения числа оборотов ведущих колес по отношению к числу оборотов карданного вала.

Дифференциал обеспечивает возможность вращения правого и левого ведущих колес с разными скоростями на поворотах и неровной дороге.

Две полуоси, связанные с дифференциалом через полуосевые шестерни, передают крутящий момент от дифференциала к правому и левому ведущим колесам.

В данном курсовом проекте мы рассматриваем трансмиссию автомобиля УАЗ-3151, служащую для передачи крутящего момента от двигателя к ведущим колёсам и изменения его по величине и направлению в зависимости от условий движения. В данном автомобиле трансмиссия состоит из сцепления, коробки передач, раздаточной коробки, карданной и главной передач, дифференциала и полуосей. Главная передача, дифференциал и полуоси расположены в кожухе ведущего моста.

Устройство трансмиссии

Трансмиссия - это устройство, подсоединенное к двигателю и передающее его энергию колесам. Автомобильный двигатель должен работать при оптимальных оборотах, и задача трансмиссии состоит в том, чтобы передать его энергию колесам при условии, что двигатель не выходит из оптимального рабочего режима. Это достигается использованием разных шестеренчатых комбинаций. На первых передачах вал двигателя вращается гораздо быстрее, чем колеса, на более высоких передачах двигатель, можно сказать, "отдыхает", в то время как автомобиль может двигаться со скоростью свыше 150 км/ч. В добавление к передачам, приводящим к движению вперед, имеется нейтральное положение, когда связь двигателя с колесами прерывается, а также реверс, когда колеса вращаются в обратном направлении, что позволяет двигаться задним ходом. Кроме того имеется режим парковки. В этом случае блокируется вал, что приводит к фиксации колес.

Рис. 1. Заднеприводная компоновка трансмиссии

В заднеприводных автомобилях трансмиссия обычно монтируется за двигателем и расположена под "горбом", расположенном вдоль пола по центру салона. Карданный вал соединяет выход трансмиссии с осью ведущих колес. Передача мощности в такой системе достаточно проста и прямолинейна - от двигателя через сцепление, затем через трансмиссию и карданный вал до дифференциала, передающего движение на два задних колеса.

Сцепление

Сцепление предназначено для кратковременного разъединения двигателя от трансмиссии и плавного их соединения в тех случаях, когда требуется затормозить автомобиль, начать движение или переключить передачи. Сцепление сухое, однодисковое, состоит из нажимного диска с кожухом, нажимными пружинами и оттяжными рычагами в сборе, ведомого диска с фрикционными накладками и гасителями крутильных колебаний в сборе. Механизм сцепления укреплён на маховике двигателя болтами, сбалансирован совместно с коленчатым валом, а его положение после балансировки отмечено на кожухе и маховике меткой “О”. Между кожухом сцепления и нажимным диском установлены нажимные пружины, имеющие со стороны нажимного диска теплоизолирующие шайбы. Выключающее устройство сцепления состоит из установленных на нажимном диске оттяжных рычагов, муфты выключения сцепления с упорным подшипником, установленного на крышке подшипника первичного вала коробки передач, и вилки выключения, установленной на картере сцепления. Ведомый диск установлен на шлицы первичного вала, нажимной диск под действием пружин прижимает фрикционные накладки к маховику и возникающие при этом силы трения позволяют передать крутящий момент с коленчатого вала двигателя на первичный вал коробки передач.

Сцепление (рис. 2) сухое, однодисковое, состоит из нажимного диска 4 с кожухом 20, нажимными пружинами 19 и оттяжными рычагами 11 в сборе; ведомого диска 3 с фрикционными накладками и гасителями крутильных колебаний в сборе.

Механизм сцепления укреплен на маховике двигателя болтами, сбалансирован совместно с коленчатым валом, а его положение после балансировки отмечено на кожухе 20 и маховике 2 знаком «О».

Между кожухом сцепления и нажимным диском установлены нажимные пружины, имеющие со стороны нажимного диска теплоизолирующие шайбы 21.

Выключающее устройство сцепления - состоит из установленных на нажимном диске оттяжных рычагов, муфты 17 выключения сцепления с упорным подшипником 18, установленной на крышке подшипника ведущего вала коробки передач, и вилки выключения, установленной на картере 9 сцепления.

Между кожухом сцепления и нажимным диском установлены нажимные пружины, имеющие со стороны нажимного диска теплоизолирующие шайбы 21.

Рис. 2. Сцепление:

- нижняя часть картера сцепления; 2 - маховик; 3 - ведомый диск; 4 -нажимной диск; 5 - передний подшипник; 6 - коленчатый вал; 7 - ведущий вал; 8 - игольчатый подшипник; 9 - картер сцепления; 10 - палец оттяжного рычага; // - оттяжной рычаг; 12 - палец; 13 - ролик оттяжного рычага; 14 - вилка оттяжного рычага; 15 - упорный болт; 16 - пружина оттяжная муфты; 11 - муфта выключения сцепления; 18 - подшипник выключения сцепления; 19 - нажимная пружина; 20 - кожух сцепления; 21 - теплоизолирующая шайба

Выключающее устройство сцепления - состоит из установленных на нажимном диске оттяжных рычагов, муфты 17 выключения сцепления с упорным подшипником 18, установленной на крышке подшипника ведущего вала коробки передач, и вилки выключения, установленной на картере 9 сцепления.

Ведомый диск (рис. 3) установлен на шлицы ведущего вала. Нажимной диск под действием пружин прижимает фрикционные накладки к маховику, и возникающие при этом силы трения позволяют передать крутящий момент с коленчатого вала двигателя на ведущий вал коробки передач.

Рис. 3. Ведомый диск сцепления:

- фрикционные накладки; 2 - заклепки; 3 - пружина ведомого диска; 4 - стальной диск; 5 - демпферная пружина; 6 - ступица; 7 - фрикционные кольца; * - регулировочные кольца; 9 - ведомый диск; 10 - упорный палец; // - балансировочный грузик

Привод управления сцеплением. Привод управления сцеплением представляет собой систему рычагов и тяг, связывающую вилку выключения сцепления, выходящую из картера сцепления, с педалью сцепления на рабочем месте водителя. Подвесная педаль установлена на оси в пластмассовых сферических подшипниках, не требующих смазки. Управление сцеплением осуществляется двумя тягами и толкателем через промежуточные рычаги. Регулирование свободного хода сцепления производится изменением длины толкателя и горизонтальной тяги. Полный ход педали (до упора в пол) равняется 150 мм и регулируется подвижным упором на кронштейне главного цилиндра тормоза. Техническое обслуживание сцепления заключается в очистке от грязи, подтяжке болтовых соединений, регулировке и смазке, в соответствии с картой смазки. Необходимо своевременно смазывать подшипник выключения сцепления через колпачковую маслёнку, расположенную с правой стороны картера сцепления. Для нормальной работы сцепления требуется, чтобы зазор между головками болтов оттяжных рычагов и подшипников выключения сцепления был 2,5 - 3,5 мм. Это соответствует ходу внешнего конца вилки выключения сцепления 3,5 - 5 мм и свободному ходу педали сцепления 28 -35 мм, замеренному по площадке педали.

Привод выключения сцепления

Привод выключения сцепления (рис. 4) гидравлический, состоит из подвесной педали 19, главного цилиндра 5, трубопровода 4> шланга 24 и рабочего цилиндра 25.

В исходном положении педаль привода удерживается оттяжной пружиной.

При нажатии на педаль поршень главного цилиндра перемещается, давление рабочей жидкости возрастает и передается по трубопроводу в рабочий цилиндр, вызывая перемещение поршня и толкателя рабочего цилиндра, передавая усилие от педали на вилку выключения сцепления.

Поршень главного цилиндра имеет две уплотнительные манжеты: внутреннюю и наружную. Между поршнем и внутренней манжетой установлена тонкая стальная шайба, закрывающая отверстия в головке поршня и выполняющая роль перепускного клапана. От загрязнения рабочая полость цилиндра защищается резиновым колпаком. Питательный бачок с рабочей жидкостью установлен на корпусе главного цилиндра.

Рис. 4. Привод выключения сцепления

1 - крышка; 2 - фильтр-сетка; 3 - бачок; 4 - гидротрубка; 5 - главный Цилиндр привода сцепления; 6 - перепускное отверстие; 7 - компенсационное отверстие; 8 - шайба; 9 - пружина; 10 - внутренняя манжета; Л - штуцер; 12 - поршень; 13 - наружная манжета; 14 - защитный колпак; 15 - толкатель главного цилиндра; 16 - ось педали; П - вилка; 18 - пружина; 19 - Педаль; 20 - муфта; 21 - пружина; 22 - шаровая опора; 23 - вилка выключения сцепления; 24 - гидрошланг; 25 - рабочий цилиндр; 26 - пружина; " - колпачок; 28 - прокачной клапан; 29 - манжета; 30 - поршень; 31 - толкатель; 32 - колпак; 33 - контргайка; 34 - ввертная часть толкателя

Обслуживание сцепления заключается в очистке от грязи, подтяжке болтовых соединений, регулировке и смазке в соответствии с таблицей смазки. После езды по грязным дорогам очищайте отверстие в нижней части картера сцепления. Своевременно смазывайте подшипник выключения сцепления через колпачковую масленку, расположенную с правой стороны картера сцепления.

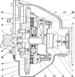
Коробка передач

Коробка передач служит для изменения по величине и направлению передаваемого крутящего момента на ведущие колёса автомобиля, длительного разъединения двигателя и трансмиссии во время стоянки или при движении автомобиля по инерции, а также для движения автомобиля задним ходом. На автомобиле УАЗ-3151 коробка передач механическая, четырёхступенчатая, имеет четыре передачи переднего хода и одну передачу заднего хода. Крепится к картеру сцепления с помощью четырёх шпилек. Крутящий момент двигателя передаётся на первичный вал коробки передач через ведомый диск сцепления. Шестерни привода промежуточного вала, 3-ей и 2-ой передач косозубые и находятся в постоянном зацеплении. Первичный вал имеет две опоры. Передний подшипник расположен в гнезде коленчатого вала, задний в передней стенке картера коробки передач. Задний подшипник закреплён на валу специальной гайкой с левой резьбой. С внутренней стороны картера подшипник закрыт маслоотражателем. На задней части вала нарезаны два зубчатых венца. Для удобства монтажа прямозубый венец и часть конической поверхности вала имеют дугообразный вырез. Между подшипником и торцом вала стоит маслоотражатель. Промежуточный вал устанавливается на двух шариковых подшипниках, в передней и задней стенках картера. Передний подшипник закреплён на валу специальной гайкой, которая стопорится путём вдавливания её буртика в паз вала. Задний подшипник имеет на наружной обойме упорное кольцо. На валу задний подшипник закреплён с помощью тарельчатой шайбы и специального болта с левой резьбой. Блок шестерён заднего хода с подшипником в сборе установлен на оси, которая стопорится в картере специальным резьбовым штифтом.

Коробка передач (рис. 5) механическая, предназначена для изменения крутящего момента, передаваемого на ведущие колеса с целью получения наилучших тягово-динамических качеств данных дорожных условиях. Для этого она имеет четыре передачи для движения вперед и одну - для движения назад. Коробка передач снабжена синхронизатором инерционного типа для облегчения включения третьей и четвертой передач. Коробка крепится к картеру сцепления четырьмя шпильками, ввернутыми картер сцепления. Шестерни привода промежуточного вала второй и третьей передач косозубые и находятся в постоянном зацеплении.

Ведущий вал 9 имеет две опоры. Передний подшипник расположен в гнезде коленчатого вала, задний - в передней стенке картера коробки передач.

Задний подшипник закреплен на валу специальной гайкой с левой резьбой. С внутренней стороны картера подшипник закрыт маслоотражателем.

На задней части вала нарезаны два зубчатых венца.

Для удобства монтажа прямозубый венец и часть конической поверхности вала имеют дугообразный вырез.

Ведомый вал расположен за первичным на одной с ним оси и имеет две опоры. Передняя опора вала - набор роликов, помещенный в ведущем валу. Задняя опора вала - двухрядный радиально-упорный шарикоподшипник. Между подшипником и торцом вала стоит маслоотражатель.

Промежуточный вал устанавливается на двух шариковых подшипниках, в передней и задней стенках картера. Передний подшипник закреплен на валу специальной гайкой, которая стопорится путем вдавливания ее буртика в паз вала. Задний подшипник имеет на наружной обойме упорное кольцо.

На валу задний подшипник закреплен с помощью тарельчатой шайбы и специального болта с левой резьбой.

Бок шестерен заднего хода установлен с подшипником в сборе на оси, которая стопорится в картере специальным резьбовым штифтом со стороны бокового люка картера.

Рис. 5. Коробка передач:

1 - картер; 2 - шестерня привода промежуточного вала; 3 - передний подшипник промежуточного вала; 4 - гайка крепления подшипника; 5 - промежуточный вал; в - крышка подшипника; 7 - передняя крышка; 8 - муфта выключения сцепления; 9 - ведущий вал; 10 - специальная гайка; // - передний подшипник ведомого вала; 12 - муфта синхронизатора; 13 - ведомый вал; 14 - шестерня третьей передачи; 15 - шестерня второй передачи; 16 - шестерня первой передачи; 11 - задний подшипник ведомого вала; 18 - стопорные кольца; 19 - болт крепления заднего подшипника промежуточного вала; 20 - подшипник блока шестерен заднего хода; 21 - ось блока шестерен; '22 - блок шестерен заднего хода; 23 - распорная втулка; 24 - шестерня второй передачи промежуточного вала; 25 - шестерня третьей передачи промежуточного вала; 26 - пробка сливного отверстия

Синхронизатор

Синхронизатор обеспечивает бесшумное включение передач переднего хода из-за выравнивания в момент включения частоты вращения включаемой шестерни и ведомого вала. 4-ая (прямая) и 3-тья передачи для облегчения включения имеют синхронизатор инерционного типа. Механизм синхронизатора собран на ступице. Ступица имеет три продольных паза прямоугольной формы для размещения сухарей. В центре каждого паза сделано в радиальном направлении отверстие. При сборке механизма в отверстия ступицы устанавливаются пружины, а в отверстия сухарей стальные шарики. Для исключения случаев выпадения шариков синхронизатора отверстия в сухарях выполнены ступенчатыми. В синхронизаторе сухари устанавливаются стороной с отверстиями меньшего диаметра в сторону муфты. При включении передачи муфта под действием вилки переключения передвигается в сторону включаемой шестерни. Конусная поверхность блокирующего кольца синхронизатора начинает соприкасаться с конусной поверхностью шестерни и т.к. в начальный момент включения частоты вращения кольца и шестерни не совпадают, на поверхностях соприкосновения возникают силы трения. В результате сил трения частота вращения их выравнивается, кольцо поворачивается против вращения, сухари занимают центральное положение относительно пазов и утапливаются в них, а зубья муфты входят в зацепление с зубьями кольца и включаемой шестерни, блокируя её на валу. Переключение третьей и четвёртой передач происходят при помощи синхронизатора, первая и вторая передачи включаются перемещением шестерни на ведомом валу. Задний ход включается перемещением блока промежуточных шестерён, входящих одновременно в зацепление с ведомой и ведущей шестернями первой передачи.

Синхронизатор (рис. 6) - инерционного типа. Механизм синхронизатора собран на ступице. Ступица имеет три продольных паза прямоугольной формы для размещения сухарей. В центре каждого паза сделано в радиальном направлении отверстие. При сборке механизма в отверстия ступицы устанавливаются пружины, а в отверстия сухарей - стальные шарики.

Для исключения случаев выпадения шариков отверстия в сухарях выполнены ступенчатыми. В синхронизаторе сухари устанавливаются стороной с отверстиями меньшего диаметра в сторону муфты.

Рис. 6. Синхронизатор:- муфта; 2 - ступица; 3 - сухарь; 4 - шарик

Механизм переключения передач. Механизм переключения передач имеет три вилки переключения, входящие в соединение с подвижными элементами коробки передач. Все вилки крепятся на штоках с помощью болтов, имеющих на конце конус. Штоки вместе с вилками перемещаются в осевом направлении. Для фиксирования положения нейтрали и включённой передачи штоки имеют пружинные фиксаторы. Между штоками установлено замочное устройство, которое препятствует одновременному включению двух передач. Один из штоков, выведённый из нейтрали, запирает другие. Боковая крышка имеет резьбовое отверстие для установки выключателя фонаря заднего хода.

Механизм переключения передач (рис. 7) имеет три вилки переключения, входящие в соединение с подвижными элементами коробки передач. Все вилки крепятся на штоках с помощью болтов, имеющих на конце конус. Штоки вместе с вилками перемещаются в осевом направлении. Для фиксирования положения нейтрали и включенной передачи штоки имеют пружинные фиксаторы. Между штоками установлено замочное устройство, которое препятствует одновременному включению двух передач. Один из штоков, выведенный из нейтрали, запирает другие.

Все вилки переключения имеют выступы с пазами, в которые входит рычаг переключения передач. Перемещение рычага в направлении поперек оси автомобиля производит выбор вилки, а перемещение рычага вдоль оси автомобиля включает выбранную передачу. Между пазами вилок первой - второй и третьей - прямой передач рычаг перемещается свободно. Чтобы ввести рычаг в паз вилки заднего хода, нужно преодолеть сопротивление предохранителя. Предохранитель представляет собой грибообразный плунжер, снабженный фиксатором положения, возвратной пружиной и стопорным кольцом, ограничивающим ход плунжера. Предохранитель закрыт снаружи крышкой.

Рис. 7. Механизм переключения передач:

- рычаг переключения передач; 2 - уплотнительная манжета: 3 - штифт: 4 - пружина рычага; о - опора рычага; 6 - боковая крышка коробки передач; 7 - крышка предохранителя: 8 - стопорное кольцо; 9 - предохранитель; 10 - пружина предохранителя; // - шариковый фиксатор; 12 - пружина фиксатора; 13 - вилка включения I и II передач; 14 - вилка включения III и IV передач; 15 - вилка включения заднего хода; 16 -. винт; П - шплинт; 18 - выключатель фонаря заднего хода; 19 - пробка; 20 - шток вилки включения I и II передач; 21 - плунжер; 22 - штифт; 23 - шток вилки III и IV передач; 24 - шток вилки включения заднего хода; 25 - заглушка

Механизм управления коробкой передач. Управление коробкой передач дистанционное, осуществляется рычагом. Привод управления установлен на панели воздуховода и соединён с коробкой передач тягами через промежуточные рычаги. Механизм переключения передач смонтирован в боковой крышке коробки передач и имеет два наружных рычага: вертикальный, служащий для выбора передачи, и горизонтальный для включения передачи. Привод механизма переключения передач регулируется изменением длины горизонтальных и вертикальных тяг. Техническое обслуживание коробки передач, механизма переключения и привода управления коробкой передач сводится к проверке уровня смазки и замене её в сроки, предусмотренные картой смазки, а также в периодической проверке затяжки всех резьбовых соединений, крепящих коробку передач и привод, в проверке регулировки привода. Перед снятием рычагов необходимо заметить взаимное положение рычагов на валиках для того, чтобы установить рычаги в прежнее положение.

Раздаточная коробка

Раздаточная коробка распределяет крутящий момент между ведущими мостами. Кроме того, дополнительная понижающая передача раздаточной коробки позволяет увеличить силу тяги на ведущих колёсах и расширить диапазон передач трансмиссии до восьми передач вперёд и двух назад. Корпус раздаточной коробки состоит из двух частей картера и крышки. Точность центрирования деталей обеспечивается двумя трубчатыми, установочными штифтами. Обработка картера и крышки производится совместно, и детали эти в отдельности не взаимозаменяемы. Вал привода заднего моста передаёт крутящий момент на задний карданный вал и изготовлен за одно целое с шестернёй, которая обеспечивает привод на передний мост и участвует в образовании пониженной передачи. Вал имеет наружные прямобочные шлицы, на которых закрепляются ведущая шестерня спидометра и фланец, для соединения с задним валом. Он установлен на двух шариковых подшипниках. В передней части вала имеются эвольвентные внутренние шлицы для включения прямой передачи. Промежуточный вал изготовлен за одно целое с промежуточной шестернёй понижающей передачи и в задней части имеет эвольвентные шлицы для посадки шестерни включения переднего моста. Опорами вала являются два подшипника. Вал привода переднего моста передаёт крутящий момент на передний карданный вал и изготовлен за одно целое с ведомой шестернёй. Он установлен на двух подшипниках и фиксируется так же, как и промежуточный вал. Механизм переключения раздаточной коробки имеет две вилки, входящие своими лапками в соединение с подвижными шестернями. Вилки перемещаются по неподвижным штокам с помощью рычагов и снабжены пружинными фиксаторами. В штоках для фиксации положений имеются вырезы.

Механизм управления раздаточной коробки дистанционный, установлен справа, впереди капота двигателя. Верхний рычаг служит для включения переднего моста, а нижний для включения прямой и промежуточной передач. Передние тяги механизма имеют регулировку, которая производится на заводе при сборке автомобиля. Верхние опоры валов и втулка оси промежуточных рычагов пластмассовые и смазки не требуют. Валы и нижнюю опору смазывают при разборках. Техническое обслуживание раздаточной коробки сводится к проверке уровня смазки и замены её в сроки, предусмотренные картой смазки, а также в периодической проверке затяжки всех резьбовых соединений. В процессе эксплуатации автомобиля возможно понижение уровня масла в коробке передач до 8 мм относительно нижней кромки заливного отверстия и одновременное его повышение в раздаточной коробке, но общий объём масла обеспечивает нормальную работу обоих узлов.

Раздаточная коробка (рис. 8) распределяет крутящий момент между ведущими мостами. Кроме того, дополнительная понижающая передача раздаточной коробки позволяет увеличить силу тяги на ведущих колесах и расширить диапазон передач трансмиссии до восьми передач вперед и двух назад. Корпус раздаточной коробки состоит из двух частей - картера и крышки. Точность центрирования деталей обеспечивается двумя трубчатыми установочными штифтами. Обработка картера и крышки производится совместно, и детали эти в отдельности не взаимозаменяемы.

Рис. 8. Раздаточная коробка:

1 - ведущий вал; 2 - ведущая шестерня; 3 - вилка включения прямой и понижающей передач; 4 - вал привода заднего моста; б, 10 - подшипники вала привода заднего моста; 6 - ведущая шестерня спидометра; 7 - ведомая шестерня спидометра; в - крышка картера; 9 - маслоотражатель; 11 - крышка; 12, 40, 42 - упорные кольца; 13 ~ упорная шайба; 14, 50 ~ сальники; 15, 53 - фланцы; 16, 51 - шайбы; 17, 38, 44, 52 ~ гайки; 18 - крышка; 19 ~ вилка включения переднего моста; 20 - пресс-масленка; 21 - рычаг включения переднего моста; 22 - рычаг включения прямой и понижающей передач; 23 - отжимные пружины рычагов; 24 - шайба; 25 - ось рычагов; 26 - кронштейн; 21 - рычаг включения прямой и понижающей передач; 28 - шток вилки включения прямой и понижающей передач; 29 - рычаг включения переднего моста; 30 - шток вилки включения переднего моста; 31 - крышка механизма переключения; 32 - шарик фиксатора; 33 - пружина фиксатора; 34 - заглушка; 35 - шток вилки включения переднего моста; 36 - шток вилки включения прямой и понижающей передач; 37 и 54 - подшипники промежуточного вала; 39 - шестерня включения переднего моста; 41 - крышка задних подшипников; 43 - вал привода переднего моста; 45, 48 - подшипники вала привода переднего моста; 46 - стопорная пластина; 47 - пробка сливного отверстия; 49 - крышка; 55 - заглушка, 56 - промежуточный вал; 57 - упорный стакан подшипника

Карданная передача

Карданная передача позволяет передавать крутящий момент между валами, расположенными под изменяющимся при движении автобуса углом. Ведущие мосты автомобиля подвешиваются к его раме с помощью упругих элементов подвески и во время движения изменяют своё положение относительно рамы. Коробка передач закреплена на раме неподвижно, поэтому для передачи крутящего момента с ведомого вала коробки на ведущий вал моста устанавливаются карданные передачи. Карданная передача автомобиля состоит из двух карданных валов заднего и переднего. Конструкции карданный валов одинаковые.

Задний карданный вал (рис. 9) состоит из тонкостенной трубы, в один конец которой запрессована и приварена вилка карданного шарнира, а в другой шлицевой конец. На шлицевой конец установлена скользящая вилка с внутренними шлицами, которая перемещается по шлицам при изменении длины карданного вала. Для удержания смазки и предохранения шлицевого соединения от загрязнения с одной стороны во внутреннюю полость скользящей вилки запрессована заглушка, а с другой у торца скользящей вилки установлено сальниковое уплотнение, состоящее из резинового и войлочного колец. Обойма сальников навёрнута на конец скользящей вилки и закернена в двух местах. На концах вала расположены карданные шарниры, которые состоят из двух вилок, сочленённых крестовиной. Карданные шарниры обеспечивают передачу крутящего момента между валами, оси которых пересекаются под изменяющимся углом. В качестве шарниров в автобусе используются жёсткие карданные шарниры неравных угловых скоростей. На цапфы крестовин установлены игольчатые подшипники. Стаканы игольчатых подшипников запрессованы в отверстия ушек вилок и удерживаются стопорными кольцами. Для обеспечения надёжной защиты игольчатых подшипников от попадания воды, грязи и для удержания смазки в штампованные обоймы подшипников установлены резиновые армированные манжеты с пружиной в сборе, а на цапфы крестовин напрессованы торцевые уплотнители подшипников. Передний и задний карданные валы выполнены со шлицевым скользящим соединением, которое служит для компенсации изменений длины карданного вала при езде автомобиля. Это устройство представляет собой шлицевой конец вала, на который установлена скользящая вилка с внутренними шлицами и маслёнкой. Шлицевое соединение смазывается через пресс-маслёнку, ввёрнутую в скользящую вилку, а игольчатые подшипниками смазываются через пресс-маслёнку на крестовине. Смазка к подшипникам подводится по каналам в цапфах крестовины. Соединение карданного вала с раздаточной коробкой и ведущим мостом осуществляется с помощью фланцев болтами с шайбами пружинными и гайками. Шлицевое соединение установленного на автомобиль карданного вала располагается у раздаточной коробки.

Рис. 9. Задний карданный вал:

- фланец; 2 - стопорное кольцо; 3 - крестовина; 4 - резиновая армированная манжета; 5 - игольчатый подшипник; 6 - скользящая вилка; 7 - заглушка; 8 - пресс-масленка; 9 - стальные разрезные кольца; 10 - войлочное кольцо; // - резиновое кольцо; 12 - обойма; 13 - труба карданного вала; 14 - вилка карданного шарнира; 15 - торцевые уплотнители подшипников

Передний карданный вал (рис 10). Во избежание задевания переднего карданного вала за детали двигателя при угловых перемещениях определённая его часть, находящаяся в опасной зоне задевания, выполнена из сплошного вала, имеющего значительно меньший диаметр, чем труба на остальной длине вала. Остальные детали, входящие в сборку переднего карданного вала, применяются те же, что и в заднем карданном вале. Карданные валы подвергаются динамической балансировке. Обе вилки любого вала должны обязательно лежать в одной плоскости. Техническое обслуживание карданных валов при эксплуатации автомобиля заключается в проверке уровня смазки и замене её в сроки, предусмотренные картой смазки, а также в периодической проверке затяжки всех резьбовых соединений, крепящих фланцы карданов.

Рис. 10. Передний карданный вал:

- сплошной вал; 2 - труба карданного вала

Ведущие мосты

Ведущие мосты автомобиля через ведущие колёса воспринимают все виды усилий, действующие между колёсами и подвеской. Ведущий мост объединяет в одном агрегате главную передачу, дифференциал и полуоси колёс. Если передний ведущий мост имеет управляемые колёса, то их полуоси выполняют расчленёнными на две части и соединёнными шарнирами равных угловых скоростей.

Главная передача. Главная передача увеличивает крутящий момент и изменяет его направление под прямым углом к продольной оси автомобиля, передавая на дифференциал и обеспечивая плавность и бесшумность работы. Главная передача состоит из пары конических шестерён, оси которых пересекаются под углом 90 градусов. Малая ведущая шестерня соединяется с карданным валом, а большая ведомая с коробкой дифференциала и через него с полуосями. Ведомая шестерня установлена на коробке сателлитов и болтами закреплена к её фланцу. Ведущая шестерня установлена на двух подшипниках: с одной стороны сдвоенный конический (передний), с другой радиальный, с цилиндрическими роликами (задний). Фланец ведущей шестерни крепится гайкой. Двоенный конический подшипник регулируется прокладками. Между торцом наружного кольца сдвоенного конического подшипника и буртом картера установлено регулировочное кольцо положения ведущей шестернёй. Для уменьшения размера главной передачи ось ведущей шестерни располагают ниже оси ведомой. В этом случае изменяются форма зубьев и характер зацепления, а сами шестерни становятся более прочными. Такая главная передача называется гипоидной, она позволяет снизить пол кузова автобуса и существенно повысить износостойкость шестерён.

Дифференциал. Дифференциал передаёт крутящий момент от главной передачи к полуосям и позволяет им вращаться с разной скоростью при повороте автомобиля и на неровностях дороги. На автомобиле применяется шестерёнчатый дифференциал, который состоит из полуосевых конических шестерён с четырьмя сателлитами. Шестерни полуосей имеют сменные упорные шайбы. Дифференциал установлен на двух конических подшипниках. Между торцами коробки сателлитов и внутренними кольцами подшипников дифференциала установлены регулировочные прокладки.

Полуоси. Полуоси передают крутящий момент от дифференциала к ступицам ведущих колёс. По своей конструкции полуоси делятся на полуразгруженные и полностью разгруженные по типу расположения опорного колёсного подшипника. Учитывая, что ведущие колёса должны в определённых условиях вращаться с неодинаковой частотой, крутящий момент от дифференциала к колёсам должен передаваться через две отдельные полуоси. Каждая полуось соединена с сателлитами дифференциала при помощи полуосевых шестерён. Полуоси изготовлены как одно целое с фланцами, к которым крепятся диски колёс и тормозные барабаны. Внутренний конец полуоси имеет шлицевую поверхность, которая входит в зацепление с внутренними шлицами полуосевой шестерни дифференциала. Наружный конец каждой полуоси опирается на шариковый подшипник, запрессованный в кожух полуоси.

Колёсный редуктор. Автомобиль УАЗ-31512 является автомобилем повышенной проходимости, поэтому он снабжены ведущими передними и задними мостами. Основным конструктивным отличием ведущих мостов является применение колёсных редукторов в мостах автомобилей, что позволяет увеличить дорожный просвет до 300 мм. Ведущая шестерня колёсного редуктора установлена на шлицевом конце полуоси и зацеплена с внутренними зубьями ведомой шестерни. Последняя соединена с ведомым валом колёсного редуктора, передающим крутящий момент на ступицу колеса. Колесо установлено на подшипниках на корпусе редуктора, соединённого с кожухом полуоси. Кожух является частью балки заднего моста.

Передний мост. Передний мост автомобиля ведущий. Картер, главная передача и дифференциал переднего моста не отличаются от соответствующих деталей и узлов заднего моста, за исключением маслоотражательного кольца ведущей шестерни, имеющего правую резьбу и клеймо “П”. К кожуху полуоси пятью болтами крепится шаровая опора с запрессованными в неё втулками шкворней. На шаровой опоре с помощью двух шкворней установлен корпус поворотного кулака. Шкворни поворотного кулака устанавливаются с предварительным натягом. От проворачивания в корпусе поворотного кулака шкворни стопорятся штифтами. Для удержания смазки в корпусе поворотного кулака и предохранения её от загрязнения на шаровой опоре установлен сальник, состоящий из внутренней обоймы, наружного уплотнительного кольца, кольца-перегородки, войлочного уплотнительного кольца и наружной обоймы. Сальник закреплён болтами на корпусе поворотного кулака. Для предотвращения перетекания смазки из картера главной передачи в поворотный кулак внутри шаровой опоры имеется самоподжимной резиновый сальник в металлической обойме. Внутри поворотного кулака установлен шарнир равных угловых скоростей. Конструкция шарнира обеспечивает одинаковые угловые скорости ведущего и ведомого валов независимо от угла между ними. Шарнир состоит из двух вилок, в криволинейных канавках которых расположены четыре шарика. В центральных гнёздах вилок расположен пятый шарик, который является установочным и служит для центрирования вилок. От продольного перемещения шарнир ограничен упорной шайбой. Внутренняя ведущая вилка шарнира соединена шлицами с полуосевой шестернёй дифференциала.

На ведомом конце кулака шарнира установлено устройство для отключения передних колёс автомобиля, которое состоит из подвижной муфты, установленной на шлицах, и болта с пружиной и шариком. Наружными шлицами подвижная муфта соединяется с внутренними шлицами ведущего фланца, закреплённого болтами к ступице колеса. Техническое обслуживание переднего моста при эксплуатации автомобиля заключается в проверке уровня смазки и замене её в сроки, предусмотренные картой смазки, а также в периодической проверке затяжки всех резьбовых соединений, проверке зазоров в шкворневом соединении, регулировке подшипников, зацепления шестерён, схождения колёс.

ЗАДНИЙ МОСТ в основном почти ни чем не отличается от переднего моста.

Рис. 11. Передний мост автомобиля УАЗ-3151:

1 - крышка картера главной передачи; 2 - подшипник дифференциала: 3 - регулировочная прокладка; 4 - уплотнительная прокладка; 5. 7 - подшипники ведущей шестерни; 6 - регулировочное кольцо; 8 - сальник; 9 - фланец; 10 - гайка; // - грязеотражатель; 12 - маслоотгонное кольцо; 13 - регулировочные прокладки; 14 - распорная втулка; 15 - регулировочное кольцо; 16 - ведущая шестерня главной передачи; П - сателлит; 18 - правая полуось; 19 ~ картер колесного редуктора; 20. 29 - маслоотражатель; 21 - подшипник полуоси; 22 - стопорное кольцо; 23 - уплотнительная прокладка картера редуктора; 24 - крышка картера колесного редуктора; 25 - подшипник; 26 - стопорное кольцо; 27 - тормозной щит; 28 - тормозной барабан; 30 - шпилька крепления колеса; 31 - цапфа; 32 - подшипник ступицы; 33 - прокладка; 34 - замочная шайба; 35 - ведущий фланец; 36 - гайки подшипников ступицы; 37 - стопорная шайба; 38 - втулка; 39 •- ведомый вал колесного редуктора: 40 - стопорные кольца; 41 - прокладки, 42 - сальник; 43 - подшипник ведомого вала; 44 - ведомая шестерня колесного редуктора: 45 - специальная гайка; 46, 50 - пробки сливных отверстий; 47 - ведущая шестерня колесного редуктора: 48 - правая коробка сателлитов; 49 - регулировочные прокладки: 51 - картер главной передачи; 52 - шайба шестерни полуоси; 53 - шестерня полуоси; 54 - ось сателлитов; 55 - шестерня ведомая главной передачи: 56 - левая коробка сателлитов; 57 - левая полуось

Техническое обслуживание трансмиссии

сцепление коробка карданный трансмиссия

Подготовка к работе и порядок проведения технического обслуживания

Подготовка к техническому обслуживанию заключается в проведении необходимых работ, связанных с приведением автомобиля в надлежащий вид. Требуемый перечень работ по каждому виду технического обслуживания излагается в следующем разделе руководства. Техническое обслуживание проводится в пунктах или площадках технического обслуживания или в специально оборудованных помещениях, обеспечивающих обслуживающему персоналу необходимые условия работы.

Техническое обслуживание по периодичности, объёму и трудоемкости выполняемых работ подразделяется на следующие виды:

ежедневное техническое обслуживание (ЕО);

первое техническое обслуживание (ТО - 1);

второе техническое обслуживание (ТО - 2);

сезонное техническое обслуживание (СО).

Периодичность первого и второго технического обслуживания зависит от категории условий эксплуатации автомобиля, определяемым типом и состоянием автомобильных дорог. Характеристика категорий условий эксплуатации и периодичность проведения ТО - 1 И ТО - 2 проводятся в таблице 1

Таблица 1

Категория условий эксплуатации

ТО 1 (км)

ТО 2 (км)

1

4000

16000

2

3600

14000

3

3200

12000

4

2800

11200

5

2400

9600


При ежедневном техническом обслуживании (ЕО) проверяются сцепление, коробка передач, карданные валы и заключаются в очистке от грязи, подтяжке болтовых соединений, регулировке и смазке. После езды по грязным дорогам очистить отверстие в нижней части картера сцепления. Своевременно смазывать подшипник выключения сцепления через колпачковую масленку, расположенную с правой стороны картера сцепления.

При ТО - 1 каждые 4 000 км пробега, или ежегодно, при повышенном уровне шума, при появлении течи проверяется уровень масла в коробке передач.

Для проверки уровня масла в механической коробке передач необходимо установить автомобиль на смотровую яму, очистить зону вокруг пробки заливной горловины, вывернуть и вынуть пробку. Масло должно достигать нижнего края отверстия. Если необходимо проверить уровень масла, можно ввести внутрь коробки чистый кусок гибкой проволоки.

При пониженном уровне нужно долить специальное масло для механических коробок передач. Нежелательно превышать уровень, т. к. оно может вытекать через край отверстия.

При ТО - 2 проверяется механизм сцепления производится при снятом нажимном диске сцепления в следующей последовательности:

. Устанавливается между плитой и нажимным диском шаблон ведомого диска в виде кольца толщиной 9,5 мм. Закрепляется за кожух собранный нажимной диск на плите шестью болтами.

. Осуществляется регулировка завинчиванием и отвинчиванием упорных болтов до получения размера 51,5 ± 0,75 мм - расстояние головок болтов от поверхности плиты (рис. 13). Разница в расстоянии от плиты до головок болтов не должна превышать 0,2 мм.

. Застопориваются после регулировки болты рычагов, отгибается край рычага в паз хвостовика болта, как показано на (рис. 14)

Обслуживание привода выключения сцепления сводится к регулировке свободного хода педали выключения, под держании уровня рабочей жидкости в бачке главного цилиндра гидропривода.

Обслуживание переднего моста заключается в поддержании необходимого уровня масла в картерах и своевременной его смене, проверке уплотнений, своевременном обнаружении и устранении I осевых зазоров в шестернях главной передачи, в периодической прочистке предохранительного клапана и в подтяжке всех креплений.

Снятие фланца 35 (рис. 12) производится теми же болтами, I которыми он крепится.

В картеры главной передачи и колесных редукторов заливайте только рекомендованное масло и меняйте его в строгом соответствии с таблицей смазки.

Следить, чтобы уровень масла в картерах был у нижних кромок заливных отверстий.

Масло сливается через сливные отверстия, расположенные » нижней части картеров, при этом вывертывайте и пробки заливных отверстий.

Рис. 12. Положение оттяжных рычагов после регулировки:

- кожух сцепления; 2 - нажимная пружина; 3 - нажимной диск; 4 - упорный болт; 5 - оттяжной рычаг

Рис. 13. Стопорение регулировочных болтов

При сезонном техническом обслуживании (СО). Перед летним сезоном технической эксплуатации произвести замену масел в коробке передач, передних и задних мостах на летное сорта, аналогично произвести замену масел в зимнее время.

Диагностика трансмиссии

Диагностика сцепления.

Нормально работающее сцепление должно обеспечивать включение и выключение без рывков и пробуксовки.

Свободный ход педали сцепления должен быть около 30 мм и соответствовать выбиранию зазоров до начала сжатия диафрагменной пружины. На толкателе рабочего цилиндра свободный ход равен 4-6 мм, а полный ход толкателя - не менее 30 мм. Зазор между толкателем и поршнем главного цилиндра привода сцепления составляет 0,1-0,5 мм. Этот зазор регулируется ограничителем педали.

Устройство для проверки сцепления автомобилей

Устройство для проверки сцепления автомобилей (рис. 14) служит для определения технического состояния и эффективности действия сцепления автомобиля, которое состоит из измерителя силы и указателя хода педали. Измеритель силы включает манометр 1, датчик 12 с захватом для фиксации на педали сцепления и гибкий шланг 11.

Указатель хода педали состоит из свободного сидящего на оси корпуса 2 барабана 4, спиральной пружины 5, металлической ленты 10 с крючком, охватывающей барабан 4 и прикрепленной к нему внутренним концом, барабана 9 со шкалой, свободно сидящего на ступице барабана 4 и прижатого к нему с помощью пружины 6 и винта 7. Спиральная пружина 5 размещена в углублении барабана 4, внешний конец ее посредством пальца 3 прикреплен к корпусу 2. Последний имеет прорезь для выхода внешнего конца металлической ленты 10 и риску 8 для установки нулевого деления шкалы барабана 9.

Манометр с механизмом указателя хода педали размещен в корпусе, укрепляемом на ободе рулевого колеса с помощью направляющей с лапками, передвижной вилки, винта и барашковой гайки.

В процессе работы динамометрическим стендом создается нагрузка на ведущие колеса автомобиля, соответствующая максимальному крутящему моменту. Нажатием на датчик 12 оператор приводит в движение педаль сцепления. По показаниям приборов определяют свободный ход педали и усилие на преодоление сил трения в приводах сцепления и действия оттяжных пружин. Продолжая перемещать педаль, фиксируют усилие и ее ход, соответствующие началу пробуксовки. По усилию, приложенному к педали, при ее движении от конца свободного хода до начала пробуксовки определяют эффективность действия сцепления, а по величине свободного хода и хода педали до начала пробуксовки дисков - техническое состояние сцепления.

Рис. 14. Устройство для проверки сцепления автомобиля

Измерение люфт в агрегатах трансмиссии угловым люфтомером КИ-4832

Угловым люфтомером КИ-4832 (рис. 15) измеряют суммарные углы в трансмиссии автомобиля. Этот люфтомер представляет собой динамометрическую рукоятку, на которой смонтированы в виде небольших тисков устройство для установки люфтомера на карданный вал автомобиля и градуированный диск. Градуированный диск легко вращается от руки на своей оси и несет на шкале под прозрачным стеклянным диском кольцо, изготовленное из прозрачной полихлорвиниловой трубки 0 6 - 8 мм. Кольцо герметически закрыто и наполовину заполнено подкрашенной жидкостью. В рабочем положении, когда подвижные губки устройства для установки закреплены на вилке карданного вала, жидкость занимает всю нижнюю половину кольца и служит в качестве уровня, по отношению к которому отсчитывают угол поворота карданного вала вместе с градуированным диском. При этом сначала выбирают зазор в трансмиссии, прилагая усилие 10-15 Н - м (1 -1,5 кгс-м) для трансмиссий автомобиля ГАЗ и 20 Нм (2 кгс-м) для ЗИЛ.

Измеряют люфты в агрегатах трансмиссии автомобилей только при неработающем двигателе. У грузовиков вначале измеряют суммарный люфт в карданной передаче. Для этого затягивают стояночный тормоз до упора и устанавливают люфтомер на заднюю вилку кардана. Затем, поворачивая люфтомером карданный вал в одну сторону, выбирают люфт и устанавливают шкалу градуированного диска так, чтобы уровень жидкости в кольце на диске совпал с нулевой отметкой шкалы. Поворотом люфтомера в другую сторону выбирают люфт и по уровню жидкости определяют его величину.

Вторая операция - определение угловых люфтов в зацеплении шестерен всех передач коробки передач. Для этого водитель автомобиля (слесарь-диагност) по требованию мастера-диагноста поочередно включает передачи, а последний измеряет люфтомером величину люфтов. Величина люфтов состоит из люфта карданной передачи, измеренного ранее, и люфта в коробке передач, следовательно, последний меньше на величину люфта карданной передачи.

Третья операция - определение люфта главной передачи. Перед этим затормаживают задний мост автомобиля и выполняют операции по определению люфта карданной передачи.

Пользование люфтомером КИ-4832 удобно, а время, необходимое для замера одного люфта, не превышает 10 с. Точность замеров около 1°, пределы измерений до 180°.

По такому же принципу устроен и люфтомер ХАДИ, только вместо жидкостного градуированного диска имеются сектор и стрелка.

Рис. 15. Люфтомер угловой КИ - 4832

Диагностика заднего моста

Оценку технического состояния заднего моста производят при контрольном пробеге автомобиля, во время которого прослушивают шумы на всех режимах работы (при трогании с места, движении накатом, резких ускорениях и замедлениях, торможении двигателем, движении на поворотах, больших скоростях). Контрольный пробег должен проводить опытный диагност на горизонтальном участке дороги с асфальтобетонным покрытием. Для исключения влияния внешних факторов (ветра, уклона дороги и т.п.) обычно заезды проводят на одном и том же участке в двух противоположных направлениях. Порядок дорожных испытаний, как правило, следующий.

Испытание первое. Скорость автомобиля устанавливается приблизительно 20 км/час, шумы при этом прослушиваются наиболее отчетливо. Постепенно увеличивая скорость до 90 км/час, прослушивают одновременно различные шумы, фиксируя скорость, при которой они появляются и исчезают. Снимают ногу с педали управления дроссельной заслонкой и, не притормаживая, гасят скорость двигателем. Во время замедления следят за изменением шума. Обычно шум возникает и исчезает при одних и тех же скоростях как при ускорении, так и при замедлении.

Испытание второе. Разгоняют автомобиль приблизительно до скорости 100 км/час, ставят рычаг переключения передач в нейтральное положение, выключают зажигание и дают автомобилю свободно катиться до остановки, прослушивая шум на различных скоростях. Если шум, замеченный во время этого испытания, соответствует замеченному при первом испытании, значит, он исходит не от редуктора, поскольку этот узел без нагрузки не создает шума. Напротив, шум, отмеченный при первом испытании и не повторяющийся при втором, может исходить от редуктора, полуосей или подшипников. Непосредственно источник шума определяют при следующем испытании.

Испытание третье. При неподвижном заторможенном автомобиле включают двигатель и, увеличивая постепенно его обороты, сравнивают возникающий шум с замеченным.

Стендом для проверки взаимного положения мостов легковых автомобилей (рис. 16) определяют правильность взаимного положения переднего и заднего мостов легковых автомобилей. Даже незначительное отклонение мостов от заданного конструктором положения приводит к нарушению управляемости автомобилем, к дополнительным сопротивлениям движению его, повышенному износу шин и расходу топлива.

На раме 1 стенда смонтирован узел, выполненный в виде двух фасонных роликов 3, позволяющих надежно фиксировать шины колес легковых автомобилей. Измерительный узел состоит из призмы 7, имеющей оси качения, установленные в подшипнике. На внутренней оси закреплен рычаг 5 привода потенциометра 6. При съезде автомобиля со стенда ролики центрирующего узла стопорятся фиксатором 9 с электромагнитным приводом. Для смягчения удара при наезде колеса автомобиля на призму на раме установлены резиновые подушки 8. Постоянство наезда автомобиля на стенд и его ориентирование обеспечиваются направляющими 2. На раме стенда смонтирован блок питания 4. Управление стендом и контроль измеряемых величин осуществляется переносным пультом.

Измерение взаимного положения осей автомобиля основано на определении центра контакта шины с дорогой.

Время проверки одного автомобиля на стенде составляет 35 с. Стенд работает надежно, измерения стабильны при различных условиях заезда (различная скорость движения, изменение давления в шинах, состояние протектора шин, загрязнение поверхности призмы и шин и т. п.).

Рис. 16. Стенд для проверки взаиморасположения мостов легковых автомобилей

Ремонт трансмиссии

Возможные неисправности сцепления

№ п/п

Наименование неисправности

Причина

Метод устранения

1

Сцепление не полностью выключается («ведёт»)

Увеличение свободного хода педали сцепления свыше 55 мм Деформирован ведомый диск Разрушение деталей ведомого диска Заедание ступицы ведомого диска на шлицах ведущего вала  Регулировочные винты рычагов нажимного диска не лежат в плоскости, параллельной плоскости маховика Увеличение зазоров в приводе сцепления

Отрегулировать привод выключения сцепления Заменить диск и прокачать систему Заменить диск Устранить причину заедания (заусеницы, грязь, забоины и т.д.) Разобрать сцепление и произвести регулировку  Заменить изношенные детали

Неисправности коробки передач и механизма переключения

№ п/п

Наименование неисправностей

Вероятная причина

Метод устранения

1

Шум в коробке передач

Ослабление крепления коробки передач с картерами сцепления и раздаточной коробки Масло не соответствует указаниям карты смазки или понижен его уровень Износ или разрушение деталей

Подтяните все болты и гайки крепления  Замените масло или долейте до требуемого уровня  Разберете коробку и замените дефектные детали

2

Затруднено переключение передач

Сцепление "ведет", в результате чего синхронизатор блокирует включение передачи Износ деталей синхронизатора или забоины на муфте включения Изгиб вилок и других деталей механизма переключения передач

Отрегулировать привод выключения сцепления  Замените изношенные детали, забоины зачистите Выправьте деформированные детали или замените их

Самовыключение передачи при движении автомобиля

Ослабление посадки по центрирующим поверхностям в результате износа или смятия деталей Износ подшипников шестерен Перекос деталей из-за деформации вилок Осевое перемещение валов и шестерен из-за их износа

Замените детали  Замените изношенные детали Выправьте вилки или замените новыми Замените изношенные детали

4

Течь масла

Повышенный уровень масла в коробке передач Вспенивание масла из-за его низкого качества и попадания в масло воды Ослабление затяжки деталей, имеющих уплотнительные прокладки, или повреждение этих прокладок Трещины в картере или крышках Выпадение заглушек отверстий штоков

Проверьте и установите требуемый уровень Замените масло  Если подтяжка креплений не устраняет течи, замените прокладку Замените дефектные детали Замените заглушки и расчеканьте их

5

Разрушение шарикоподшипников промежуточного вала

Попадание в подшипник твёрдых частиц

Заменить подшипник и смазку. Картер промыть жидким маслом. Не допускать загрязнения смазки


Возможные неисправности раздаточной коробки

№ п/п

Наименование неисправностей

Вероятная причина

Метод устранения

1

Повышенный шум в раздаточной коробке

Износ зубьев шестерён Ослабление гаек соединения раздаточной коробки с коробкой передач или болтов крепления крышек подшипников  Износ подшипников Недостаточный уровень смазки, загрязнена смазка или не соответствует рекомендованной таблицей смазки  При ремонте раздаточной коробки установлены шестерни, не подобранные по шуму

Заменить изношенные детали Затянуть все болты и гайки. Если после этого шум не прекратится, раздаточную коробку разобрать и устранить неисправность Заменить изношенные подшипники Сменить масло одновременно и в коробке передач. После слива масла картеры коробки передач и раздаточной коробки промыть керосином Установить шестерни, подобранные по шум

2

Затруднено переключение передач и включение переднего моста

Неодинаковый радиус качения шин  Заедание в шлицевом соединении ведущего и промежуточного валов Забоины на зубьях малого венца ведущей шестерни от ударов при включении. Изогнут шток вилки переключения Заедание рычагов переключения на оси

Установить шины с равной степенью износа. Довести давление в шинах до рекомендуемого Зачистить заусеницы, забоины, задиры, или заменить деталь Устранить забоины и заусеницы, шток выпрямить или заменить детали Разобрать рычаги переключения, промыть ось и смазочные каналы. Смазать и собрать рычаги с осью

3

Самовыключение передачи при движении автомобиля

Износ зубьев шестерён Износ подшипников, вызывающих перекос валов Увеличенный зазор в шлицевом соединении шестерня-вал   Неполное включение передач из-за деформации деталей механизма переключения или забоин на шестернях и шлицах  Ослаблена работа фиксатора из-за износа деталей или потери упругости пружины

Заменить изношенные шестерни Заменить изношенные подшипники Подобрать шестерню по шлицам вала для обеспечения минимального зазора при свободном перемещении по шлицам Выправить погнутые детали или заменить, забоины зачистить, обеспечить полное (до фиксирования) включение шестерён Заменить изношенные детали

4

Течь масла

Повреждение прокладок в разъёмах картера, крышек подшипников и в соединении раздаточной коробки с коробкой передач Ослабление гаек и болтов, крепящих крышки подшипников, крышку картера и соединяющих раздаточную коробку с коробкой передач Изношены или повреждены манжеты валов раздаточной коробки Трещины в корпусных деталях Выпадение или повреждение заглушек штоков механизма переключения и заглушки гнезда переднего подшипника промежуточного вала

Заменить повреждённые прокладки   Подтянуть гайки и болты в местах течи   Заменить манжету, заполнив полость между уплотняющими кромками смазкой Литол-24 Заменить повреждённые детали  Заменить и расчеканить заглушки в их гнёздах

5

Повреждение или разрушение подшипников

Недостаточный уровень смазки или её отсутствие в раздаточной коробке Попадание твёрдых частиц на рабочие поверхности подшипников, вызывающее разрушение сепаратора и колец  Заедание двухрядного подшипника ведущего вала раздаточной коробки

Проверить уровень смазки, повреждённые подшипники заменить Следить за чистотой смазки, своевременно заменять её и промывать коробку. Разрушенные подшипники заменить Разобрать, промыть и смазать подшипник

Неисправности карданных валов

№ п/п

Наименование неисправностей

Вероятная причина

Метод устранения

1

Вибрация карданных валов

Нарушение балансировки вала  Погнутость карданного вала Большой износ цапф крестовины. Наличие продольных вмятин на цапфах Большой износ игольчатых подшипников крестовины Большой износ шлицевого соединения карданных валов Износ отверстия в ушках вилок и фланцев карданных валов

Отбалансировать вал или заменить вал в сборе с шарнирами Выпрямить карданный вал или заменить новым Заменить крестовину в комплекте с подшипниками и манжетами Заменить подшипники Заменить вал Заменить вал или фланцы, или скользящую вилку

2

Стук или слабый удар в карданной передаче, появляющийся при переключении передач или движении автомобиля по инерции

Ослабление затяжки крепёжных деталей карданной передачи Износ шлицев фланца ведущей шестерни мостов Большой износ шлицевого соединения карданного вала

Произвести затяжку крепёжных деталей Заменить фланец Заменить вал

Возможные неисправности заднего моста

№ п/п

Наименование неисправностей

Вероятная причина

Метод устранения

1

Повышенный шум при работе заднего моста

Увеличенный боковой зазор в зацеплении шестерён главной передачи вследствие: износа зубьев шестерён главной передачи износа подшипников ведущей шестерни главной передачи износа подшипников дифференциала ослабления крепления ведомой шестерни к дифференциалу Неправильная регулировка зацепления шестерён главной передачи по контакту Неисправности в деталях дифференциала (износ зубьев шестерен, трущихся поверхностей коробки сателлитов и сопряжённых с ними поверхностей других деталей). Шумы при повороте или буксировании автомобиля Пониженный уровень масла в картере моста

  Изношенные шестерни главной передачи заменить Отрегулировать или заменить изношенные подшипники Заменить изношенные подшипники Подтянуть болты крепления ведомой шестерни Произвести регулировку зацепления при отсутствии износа зубьев Заменить изношенные детали    Долить масло в картер моста до нижней кромки маслоналивного отверстия

Список используемой литературы

1.  Рыжкин А.И., Иванцов А.Н. «Руководство по эксплуатации автомобилей семейства УАЗ-3151»

Похожие работы на - Устройство, ТО, диагностика и ремонт трансмиссии автомобиля УАЗ-3151

 

Не нашли материал для своей работы?
Поможем написать уникальную работу
Без плагиата!
Без нейросетей!