Техническое обслуживание и ремонт подвижного состава автомобильного транспорта
ВВЕДЕНИЕ
Состояние организации ТО и ТР в современных условиях находится на низком
уровне механизации. Это приводит, как было выше сказано, к снижению
производительности труда и повышению трудоемкости проводимых работ. При этом
роль и значение автомобильного транспорта в транспортной системе непрерывно
возрастает. Характерным для автомобильного транспорта на современном этапе
развития является концентрация подвижного состава в системе общего
использования транспорта, укрупнения автотранспортных предприятий и их
специализация по виду перевозок или по типу подвижного состава.
В нашей стране ТО и ТР автомобилей проводится на плановой основе,
представляющую собой систему ТО и ремонта, которая состоит из комплекса
взаимосвязанных положений и норм, определяющих порядок проведения работ по ТО и
ТР с целью обеспечения заданных показателей качества автомобилей в процессе
эксплуатации. На автомобильном транспорте большинство стран также используется
планово-предупредительная система, и выполняется регулярно после определенного
пробега (наработки) автомобиля, а ремонт, как правило, выполняется по
потребности, т.е. после возникновения неисправности или отказа.
Принципиальные основы организации и нормативы ТО и ТР регламентируются в
нашей стране «Положением о техническом обслуживании и ремонте подвижного
состава автомобильного транспорта», которое является результатом, во-первых,
проводимых научных исследований в системе Минавтотранса в области технической
эксплуатации автомобилей, во-вторых, опыт передовых автотранспортных
предприятий, в третьих, работы, проводимые автомобильной промышленностью по
повышению качества автомобилей. Но к сожалению был выпущен в девяностых, а
обновления, так необходимого сейчас, нет.
Производственно-технологическая база автомобильного транспорта,
назначение которого является: обеспечение требований нормальной технической
эксплуатации подвижного состава и в первую очередь должно обеспечивать его
работоспособность и надежность, включая в себя комплекс предприятий и
сооружений (гаражи, базы централизованного обслуживания, ремонтные заводы,
мастерские и др.).
Совокупность предприятий и сооружений вместе с подвижным составом
образует основные фонды автомобильного транспорта, эффективное использование
которых является основной задачей в сфере автомобильного транспорта.
Основное требование заключается в обеспечении высокого технического
уровня и высокой экономической эффективности анализируемого предприятия, зданий
и сооружений путем использования новейших достижений науки и техники, с тем,
чтобы проектируемые и реконструируемые предприятия ко времени их ввода в
действие были технически передовыми и имели высокие показатели по
производительности и условиям труда, уровню механизации в производственной
деятельности, себестоимости качеству производства, а также по эффективности
использования капитальных вложений.
Цель дипломного проекта: реконструкция агрегатного участка СПК «Восток» с
разработкой приспособления для выпресовки игольчатых подшипников карданных
шарниров
Задачи дипломного проекта заключаются в том, что бы:
подвести итог по пройденным за время обучения, в данном учебном
заведении, дисциплинам;
показать свои знания и умения в организации производственной программы по
проведению технического обслуживания и текущего ремонта, полученные за время
обучения;
научиться практически производить расчеты производственной программы по
ТР, расчета штата для выполнения работ, расчет количества постов ТР для
оптимальной работы автотранспортного предприятия, производить расчеты
экономических затрат для работы предприятия и энергетических затрат
предприятия, а также научится выбирать нужное оборудование и рационально
расстановить его на рабочем месте;
введение новых методов организации производства направленных на повышение
производительности труда, качества работ, снижение трудоемкости.
В наше время современные автотранспортные предприятия нуждаются в
основательной механизации ремонтных зон, линий, участков. Если изменить
механизацию этих зон, линий, участков, то это во много раз увеличит
производительность труда и качество проведения технических воздействий ТО и ТР.
Следовательно, автотранспортные предприятия получают большую
экономическую выгоду, так как можно будет сократить штат рабочих. Механизация
приведет к снижению трудоемкости выполняемых работ, потому что будет сведен к
минимуму ручной труд.
Объектом моего дипломного проекта является агрегатный участок СПК
«Восток» Кавказского района Краснодарского края.
1. ХАРАКТЕРИСТИКА ПРЕДПРИЯТИЯ И ОБЪЕКТА ПРОЕКТИРОВАНИЯ
.1 Характеристика СПК «Восток»
СПК «Восток» является сельскохозяйственным предприятием комплексного
типа, так как оно занимается производством и реализацией сельхоз продукции,
оказывает сторонним организациям транспортные услуги, связанные с перевозками
грузов различного характера, занимается обслуживанием и ремонтом транспорта, а
также его хранением.
Подвижной состав предприятия, был обновлен в 2004 году, и представлен
грузовыми автомобилями КамАЗ-55102, численность которых составляет 58 единиц,
из которых имеют пробег с начала эксплуатации 40 тыс. км 20 автомобилей, имеют
пробег с начала эксплуатации 90 тыс. км 10 автомобилей и 18 автомобилей имеет
пробег с начала эксплуатации 130 тыс. км. Также в СПК имеются два автомобиля
ВАЗ-2121 «Нива» и два самосвала ГАЗ-САЗ-3507-01, а также тракторы, комбайны и
различная сельскохозяйственная техника.
Среднесуточный пробег грузовых автомобилей АТП составляет 250 км/сут.
Количество рабочих дней в году для предприятия автомобильного транспорта
составляет 250 дней.
Подвижной состав предприятия эксплуатируется в умеренной неагрессивной
природно-климатической зоне. Время работы подвижного состава на линии
составляет 10 часов в сутки. Время выхода автомобилей на линию в 7 часов, время
ухода автомобилей с линии - в 17 часов.
1.2 Общая характеристика участка ремонта двигателей
Участок по ремонту агрегатов находиться непосредственно на территории СПК
рядом с универсальным постом по техническому обслуживанию и ремонту
автомобилей. Имеет площадь 120 квадратных метра, включая площадь для мойки
агрегатов. Он разделен на две зоны: моечная и сборочная (ремонтная).
Работы на участке выполняются высококвалифицированными рабочими: два
слесаря 5-го разряда, а при загруженности участка привлекается вспомогательный
слесарь 3-го разряда.
Участок имеет достаточное количество окон, тем самым хорошо освещен
дневным светом.
Все требующие ремонта агрегаты поступают в ремонтную зону, где происходит
их ремонт, через моечную зону участка. Отремонтированные агрегаты поступают на
пост ТР где и устанавливается на автомобиль или на трактор.
К положительной стороне проектируемого участка следует отнести его
достаточно полное обеспечение механизированным оборудованием, что приводит к
снижению трудоемкости работ и физических нагрузок на ремонтных рабочих.
Рациональная организация технологии ремонта, механизация ручного труда
способствует повышению производительности труда, что в конечном счете
отражается на общем техническом состоянии парка и на экономических показателя
работы автомобилей в целом
К недостаткам спроектированного участка относиться необходимость
использования высококвалифицированных рабочих с более высокой оплатой труда для
возможности выполнения всех видов работ на должном уровне при небольшой
производственной программе, что впрочем компенсируется за счёт ремонта
агрегатов тракторов и самоходных сельхоз машин.
2. РАСЧЕТНО-ТЕХНОЛОГИЧЕСКИЙ РАЗДЕЛ
Все расчёты будут проводиться на примере автомобилей КАмаЗ 55102 так как
это самая распространённая марка автомобилей в хозяйстве
2.1 Выбор исходных нормативов режима ТО и ремонта и их корректирование
Исходные нормативы и коэффициенты корректирования принимаю из «Положения
о ТО и ремонте подвижного состава автомобильного транспорта», а исходные данные
из раздела «Характеристика СПК «Восток»
2.1.1 Периодичность ТО-1,ТО-2 и пробег до капитального
ремонта
Периодичность ТО-1:
L
=L
*K
*K
, [км] (2.1)
где
L
- нормативная периодичность ТО-1; для автомобиля
КАМАЗ-55102 L
=3000 км
К
- коэффициент корректирования нормативов в
зависимости от условий эксплуатации. К
=1,0.
К
- коэффициент корректирования нормативов в
зависимости от природно-климатических условий. К
=0,9.
L
=3000*1,0*0,9=2700 [км]
Периодичность
ТО-2:
L
=L
*K
*K
, [км] (2.2)
где
L
- нормативная периодичность ТО-2; L
=12000км
L
=12000*1,0*0,9=10800 [км]
Периодичность
капитального ремонта:
L
=L
*K
*K2*K
, [км]
(2.3)
где
L
- нормативная периодичность капитального ремонта;
L
=300000 км, К
=1,0; К
=1,0; К
=0,9.
L
=300000*1,0*1,0*0,9=270000[км]
Полученные
значения пробегов нужно увязать со среднесуточным пробегом автомобилей:
Для
ТО-1:
=n
, (2.4)
где
L
- данный среднесуточный пробег
n
- величина кратности пробега
n
=
=10,8
Величина
кратности пробега должна быть целым числом, поэтому округляем n
=14.
Окончательно определяем величину пробега до ТО-1:
L
=n
*L
, [км], (2.5)
L
=11*250=2750 [км]
Определяем
кратность ТО-2 в увязке с ТО-1:
=n
, (2.6)
где
n
- величина кратности ТО-2
n
=
=3,9
Величину
кратности n2
округляем до целого числа n
=4.
Окончательно
корректируем величину пробега до ТО-2:
L
=n
*L
,[км]
(2.7)
L
=4*2750=11000 [км]
Определяем
величину кратности капитального ремонта в увязке с периодичностью ТО-1:
=n
, (2.8)
где
n
- величина кратности капитального ремонта по
отношению к ТО-1.
n
=
=98,18
Округляем
величину кратности до целого числа n
=98.
Окончательно
определяем величину пробега до капитального ремонта:
L
=n
*L
,[км] (2.9)
L
=96*2800=28800[км].
2.1.2 Расчет трудоемкости технического обслуживания,
диагностирования и ремонта
Трудоемкость ЕТО:
t
=t
*K
*K
*K
,[чел*ч] (2.10)
где
t
- нормативная трудоемкость ЕТО; t
=0,5
[чел*ч]
К
- коэффициент корректирования нормативов в
зависимости от модификации подвижного состава и организации его работы:
К
=1,0.
К
-
коэффициент корректирования нормативов в зависимости от количества
обслуживаемых и ремонтируемых автомобилей
К
=1,15
К
- коэффициент учитывающий степень механизации
выполнения операций при ЕТО
К
=
, (2.11)
где
С
- снижение трудоемкости за счет механизации моечных
работ (принимаем 55%) С
- снижение трудоемкости через применение обдува
воздухом вместо обтирочных работ (рекомендуется принять 15%)
К
=
=0,3
t
=0,5*1,0*1,15*0,3=0,173 [чел*ч]
Определяем трудоемкость ТО-1
t
=t
*K
*K
*K
, [чел*ч] (2.12)
где
t
- нормативная трудоемкость ТО-1 [чел*ч]; t
=3,4
[чел*ч];
K
=1,0; K
=1,15;
K
- коэффициент снижающий трудоемкость ТО-1; K
=1,0.
t
=3,4*1,0*1,15*1,0=3,9 [чел*ч]
Определяем трудоемкость ТО-2
t
=t
*K
*K
*K
, [чел*ч] (2.13)
где
t
- нормативная трудоемкость ТО-2; t
=14,5
[чел*ч].
K
- коэффициент механизации снижающий трудоемкость
ТО-2;
K
=1,0.
t
=14,5*1,0*1,15*1,0=16,675 [чел*ч]
округляем
до десятых t
=16,7 [чел*ч]
Определяем трудоемкость общего диагностирования по формуле:
t
= t
, [чел*ч]
(2.14)
где
С
- доля трудоемкости диагностических работ в общей
трудоемкости ТО-1; согласно приложению от 8-10%, С
принимаю 9%
t
= 3,9*
=0,351
[чел*ч]
округляем
до десятых t
=0,4 [чел*ч]
Определяем трудоемкость поэлементного диагностирования
t
= t
,[чел*ч]
(2.15)
где
С
- доля трудоемкости диагностических работ в общей
трудоемкости ТО-2; согласно приложению от 6-10%, С
принимаю 7%
t
= 16,7
=1,169
[чел*ч]
округляем
до десятых t
=1,2 [чел*ч]
Определяем удельную трудоемкость текущего ремонта
t
=
,[
] (2.16)
где
t
- нормативная трудоемкость текущего ремонта на 1000 км
пробега;
t
=8,5[чел*ч]
К
- среднее значение коэффициента корректирования
нормативной удельной трудоемкости текущего ремонта в зависимости от пробега
автомобилей с начала эксплуатации
К
=
, (2.17)
где
А
,А
,А
- количество автомобилей с одинаковым пробегом с
начала эксплуатации А
+А
+А
=6 ед.
К
,К
и т.д.-
величины коэффициентов корректирования для каждой группы автомобилей с
одинаковым пробегом после начала эксплуатации: К
=0,7; К
=1,0; К
=1,2;
К
=
=0,93
Округляем
до десятых К
=0,9. Коэффициенты: К
=1,0; К
=1,0; К
=1,1.
t
=
=
[
]
округляем
до десятых t
=
[
]
Определить продолжительность простоя подвижного состава в ТО и ремонте
d
=d
*К
, [
] (2.18)
где
d
- нормативное значение продолжительности простоя в ТО
и ремонте в днях на 1000 км пробега; d
=0,45
К
- среднее значение коэффициента корректирования
нормативной продолжительности простоя в ТО и текущем ремонте в зависимости от
пробега с начала эксплуатации.
К
=
, (2.19)
где
К
,К
и т.д. -
величины коэффициентов корректирования для соответствующей группы автомобилей с
одинаковым пробегом: К
=0,7; К
=1,0; К
=1,2.
К
=
=0,93
округляем
до десятых К
=1,1
d
=0,45*0,93=0,432 [
]
округляем
до сотыхd
=0,43
По
результатам расчетов составляем таблицу:
Таблица
1.1
Исходные и скорректированные нормативы ТО и ремонта
|
Исходные материалы
|
Коэффициенты
корректирования
|
Скорректированные нормативы
|
|
обозначения
|
величина
|
К К К К К К обозначениявеличина
|
|
|
|
|
|
|
|
|
L (км)
|
3000
|
1,0
|
-
|
0,9
|
-
|
-
|
-
|
L (км)2750
|
|
|
L (км)120001,0-0,9---L (км)11000
|
|
|
|
|
|
|
|
|
|
|
t (чел*ч)0,5-1,0--1,150,3t (чел*ч)0,173
|
|
|
|
|
|
|
|
|
|
|
t (чел*ч)3,4-1,0--1,151,0t
(чел*ч)3,9
|
|
|
|
|
|
|
|
|
|
|
t (чел*ч)14,5-1,0--1,151,0t
(чел*ч)16,7
|
|
|
|
|
|
|
|
|
|
|
t ( )8,51,01,01,11,11,15-t ( )9,6
|
|
|
|
|
|
|
|
|
|
|
L (км)3000001,01,00,9---L
(км)270000
|
|
|
|
|
|
|
|
|
|
|
d ( )0,45---1,1--d ( )0,43
|
|
|
|
|
|
|
|
|
|
|
d (дн)15------d (дн)60
|
|
|
|
|
|
|
|
|
|
2.2 Определение коэффициента технической готовности
Определяем коэффициент технической готовности по формуле:
α
=
, (2.23)
где
L
- средне суточный пробег; L
=250 км
d
- скорректированное значение простоя подвижного
состава при ТО и текущем ремонте; d
=0,4,3 [
]
d
- продолжительность простоя подвижного состава в
капитальном ремонте; d
=60 [дни]
L
- средне взвешенное значение пробега автомобилей до
капитального ремонта;
L
= L
(1-
), (2.24)
где
L
- скорректированное значение пробега автомобиля до капитального
ремонта; L
=270000 км
А
- общее списочное количество автомобилей; А=6 шт.
А
- количество автомобилей прошедшие капитальный ремонт
L
= 270000*(1-
)=270000
[км]
α
=
=0,85984
округляем
до сотых
α
=0,86
2.3 Определение коэффициента использования автомобилей
α
=
* α
*К
, (2.25)
где
Д
- количество рабочих дней в году; Д
=250
К
- коэффициент учитывающий снижение использования
технически исправных автомобилей по эксплуатационным причинам (отсутствие
заказов, отсутствие грузов и т.п.); по приложению К
=0,93÷0,97
принимаю К
=0,93.
α
=
* 0,86*0,93=0,56
2.4 Определение годового пробега автомобилей
∑L
=365*А* L
* α
,[км]
(2.26)
∑L
=365*58*250*0,56=2963800
[км]
2.5 Определение годовой программы по техническому
обслуживанию автомобилей
Количество ежедневных обслуживаний в год
N
=
,обсл. (2.27), N
=
=11855 обсл.
Количество устранений мелких неисправностей и ремонта за год
N
=0,8* N
, обсл. (1.28)
N
=0,8*11855=9484 обсл.
Количество
ТО-2 в год
N
=
,обсл. (2.29)
N
=
=269, обсл.
Количество
ТО-1 за год
N
=
-N
, обсл. (1.30)
N
=
-269=809 обсл.
Количество
проводимых общих диагностирований за год
N
=1,1 N
- N
,обсл. (2.31)
N
=1,1*809-269=621 обсл.
Количество
поэлементных диагностирований в течении года
N
=1,2 N
, обсл. (2.32)
N
=1,2*269=323 обсл.
Количество
проводимых за год сезонных обслуживаний
N
=2*А, обсл. (2.33)
N
=2*58=116 обсл.
2.6 Расчет сменной программы
Сменная программ для ЕТО
N
=
, обсл. (2.34)
где
С
- количество смен; для предварительных расчетов примем
число смен С
=1
N
=
=47,4
Округляем
до целого числа N
=47
Сменная программ для ТО-1
N
=
, обсл. (2.35)
N
=
=3,2
Округляем
до целого числа N
=3
Сменная
программ для ТО-2
N
=
,обсл. (2.36), N
=
=1,1
Округляем
до целого числа N
=1
2.7 Определение общей годовой трудоемкости технических
воздействий на подвижной состав предприятия
Годовая трудоемкость ежедневного обслуживания
T
=t
(N
+N
), [чел*ч] (2.37)
T
=0,173*(9484+11855)=3691,65 [чел*ч]
Округляем
до целого числа T
=3692 [чел*ч]
Годовая
трудоемкость ТО-1
T
=t
*N
+Т
, [чел*ч]
(2.38)
где
Т
-трудоемкость сопутствующего ремонта при проведении
ТО-1
Т
=С
*t
*N
, [чел*ч]
(2.39)
где
С
- регламентированная доля сопутствующего ремонта при
проведении ТО-1;примем С
=0,2
T
=0,2*3,9*809=631,02 [чел*ч]
Округляем
до целого числа T
=631 чел.*ч
T
=3,9*809+631=3786,1 [чел*ч]
Округляем
до целого числа T
=3786 [чел*ч]
Годовая
трудоемкость ТО-2
T
=t
*N
+Т
, [чел*ч]
(2.40)
где
Т
-трудоемкость сопутствующего ремонта при проведении
ТО-2
Т
=С
*t
*N
,[чел*ч]
(2.41)
где
С
- регламентированная доля сопутствующего ремонта при
проведении ТО-2; примем С
=0,2
Т
=0,2*16,7*269=898,46 [чел*ч]
Округляем
до целого числа Т
=898 [чел*ч]
T
=16,7*269+898=5390,3 [чел*ч]
Округляем
до целого числа T
= 5390 [чел*ч]
Годовая
трудоемкость общего диагностирования:
T
=t
*N
,[чел*ч] (2.42)
T
=0,4*621=248,4 [чел*ч]
Округляем
до целого числа T
=248 [чел*ч]
Годовая
трудоемкость поэлементного диагностирования
T
=t
*N
, [чел*ч] (2.43)
T
=1,2*323=387,6 [чел*ч]
Округляем
до целого числа T
=388[чел*ч]
Годовая
трудоемкость сезонного обслуживания
T
=t
*N
, [чел*ч] (2.44)
Согласно
“Положению о техническом обслуживании”(п.2.11.2) трудоемкость сезонного
обслуживания составляет 20% от трудоемкости ТО-2.
t
=0,2*16,7=3,34 [чел*ч]
T
=3,34*58=193,72 [чел*ч]
Округляем
до целого числа T
=194 [чел*ч]
Общая
годовая трудоемкость всех видов технического обслуживания
∑Т
= Т
+ Т
+Т
+Т
, [чел*ч] (2.45)
∑Т
= 3692+3786+5390+194=13062 [чел*ч]
Общая
годовая трудоемкость диагностических работ
∑Т
= Т
+ Т
, [чел*ч] (2.46)
∑Т
= 248+388=636 [чел*ч]
Годовая
трудоемкость текущих ремонтов по АТП
∑Т
=
*t
,[чел*ч]
(2.47)
∑Т
=
=34972,84
[чел*ч]
Округляем
до целого числа ∑Т
= 34973 [чел*ч]
Общая
трудоемкость текущего ремонта на участках
∑Т
= ∑Т
+ Т
+ Т
,[чел*ч]
(2.48)
∑Т
= 34973+631+898=36502 [чел*ч]
Общий
объем работ по техническому обслуживанию и текущему ремонту
Т
=∑Т
+∑Т
, [чел*ч] (2.49)
Т
=36502+13062=49564[чел*ч]
Полученные
значения сводим в таблицу 1.2 “Расчетные показатели по объекту проектирования”
Таблица
1.2
Расчетные
показатели по объекту проектирования.
|
№
|
Наименование показателя
|
Условные обозначения
|
Единицы измерения
|
Величина показателя
|
|
1
|
Годовая производственная
программа
|
N обслуживаний11855
|
|
|
|
|
N обслуживаний809
|
|
|
|
|
N обслуживаний269
|
|
|
|
|
N воздействий621
|
|
|
|
|
N воздействий323
|
|
|
|
|
N обслуживаний116
|
|
|
|
2
|
Сменная Производственная
программа
|
N обслуживаний47
|
|
|
|
|
N обслуживаний3
|
|
|
|
|
N обслуживаний1
|
|
|
|
3
|
Общая годовая трудоемкость
работ в зоне ТО
|
∑Т [чел*ч]13062
|
|
|
|
4
|
Общая годовая трудоемкость
по диагностированию
|
∑Т [чел*ч]636
|
|
|
|
5
|
Общая годовая трудоемкость
по текущему ремонту
|
∑Т [чел*ч]34973
|
|
|
|
в том числе на участках
текущего ремонта
|
∑Т 36502
|
|
|
|
6
|
Годовая трудоемкость работ
по видам ТО
|
Т [чел*ч]3692
|
|
|
|
|
Т 3786
|
|
|
|
|
Т 5390
|
|
|
|
|
Т 194
|
|
|
|
7
|
Годовая трудоемкость
диагностирования
|
Т [чел*ч]248
|
|
|
|
|
T 388
|
|
|
|
8
|
Общий объем работ по
техническому обслуживанию и текущему ремонту в АТП
|
Т [чел*ч]49564
|
|
|
2.8 Определение трудоемкости и количества ремонтных рабочих в
АТП и объекте проектирования
Определяем годовую трудоемкость работ по текущему ремонту на участках:
Т
=
,[чел*ч] (2.50)
где
С
- доли работ выполняемых на участках текущего ремонта
в процентах от общего объема работ по текущему ремонту.
Т
=
=2920,16 чел.*ч
Определение
числа рабочих на участке:
Явочное
число рабочих:
Ря
=
,чел. (2.50)
Ря
=
=1,41 чел.
Штатное
количество рабочих:
Рш=
,чел. (2.51)
Рш
=
= 1,58 чел.
В
СПК «Восток» на агрегатном участке выполняют ремонт агрегатов не только
автомобилей, но и другой техники, тракторов предприятия и самоходных
сельхозмашин. Исходя из этого, принимаем на участке число рабочих
Ря=
2 чел.; Рш=2 чел., а в наиболее загруженный период, может быть
добавлен дополнительно слесарь.
3.
ОРГАНИЗАЦИОННЫЙ РАЗДЕЛ
.1
Выбор метода организации производства в СПК «Восток»
В
СПК принята централизованная система управления производством. Руководит
производством глава хозяйства, в подчинении которого находятся главные
специалисты (агроном, механик, экономист). Система управления СПК «Восток»
представлена в виде структурной схемы на рисунке 3.1.
Рисунок
3.1.
Структурная
схема системы управления СПК «Восток» Кавказского района Краснодарского края
3.2
Схема технологического процесса ремонта агрегатов на агрегатном участке СПК
Последовательность
работ и операций технологического процесса ремонта агрегатов на агрегатном
участке СПК «Восток» представлена в виде схемы на рисунке 3.2.
Рисунок
3.2
Схема
технологического процесса ремонта агрегата на агрегатном участке
3.3
Подбор технологического оборудования
Основное технологическое оборудование подбирается по табелям технологического
оборудования, справочникам и каталогам, а также по каталогу нестандартного
оборудования, разработанного и выпускаемого научно - производственным
объединением НПО “Транстехника” и по каталогам Новгородского завода гаражного
оборудования.
Оборудование, выбранное для моторного участка СПК «Агроном» представлено
в виде таблицы 3.1.
Таблица 3.1
Технологическое оборудование и участка
|
Наименование
|
Тип
|
Количество, ед.
|
Размер, мм
|
Площадь, м2
|
|
|
|
|
|
|
Стеллаж для деталей и
инструментов
|
-
|
1100Х450
|
6,3
|
|
Слесарный верстак
|
ВС-2
|
2
|
1400Х800
|
2,24
|
|
Слесарные тиски
|
Т-4
|
2
|
-
|
-
|
|
Ванна для мойки мелких
деталей
|
-
|
1
|
1500х500
|
1,6
|
|
Железный ящик для
выбракованных деталей
|
-
|
1
|
830Х625
|
0,32
|
|
Проверочная плита
|
-
|
1
|
1000Х750
|
0,75
|
|
Пресс гидравлический
вертикальный (30 т.)
|
Р-337
|
1
|
1130x680
|
0,83
|
|
Стол для контроля и
сортировки деталей
|
-
|
1
|
2000x800
|
1,6
|
|
Стенд для выпрессовки
подшипников крестовин карданных валов
|
-
|
1
|
1200Х700
|
0,651
|
|
Станок
точильно-шлифовальный
|
332Б
|
1
|
1250x800
|
0,62
|
|
Стенд для обкатки и
испытания ГУР и насосов ГУР
|
470181
|
1
|
1300х1300
|
1,69
|
|
Стенд для обкатки мостов и
главной передачи
|
470177
|
1
|
1200x640
|
0,768
|
|
Наименование
|
Тип
|
Количество, ед.
|
Размер, мм
|
Площадь, м2
|
|
|
|
|
|
|
Подвесная кран-балка
|
ГОСТ 7890
|
1
|
-
|
-
|
|
Стенд для ремонта
редукторов задних мостов
|
Р-640
|
1
|
830Х700
|
0,58
|
|
Стенд для разборки-сборки
КП
|
-
|
1
|
1000x485
|
0,485
|
|
Ручной пресс
|
Окс-918
|
1
|
920Х220
|
0,2
|
|
Шкаф для приборов
|
ОРГ - 1468 - 07-040
|
1
|
1400×500
|
1,4
|
|
Стенд для ремонта передних
и задних мостов
|
-
|
1
|
780Х1096
|
0,85
|
|
Ларь для обтирочных
материалов
|
-
|
1
|
1000Х500
|
0,5
|
|
Станок для проточки
тормозных дисков и барабанов
|
-
|
1
|
840Х505
|
0.42
|
|
Настольно сверлильный
станок
|
-
|
1
|
550х500
|
0.25
|
3.4 Расчет производственной площади
Площадь агрегатного участка рассчитываем по формуле:
, (3.1)
где
- суммарная площадь, занимаемая оборудованием;
-
коэффициент плотности расстановки оборудования.
Принимаем 120 м2
4. КОНСТРУКТОРСКИЙ РАЗДЕЛ
Прототипом конструируемого стенда для выпрессовки игольчатых подшипников
крестовин карданного вала, на основании проведенного анализа конструкций,
принимаем установку Р-223. Данный стенд наиболее прост и удобен в
использовании, компактен, прост в обслуживании.
Одним из недостатков стенда является повышенные требования герметичности,
так как используется гидравлическая установка.
Для совершенствования конструкции предлагается гидравлическую передачу
заменить на механическую. Механическая передача проста в обслуживании и
изготовлении имеет больший КПД (коэффициент полезного действия), меньшие
габариты и имеет низкую себестоимость.
Предлагается для наибольшей универсальности стенда, увеличиваем зазор
между держателем и тисками, что позволит производить выпрессовку игольчатых
подшипников крестовин карданных передач легковых и грузовых автомобилей разных
моделей.
Для облегчения центровки карданных валов устанавливаем самоцентрирующиеся
губки на зажимные тисы, что сократит время установки карданного вала.
Для передачи крутящего момента с вала двигателя на грузовой винт
используем ременную передачу. Ременная передача с клиновыми ремнями гарантирует
плавную и тихую работу. Способность к смягчению сильных изменений нагрузки и
гашению колебаний является её достоинством. Благодаря простой и дешёвой конструкции
(без корпуса и смазывания), которая не требует специального обслуживания и
содержания, получается уменьшение эксплуатационных расходов. Изношенные
клиновые ремни можно быстро и легко заменить с минимальным временем простоя
машины. Передаточное отношение можно легко изменить, применяя ступенчатые шкивы
и перекладывая ремень с одних ступеней на другие. Достоинством ременной
передачи является также отсутствие перекоса привода во время кратковременных
перегрузок, что не обеспечивают другие механизмы. В результате может произойти
их повреждение. Ременные передачи мало чувствительны к неточностям центровки
валов. Ременные приводы делают возможным разделение мощности, то есть перенос
привода с одного вала на другие.
Для выпрессовки игольчатых подшипников различных диаметров необходимо
использовать соответствующие насадки и стаканы.
К преимуществам передачи «винт-гайка» относятся простота и компактность
конструкции, большой выигрыш в силе, точность перемещений. Недостатки этой
передачи: большая потеря на трение и связанный с этим малый КПД.
Для повышения надежности, во-первых, устанавливаем два выключателя
предельного положения, во-вторых, работу стенда будем производить при
постоянном нажатии кнопки «назад - вперед» и, в-третьих, оснастим рабочий орган
и ременную передачу защитным кожухом.
4.1 Разработка технического задания и кинематической схемы
проектируемого стенда
Техническое задание это документ, предназначенный для специалиста, в
котором отражаются цели, требования к проекту и основные исходные данные,
необходимые для разработки, а также сведения, относящиеся к деятельности
заказчика или свойства продукта.
Таблица 4.1 - Техническое задание
|
Раздел
|
Содержание
|
|
Основание для разработки
|
Задание, полученное на
кафедре ТЭРА ТОГУ
|
|
Источники разработки
|
Информационно-поисковая
система «Мимоза», учебно-методическая, справочная литература, труды
отечественных и зарубежных авторов, посвященных расчетам деталей машин,
патенты, авторские свидетельства, прайс-листы оборудования для автосервисов,
Internet
|
|
Цель, назначение,
производительность стенда
|
a) Улучшение технических
показателей, повышение производительности труда b) Снижение времени на
выпрессовку и увеличение производительности обслуживания и ремонта карданных
передач
|
|
Конструктивные требования
|
a) Скорость подачи - 0,02
м/с b) Максимальное усилие, создаваемое стендом - 5 000 Н
|
|
Порядок работы
|
a) Изделие устанавливается
в тиски b) Включается c) После выпрессовки стенд выключается
|
|
Требования надёжности
|
Стенд должен работать
безотказно в течение 5 суток при круглосуточной работе, совершая 25-30
операций в смену
|
|
Требования стойкости к
внешним воздействиям
|
a) Стенд должен быть
стойким к воздействию климатических факторов b) Стенд должен быть устойчив к
воздействию механических факторов, свойственных при транспортировании
автотранспортом c) Эксплуатация стенда в закрытом отапливаемом помещение
(температура воздуха 15-20 С, влажность воздуха 75-100%)
|
|
Требования к
конструкторской документации (КД) и эксплуатационной документации (ЭД)
|
a) КД, в том числе и ЭД,
должна быть выполнена в соответствии с требованиями стандартов ЕСКД b) КД
должна быть пригодна к пересылке электронной почтой или передаче на иных
носителях информации c) Технологическая документация должна быть выполнена в
соответствии с требованиями стандартов ЕСТД
|
|
Требования технологичности
|
a) При разработке КД
несущих конструкций стенда должно отдаваться предпочтение применению
стандартизированных покупных изделий по каталогам изготовителей и ранее
разработанных и успешно применяемых изделий. Разработка оригинальных
составных частей должна производиться только в технических и (или)
экономически обоснованных случаях b) Материалы и комплектующие изделия
должны использоваться в условиях и режимах, указанных в соответствующих
стандартах (ТУ)
|
|
Требования безопасности и
охраны окружающей среды
|
a) Стенд должен
соответствовать общим требованиям безопасности по ГОСТ 12.2.003-91 и
обеспечивать безопасность работающих при монтаже (демонтаже), вводе в
эксплуатацию и эксплуатации при соблюдении требований, предусмотренных в
эксплуатационной документации (ЭД) b) По способу защиты человека от поражения
электрическим током стенд должен соответствовать классу 01 по ГОСТ 12.2.007.0
|
|
c) В конструкторской
документации (КД), включая ЭД, должны быть учтены распространяющиеся на стенд
требования стандартов системы стандартов безопасности труда d) Стенд в
процессе эксплуатации не должен загрязнять природную среду выбросами вредных
веществ в количествах выше допустимых значений, установленных
соответствующими стандартами
|
|
Требования к
взаимозаменяемости и унификации
|
Сменные элементы из состава
запасных частей и принадлежностей должны быть взаимозаменяемыми
|
|
Требования эргономики
|
Стенд и его составные части
должен соответствовать требованиям ГОСТ 12.2.049-80 ССБТ. Оборудование производственное.
Общие эргономические требования
|
|
Требования к техническому
обслуживанию и ремонту
|
Конструкция стенда должна
обеспечить возможность проведения профилактических и регламентных работ
|
|
Требования к маркировке и
упаковке
|
a) Маркировку следует наносить
в соответствии с ГОСТ 26828-86 на несъёмных частях стенда, доступных для
обзора b) Маркировка транспортной тары должна соответствовать требованиям
ГОСТ14192 - 77 c) Упаковка составных частей стенда должна обеспечить их
сохраняемость при хранении и транспортировании
|
|
Стадии, этапы разработки
|
a) Анализ существующих
аналогов и прототипов b) Разработка технического задания c) Эскизы проекта d)
Расчеты составных частей конструкции e) Проверочные расчеты на прочность
|
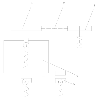
Кинематическая схема проектируемого стенда представка на рисунке 4.1.
Даная кинематическая схема показывает принцип работы стенда. От двигателя
момент передается на ведущий шкив 1, затем через ременную передачу 2 на ведомый
шкив 1, затем через передачу винт-гайка - 4 воздействует на изделие, которое
крепится в тисках 5.
Рисунок 4.1 - Кинематическая схема
4.2 Проектный расчет стенда
Цель проектного расчета ориентировочно определить геометрические размеры
проектируемого стенда.
4.2.1 Кинематический расчет стенда
Определить силу F, необходимую для выпрессовки. На крестовину должна
действовать сила:
, (4.1)
где
- предел прочности на смятие стали. Полагаем
;
-
площадь среза. Возьмем крестовину автомобиля КАмаЗ и посчитаем площадь среза -
80 мм2.
Н ≈
5000 Н
Выбор
электродвигателя. Определим потребную мощность двигателя, которая позволит
производить выпрессовку.
, (4.2)
где
, поступательная скорость движения звена ;
−
общий КПД, учитывающий все потери.
кВт.
По
ГОСТ 19523-74 согласно выбираем асинхронный двигатель 80А6/920 с частотой
вращения
, мощностью
кВт.
Определим
частоту вращения винта:
, (4.3)
−
шаг резьбы, м.

4.2.2 Расчет передачи винт-гайка
Основные параметры
Материал
винта и гайки. Для винта принимаем сталь 45, термообработка - улучшение (предел
текучести
), для гайки - оловянистую бронзу БрО10Ф.
Допускаемое
давление и напряжение: Допускаемое давление (износостойкость резьбы) для пары
сталь-бронза
=9 МПа.
Для
материала винта при коэффициенте запаса прочности
=3.
Для
материала гайки на растяжение и смятие
;
.
Средний
диаметр резьбы. Для передачи принимаем упорную резьбу. Конструкцию гайки
выбираем цельную, с коэффициентом высоты гайки
.
Тогда
средний диаметр резьбы (
, мм):
≥
, (4.4)
где
− осевая сила, действующая на винтовую пару;
−
коэффициент высоты головки гайки;
= 9 МПа
- допускаемое давление.
≥
мм.
По
вычисленному значению
выбираем большее ближайшее значение по ГОСТ 10177-82
/таблица 13.4, 1/ номинальный диаметр резьбы
мм., шаг
резьбы
мм., средний диаметр
мм.
внутренний диаметр винта
мм.
Угол подъема резьбы.
, (4.5)
Приведенный
угол трения при коэффициенте трения
и угле
наклона рабочей стороны профиля
.
Так
как 
,
передача винт-гайка самотормозящаяся.
Размеры
гайки. Высота гайки
мм.
Принимаем
по стандарту Н=30 мм.
Наружный
диаметр гайки:
≥
мм.
Принимаем
мм.
Диаметр
гайки:
мм.
Проверочный
расчет винта на устойчивость. Один конец винта опирается шарнирно на ползун, а
другой шарнирно (вследствие зазоров в резьбе) закреплен в гайке. Принимаем
коэффициент приведения длины учитывающий способ закрепления концов винта
(оба конца опоры шарнирно).
Момент
инерции поперечного сечения винта:
, (4.6)
мм4
Радиус
инерции сечения винта:
, (4.7)
Согласно
эскизной компоновке расчетная длина винта
мм.
Для
стали 45 выбираем: предельную гибкость материала
;
гибкость винта, при которой критическое напряжение в поперечном сечении равно
пределу текучести
-
.
Следовательно,
этот винт малой гибкости, для которого критическое напряжение равно пределу
текучести 
, т.е.
специальный расчет на устойчивость не нужен.
Проверочный
расчет винта на прочность.
Момент
сопротивления в резьбе:
, (4.8)
Согласно
нашей конструкции винт опирается на ползун пятой диаметром
. При стальном подпятнике примем коэффициент трения
Момент
трения на торце пяты.
Н×мм
1 - винт; 2 - гайка; 3 - шкив ременной передачи.
Рисунок 4.6 - Расчетная схема вала
Строим
эпюры продольных сил
и крутящих моментов
. При
условии равномерного распределения осевой силы по виткам резьбы продольная сила
винта в пределах гайки изменяется от
до 0, а крутящий момент
от
до
.
По
эпюрам
и
опасное
сечение винта может быть либо выше гайки (сечение а-а), либо ниже ее (сечение
Б-Б). Доказано, что сечение винта в пределах гайки менее опасно.
Выполним
проверку опасных сечений.
Сечение
А-А. В этом сечении продольная сила
, а
крутящий момент
Н×мм
Эквивалентное
напряжение
, (4.8)
Сечение
Б-Б. В этом сечении
,
=
:
следовательно,
в обоих сечениях прочность винта обеспечена.
Проверочный
расчет гайки.
Проверка
прочности тела гайки выполняется по напряжениям растяжения с учетом кручения
Н
По
формуле
, (4.9)
что
меньше
. Прочность тела гайки обеспечена.
Проверка
опорной поверхности борта гайки выполняется по условию прочности на смятие:
что
меньше
. Прочность опорной поверхности борта гайки
обеспечена.
4.2.3
Расчет ременной передачи
Расчет
ременной передачи будем производить по методике изложенной [c. 61-68, 2].
Передаваемая мощность
кВт., частота вращения вала двигателя
, частота вращения винта
.
Выбираем
сечение клинового ремня предварительно определи угловую скорость и номинальный
вращающий момент
При
таком значении
рекомендуется выбрать сечение ремня В, с площадью
поперечного сечения
.
Выбираем
диаметр
ведущего шкива. Минимальное значение
=200 мм. Однако для обеспечения большей долговечности
ремня рекомендуется не ориентироваться на
, а брать
шкив на 1-2 номера больше.
Принимаем
.
Определяем
передаточное отношение
без учета скольжения
.
Диаметр
ведомого шкива с учетом относительного скольжения
.
Округляем
в меньшую сторону по стандарту, принимаем
.
Уточняем передаточное отношение
уточняем
Расхождение
с заданным меньше 1% (при допускаемом 3%).
Определяем
межосевое расстояние а: его выбираем в интервале:
, (4.10)
, (4.11)
Принимаем
близкое к среднему значению
.
Расчетная
длина ремня определяется по формуле, как и в случае плоскоременной передачи:
, (4.12)
Ближайшая
по стандарту длина
Вычисляем
и
определяем новое значение
с учетом стандартной длины
по формуле:
При
монтаже передачи необходимо обеспечить возможность уменьшения,
на
для
того, чтобы облегчить надевание ремней на шкив; для увеличения натяжения ремней
необходимо предусмотреть возможность увеличения
на
; в нашем случае необходимое перемещение составляет: в
меньшую сторону
, в большую сторону
Угол
обхвата на малом шкиве
Скорость
Находим
величину окружного усилия
, передаваемого одним клиновым ремнем сечения
при
,
и
(интерполируя):
- на один ремень.
Допускаемое
полезное напряжение (удельное окружное усилие на единицу площади поперечного
сечения ремня)
Коэффициент
учитывает влияние угла обхвата
. Так как
зависит
от межосевого расстояния
, то следует предварительно определить
- его принимают равным удвоенной сумме диаметров
шкивов:
Коэффициент
Коэффициент,
учитывающий влияние длины ремня,
Так
как расчетная длина
,
.
Коэффициент
учитывает условия эксплуатации передачи,
Следовательно,
Окружное
усилие:
Расчетное
число ремней:
Определяем
усилия в ременной передаче, приняв напряжение от предварительного натяжения
:
Предварительно
натяжение каждой ветви ремня
Натяжение
ведущей ветви
Натяжение
ведомой ветви
Проверяем
окружное усилие:
Давление
на вал
≈
773 Н
4.3.4
Подбор и проверка долговечности подшипников
Расчет
конического роликового подшипника. Предварительно назначаем роликовый
конический однорядный повышенной грузоподъемности подшипник по ГОСТ 27365-87 -
7312А
,
,
,
,
,
,
,
(динамическая
грузоподъемность). Определим реакции в опорах:
Проверка:
Проверка:
Суммарные
реакции в опорах:
Определим
долговечность подшипника на первой опоре. На эту опору действует радиальная
реакция
и внешняя осевая сила
.
Эквивалентная
нагрузка по формуле:
где
коэффициенты
; 
Отношение
этому отношению соответствует
,
Так
как отношение
то
и
.
Расчетная
долговечность, млн. об.
Расчетная
долговечность, ч.
.
Так
как расчетный ресурс
больше требуемого, то предварительно назначенный
подшипник 7312А пригоден. Расчет шарикового подшипника.
Назначаем
шариковый радиальный однорядный подшипник по ГОСТ 8338-75 - 209
,
,
,
,
,
(динамическая
грузоподъемность).
Определим
долговечность подшипника на второй опоре. На эту опору действует радиальная
реакция
,
.
Эквивалентная
нагрузка по определяется формуле:
где
- коэффициент радиальной нагрузки (принимаем
=1);
-
коэффициент, учитывающий вращение колец (принимаем
=1);
-
температурный коэффициент по /2, табл. 2.20/ принимаем
=1.
Расчетная
долговечность, млн. об.
Расчетная
долговечность, ч.
.
Так
как расчетный ресурс больше требуемого, то предварительно назначенный подшипник
209 пригоден.
4.4 Описание работы стенда
Ремонт карданного шарнира обычно заключается в замене игольчатых подшипников,
уплотнений и крестовины для чего шарнир необходимо разобрать. Подшипники в
проушинах вилок установлены с натягом, поэтому при разборке и сборке шарнира их
приходится соответственно впрессовывать и запрессовывать.
Корпуса подшипников выпрессовывают в порядке представленном ниже.
Нанесите метки (краской или керном), определяющие взаимное положение
разделяемых деталей, чтобы соединить их при сборке в том же положении и
сохранить неизменной балансировку валов.
Установите в тиски карданный вал. Снимите стопорные кольца.
Далее установите карданный вал одной из вилок карданного шарнира на опору
пресса. Через специальную втулку штоком пресса переместите другую вилку шарнира
вниз до упора в крестовину.
Повернув вилку шарнира на 180°, повторите указанные операции, то есть
переместите другой конец вилки вниз до упора в крестовину. При выполнении этих
операций противоположный подшипник крестовины частично выйдет из отверстия
вилки и в полученный зазор между вилкой и крестовиной можно будет установить
втулку с боковым вырезом.
Установив втулку на шип крестовины, переместите вилку шарнира вниз до
выпрессовки подшипника.
Используя указанные приемы, выпрессуйте другие подшипники крестовины.
4.5 Правила безопасности и эксплуатации стенда
Одним из основных мероприятий по обеспечению безопасности труда являются
обязательный инструктаж всех работников предприятия.
Снижение производственного травматизма во многом зависит от того, в каком
состоянии находится гаражное оборудование и приспособления.
Прежде всего, стенд и его приспособления должны быть чистыми и
исправными. Приступая к работе, слесарь должен привести в порядок спецодежду,
проверить наличие и исправность инструментов, оборудования и предохранительных
приспособлений. Место, где рабочий производит поручаемую ему работу должно
хорошо освещаться и не загромождаться изделиями и материалами, не имеющими
прямого отношения к производственной работе. В месте производства работ,
запрещается находиться лицам, не имеющим прямого отношения к этим работам.
Эксплуатируемое оборудование должно находиться в полной исправности и за
его состоянием должен быть обеспечен постоянный надзор со стороны определённых
лиц, назначенных администрацией предприятия, или лично технического
руководителя.
Эксплуатационное обслуживание электродвигателя должен выполнять
квалифицированный персонал, электромонтеры. Электродвигатель должен быть
обязательно заземлен. В случае возникновения любых неисправностей
электродвигатель должен быть немедленно обесточен.
Техническое обслуживание электродвигателя сводится в основном к
своевременной замене подшипников. При критическом износе подшипников
электродвигателя (появляется характерный шум сепараторов) возможно, их
разрушение и заклинивание
Рабочее место должно иметь достаточную освещенность, т.е соответствовать
нормам освещенности СНИП 23-05-95 «Естественное и искусственное освещение».
Техническое обслуживание ременных передач сводится к периодической
проверки состояния ремней. При появлении трещин, разрывов, расслоений и других
дефектов ремень следует заменить, а ослабленный натянуть.
Для компенсации вытяжки ремней в процессе их эксплуатации, компенсации
отклонений длины ремней, а также легкости надевания новых ремней предусмотрено
регулирование межосевого расстояния ременной передачи поворотом плиты, на
которой расположен электродвигатель.
5. ОХРАНА ТРУДА И ОКРУЖАЮЩЕЙ СРЕДЫ
5.1 Общая характеристика организации работы по охране труда
Условия и безопасность труда зависят как от совершенства применяемых
машин, технологии и организации производства, так и от окружающей рабочих
санитарно-гигиенической обстановки, т.е по показателям температуры,
относительной влажности, скорости движения воздуха и освещенности в
производственных помещениях. Научно обоснованная окраска оборудования и
производственного помещения способствуют повышению производительности труда до
20%, сокращению травматизма на 35-40% и снижению брака производства в два раза.
Для предупреждения негативных случаев необходимо: повышать культуру
производства, инструктировать рабочих по безопасности, приемам работы,
контролировать соблюдение правил техники безопасности, привлекать
общественность к решению вопросов охраны труда, не допускать нарушения
технологического процесса, следить за исправностью оборудования,
приспособлением и инструментов, не загромождать проходов и проездов, следить за
сохранностью защитных ограждений, обеспечивать работающих спецодеждой.
4.2 Техника безопасности на агрегатном участке
Для обеспечения безопасности работы слесаря по ремонту агрегатов
необходимо соблюдать следующие требования:
. Все станки должны быть обязательно заземлены, во избежание вероятности
поражения током.
. При работе с кран-балкой запрещается находиться непосредственно под
грузом и балкой.
. При работе на стендах для ремонта необходимо надежно закреплять деталь
в нужном положении.
. Установку агрегата на стенд осуществлять только в выключенном
положении.
. Запрещается загромождать проходы между оборудованием и выходом из
помещения.
. Использованные обтирочные материалы должны немедленно убираться.
. Разлитое масло или топливо необходимо при помощи песка или опилок,
которые после следует ссыпать в металлические ящики с крышкой, установленные
вне помещения.
4.3 Вентиляция
В воздух агрегатного цеха попадают вредные вещества (пыль, окись углерода
и др.). Такой воздух вредно действует на здоровье работающих, ухудшает их
самочувствие и снижает производительность труда, а в некоторых случаях может
привести к серьезным заболеваниям и отравлениям организма человека. Поэтому
важно поддерживать воздух в чистом состоянии. Для этого в цехе предусмотрена
общая приточно-вытяжная вентиляция.
Исходя из объема, агрегатного участка можно математически подобрать
необходимый вентилятор
= VхК,
где W- производительность вентилятора- 140,4*4=561,6 - объем помещения= 3
рекомендуемая кратность обмена воздуха
W=561,3*3=1684,8 (м3/ч)
Подбор вентилятора по ТО и РА Суханов пр. 12 таб. 3, производительность,
не ниже 1684,8 м3/ч
Берем ЦАГИ-4, W=1800 м3/ч
Электродвигатель 1500 об/мин, мощность 2кВт
4.4 Освещение
Освещение в помещении оказывает существенное влияние на качество ремонта
и обслуживание двигателей. Хорошее освещение повышает производительность труда,
снижает производственный травматизм и усталость рабочего.
Важно учитывать при установке освещения правильное направление света,
чтобы источники света не оказывали ослепляющего действия и не создавали теней.
Для поддержания уровня освещенности необходимо регулярно выполнять чистку
и мойку окон и светильников.
Общая световая мощность ламп рассчитывается по формуле:
=N*P(Вт)
Где W - общая световая мощность ламп, N=25Вт - норма расхода
электроэнергии на 1 м2=120 - площадь помещения.
=25*120 = 3000 (Вт)
Отсюда необходимая мощность каждой лампы:
Wл=W/18 (Вт)л=3000/18=166 (Вт)
В результате, для освещения моторного участка необходимо 18 светильников
с мощностью каждой лампы 200 Вт.
4.5 Рекомендуемая периодичность работ по обслуживанию
рабочего помещения
Удаление пыли ежедневно
Мытье полов не реже 2-х раз в неделю
Побелка стен и потолков 1 раз в два года
Чистка светильников 1 раз в месяц
Протирание окон 2 раза в год
Проверка санитарного состояния среды 1 раз в три месяца
Ремонт оборудования и приспособлений по заявкам
4.6 Пожарная профилактика
В соответствии с действующим законодательством ответственность за
обеспечение пожарной безопасности на ПАТП несут их руководители.
Ответственность за пожарную безопасность отдельных цехов и участков
возлагается на начальников соответствующих служб, назначенных приказом
руководителя - ПАТП.
Таблички, с указанием ответственных за пожарную безопасность,
вывешиваются на видных местах.
Для пожарной охраны ПАТП создают добровольные пожарные дружины. На эти
дружины возлагается контроль за соблюдением противопожарного режима на ПАТП и
надзор за исправным состоянием первичных средств пожаротушения.
Численный состав добровольных пожарных дружин определяется руководителем
ПАТП. Комплектуется дружина из работников не моложе 18 лет, таким образом,
чтобы в каждом цехе и смене имелись дружины.
В цехе должно быть:
Огнетушители пенные - 2шт.
Огнетушители углекислотные - 1шт.
Ящик с песком - 1шт.
Асбестовое или войлочное полотно - 1шт.
Ломы - 2шт.
Багры - 3шт.
Топоры - 2шт.
Лопаты - 2шт.
Ведра пожарные - 2шт.
Жесткие буксиры - 2шт.
Агрегатный цех относится к категории Д по взрывопожарной и пожарной
безопасности, в котором находятся или обращаются негорючие вещества и материалы
в холодном состоянии. В цехе имеется один пожарный щит, расположенный у входных
ворот.
Нормы первичных средств пожаротушения в агрегатном цехе на 100 кв.м.
огнетушители:
ОВП-10 2 шт.
ОП-5 2 шт.
Ящик с песком вместимостью 1 м куб. 1шт.
4.7 Охрана окружающей среды
Для создания условий снижения неблагоприятного воздействия агрегатного
отделения на окружающую среду, необходимо соблюдать следующие правила:
. Регулярно проводить с работниками участков и отделений инструктажи и
занятия по основам экологической безопасности.
. Следить за своевременным обслуживанием автомобилей и тем самым снизить
масштабы их ремонта.
. Экологически вредные отходы складывать только в специально отведенных
местах в специальной таре.
. Регулярно ремонтировать и очищать канализационные фильтры и отстойники.
5. Моечно-очистные сооружения должны создаваться по замкнутому типу,
чтобы исключить попадание в водоёмы сточных вод.
6. ЭКОНОМИЧЕСКАЯ ЧАСТЬ
Исходные данные экономических показателей агрегатного участка
представлены в таблице 6.1.
Таблица 6.1 - Исходные данные экономических показателей агрегатного
участка
Трудоемкость выполняемых работ агрегатного участка: -
до совершенствования, чел.
ч.
после совершенствования, чел.
ч.
|
2920
|
|
|
Штатная численность
ремонтных рабочих: - до совершенствования, чел. - после совершенствования,
чел.
|
3 2
|
|
Средний разряд работ,
выполняемых на агрегатном участке
|
4
|
|
Норма затрат на запасные
части, р./1000 км
|
350
|
Совершенствование организации работ на агрегатном участке предполагает
изготовление универсального стенда для выпресовки подшипников крестовин
карданных валов и приобретение стенда для расточки тормозных барабанов и
обточки накладок автомобилей. Предполагается объединить агрегатный участок и
участок ремонта тормозных колодок, что приведет к высвобождению площади.
Стенд для выпрессовки подшипников крестовин карданных валов и стенд для
расточки тормозных барабанов и обточки накладок необходимое оборудование для
любого агрегатного участка. Неудовлетворительное состояние наших дорог является
частой причиной поломки крестовины карданного вала, а от правильности и
своевременности расточки, тормозных барабанов, зависит правильная работа
автомобиля и безопасность движения.
Данные мероприятия приведут к уменьшению трудоемкости выполняемых работ,
снижению численности ремонтных рабочих. Приобретаемое оборудование приведет к
росту коэффициента технической готовности. Дальнейшие расчеты позволят
определить экономический эффект от совершенствования организации работ на
агрегатном участке.
6.1 Определение суммы дополнительных капитальных вложений
Дополнительные капитальные вложения складываются из стоимости
изготовления стенда и стоимости дополнительного приобретаемого оборудования.
Стенд изготавливается на предприятии с привлечением ремонтных рабочих.
Смета затрат на изготовление стенда состоит из следующих статей:
- затраты на материалы и покупные изделия;
- затраты на оплату труда;
- отчисления на социальные нужды;
- общепроизводственные расходы.
Для определения материальных затрат на изготовление стенда по каждому
виду материала устанавливается их потребное количество в тоннах и определяются
цены.
Материальные затраты на изготовление стенда представлены в таблице 6.2.
Таблица 6.2 - Материальные затраты на изготовление стенда
|
Материал
|
Требуемое количество, кг.
|
Цена за 1 ед./р. на 2010 г.
|
Стоимость, Р.
|
|
Лист стальной 20 мм
|
55
|
35,3
|
1 941,5
|
|
Прокат стальной (уголок 100×100×16
ГОСТ 8509-93)
|
50
|
34,5
|
1 725
|
|
Электрод сварочный
|
6
|
30
|
180
|
|
Масло И-12А ГОСТ 20799-88
|
2,5
|
60
|
150
|
|
Смазка Литол-24 ГОСТ
21150-75
|
0,1
|
30
|
3
|
|
Герметик ГОСТ 8764-96
|
0,35
|
90
|
31,5
|
|
Эмаль ПФ-115 ГОСТ6465-76
|
2
|
181
|
362
|
|
Круг 40 ст.12 ХМ
|
3
|
35
|
105
|
|
Стальной стержень
|
10
|
32
|
320
|
|
Квадрат 400 ст. 45
|
2,5
|
23
|
57,5
|
|
Итого:
|
|
|
4 875,5
|
|
Итого с учетом доставки:
|
|
|
5 363,05
|
Сумма затрат на покупные изделия и метизы представлена в таблице 6.3.
Таблица 6.3 - Затраты на покупные изделия
|
Материал
|
Требуемое количество, шт.
|
Цена за 1 ед./р. на 2010 г.
|
Стоимость, р.
|
|
Болт М8-6gх40.58.016 ГОСТ
7796-70
|
4
|
4,5
|
18,0
|
|
Болт М 12 -6gx60.58.016
ГОСТ 7796-70
|
8
|
6,3
|
50,4
|
|
Болт М 14-6gx60.58.016 ГОСТ
7796-70
|
4
|
7,65
|
30,6
|
|
Болт М 16 -6gx60.58.016
ГОСТ 7796-70
|
16
|
11,85
|
189,6
|
|
Болт М 20-6gх45.58.016 ГОСТ
7796-70
|
4
|
19,17
|
76,7
|
|
Болт М 36-6gх45.58.016 ГОСТ
7796-70
|
4
|
34,5
|
138,0
|
|
Винт М 20х200.48 ГОСТ
1482-75
|
4
|
56,7
|
226,8
|
|
Втулка А 20/26х15 ГОСТ
24832-81
|
4
|
300
|
1 200,0
|
|
Втулка А 42/52x50 ГОСТ
24833-81
|
1
|
350
|
350,0
|
|
Гайка М 8х1,5-6Н.5 ГОСТ
5915-70
|
4
|
1,56
|
6,2
|
|
Гайка М 12х1,5-6Н.5 ГОСТ
5915-70
|
4
|
1,53
|
6,1
|
|
Гайка М14-6Н ГОСТ 5915-70
|
4
|
2,65
|
10,6
|
|
Гайка М 16х1,5-6Н.5 ГОСТ
5915-70
|
8
|
3,75
|
30,0
|
|
Гайка М 20х1,5-6Н.5 ГОСТ
5915-70
|
8
|
5,65
|
45,2
|
|
Гайка М 36х1,5-6Н.5 ГОСТ
5915-70
|
4
|
9,37
|
37,5
|
|
Гайка М16-6Н ГОСТ 5915-70
|
8
|
2,45
|
19,6
|
|
Двигатель 4А80В ГОСТ
19523-74
|
1
|
6500
|
6 500,0
|
|
Концевой выключатель
|
2
|
380
|
760,0
|
|
Подшипник 209 ГОСТ 8338-75
|
1
|
55
|
55,0
|
|
Подшипник 7312 А ГОСТ
27365-87
|
1
|
312
|
312,0
|
|
Тиски слесарные TMS-61005
|
2
|
4290
|
8 580,0
|
|
Шайба 8 65 Г ГОСТ 6402-70
|
4
|
0,21
|
0,8
|
|
Шайба 12 65 Г ГОСТ 6402-70
|
8
|
0,61
|
4,9
|
|
Шайба 14 65 Г ГОСТ 6402-70
|
8
|
0,84
|
6,7
|
|
Шайба 16 65 Г ГОСТ 6402-70
|
16
|
1,09
|
17,4
|
|
Шайба 20 65 Г ГОСТ 6402-70
|
4
|
1,66
|
6,6
|
|
Шайба 36 65 Г ГОСТ 6402-70
|
4
|
0,21
|
0,8
|
|
Шкив больший
|
1
|
1227
|
1 227,0
|
|
Шкив малый
|
1
|
466
|
466,0
|
|
Шпонка 12х8х45 ГОСТ
23360-78
|
1
|
4
|
4,0
|
|
Штифт 2.6х24 ГОСТ 3129-70
|
4
|
4,5
|
18,0
|
|
Штифт 2.8х40 ГОСТ 3128-70
|
2
|
6,2
|
12,4
|
|
Корпус силового узла
|
1
|
2800
|
2 800,0
|
|
Итого:
|
|
|
23 207,1
|
|
Итого с учетом доставки:
|
|
|
25 527,8
|
Расчет затрат на заработную плату рабочих занятых изготовление стенда
выполняется в следующей последовательности:
Фонд заработной платы ФЗП определяем по формуле:
,(6.1)
где
- фонд заработной платы основной, р;
- фонд
заработной платы дополнительный, р.
Основной
фонд заработной платы определим по формуле:
,(6.2)
где
- тарифный фонд заработной платы, р;
- размер
надбавок и доплат (к расчету принимается 15-20 % к
, в данном случае принимаем
=20%);
- размер
премии (к расчету принимаем 20% к
);
-
районный коэффициент (60%).
,(6.3)
где
- трудоемкость изготовления подъемника чел.×ч;
- ставка
тарифная часовая, соответствующего разряда, р.
Работы
по изготовлению стенда занимаются рабочие V разряда. Часовая тарифная ставка
для рабочих V определяется по формуле:
,(6.4)
где
- часовая тарифная ставка рабочего первого разряда,
р. Часовая тарифная ставка первого разряда определяется отношением минимального
размера оплаты труда к количеству часов отработанных за месяц
р.
-
тарифный коэффициент 5-ого разряда.
р.
Тогда
тарифный фонд заработной платы определим по формуле:
р.
По
формуле 6.3 определим основной фонд заработной платы:
р.
Дополнительная
заработная плата
составляет 14% от основной.
,(6.5)
р.
Тогда
общий фонд заработной платы определи по формуле 6.2.
р.
Отчисления
на социальные нужды (единый социальный налог - ЕСН) производятся по
установленной Правительством России ставке в 26 % к
.
,(6.6)
р.
Определение
косвенных расходов. Косвенные расходы (содержание оборудования,
общепроизводственные расходы и др.) определяются в процентах от заработной
платы (150%).
,(6.7)
Смета
затрат на изготовление стенда приведена в таблице 6.4.
Таблица 6.4 - Смета затрат на изготовление стенда
|
Статья затрат
|
Сумма, р.
|
|
Затраты на основные
материалы
|
5 363,05
|
|
Затраты на покупные изделия
|
25 527,8
|
|
Заработная плата рабочих
|
10 500
|
|
Единый социальный налог
|
2 730
|
|
Косвенные расходы
|
15 750
|
|
Итого
|
59 871
|
Дополнительные
капитальные вложения (
= 323 171 р.) складывается из затрат на изготовление
стенд для выпрессовки подшипников крестовин карданных передач и приобретения
стенда для расточки тормозных барабанов и обточки накладок автобусов.
6.2 Определение экономического эффекта
Положительный экономический эффект от внедрения данного мероприятия будет
выражаться в снижении затрат на содержание участка, на материалы и запасные
части, в снижении расходов на оплату труда и единый социальный налог.
Приобретаемое оборудование приведет к снижению трудоемкости и как следствие к
росту коэффициента технической готовности и общегодового пробега.
Однако приобретаемое оборудование приведет к росту затрат на
электроэнергию, амортизационных отчислений и затрат на содержание оборудование.
Годовая трудоёмкость участка до мероприятий - 16 496,29 чел.×ч, после 14 516,73 чел.×ч.
Тарифную ставку ремонтного рабочего 4 разряда определим по формуле:
,(6.8)
где
- тарифный коэффициент 4 разряда.
р.
Тарифный фонд заработной платы за год определим по формуле 6.3.
До внедрения:
р.
После внедрения:
р.
Основной фонд заработной платы за год определяется по формуле 6.2.
До внедрения:
р.
После внедрения:
р.
Принимаем
дополнительную заработную плату в размере 14% от
.
До
внедрения:
р.
После внедрения:
р.
Общий
фонд заработной платы определи суммированием тарифного фонда заработной платы и
дополнительного фонда заработной платы:
До
внедрения:
р.
После внедрения:
р.
Соответственно месячная заработная плата одного рабочего равна формуле
,(6.9)
где
- количество рабочих на участке.
Месячная
заработная плата одного рабочего равна:
До
внедрения:
р.
После внедрения:
р.
Таким образом, среднемесячная заработная плата после внедрения вырастет
на 3%.
Отчисления на единый социальный налог (СВ) определим по формуле:
,(2.10)
До внедрения:
р.
После внедрения:
р.
Таблица 6.5 - Сводный план по труду и заработной плате
|
Показатель
|
до внедрения
|
после внедрения
|
|
Расчетная численность
рабочих, чел.
|
3
|
2
|
|
Годовой фонд заработной
платы, тыс. р.
|
1 50,90
|
1 37,82
|
|
Среднемесячная зарплата, р.
|
13 897
|
14 331
|
|
Единый социальный налог,
тыс. р.
|
390,23
|
357,71
|
ЗАКЛЮЧЕНИЕ
Темой выполненного дипломного проекта предусматривалось решение
определенных задач в ходе работы над проектом. Решение их дано в пояснительной
записке, где отражены задачи стоящие перед автомобильным транспортом в целом и
технической службой разрабатываемого предприятия.
Характеристика предприятия и объекта проектирования дает представление об
условиях эксплуатации подвижного состава, определяет тип предприятия по
производственному назначению и указывает его производственные функции.
В характеристике объекта проектирования дано: наименование, назначение,
перечисленные основные виды выполняемых работ.
В расчетно-технологическом разделе выбраны исходные нормативы ТО и
ремонта, произведено их корректирование для сложившихся условий эксплуатации,
модификации подвижного состава, природно-климатических условий. Определены
коэффициенты технической готовности и использования автомобилей.
Это позволило определить годовую и сменную программу ТО, далее определить
годовую трудоемкость работ по техническому обслуживанию и количество
необходимых рабочих мест и ремонтных рабочих.
В организационном разделе описан метод организации производства ТО и ТР,
разработана схема технологического процесса,произведен подбор технологического
оборудования и рассчитана производственная площадь агрегатного участка.
В конструкторском разделе разработан стенд для выпрессовки подшипников
карданных шарниров.
Раздел «Охрана труда и окружающей среды дает общую характеристику
организации работ по охране труда. В нем определены основные производственные
вредности, их источники, описаны рекомендации по мерам электро-безопасности и
пожарной безопасности.
В экономической части рассчитаны основные затраты и дано экономическое обоснование
рентабельности проекта.
Графическая часть проекта содержит: генеральный план предприятия,
планировочный чертеж агрегатного участка, общий вид и детали приспособления.
Проделанные расчеты, выбранный метод организации работ ТО и ТР и принятые
планировочные решения позволяет более эффективно использовать подобранное
оборудование, повысит производительность и качество работ, приведет к снижению
материальных затрат, времени простоя подвижного состава в ремонте.
СПИСОК ЛИТЕРАТУРЫ
автомобильный двигатель ремонт трудоемкость
1. Положение о техническом обслуживании и ремонте подвижного
состава автомобильного транспорта. М., Транспорт 1986.
. Суханов Б.Н., Борзых И.О., Бедарев Ю.Ф. Техническое
обслуживание и ремонт автомобилей. Пособие по дипломному проектированию. М.,
Транспорт, 1991.
. Карташов В.П. Технологическое проектирование
автотранспортных предприятий. М., Транспорт, 1981.
. Карташов В.П., Мальцев В.М. Организация технического
обслуживания и ремонта автомобилей. М., Транспорт, 1979.
. Напольский Г.М. Технологическое проектирование
автотранспортных предприятий и станций технического обслуживания. М.,
Транспорт, 1986.
. Типовые проекты организации труда на производственных
участках автотранспортных предприятий. Часть I и II.,
М., ЦНОТ и УП, Минавтотранс, 1985.
. Руководство по организации и управлению производством
технического обслуживания и ремонта подвижного состава в автотранспортных
предприятиях. НИИФТ, М., 1975.
. Руководство по диагностике технического состояния
подвижного состава автомобильного транспорта. РД-200-РСФСР-15-0150-81. М.,
НИИАТ, Минавтотранс, 1982.
. Беднарский В.В. Организация капитального ремонта
автомобилей. Ростов на дону., 2005.
. Климатов Е.Е., Крылов А.Д. Техническое обслуживание
автомобилей. Методические указания по выполнению дипломного проекта.
Н.Новгород, 2004.
. Методика укрупненного определения уровня механизации
производственных процессов автотранспортных предприятий. РД
-200-РСФСР-13-0087-80-М, ЦБНТИ Минавтотранса РСФСР, 1981.
. Краткий автомобильный справочник. М., Транспорт, 1994.