Техническое обслуживание и ремонт автомобилей ВАЗ-2107
Содержание
Введение
. Устройства коробки переменных
передач (КПП) автомобиля ВАЗ 2107
.1 Назначение
.2 Работа пятиступенчатой коробки
передач
.3 Коробка передач пятиступенчатая
. Неисправности коробки переменных
передач
. Перечень работ выполняемых при ТО
коробок передач
. Порядок выполнения работ при
техническом обслуживании
. Оборудования, приспособления и
инструменты при ТО и ремонте
. Техника безопасности
Литература
Введение
Автомобилю приходится двигаться со скоростями от
очень маленькой до сотни-другой километров в час - а потому диапазон, в котором
изменяются обороты колес, получается огромным - раз в 50. Но двигатель
внутреннего сгорания способен эффективно работать лишь в интервале 2000-6000
об/мин, то есть менять скорость вращения коленчатого вала всего раза в три.
Поэтому и приходится между ним и колесами ставить ту самую коробку, чтобы
получить требуемую скорость движения при близких к оптимальным оборотах
двигателя.
Кстати, не все известные моторы требуют
применения такого преобразователя на шестеренках. Например, паровая машина и
электродвигатель развивают немалый крутящий момент, что называется, "от
нуля" - именно поэтому в троллейбусах (как и в паровозах) нет ни третьей
педали, ни рычага коробки передач.
На различных автомобилях устройство коробки
передач может отличаться, но принципиальная схема остаётся примерно одинаковой.
. Устройства коробки переменных передач (КПП)
автомобиля ВАЗ 2107
.1 Назначение
Назначение коробки передач -
изменять силу тяги, скорость и направление движения автомобиля. У автомобильных
двигателей с уменьшением частоты вращения коленчатого вала крутящий момент
незначительно возрастает, достигает максимального значения и при дальнейшем
снижении частоты вращения также уменьшается. Однако при движении автомобиля на
подъемах, по плохим дорогам, при трогании с места и быстром разгоне необходимо
увеличение крутящего момента, передаваемого от двигателя к ведущим колесам. Для
этой цели и служит коробка передач, в которую входит также передача,
позволяющая автомобилю двигаться задним ходом. Кроме того, коробка передач
обеспечивает разъединение двигателя с трансмиссией.
Ступенчатая коробка передач состоит
из набора зубчатых колес, которые входят в зацепление в различных сочетаниях,
образуя несколько передач или ступеней с различными передаточными числами. Чем
больше число передач, тем лучше автомобиль «приспосабливается» к различным
условиям движения. Коробка передач должна работать бесшумно, с минимальным
износом; этого достигают применением зубчатых колес с косыми зубьями.
Ступенчатые коробки передач по числу
передач переднего хода делят на четырех- и пятиступенчатые. Обычно коробки
передач легковых автомобилей, малогабаритных автобусов и грузовых автомобилей
небольшой грузоподъемности имеют четыре ступени, а коробки передач больших
автобусов и грузовых автомобилей значительной грузо-подъемности - пять
ступеней.
Ступенчатые коробки передач могут
быть простые и планетарные. В основном на автомобилях применяют простые
ступенчатые коробки передач, переключение передач в которых происходит двумя
способами: передвижением зубчатых колес или передвижением муфт.
Иногда автомобили оборудуют
бесступенчатыми коробками передач с плавным изменением передаточного числа и
комбинированными коробками передач, в которых использованы оба способа
изменения передаточного числа.
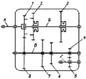
В простой ступенчатой коробке
передач (рис. 1) имеются три вала: ведущий (первичный) А, связанный через
сцепление с коленчатым валом двигателя; ведомый (вторичный) Б, соединенный
через карданную передачу и другие механизмы с ведущими колесами автомобиля;
промежуточный В. С ведущим постоянном зацеплении с ведомым зубчатым колесом 8,
жестко соединенным с промежуточным валом. При включении сцепления вращаются
ведущий и промежуточный валы.
Рис.1. Схема трехступенчатой коробки
передач: А - ведущий вал; Б - ведомый вал; В - промежуточный вал; Г - ось
зубчатого колеса передачи заднего хода; 1-8 - зубчатые колеса.
На ведомом валу установлены
подвижные зубчатые колеса 2 и 3, а зубчатые колеса 7, 6 и 4, так же как и
колесо 8, жестко соединены с промежуточным валом. Отношение числа зубьев
ведомого зубчатого колеса к числу зубьев ведущего колеса, обратное отношению их
частот вращения, называют передаточным числом. Например, передаточное число
передачи, состоящей из зубчатых колес 8 и 1,
где z8 - число зубьев ведомого
зубчатого колеса 8; z1 - число зубьев ведущего зубчатого колеса 1.
Когда какое-либо зубчатое колесо
ведомого вала входит в зацепление с одним из зубчатых колес промежуточного
вала, крутящий момент от двигателя через ведущий, промежуточный и ведомый валы
коробки передач передается карданной передаче и далее на ведущие колеса
автомобиля.
Для включения первой передачи колесо
3 передвигают вперед, вводя его в зацепление с шестерней 6 первой передачи
промежуточного вала.
Общее передаточное число первой
передачи определяют как произведение передаточных чисел отдельных пар зубчатых
колес, т. е.
где z3 и z6 - числа зубьев соответственно
колеса 3 и шестерни 6.
При включении первой передачи
крутящий момент Мк на ведомом валу коробки передач увеличивается по сравнению с
крутящим моментом двигателя Мд в u1 раз, т. е.
и имеет максимальную величину, так
как шестерня 6 является наименьшей из зубчатых колес промежуточного вала, а
колесо 3 - наибольшим из зубчатых колес ведомого вала.
Первой передачей пользуются при
движении автомобиля в самых тяжелых дорожных условиях, на крутых подъемах, а
также при трогании с места на плохой дороге и с грузом.
Вторая передача обеспечивается
включением зубчатых колес 2 и 7. Тогда
где z2 и z7 - числа зубьев зубчатых
колес соответственно 2 и 7.
Вторая передача является
промежуточной. В приведенной схеме трехступенчатой коробки она единственная. В
четырех- и пятиступенчатой коробках передач может быть две или даже три
промежуточные передачи.
При включении прямой (в данном
случае третьей) передачи ведущий и ведомый валы соединяются непосредственно
через зубчатые колеса 1 и 2 (u3 = 1). Прямая передача является основной
передачей, используемой при движении автомобиля по хорошей дороге.
Переключение передач выполняют при выключенном
сцеплении, вводя подвижные зубчатые колеса (каретки) ведомого вала в зацепление
с неподвижными зубчатыми колесами промежуточного вала. Это зацепление
сопровождается ударами торцов зубьев и их повышенным износом. Поэтому на
автомобилях часто применяют коробки передач с постоянным зацеплением зубчатых
колес, отличающиеся высокой долговечностью.
С зубчатым колесом 4 промежуточного
вала в постоянном зацеплении находится промежуточное зубчатое колесо 5 передачи
заднего хода, которое на рис. 1 условно изображено в плоскости чертежа. Для
включения передачи заднего хода зубчатое колесо 3 передвигают назад, вводя его
в зацепление с промежуточным зубчатым колесом 5 передачи заднего хода, свободно
вращающимся на своей оси.
1.2 Работа пятиступенчатой коробки передач
Пятиступенчатая коробка передач создана на базе
четырехступенчатой коробки, поэтому схемы передачи крутящего момента с
первичного вала на вторичный на всех передачах переднего хода, за исключением
пятой передачи и заднего хода, аналогичны с четырехступенчатой коробкой
передач. То есть крутящий момент от коленчатого вала двигателя через сцепление
передается на первичный вал и через шестерни и постоянного зацепления на
промежуточный вал.
Блок шестерен промежуточного вала имеет
постоянное зацепление с шестернями третьей, второй и первый передач вторичного
вала. Поэтому они вращаются от промежуточного вала как при включенной, так и
при выключенной передаче. Кроме того, вместе с промежуточном валом вращается
блок шестерен, от большого венца которого вращение передается на шестерню пятой
передачи.
Так как шестерни свободно посажены на вторичном
валу, то при нейтральном положении рычага переключения передач ни одна из этих
шестерен не передает крутящий момент на вторичный вал. При трогании автомобиля
с места и преодолении тяжелых участков дороги включается I передача. При этом
скользящая муфта, входя в зацепление с зубчатым венцом синхронизатора шестерни
первой передачи, соединяет ступицу с шестерней. Крутящий момент от шестерни
через муфту и ступицу передается на вторичный вал.
Передаваемый крутящий момент увеличивается в
соответствии с передаточным числом первой передачи. При дальнейшем разгоне
автомобиля переходят с первой передачи на вторую. В этом случае муфта соединяет
ступицу с зубчатым венцом шестерни второй передачи, и крутящий момент от
шестерни через муфту и ступицу передается на вторичный вал. Величина крутящего
момента снижается и по сравнению с прямой передачей будет увеличена в 2,1 раза,
скорость автомобиля увеличится.
При переходе на третью передачу скользящая муфта
другого синхронизатора соединяет ступицу с венцом шестерни. Крутящий момент
передается от шестерен через муфту и ступицу на вторичный вал. Величина
крутящего момента несколько снижается, а скорость увеличивается. При включении
четвёртой передачи муфта ходит в зацепление с зубчатым венцом ведущего вала,
т.е. соединяет на прямую первичный и вторичный валы коробки передач.
В этом случае частота вращение первичного и
вторичного валов будет одинаковой, и величина крутящего момента не изменяется.
Эта передача называется прямой. При включении пятой передачи скользящая муфта
соединяет ступицу с зубчатым венцом шестерни. Крутящий момент будет
передаваться от первичного вала через шестерни постоянного зацеплении и на
промежуточный вал.
От него на блок шестерен и от большого венца
блока на ведомую шестерню пятой передачи, затем через муфту и ступицу на
вторичный вал. При этом величина крутящего момента будет минимальной, а
скорость максимальной. Задняя передача включается перемещением рычага переключения
передач вправо, затем нажатием на него вниз и перемещением назад по ходу
автомобиля. При этом промежуточная шестерня заднего хода входит в зацепление с
малым венцом блока шестерен и с венцом шестерни заднего хода.
При перемещении промежуточной шестерни головка
штока нажимает на шарик штока включателя и утапливает его. Цепь лампы света
заднего хода замыкается, и сигнализирует белым цветом о включенной задней
передаче. При включённой передаче, когда вращается вторичный вал, происходит
передача вращения на ведущую шестерню привода спидометра. От нее вращение
передается на ведомую шестерню привода спидометра и через пару косозубых
шестерен на валик привода троса спидометра; трос приводит в действие спидометр.
Детали коробки передач смазываются трансмиссионным
маслом, которое заливается в количестве 1,55 л. При вращении валов и шестерен
образуется масленый туман. Масло через радиальные отверстия в ведомых шестернях
поступает к посадочным пояскам вторичного вала, на которых расположены эти
шестерни. За счет каналов на этих поясках образуется масленая пленка, не
допускающая прямого контакта металлических поверхностей шестерен и вала.
Герметичность картера коробки передач
обеспечивается сальниками первичного и вторичного валов и уплотнительными
прокладками, которые установлены между картером и нижней и задней крышками.
Чтобы уменьшить напор масла на сальник вторичного вала, на валу устанавливается
маслоотражательная шайба. Осевые усилия, возникающие при передаче крутящего
момента через косозубые шестерни, воспринимаются шариковыми подшипниками валов,
которые фиксируются в своих гнёздах установочными кольцами (промежуточный
подшипник вторичного вала стопорной пластиной), а на валах пружинными шайбами и
стопорными кольцами.
Простая конструкция коробки передач, косозубые
шестерни постоянного зацепления и синхронизаторы обеспечивают долговечную и
бесшумную работу коробки передач. Ее обслуживание сведено к минимуму: проверке
уровня и замене масла.
На автомобилях ВАЗ 2107 устанавливается
пятиступенчатая коробка передач. Она создана на базе четырехступенчатой коробки
и отличается по внешнему виду формой задней крышки, в полости которой на конце
ведомого вала размещена пятая ступень. Введение дополнительной пятой передачи
расширило диапазон скоростей движения автомобиля, за счёт чего достигается
работа двигателя на наиболее экономичных режимах, а также улучшаются условия
работы двигателя.
Это в свою очередь, увеличивает долговечность
его работы. Передаточные числа одноименных передач у пяти- и четырехступенчатой
коробок одинаковые. Передаточное число пятой передачи - 0.82. В связи с тем,
что пятиступенчатая коробка передач сконструирована на базе четырехступенчатой
коробки, многие её детали имеют одинаковое устройство и взаимозаменяемы.
Коробка передач так же трехвальная, то есть состоит из первичного, вторичного и
промежуточного валов. Первичный вал идентичен с валом четырехступенчатой
коробки.
Вторичный вал отличается своей задней частью, на
которой расположены детали пятой ступени. Промежуточный вал отличается тем, что
в заднем торце имеет резьбовое отверстие для болта крепления блока шестерен
пятой передачи и заднего хода. Ведомые шестерни третьей, второй и первой
передач, детали синхронизаторов, подшипники валов унифицированы с одноименными
деталями четырехступенчатой коробкой передач.
Таким образом, конструкция деталей,
расположенных в полости картера коробки, одинакова с четырехступенчатой
коробкой. Детали пятой передачи и заднего хода расположены а полости задней
крышки. Вместе с ведомой шестерней заднего хода на ведомом валу одной шпонкой
крепится ступица муфты синхронизатора пятой передачи. За ступицей расположена
упорная шайба и втулка, на которой вращается шестерня пятой передачи. Между
втулкой шестерни и ведущей шестерней привода спидометра зажата маслоотражательная
шайба.
Она уменьшает выброс масла в сторону сальника,
улучшая условия его работы. Задний конец вторичного вала вращается на роликовом
цилиндрическом подшипнике, т.к. нагрузка на задний конец вала увеличилась. На
шлицах вала крепится фланец эластичной муфты. Все детали, расположены на
вторичном валу, поджимаются гайкой, которая фиксируется стопорной шайбой.
На цилиндрическом пояске гайки расположен
резиновый уплотнитель, а на конце вала центрирующее кольцо и ее стопорное
кольцо. На шлицах промежуточного вала крепится стяжным болтом блок шестерен
пятой передачи и заднего хода. Задней опорой для блока шестерен является
роликовый цилиндрический подшипник. Блок шестерен имеет два венца.
Большой венец находится в постоянном зацеплении
с ведомой шестерней пятой передачи. С малым венцом входит в зацепление
промежуточная шестерня при включении задней передачи. Промежуточная шестерня
расположена на оси, которая крепится в перегородке картера коробки гайкой с
тарельчатой пружинной шайбой. Другой конец оси опирается в гнездо задней
крышки. Привод переключения передач также незначительно отличается от привода
четырехступенчатой коробки. Изменена конструкция штока и вилки включения задней
и пятой передач.
На штоке крепиться стопорным болтом двойная
вилка - она входит в паз промежуточной шестерни заднего хода, другая - в
кольцевой паз муфты синхронизатора пятой передачи. Таким образом, при
перемещении штока выполнено, так же как и на других штоках, три гнезда под
шарики фиксаторов. В вилке имеется паз, в который заходит нижний конец рычага
переключения передач.
На конце штока крепится стопорным болтом
головка, на которой выполнена лыска, которой головка воздействует на шток
(шарик) включателя фонаря заднего хода. В дальнейшем при изменении конструкции
привода планируется вместе с головкой штока изготовлять прилив с пазом под
нижний конец рычага переключения передач, убрав этот прилив у вилки. В привод
переключения передач введен новый механизм выбора передач. Он блокирует
случайное включение задней передачи.
Механизм выбора передач состоит из направляющей
пластины рычага, верхней и нижней шайб направляющей пластины, корпуса рычага
переключения передач, блокировочной скобы заднего хода. Перечисленные детали
стянуты тремя болтами, которыми механизм выбора крепится к гнезду задней крышки
коробки передач. В пазах направляющей пластины установлены подпружинные
направляющие планки, между которыми зажат нижний конец рычага переключения
передач. Под действием пружин направляющих пластин рычаг переключения передач
устанавливается в нейтральное положение, при котором конец рычага располагается
в пазу головки включения III и IV передач.
При выключении V передачи, если рычаг перейдёт
линию нейтрального положения, выступ рычага упрётся в отогнутый лепесток
блокировочной скобы и дальнейшее перемещение рычага в сторону включения заднего
хода прекращается . Этим самым исключается случайное включение задней передачи
на ходу автомобиля и поломка деталей коробки передач. Чтобы включить заднюю
передачи, следует нажать на рычаг вниз, чтобы сжать его пружину. При этом
выступ рычага опустится наже лепестка блокировочной скобы, и можно переместить
рычаг переключения передач назад до полного включения задней передачи.
.3 Коробка передач пятиступенчатая

1 - задняя крышка; 2 - шток ползуна; 3 -
уплотнитель; 4 - задняя втулка;5 - передняя втулка; 6 - крышка картера; 7 -
прокладка; 8 - втулка; 9 - ведущая шестерня четвертой передачи; 10 - шайба; 11
- ступица; 12 - муфта третьей и четвертой передач; 13 - игольчатый подшипник;
14 - кольцо блокирующее; 15 - шестерня третьей передачи; 16 - подшипник
роликовый; 17 - промежуточный вал; 18 - рычаг; 19 - стопорное кольцо; 20 -
ведущий вал коробки передач; 21 - крышка; 22 - ведущая шестерня (ведомый вал)
главной передачи; 23 - крышка переднего подшипника; 24 - маслосливная пробка;
25 - регулировочная прокладка; 26 - упорный подшипник ведущей шестерни; 27 -
регулировочная прокладка; 28 - ведомая шестерня первой передачи; 29 - шайба; 30
- ведомая шестерня заднего хода; 31 - ведомая шестерня второй передачи; 32 -
ведомая шестерня третьей передачи; 33 - ведущая шестерня привода спидометра; 34
- ведомая шестерня четвертой передачи; 35 - задний подшипник ведущей шестерни;
36 - картер коробки передач; 37 - прокладка; 38 - шайба; 39 - гайка; 40 -
шайба; 41 - шлицевой вал ведущей шестерни заднего хода; 42 - промежуточная
ведущая шестерня заднего хода; 43 - промежуточная ведомая шестерня заднего
хода; 44 - втулка оси; 45 - ось шлицевого вала; 46 - сухарь; 47 - пружина; 48 -
заглушка; 49 - ведомая шестерня привода спидометра; 50 - уплотнитель; 51 -
ведущая шестерня; 52 - вал; 53 - корпус редуктора; 54 - шестерня; 55 - ведомый
вал.

Валы, шестерни и синхронизаторы
четырехступенчатой коробки передач: 1 - кольцо стопорное; 2 - пружина
синхронизатора III
и IV передач; 3 -
сухарь; 4 - штифт; 5 - пружина; 6 - вал вторичный; 7 - шарик; 8 - пружина
синхронизатора I и II
передач; 9 - шайба упорная шестерни II
передачи; 10 - шайба упорная шестерни I
передачи; 11 - шайба упорная задней шестерни I
передачи; 12 - подшипник; 13 - шестерня спидометра ведущая; 14 - шайба
пружинная; 15 - кольцо стопорное; 16 - кольцо стопорное; 17 - шестерня I
передачи,; с блокирующим кольцом синхронизатора; 18 - шестерня I
передачи в сборе; 19 - кольцо блокирующее синхронизатора I
и II передач; 20 -муфта
синхронизатора I и II
передач со ступицей; 21 - ступица муфты синхронизатора I
и II передач; 22 -
муфта синхронизатора I
и II передач; 23
-шестерня II передачи с
блокирующим кольцом синхронизатора в сборе; 24 - шестерня II
передачи; 25 - шестерня III
передачи с блокирующим кольцом синхронизатора в сборе; 26 - шестерня III
передачи; 27 - кольцо блокирующее синхронизатора Ши IV
передач со ступицей; 28 - муфта синхронизатора III
и IVпередач со
ступицей; 29 - ступица муфты синхронизатора Ши IVпередач;
30 - муфта синхронизатора IIIи
IVпередач; 31 - вал
первичный в сборе; 32 - кольцо установочное; 33 - маслоотражатель; 34 - вал
первичный; 35 - ролик; 36 - ось; 37 - шестерня заднего хода в сборе; 38 - ось;
39 - шайба упорная задняя; 40 - ролик; 41 - блок шестерен промежуточного вала;
42 - шайба упорная передняя.
Механизмы переключения и управления коробкой
передач: 1 - рычаг; 2 - чехол; 3, 33 - пружина; 4 - упорная чашка; 5 - шаровая
чашка; 6 - крышка; 7 - опорная втулка; 8 - вкладыш; 9 - стопорный болт; 10 -
рычаг включения заднего хода; 11 - шток переключения задней передачи; 12 - шток
переключения третьей и четвертой передач; 13 - замок верхних штоков; 14 - шток
ползуна; 15 - толкатель замков; 16 - ползун переключения передач; 17 - вилка
третьей и четвертой передач; 18 - крышка; 19 - пружина; 20 - шарик фиксатора;
21 - шток переключения первой и второй передач; 22 - замок нижних штоков; 23 -
контргайка; 24 - шайба; 25 - болт; 26 - гайка; 27 - муфта; 28 - вал; 29 -
крышка туннеля пола; 30 - чехол; 31 - ползун; 32 - направляющая чашка; 34 -
демпфирующее кольцо; 35 - кронштейн; 36 - болт крепления механизма; 37 -
корпус; 38 - коврик; 39 - стопорное кольцо.
2. Неисправности коробки переменных передач
(КПП)
автомобиль
коробка передач неисправность ремонт
Шум в коробке передач
|
Причина
неисправности
|
Метод
устранения
|
|
1.
Шум подшипников
|
1.
Замените дефектные подшипники
|
|
2.
Износ зубьев шестерен и синхронизаторов
|
2.
Замените изношенные детали
|
|
3.
Недостаточный уровень масло в коробке передач
|
3.
Долейте масло. При необходимости устраните причины утечки масло
|
|
4.
Осевое перемещение валов
|
4.
Замените детали, фиксирующие подшипники, или сами подшипники
|
Затрудненное переключение передач
|
1.
Не полное выключение сцепления
|
1.
См. подраздел «Сцепление»
|
|
2.
Заедание сферического шарнира рычага переключения передач
|
2.
Зачистите сопрягающиеся поверхности сферического шарнира
|
|
3.
Деформация рычага переключения передач
|
3.
Устраните деформацию или замените рычаг новым
|
|
4.
Тугое движение штоков вилок (заусенцы, загрязнение гнезд штоков, заклинивание
блокировочных сухарей)
|
4.
Отремонтируйте или замените изношенные детали
|
|
5.
Тугое движение скользящей муфты на ступице при загрязнении шлицев
|
5.
Очистите детали
|
|
6.
Деформация вилок переключения передач
|
6.
Выправьте вилки, при необходимости замените их
|
Самопроизвольное выключение или нечёткое
включение передач
|
1.
Износ шариков и гнезд штоков, потеря упругости пружин фиксаторов
|
1.
Замените поврежденные детали новыми
|
|
2.
Износ блокирующих колец синхронизатора
|
2.
Замените блокирующие кольца
|
|
3.
Поломка пружины синхронизатора
|
3.
Замените пружину
|
|
4.
Износ зубьев муфты синхронизатора или зубчатого венца синхронизатора
|
4.
Замените муфту или шестерню
|
Утечка масла
|
1.Износ
сальников первичного и вторичного валов
|
1.Замените
сальники
|
|
2.Ослабление
крепления крышек картера
|
2.
Подтяните гайки (момент указан в приложении) или замените уплотнительные
прокладки
|
|
3.
Ослабление крепления картера сцепления к картеру коробки передач
|
3.
Подтяните гайки
|
|
4.
Повышенное давление в картере. Засорился сопун.
|
4.Промыть,
продуть сопун
|
3. Перечень работ выполняемых при ТО коробок
передач
. ЕО
.1. Проверка работы коробки передач при
переключении скоростей на ходу автомобиля.
.2. Очистка от пыли и грязи картера КП
. ТО-1=ЕО + п.2.1 …2.2.
.1. Проверка уровня масла в КП. При
необходимости доливка.
.2. Проверка герметичности картера. При
необходимости замена прокладок и сальников. Подтяжка крепления крышек.
. ТО-2=ТО-1+п.3.1….3.4.
.1. Замена масла в картере
.2. Промывка картера
.3. Проверка надёжности крепления КП к раме
автомобиля
.4. Очистка сапуна
. СО
.1. Сезонная замена масла
.2. Очистка сапуна
4. Порядок выполнения работ при техническом
обслуживании
Порядок промывки коробки передач и замены масла.
Проводится сразу после остановки автомобиля,
пока масло теплое.
. Очистить картер от пыли и грязи
2. Слить масло в подставную посуду, через
сливное отверстие, предварительно вывернув пробку
. Установить пробку на место
. Залить в картер через наливное
отверстие промывочное масло до половины нормального уровня
. Вывесить ведущий мост на домкрат.
Установить под мост подставку.
. Завести двигатель, включить первую
передачу и дать поработать 3-5 минут
. Остановить двигатель.
. Отвернуть сливную пробку. Слить
промывочное масло в посуду. Установить пробку на место.
. Залить рабочее масло через наливное
отверстие до нижней кромки отверстия. Завернуть пробку наливного отверстия
. Завести двигатель, дать поработать 3-5
минут
. Проверить уровень масло, при
необходимости долить до уровня
Рабочее масло: трансмиссионное
ТАД-17; ТАД-17Л; ТС-14,5 ЭФО; ТС-14,5 ДФ-1;
ТАп-15В; ТСп-14;
5. Оборудования, приспособления и инструменты
Стационарное оборудование - это оборудование
установленное и закрепленное на фундаментах, стенах потолке ремонтного участка
встроенного в пол. Это оборудование устанавливается в соответствии с
планировкой участка при строительстве здания. Или его оборудования. У этого
оборудования имеется постоянное место на участке которой может быть изменено
только при реконструкции участка так как перенос такого оборудования связан с
разрушением стен, пола и других элемента здания.
|
№
|
Виды
стационарного оборудования
|
Назначение
|
|
1.
|
Осмотровое
оборудование
|
|
|
1.1
1.2 1.3 1.4
|
Смотровая
яма Эстакада Гидравлические и электромеханические подъемники Опрокидыватели
|
Обеспечивают
доступ к автомобилю снизу. Используется для осмотра регулировки, разборки
узлов автомобиля
|
|
2.
|
Заправочное
оборудование
|
|
|
2.1.
|
Масло
- раздаточные колонки
|
Для
заправки масло
|
|
2.2.
|
Солидола
нагнетатели
|
Для
смазывания узлов и консистентной смазкой
|
Слесарно-монтажные инструменты
|
№
|
Наименование
инструмента
|
Назначение
|
|
1.
2. 3. 4.
|
Набор
рожковых ключей Набор накидных ключей Разводной ключ Динамометрический ключ
|
Для
отворачивания и заворачивания резьбовых деталей. Динамометрический ключ
определяет усилие затяжки болта.
|
|
5.
|
Набор
отверток с прямыми, крестообразным и шестигранным лезвием.
|
Служит
для отворачивания и заворачивания винтов.
|
6. Техника безопасности при ТО и ремонте
Гараж или бокс, где проводятся ремонтные работы,
долен хорошо проветриваться, дверь - легко открываться как изнутри, так и с
наружи. Проход к двери должен всегда оставаться свободным.
Топливо смазочные и легковоспламеняющиеся
вещества храните в небьющейся таре на полу или на полках с бортиками. Если
бензин или растворитель разлился, не включайте и не отключайте свет (во
избежание воспламенения от искры между контактами выключателя; электродвигатели
и нагревательные приборы отключайте немедленно), проветрите помещение. Разлитое
масло засыпьте песком.
Промасленную ветошь храните отдельно, желательно
в металлическом ящике (есть опасность ее самовозгорания!). Для освещения по
возможности используйте изолированные от атмосферы (герметичные) светильники,
желательно также иметь сеть низкого напряжения (до 36 В) для работ на улице и
на неизолированном полу (в смотровой канаве и т.д.).
При ремонте цепей электрооборудования или риске
их повреждения (сварка, рихтовка вблизи жгутов проводов) снимайте клемму минусового
провода с вывода аккумулятора.
Не открывайте пробку расширительного бачка на
горячем двигателе. Не отсоединяйте на работающей двигателе (а также при
включённом зажигании) провода и приборы системы зажигания. Во избежание пожара
не разбирайте систему питания и ее узлы, пока не остынет выпускной коллектор.
Берегите руки от попадания во вращающиеся
привода. Особенно осторожно будьте с электровентилятором охлаждения двигателя:
он включается даже при выключенном зажигании, если замкнуть контакты
термодатчика. Поэтому все работы с ним производите только при обесточенной цепи
питания электродвигателя.
Осторожнее работайте с алюминиевым радиатором -
его пластины очень острые. Термические ожоги на горячем двигателе можно
получить от радиатора, термостата, головки блока цилиндров, выплеснувшейся
охлаждающей жидкости ( или струи пара ), выпускного коллектора.
Не применяйте неисправный инструмент. Для защиты
рук от порезов и ушибов во время «силовых» операций надевайте перчатки (лучше
кожаные). Лучше тянуть ключ на себя, чем нажимать на него: так меньше риск
получить травму.
Для защиты глаз надевайте очки (лучше
специальные, с боковыми щитками). Очки обязательны при работах с отрезной
машинкой («болгаркой»), электроточилом, электролитом.
Для подъема автомобиля по возможности
пользуйтесь взамен штатного домкрата ромбическим или гидравлическим: они более
устойчивы и надёжны. Поднимая или опуская автомобиль (на домкрате или
подъемнике), никогда не находитесь под автомобилем. Предварительно убедитесь,
что соответствующие силовые элементы кузова (усилители пола, пороги) достаточно
прочны. Используйте для подъема автомобиля только штатные точки опоры.
Запрещается вывешивать автомобиль на двух или более домкратах - используйте
подставки промышленного изготовления. Запрещается нагружать или разгружать
автомобиль, стоящий на домкрате (садится в него, снимать или устанавливать
двигатель, пружины подвески и т.п.), если под ним находятся люди. При ремонте
автомобиля со снятым двигателем (силовым агрегатом) учитывайте, что развесовка
по осям изменилась: при вывешивании на домкрате такой автомобиль может упасть.
Работайте только на ровной нескользкой площадке,
под не выведенные колеса подкладывайте упоры.
При работе двигателя (особенно на пусковых
режимах) выделяется оксид углерода - ядовитый газ без цвета и запаха.
Отравиться оксидом углерода (угарным газом) можно даже в открытом гараже,
поэтому перед запуском двигателя обеспечьте принудительную вытяжку отработавших
газов за пределы гаража.
Литература
1. Издательство: Третий Рим -
Автомобили ВАЗ 2105-04.Руководство по ремонту, эксплуатации и техническому
обслуживанию, 1999г.
2. В.Л. Роговцев, Ф.Г.
Пузанков, В.Д. Олдфильд. - «Устройство и эксплуатация автотранспортных
средств».
. С.И. Румянцев «Техническое
обслуживание и ремонт автомобилей» Москва, Транспорт 1998г.
. Издательство: Третий Рим -
Автомобили ВАЗ 2107.Руководство по ремонту, эксплуатации и техническому
обслуживанию, 1998г.
. Круглов С.М. Справочник
автослесаря по техническому обслуживанию и ремонту легковых автомобилей. - М.:
Высшая школа, 1995. - 304с.
. Издательство: Агентство
«Дайджест». Автомобиль ВАЗ 2101 - 2107 Эксплуатация и ремонт своими силами.
Часть 1 Приспособления. 1992г.
. Издательство: Третий Рим.
Автор: С.И. Погребной, И.Л. Семенов и др. Название: ВАЗ 2105i,- 2104i.
Руководство по эксплуатации, техническому обслуживанию и ремонту. 2006г.