Технический ремонт автомобильного стартера
Содержание
Введение
. Особенности конструкции автомобильных стартеров
. Работы, выполняемые при ремонте автомобильных стартеров
.1 Ремонт автомобильного стартера
.2 Требуемое оборудование
.3 Расчет площади электротехнического участка
.4 Технологический процесс ремонта автомобильного стартера
. Совершенствование технологического процесса ремонта
автомобильного стартера
Заключение
Список использованных источников
Введение
Система запуска двигателя, как следует из названия, предназначена для
запуска двигателя автомобиля. Система обеспечивает вращение двигателя со
скоростью, при которой происходит его запуск.
На
современных автомобилях наибольшее распространение получила стартерная система
запуска. Система запуска двигателя входит в состав электрооборудования
автомобиля <#"565296.files/image001.gif">
Рисунок 1.1- Стартер с постоянными магнитами и шестеренчатым редуктором
- соленоид и пусковое реле; 2 - рычаг включения стартера; 3 - обгонная
муфта с ведущей шестерней; 4 - шестеренчатый редуктор (планетарная передача); 5
- якорь; 6 - постоянные магниты
Шестерня на валу электродвигателя стартера сначала начинает взаимодействовать
с зубчатым венцом маховика двигателя. После пуска двигателя частота вращения
шестерни стартера становится выше частоты вращения вала электродвигателя
стартера, что может привести к выходу стартера из строя из-за возникающего
центробежного усилия. Для предотвращения этого нежелательного явления между
шестерней стартера и его якорем устанавливается обгонная муфта, которая
отключает стартер от двигателя, как только частота вращения коленчатого вала
начинает превышать частоту вращения вала стартера.
Электродвигатель стартера.
В недавнем прошлом в стартере применялся электродвигатель постоянного
тока с последовательным возбуждением, характеризуемый высокой частотой вращения
без нагрузки, что поддерживает необходимую частоту вращения коленчатого вала
двигателя во время его пуска. Прогресс, достигнутый в сфере технологии
производства ферритов, позволяет использовать в стартерах электродвигатели с
возбуждением от постоянных магнитов, стойких к размагничиванию. Стартеры с
якорями, вращающимися с более высокими скоростями, но развивающими меньший
крутящий момент, имеют меньшие размер и массу. Для них становится возможным
увеличение передаточного отношения между двигателем и якорем стартера. Диаметр
зубчатого венца маховика не может быть увеличен и поэтому увеличение этого
передаточного отношения осуществляется путем использования дополнительной
передаточной ступени (стартеры с шестеренчатым редуктором) (смотреть рисунок
1.2).
Рисунок 1.2- Стартер с инерционным приводом
- выключатель стартера: 2 - пусковое реле; 3 - обмотка возбуждения; 4 -
зубчатый венец маховика двигателя; 5 - шестерня стартера с обгонной муфтой; 6 -
спиральные шлицы; 7 - якорь; 8 - аккумуляторная батарея
Виды стартерных приводов.
Инерционный привод, является самой простой формой шестеренчатого привода.
Обгонная муфта перемещается на валу якоря на спиральных шлицах при вращении
этого якоря. При включении стартера ненагруженный якорь начинает свободно
вращаться. При этом шестерня стартера и обгонная муфта еще не вращаются из-за
своей инерции и выталкиваются вперед по шлицам. Как только шестерня входит в
зацепление с зубчатым венцом маховика, она удерживается от вращения и
проталкивается вперед еще дальше до контакта со стопорным кольцом. В это время
крутящий момент от якоря электродвигателя стартера передается на двигатель
через обгонную муфту, шестерню стартера и зубчатый венец маховика.
Как только коленчатый вал начинает вращать шестерню стартера со
скоростью, превышающей скорость вращения якоря стартера, обгонная муфта
прерывает передачу усилия от двигателя на эту шестерню и препятствует ускорению
вращения якоря. При этом обгонная муфта и шестерня стартера перемещаются по
спиральным шлицам вала назад. Этот процесс разъединения шестерни стартера и
зубчатого венца маховика усиливается посредством возвратной пружины, которая
обеспечивает удержание шестерни в положение разъединения от двигателя при
неработающем стартере.
Стартеры с приводом предварительного включения (смотреть рисунок 1.3).
В стартерах такого типа зацепление шестерни стартера с зубчатым венцом
маховика двигателя обеспечивает соленоид, имеющий контакты включения
стартерного тока. При замыкании выключателя стартера ток поступает в обмотку Н
(смотреть рисунок 1.3), течет по цепи с последовательно включенными в нее
втягивающей обмоткой Е и электродвигателем стартера. Соленоид захватывает
обгонную муфту и шестерню и перемещает их вперед посредством рычага включения и
буферной пружины.
Рисунок 1.3- Стартер с приводом предварительного включения
- выключатель стартера; 2 - пусковое реле; 3 - обмотка возбуждения; 4 -
возвратная пружина; 5 - рычаг включения; 6 - зубчатый венец маховика двигателя;
7 - шестерня стартера с обгонной муфтой; 8 - буферная пружина; 9 - спиральные
шлицы; 10 - якорь; 11 - аккумуляторная батарея; Е, Н - обмотки
Если зубья шестерни оптимально входят во впадины между зубьями венца
маховика, контактный мостик пускового реле замыкает контакты и на
электродвигатель стартера начинает поступать полное напряжение. Если зубья
шестерни не сразу входят во впадины между зубьями венца маховика, рычаг
включения сжимает буферную пружину, контакты реле замыкаются и электродвигатель
проворачивает шестерню до тех пор, пока ее зубья не войдут в зацепление с
зубьями венца маховика и буферная пружина не сместит шестерню и обгонную муфту
вперед. При прекращении подачи тока к обмотке соленоида возвратная пружина
перемещает сердечник соленоида и шестерню вместе с обгонной муфтой в их
первоначальное положение.
Стартер с приводом предварительного включения (смотреть рисунок 1.4).
Рисунок 1.4- Стартер со скользящей шестерней
- выключатель стартера; 2 - управляющее реле: 3 - разобщающий рычаг; 4-
шестерня; 5 - зубчатый венец маховика; 6 - переключающий контакт; 7 - соленоид;
8 - сериесная обмотка; 9 - шунтовая обмотка; 10 - аккумуляторная батарея; Н, Е
- обмотки
При замыкании контактов выключателя стартера напряжение аккумуляторной
батареи поступает в цепь удерживающей обмотки Н (смотреть рисунок 1.4)
соленоида и управляющего реле. Реле начинает работать, но удерживается в первом
контактном положении (первая стадия) посредством разобщающего рычага и
фиксатора. Напряжение аккумуляторной батареи прикладывается к втягивающей
обмотке Е соленоида и шунтовой обмотке электродвигателя, которые соединены
между собой параллельно и последовательно с якорем. Стартер начинает вращаться,
но развивает только небольшой крутящий момент из-за высоких сопротивлений в
обмотках, соединенных последовательно с обмоткой якоря. Соленоид одновременно с
этим смещает шестерню стартера в направлении зубчатого венца маховика и вскоре
после окончания зацепления освобождается заблокированное управляющее реле,
которое сразу же перемещается во второе контактное положение (вторая стадия).
Пусковой ток начинает проходить через сериесную обмотку и якорь. Переключающий
контакт на соленоиде соединяет шунтовую обмотку параллельно якорю и сериесной
обмотке.
Виды обгонных муфт.
Обгонная муфта роликового типа представлена на рисунке 1.5.
Рисунок 1.5- Обгонная муфта роликового типа
- шестерня стартера; 2- наружная обойма муфты; 3- выемки роликов; 4-
ролик; 5- вал шестерни; 6- пружина; а- направление вращения
Стартеры небольшого и среднего размеров обычно снабжаются обгонными
муфтами, в которых ролики с помощью пружин отжимаются в клинообразные выемки
между наружной обоймой муфты и ее внутренней обоймой (валом шестерни). Когда
стартер начинает работать, крутящий момент усиливает эффект заклинивания роликов
и это-момент передается от наружной обоймы на вал шестерни. Когда крутящий
момент меняет свой знак на противоположный, ролики выходят из клинообразных
выемок, и шестерня начинает вращаться свободно.
Многодисковая обгонная муфта (смотреть рисунок 1.6).
Используется в стартерах грузовых автомобилей. Ведущий элемент с
наружными дисками соединен с якорем стартера, вал и шестерня стартера
принудительно соединены друг с другом. Внутренне диски размещены в направляющей
внутренней муфты, которая может перемещаться в радиальном направлении по
спиральным шлицам ведущего вала. В условиях отсутствия нагрузки диски сжимаются
пружиной с небольшой силой, что позволяет передавать через муфту только
незначительный крутящий момент. При увеличении нагрузки внутренняя муфта перемещается
спиральными шлицами в направлении нажимной пружины, сжимая ее, и обеспечивая
одновременно этим более сильное сжатие дисков. Многодисковая обгонная муфта
может передавать повышенный крутящий момент при увеличении нагрузки стартера.
Рисунок
1.6- Многодисковая обгонная муфта <#"565296.files/image007.gif">
Рисунок
1.7- Обгонная муфта с храповым механизмом
-
шестерня стартера; 2 - сухарь; 3 - радиальные зубья; 4 - разъединяющее кольцо;
5 - гайка полумуфты; 6 - пружина; 7 - спиральные шлицы; 8 - резиновый буфер; 9
- втулка; 10 - шлицы
Защита
стартера.
После
продолжительной работы стартера, например, при пуске двигателя в условиях
низких температур, он должен выключаться для охлаждения. В стартерах больших
размеров используются термовыключатели (встраиваемые в угольные щетки
электродвигателя). В стартерных системах с дистанционным управлением (на
автобусах с задним расположением двигателя, электрогенераторах, используемых в
аварийных ситуациях, дизельных двигателях тепловозов и т.п.) процесс пуска не
может всегда контролироваться водителем автомобиля.
Ошибки
при управлении такими операциями могут привести к повреждению стартера или
зубчатого венца маховика двигателя.
Реле
блокировки включения стартера. Это реле блокирует случайное включение стартера
при уже работающем двигателе и предотвращает слишком продолжительное действие
стартера после запуска двигателя. В качестве индикатора пуска двигателя
используется напряжение генератора, которое при этом возрастает. После
выключения зажигания генератор больше не создает нужного напряжения; в этом
случае таймер, встроенный в реле, блокирует любые попытки повторного включения
стартера в течение нескольких секунд.
Реле
повторного включения. Это реле предотвращает выполнение операций по запуску
двигателя, если шестерня все еще не вошла в зацепление с зубчатым венцом
маховика, но стартер остается включенным. Реле прерывает поступление тока в
обмотки.
Стартер автомобиля ВАЗ-2110 (смотреть рисунок 1.8) состоит из следующих
основных узлов и деталей: 1- контактный болт реле стартера; 2- вывод обмотки
реле; 3- удерживающая обмотка реле; 4- втягивающая обмотка реле; 5- якорь реле;
6- возвратная пружина реле; 7- пластинчатый рычаг; 8- щёткодержатель; 9- якорь
электродвигателя стартера; 10- полюс электродвигателя стартера; 11- планетарный
редуктор стартера; 12- привод стартера.
Стартер типа 5702.3708 предназначен для пуска двигателей, перечисленных в
таблице 1.1 и их модификаций, работающих при температуре окружающего воздуха от
минус (50±3)°С до (45±3)°С и влажности 90% при температуре (27±3)°С.
Стартеры выпускаются общеклиматического исполнения "0",
категории 2 по ГОСТ 15150.
Таблица 1.1-
Применяемость стартера типа 5702.3708 и его модификаций
|
Тип и исполнение стартера
|
Код ОКП
|
Тип автомобиля
|
|
5702.3708
|
45 7375
|
ВАЗ-2110 и их модификация
|
|
5712.3708
|
45 7375
|
ВАЗ-2108 , ВАЗ-2109 и их
модификация
|
|
5722.3708
|
45 7375 1693
|
ВАЗ-2123 и их модификация
|
Рисунок
1.8- Стартер типа 5702.3708 с редуктором
Стартер представляет собой двигатель постоянного тока с возбуждением от
постоянных магнитов, с электромагнитным реле, планетарным редуктором и муфтой
свободного хода, кратковременного режима работы, длительностью до 10 с. по ОСТ
37.0030084. Стартер питается от аккумуляторной батареи емкостью 44 А-ч и 55А-ч.
Номинальная мощность стартера при питании от аккумуляторной батареи
емкостью 44 А-ч не менее 1,45 кВт. Номинальная мощность стартера при питании от
аккумуляторной батареи емкостью 55 А-ч не менее 1,55 кВт.
Пусковая мощность стартера при питании от аккумуляторной батареи ёмкостью
44 А-ч не менее 0,7 кВт. Пусковая мощность стартера при питании от
аккумуляторной батареи ёмкостью 55 А-ч не менее 0,95 кВт.
Масса стартера не более 3,95 кг.
Степень защиты от проникновения посторонних тел и воды IP55 по ГОСТ 14254.
Исполнение по способу подавления радиопомех - неэкранированное.
Направление вращения вала стартера - левое со стороны привода.
Номинальное напряжение стартера 12 В.
Схема включения стартера на автомобиле ВАЗ-2110.
На автомобилях ВАЗ-2110 после внедрения контроллера типа МР 7.9.7 блокировка
стартера осуществляется выключением его после набора коленвалом ДВС заранее
заданной частоты вращения, которая контролируется датчиком. В этом случае,
когда частота вращения коленвала ДВС достигла определенной величины, если
контакты замка зажигания продолжают оставаться замкнутыми, стартер отключается
дополнительным реле.
Схема соединений системы электростартерного пуска двигателей автомобилей
ВАЗ-2110 изображена на рисунке 1.9. Схема содержит дополнительное реле типа
90.3747, обмотка которого включена последовательно с транзисторным ключом,
встроенным в контроллер системы ЭСУД (типа MP 7.9.7). После замыкания контактов реле зажигания (обмотка
реле зажигания не показана) обмотка дополнительного реле подключается одним
выводом к аккумуляторной батарее, а другим выводом к массе через открытый
транзисторный ключ контроллера. Дополнительное реле срабатывает и замыкает
контакты. После поворота ключа замка зажигания в положение "стартер"
замыкаются контакты замка зажигания (кл.50) и выводы обмоток тягового реле
через замкнутые контакты дополнительного реле и контакты замка зажигания
соединяются с аккумуляторной батареей. Силовые контакты тягового реле
замыкаются и подключают электродвигатель стартера к аккумуляторной батарее.
После запуска ДВС, при достижении коленвалом ДВС частоты вращения, около
750 мин-1, контроллер автоматически прерывает цепь питания обмотки
промежуточного реле работы стартера, закрывая транзисторный ключ. Контакты реле
размыкаются, выключая, стартер.
Рисунок 1.9- Схема включения стартера 2110-3708010 (5702.3708)
- стартер: 2 - монтажный блок; 3 - выключатель зажигания: 4 - генератор;
5 - аккумуляторная батарея: А - к главному реле, вывод «30»; В - к контакту
«50» контроллера; КЗ - реле включения стартера
2 Работы, выполняемые при ремонте автомобильных стартеров
.1 Ремонт автомобильного стартера
Основные неисправности, причины их возникновения и методы устранения
стартера представлены в таблице 2.1.
Таблица 2.1- Основные неисправности стартера
|
Неисправность
|
Причина неисправности
|
Метод устранения
|
|
При включении стартера
якорь не вращается, тяговое реле не срабатывает
|
Неисправна или полностью
разряжена аккумуляторная батарея
|
Зарядите или замените
батарею
|
|
Необычный шум стартера при
вращении якоря
|
Чрезмерный износ втулок
подшипников или шеек вала якоря
|
|
Неисправно реле включения
стартера
|
Зачистите контакты реле или
замените его
|
|
Обрыв в цепи питания
обмотки реле включения стартера
|
Проверьте провода и их
соединения в цепи между штекером “50” выключателя зажигания и штекером “86”
реле
|
|
Неисправна контактная
часть выключателя зажигания (не замыкаются контакт “30” и контакт “50”)
|
Замените контактную часть
выключателя зажигания
|
|
|
|
|
Неисправность
|
Причина неисправности
|
Метод устранения
|
|
Межвитковое замыкание,
замыкание на массу или обрыв во втягивающей обмотке реле
|
Замените тяговое реле
|
|
Обрыв в проводах питания
тягового реле стартера
|
Проверьте провода и их
соединения в цепи: аккумуляторная батарея реле включения стартера штекер
“50” тягового реле
|
|
Заедание якоря тягового
реле
|
Снимите реле и добейтесь
легкости перемещения якоря
|
|
При включении стартера
якорь не вращается или вращается слишком медленно, тяговое реле не
срабатывает
|
Неисправна или разряжена
аккумуляторная батарея
|
Зарядите или замените
батарею
|
|
Окислены полюсные выводы
аккумуляторной батареи; окислены и слабо затянуты наконечники проводов
|
Очистите полюсные выводы и
наконечники проводов; последние затяните и смажьте вазелином
|
|
Ослабло крепление наконечников
провода, соединяющего силовой агрегат с кузовом
|
Подтяните крепление
наконечников провода
|
|
Окислены контактные болты
тягового реле или ослабли гайки крепления наконечников проводов на контактных
болтах
|
Зачистите контактные болты,
затяните гайки крепления проводов
|
|
Подгорание коллектора,
зависание щеток или их износ
|
Зачистите коллектор,
замените щетки
|
|
Неисправность
|
Причина неисправности
|
Метод устранения
|
|
Обрыв или замыкание в
обмотках статора или якоря
|
Замените статор или якорь
|
|
При включении стартера
тяговое реле многократно срабатывает и отключается
|
Разряжена аккумуляторная
батарея
|
Зарядите батарею
|
|
Обрыв или замыкание в
удерживающей обмотке тягового реле
|
Замените тяговое реле
|
|
Большое падение напряжения
в цепи питания тягового реле изза сильного окисления наконечников проводов
|
Проверьте провода и их
соединения в цепи от аккумуляторной батареи до штекера “50” стартера
|
|
При включении стартера
якорь вращается, маховик не вращается
|
Пробуксовка муфты
свободного хода
|
Проверьте стартер на стенде,
замените муфту
|
|
Поломка рычага включения
муфты или выскакивание его оси
|
Замените рычаг или
установите на место его ось
|
|
Поломка поводкового кольца
муфты или буферной пружины
|
|
Необычный шум стартера при
вращении якоря
|
Чрезмерный износ втулок
подшипников или шеек вала якоря
|
Замените стартер или картер
сцепления
|
|
Ослабло крепление стартера
или поломка его крышки со стороны привода
|
Подтяните гайки крепления
или отремонтируйте стартер
|
|
Стартер закреплен с
перекосом
|
Проверьте крепление
стартера
|
|
Ослабло крепление полюса
статора (якорь задевает за полюс)
|
Затяните винт крепления
полюса
|
Операции технического обслуживания стартера представлены в таблице 2.2.
Таблица 2.2- Операции технического обслуживания стартера
|
Наименование работ
|
Периодичность, тыс.км
|
|
10
|
20
|
30
|
40
|
60
|
|
Очистить и смазать детали
привода стартера
|
|
|
+
|
|
|
|
Проверить состояние
проводов, надежность их соединений и крепящих хомутов
|
|
+
|
|
|
|
|
Зачистить коллектор
стартера, проверить износ и прилегание щеток
|
|
|
|
+
|
|
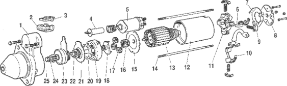
Разборка стартера.
Отверните гайку нижнего контактного болта тягового реле 5 (смотреть
рисунок 2.1) и отсоедините от него вывод обмоток статора. Отверните винты
крепления тягового реле и снимите его. Отсоедините якорь 4 реле от рычага
привода.
Выверните гайки стяжных шпилек 14 и отсоедините от корпуса статора заднюю
крышку 8 с щёткодержателем 11.
Отсоедините статор 12 с якорем 13 и опорой 15 вала якоря от крышки 1 со
стороны привода. Снимите с вала центральную шестерню 16 редуктора, выньте из
корпуса статора опору вала якоря, а затем якорь.
Снимите с водила планетарные шестерни 17, извлеките из крышки 1 вал 18 в
сборе с приводом 23, с опорой 21 и шестерней 19. Снимите с рычага
уплотнительную площадку 2 и кронштейн 3 рычага.
Для снятия привода с вала внимите стопорное кольцо 25, расположенное под
ограничительным кольцом 24. Затем снять опору 21 вала привода, уплотнительное
кольцо 20 и шестерню 19.
Рисунок 2.1- Детали стартера с планетарным редуктором
- передняя крышка; 2 - уплотнительная прокладка; 3 - кронштейн рычага; 4
- якорь реле; 5 - реле стартера; 6 - "отрицательная" щетка; 7 -
прокладка; 8 - задняя крышка; 9 - фиксатор щетки; 10 -"положительные"
щетки в сборе с соединительной шиной; 11 - щеткодержатель; 12 - корпус статора;
13 - якорь стартера; 14 - шпилька; 15 - опора вала якоря; 16 - центральная
шестерня; 17 - планетарная шестерня; 18 - вал привода с водилом; 19 - шестерня
с внутренним зацеплением; 20- уплотнительное кольцо; 21 - опора вала привода с
вкладышем; 22 - стопорное кольцо; 23 - привод; 24 - ограничитель хода шестерни;
25 - стопорное кольцо.
Для разборки тягового реле отверните винты крепления крышки, отпаяйте
вывод обмотки от штекера “50” и снимите крышку реле.
После разборки продуйте детали сжатым воздухом и протрите.
Дефектация.
Не допускаются: сколы, деформация и трещины деталей, раковины, риски и
задиры рабочих поверхностей, повреждение или потемнение от перегрева
изоляции
обмоток, повреждение резьбы более 1-2 витков.
Шестерня должна проворачиваться относительно ступицы муфты только
в одном направлении. Зубцы шестерни должны быть без сколов и задиров.
Обмотка якоря не должна иметь замыкания на "массу" (при
проверке мегомметром сопротивление между пластинами коллектора и сердечником
якоря должно быть более 10 кОм). Шлицы и цапфы вала якоря должны быть без
задиров и забоин. Винтовые шлицы вала якоря и зубцы шестерни вала якоря должны
быть без сколов и забоин. Параметры якоря приведены в таблице 2.3.
Таблица 2.3- Параметры якоря
|
Параметр
|
Тип якоря
|
|
2110 21213
|
|
Биение поверхности
сердечника, не более, мм
|
0,08
|
|
Биение коллектора, не
более, мм
|
0,05
|
|
Диаметр вала под втулку
передней крышки (опоры), не менее, мм
|
11,05
|
|
Диаметр вала под шестерню
привода, не менее, мм
|
-
|
|
Диаметр коллектора, не
менее, мм
|
30.00
|
Щеткодержатели положительных щеток не должны иметь замыкания на
"массу". Щетки должны свободно, без заеданий передвигаться в пазах
щеткодержателей. Остаточная высота щеток не менее 3,5 мм, диаметр втулки задней
крышки под вал якоря не более 12 мм.
Реле стартера имеет две обмотки: втягивающую (последовательную) и
удерживающую (параллельную). Сопротивления обмоток: втягивающей - 0,2-0,3 Ом,
удерживающей - 0,8-0,9 Ом. Сопротивление втягивающей обмотки измерять менаду
штекером "50" и нижним контактным болтом, сопротивление удерживающей
обмотки - между штекером "50" и корпусом реле. Якорь реле должен
свободно перемещаться. При необходимости болты в месте контакта зачистить
плоским бархатным напильником.
Винтовые шлицы вала привода (смотреть рисунок 2.2) должны быть без сколов
и забоин. Параметры вала приведены в таблице 2.4.
Рисунок 2.2- Вал привода с водилом
Таблица 2.4- Параметры вала привода с водилом
|
Параметр
|
Значение
|
|
а
|
- диаметр штифта водила под
планетарные шестерни, не менее, мм
|
4,95
|
|
в
|
- диаметр вата под втулку
опоры капа привода, не менее, мм
|
16,45
|
|
с
|
- диаметр вала под шестерню
привода, не менее, мм
|
11,95
|
|
d
|
- диаметр вала под втулку
передней крышки, не менее, мм
|
11,95
|
Параметры опоры 2110 вала якоря и опоры 2110 вала привода приведены в
таблице 2.5
Таблица 2.5- Параметры опоры 2110 вала якоря и опоры 2110 вала привода
|
Параметр
|
Значение
|
|
Внутренний диаметр втулки
опоры вала якоря, не более, мм
|
11,15
|
|
Внутренний диаметр втулки
опоры вала привода, не более, мм
|
16,55
|
Осевой ход вала стартеров 2101-3708000-02 и 2108-3708010 должен быть в
пределах 0,07 - 0,7 мм. При сборке стартера регулировку осевого хода
производить подбором количества регулировочных шайб 10, рисунок 2.2.
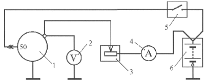
Для проведения стендовой проверки стартеров собрать схему согласно
рисунок 2.3.
Рисунок 2.3- Схема соединений для стендовой проверки стартера
- стартер; 2 - вольтметр постоянного напряжения с пределом шкалы
измерений от 0 до 20...30 В; 3 - реостат на 800 А; 4 - амперметр с шунтом на
1000 А; 5 - выключатель; 6 - аккумуляторная батарея.
При этом соединительные провода от контактного болта тягового реле
стартера 1 к реостату 3 и к амперметру 4 должны иметь сечение не менее 16 мм2.
Аккумуляторная батарея должна быть полностью заряжена. Допускается вместо
аккумуляторной батареи использовать источник тока, характеристика падения
напряжения которого при нагрузке соответствует характеристике падения
напряжения аккумуляторной батареи. При замерах потребляемого тока стартера на
холостом ходу напряжение, контролируемое по вольтметру должно быть в пределах
11,5 - 12В.
При замерах параметров в режиме полного торможения тормозной момент
должен быть не менее 13,7 Н.м (1,37 кгс.м), для стартера 21045-3708010 -
не менее 19,6 Н.м (1,96 кгс.м).
Время включения стартера должно быть не более 5 с. Интервалы времени
между включениями должны быть не менее 5 с. Ток потребления, напряжение и
частота вращения вала привода стартера должны соответствовать данным таблицы
2.6.
Таблица 2.6- Техническая характеристика стартера 5702.3708
|
Параметр
|
Величина
|
|
Тип
|
5702.3708
|
|
Номинальная мощность, кВт
|
1,55
|
|
Сила потребляемого тока при
максимальной мощности, не более, А
|
375
|
|
Сила потребляемого тока в
заторможенном состоянии, не более, А
|
700
|
|
Сила потребляемого тока на
холостом ходу, без реле, не более, А
|
80
|
При тормозном моменте менее 13,7 Н-м и силе тока потребления более
указанной в таблице 2.6, причинами отклонений может быть замыкание обмоток
якоря или статора на массу или межвитковое замыкание обмоток. При тормозном
моменте и силе тока потребления менее указанных, причинами отклонений может
быть окисление или загрязнение коллектора, большой износ щеток, окисление или
подгорание контактных болтов тягового реле.
Для проверки стартеров рекомендуется использовать контрольно-
испытательные стенды типа Э240 ГАРО, Э242 ГАРО, S-2B (Польша).
Проверка технического состояния деталей.
Якорь. Проверьте мегомметром или с помощью лампы, питаемой напряжением
220В, вероятность замыкания обмотки якоря на массу. Напряжение через лампу
подводится к пластинам коллектора и сердечнику якоря. Горение лампы указывает
на замыкание обмотки или пластин коллектора с массой. При проверке мегомметр
должен показывать сопротивление не менее 10 кОм. Якорь, замыкающий на “массу”,
замените.
Специальным прибором проверьте вероятность замыканий между секциями
обмотки якоря или пластинами коллектора, а также наличие обрывов в месте
припайки выводов секций обмотки к пластинам коллектора.
Осмотрите рабочую поверхность коллектора. Если она загрязнена или
пригорела - зачистите ее мелкозернистой шлифовальной шкуркой. Проверьте биение
сердечника относительно цапф вала. Если оно больше 0,08 мм - замените якорь.
Проверьте состояние поверхностей шлицев и цапф вала якоря. На них не должно
быть задиров, забоин и износа. Если на поверхности вала появились следы желтого
цвета от втулки шестерни -удалите их мелкозернистой шлифовальной шкуркой и
отполируйте, так как они могут стать причиной заедания шестерни на валу.
Привод. Привод стартера должен свободно, без заметных заеданий
перемещаться на валу якоря. Шестерня должна проворачиваться относительно вала
якоря в направлении вращения якоря под действием момента не более 0,17 Н×м (1,8 кгс×см). В обратном направлении шестерня
проворачиваться не должна. Если на заходной части зубьев шестерни имеются
забоины, то подшлифуйте их мелкозернистым наждачным кругом малого диаметра.
Если детали привода повреждены или значительно изношены - замените привод
новым.
Крышки. Проверьте появление трещин на крышках. Если они имеются -
замените крышки новыми. Проверьте состояние втулок задней крышки и картера
сцепления. Если они изношены - замените заднюю крышку и картер сцепления.
Проверьте надежность крепления щеткодержателя на задней крышке.
Щеткодержатели положительных щеток не должны иметь замыкания на “массу”, а
щетки должны свободно перемещаться в пазах щеткодержателей. Щетки, изношенные
по высоте до 12 мм, замените новыми.
Тяговое реле. Перемещение якоря реле должно быть легким. Проверьте
омметром замыкание контактных болтов реле контактной пластиной. Если контактные
болты не замыкаются - разберите реле и зачистите болты и пластину
мелкозернистой шкуркой или плоским бархатным напильником. При значительном
повреждении контактных болтов в месте соприкосновения с контактной пластиной
можно повернуть болты на 180°.
Ремонт стартера заключается в дефектации и замене неисправной детали.
При ремонте стартера для пайки использовать мягкий припой ПОС 40 ГОСТ
-76, в качестве флюса применять канифоль ГОСТ 19113-84, для защиты
пропаянного соединения использовать лак типаУР-231 ТУ 6-21-14-90.
Сборка стартера производится в порядке, обратном разборке. Перед сборкой
стартера винтовые шлицы вала якоря (привода), втулки крышек и опор, шестерню
привода смазать моторным маслом. Поводковое кольцо привода и шестерни
планетарного редуктора смазать консистентной смазкой Литол-24.
Подбором регулировочных шайб 14 (рисунок 2.2) обеспечьте осевой свободный
ход якоря не более 0,5 мм. После сборки проверьте стартер на стенде.
.2 Требуемое оборудование
Технологическое оборудование электротехнического участка, необходимое для
ремонта стартера представлено в таблице 4.
Таблица 4- Технологическое оборудование электротехнического участка
Планировка электротехнического участка, на котором выполняется ремонт
генератора, приведена на рисунке 11.

.3 Расчет площади электротехнического участка
Площадь производственного участка FУ, м2, вычисляют по формуле (1)
(1)
где
FОБ- площадь технологического оборудования участка,
принимаем согласно таблицы 4, FОБ=12,86 м2;
КП - коэффициент плотности расстановки постов и оборудования. Принимаем
для электротехнического участка КП =4,0
Принимаем площадь участка FУ=54
м2.
.4 Технологический процесс
Схема технологического процесса ремонта стартера до усовершенствования
показана на рисунке 12
Рисунок 12- Схема технологического процесса ремонта стартера до
усовершенствования
3 Совершенствование технологического процесса ремонта автомобильного
стартера
Биение якоря стартера может вызвать не только появление дополнительного
шума при работе стартера, но и более серьезные последствия из-за задевания
якоря о статор.
Усовершенствуем технологический процесс ремонта стартера в следующем:
введем измерение биения якоря стартера;
при биении от 0,08 мм до 0,1 мм восстанавливаем шейку вала стартера
методом железнения (осталивания);
при биении от 0,1 до 0,15 мм отшлифуем шейку под ремонтный размер, при
этом ремонтную втулку подшипника скольжения запрессуем в крышку стартера со
стороны привода и развернем под соответствующий ремонтный размер шейки вала;
при биении более 0,15 мм произведем ремонт шейки методом постановки
ремонтной детали на шейку вала.
Восстановление деталей электролитическими покрытиями (железнением или
осталиванием) заключается в нанесении на изношенную поверхность детали металла
путем электролиза.
Сущность процесса состоит в следующем: подлежащая восстановлению деталь,
подсоединенная к отрицательному электроду (катоду), помещается в ванну,
наполненную электролитом, через который при помощи электродов, подсоединенных к
источнику тока, проходит постоянный ток. При этом на катоде осаждается металл и
выделяется водород.
Технологический процесс состоит из трех этапов: подготовки детали к
нанесению покрытия (механическая обработка для придания поверхности правильной
формы и требуемой чистоты, удаление наклепанного слоя, изоляции мест, не
подлежащих покрытию, химическое и электролитическое обезжиривание); нанесения
слоя металла; обработки детали, после нанесения слоя металла (промывка, снятие
с подвесок, удаление изоляции, сушка).
Осталивание по сравнению с другими видами электролитических покрытий
(например, хромированием) отличается высокой производительностью и экономичностью
и характеризуется следующими данными: толщина осаждаемого слоя до 3 мм,
скорость осаждения металла 0,4-0,5 мм/ч, что в 15-20 раз выше скорости
осаждения хрома, выход по току в 7-8 раз выше, чем при хромировании, высокая
прочность сцепления со сталью и чугуном. Твердость покрытия в зависимости от
состава электролита и режима процесса находится в пределах НВ 120-650.
В состав электролита входят недорогие и недефицитные материалы.
В процессе электролиза необходимо контролировать плотность электролита и
при необходимости корректировать его. При осталивании применяются растворимые
аноды из малоуглеродистой стали толщиной 5-6 мм. Для уменьшения засорения
электролита шлаком, образующимся при растворении анодов, их помещают в чехлы из
стеклоткани. Нанесение покрытия на небольшие детали простой формы ведется в
металлических ваннах, футерованных углеграфитовыми или керамическими плитами на
кислотостойкой замазке. Ванны оборудуют устройствами для фильтрации электролита
(бак-отстойник, фильтры, центробежный насос), вытяжной вентиляцией для отводов
газов и пара, обильно образующихся при горячем осталивании. Так как на качество
покрытия в значительной мере сказывается колебания температуры электролита,
ванны оборудуют приспособлениями для перемешивания электролита и автоматами для
поддержания заданной температуры.
Для нейтрализации соляной кислоты после осталивания деталь промывают в
10%-ном растворе каустической соды при температуре 80 °С, а затем в горячей
воде.
Схема установки для электролитического осаждения металла показана на
рисунке 13.
Рисунок
13- Схема установки для электролитического осаждения металла
-
ванна; 2 - электроды; 3 - деталь; 4 - электролит
Схема
технологического процесса ремонта стартера после усовершенствования
представлена на рисунке 14.
Рисунок
14- Схема технологического процесса ремонта стартера после усовершенствования
Заключение
В
курсовом проекте рассмотрен технологический процесс ремонта автомобильного стартера,
а так же усовершенствование данного технологического процесса.
Технологический
процесс ремонта стартера заключается в его проверке на испытательном стенде,
проверке его отдельных частей - тягового реле, якоря, редуктора, механизма
привода, задней крышки с эл.щетками и при их замене на новые (исправные) в
случае необходимости.
Проведено
усовершенствование технологического процесса ремонта стартера:
ввели
измерение биения якоря стартера;
при
биении от 0,08 мм до 0,1 мм восстанавливаем шейку вала стартера методом
железнения (осталивания);
при
биении от 0,1 до 0,15 мм отшлифуем шейку под ремонтный размер, при этом
ремонтную втулку подшипника скольжения запрессуем в крышку стартера со стороны
привода и развернем под соответствующий ремонтный размер шейки вала;
при
биении более 0,15 мм произведем ремонт шейки методом постановки ремонтной
детали на шейку вала.
Проведенные
усовершенствования позволяют продлить срок службы стартера и снизить
себестоимость ремонта.
автомобильный стартер
ремонт
Список литературы
1. Акимов С.В., Боровских Ю.И., Чижков Ю.П. Электрическое и
электронное оборудование автомобилей.- М.: Машиностроение, 1988, 126 стр.
2. Власов, В.М. Техническое обслуживание и ремонт
автомобилей. Учебник для студ. учреждений сред. проф. образования / В.М.
Власов, С. В. Жанказиев, С.М. Круглов. - М.: Академия, 2003. - 480 с.
3. ГОСТ 7.1 - 2003 Библиографическая запись.
Библиографическое описание.
. Епифанов, Л.И. Техническое обслуживание и ремонт
автомобилей: учебное пособие (Профессиональное образование) / Л.И. Епифанов,
Е.А. Епифанова. - М.:ИД «ФОРУМ»: ИНФРА-М, 2009. - 352с. ил.
5. Литвиненко В.В. Электрооборудование автомобилей ВАЗ.- М.:
за рулём, 1995, 98 стр.
6. Напольский, Г.М. Технологическое проектирование
автотранспортных предприятий и станций технического обслуживания. Учебник для
вузов / Г.М. Напольский. - М.: Транспорт, 1993. - 271 с.
7. Общесоюзные нормы технологического проектирования
предприятий автомобильного транспорта ОНТП-01-91 / РОМАВТОТРАС, 91 с.
8. Ютт В.Е. Методы и средства диагностики электрооборудования
автомобилей.- М.: Высшая школа, 1974, 199 стр.