|
Наименование
показателей
|
Значение
|
|
Тип катка Масса
катка, т эксплуатационная конструктивная Мощность двигателя
(эксплуатационная), кВт Марка двигателя Удельный расход топлива (при
эксплуатационной мощности), г (кВт·ч) Диаметр вальцов, мм Ширина уплотняемой
полосы, мм Рабочая скорость, км/ч Линейное давление вальца, Н/м (кгс/см)
Частота вращения вала вибровозбудителя, об/мин (Гц) Вынуждающая сила, кН Тип
трансмиссии Максимальный преодолеваемый подъем на уплотненном покрытии, град
Угол поперечной устойчивости, град Минимальный радиус поворота катка, м Габаритные
размеры, мм длина ширина высота с тентом высота без тента Запас топлива, ч
База катка, мм
|
Вибрационный
двухосный двухвальцовый 6,5 6,0 47,8 «DEUTZ» F 4L2011 не более 255 1070 1500
0…10,5 24000 (24) 3000 (50) 57 Гидрообъемная не менее 17 не менее 15 5,8 4100
1850 3050 2150 не менее 10 3000
|
2.
Расчет основных параметров
2.1 Выбор основных параметров катка
Выбор геометрических параметров
Основными параметрами катка являются: G-вес катка, q - линейное давление,
Д-диаметр вальца, В-ширина вальца.
Для двухвальцовых катков в связи с поворотами ширина вальцов
не может быть выбрана излишне большой, так как в противном случае на
поверхности появляются дефекты, обычно ширина вальца не более 1500 мм.
Для расчетов принимаем ширину вальца - В=1500 мм.
Исходя из соображений устойчивости принимаем
Диаметр вальца - 
Определяем силу тяжести, приходящуюся на один валец:
;
G1 = 0,4·6500∙9,8
= 25480 Н;
Выбор основных параметров вибратора
Линейное давление выбираем исходя из вида уплотняемого грунта;
принимаем линейное давление для уплотнения асфальтобетона равным
.
Относительную величину возмущающей силы назначаем с учетом
неравенства
,
где
- вес колеблющихся частей катка, Н.
Принимаем массу колеблющихся частей 
,
тогда 

.
При таком соотношении между Р и Q амплитуда колебаний вальца
самоходного катка находится в пределах а = 0,3 - 0,7 мм. Следует заметить, что
при а = 0,3-0,7 мм вибровалец работает практически без отрыва от уплотняемой
среды, а при большей амплитуде наблюдается отрыв катка и переход в режим
вибротрамбования. При излишне больших амплитудах колебаний наблюдается потеря
тяговой способности и боковой устойчивости.
Принимаем амплитуду колебаний а = 0,7 мм
Для самоходных виброкатков рекомендуется частота 50-70 Гц.
Дальнейшее увеличение частоты ограничивается техническими возможностями
создания надежной и долговечной конструкции вибратора катка.
С другой стороны возбуждающая сила виброэлемента в каждый момент
времени равна проекции на вертикальную ось центробежной силы, которая
развивается при вращении дебаланса, а амплитудное значение возбуждающей силы Р
равно центробежной силе, т.е.
где
- масса дебаланса, кг;
- угловая скорость вращения; r=0.06 м -
эксцентриситет, т.е. радиус вращения центра тяжести массы дебаланса (исходя из конструкции
вибровальца).
Отсюда найдем массу дебаланса:
Статический момент дебаланса:
Для дебаланса выбираем Сталь 3.
Технические характеристики Стали 3:
Плотность стали - (7,7-7,9)
;
Предел прочности стали при растяжении - 38-42 кг/мм2
Зная плотность и массу, можем найти объем дебаланса.
Ширину дебаланса b также берем конструктивно:=400 мм.
Диаметр дебаланса находим, пользуясь формулой, объема цилиндра:
Расчет виброизоляции
При расчете резиновых изоляторов определяют высоту резины,
поперечные размеры и число виброизоляторов.
Высоту резинового слоя примем равной:
Для прямоугольных амортизаторов:
Тогда:
Площадь поперечного сечения амортизатора:
Суммарная площадь поперечного сечения амортизаторов
Где:- масса подрессорной части, кг
Количество амортизаторов:
2.2 Тяговый расчет
Определяем общее сопротивление передвижению катка:
;
где W1 - сопротивление передвижению катка как тележки,
с учетом преодоления уклонов;2 - сопротивление от преодоления сил
инерции при трогании катка с места;3 - сопротивление движению катка
на поворотах, возникающее вследствие затрудненности вращению вальцов катка при
их повороте.
W4 -
сопротивление от трения в подшипниках
Определяем сопротивление передвижению катка как тележки:
где f = 0,05 коэффициент сопротивления
перемещению катка;
i = 0,08 - уклон;
кб = 1,1 коэффициент учитывающий увеличение
коэффициента сопротивления качению при работе с вибратором
W1=63700Ч(0.05+0.08)Ч1.1=9109,1
Н
Определяем сопротивление от преодоления сил инерции при трогании
катка с места:
где V = 2,2 км/ч = 0,61 м/c - рабочая скорость движения катка;
t = 2 c-время разгона;
Определяем сопротивление движению катка на криволинейных участках:
к1·G1;
где к1 = 0,2 - коэффициент сопротивления для плотной
поверхности;

4 -
сопротивление от трения в подшипниках
W4=k*G
Таким образом, общее сопротивление передвижению катка будет:

Определим силу тяги катка по сцеплению:
где φсц =0,5 - коэффициент сцепления;

Для нормальной работы катка необходимо, чтобы выполнялось условие:
Проверяем выполнение условия для нормальной работы катка:
31850≥17659.85
2.3 Баланс мощности
Мощность необходимая для работы катка определяется по формуле:
где N1 - мощность необходимая на привод хода;
N2 -
мощность необходимая для привода вибратора;
Мощность необходимая на привод хода определяется по формуле:
где ηобщ - общий КПД привода;
Общий КПД привода определяется по формуле:
ηобщ = ηред· ηром· ηг.пр;
где ηред = 0,9 - КПД редуктора привода хода;
ηром = 0,95 - КПД редуктора отбора мощности;
ηг.пр = 0,8 - КПД гидропривода;
ηобщ = 0,9 · 0,95·0,8 = 0,68;
Таким образом, мощность на привод хода будет:

Мощность, необходимая для привода вибратора:
где: Nпк - мощность необходимая для сообщения уплотняемому
материалу колебаний;
Nпт -
мощность необходимая на преодоление сил трения в опорах;
Nр -
мощность необходимая для разгона дебалансов;
Мощность на поддержание колебаний определяется по формуле:
где a = 0,7 мм - амплитуда колебаний;
ω - угловая скорость вращения;
β = 120 - коэффициент вязкости
уплотняемого материала;
Угловую скорость определяем по формуле:
где n = 3300 об\мин - частота вращения вала
вибровозбудителя;
с-1;
Таким образом мощность на поддержание колебаний будет:
кВт;
Определяем мощность, необходимую на преодоление трения в цапфах:
где f = 0,06 - коэффициент трения качения подшипников;= 58,310 кН
- вынуждающая сила;
r = 60 мм радиус вала;
Определяем мощность, необходимую для разгона дебалансов:
где I - момент инерции;= 2с - время разгона дебалансов;
Таким образом:
Двигатель, установленный на прототипе,
не обеспечивает необходимую мощность. Для проектируемого катка выбираем:F4L913
56 2350
Количество цилиндров двигателя: 4, шт.;
Эксплуатационная мощность: 64, кВт; Частота оборотов двигателя:
2350, об/мин; Крутящий момент / обороты: 264/1450, Нм (об/мин).
2.4 Расчет производительности катка
В=1500 мм - ширина укатываемой полосы
а=200 мм - величина перекрытий следа предыдущего прохода
vср=2 км/ч
- средняя скорость движения
n=8 - Число проходов катка по одному месту n=8
Тогда:
Тогда: 
.
3. Прочностные расчеты
.1 Расчет на прочность деталей подвески направляющего вальца
Производится по наибольшим усилиям, возникающим при наезде края
направляющего вальца на препятствие. Схема сил действующим в этом случае
показана на рис. 3.1. Толкающее усилие, передаваемое на направляющий валец от
рамы катка, принимаем равным усилию, развиваемому двигателем катка при
движении.
Тогда это усилие окажется равным (в кН)
,
где N - мощность двигателя, кВт;
- скорость движения катка на первой
передаче, м/с;
- к. п. д. трансмиссии катка.
Реакция препятствия на направляющий валец:
,
где
- коэффициент динамичности;
-радиус направляющего вальца, r1 =0,7 м;
-высота препятствия,
=0,8 м.
При расчете на прочность опасными сечениями являются А-А и Б-Б
(рис 3.1). В этом случае болты в рассматриваемых усилиях рассчитаем на срез.

Рассмотрим сечение А-А.
Окружное усилие, передаваемое болтом, связанно с силой реакции
препятствия R соотношением:
Напряжения среза, возникающие в продольном сечении штифта:
[
]=195 МПа,
[τcp]=0,35∙195=68,25 МПа
1,25МПа≤68,25МПа
Рассмотрим сечение Б-Б.
Окружное усилие, передаваемое болтом, связанно с силой реакции
препятствия R соотношением:
Напряжения среза, возникающие в продольном сечении штифта:
[
]=195 МПа,
[τcp]=0,35∙195=69 МПа, то:
5,9МПа≤69МПа
Условие прочности выполняется.
каток прочность самоходный вибрационный
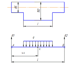
3.2 Расчет дебалансного вала вальца виброкатка
Риc.3.2 Приложение нагрузок на дебалансный
вал
L=0,200 м
l=0,180 м
Для расчета представим вал, балкой на двух опорах с распределенной
нагрузкой q, приложенной к центру.
Крутящий момент на
валу:
Распределенная нагрузка на валу:
Определение опорных реакций
Сумма моментов относительно т.А
Так как вал симметричен и нагрузка распределенная приложена к
центру, то:
Опасным сечением вала является сечение в т.С, где приложена
возмущающая сила
Изгибающий момент в т.С:
Нормальные напряжения в т.С:
Касательные напряжения в т.С:
Эквивалентное напряжение (по третьему условию прочности):
Условие прочности:
Условие прочности выполняется.
3.3 Проверка прочности и жесткости вала при вынужденных колебаниях
Условие прочности и жесткости вала при вынужденных колебаниях:
σg,
ωg - соответственно максимальное напряжение
и прогиб вала при вынужденных колебаниях.
σct,
ωct - соответственно максимальные напряжения
и прогиб вала при статической нагрузке ω0.
Kg - динамический коэффициент при вынужденных
колебаниях.
ω0 - собственная частота колебаний вала.
Коэффициент нарастания без учета сил сопротивления:
Коэффициент динамичности:
Тогда
Условие прочности выполняется.
Определяем прогиб от динамической нагрузки:
4. Расчеты на устойчивость
4.1 Расчет продольной устойчивости катка по условию опрокидывания
При продольных уклонах движение катка может оказаться невозможным
как следствие его опрокидывания, так и ввиду недостаточного сцепления ведущего
вальца с поверхностью. Недостаток в сцеплении возникает ввиду перераспределения
нагрузок между осями при движении на уклон.
Проверку обычно лучше всего вести путем определения максимального
угла уклона α, при
котором начинается опрокидывание.
С увеличением угла уклона сцепление вальцев ухудшается, что
объясняется снижением нагрузки на ведущий валец.
Рис. 4.1. Схема расчета продольной устойчивости катка

(1)
Максимальное тяговое усилие может быть найдено из условия
сцепления
, где
- коэффициент сцепления
После подстановки этого выражения в уравнение (1) можно получить
φсц =0,15 (для
асфальтобетона), тогда
откуда αmax=530.
4.2 Расчет продольной устойчивости катка по условию обеспечения
сцепления
Из уравнения моментов сил относительно точки А, расположенной на
контакте вибровальца с поверхностью грунта, можно определить реакцию на ведущем
вибровальце в виде:

Максимальное тяговое усилие, которое может быть реализовано при
движении машины на уклон, характеризующееся тем максимальным углом
при котором сцепление ведущего вальца еще
не нарушается и может быть найдено как:

(1)
С другой стороны, необходимое для движения машины тяговое усилие
найдется как:
(2)
где
- коэффициент сопротивления движению (для
асфальтобетона
).
Из уравнений (1) и (2) можно получить, что
Вибровалец φсц =0,15 (для асфальтобетона)
откуда
При больших углах движение самоходной машины из-за недостатка ее
сцепления станет невозможным.
4.3 Расчет поперечной устойчивости катка
Поперечную устойчивость машины при движении по косогору следует
проверять предполагая одновременный ее поворот. Развивающаяся при повороте
инерционная сила также способствует ее опрокидыванию.
Рис. 4.2. Схема расчета поперечной устойчивости катка
Эта сила может быть определена как:
Уравнение равновесия относительно точки А будет иметь вид:
или
Из этого уравнения и может быть определено максимально допустимое
значение угла косогора 
. Шарнирно-сочлененные машины, а также машины, устроенные на базе
одноосных тягачей, могут опрокидываться во время их поворота и на
горизонтальной поверхности в связи с работой на больших скоростях, но катки
двигаются с гораздо меньшими скоростями, поэтому проверка на устойчивость для
этого случая не обязательна.
Список литературы
1.
Дорожные машины. (Н.Я. Хархута, М.И. Капустин, В.П. Семенов, И.М. Эвентов 1976
г.)
.
Машины для уплотнения грунтов. (Н.Я. Хархута 1973 г.)
.
Строительные и дорожные машины. Машины для уплотнения грунтов и
асфальтобетонных смесей. (В.П. Ложечко, А.А. Шестопалов 2006 г.)
.
Вибрационные машины. (М.П. Зубанов 1964 г.)