Модернизация платформы 13-9004
Тема:
“Модернизация платформы 13-9004”
СОДЕРЖАНИЕ
Введение
.
Общее устройство вагона. Принципиальные конструктивные решения основных узлов
1.1 Обзор
и анализ вагонов проектируемого типа
1.2 Конструктивная
схема, технико-экономические параметры и линейные размеры вагона
.3
Вписывание вагона в габарит
.4
Кузов вагона
.5
Ходовые части вагона
.6
Автосцепное оборудование
.7
Тормозное устройство
.
Расчет кузова вагона на прочность
.1
Материалы и допускаемые напряжения
.2
Расчет на вертикальные нагрузки
.3
Расчет на продольные нагрузки
.4
Расчет на ремонтные нагрузки
.
Расчет ходовых частей вагона
.1
Определение основных размеров колесной пары. Расчет оси и колеса
.2
Буксовый узел
.3
Выбор буксовых подшипников
.4
Расчет рессорного подвешивания
.5
Гасители колебаний
.6
Установление параметров гасителей колебаний
.7
Анализ конструктивных особенностей тележки
.8
Расчет элементов тележки 18-100
.
Расчет автосцепного устройства вагона
.1
Расчет поглощающего аппарата
.2
Расчет автосцепки
.3
Расчет деталей упряжи
.
Разработка модернизации
Список
использованных источников
ВВЕДЕНИЕ
вагон нагрузка
эксплуатационный модернизация
Железнодорожный транспорт является основным
видом транспорта Росси. Большое значение имеет рациональность конструкции
вагонов и их технико-экономических показателей, провозную способность дорог,
возможность широкого внедрения механизации и автоматизации при изготовлении и
ремонте вагонов, а также их эксплуатации.
Большую часть парка железнодорожных вагонов
составляют грузовые вагоны различных типов. Платформы служат для перевозки
длинномерных грузов, металлоконструкций, контейнеров, колесной и гусеничной
техники и других грузов, не требующих укрытия.
Цель курсового проектирования - на основе
имеющегося вагона-прототипа усовершенствовать его конструктивные элементы, что
позволило бы решить ряд проблем, связанных с его эксплуатацией.
Задачами курсового проектирования являются:
ознакомление с имеющимися аналогами заданного
вагона-прототипа;
изучение особенностей проектирования основных
узлов вагона;
анализ изменений конструкции и результатов
расчётов под воздействием нагрузок при различных эксплуатационных режимах;
разработка рекомендаций по модернизации
отдельных элементов вагона;
приобретение навыков по методике расчёта,
проектирования составных частей вагона с использованием ЭВМ.
1. ОБЩЕЕ УСТРОЙСТВО ВАГОНА.
ПРИНЦИПИАЛЬНЫЕ КОНСТРУКТИВНЫЕ РЕШЕНИЯ ОСНОВНЫХ УЗЛОВ
.1 Обзор и анализ
вагонов проектируемого типа
Платформы предназначены для
транспортировки длинномерных грузов, металлоконструкций, контейнеров, колёсной
и гусеничной техники, пакетированных и других грузов, не требующих укрытия, не
имеют стен и крыши. Они разделяются на универсальные и специальные. Кузов
универсальной платформы (рис.1, а) состоит из мощной рамы 1 с
настилом пола, боковых 2 и торцовых 3 бортов. Кузова
специализированных платформ могут быть безбортными., Например, кузов платформы
для транспортировки большегрузных контейнеров (рис. 1, б) не
имеет бортов и настила пола, но снабжён устройствами 1 для фиксации
контейнеров, укреплёнными на балках рамы 2.
Кузов платформы для
транспортировки легковых автомобилей (рис. 1, в) с двухъярусным полом имеет
нижнюю 1 и верхнюю 2 рамы с направляющими устройствами и колёсными
упорами. На нижнем и верхнем ярусах кузова размещаются 17 автомобилей
"Жигули" или "Запорожец", 10 "Москвичей" или 8
автомобилей "Волга".
Кузов платформы для перевозки
леса в хлыстах (рис. 1, г) также не имеет бортов и настила пола, но
оборудуется стационарными стойками 1, укреплёнными к боковым продольным
балкам рамы 2. Кузова сцепов таких платформ могут оборудоваться
поворотными кониками.
Для перевозки тяжеловесных
крупногабаритных грузов, не размещающихся на обычных платформах (мощные
трансформаторы, части гидравлических турбин, статоры и роторы генераторов
большой мощности, станины блюмингов и крупных станков, маховики и котлы
большого диаметра и др.), применяют специальные виды подвижного состава -
транспортёры различных типов. Кузова таких транспортёров имеют разнообразную
форму, а в зависимости от грузоподъемности - различные размеры. Кузов
платформенного типа транспортера (рис.1, д) имеет мощную раму с ровной
или опущенной в средней части погрузочной площадкой 1.
Рис.1. Конструктивные схемы платформ и
транспортёров
Своими концами 2 рама
опирается на многоосные ходовые части. Колодцевый тип транспортёра (рис. 9.25, е)
имеет раму с колодцем 1 посередине и концевыми элементами 2,
посредством которых она опирается на ходовые части. Колодец служит для
размещения выступающей части груза. Транспортёр сочленённого типа имеет
разъёмный кузов в виде несущих строений 1 и 3 (рис. 1, ж), между
которыми размещается груз 2, являясь частью кузова. В порожнем состоянии
строения 1 и 3 соединяют между собой, уменьшая длину
транспортёра, что является рациональным в эксплуатации.
Рис. 2. Кузов универсальной платформы модели
13-4012
Кузов четырёхосной платформы
общего назначения (универсальной) (рис. 9.26) состоит из рамы, оборудованной
восемью продольными боковыми 1 и двумя торцовыми 25 бортами. Сварная
рама снабжена мощной хребтовой балкой 10, состоящей из двух двутавров
переменной высоты, уменьшающейся к консольным частям. Боковые продольные балки 11
сделаны из двутавров, а шкворневые 12 - замкнутого поперечного сечения.
В месте пересечения хребтовой 10 и шкворневых 12 установлены
пятники 15, сверху которых имеются усиления надпятниковыми диафрагмами.
В консольных частях хребтовой балки 10 укреплены задние 16 и
передние 19 упорные кронштейны, объединённые ударной розеткой автосцепки
20, а также предохранительные планки 77, предназначенные для защиты от
истирания вертикальных стенок двутавров. На нижнем листе шкворневых балок
установлены скользуны 14, над которыми расположены усиливающие рёбра 13.
На концевых балках 21закреплены
кронштейны 22, служащие опорой для торцевых бортов 25 в открытом
положении. При погрузке колёсной техники самоходом с заездом вдоль платформы
кронштейны 22 и торцевые борта 25 воспринимают значительную
нагрузку. На концевой балке 21 укреплён рычаг 23 расцепного
привода автосцепки.
Основные поперечные балки 7
рамы - переменного по высоте, а промежуточные 8 - постоянного
двутаврового сечения. Верхняя плоскость поперечных балок 7, 8, 12 расположена
ниже уровня пола на высоту вспомогательных продольных балок 6 и 9.
Настил пола комбинированный:
металлический 18 - в, средней части и деревянный 5 - по бокам. Доски
пола одним концом заводятся в S-образную
балку 9, а другой их конец прикреплён к продольным боковым балкам 11 специальным
гнутым элементом 4. На боковых продольных балках рамы укреплены лесные
скобы 2, кронштейны шарниров и упоры клиновых запоров 3 продольных
бортов. Торцовые борта 25, имеющие меньшую высоту по сравнению с продольными, в
вертикальном положении фиксируются клиновыми запорами 24.
Кузов универсальной платформы
модели 13-401 отличается от модели 13-4012 в основном конструкцией рамы и
настилом пола: хребтовая балка сварена из двух двутавров № 60В, а не из № 70,
пол настлан из досок толщиной 55 мм и не покрыт металлическим листом в средней
части и др. Грузоподъёмность её на 1 т меньше и составляет 70 т. Борта, их
запоры, устройства для увязки и крепления грузов аналогичны по конструкции
применяемым на кузове платформы модели 13-4012.
Анализ технико-экономических
характеристик и конструкций универсальных платформ показывает, что их
грузоподъёмность в течение последних лет постройки возросла с 62 до 71 т, тогда
как линейные размеры и погрузочная площадь оставались неизменными, В результате
уменьшилась удельная площадь, приходящаяся на тонну, грузоподъёмности, упала
статическая нагрузка вагона и снизилась эффективность платформ в эксплуатации.
Поэтому в перспективе наметили пути усовершенствования универсальных платформ,
основным из которых является удлинение кузова, что позволит увеличить удельную
площадь пола, отнесённую к тонне грузоподъёмности, повысить эффективность
платформ.
Кузов универсальной платформы
модели 13-491 удлинён на 5 м, в результате чего на 40% возросла площадь пола,
повысился коэффициент использования грузоподъёмности (до 0,8 вместо 0,5) и
снизилась себестоимость перевозок грузов. Кузов удлинённой платформы снабжён 14
боковыми бортами (по 7 с каждой стороны). Её рама (рис. 3) значительно усилена.
Хребтовая балка 8 сварена из двух двутавров № 90, соединённых между собой
диафрагмами 77 и усиленных рёбрами 75, листами 16 и гнутыми П-образным
профилем 18. Боковые балки 5 выполнены из двутавров № 55 постоянной по
длине высоты и обрамлены по верхней наружной полке 2-образным профилем 4 №
6,5. Вдоль боковых балок приварены лесные скобы 2 и державки 3 клиновых
запоров бортов. Концевые балки 7 - сварные П-образной формы, состоят из
вертикального (8 мм), верхнего (10 мм) и нижнего (8 мм) горизонтальных листов.
К вертикальным листам балок
приварены кронштейны 10, служащие для поддержания и создания надёжной
опоры для торцовых бортов в открытом положении. Шкворневые балки 9 рамы
- сварные замкнутого коробчатого сечения из двух вертикальных (10 мм) и двух
горизонтальных (10 мм) листов. К нижнему листу балки приварены скользуны 72 и на
болтах закреплены пятники 13. Зоны соединения шкворневых балок с
хребтовой усилены диафрагмами 14. Поперечные балки 7 - сварные
двутаврового сечения с фигурным вертикальным листом (10 мм) для постановки
продольной балки 6 так, чтобы её верх располагался на одном уровне с
верхом хребтовой 8 и боковыми 5 балками рамы. Продольные балки б, служащие
дополнительными опорами для пола, выполнены из гнутого Ώ-образного
сечения размером 220×100×5 мм.
Рис.3. Рама универсальной удлиненной
платформы модели 13-491
Специализированная платформа
для перевозки контейнеров модели 13-470 отличается большими продольными
размерами и не имеет бортов. Её рама (рис. 4) сверху оборудована специальными
упорами: десятью поворотными - 21 и четырьмя угловыми неподвижными - 23,
предназначенными для крепления типовых большегрузных контейнеров за нижние
угловые фитинги. Поворотный упор состоит из панели 26 и жёстко
закреплёнными на ней двумя упорами 27. Панель поворачивается на шарнире,
состоящем из валика 29, опорных ушек 31 и петли 32. В
рабочем положении упоров панель фиксируется планками 28. Хребтовая балка
14 рамы выполнена из двух двутавров № 60 переменной по длине высоты
сечения, сверху перекрытых листом 3 (400x12 мм) на протяжении всей длины
балки, а также снизу в средней части на длине 7 м усилены полосами 6 (150x14
мм).
В местах пересечения со
шкворневыми 22, поперечными основными 19 и дополнительными 20 балками
двутавры хребтовой балки соединены диафрагмами 24, а в консольных частях
усилены задними 13 и передними 12, объединёнными с ударной
розеткой 11 упорами автосцепки. К нижнему листу шкворневой балки 22
приварены скользуны 25, и на болтах закреплены пятники 5, посредством
которых рама опирается на ходовые части. Для крепления деталей тормозного
оборудования к боковой и хребтовой балкам приварены кронштейны 15, 16
и 17. Боковые балки 9 выполнены переменной высоты из двутавров № 60
и снизу усилены полосами (150x14 мм) в средней части. На каждой боковой балке 9
по диагонали рамы приварены лестницы 7, а к концевым балкам 8 -
поручни составителя 10, стойки 1 с поручнями 2,
предназначенные для обслуживающего персонала. Для крепления привода стояночного
тормоза служит балка 18, приваренная к боковой и хребтовой балкам. В
консольной части рамы установлены раскосы 4 коробчатого сечения,
сваренные из двух швеллеров № 14. Кузов данной модели рассчитан на размещение
шести контейнеров типа 1Д массой брутто 10 т, или трёх контейнеров типа 1С
массой брутто 20 т, или двух разнотипных контейнеров - типа 1А массой брутто 30
т и типа 1С. Расстояние между центрами упоров смежных панелей соответствует
межцентровым расстояниям фитингов перечисленных типов контейнеров.
Рис. 4. Рама платформы для большегрузных
контейнеров модели 13-470
Для повышения эффективности
вагонов на базе платформы модели 13-470 создана платформа модели 13-9004, в
конструкцию кузова которой введён настил пола и торцовых бортов, что позволило
использовать её для транспортировки не только большегрузных контейнеров, но и
колёсной техники и других грузов. Хребтовая балка рамы платформы модели
13-9004, грузоподъёмность которой составляет 65 т при той же длине, что и у
модели 13-470, выполнена из двух двутавров № 70В, а боковые продольные балки -
из двутавров № 55 также переменной высоты. Усилены и другие части рамы. Настил
пола комбинированный: его средняя часть шириной 500 мм выполнена из рифлёного
листа толщиной 4 мм, а боковые части - из досок толщиной 55 мм. Для поддержания
настила пола предусмотрены дополнительные продольные балки рамы из швеллера №
10. Торцовые борта и их клиновые запоры - типовые, применяемые в конструкции
универсальной платформы модели 13-4012.
Рис.5. Двухъярусная платформа
для перевозки автомобилей модели 13-479
Кузов двухъярусной платформы
для легковых автомобилей модели 13-479 (рис. 5) имеет нижнюю 4 и верхнюю 2 рамы
с металлическим настилом пола, оборудованным направляющими устройствами,
обеспечивающими погрузку и выгрузку машин самоходом, а также надёжного их
крепления во время движения в поезде. Верхняя и нижняя рамы соединены между
собой четырьмя концевыми 1 и двумя средними 3 стойками. Для
подъёма на верхнюю раму платформа оборудована лестницами 6 и переходными
площадками 5. Стойки кузова коробчатого сечения из гнутых профилей толщиной
листа 6...7 мм. На нижнюю раму, имеющую хребтовую, две продольные боковые, две
концевые, две шкворневые, одну среднюю усиленную и четыре промежуточные
поперечные балки, а также две сквозные и четыре укороченные продольные балки,
настлан пол из гофрированного листа толщиной 3 мм и высотой гофров 30 мм, в
котором предусмотрены щелевые отверстия для установки упоров под колёса
автомобилей. Направляющие устройства, предназначенные для постановки
автомобилей своим ходом, представляют собой систему ограждений из труб,
направляющих роликов и рольгангов. Верхняя рама, состоящая из средней и двух
боковых продольных, двух концевых, двадцати промежуточных и трёх усиленных
поперечных балок, имеет настил пола из гофрированного листа, как и на нижнем
ярусе. Автомобили на платформе закрепляют с помощью 68 колёсных упоров
стационарного типа.
Рис. 6. Рама кузова платформы
для транспортировки леса в хлыстах модели 23-469
Платформа для перевозки леса в
хлыстах модели 23-469 имеет мощную раму (рис. 6), оборудованную двенадцатью
металлическими | Стационарными стойками (по шесть с каждой стороны) и
металлическим гофрированным листом 7 толщиной 2,5 мм. Хребтовая балка 6 выполнена
из двух двутавров № 70Б переменной по длине высоты перекрытых в средней части
листом 8 толщиной 8 мм, а против каж-1 дои поперечной балки, соединённых
диафрагмами 12 и двутаврами 10 № 10, в консольных частях она
усилена объединёнными упорами автосцепки. Боковые продольные балки 2 выполнены
из двутавра № 55Б переменной по длине высоты, концевые - сварные коробчатого
сечения из листов толщиной 8 мм (вертикальный) и 10 мм (два горизонтальных),
шкворневые 4 - сварные замкнутого сечения из листов толщиной 10 мм (два
вертикальные) и 12 мм (два горизонтальные). К нижнему диету шкворневой балки на
расстоянии 762 мм от продольной оси рамы приварены скользуны 13, а в
зоне пересечения с хребтовой - на болтах прикреплены пятники 11. В
основных поперечных балках 5 предусмотрены отверстия 9, служащие для
пропуска труб воздушной тормозной магистрали. Вспомогательные поперечные балки 3,
служащие для поддержания настила пола и крепления тормозного оборудования,
выполнены из прокатного уголка 60x40x6 мм. Между противоположными стойками,
приваренными по обе стороны рамы, в местах приварки поперечных балок поперёк
вагона установлены гребёнки высотой 100 мм для предохранения от смещения
хлыстов леса вдоль платформы. Стойки оборудуют верхними кронштейнами, которые в
рабочем состоянии имеют форму верхнего очертания габарита подвижного состава.
Механизм их поворота позволяет
осуществлять поворот и подъём кронштейнов с поверхности земли одним рабочим. По
требованию заказчика кузов вагона оборудуют цепными стяжками вместо Г-образных
кронштейнов.
Кузов специализированного
восьмиосного вагона для перевозки рельсов длиной 25 м грузоподъёмностью 130 т
модели 13-934 состоит из рамы и двух подвижных торцовых стен, соединённых с
рамой упругими элементами.
Кузов вагона модели 13-4082,
предназначенного для транспортировки троллейбусов по магистральным
железнодорожным путям, представляет собой цельнометаллическую конструкцию,
установленную на платформу с металлическим настилом пола. Она снабжена
запирающейся торцовой дверью для въезда техники и внутренним оборудованием,
состоящим из комбинации различных кронштейнов, упоров, талрепов и других
приспособлений. Вагон с таким кузовом может быть использован для перевозки
другой аналогичной техники.
На железных дорогах СНГ
эксплуатируют различные модели платформ, отличающиеся друг от друга
техническими характеристиками и конструктивными особенностями. В таблице 1
приведены технические характеристики некоторых моделей универсальных и
специализированных платформ.
Таблица 1.Технические
характеристики
|
Показатели
|
Универсальные
модели
|
Специализированные
модели
|
|
13-4012
|
13-401
|
13-491
|
для
контейнеров 13-4770
|
для
легковых автомобилей 13-479
|
|
Грузоподъемность,
т
|
71
|
70
|
73
|
60
|
20
|
|
Тара,
т
|
21,4
|
21
|
27
|
22
|
26
|
|
Площадь
пола, м2
|
36,8
|
36,8
|
50,8
|
46
|
130
|
|
База
вагона, м
|
9,72
|
9,72
|
14,4
|
14,72
|
16,5
|
|
Длина,
м:
|
|
|
|
|
|
|
по
осям сцепления автосцепок
|
14.62
|
14,62
|
19,62
|
19,62
|
21,66
|
|
по
концевым балкам рамы внутри кузова
|
13,3
|
13,3
|
18,3
|
-
|
-
|
|
Ширина,
м:
|
|
|
|
|
|
|
максимальная
|
3,15
|
3,14
|
3,06
|
2,50
|
3,25
|
|
внутри
кузова
|
2,77
|
2,77
|
2,88
|
|
|
|
Высота
от уровня головок рельсов, м:
|
|
|
|
|
|
|
максимальная
|
1,81
|
1,81
|
1,81
|
1,365
|
3,22
|
|
До
уровня пола
|
1,32
|
1,3
|
1,3
|
1,3
|
1,21
|
|
Коэффициент
тары
|
0,3
|
0,3
|
0,4
|
0,36
|
1,3
|
|
дельная
площадь, м2/т
|
0,518
|
0,52
|
0,8
|
0,76
|
6,5
|
|
Нагрузка
от колесной пары на -рельсы, кН
|
228
|
228
|
245
|
200
|
113
|
|
Нагрузка
на 1 м пути, т
|
6,32
|
6,20
|
5,1
|
4,18
|
2,12
|
|
Конструкционная
скорость, .км/ч
|
120
|
120
|
120
|
140
|
120
|
|
Габарит
по ГОСТ 9238-83
|
0-ВМ
|
0-ВМ
|
1-ВМ
|
0-ВМ
|
1-Т
|
.2 Конструктивная схема,
технико-экономические параметры и линейные размеры вагона
Четырёхосный платформа грузоподъёмностью 65 т
модель 13-9004 (см. рис.7) предназначена для перевозки универсальных
большегрузных контейнеров массой брутто 10,20 и 30 т в различном сочетании колесной
техники.
Платформа построена на базе вагона модели 13-470
для повышения эффективности, в конструкцию кузова введен настил пола и торцовых
бортов, что позволило использовать её для транспортировки не только
большегрузных контейнеров, но и колёсной техники и других грузов. Хребтовая
балка рамы платформы модели 13-9004, грузоподъёмность которой составляет 65 т
при той же длине, что и у модели 13-470, выполнена из двух двутавров № 70В, а
боковые продольные балки - из двутавров № 55 также переменной высоты. Усилены и
другие части рамы. Настил пола комбинированный: его средняя часть шириной 500
мм выполнена из рифлёного листа толщиной 4 мм, а боковые части - из досок
толщиной 55 мм. Для поддержания настила пола предусмотрены дополнительные
продольные балки рамы из швеллера № 10. Торцовые борта и их клиновые запоры -
типовые, применяемые в конструкции универсальной платформы модели 13-4012.
Платформа оборудован типовой автосцепкой СА-3,
автоматическим тормозом с воздухораспределителем усл. № 483-000 с грузовым
авторежимом, регулятором выхода штока поршня и ручным стояночным тормозом.
Ходовой частью служат двухосные тележки типа
18-100.
Рис.7. 4-осная платформа для крупномонтажных
контейнеров и колесной техники, модель 13-9004
Таблица 2.
Техническая характеристика вагона-прототипа
(модель 13-9004)
|
Показатели
|
|
Наименование
|
Размерность
|
Значение
|
|
Номер
проекта
|
-
|
9004.00.00
|
|
Технические
условия
|
-
|
ТУ
24.05
|
|
Модель
вагона
|
-
|
13-9004
|
|
Колея
|
мм
|
1520
(1524)
|
|
Грузоподъёмность
|
т
|
65
|
|
Тара
|
т
|
26
|
|
Нагрузка
от оси на рельсы
|
тс
|
22,75
|
|
Нагрузка
на 1 пог. м пути
|
Тс/м
|
4,538
|
|
Тип
автосцепки
|
-
|
СА-3
|
|
Тип
воздухораспределителя
|
-
|
483-000
|
|
Тип
авторежима
|
-
|
265А
|
|
Конструкционная
скорость
|
км/ч
|
120
|
|
Габарит
|
-
|
0-ВМ
(01-Т)
|
|
База
вагона
|
мм
|
14720
|
|
База
тележки
|
мм
|
1850
|
|
Длина
по осям сцепления автосцепок
|
мм
|
19620
|
|
Длина
по концевым балкам рамы
|
мм
|
18400
|
|
Максимальная
ширина
|
мм
|
2870
|
|
Максимальная
высота от уровня верха головок рельсов
|
мм
|
1375
|
|
Высота
от уровня верха головок рельсов до нижней обвязки
|
мм
|
1032
|
|
Тип
регулятора рычажных передач
|
-
|
574Б
|
|
Количество
осей
|
шт.
|
4
|
|
Модель
двухосной тележки
|
-
|
18-100
|
|
Наличие
переходной площадки
|
-
|
Нет
|
|
Наличие
стояночного тормоза
|
-
|
Есть
|
|
Внутренняя
ширина кузова
|
мм
|
2310
|
|
Внутренняя
длина кузова
|
мм
|
18300
|
|
Высота
от уровня верха головок рельсов до пола
|
мм
|
1395
|
|
Количество
торцевых бортов
|
шт
|
2
|
|
Высота
торцевых бортов
|
мм
|
400
|
|
Тип
поглощающего аппарата
|
-
|
Ш-2-В
|
|
Размеры
пола с открытыми бортами длина ширина
|
мм
|
18300
2870
|
|
Площадь
пола
|
52,5
|
|
|
Удельная
площадь
|
/т0,8
|
|
|
Год
постановки на серийное производство
|
-
|
1978
|
Расчёт технико-экономических
параметров
Исходные данные (см. табл.2):
осевая нагрузка
т
количество осей
;
коэффициент тары
;
1) Определение грузоподъёмности
вагона.
Грузоподъёмность, т:
;
т.
Тара вагона, т:
;
т.
2) Определение площади пола.
F = P ∙ fy,
где fy - удельная
площадь пола,
F = 66,3 ∙0,8
= 53,04 м2.
3)Определение длины кузова вагона.
Внутренняя длина кузова, м:
;
м.
Наружная длина, м:
;
м.
Наружная ширина кузова, м:
Bкуз
= 2Bв
+ 2∙анб;
Bкуз
= 2,31+0,1 = 0,41м.
4) Длина вагона по осям автосцепок:
Lавт
= 2L
+ 2∙аавт;
аавт - вылет
автосцепки, 2аавт=1,22м;
2Lавт
= 18,4 + 1,22 = 19,62м.
5)Проверка нагрузки на 1 погонный
метр пути.
Проверка производится по неравенству:
≤ [q],
где [q] -
допускаемая погонная нагрузка, [q] = 10,5 т/м;
т/м.
Условие
≤ [q]
выполняется.
)Определение базы вагона.
База вагона, мм:
;
м.
1.3 Вписывание вагона в габарит
Габариты подвижного состава
ГОСТ 9238-83 устанавливает 6
единых габаритов для вагонов и локомотивов и 2 дополнительных габарита для
вагонов.
Габарит Т - для подвижного
состава, допускаемого к обращению по путям общей сети железных дорог Союза ССР,
внешним и внутренним подъездным путям промышленных и транспортных предприятий,
сооружения и устройства на которых отвечают требованиям габарита приближения
строений С. Этот габарит имеет наибольшие размеры ширины и высоты. По этому
габариту строят в основном вагоны электропоездов.

Габарит Тц - для цистерн и
вагонов-самосвалов, допускаемых к обращению по путям общей сети железных дорог,
внешним и внутренним подъездным путям промышленных и транспортных предприятий,
сооружения и устройства, на которых отвечают требованиям, установленным Инструкцией
[4].
Габарит Тпр - для
полувагонов, допускаемых к обращению по путям общей сети железных дорог,
внешним и внутренним подъездным путям промышленных и транспортных предприятий,
сооружения и устройства на которых отвечают требованиям, установленным Инструкцией
[4].
Рис.9 Верхняя часть габарита Тц
Габарит 1-Т - для подвижного
состава, допускаемого к обращению по всем путям общей сети железных дорог Союза
ССР, внешним и внутренним подъездным путям промышленных и транспортных
предприятий. По этому габариту строятся вагоны, если их не удается вписать в
габарит 1-ВМ.
Габарит 1-ВМ (ранее 0-Т) -для
подвижного состава, допускаемого к обращению как по всей сети железных дорог
Союза ССР колеи 1520 (1524) мм, так и по магистральным и ряду других линий
железных дорог - членов Организации сотрудничества железных дорог (ОСЖД) колеи
1435 мм, используемых для международных сообщений. По этому габариту строятся
пассажирские и изотермические вагоны.
Габарит 0-ВМ (01-Т)- для
подвижного состава, допускаемого к обращению как по всей сети железных дорог
Союза ССР колеи 1520 (1524) мм, так и по всем основным линиям железных дорог -
членов ОСЖД колеи 1435мм, с незначительными ограничениями только на отдельных
участках. По этому габариту строятся почти все грузовые вагоны.
Габарит 02-ВМ (02-Т) - для
подвижного состава, допускаемого к обращению как по всей сети железных дорог
Союза ССР колеи 1520 (1524) мм, так и по всем железным дорогам - членам ОСЖД, а
также железных дорог Германии, Австрии, Югославии, Греции и европейской части
Турции колеи 1435 мм.
Габарит 03-ВМ (03-Т) - для
подвижного состава, допускаемого к обращению как по всей сети железных дорог
Союза ССР колеи 1520 (1524) мм, так и по всем железным дорогам колеи 1435мм
европейских и азиатских стран.
Рис.10 Верхняя часть габарита
1-Т
Груз, перевозимый на открытом
подвижном составе, должен по своим размерам соответствовать габариту подвижного
состава. Министерство путей сообщения СССР разрабатывает и утверждает габариты
и степени негабаритности грузов и правила их перевозки по железным дорогам.
Рис.11 Верхняя часть габарита
03-ВМ
Все габариты подвижного состава
состоят из верхнего очертания(верхней зоны) и нижнего очертания (нижней зоны).
По верхнему очертанию определяются строительные очертания кузова вагона, нижнее
очертание габарита определяет допускаемые размеры ходовых частей.
Габариты подвижного состава
приведены на рис.8 - 11.
По основному контуру,
очерченному сплошными линиями, строится кузов вагона; линии, обозначенные
точками, являются границей размещения на вагонах сигнальных устройств;
штрихпунктирные линии ограничивают положение неответственных частей вагона
(поручней, козырьков для стока воды, щитков).
Наибольшие размеры габаритов
подвижного состава приведены в табл.3.
Таблица 3 Наибольшие размеры
габаритов подвижного состава
|
Габарит
подвижного состава
|
Т
|
Тц
|
Тпр
|
1-Т
|
1-ВМ
|
0-ВМ
|
02-
ВМ
|
03-ВМ
|
|
Наибольшая
ширина в верхней зоне, мм
|
3750
|
3750
|
3550
|
3400
|
3400
|
3250
|
3150
|
3150
|
|
Высота
над головкой рельса, мм
|
5300
|
5200
|
4350
|
5300
|
4700
|
4650
|
4650
|
4280
|
Вписывание вагона в габарит производиться на
основании ГОСТ 9238-83.
Исходные данные:
длина кузова
м;
база вагона
м;
база тележки (см. табл. 1.4)
м;
габарит (ГОСТ 9238-83) 1-Т;
ширина габарита 1-Т в верхней части
мм.
Определение размеров строительного
очертания вагона в верхней части.
Половина длины кузова, м:
;
м.
Половина базы вагона, м:
;
м.
Половина базы тележки, м:
;
м.
Находим вспомогательные
коэффициенты.
Величина дополнительного поперечного
смещения в кривых участках пути расчётного радиуса, мм:
,
где R - радиус в
кривой, R = 200 м;
мм.
Коэффициент размерности, зависящий
от величины расчётного радиуса кривой:
;
мм.
Примем величину, на которую
допускается выход подвижного состава, проектируемого по габаритам Т, 1-Т,
,
и 1-ВМ (в
верхней части), за очертания этих габаритов в кривых участках пути R = 200 м:
мм.
Определим разность коэффициентов
и
как
выражение в квадратных скобках по, мм:
мм.
Замечаем, что условие:
не
выполняется, и поэтому производим дальнейший расчёт.
Вычислим выражение в квадратных
скобках
.
Замечаем, что условие:
не
выполняется, и поэтому производим дальнейший расчёт.
Таким образом, ограничение
полуширины для направляющего поперечного сечения вагона
и
внутреннее ограничение поперечных сечений вагона, расположенных между его
направляющими сечениями
производится
из условия вписывания в габарит на прямом участке пути , мм:
,
где
- максимальная ширина колеи в
прямой,
= 1530 мм;
d -
минимальное расстояние между наружными (рабочими) гранями предельно изношенных
гребней колёс, d = 1489 мм;
q - наибольшее
возможное поперечное смещение в направляющем сечении в одну сторону из
центрального положения рамы тележки относительно колёсной пары вследствие
зазоров при максимальных износах и деформаций упругих элементов в буксовом узле
и узле сочленения рамы тележки с буксой, q = 4 мм;
ω - наибольшее
возможное поперечное перемещение в направляющем сечении в одну сторону из
центрального положения кузова относительно рамы тележки вследствие зазоров при
максимальных износах и упругих колебаниях в узле сочленения кузова и рамы
тележки, ω
=
31 мм;
мм.
Вычислим выражение в квадратных
скобках
.
Найдём отношение
Замечаем, что условие:
не выполняется и поэтому производим
дальнейший расчёт.
Наружное ограничение поперечных сечений
вагона, расположенных снаружи его направляющих сечений в прямой, мм:
.
Найдём наружное ограничение
поперечных сечений вагона в прямой для конца вагона, мм
;
мм.
Максимально допускаемые
горизонтальные строительные размеры вагона для соответствующих сечений
составляют, мм:
по пятниковому
;
мм;
по среднему
;
мм;
по концевому
;
мм.
Проектное очертание определяется
путём уменьшения соответствующих величин
на значения технологических
отклонений
(см. [1,
табл. 2.3]), мм:
;
;
;
мм;
мм;
мм.
Проектная ширина кузова вагона
принимается по наименьшему значению, которым является ширина по концевому
сечению:
мм.
Распечатка результатов, полученных
при использовании программы GBR.
Условие вписываемости: 2Внар
max
<
2Впр
Впр = 2Встр
- 2Естр = 3253мм,
Встр = 2Во
- 2Е = 2∙1700 - 2∙63,5 = 3273мм,
Таким образом, 2Внар max
= 2870мм,
< 3253
Следовательно, условие
вписываемости выполняется.
.4 Кузов вагона
Кузов четырехосной платформы общего назначения
состоит из рамы, оборудованной восемью продольными боковыми и двумя торцевыми
бортиками. Сварная рама снабжена мощной хребтовой балкой, состоящей из двух
двутавров переменной высоты, уменьшающейся к консольным частям. Боковые
продольные балки сделаны из двутавров и шкворневые - замкнутого поперечного
сечения. В месте пересечения хребтовой и шкворневой балки установлены пятники,
сверху которых имеются усиления надпятниковыми диафрагмами. В консольных частях
хребтовой балки закреплены задние и передние упорные кронштейны, объединенные
ударной розеткой автосцепки, предназначенные для защиты от истирания
вертикальных стенок двутавров. На нижнем листе шкворневых балок установлены
скользуны. На концевых балках закреплены кронштейны, служащий опорой для
торцевых бортов в открытом положении. При погрузке колесной техники самоходом с
заездом вдоль платформы кронштейны и торцевые борта воспринимают значительную
нагрузку. На концевой балке укреплен рычаг расцепного привода автосцепки.
Основные поперечные балки рамы - переменного по
высоте и промежуточные - постоянного двутаврового сечения. Верхняя плоскость
поперечных балок расположена ниже уровня пола на высоту вспомогательных
продольных балок. Торцевые борта, имеющие меньшую высоту по сравнению с
продольными, в вертикальном положении фиксируются клиновыми запорами. Настил
пола комбинированный: его средняя часть шириной 500 мм выполнена из рифлёного
листа толщиной 4 мм, а боковые части - из досок толщиной 55 мм. Для поддержания
настила пола предусмотрены дополнительные продольные балки рамы из швеллера №
10.
1.5 Ходовые части
Ходовые части служат опорой вагона на путь и
обеспечивают им взаимодействие в движении. От конструкции ходовых частей вагона
во многом зависит безопасность и плавность хода. Ходовые части платформы модели
13-9004 выполнены в виде двух двухосных тележек ЦНИИ-Х3-О с роликовыми
подшипниками.
Основными элементами являются:
колесные пары;
узлы упругого подвешивания с гасителями
колебаний;
тормозное оборудование;
рама тележки, связывающая все элементы в единую
конструкцию.
В настоящее время грузовые
вагоны железных дорог строят с ЦНИИ-ХЗ-О (рис.12), которые имеют клиновые
гасители колебаний.
Боковая рама 2 тележки
выполнена в виде стальной отливки, в средней части которой расположен проем для
рессорного комплекта, а по концам - проемы для букс.
В верхней части буксовых
проемов имеются кольцевые приливы, которыми боковые рамы опираются на буксы, а
по бокам - буксовые челюсти.
Сечения наклонных элементов
(поясов) и вертикальных стержней (колонок) боковой рамы имеют корытообразную
форму с некоторым загибом внутрь концов полок. Горизонтальный участок нижнего
пояса имеет замкнутое коробчатое сечение. Балки с таким профилем хорошо
сопротивляются изгибу и кручению.
По бокам среднего проема в
верхней части рамы расположены направляющие для ограничения поперечного
перемещения фрикционных клиньев, а внизу имеется опорная поверхность для
установки рессорного комплекта. С внутренней стороны к этой поверхности
примыкают полки, являющиеся опорами для наконечников триангелей в случае обрыва
подвесок, которыми триангели подвешены к кронштейнам боковой рамы. В местах
расположения клиньев к колонкам рамы приклепаны фрикционные планки. На
наклонном поясе отливают пять цилиндрических выступов (шишек), часть которых
срубается в соответствии с фактическим расстоянием между наружными челюстями
буксовых проемов. Подбор боковых рам при сборке тележек производят по числу
оставленных шишек, что гарантирует соблюдение необходимых допусков для
обеспечения параллельности осей колесных пар.
Надрессорная балка тележки
отлита заодно с подпятником, опорами для размещения скользунов, гнездами для
фрикционных клиньев и приливом для крепления кронштейна мертвой точки рычажной
передачи тормоза. Балка выполнена по форме бруса равного сопротивления изгибу в
соответствии с эпюрой изгибающих моментов и имеет коробчатое замкнутое сечение.
Рис.12. Тележка типа ЦНИИ-ХЗ-О:
/ - колесная пара; 2 - боковая рама; 3 -
клиновой гаситель колебаний; 4 - букса- 5-шкворень-6 - Надрессорная балка; 7 -
рессорный комплект; 8 - рычажная передача тормоза; 9 - вертикальный скользун
1.6 Автосцепное оборудование
Ударно-тяговые приборы основным и ответственным
частям вагона. Они предназначены для соединения вагонов между собой и с
локомотивом, удержания их на определённом расстоянии друг от друга, передачи и
смягчения действия продольных нагрузок, которые возникают при движении поезда и
при маневрах.
Тягово-сцепные приборы обеспечивают сцепление
вагонов и локомотивов, передачу и смягчение растягивающих усилий. Ударные
приборы (буферы) передают и смягчают сжимающие усилия и удерживают вагоны и
локомотивы на определенном расстоянии. Приборы, предназначенные для
непосредственного соединения вагонов и локомотивов, называют автосцепкой,
совокупность частей, передающих и смягчающих действие тяговых усилий, называют
упряжью. Платформа 13-9004 оборудована типовой автосцепкой СА-3.
Рис.13 Расположение деталей автоцепного
устройства вагонного типа
Автосцепое устройство вагона состоит из корпуса
автосцепки с деталями механизма, расцепного привода, ударно-центрирующего
прибора, упряжного устройства с поглощающим аппаратом и опорных частей.
Основные части автосцепного устройства размещаются в консольной части хребтовой
балки 5 рамы кузова вагона (рис.13). Корпус 1 автосцепки с деталями механизма
установлен в окно ударной розетки 2 и своим хвостовиком соединен с тяговым
хомутом 7 при помощи клина 4, который вставляется снизу и опирается на два
болта 18, закрепленных запорными шайбами и гайками. Расцепной привод закреплен
на концевой балке 20 рамы. Он состоит из двуплечего рычага 10 с приводом
механизма автосцепки 17. Ударно-центрирующий прибор состоит из ударной розетки
2, прикрепленной в средней части к концевой балке 20 рамы, двух маятниковых
подвесок 14 и центрирующей балочки15, на которую опирается корпус автосцепки 1.
Упряжное устройство включает в себя тяговый хомут 7, клин 4,упорную плиту 12 и
два болта 18 с планкой 19, запорными шайбами и шплинтом. Внутри тягового хомута
7 находится поглощающий аппарат 6, который размещается между задними упорами 8
и упорной плитой 12, взаимодействующей с передними упорами 3. Задние упоры 8
объединены между собой перемычкой и укреплены к вертикальным стенкам хребтовой
балки 5. Упряжное устройство предохраняется от падения поддерживающей планкой
11, прикрепленной снизу к горизонтальным полкам хребтовой балки 5 восемью
болтами. Внутри корпуса автосцепки размещаются детали механизма, служащие для
выполнения процессов сцепления и расцепления подвижного состава.
1.7 Тормозное устройство
Для регулирования скорости движения и остановки
поезда нужно применять дополнительные технические средства. Такую функцию
выполняет тормозное оборудование. Наибольшее распространение получил колодочный
тормоз, при котором торможение осуществляется вследствие прижатия колодок к
поверхности катания колес. Передачу усилий от штока тормозного цилиндра к
колодкам обеспечивает рычажная передача. За счет соотношений плеч рычагов идет
увеличение тормозной силы по сравнению с силой, действующей на шток цилиндра.
На современных вагонах применяется два вида тормозных колодок: чугунные и
композиционные. Последние обеспечивают лучший тормозной эффект. Их
рекомендуется устанавливать на вагонах эксплуатируемых с большими скоростями
движения. На каждом вагоне, оборудованном тормозными площадками,
устанавливаются ручные тормоза, от тормозного штурвала, усилие передается на
рычажную передачу и в случае выхода из строя пневматического тормоза ручной
является основным. Современные грузовые вагоны оборудованы стояночным тормозом.
Платформа модели 13-9004 имеет автоматический тормоз с воздухораспределителем
№483-000, регулятор рычажных передач №574Б, стояночный тормоз. Переходной
площадки с ручным тормозом нет.
2. РАСЧЕТ КУЗОВА ВАГОНА НА ПРОЧНОСТЬ
Так как платформа не имеет ярко выраженного
кузова, то будем рассчитывать раму вагона, потому что она является основным
несущим элементом.
2.1 Материалы и допускаемые
напряжения
Детали и узлы вагона воспринимают значительные
статические нагрузки в течение эксплуатации. На основании накопленного опыта
эксплуатации и исследования ВНИИЖТ вагоны изготавливают из сталей, имеющих
следующие характеристики:
временное сопротивление разрыва σ
= 500-550 мПа;
предел текучести σт
= 400 мПа;
относительное удлинение δ
= 21%;
- предел выносливости при изгибе σ
≥210-230
мПа;
минимальное содержание серы и фосфора.
Наиболее распространенный материал для рамы и
кузова - сталь низколегированная 09Г2Д.
Для стали 09Г2Д: σ = 450 мПа;
σт
= 310 мПа; δ = 21%; Е = 2,1∙105мПа.
Для расчетных режимов І и ІІІ допускаемые
напряжения:
[σ]І
= 0,85∙ σт
= 270 мПа,
[σ]ІІІ
=150 мПа.
Так же при необходимости для изготовления рам и
кузовов используются стали с повышенной коррозионной стойкостью: 10ХНД, 12ХПФД,
15ХСНД.
2.2 Расчет на вертикальные нагрузки
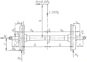
Проведем упрощенный расчет рамы как балки на
двух опорах.
Распределенная нагрузка находится по формуле:

;
Ркр - вес
груза;
Рр - вес рамы;
Рд -
динамическая нагрузка;
2lр - длина
рамы,
Максимальная вертикальная динамическая нагрузка
от кузова, Н:
;
Коэффициент вертикальной динамики :
где a
- коэффициент,
принимаемый на основании обработки результатов теоретических и экспериментальных
исследований, a = 0,15 (для
необрессоренных частей тележки);
коэффициент осности тележки в
= 1;
конструктивная скорость
км/ч = 33,33
м/с;
статический прогиб рессорного
подвешивания под нагрузкой брутто
= 0,05 м;
Рд=(63,3+14)∙0,3396
= 26,25 т,
тогда
т/м.
Возьмем ІІІ режим как наиболее
неблагоприятный
;
т;
≤ l ≤
1,84; ΣМ = 0; q∙l∙l/2+М1
= 0; М1 = -5,62∙1,842 / 2 = -9,51 т/м;
≤ l ≤14,72;
ΣМ = 0; -RA∙l+q∙1,84∙(1,84/2+l)+q∙l2/2+M = 0;
Мmax = 41,36∙4,45-5,62∙1,84∙(1,84/2+4,45)
+ (5,62∙4,452/2) = 71,9 т/м;
Напряжение от изгиба находится по
формуле:
,
где момент сопротивления W=0,21;
мПа;
[σ] › σ - условие
прочности выполняется.
2.3 Расчет на продольные нагрузки
Хребтовая балка воспринимает
продольные нагрузки. Будем считать, что других нагрузок рама не воспринимает.
Материал рамы 09Г2, предел текучести
σт = 400мПа,
допускаемые напряжения для хребтовой балки [σ] = 0,85 σт , при
растяжении и сжатии при І режиме нагружения.
σ = N/F;
N - нагрузка,
F - площадь
поперечного сечения;
= (183∙10,5+130∙16+(310-16-10,5)∙9)∙2
= 13106 мм2 = 0,131м2;
Для первого режима нагружения: N = 3,5мН;
[σ] = 0,85∙400
= 340 мПа;
мПа;
Условие прочности при первом режиме
выполняется, так как [σ] › σ.
Для третьего режима нагружения: N = 1мН; [σ] = 150 мПа;
мПа;
Условие прочности при третьем режиме
выполняется, так как[σ] › σ.
2.4 Расчет на ремонтные нагрузки
Нагрузка при подъеме кузова
прикладывается к шкворневым балкам за специальные петли.
Моменты инерции сечения относительно
оси у:
jy = 2∙(b1∙h12 / 12 + b1∙h1∙y2) + 2∙
b2∙h23 / 12,
где
b1 - ширина горизонтальных
полок;
h1 - высота
горизонтальных полок;
b2 - ширина
вертикальных полок;
h2 - высота
вертикальных полок;
у - расстояние от центра
тяжести горизонтальной полки до центра сечения.
jy = 2∙(0,450∙0,0143/12
+ 0,450∙0,014∙(0,150+0,007)2)+2∙0,300∙0,0083/12
= 3,106∙10-4 м4.
Момент сопротивления сечения
относительно оси у:
Wy = jy / y2;
где у2 = 164 мм -
максимальное отклонение сечения от центра.
Wy =
м3;
т/м;
Н∙м;
[σ]= 0,85 σт = 0,85∙400
= 340 мПа;
мПа;
Условия прочности при ремонтных
нагрузках выполняется [σ] › σ,
коэффициент запаса:
.
3. РАСЧЁТ ХОДОВЫХ ЧАСТЕЙ ВАГОНА
Колёсная пара (см. рис. 14) состоит из оси 1
и двух укреплённых на ней колёс 2. Типы, основные размеры и технические
условия на изготовление вагонных колёсных пар определены Государственными
стандартами, а содержание и ремонт - Правилами технической эксплуатации
железных дорог (ПТЭ) и Инструкцией по осмотру, освидетельствованию, ремонту и
формированию колёсных пар. Тип колёсной пары определяется типом оси и диаметром
колёс , а также конструкцией подшипника и способом крепления его на оси
(см.табл.4).
Таблица 4
Типы колёсных пар вагонов
|
Тип
колёсной пары
|
Тип
оси
|
Диаметр
колеса, мм
|
Тип
подшипника на колёсной паре
|
Применение
|
|
РУ1-950
|
РУ1
|
950
|
Качения
|
На
всех грузовых и пассажирских вагонах постройки после 1963 г.
|
|
РУ1Ш-950
|
РУ1Ш
|
950
|
Качения
|
На
всех грузовых и пассажирских вагонах постройки с 1979 г.
|
|
РУ-950
|
РУ
|
950
|
Качения
|
На
всех грузовых и пассажирских вагонах постройки до 1964 г.
|
|
РУ-1050
|
РУ
|
1050
|
Качения
|
На
пассажирских вагонах постройки до 1959 г.
|
|
III-950
|
III
|
950
|
Скольжения
|
На
грузовых вагонах старых типов
|
Типы вагонных осей различают по размерам и форме
шейки - для роликовых подшипников качения и подшипников скольжения. Размеры оси
устанавливают в зависимости от величины расчётной нагрузки, воспринимаемой при
эксплуатации вагона.
Рис.14 Колёсная пара и форма
шейки оси
Колёсные пары III-950
предназначены для эксплуатации с подшипниками скольжения, а колёсные пары
РУ1-950, РУ1Ш-950, РУ-950 и РУ-1050 - с роликовыми подшипниками (РУ - роликовая
унифицированная, Ш - крепление подшипников приставной шайбой). Исходя из
расчётной нагрузки, определяют диаметры шеек 3, 4, 5 (см.
рис. 2.1), подступичной 7 и средней 8 частей оси. Предпоступичная
часть 6 является ступенью перехода от шейки к подступичной части оси и
служит для установки уплотняющих устройств буксы. На подступичных частях 7
прочно закрепляются колёса 2. В настоящее время в эксплуатации находятся
ещё небольшое число колёсных пар с осями III
типа с подшипниками скольжения, которые заменяют роликовыми. На торцах их шеек 5
имеются буртики 6, ограничивающие продольные перемещения подшипников
скольжения, располагающихся в верхних частях.Колёсные пары с осями,
предназначенными для эксплуатации с роликовыми подшипниками, различают между
собой конструкцией торцового крепления внутренних колец роликовых подшипников
на шейке: 3 - с нарезанной частью а для навинчивания корончатой
гайки; 4 - при помощи приставной шайбы, для чего на торцах делаются
отверстия с нарезкой для болтов крепления. Такое крепление выполнено в двух
вариантах: тремя или четырьмя болтами. Колёсные пары с формой шейки 3
обозначают РУ1, а с формой 4 - РУ1Ш. В эксплуатации ещё находится небольшое
число колёсных пар с осями типа РУ с диаметром шеек 135 мм. В настоящее время
они изымаются. Основным типом колёсных пар являются конструкции с
цельнокатаными стальными колёсами по кругу катания 950 мм. В пассажирских
вагонах старых типов осталось малое число колёсных пар с диаметром 1050 мм.
Большое внимание прочности и надёжности колёсных
пар уделялось при создании первых вагонов. В связи с увеличением
грузоподъёмности и тары вагонов, а также скорости движения поездов возрастали
нагрузки, действующие на колёсные пары, что требовало усиления их элементов. В
результате возрастали диаметры осей, совершенствовались конструкции колёс и
повышалась прочность посадки их на ось.
В 1948 г. по ГОСТ 4007-48 установлены четыре
типа осей, различающихся размерами в зависимости от допускаемой статической
нагрузки на ось (см. табл.5).
Таблица 5
Типы осей и допускаемые нагрузки
|
Тип
оси
|
Диаметр
шейки, мм
|
Диаметр
подступичной части, мм
|
Диаметр
средней части, мм
|
Нагрузка
на рельсы от оси, т. не более
|
|
I
|
110
|
155
|
140
|
12,5
|
|
II
|
120
|
165
|
145
|
17,0/15,0
|
|
III
|
145
|
182
|
160
|
20,5/18,0
|
|
IV
|
155
|
200
|
165
|
25,0
|
Примечания:
1) тип
оси IV - для
думпкаров и транспортёров;
2) в
знаменателе - для пассажирских вагонов.
Вагонная ось (см. рис. 15) является составной
частью колёсной пары и представляет собой стальной брус круглого, переменного
по длине поперечного сечения. На подступичных частях 3 оси располагаются
колёса, укреплённые жёстко или подвижно, а на шейках 1 размещаются
подшипники. Вагонные оси различаются между собой размерами, определяемыми в
зависимости от заданной нагрузки; формой шейки оси в соответствии с применяемым
типом подшипника - для подшипников качения и подшипников скольжения; формой
круглого поперечного сечения - сплошные или полые; способом торцового крепления
подшипников качения на шейке оси - корончатой гайкой или шайбой.
Кроме того, оси классифицируются по материалу и
технологии изготовления. Между шейками 1 и подступичными частями 3 находятся
предпоступичные части 2, служащие для размещения деталей задних уплотняющих
устройств букс, а также снижения концентрации напряжений в переходных сечениях
от подступичных частей к шейкам оси. В местах изменения диаметров для снижения
концентрации напряжений имеются плавные сопряжения - галтели, выполненные
определёнными радиусами: от шейки 1 - к предпоступичной 2, от предпоступичной -
к подступичной 3 и от средней 4 - к подступичной частям. Снижение концентрации
напряжений, вызванных посадкой внутреннего кольца роликового подшипника,
обеспечивается разгружающей канавкой, расположенной у начала задней галтели шейки
оси (см. рис. 15, г).
Оси для подшипников качения на концах шеек имеют
нарезную часть (см. рис. 15, а) для навинчивания корончатой гайки, на торце
имеется паз с двумя нарезными отверстиями для постановки и крепления двумя
болтами стопорной планки. В вагонных осях с креплением подшипников качения при
помощи приставной шайбы в торцах шеек делают нарезные отверстия для болтов (см.
рис.15, б) в дух вариантах: при помощи трёх или четырёх болтов.
Оси для подшипников скольжения по торцам шеек
имеют буртики М (см. рис. 15, в), служащие для ограничения смещения подшипников
вдоль оси наружу при движении вагона.
На торцах всех типов осей предусмотрены
центровые отверстия (см. рис.15, д, е), служащие для установки и закрепления
оси или колёсной пары в центрах при обработке на токарном станке. Форма и
размеры центровых отверстий стандартизованы.
Рис.15 Типы вагонных осей
Оси колёсных пар, оборудуемых дисковым тормозом,
а также оси, на которых предусмотрена установка привода подвагонного
генератора, имеются посадочные поверхности для установки тормозных дисков или
деталей редуктора. Основные размеры и допускаемые нагрузки для стандартных
типов осей вагонов широкой колеи, кроме вагонов электро- и дизель-поездов
приведены в табл.6.
На шейки осей РУ1 и РУ1Ш устанавливают роликовые
подшипники с наружным диаметром 250 мм, а на оси РУ - диаметром 280 мм. Поэтому
посадочные диаметры у них разные. Диаметры шеек оси III
типа, применяемой в вагонах старых типов, используемых в основном на подъездных
путях промышленных предприятий, имеет больший диаметр шеек в связи с возможными
переточками в эксплуатации.
Для грузовых вагонов с повышенными нагрузками от
колёсной пары на рельсы до 245 кН предусмотрена усиленная ось, имеющая
увеличенные диаметры.
Оси проектируют в исполнении УХЛ по ГОСТ 15150.
Для вагонов магистральных дорог колеи 1520 мм оси изготавливают из осевой
заготовки по ГОСТТ 4728: для вагонов основных типов применяется сталь марки
ОсВ, для вагонов электропоездов - сталь марки ОсЛ. Химический состав осевой
стали в %: углерода 0,4…0,48, марганца 0,55…0,85, кремния 0,15…0,35, фосфора -
не более 0,04, серы - не более 0,45; хрома и никеля - не более каждого по 0,3;
меди - не более 0,25.
Таблица 6
|
Тип
оси
|
Диаметр,
мм
|
Длина
шейки, мм
|
Общая
длина оси, мм
|
Расстояние
между центрами приложения нагрузки на шейки, мм
|
Наибольшая
статическая нагрузка от колёсной пары вагонов на рельсы, кН ( )
|
|
шейка
|
Предпосту-пичная
часть
|
подступичная
часть
|
середина
|
|
|
|
Грузовые
|
Пассажирские
|
|
РУ1
|
130
|
165
|
194
|
165
|
176
|
2295
|
2036
|
230(23,5)
|
176,5
(18)
|
130
|
165
|
194
|
165
|
190
|
2294
|
2036
|
230
(23,5)
|
176,5
(18)
|
|
РУ
|
135
|
165
|
194
|
165
|
248
|
2390
|
2036
|
230
(23,5)
|
176,5
(18)
|
|
III
|
145
|
170
|
194
|
165
|
254
|
2330
|
2036
|
230
(23,5)
|
|
|
140
|
175
|
205
|
170
|
190
|
2216
|
2036
|
245
(25)
|
|
3.1 Определение основных размеров
колесной пары.
Расчет оси и колеса
При условном (приближённом) методе
расчёта на прочность ось рассматривается в статическом состоянии, на неё
действует система сил (см. рис.16), состоящая из вертикальной силы, равной
и
горизонтальной:
,
где
- максимальная статическая
расчётная или фактическая нагрузка от кол- ёсной пары на рельсы.
Множители в выражениях по
определению горизонтальной и вертикальной сил учитывают динамической действие
сил соответственно в вертикальном и горизонтальном направлениях.
Рис. 16 Схема действия сил при
условном методе расчёта оси колёсной пары
Расчёт и выбор соответствующих значений величин
будем производить, руководствуясь Нормами для расчёта и проектирования новых и
модернизируемых вагонов железных дорог МПС колеи 1520 мм (несамоходных) и
ГОСТом 4835-80.
Исходные данные:
тип оси колёсной пары - РУ1Ш;
фактический диаметр шейки оси
мм;
фактический диаметр подступичной
части оси
мм;
фактический диаметр середины оси
мм;
допускаемый износ по длине шейки оси
м.
осевая нагрузка
т;
количество осей вагона
;
вес брутто вагона
т.
1) Вычисление
нагрузок.
Осевая нагрузка (выраженная в единицах СИ), Н:
;
Н = 0,229 МН.
Вес колёсной пары (выраженный в
единицах СИ), Н:
,
где
- масса колёсной пары РУ1Ш,
= 1,2 т;
Н.
Вертикальная нагрузка, действующая
на колёсную пару, Н:
;
Н.
1) Определение
изгибающих моментов.
Изгибающий момент в первом расчётном
сечении,
:
,
где
- расстояние от центра оси колёсной
пары до центра тяжести кузова,
= 1,45 м;
- расстояние между центрами
приложения нагрузки на шейки,
= 2,036 м;
- длина шейки оси,
= 0,19 м;
- коэффициент, учитывающий
увеличение длины шейки при износе бурта (вводится для букс с подшипниками
скольжения),
= 0;

≈ 0,020
.
Изгибающий момент во втором
расчётном сечении,
:
,
где
- половина расстояния между
центрами приложения нагрузки на шейки, м:
;
м;
s - половина
расстояния между кругами катания, м:
,
где 2s -
расстояние между кругами катания, 2s = 1,58 м;
м;
- радиус средне изношенного колеса,
= 0,45 м;

≈
≈ 0,098
.
Изгибающий момент в третьем
расчётном сечении,
:
;

≈ 0,056
.
1) Нахождение
диаметров оси.
Диаметр шейки оси, мм:
,
где
- допускаемое напряжение для шейки
оси,
Па;
мм ≈ 0,1201 м.
С учётом припусков на обработку
окончательно принимаем, мм:
;
мм ≈ 0,1221 м.
Замечаем, что условие
≤
выполняется.
Диаметр подступичной части оси, мм:
,
где
- допускаемое напряжение для
подступичной части оси,
Па;
мм ≈ 0,1823 м.
С учётом припусков на обработку
окончательно принимаем, мм:
;
мм ≈ 0,1883 м.
Замечаем, что условие
≤
выполняется.
Диаметр средней части оси, мм:
,
где
- допускаемое напряжение для
средней части оси,
Па;
мм ≈ 0,1542 м.
С учётом припусков на обработку
окончательно принимаем, мм:
;
мм ≈ 0,1602 м.
Замечаем, что условие
≤
выполняется
Распечатка результатов, полученных
при использовании программы PRNT.
***** Параметры введенные для расчета *****
Мбр=92.300т Мкп=1.200т h=1.450м
S=0.790мколеса=0.450м 2l=2.036м Длина шейки lh=0.190м
Допускаемый износ шейки оси Z=0.001м
Допускаемые напряжения в МН/(м*м): [G1]=120
[G2]=165 [G3]=155
***** Результаты расчета *****
Нагрузка на ось Poc=0.234МН
Изгибающий момент в сечении N-1 М1=0.021 МН*м
Изгибающий момент в сечении N-2 М2=0.100 МН*м
Изгибающий момент в сечении N-3 М3=0.057 МН*м
Напряжения в сечении N-1 G1=97.569 МН/(м*м)
Напряжения в сечении N-2 G2=139.862 МН/(м*м)
Напряжения в сечении N-3 G3=129.196 МН/(м*м)
Необходимые
диаметры оси:=0.1213м d2:=0.1836м d3:=0.1553м
Необходимые
диаметры оси с учетом припусков на обработку:=0.1233м d2:=0.1896м d3:=0.1613м
Вывод: по
результатам условного метода расчёта при осевой нагрузке
т условие
прочности оси колёсной пары РУ1Ш грузового вагона обеспечено, так как все
рассчитанные диаметры оси меньше допускаемых.
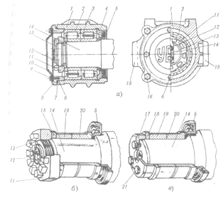
3.2 Буксовый узел
В настоящее время в России более 95%
грузового вагонного парка и весе пассажирские вагоны оборудованы буксами с
подшипниками качения.
Типовая букса с глухой подшипниковой
посадкой внутреннего кольца цилиндрических роликовых подшипников на шейку оси
применяется в современных грузовых и пассажирских вагонах.
На железных дорогах России наиболее
широко распространены буксы на горячей посадке вследствие их преимуществ.
Современная типовая букса с двумя цилиндрическими роликовыми подшипниками для
любого типа грузового вагона может иметь два вида торцового крепления внутренних
колец от продольного сдвига - торцовой корончатой гайкой или тарельчатой
шайбой. Букса с торцовым креплением гайки (см. рис.17, а, б)
имеет корпус 1 с приливами 15, в котором размещены передний 2
и задний 3 подшипники с короткими цилиндрическими роликами. Со стороны
колеса корпус закрыт лабиринтным уплотнением 4 (съёмныё лабиринт) и 5
(лабиринтное кольцо), а впереди - крепительной 8, укреплённой болтами 16
к корпусу и смотровой 10 крышками с болтами 6 и шайбами 9.
Крепительная крышка из стали или алюминиевого сплава прочно удерживает наружные
кольца роликовых подшипников 2 и 3 в буксе, не позволяя им
проворачиваться и перемещаться вдоль оси при вращении колёсной пары. Внутренние
кольца подшипников закреплены на шейке оси с торца корончатой гайкой 11,
стопорной планкой 13 и болтами 12. Между корпусом буксы 1
и крепительной крышкой 8 установлено уплотнительное кольцо 7,
обеспечивающее герметизацию буксового узла. Внутренняя полость буксы заполнена
консистентной смазкой, обеспечивающей надёжную работу подшипников в сложных
условиях их нагружения.
Рис.17 Букса грузового вагона с
двумя цилиндрическими роликовыми подшипниками: а - конструкция; б -
торцовое крепление внутреннего кольца корончатой гайкой; в - торцовое крепление
внутреннего кольца тарельчатой шайбой
Другой вариант торцового крепления внутренних
колец подшипников отличается следующими особенностями (см. рис.17, в). К
торцу шейки оси тремя или четырьмя (варианты) болтами 21 укрепляется
тарельчатая шайба 17, которая своими выступающими краями нажимает на
приставное кольцо 18 и прочно закрепляет внутренние кольца подшипников 19
и 20 на шейке оси 14, удерживая их от продольного сдвига при
действии осевых нагрузок.
Буксы на горячей и втулочной посадке имеют свои
преимущества и недостатки. Преимуществами букс с глухой подшипниковой посадкой
является снижение массы вследствие отсутствия втулки и уменьшения габаритных
размеров подшипника; сокращение почти в 5 раз затрат труда на монтаж и демонтаж
подшипников, а в связи с этим в два с половиной раза снижение эксплуатационных
затрат на ремонт букс. Однако, при таком способе посадки нередко наблюдается
потеря натяга.
3.3 Выбор буксовых подшипников
В буксах современных вагонов применяют
радиальные роликовые подшипники с короткими цилиндрическими роликами двух
типов: однорядные с цилиндрическими роликами и однобортовым внутренним кольцом
(см. рис.18, а); однорядные с безбортовым внутренним кольцом и плоским
приставным упорным кольцом. В буксах вагонов прежних лет постройки использовали
двухрядные сферические роликовые подшипники на втулочной посадке кольцом (см.
рис.18, б).
Рис. 18 Типы роликовых
подшипников:
а -
цилиндрический на горячей посадке;
б - сферический на втулочной
посадке
Подшипники состоят из наружного 1 и
внутреннего 3 колец, роликов 2 и сепараторов 4. Кольца и
ролики изготавливают из сталей марок ШХ4, ШХ15 и ШХ15СГ. Сталь марки ШХ4
регламентируемой прокаливаемости обладает более высокой твёрдостью
поверхностного слоя и достаточной вязкостью внутренних волокон, что
обеспечивает более высокую устойчивость хрупкому разрушению по сравнению со
сталями марок ШХ15 И ШХ15СГ.
Ролики цилиндрического подшипника имеют скосы у
торцов. У подшипников на горячей посадке ролики с 1973 г. изготавливали с
рациональным контактом с поверхностью дорожек качения колец - с так называемой
”бомбиной”.
Расчёт вагонных подшипников качения
Расчёт подшипников качения производиться на
основании ГОСТ 18855-73.
Исходные данные:
количество осей вагона
;
вес брутто вагона
т;
тип оси колёсной пары - РУ1Ш;
масса колёсной пары РУ1Ш
= 1,2 т;
диаметр средне изношенного колеса
= 0,9 м;
расчётный диаметр шейки оси (см. гл.
2.2)
мм;
количество цилиндрических роликовых
подшипников в одной буксе
;
расчётная долговечность подшипников
для грузовых вагонов
тыс. км.
Выбор цилиндрических роликовых
подшипников качения на горячей посадке.
Вес брутто (выраженный в единицах
СИ), Н:
;
Н.
Вес колёсной пары (выраженный в
единицах СИ), Н:
,
Н.
Статическая нагрузка на один
цилиндрический роликовый подшипник, Н:
;
Н.
Динамическая эквивалентная нагрузка
для цилиндрических роликовых подшипников, Н:
,
где
- коэффициент, учитывающий
динамичность приложения нагрузки,
= 1,3 (для грузовых вагонов);
Н.
Необходимая динамическая
грузоподъёмность при установленной долговечности
в тыс. км определяем по [2, (6)],
Н:
;
Н.
Учитывая полученную динамическую
грузоподъёмность С =
и диаметр шейки
мм, которая
равняется внутреннему диаметру или диаметру посадочной втулки подшипника d, выбираем
подшипники по [2, табл. 1]:
тип - 3232226Л2, 3042226Л1;
наружный диаметр - D = 230
мм;
внутренний диаметр - d = 130 мм;
ширина - B = 80 мм;
количество роликов - z = 16;
тип посадки - горячая;
динамическая грузоподъёмность -
= 481000 Н.
3.4 Расчёт рессорного
подвешивания
Упругие элементы,
являясь составной частью рессорного подвешивания, смягчают толчки и удары,
действующие на движущийся вагон от рельсового пути. В качестве упругих
элементов применяют витые стальные пружины, резиновые, пневматические,
торсионные, стальные листовые рессоры. Пружина - упругий элемент,
изготовленный завивкой.
В ходовых частях современных вагонов наибольшее
распространение получили витые цилиндрические пружины (см. рис.19, а),
которые по сравнению с применяемыми ранее листовыми рессорами позволяют
получать необходимые упругие характеристики при меньших массах и габаритных
размерах, а в сочетании с гасителями колебаний обеспечивать более спокойный ход
вагона.
Кроме того, пружины могут смягчать
горизонтальные толчки и удары, что не могут листовые рессоры, пружины также
гораздо проще в изготовлении и ремонте, чем листовые рессоры.
В силу своих преимуществ цилиндрические пружины
(см. рис.19, а) почти вытеснили широко применяемые ранее листовые
рессоры. Хотя конические рессоры (см. рис. 19, б) имеют более
благоприятную силовую характеристику, но сложны в изготовлении и ремонте.
Поэтому они не нашли широкого распространения в вагоностроении.
Рис.19 Витые пружины:
а -
цилиндрическая;
б - коническая
Под действием вертикальной расчётной
силы
(в
дальнейшем P без
индекса) пружина прогнётся, в материале возникнут напряжения. Рассматривая
произвольное поперечное сечение витка (см. рис. 20, а), приложим к его
центру равные и противоположно направленные силы P, что не
приведёт к нарушению равновесия. В результате крутящий момент M пары сил P на плече R вызовет
деформацию кручения
в
поперечном сечении прутка (рис. 20, б), а сила P,
направленная вниз, - деформацию среза
(см. рис. 20, в).
Если для обеспечения прочности и необходимых
гибких свойств однорядной пружины получаются слишком большие её габаритные
размеры, то целесообразно применять многорядные пружины. В связи с этим в
вагонах наибольшее распространение получили двухрядные пружины, а в центральном
подвешивании тележек пассажирских вагонов - трёхрядные. Заметим, что двухрядная
пружина работает по системе с параллельным их расположением в комплекте.
Рис. 20 Расчётная схема
цилиндрической пружины: а - схема действия сил; б - распределение в
сечении прутка касательных напряжений от действия крутящего момента М; в -
распределение касательных напряжений от действия перерезывающей силы Р
При проектировании рессорного подвешивания
вагона необходимо руководствоваться Нормами для расчёта и проектирования новых
и модернизируемых вагонов железных дорог МПС колеи 1520 мм (несамоходных).
Исходные данные:
вес брутто вагона
т;
конструктивная скорость
км/ч.
Определение искомых параметров
рессорного подвешивания.
Определяем массу надрессорного
строения вагона, т:
,
где
- масса тележки,
= 4,9 т
(для тележки ЦНИИ-Х3-0);
- масса надрессорной балки,
= 0,5 т;
т.
Вес надрессорного строения, Н:
;
Н.
Кузов вагона с заданной скоростью
движения при схеме рессорного подвешивания тележки по типу ЦНИИ-Х3-0 подвешен
на 4-х рессорных комплектах (по 2 комплекта на каждой тележке), каждый элемент
состоит из сети упругих элементов.
Статическая нагрузка на один упругий
элемент (пружину) определяется выражением, Н:
,
где
- количество тележек,
= 2;
- количество комплектов на тележке,
= 2;
- количество упругих элементов в
комплекте,
= 7;
Н.
Расчётная нагрузка на одну пружину,
Н:
,
где
- коэффициент конструктивного
запаса,
= 1,8
(по рекомендации [3,c.5]);
Н.
Вычислим коэффициент кривизны
прутка:
,
где
- индекс пружины,
= 6.
.
Диаметр прутка находим по условию
обеспечения прочности пружины, м:
,
где
- допускаемое суммарное напряжение
от напряжений кручения
и
касательных напряжений
,
Па;
;
м.
Средний диаметр пружины, м:
;
м.
Количество рабочих витков равняется:
,
где
- статический прогиб рессорного
подвешивания,
= 0,05 м (по
рекомендации [3, с. 4];
G - модуль
сдвига материала пружины,
Па;
.
Жёсткость пружины, Н/м:
;
Н/м.
Для создания более компактного рессорного
подвешивания заменим полученную пружину эквивалентной ей двухрядной.
Наружный диаметр прутка пружины, м:
,
где s - зазор
между внутренней и наружной пружинами, s = 0,003 м
(по рекомендации [3, c. 9];
= 0,0303 м.
Внутренний диаметр прутка пружины,
м:
;
м.
По ГОСТ 2590-71 принимаем:
наружный диаметр прутка пружины
м;
внутренний диаметр прутка пружины
м.
Средние диаметры пружин, м:
;
;
м;
м.
Количество рабочих витков наружней и
внутренней пружин:
;
;
;
.
Высота наружной и внутренней пружин
в сжатом состоянии до соприкосновения витков, м:
;
;
м;
м.
Расчётный (максимальный) статический
прогиб, м:
;
м.
Высота наружной и внутренней пружин
в свободном состоянии, м:
;
;
м;
м.
Для выравнивания высот наружной и
внутренней пружин необходимо предусмотреть прокладку под внутреннюю пружину
толщиной, м:
;
м.
Во избежание потери устойчивости или
значительного искривления пружины при сжатии необходимо выполнения следующего
условия:
≤ 3,5.
В нашем случае условие устойчивости
определяем по параметрам наружной пружины, определяющей устойчивость гнезда в
целом:
≤ 3,5;
≤ 3,5.
Вывод: таким
образом, комплект, состоящий из семи двухрядных пружин, будет устойчивым.
Жёсткости наружной и внутренней
пружин определяются так, Н/м:
;
;
Н/м;
Н/м.
Суммарная жёсткость двухрядной
пружины составит, Н/м:
;
Н/м.
Погрешность по сравнению с
необходимой жёсткостью составляет, %:
;
;
%.
Вывод: расчёт
является корректным, так как полученная погрешность не превышает 5%.
3.5 Гасители колебаний
При движении вагона по периодическим неровностям
пути (стыкам рельсов, например) со скоростью, когда частоты вынужденных и
собственных колебаний близки по величине, могут возникать большие амплитуды
колебаний кузова на рессорах (резонанс), если в системе рессорного подвешивания
отсутствуют или малы силы сопротивления. Поэтому для гашения резонансных
колебаний в систему рессорного подвешивания вводят специальные гасители,
которые позволяют снизить амплитуды и ускорения колебательного движения, а
следовательно, уменьшить воздействие динамических сил на элементы вагона и
перевозимый в нём груз. Многочисленные разновидности конструкций гасителей
колебаний, применяемых в подвижном составе, можно объединить в две большие
группы: фрикционные и вязкого сопротивления. Рассмотрим только
фрикционные гасители колебаний.
Фрикционные клиновые гасители колебаний широко
применяют в тележках грузовых вагонов. Так, в двухосных тележках типа ЦНИИ-Х3
фрикционный гаситель колебаний состоит из двух фрикционных клиньев 2
(см. рис. 21), размещённых между наклонными поверхностями концов надрессорной
балки 1 и фрикционными планками 3, укреплёнными на колонках 4
боковой рамы тележки. Клинья опираются на двухрядные цилиндрические пружины 5
Рис. 21Фрикционный гаситель колебаний
Работа таких гасителей заключается в следующем.
При вертикальных колебаниях надрессорной балки 1 совместно с
обрессоренными массами вагона фрикционные клинья 2 перемещаются вниз и
вверх относительно фрикционных планок 3. В результате между клиньями и
планками возникают силы трения, создающие сопротивление колебательному
движению. При этом величина силы трения прямо пропорциональна прогибу пружин и
возрастает с его увеличением, так как клинья прижимаются с большей силой.
Работа сил трения преобразуется в тепловую энергию, которая рассеивается в
окружающую среду необратимо. Такого типа гаситель называют фрикционным с
переменной силой трения, зависящей от прогиба.
3.6 Установление параметров
гасителей колебаний
Расчёт фрикционных гасителей колебаний
практически сводится к определению необходимых углов наклона поверхностей
трения и подбора трущихся пар с соответствующими коэффициентами трения.
При расчёте рассматривается равновесие надрессорной
балки и клиньев под действием приложенных к ним сил.
На рис. 22 приведена расчётная схема клинового
гасителя, на которой обозначены:
- угол наклона к вертикали трущихся
поверхностей надрессорной балки и фрикционных клиньев;
- угол наклона к вертикали трущихся
поверхностей фрикционных планок, укреплённых на боковых рамах тележки и
клиньев;
- суммарная жёсткость основных
пружин рессорного комплекта, на которые передаёт нагрузку надрессорная балка;
- жёсткость пружины, поддерживающей
фрикционный клин.
Рис. 22 Схема клинового
гасителя колебаний
При расчёте параметров фрикционного клинового
гасителя колебаний вагона необходимо руководствоваться Нормами для расчёта и
проектирования новых и модернизируемых вагонов железных дорог МПС колеи 1520 мм
(несамоходных).
Исходные данные:
вес брутто вагона
т;
длина кузова вагона
м;
база вагона
м;
база тележки
м;
масса надрессорного строения
т = 87200
кг;
вес надрессорного строения
Н;
статический прогиб рессорного
подвешивания под нагрузкой брутто
= 0,05 м.
Определение параметров гасителя
колебаний.
Половина длины кузова, м:
;
м.
Половина базы вагона, м:
;
м.
Жёсткость рессорного подвешивания
одной тележки при деформации рессор в вертикальном направлении, Н/м:
;
Н/м.
Масса надрессорного строения, т:
,
где
- масса тележки,
= 4,9 т;
- масса надрессорной балки,
= 0,5 т;
т = 85200 кг.
Момент инерции массы кузова
относительно поперечной горизонтальной оси, проходящей через его центр масс,
:
,
- момент инерции кузова, 

.
Частота собственных колебаний кузова
в вертикальной продольной плоскости,
:
для подпрыгивания
;

;
для галопирования

.
Определяем фазы прохождения
колёсными парами вагона косинусоидальных неровностей рельсового пути:
;
;
,
где
- половина длины рельсового звена
25 м,
= 12,5 м;
;
;
.
Частота колебаний, Гц:
для подпрыгивания
;
Гц;
для галопирования
;
Гц.
Допускаемая амплитуда колебаний
кузова вагона, м:
для подпрыгивания
,
где
- показатель плавности хода,
= 4 (для
грузовых вагонов);
м;
для галопирования
;
м.
Параметр гасителя колебаний для
тележки из условия обеспечения устойчивого режима при колебаниях подпрыгивания
кузова,
:
,
где
- амплитуда волны профиля пути, т.
е. половина разности уровня рельса под колесом вагона в середине волны
(рельсового звена) и в низшей точке (зоне стыка),
= 0,005 м;

.
Параметр гасителя при колебаниях
галопирования кузова,
:
,

.
Принимаем большее значение параметра
гасителей колебаний тележки

.
В проектируемом рессорном
подвешивании устанавливаются гасители колебаний трения, развивающее
сопротивление колебаниям пропорционально перемещению упруго подвешенной части
вагона.
За основу дальнейших вычислений
принимаем результаты, полученные при колебаниях галопирования кузова (параметр
гасителей колебания тележки равняется параметру гасителей при колебаниях
галопирования).
Параметр гасителей (коэффициент
относительного трения) определим так:
;
.
Полученный параметр не должен быть
меньше рекомендуемого значения:
,
где
- количество колёсных пар в
тележке,
= 2;
;
k - коэффициент,
k = 0,8 (для
центрального рессорного подвешивания);
.
Таким образом, фрикционный гаситель
колебаний должен иметь коэффициент относительного трения
.
3.7 Анализ конструктивных
особенностей тележки ЦНИИ-Х3-0
Современные грузовые вагоны магистрального и
промышленного транспорта имеют двух-, трёх- и четырёхосные тележки,
большегрузные транспортёры оснащены многоосными тележками, состоящими из набора
перечисленных выше конструкций.
Как правило, это - модели с одноступенчатым
рессорным подвешиванием. Исключение составляют лишь изотермические и некоторые
специализированные вагоны, служащие для перевозки грузов, требующих транспортировки
с повышенными скоростями.
Тележка модели 18-100
(ЦНИИ-Х3-0: ЦНИИ - прежнее название ВНИИЖТа, разработавшего конструкцию, Х -
первая буква автора - Ханина, 3 - третий вариант, О - облегчённая по
результатам исследований МИИТа), рассчитанная на конструкционную скорость
движения 120 км/ч, состоит (см. рис. 23) из двух колёсных пар 6 с
четырьмя буксовыми узлами 5, двух литых рам 1, надрессорной балки
2, двух комплектов центрального подвешивания с фрикционными гасителями
колебаний 4 и тормозной рычажной передачи 7.
Рис.23. Двухосная тележка
грузовых вагонов с литыми боковыми рамами:
/ - боковая рама; 2 -
надрсссорная балка; 3 - комбинированный рессорный комплект;
4 -
клин фрикционного гасителя колебаний; 5 - буксовый узел с роликовыми
подшипниками; 6 - колесная пара; 7 - тормозное оборудование;
8 -
скользун
Боковая рама
(см. рис. 24) отлита из низколегированной стали 20ФЛ или 20ГЛФ. Она имеет
объединённые пояса и колонки, образующие в средней части проём для размещения
комплекта центрального рессорного подвешивания, а по концам - буксовые проёмы.
Шишки 3, отлитые с внутренней стороны на наклонном поясе, служат для
подбора боковых рам (боковин) при сборке тележки, так как в зависимости от
допускаемых отклонений при отливке и обмере боковин некоторые из шишек срубают.
Если все шишки срублены, то рама имеет градацию № 0 с размером между наружными
челюстями 1 (см. рис. 24) 2181 мм, при одной оставленной шишке это
расстояние равно 2183 мм, а рама имеет градацию № 1, при №№ 2, 3, 4 и 5
указанное выше расстояние соответственно увеличивается по 2 мм.
Надрессорная балка
(см. рис. 25) - литая из стали марок 20ФЛ или 20ГФЛ, имеет полую конструкцию
замкнутого поперечного сечения и формы, близкую к брусу равного сопротивления
изгибу. Она отлита вместе с подпятником, служащим опорой кузова вагона и
опорами для скользунов. На каждом из двух опор скользунов размещаются
перевёрнутые коробки 8 с регулировочными прокладками 9. Такая
конструкция по сравнению с применяемой ранее (коробки отливались заодно с
надрессорной балкой, а вкладыши скользуна укладывались в них, что в
эксплуатации приводило к накоплению продуктов износа и недопустимое уменьшение
зазоров между скользунами тележки и кузова вагона), обеспечивает самоудаление
продуктов износа и постоянство отрегулированных зазоров между скользунами.
Рис.24. Боковая рама тележки
модели 18-100:
/ - челюсти; 2 - кольцевая
опора; 3 - пять приливов в виде шишек; 4 - кронштейн для
крепления подвесок тормозных башмаков; 5 - направляющие, ограничивающие
поперечное перемещение фрикционных клиньев; 6 - бурты и бонки для
фиксирования пружин рессорного комплекта; 7 - полка, служащая для удержания
триангсля в случае обрыва подвесок;
Рис. 25 Надрессорная балка
тележки модели 18-100:
/- подпятник; 2 -
кронштейн мёртвой точки рычажной передачи тормоза; 3 - опора для
скользуна; 4 и 5 - бурты, ограничивающие смещения наружных и внутренних
пружин рессорного комплекта при движении тележки; б - выемка, служащая для
размещения фрикционных клиньев; 7 - полка для крепления кронштейна мертвой
точки; 8 - колпак (коробка) скользуна; 9 - прокладки для регулировки
зазоров между скользунами вагона и тележки; 10 - болт, предохраняющий
колпак скользуна от падения; 11 - поддон для опоры шкворня; 12 -
колонка, усиливающая опору на подпятник пятника вагона
3.8 Расчёт элементов тележки
18-100
Нормами для расчёта и проектирования вагонов
установлены два основных и один дополнительный расчётные режимы.
I
расчётный режим. Этому режиму для грузовых вагонов
соответствуют силы, возникающие при трогании состава повышенной массы и длины с
места и его осаживании, при производстве маневровых работ и соударении вагонов,
при экстренном торможении в поездах, движущихся с малыми скоростями, а для
пассажирских вагонов - силы, возникающие при маневровых и аварийном соударении,
при столкновении вагонов в нештатных ситуациях, а также при аварийном рывке
(толчке) вагона движущегося в составе грузового поезда.
Основным требованием этого режима является
недопущение появления остаточных деформации (повреждений) в узле или детали
вагона при действии достаточно резкого сочетания экстремальных нагрузок.
Величины продольных нагрузок для I
режима при расчёте на прочность принимаются равными:
при действии сжимающих сил квазистатические силы
и силы при ударных процессах (удар) для грузовых вагонов основных типов
соответственно составляют 3 и 3,5 МН; для изотермических вагонов,
хоппер-дозаторов, вагонов-самосвалов - 2,5 и 3 МН; для пассажирских вагонов
всех типов - 2,5 МН в обоих случаях;
при действии растягивающих сил уровень
квазистатической силы и уровень импульсных усилий растяжения (рывок)
соответственно для грузовых вагонов принимаются равными 2,5 МН в обоих случаях,
а для пассажирских вагонов - 1,5 и 2 МН.
Время действия импульсных усилий (удара и рывка)
принимается равным 0,3 с.
При расчётах по I режиму
допускаемые напряжения необходимо принимать близкими к пределу текучести
или пределу
прочности
в
зависимости от свойств материала и характера приложенной нагрузки (ударный или
волновой процессы).
II
дополнительный специальный расчётный режим. Этот расчётный режим
устанавливается для отдельных типов вагонов, а необходимость проведения расчёта
указывается в техническом задании на проектирование. При расчётах учитывают
силы, создающие неблагоприятное сочетание нагрузок для данного типа вагона (при
ремонтных операциях, погрузочно-разгрузочных работах и т. д.).
III расчётный
режим. Этому
режиму в условиях эксплуатации соответствуют силы, возникающие при движении
вагона в составе поезда по прямым, кривым участкам пути и стрелочным переводам
с допускаемой скоростью вплоть до конструкционной при периодических служебных
регулировочных торможениях, периодических умеренных (при незначительном
изменении ускорений) рывках и толчках, нормальной работе механизмов и узлов
грузовых и пассажирских вагонов. Основное требование режима - недопущение
усталостного разрушения узла или детали вагона при действии достаточно частом
возможных сочетаний умеренных по величине нагрузок, соответствующих нормальной
работе вагона в движущемся поезде.
Для III режима
величины продольных нагрузок при расчёте на прочность грузовых вагонов основных
типов, изотермических, пассажирских вагонов, хоппер-дозаторов,
вагонов-самосвалов соответственно для сжимающих и растягивающих сил
(квазистатические силы и силы от ударных воздействий, рывков) принимаются
равными 1 МН. При расчётах по III режиму допускаемые
напряжения определяют исходя из пределов выносливости материала с учётом
совместного действия квазистатических, вибрационных, ударных нагрузок, влиянии
коррозии металла и т. д.
Расчёт на прочность узлов и деталей
тележки производится по критерию удовлетворения несущей способности всех её
узлов и деталей, предназначенных для восприятия расчётных нагрузок. Расчёт
производится по допускаемым напряжениям и деформациям, а также на сопротивление
усталости. Величина и сочетание расчётных нагрузок при расчёте по I и III режимам
загружения принимается по данным табл.7
Таблица7
Величина и сочетание нагрузок,
принимаемых при расчётах тележек вагонов
|
Наименование
расчётных нагрузок
|
Обозначения
|
Расчётные
режимы
|
|
|
I
|
II
|
|
Продольные
нагрузки силы массы тележки
|
N
|
При
ускорении тележки При
ускорении тележки
|
|
Вертикальные нагрузки: вертикальная
статическая сила тяжести кузова брутто и соответствующих элементов тележки вертикальная
динамическая нагрузка вертикальная динамическая добавка от продольной силы
инерции кузова Рст Рд Ри В
соответствии с нормами осевой нагрузки Не учитывается При силе удара в
автосцепку 3,5 МН В соответствии с нормами осевой нагрузки При
,
принимаемых по расчёту
При силе удара в автосцепку 1,0
|
МН
|
|
|
Боковые
нагрузки: рамная сила боковая нагрузка
|
Hp
H
|
Не
учитывается Не учитывается
|
По
расчёту По расчёту
|
|
Самоуравновешивающиеся
нагрузки: вертикальные кососимметрические силы (для тележки с жёсткой на
скручивание рамой)
|
Pz
|
Не
учитывается
|
По
расчёту
|
Расчёт на прочность рамы тележки
Расчётная схема (см. рис.25) образована
проведением стержней на нейтральных осях сечений. Стержневая система задаётся
шестью сечениями, представленными последовательно.
На рис. 2.15 условно обозначены:
I - номер сечения;
- номер узла;
Введённые вспомогательный узлы 17, 18, 19 на
рис. 2.15 не представлены.
Рис. 25 Расчётная схема
Рис. 26 Сечение I
Рис. 27 Сечение II
Рис. 28 Сечение III
Рис. 29 Сечение IV
Рис. 30 Сечение V
Рис. 31 Сечение VI
При расчёте необходимо руководствоваться Нормами
для расчёта и проектирования новых и модернизируемых вагонов железных дорог МПС
колеи 1520 мм (несамоходных).
Определение вертикальной нагрузки
при I
режиме движения.
Исходные данные:
количество осей вагона
;
вес брутто вагона
т;
масса колёсной пары РУ1Ш
= 1,2 т.
масса тележки
= 4,9 т;
количество тележек
;
база вагона
м;
количество пружин
.
Вычисление нагрузок.
Вес брутто (выраженный в единицах
СИ), Н:
;
Н.
Вес колёсной пары (выраженный в
единицах СИ), Н:
,
Н.
Вес тележки пары (выраженный в
единицах СИ), Н:
;
Н.
Вертикальная cтатическая нагрузка от
кузова вагона брутто, Н:
,
где
- количество боковых рам тележки
вагона,
= 4;
Н.
Вес кузова, Н:
;
Н.
Вертикальная динамическая добавка от
продольной силы инерции кузова, возникающая при ударе в автосцепку, Н:
,
где
- норма продольных усилий,
принимаемая в расчётах по I режиму,
= 3,5 МН =
Н;
- высота центра тяжести вагона от
оси автосцепки,
= 1,45 м;
- количество боковых рам в одной
тележке,
= 2;
Н.
Вертикальная нагрузка на весь
рессорный комплект, Н:
;
Н.
Вертикальная нагрузка на одну
пружину, Н:
;
Н.
По расчётной схеме (см. рис. 2.15)
принимаем
Н;
Н;
Н.
Примечание: последние
значения, принятые по расчётной схеме предназначены для ввода в программу в
комплексе ”Искра”.
Определение вертикальной нагрузки
при III режиме движения.
Исходные данные:
вертикальная cтатическая нагрузка от
кузова вагона брутто
Н;
коэффициент осности тележки b = 1;
конструктивная скорость
км/ч = 33,33
м/с;
статический прогиб рессорного
подвешивания под нагрузкой брутто
= 0,05 м;
количество пружин
.
Вычисление нагрузок.
Коэффициент вертикальной динамики
обрессореных частей тележки:
,
где
- среднее вероятное значение
коэффициента вертикальной динамики:
,
где a
- коэффициент,
принимаемый на основании обработки резуль татов теоретических и
экспериментальных исследований,
a = 0,15 (для
необрессоренных частей тележки);
;
- параметр распределения (уточняется
по экспериментальным данданным
= 1,13 (для грузовых вагонов при
существующих условиях эксплуатации);
- доверительная вероятность,
= 0,97;
.
Максимальная вертикальная динамическая
нагрузка от кузова, Н:
;
Н.
Центробежная сила, возникающая при
движении вагона в кривой, Н:
,
где
- относительное непогашенное
ускорение,
= 0,075;
Н.
Боковая нагрузка на элементы
тележки, возникающая при движении вагона по кривым участкам пути, Н:
,
где
- высота центра масс при действии
центробежной силы,
= 1,45 м;
m - число боковых
рам с одной стороны вагона, m = 2;
2b - расстояние
между точками приложения боковых сил дополнительного нагружения и разгружения
рассчитываемой части вагона,
2b = 2,036 м;
Н.
Вертикальная нагрузка на весь
рессорный комплект, Н:
;
Н.
Вертикальная нагрузка на одну
пружину, Н:
;
Н.
По расчётной схеме (см. рис. 25)
принимаем
Н;
Н;
Н.
Примечание: последние
значения, принятые по расчётной схеме предназначены для ввода в программу в
комплексе ”Искра”.
Анализ полученных
результатов
Результаты расчёта по I
и III режимам
представлены соответственно в табл.7 и табл.8.
Таблица 7
|
Номер
элемента
|
Номера
узлов
|
Нормальные
напряжения Касательные
напряжения
|
|
|
|
в
начале стержня (0)
|
в
середи- не стержня (0,5)
|
в
конце стержня (1)
|
в
начале стержня (0)
|
в
середи- не стержня (0,5)
|
в
конце стержня (1)
|
|
-
|
-
|
|
|
1
|
6-7
|
20
|
20
|
20
|
0
|
0
|
0
|
|
2
|
3-4
|
31
|
31
|
31
|
0
|
0
|
0
|
|
3
|
8-9
|
41
|
26
|
46
|
6
|
6
|
6
|
|
4
|
11-16
|
10
|
17
|
35
|
38
|
38
|
38
|
|
5
|
16-15
|
35
|
44
|
53
|
27
|
27
|
27
|
|
6
|
15-14
|
53
|
54
|
56
|
5
|
5
|
5
|
|
7
|
12-13
|
39
|
12
|
15
|
6
|
6
|
6
|
|
8
|
5-6
|
8
|
8
|
8
|
0
|
0
|
0
|
|
9
|
4-5
|
14
|
14
|
14
|
0
|
0
|
0
|
|
10
|
2-3
|
12
|
13
|
13
|
0
|
0
|
0
|
|
11
|
1-2
|
0
|
17
|
33
|
16
|
16
|
16
|
|
12
|
2-8
|
38
|
34
|
30
|
2
|
2
|
2
|
|
13
|
9-10
|
25
|
31
|
36
|
2
|
2
|
2
|
|
14
|
10-11
|
34
|
19
|
11
|
15
|
15
|
15
|
|
15
|
11-12
|
23
|
19
|
15
|
2
|
2
|
2
|
|
16
|
13-5
|
5
|
6
|
8
|
2
|
2
|
2
|
Таблица 8
|
Номер
элемента
|
Номера
узлов
|
Нормальные
напряжения Касательные
напряжения
|
|
|
|
в
начале стержня (0)
|
в
конце стержня (1)
|
в
начале стержня (0)
|
в
середи- не стержня (0,5)
|
в
конце стержня (1)
|
|
-
|
-
|
|
|
1
|
6-7
|
15
|
15
|
15
|
0
|
0
|
0
|
|
2
|
3-4
|
22
|
23
|
23
|
0
|
0
|
0
|
|
3
|
8-9
|
30
|
19
|
33
|
5
|
5
|
5
|
|
4
|
11-16
|
8
|
12
|
25
|
28
|
28
|
28
|
|
5
|
16-15
|
25
|
32
|
38
|
20
|
20
|
20
|
|
6
|
15-14
|
38
|
40
|
41
|
4
|
4
|
4
|
|
7
|
12-13
|
28
|
9
|
11
|
4
|
4
|
4
|
|
8
|
5-6
|
6
|
6
|
6
|
0
|
0
|
0
|
|
9
|
4-5
|
10
|
10
|
10
|
0
|
0
|
0
|
|
10
|
2-3
|
9
|
9
|
9
|
0
|
0
|
0
|
|
11
|
1-2
|
0
|
12
|
24
|
12
|
12
|
12
|
|
12
|
2-8
|
27
|
25
|
22
|
2
|
2
|
2
|
|
13
|
9-10
|
18
|
22
|
27
|
2
|
2
|
2
|
|
14
|
10-11
|
25
|
14
|
8
|
11
|
11
|
11
|
|
15
|
11-12
|
17
|
14
|
11
|
1
|
1
|
1
|
|
16
|
13-5
|
4
|
5
|
6
|
1
|
1
|
1
|
Выводы: условие
прочности рамы тележки проектируемого вагона по результатам расчёта при осевой
нагрузке
т для I режима и III режима
обеспечено, так как действительные напряжения меньше допускаемых.
4. РАСЧЕТ АВТОСЦЕПНОГО УСТРОЙСТВА
4.1 Расчет поглощающего аппарата
В автосцепном устройстве грузового четырехосного
вагона применяется поглощающий аппарат Ш-2-В. Расчет поглощающего аппарата
сводится к расчету по энергоемкости, то есть величина кинематической энергии
удара, воспринимаемой при ударном сжатии.
Энергоемкость поглощающего аппарата грузового
вагона определяется по формуле:
,
где
m = Рбр
= 93,3т - вес вагона брутто;
v = 2,5м/с -
расчетная скорость вагонов при соударении;
кДж.
Такую энергоемкость может
осуществить поглощающий аппарат Ш-2-В, который имеет увеличенную высоту пружин
за счет отсутствия нажимной шайбы и более высокую стабильность.
4.2 Расчет автосцепки
Корпус автосцепки изготовлен из
низколегированной стали марки 20ГЛ, имеющей характеристики:
временное сопротивление разрыву σв = 550 мПа;
предел текучести σт = 400 мПа;
относительное удлинение δ = 15%.
Разрушение корпусов, отлитых из этой
стали происходит при усилии 4 мН, если продольные силы совмещены.
Точный расчет головной части
затруднен сложной конфигурацией, а также изменением величины, степени
динамичности и точек приложения расчетных усилий в эксплуатации в связи с
относительными перемещениями автосцепок, износами поверхности их контура,
переменной величиной коэффициентов трения.
Меньше трудностей возникает при
расчете хвостовика корпуса.
Смещение осей в вертикальном
направлении допускается не более 50 мм, а в горизонтальном - не более 175 мм.
Произведем расчет корпуса по сечению І-І. Наибольшее напряжение в этом сечении
от продольных сил при максимальном вертикальном смещении не должен превосходить
предела текучести выбранного материала.
Напряжение в сечении І-І:
σІ-І =
,
где
N -
продольное усилие, N = 2,5 мН;
F - площадь
поперечного сечения І-І;
W - момент
сопротивления;
M -
изгибающий момент;
М = N∙ ε,
где
ε - эксцентриситет , ε = 50 мм.
М = 0,05∙2,5 = 0,125 мН∙м;
F = Н∙В-(Н
-
2δ)
∙ (В - 2δ);
F = 0,175∙0,13
- (0,175-2∙0,04) ∙ (0,13-2∙0,04) = 0,018 м2;
;
м3.
Найдем напряжения в сечении І-І:
мПа;
[σ] = 400 мПа;
350,8 ‹ [σ],
таким образом, рассчитанный
хвостовик автосцепки удовлетворяет условию прочности.
4.3 Расчет деталей упряжи
Тяговый хомут автосцепки СА-3
рассчитан на установку в нем поглощающих аппаратов с габаритными размерами 563×318×230
мм.
Он представляет собой отливку, в головной части которой имеются окно для клина
и приливы с отверстиями для прохода болтов, поддерживающий клин. Головная часть
тягового хомута соединена с хвостовой частью верхней и нижней плоскости.
Тяговый хомут отлит из стали 20ГФЛ с
временным сопротивление 540 мПа, пределом текучести 390 мПа, относительным
удлинением 18%. Сталь нормализуют.
Напряжения в тяговом хомуте в
наиболее опасном сечении с приложением продольной силы N = 2,5 мН не
должны превышать σт.
Рассчитаем напряжения в сечении І-І:
,
где
N -
продольная сила, N = 2,5 мН;
F - площадь
поперечного сечения;
F = (0,15∙0,03)∙2
= 0,009 м2;
мПа;
σ = 277,8 мПа ‹
[σ]т =
390 мПа,
таким образом, тяговый хомут
удовлетворяет данному условию прочности.
5. РАЗРАБОТКА МОДЕРНИЗАЦИИ
При модернизации платформы должны
учитываться:
снижение затрат на модернизацию;
улучшение технико-экономических
параметров;
потребность вагонов в данной
конструкции для перевозок.
Четырехосная платформа модели
13-9004, предназначенная для перевозки крупнотоннажных контейнеров
модернизирована съемной опорой, с целью использования ее для перевозки
большегрузных автомобильных полуприцепов.
Конструкция модернизированной
платформы обеспечивает крепление устанавливаемых автомобильных полуприцепов за
счет регулирования установки съемной опоры (см. рис. 32), и учетом габаритных
размеров автомобильных полуприцепов, а так же придает устойчивость
автомобильным полуприцепам. Съемная опора крепиться к хребтовой балке при
помощи специальных приспособлений.
Рис. 32 Съемная опора
Для устойчивости колес в полу
платформы устанавливается специальный карман. При установке автомобильного
полуприцепа на вагон, колеса помещаются в карман, где закрепляются от
продольных перемещений специальными башмаками. Башмаки жестко закрепляются
запорными устройствами, что обеспечивает безопасность для перевозки
автомобильного полуприцепа на железнодорожном транспорте.
Таким образом, модернизированная
платформа предназначена для перевозки крупнотоннажных контейнеров, а также
автомобильных полуприцепов. Модернизированная платформа может быть использована
и только по прямому назначению - перевозки крупнотоннажных контейнеров.
Установка автомобильного полуприцепа
на платформу осуществляется грузоподъемным устройством.
Представленная модернизация
позволяет быстро доставлять груз, сокращается время на перегрузку одного
контейнера в другой .
СПИСОК ИСПОЛЬЗОВАННЫХ ИСТОЧНИКОВ
1.
Конструирование и расчет вагонов: Учебник для ж - д трансп./ В.В. Лукин, Л.А.
Шадур, В.Н. Котуранов, А.А. Хохлов, П.С. Анисимов.; Под ред. В.В. Лукина.: УМК
МПС России, 2000.
.
Бороненко Ю.П., Эстлинг А.А. Вписывание вагона в габарит. Методические указания
по курсовому и дипломному проектированию. - С - Петербург, 1996.
.
Челноков И.И., Эстлинг А.А. Расчет рам и кузовов вагонов. Учебное пособие для
курсового проектирования. - Л, 1968.
.
Коломейченко В.В. и др. Автосцепное устройство железнодорожного подвижного
состава. - М.: Транспорт, 1991.
.
Чиркин В.В. Основные направления совершенствования параметров и структуры парка
грузовых вагонов. - М.: Транспорт, 1972.