Моделювання руху скреперного потягу
Зміст
Вступ
1. Огляд науково-дослідних робіт
. Математична модель скреперного потягу
.1 Розрахункова схема скреперного потягу
.2 Визначення навантажень, що діють на тягову раму
скрепера і зчіпний пристрій в тяговому режимі
.2.1 Опис сили опору копанню
.2.2 Опис сили тяги для одиночного скрепера
.3 Висновки
. Результати математичного моделювання руху
скреперного потягу за допомогою програми Simulink
.1 Запис системи диференційних рівнянь за допомогою
програми Simulink
.2 Результати розв’язання системи диференційних
рівнянь
.2.1 Визначення зусиль в тяговій рамі копаючого
скреперу в тяговому режимі скреперного потягу
.2.2 Визначення переміщень, діючих в зчіпному
пристрої, під час роботи у тяговому режимі
.3 Висновки
. Охорона праці
.1 Техніка безпеки при експлуатації
4.2 Розрахунок освітлення
Висновки та пропозиції
моделювання рух скреперний потяг
Вступ
Скрепери призначені для розробки, транспортування і укладання
ґрунту в штучні споруди або у відвал з подальшим розрівнюванням, плануванням і
частковим ущільненням. Можливість виконання закінченого циклу робіт дозволяє
широко використовувати скрепери на будівництві автомобільних і залізних доріг,
розробці кар'єрів, при пристрої гідротехнічних і іригаційних споруд, в
промисловому і цивільному будівництві, на відкритих розробках в гірничорудній
промисловості. У дорожньому будівництві скреперами зрізають рослинний шар з
переміщенням ґрунту у відвал, планують майданчики, виконують такі роботи по
зведенню земляного полотна, як влаштування насипів з односторонніх і
двосторонніх бічних резервів (у комплексі з бульдозерами), а також насипів, що
чергуються, і виїмок різної довжини, висоти і глибини, влаштування насипів і
відсипання підходів до мостів, труб з розробкою ґрунту в ґрунтових кар'єрах і
переміщенням його причіпними скреперами на 100-300 м і самохідними на 500-2500
м. При будівництві гідротехнічних і іригаційних споруд скреперами розробляються
канали, відсипаються греблі і дамби, проводиться планування полів і так далі. В
ґрунтах груп III-IV скрепери зазвичай працюють в комплексі з бульдозерами, які
використовуються як штовхачі, а також з розпушувачами. Скрепери не
рекомендується застосовувати на заболочених, не зв'язних і зв'язних
перезволожених ґрунтах (при вологості більше 25 %), при розробці сипких пісків,
на ґрунтах з крупними кам'янистими включеннями, на ділянках, не очищених від
чагарнику, пнів, валунів, при розробці ґрунтів високих категорій без
попереднього спушення. Скрепер - машина циклічної дії. Його робочий цикл
включає різання ґрунту з наповненням ковша, транспортування, вивантаження,
холостий хід. Набір і вивантаження ґрунту відбуваються тільки при русі скрепера
по прямій. Набір здійснюється на нижчих передачах з максимально можливою
товщиною стружки. Навантажений скрепер транспортується на високих передачах з
урахуванням стану транспортних шляхів. Можливі швидкості руху і необхідні
тягові зусилля встановлюються на основі тягового розрахунку.
Інтенсифікація земляних робіт здійснюється головним чином на
базі вдосконалення організаційно-технологічних заходів щодо ефективного
використання наявного парку землерийно-транспортних машин, створення і
впровадження у виробництво принципово нової технології і матеріалів, створення
машин різної одиничної потужності і продуктивності, використання нових технічних
досягнень.
Створення високопродуктивних землерійно-транспортних машин
здійснюється по двох напрямках: вдосконалення робочих органів і машин
традиційного типу, що знаходяться в експлуатації, і виробництво принципово
нових робочих органів і машин на базі використання досягнень фундаментальних
наук.
Ефективність застосування самохідних скреперів в будівельному
виробництві обумовлена високою мобільністю і маневреністю, а також розширеними
функціональними можливостями, що дозволяють розробляти ґрунт, переміщати його,
розподіляти шарами заданої товщини з частковим ущільненням, здатністю
виконувати планування площ.
Передовий досвід технології і організації земляних робіт
показує, що в порівнянні з поширеним комплексом «Екскаватор-самоскид»
застосування скреперів дозволяє в 2 рази підвищити продуктивність праці і в 2-4
рази знизити вартість вироблення при одночасному зниженні витрати палива і
економії інших ресурсів.
1. Огляд науково-дослідних робіт
Скрепери одержали широке розповсюдження при виконанні
земляних робіт. В різних країнах об'єм земляних робіт, які виконуються
скреперами, досягає 30-50% загального об'єму. Значно менший об'єм робіт
виконувався на території теперішніх країн СНД.
За способом наповнення ковша ґрунтом скрепери розділяються на
дві групи: з завантаженням за рахунок тягового зусилля трактора тягача і
штовхача і з примусовим завантаженням спеціальними механічними пристроями. Якщо
у скреперів першого типу зрізання шару ґрунту і надходження його в ківш
здійснюється за рахунок тягових зусиль тягача і штовхача, то для скреперів
другого типу тягове зусилля витрачається тільки на відділення стружки від
масиву ґрунту, а примусова подача зрізаного ґрунту в ківш проводиться
спеціальними засобами (наприклад скребками ланцюгового елеватора і т. і.).
Головним недоліком традиційних самохідних скреперів першого
типу є (не дивлячись на достатньо високу ефективність, простоту конструкції,
надійність) необхідність використання під час наповнення ковша
трактора-штовхача. Це викликає простої в зв’язку з чеканням штовхача,
неможливість автономного використання скрепера і, як наслідок, підвищення
собівартості розробки ґрунту. Тому основний напрямок підвищення ефективності
скреперів полягає в зниженні необхідного зусилля для скреперів першого типу і
вдосконалення обладнання примусового завантаження ґрунту для скреперів другого
типу. Загалом напрямки підвищення ефективності можна розділити таким чином:
· підвищення сили тяги (штовхачі, скрепери з двома
двигунами, зчіпка двох скреперів за принципом тягач-штовхач);
· удосконалення ножової системи з метою зниження опору
різання, раціонального регулювання опору в процесі наповнення ковша;
· удосконалення конструкції заслінки з метою зниження
опору призми волочіння, зменшення об'єму ґрунту, який йде в призму волочіння,
збільшення об'єму ґрунту в заслінці;
· удосконалення конструкції ковша з
метою зниження опору наповнення, збільшення об'єму ковша;
· удосконалення процесу наповнення ковша за рахунок
раціонального направлення потоків ґрунту, розділу нерухомого ґрунту в ковші і
потоків ґрунту, які рухаються в ківш, за допомогою жорстких направляючих,
вібротранспортування;
· розробка і вдосконалення конструкцій
обладнання для примусового, механізованого завантаження ґрунту в ківш.
Підвищення сили тяги застосуванням трактора-штовхача призводить
до того, що довжина шляху набору ґрунту скорочується з 30-40 м до 10-15 м, а
продуктивність зростає на 40-60%. При роботі, наприклад, скреперів ДЗ-11, ДЗ-13
об’єм ґрунту, який набирається в ківш без штовхача, скорочується майже на 50%
[1]. В більшості випадків в якості штовхачів застосовуються гусеничні трактори,
потужність і швидкість цих машин мало відповідають технічним характеристикам
скреперів, та і самі бульдозери на цих тракторах виходять з ладу. Тому передові
фірми світу випускають зараз скрепери з всіма ведучими колесами, це досягається
або застосуванням двох двигунів для приводу двох осей, або застосуванням
обладнання мотор-колесо, коли кожне колесо приводиться до руху своїм мотором
(електричним чи гідравлічним), а головний двигун підвищеної потужності
приводить до руху генератор постійного струму чи гідронасос. Відмічалась
можливість самозавантаження скреперів з усіма ведучими колесами, а також висока
прохідність в важких ґрунтових умовах, в горбистій місцевості, на дорогах з
великими нахилами.
В останні роки знаходять широке застосування скреперні
поїзди. Це найбільш простий з точки зору практичної реалізації спосіб
підвищення тягових якостей скреперів без застосування додаткових агрегатів.
Використовуючи принцип «тягач-штовхач» і працюючи парами скрепери по черзі
виконують функції додаткового тягача чи штовхача. В транспортному режимі
скрепери працюють поодинці. Для швидкого з'єднання і роз'єднання скрепери
обладнані спеціальним зчіпно-штовхаючим обладнанням.
При роботі скреперного поїзда спочатку заповнюється ґрунтом
ківш переднього скрепера. При цьому задній скрепер виконує функції штовхача.
Після заповнення ковша переднього скрепера скреперний поїзд починає працювати в
режимі «тягни», забезпечуючи заповнення ковша заднього скрепера. Після його
заповнення скрепери розчіпляються.
Можливі різні схеми роботи двох скреперів в залежності від
способу їх агрегатування: «тягни-штовхай» (описано вище),«тільки тягни»-коли
скрепери, по черзі виконують функції додаткового тягача; «тільки штовхай»- коли
скрепери по черзі виконують функції штовхача.
При малих відстанях транспортування економічно вигідною є
схема роботи з застосуванням трактора-штовхача і традиційного скрепера
(продуктивність вище на 16-30% ніж у скреперних поїздів), при більших відстанях
- слід рекомендувати застосування зчіпно-штовхаючого обладнання.
Вдосконалення системи ріжучих елементів скрепера з метою
зниження опору різання, зміни опору різання в залежності від співвідношення між
складовими частинами загального опору проводиться по ряду напрямків:
· застосування зубів в ножовій системі для розпушування
· ґрунтів великої щільності і міцності;
· застосування ножової системи з виступаючим середнім
ножем;
· установка в центральній частині
ножової системи совка (це обладнання також застосовується на ґрунтах підвищеної
міцності);
· застосування механізму зміни кута
різання ножів скрепера;
· застосування механізму зміни ширини
різання;
· установка механізму вібрації ножа
(застосування віброрізання).
Вказані вдосконалення конструкції ножової системи мають разом
з позитивними і негативні якості. Так застосування зубчатих ножів знижуючи опір
різанню одночасно знижує можливість заповнення ковша традиційної конструкції
внаслідок розпушування ґрунту і, таким чином, зниження міцності ґрунтового потоку
в ковші і підвищення об'єму призми волочіння.
Широке застосування одержали - виступаючі ножі. При роботі
скреперів з виступаючим ножем після досягнення об'єму наповнення ковша більш
50% ножова система виглибляється так, що різання проводиться лише середнім
ножем, значно зменшується опір різанню, а також і опір наповненню ковша.
Довжина виступаючого ножа вибирається такою, щоб глибина різання ним
забезпечувала стійкість ґрунтової стружки (в залежності від місткості ковша це
глибина 8-15 см). Ширина різання середнім ножем складає половину ширини різання
ковша скрепера.
Ножова система з косопоставленими ножами, або криволінійною
ріжучою кромкою були застосовані на деяких конструкціях машин і показали
зниження опору різання, але в зв'язку з тим, що поверхня ґрунту після роботи
таких скреперів має хвилястий мікрорельєф і це значно ускладнює роботу при
наступних проходах, експлуатаційники не сприйняли такої конструкції. Звичайно
такий скрепер не може виконувати планувальні роботи, що значно звужує його
використання. Для успішного використання ефекту косого різання потрібне
обладнання, яке б могло проводити й планувальні різи, тобто в його склад
необхідно внести й прямі ножі, або спеціальні підвіски робочого органу.
Розглянемо деякі засоби механізованого завантаження ґрунту в
ківш. В сучасних конструкціях скреперів застосовуються, як інтенсифікатори
процесу завантаження, головним чином елеватори переднього і заднього
розташування, гвинтові і шнекові завантажувальні обладнання. В окремих зразках
машин використані активна заслінка, підгрібаючі лопаті, завантажувальні ротори
нижнього і верхнього розвантажування, ножові і лопатні барабани, гребковий
ротор, завантажувальний лоток.
Скрепери з елеваторним завантаженням з скребковим елеватором
одержали найбільше розповсюдження. Зрізаний ножами ґрунт транспортується в ківш
нижньою стрічкою елеватора. Скрепер з елеваторним завантаженням має
продуктивність збільшену на 25-30%, опір копанню знижується на 12-17%, питома
енергоємність знижується на 30-35%, ці скрепери знайшли широке застосування на
розробці матеріалів, завантаження яких звичайними скреперами практично
неможливе. Наприклад, самохідний скрепер з елеваторним завантаженням легко
здійснює завантаження піску, в той же час звичайний скрепер в тих умовах
заповнює ківш на 40% геометричної місткості, при цьому дуже зношуються колеса
тягача й траки гусениць штовхача.
Порівняно з традиційними конструкціями скрепери з елеваторним
завантаженням мають такі переваги [1, 2, 3]: заповнення без штовхача, зниження
тягового зусилля на протязі всього процесу наповнення, більш повне використання
потужності базової машини, рівномірне завантаження базової машини в процесі
копання, кращий коефіцієнт заповнення ковша, підвищена якість планувальних і
опоряджувальних робіт, зниження собівартості розробки 1 м3 ґрунту.
Але при цьому є ряд недоліків: наявність складного механізму, підвищення маси
на 20% і вартості на 25-30%, мала надійність і велика вартість експлуатації і
ремонту в зв'язку з наявністю швидкозношуваних елементів, можливість роботи лише
на легких ґрунтах без каменистих включень, певні втрати ґрунту в процесі
транспортування тому що відсутня передня заслінка, неможливість установки на
традиційні ковші.
Скрепери з гвинтовими і шнековими елеваторами обладнані
поставленими в зоні ріжучого ножа вертикальними або похилими елеваторами. В
гвинтових елеваторах є тільки один виток гвинтової лінії, в шнекових - гвинтова
лінія має кількість витків відповідно до довжини елеватора. Перші конструкції
шнекового завантаження, розроблені в США, мали похилий чи горизонтальний шнек.
З 70-х років активно розроблюються конструкції з вертикальним шнеком, одним чи
двома. Самохідний скрепер з місткістю ковша біля 25 м3 з двома
вертикальними шнеками, розташованими поперек ковша, завантажується самостійно
практично на всіх видах ґрунту, при цьому заповнення проводиться менше ніж за
хвилину на короткому відрізку. Енергоємність копання знижується в 1,1-1,5 рази
в порівнянні з іншими методами інтенсифікації, опір копанню зменшується в
1,25-1,3 рази порівняно з традиційною конструкцією скрепера.
Недоліками шнекового завантаження порівняно з елеваторним є
підвищений опір копанню, неможливість планувальних робіт [1] ґрунту. Шнекове
завантаження не може бути застосованим на ґрунтах з включеннями, вологих
ґрунтах, схильних до злипання. Шнеки швидко зношуються, особливо лопаті і
підшипникові вузли.
Підвищення продуктивності розробки ґрунту за рахунок різних
способів з'єднання ковшів скреперів з тягачами і взаємодії між скреперами
впродовж багатьох років привертає увагу конструкторів і дослідників в наший
країні і за кордоном.
Всі способи агрегатування скреперів, що існують в даний час,
в єдиний комплекс можна класифікувати таким чином:
багатоковшеві скрепери;
тандемні скреперні агрегати.
Багатоковшевими скреперами є конструкції, що складаються з
декількох ковшів, розташованих по одну або обидві сторони від тягача.
Збільшення продуктивності, в даному випадку досягається за рахунок зростання,
об'єму ґрунту що перевозиться за один цикл. Складність управління, погана
маневреність, необхідність в тракторі-штовхачі характеризують недоліки,
властиві багатоковшевому механізму.
Тандемні скреперні агрегати створюються на основі з'єднання
автономних скреперів в єдину конструкцію на той або інший період робочого циклу
з метою використання тягово-зчіпних якостей обох машин.
Проведені дослідження і випробування визначили наступні
раціональні способи утворення тандемних скреперів [4].
Перший спосіб полягає в організації постійного з'єднання
машин як на період копання, так і на час транспортування і розвантаження
ґрунту, причому управляє агрегатом один оператор, що знаходиться постійно в
одному з скреперів. До недоліків такого варіанту з'єднання можна віднести
складність управління і низьку маневреність унаслідок поганої оглядовості і
великих габаритів механізму, потреба в операторові високої кваліфікації.
Для другого способу характерна послідовна заміна скреперів,
внаслідок чого один навантажений скрепер допомагає заповнюватися другому,
знаходячись попереду або ззаду. Після закінчення завантаження перший скрепер
йде, а другою починає допомагати третьому і так далі.
Для ефективного здійснення такого варіанту скреперування
необхідна чітка організація руху машин, з метою виключення можливості простою
скрепера в очікуванні помічника.
При третьому способі два скрепери утворюють тандем тільки на
період копання ґрунту і по черзі, допомагаючи один одному, проводять наповнення
ковшів. Для забезпечення швидкого і надійного з'єднання та розстикування машин
використовується спеціальний зчіпний пристрій. По закінченні набору ґрунту
скрепери самостійно транспортують його до місця розвантаження.
Широка різноманітність ґрунтових умов, рельєфів місцевості,
відстаней транспортування вимагають диференційованого підходу до вибору різних
варіантів скреперування.
Питанню визначення оптимального способу організації
скреперних робіт на основі техніко-економічного порівняння варіантів
присвячений ряд досліджень [4, 5, 6].
У роботах [4, 5] автори на основі величини приведених витрат
на скреперування 1 м3 ґрунту проводять визначення оптимального
варіанту агрегатування скреперів. При цьому три вище перерахованих способи
виконання робіт порівнюються з варіантом застосування скрепера з штовхачем для
самохідного скрепера з ковшем ємкістю 24,5 м3 і для скрепера Д-357 з
ковшем місткістю 8 м3 з використанням штовхача на базі трактора
Т-180. При проведенні розрахунків враховується широкий круг чинників:
фізико-механічні властивості ґрунту, техніко-економічні параметри вживаних
машин, кліматичні і дорожні умови.
Результати техніко-економічного розрахунку показують, що
найбільш ефективним є спосіб постійного агрегатування самохідних скреперів на
час всього циклу виробництва робіт з використанням одного машиніста-оператора.
Такий варіант з'єднання машин характеризується мінімальними приведеними
витратами, не дивлячись на деяке збільшення часу копання і транспортування
ґрунту в порівнянні з рештою способів.
При взаємодії декількох скреперів з одним
трактором-штовхачем, приведені витрати мають максимальну величину і перевищують
аналогічний показник оптимального варіанту на 26%.
Як інший критерій ефективності запропонований коефіцієнт
збільшення продуктивності [6].
Враховуючи, що доцільність застосування того або іншого
способу скреперування визначається тим, що витрати на додаткові маневри перекриваються
збільшенням продуктивності агрегату за рахунок кращого заповнення ковша, автори
пропонують коефіцієнт збільшення продуктивності визначати по наступній
залежності:
(1.1)
де
- коефіцієнт збільшення заповнення ковша при використанні
стикованих скреперів;
- додатковий час на маневри і копання;
- час рейсу одиночного скрепера.
Величина додаткового часу обумовлюється зменшенням швидкості
руху і маневрування при використанні постійно сполучених скреперів, витратами
на стиковку і розстиковку агрегатів при з'єднанні на період копання ґрунту,
збільшенням часу заповнення ковшів за рахунок подвійного об'єму.
Проведені розрахунки показують, що використання агрегатованих
самохідних скреперів з ємкістю ковша 8 м3 в порівнянні з одиночним
механізмом без штовхача ефективне при дальності транспортування ґрунту, що
перевищує 1 км. Причому, при відстані до 1,5 км найбільш вигідний спосіб
постійного з'єднання, а понад 1,5 км - спосіб з'єднання на час копання ґрунту.
Питання оптимального використання скреперів з метою досягнення мінімальної
питомої вартості розробки і транспортування ґрунту розглядаються в роботах [22,
23]. На основі порівняльного аналізу існуючих конструкцій машин: скрепери з
штовхачем, двомоторні агрегати, скрепери з елеваторним завантаженням,
показується перспективність використання тандемних скреперних агрегатів для
роботи в різних ґрунтових умовах. Причому в деяких випадках економічно
вигідніше не досягати граничного заповнення ковша, оскільки це може вимагати
непропорційно великих витрат часу і енергоресурсів. Виходячи з проведеного
аналізу складається завдання розробки заходів, направлених на підвищення
довговічності шин, вартість яких складає значну частину вартості агрегату.
Дослідженні, проведені в роботі [7] показали, що наповнення
ковша ґрунтом за тандемною технологією в порівнянні з одиночним скрепером
збільшується на суглинку в 1,62 разу, на піску в 2,4 разу при стабільнішому
протіканні процесу копання, що відповідає збільшенню продуктивності на 32%.
Таким чином, питання підвищення ефективності використання
скреперів за рахунок утворення тандемних скреперних агрегатів досліджені
достатньо широко і незаперечно доведена перспективність використання тандемної
технології скреперних робіт. Проте вплив способів з'єднання машин в єдиний
комплекс на режими вантаження металоконструкції скрепера не розглядався.
Питанням створення конструкцій багатоковшевих скреперів і
визначення їх техніко-економічних показників присвячені дослідження [8, 9, 10].
СібАДІ спільно із з'єднанням "Россельхозводобуд"
розроблена конструкція самохідного двохковшового, двомоторного скрепера із
загальною геометричною місткістю ковшів 31 м3 [8, 9]. Збільшення
об'єму ґрунту що набирається і перевозиться за цикл, в порівнянні з однокошовим
скрепером тієї ж місткості, досягається за рахунок послідовного заповнення
ковшів агрегату. В результаті розгляду балансу потужності для двох найбільш
енергоємних режимів роботи: тягового на завершальному етапі наповнення і
транспортного режиму завантаженого скрепера доведена можливість роботи скрепера
без штовхача, що значно підвищує ефективність його використання.
З метою досягнення довговічності шин, як одного з найбільш
навантажених вузлів багатоковшевого скрепера, в роботі [11] запропонована
методика розрахунку основних параметрів агрегатів і зроблений висновок про
доцільність застосування їх в будівництві.
Н.В. Барінов [10] на основі оцінки масиву патентної
інформації про перспективні конструкції скреперних агрегатів, зробив висновок
про доцільність використання скреперів з телескопічним ковшем, що відрізняються
простотою і можливістю експлуатації у важких ґрунтових умовах. В результаті
проведення порівняльних експериментів з використанням методів фізичного
моделювання встановлено, що застосування телескопічних ковшів збільшує
продуктивність агрегату на 30-40% при зниженні приведених витрат на 10-20%. В
той же час, використання багатоковшевих скреперів на сипких і розпушених
скельних ґрунтах недоцільне.
Відомо, що рівномірний розподіл зчіпної ваги по ведучихосях
тягача скрепера, істотним чином впливає на підвищення продуктивності машини і
зниження енергетичних витрат на копання і транспортування ґрунту. З цією метою
на скрепері ДЗ-87-1 використовується зчіпний пристрій важеля [12,13], що
дозволяє успішно вирішувати цю задачу. Використання зчіпного пристрою важеля на
скрепері ДЗ-87-1 дало можливість збільшити тягове зусилля трактора на 10% в
порівнянні з скрепером, що має шарнірний зчіпний пристрій.
З метою визначення геометричних параметрів зчеплення при
створенні тандемного агрегату з двох напівпричіпних скреперів ДЗ-87-1, були
складені аналітичні залежності, що характеризують спільну роботу машин [7].
Отримані результати показали, що конструкція зчіпного
пристрою при роботі скреперів у складі тандемного агрегату повинна мати певні
відмінності від аналогічної конструкції одиночного скрепера. У цих роботах не
були розглянуті всі режими, що виникають в процесі агрегатування машин.
Один з варіантів підвищення тягово-зчіпних якостей скреперного
агрегату, за допомогою спеціального розробленого зчіпного пристрою,
запропонований в роботах [13, 14, 15].
В результаті перерозподілу опірних реакцій на ведучих і
ведених колесах скреперів Д-357, сполучених в тандем, зчіпна маса агрегату
збільшувалася на 37-43%. При допустимому збільшенні зчіпної маси, обмеженої
вантажопідйомністю шин, міцністю рами і ведучих мостів скрепера, використання
запропонованого способу дозволяє понизити приведені питомі витрати на розробку
і переміщення 1 м3 ґрунту на 10-12% в порівнянні з комплектом -
скрепер Д-357 і штовхач Т-100М.
Подальше підвищення ефективності використання агрегату
можливе за рахунок збільшення потужності двигунів, встановлених на скреперах.
На підставі досліджень шляхів підвищення ефективності
скреперного поїзда ДЗ-168 [16], був створений пружний бампер, що дозволяє
проводити агрегатування причіпного скрепера ДЗ-137, з будь-яким відповідним по
класу бульдозером або скрепером. За допомогою методів математичного моделювання
з урахуванням швидкостей взаємодіючих машин, жорсткостей амортизуючого вузла і
ґрунту, що розробляється. Встановлено, що застосування пружного бампера при
підвищенні маси і витрат на скрепер не більше 0,5% дозволяє приблизно на 2%
підвищити продуктивність.
Вирішення задачі раціонального вибору способу створення
скреперного комплексу необхідно проводити не тільки на основі підвищення
продуктивності і ефективності виконуваних робіт, але і з урахуванням впливу
режимів навантаження на довговічність металоконструкції скрепера. Як показує
практика, використання тандемних скреперних агрегатів на базі машин,
призначених для самостійної роботи, в певних випадках призводить до значного
зниження надійності і довговічності їх конструкцій.
В даний час є ряд робіт [17,18,19], що відносяться до
дослідження навантаження вузлів скрепера у разі використання в одиночному
режимі або зі штовхачем. На основі результатів дослідження умов праці скреперів
в експлуатації складені розрахункові схеми, які точно відображають реальні
конструкції в області тягової рами і буфера, визначені найбільш слабкі місця і
запропоновані заходи щодо підвищення їх надійності.
Проте, очевидно, що навантаження, які виникають при
експлуатації скреперних агрегатів, значно відрізняються від навантажень, що
діють в металоконструкціях одиночних скреперів, крім того, з'єднання автономних
машин або їх вузлів вимагає складань нових розрахункових схем.
Таким чином, ґрунтуючись на матеріалах проведеного
аналітичного огляду, можна зробити висновок про необхідність вирішення питань
підвищення надійності і довговічності тандемного скреперного агрегату на основі
теоретичного і експериментального дослідження виникаючих навантажень і розробки
заходів щодо їх зниження.
2. Математична модель скреперного потягу
.1 Розрахункова схема скреперного потягу
Скреперний тандем є складною динамічною системою з багатьма
ступенями свободи. В даному випадку ми маємо справу з агрегатом, що складається
з двовісних тягачів з обома привідними осями, однакового конструктивного
виконання.
Рисунок 2.1 - Схема скреперного
потягу
Проте і ця обставина не істотно спрощує завдання, якщо
врахувати всі можливі поєднання умов руху. Тому вже при першому розгляді
динамічної системи слід ввести обмеження, що дозволяють спростити постановку
задачі. Такими обмеженнями є розгляд плоскої задачі за відсутності
повздовжнього ухилу і кругових коливань в повздовжній вертикальній площині.
Підставами для цих допущень є наступні обставини:
Робота на подовжніх ухилах, що викликають істотний
перерозподіл навантажень, супроводжується з боку водіїв запобіжними засобами,
що виключають виникнення динамічних навантажень небезпечних для конструкції, а
призначення розрахункової величини повздовжнього ухилу не має обґрунтування.
Для інженерних розрахунків вплив подовжнього ухилу достатньо врахувати як
статичну складову сили тяжіння G, що діє уздовж напряму руху машини ±G·sinθ, де
θ кут
нахилу поверхні руху по відношенню до горизонтальної поверхні.
Наявність поперечних ухилів, небезпечних для перекидання
машини відносно подовжньої осі, також не можна віднести до обставин,
супроводжуючих нормальні умови роботи скреперного тандему. Позацентрове
прикладення навантажень, що діють на ніж скрепера, хоча і можливе, але
призводить до перекосу напівпричепа і здійснює вплив на величину перерозподілу
навантажень в горизонтальній площині, що в роботі не розглядається.
Вертикальні коливання і кругові коливання відносно центру
тяжіння тягача, що виникають внаслідок пружності підвіски, не чинять істотного
впливу на вивчення штовхаючих і тягових зусиль, хоча і створюють коливальний
фон горизонтального вантаження, який слід враховувати в розрахунках на
довговічність.
Отже, розглянемо характерні випадки вантаження скреперного
тандему, що складається з двох напівпричіпних скреперів ДЗ-87-1 на базі тягачів
Т-150 К. Насамперед, слід розрізняти два етапи наповнення ковшів. Перший етап -
робота в режимі штовхача, коли заповнюється ківш переднього скрепера, а той, що
йде позаду з порожнім ковшем, грає роль штовхача. Другий етап - робота в
тяговому режимі, коли заповнюється скрепер, що йде ззаду, а обидва тягачі
забезпечують необхідну тягу. Визначимо найбільш важкий з двох етапів вантаження
скреперного поїзда. Для цього розглянемо сили, що діють на тандем.
До сил, обумовлених масою агрегату, відносяться: вага
трактора, вага скрепера, вага ґрунту в ковші. На пневматичні колеса діють
реакції ґрунту
. На скрепер, що проводить набір ґрунту, діє сила
з боку скрепера помічника. У випадку
якщо копання здійснює передній скрепер, а задній виконує функції штовхача, сила
прикладена до буфера переднього
скрепера, якщо ж копає задній, а передній є додатковим тягачем, то сила
прикладена до рами трактора
копаючого скрепера.
До ножа скрепера прикладаються горизонтальна і вертикальна
реакції ґрунту, причому вертикальна реакція виникає тільки у момент опускання
або підняття ковша скрепером. На провідних колесах трактора діє сила тяги
і сили опору коченню
.
З рівнянь статики, складених окремо для трактора і скрепера,
отримаємо наступні вирази, що визначається залежно від режиму копання.
Передній скрепер проводить набір ґрунту (задній скрепер,
виконуючий роль штовхача, - порожній).
Рисунок 2.2 - Наповнення ґрунтом
переднього скреперу
а) Для переднього скреперу:
Рисунок 2.3 - Схема сил, діючих на
напівпричепний скрепер, що діє у складі потягу та наповнюється ґрунтом
Для тягача:
:
;
:
; (2.1)
:
.
Для скрепера:
:
;
:
; (2.2)
:
.
б) Для заднього скрепера-штовхача:
Рисунок 2.4 - Схема сил, діючих на
напівпричепний скрепер, що діє у складі потягу та виконує роль штовхача
Для тягача:
:
:
(2.3)
:
.
Для скрепера:
:
;
:
;
(2.4)
.
Задній скрепер виконує набір ґрунту (передній скрепер,
виконуючий роль тягача, - повний).
Рисунок 2.5 - Наповнення ґрунтом
заднього скреперу
а) Для переднього скрепера-тягача:
Рисунок 2.6 - Схема сил, діючих на
напівпричепний скрепер, що діє у складі потягу та виконує роль тягача
Для тягача:
:
;
:
;
(2.5)
:
.
Для скрепера:
:
;
:
;
(2.6)
:
.
б) Для заднього скрепера:
Рисунок 2.7 - Схема сил, діючих на
напівпричепний скрепер, що діє у складі потяга та виконує наповнення ковша
Для тягача:
:
;
:
;
(2.7)
:
.
Для скрепера:
:
;
:
; (2.8)
:
.
Аналізуючи ці рівняння, стає зрозуміло, що другий етап
вантаження в кінцевий момент наповнення найбільш важкий, оскільки на
металоконструкцію тягової рами копаючого скрепера діє подвоєна сила тяги від
обох тягачів. Тому розглянемо динаміку вантаження тягової рами копаючого
скрепера в тяговому режимі.
У загальному випадку систему слід розглядати як чотирьохмасову
(m1-m4), навантажену вертикальними силами тяжіння (G1-G4)
з пружними зв'язками, що характеризуються коефіцієнтами жорсткості: С1
- жорсткість тягової рами попереду їдучого скрепера; С2 - жорсткість
зчіпного пристрою; С3 - жорсткість тягової рами позаду їдучого
скрепера.
Виходячи з ідентичності конструктивного виконання можна
вважати, що m1=m3, С1=С3.
Буквами позначені дотичні сили на ведучих колесах тягачів: R
- реакції від сил тяжіння на осі скреперів, f·R - опір коченню коліс.
Відповідні індекси видно з рисунка 2.8. Pk і Rk -
відповідно горизонтальна і вертикальна сили копання, які вважаємо прикладеними
до ножа скрепера.
Рисунок 2.8 - Схема сил, діючих на
скреперний тандем у тяговому режимі
Спрощена розрахункова схема представлена на рисунку 2.9, де
прийняті наступні позначення: m1, m3 - маси тягачів; m2,
m4 - маси скреперів; Т1, Т2 - сумарні тягові
зусилля, що розвиваються тракторами без буксування коліс; Wi - сили
опору коченню; Рк - сила опору копанню; с1 - жорсткість
тягової рами скрепера; с2 - жорсткість зчіпного пристрою.
Рисунок 2.9 - Спрощена схема роботи
скреперного тандему у тяговому режимі
2.2 Визначення навантажень, що діють на тягову раму скрепера
і зчіпний пристрій в тяговому режимі
За розрахункову схему для визначення динамічних навантажень,
що діють на скреперний потяг при роботі його в тяговому режимі, приймемо схему,
зображену на рисунку 2.9.
Тоді рухи мас можна записати наступною системою рівнянь:
(2.9)
де
- переміщення відповідних мас;
- прискорення відповідних мас.
2.2.1 Опис сили опору копанню
У рівнянні 2.9 силу опору копанню розпишемо по формулі
Петерса. Загальний опір копанню ґрунту одиночним скрепером, що долається
тягачем, складається з чотирьох опорів: W1 - опір переміщенню
навантаженого скреперу; W2 - опір різанню; W3 - опір
переміщенню призми волочіння; W4 - опір наповнення ковша скреперу
(який складається з опору підйому стовпа ґрунту, та опору стружки, що проходить
крізь ґрунтовий масив):
, (2.10)
де
- сила тяжіння порожнього скрепера, кН;
- сила тяжіння ґрунту в ковші
скрепера, кН;
- коефіцієнт опору руху;
- питомий опір різанню ґрунту
незношеним ножем, кН/м2;
- глибина різання, м;
- щільність розпушеного ґрунту, кг/м3;
- об’єм ковша, м3;
- прискорення вільного падіння, м/с2;
- коефіцієнт тертя ґрунту по ґрунту;
- дослідний коефіцієнт;
- ширина ковша скрепера, м;
- висота ковша скрепера, м.
Об’єм ґрунту, вирізаного в щільному тілі, за умови, що
копання здійснюється з постійною товщиною стружки (рисунок 2.10), дорівнює:
,
(2.11)
де
- глибина різання, м;
- довжина шляху різання, м;
- коефіцієнт розпушування ґрунту;
- коефіцієнт втрат.
Рисунок 2.10 - Об’єм ґрунту, що
вирізається з масиву
Об’єм ґрунту, що поступає в ківш скреперу, дорівнює:
,
(2.12)
де
- геометричні параметри ковша скрепера: ширина, висота і
довжина відповідно, м.
Прирівнюючи вирази (2.11) та (2.12), вираз для визначення
висоти ґрунту в ковші скрепера прийме вигляд:
.
(2.13)
Підставляючи вираз (2.13) у формулу для визначення загального
опору копанню скрепером (2.10), отримаємо:
(2.14)
Розв'язуючи це рівняння у програмі MathCad для трьох умов,
знайдемо якнайгіршу умову навантаження в якості розрахункової на другій
категорії ґрунту та об’ємом наповнення 5,5 м3.
Приймаємо глибину копання 0,07 метра.
Результати розрахунку представлені в таблиці 2.1 і графік
зміни сили опору від шляху копання на рисунку 2.11.
Таблиця 2.1 - Зміна сили опору
копанню від шляху наповнення при глибині копання 0,07 м
|
Путь наповнення, м
|
Сила опору, Н
|
|
1,6
|
19732,5
|
|
3,1
|
20818,1
|
|
4,7
|
22107,4
|
|
6,2
|
23600,2
|
|
7,8
|
25296,7
|
|
9,4
|
27196,7
|
|
10,9
|
29300,3
|
|
12,5
|
31607,5
|
|
14,0
|
34118,3
|
|
15,6
|
36832,6
|
|
17,1
|
39750,6
|
|
18,7
|
42872,1
|
|
20,3
|
46197,2
|
|
21,8
|
49725,9
|
|
23,4
|
53458,2
|
|
24,9
|
57394,0
|
|
26,5
|
61533,5
|
|
28,1
|
65876,5
|
|
29,6
|
70423,2
|
|
31,2
|
75173,4
|
Рисунок 2.11 - Графік зміни сили
опору копанню від шляху наповнення при глибині копання 0,07 м
Приймаємо глибину копання 0,08 метра.
Результати розрахунку представлені в таблиці 2.2 і графік
зміни сили опору від шляху копання на рисунку 2.12
Таблиця 2.2 - Зміна сили опору
копанню від шляху наповнення при глибині копання 0,08 м
|
Путь наповнення, м
|
Сила опору, Н
|
|
1,4
|
24151,5
|
|
2,7
|
25206,1
|
|
4,1
|
26458,6
|
|
5,5
|
27908,8
|
|
6,8
|
29556,7
|
|
8,2
|
31402,4
|
|
9,5
|
33445,9
|
|
10,9
|
35687,2
|
|
12,3
|
38126,3
|
|
13,6
|
40763,1
|
|
15,0
|
43597,6
|
|
16,4
|
46630,0
|
|
17,7
|
49860,1
|
|
19,1
|
53288,0
|
|
20,4
|
56913,6
|
|
21,8
|
60737,0
|
|
23,2
|
64758,2
|
|
24,5
|
68977,2
|
|
25,9
|
73393,9
|
|
27,3
|
78008,4
|
Рисунок 2.12 - Графік зміни сили
опору копанню від шляху наповнення при глибині копання 0,08 м
Приймаємо глибину копання 0,09 метра.
Результати розрахунку представлені в таблиці 2.3 і графік
зміни сили опору від шляху копання на рисунку 2.13.
Таблиця 2.3 - Зміна сили опору
копанню від шляху наповнення при глибині копання 0,09 м
|
Путь наповнення, м
|
Сила опору, Н
|
|
1,2
|
23616,7
|
|
2,4
|
24758,1
|
|
3,6
|
26102,4
|
|
4,8
|
27649,7
|
|
6,1
|
29400,0
|
|
7,3
|
31353,2
|
|
8,5
|
33509,4
|
|
9,7
|
35868,5
|
|
10,9
|
38430,6
|
|
12,1
|
41195,6
|
|
13,3
|
44163,6
|
|
14,5
|
47334,6
|
|
15,7
|
50708,5
|
|
16,9
|
54285,3
|
|
18,2
|
58065,1
|
|
19,4
|
62047,9
|
|
20,6
|
66233,6
|
|
21,8
|
70622,3
|
|
23,0
|
75214,0
|
|
24,2
|
80008,5
|
Рисунок 2.13 - Графік зміни сили
опору копанню від шляху наповнення при глибині копання 0,09 м
Графік зміни сили опору копанню для трьох глибин копання
представлено на рисунку 2.14.
Рисунок 2.14 - Графік зміни сили
опору копанню від шляху наповнення для трьох глибин копання
З графіка видно, що найбільший опір копанню, що не виходить
за межі сили тяги скреперного поїзда, спостерігається при глибині копання 0,09
метра. Збільшення цього показника приведе до зупинки скреперного тандему. Цю
величину приймемо за розрахункову.
2.2.2 Опис сили тяги для одиночного скрепера
Також в рівнянні 2.9 є ще одна змінна величина, це сила тяги
- Т. Ця сила є одним з основних чинників, що визначають навантаження на окремі
частини скрепера. Під час роботи скрепера вона змінюється за величиною, а при
поворотах скрепера - за напрямом.
Сила тяги може бути максимальною в наступних випадках:
) під час наповнення ковша при максимальній товщині
стружки, що зрізається, при упорі ножа в перешкоду або ж в кінці наповнення,
коли стружка проштовхується в ківш, заповнений ґрунтом;
2) при наїзді навантаженого скрепера на перешкоду.
При поворотах сила тяги діє під кутом до подовжньої осі
скрепера. В цьому випадку її можна розкласти на дві складові: у осьовому і
поперечному напрямах. Під дією поперечної складової виникають сили і моменти в
горизонтальній площині, що викликають значну напругу в частинах скрепера.
Найбільша можлива сила тяги визначається потужністю двигуна тягача
або умовами зчеплення ходового обладнання з ґрунтом.
Оскільки копання проводиться на прямолінійній ділянці, то
додаткових осьових і поперечних навантажень не виникатиме.
Для опису сили тяги в ході вирішення диференціальних рівнянь
візьмемо її як поліном п'ятого ступеня [20]:
,
(2.15)
де
- максимальне значення швидкості на передачі (
=1,41 м/с);
- поточне значення швидкості;
- максимальне тягове зусилля по
зчепленню;
и
- коефіцієнти, відповідно рівні 0,06 и 0,94.
Графічно ця залежність представлена на рисунку 2.15.
Рисунок 2.15 - Апроксимація сили тяги
від швидкості
Оскільки в рівняння (2.15) входить максимальне тягове зусилля
по зчепленню, то підставляючи в диференціальні рівняння необхідно врахувати, що
маси скреперів відрізнятимуться на величину добраного ґрунту копаючим
скрепером. А відповідно і тягові зусилля відрізнятимуться.
2.3 Висновки
. У якості розрахункової схеми для визначення динамічних
навантажень, що діють на скреперний агрегат в процесі копання, може
розглядатися плоска чотирьохмасова система з пружними зв'язками.
. У якості розрахункових умов роботи скреперного тандему слід
розглядати процес копання на горизонтальній поверхні.
. Найбільш навантаженою є тягова рама копаючого скрепера в
тяговому режимі скреперного поїзда.
. Найбільший опір копанню, що не виходить за межі сили тяги
скреперного поїзда, спостерігається при глибині копання 0,09 метра в кінцевий
момент копання скрепера.
. Треба врахувати, що в рівняння сили тяги входить
максимальне тягове зусилля, яке залежить від зчіпної ваги.
3. Результати математичного моделювання руху скреперного
потягу за допомогою програми Simulink
.1 Запис системи диференційних рівнянь за допомогою програми
Simulink
Програма Simulink є додатком до пакета MATLAB. При
моделюванні з використанням Simulink реалізується принцип візуального
програмування, відповідно до якого, користувач на екрані з бібліотеки
стандартних блоків створює модель пристрою й здійснює розрахунки. При цьому, на
відміну від класичних способів моделювання, користувачеві не потрібно
досконально вивчати мову програмування й чисельні методи математики, а досить
загальних знань, що вимагаються при роботі на комп'ютері і, природно, знань
тієї предметної області в якій він працює.є досить самостійним інструментом MATLAB
і при роботі з ним зовсім не потрібно знати сам MATLAB й інші його додатки. З
іншої сторони доступ до функцій MATLAB й іншим його інструментам залишається
відкритим і їх можна використати в Simulink. Частина вхідних до складу пакетів
має інструменти, що вбудовують в Simulink (наприклад, LTI - Viewer додатка
Control System Toolbox - пакета для розробки систем керування). Є також
додаткові бібліотеки блоків для різних областей застосування (наприклад, Power
System Blockset - моделювання електротехнічних пристроїв, Digital Signal
Processing Blocket - набір блоків для розробки цифрових пристроїв і т.д.).
При роботі з Simulink користувач має можливість модернізувати
бібліотечні блоки, створювати свої власні, а також становити нові бібліотеки
блоків.
При моделюванні користувач може вибирати метод рішення
диференціальних рівнянь, а також спосіб зміни модельного часу (з фіксованим або
змінним кроком). У ході моделювання є можливість стежити за процесами, що
відбуваються в системі. Для цього використовуються спеціальні пристрої
спостереження, що входять до складу бібліотеки Simulink. Результати моделювання
можуть бути представлені у вигляді графіків або таблиць.
Отже система диференційних рівнянь (2.9) була записана в цій
програмі. Нижче приведено загальний вигляд запису системи диференційних рівнянь
(рисунок 3.1).
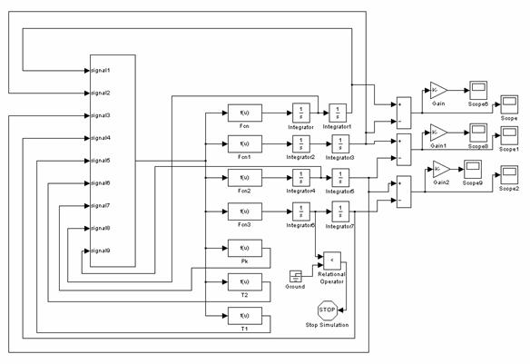
Рисунок 3.1 - Загальний вигляд
системи диференційних рівнянь у пакеті Simulink
Звісно, мало що можна зрозуміти, дивлячись на рисунок 3.1,
тим більше людині, яка зовсім не знайома з програмою Simulink. Зробимо деякі
пояснення. Отже на вхід (з лівого боку) до центрального блоку подаються сигнали
у вигляді відомих для нас констант з так званого «м»-файла (маси тягачів та
скреперів, жорсткості тягової рами та зчіпного пристрою та ін.), а на виході (з
правого боку) ми отримуємо величини, які ми визначаємо. Вся система рівнянь
записана в центральному блоці.
Щоб зрозуміти як складаються даного роду системи, розглянемо
невеликий приклад, а саме блок перетворення сигналів Mux. Він об’єднує вхідні
сигнали у вектор, при чому сигнали, які подаються на вхід блоку повинні бути
одного типу або комплексні, або дійсні. На рисунку 3.2 показано як працює цей
блок.
Рисунок 3.2 - Приклад використання
блоку Mux
3.2 Результати розв’язання системи диференційних рівнянь
.2.1 Визначення зусиль в тяговій рамі копаючого скреперу в
тяговому режимі скреперного потягу
За умови рівномірного руху скреперів до початку буксування
початковими умовами є:
. Приймаю початкову швидкість на кінцевому відрізку
заповнення рівною 0,25, 0,5, 0, 75, 1 та 1,25 м/с.
Графіки зміни дії сили від часу ідентичні, тому будуть
представлені графіки для двох швидкостей: для швидкості 0,25 м/с на рисунку 3.3
та для швидкості 1,25 м/с на рисунку 3.4.
Дія максимальних пікових навантажень на раму скрепера
представлена у таблиці 3.1. Графік зміни дії пікових зусиль на раму копаючого
скреперу в залежності від швидкості копання зображено на рисунку 3.5.
Рисунок 3.3 - Зміна дії сили в
тяговій рамі копаючого скреперу в тяговому режимі при швидкості 0,25 м/с
Рисунок 3.4 - Зміна дії сили в
тяговій рамі копаючого скреперу в тяговому режимі при швидкості 1,25 м/с
Таблиця 3.1 - Дія максимальних
пікових навантажень на раму скрепера
|
Швидкість, м/с
|
Зміна сили між
масами m1 і m2, кН
|
Зміна сили між
масами m2 і m3, кН
|
Зміна сили між
масами m3 і m4, кН
|
|
0,25
|
105
|
123
|
202
|
|
0,5
|
113,5
|
156
|
242
|
|
0,75
|
124
|
193,5
|
286,5
|
|
1
|
128
|
212,5
|
306
|
|
1,25
|
146
|
272
|
375
|
Рисунок 3.5 - Графік зміни дії
пікових зусиль на раму копаючого скреперу в залежності від швидкості копання
Для знаходження швидкості, при якій не відбудеться руйнування
рами копаючого скреперу, використаємо програму CosmosWorks з програмного пакету
SolidWorks. Для цього побудуємо тягову раму скреперу в SolidWorks, задамо
матеріал (сталь 9Г2С), закріпимо її і приклавши до неї діючі сили виконаємо
розрахунок на наявність критичних областей у конструкції. Розрахунок виконаємо
від дії таких зусиль: 100, 150, 200, 250 та 300 кН. Результати розрахунку
представлені на рисунках 3.6-3.10.
Рисунок 3.6 - Результат розрахунку
дії на тягову раму скреперу зусилля в 100 кН
Рисунок 3.7 - Результат розрахунку
дії на тягову раму скреперу зусилля в 150 кН
Рисунок 3.8 - Результат розрахунку
дії на тягову раму зусилля в 200 кН
Рисунок 3.9 - Результат розрахунку
дії на тягову раму зусилля в 250 кН
Рисунок 3.10 - Результат розрахунку
дії на тягову раму зусилля 300кН
На епюрах червоним кольором показані області, в яких запас
міцності менший 1, тобто напруження більші за межу текучості. Тому в цих місцях
виникнуть деформації від дії пікових навантажень, а згодом й руйнування.
З побудованих епюр видно, що ділянки підвищеного навантаження
не об’єднані між собою, тому і тягова рама скреперу не зруйнується, а може лише
деформуватися в окремих її ділянках.
Також з епюр видно, що найбільш навантаженими є поздовжні
тяги з провушинами кріплення ковша та поперечна балка, що збігається з
експериментальними дослідженнями [7].
При копанні в режимі тягача на швидкості трохи більшою за 1
м/с, можливе руйнування тягової рами копаючого скреперу в цілому від дії
пікового зусилля. При дії ще більших зусиль тягова рама зламається з ще більшою
вірогідністю. Отже швидкість набору ґрунту в тяговому режимі треба обмежити
швидкістю 1 м/с або додатково підсилити тягову раму скреперу.
3.2.2 Визначення переміщень, діючих в зчіпному пристрої, під
час роботи у тяговому режимі
При умові рівномірного руху скреперів до початку буксування
початковими умовами є:
. Приймаю початкову швидкість на конечному відрізку
заповнення рівною 0,25, 0,5, 0, 75 та 1 м/с.
Графіки зміни дії сили від часу ідентичні один одному. На
рисунках 3.11, 3.13, 3.15 та 3.17 представлені графіки переміщень у зчіпному
пристрої залежно від часу.
Графік зміни коефіцієнта динамічності від жорсткості зчіпного
пристрою при різних швидкостях копання представлені на рисунках 3.12, 3.14,
3.16 та 3.18.
Рисунок 3.11 - Графік різниці
переміщень між масами m2 і m3 від часу при швидкості
копання 0,25 м/с
Рисунок 3.12 - Графік зміни
коефіцієнта динамічності від жорсткості зчіпного пристрою при швидкості копання
0,25 м/с
Рисунок 3.13 - Графік різниці
переміщень між масами m2 і m3 від часу при швидкості
копання 0,5 м/с
Рисунок 3.14 - Графік зміни
коефіцієнта динамічності від жорсткості зчіпного пристрою при швидкості копання
0,5 м/с
Рисунок 3.15 - Графік різниці переміщень
між масами m2 і m3 від часу при швидкості копання 0,75
м/с
Рисунок 3.16 - Графік зміни
коефіцієнта динамічності від жорсткості зчіпного пристрою при швидкості копання
0,75 м/с
Рисунок 3.17 - Графік різниці
переміщень між масами m2 і m3 від часу при швидкості
копання 1 м/с
Рисунок 3.18 - Графік зміни
коефіцієнта динамічності від жорсткості зчіпного пристрою при швидкості копання
1 м/с
Таблиця 3.2 - Розрахунок коефіцієнта
динамічності при заданій жорсткості для швидкостей копання
|
Жорсткість, кН/м
|
Зміна коефіцієнта
динамічності при швидкості 0,25 м/с
|
Зміна коефіцієнта
динамічності при швидкості 0,5 м/с
|
Зміна коефіцієнта
динамічності при швидкості 0,75 м/с
|
Зміна коефіцієнта
динамічності при швидкості 1 м/с
|
|
200
|
0,78
|
1,11
|
1,26
|
1,57
|
|
500
|
0,84
|
1,15
|
1,32
|
1,67
|
|
700
|
0,91
|
1,22
|
1,44
|
1,88
|
|
1000
|
1,03
|
1,33
|
1,59
|
2,15
|
|
2000
|
1,18
|
1,48
|
1,82
|
2,62
|
По даним таблиці був побудовано графік залежності коефіцієнта
динамічності від жорсткості зчіпного елементу, який представлений на рисунку
3.19.
Рисунок 3.19 - Зміна коефіцієнта
динамічності в залежності від жорсткості при швидкостях 0,25, 0,5, 0,75 та 1
м/с
Розглянуті залежності показують, що основними чинниками, що
впливають на характер коливальних процесів при спареній роботі скреперів і на
величину максимальних динамічних навантажень, що виникають в зчіпних пристроях
є:
) швидкість копання;
) пружність зчіпного елементу.
З графіків видно, що динамічні навантаження збільшуються зі
швидкістю копання та зі збільшенням жорсткості зчіпного елементу. Використання
в зчіпному приладі пружного елементу, що знижує жорсткість зчеплення, є
корисним заходом, що оберігає конструкцію обох скреперних агрегатів від
небезпечних динамічних навантажень. Так при жорсткості зчеплення 200 кН/м
коефіцієнт динамічності не перевищує 1,6 навіть на швидкості копання 1 м/с. Але
використання пружних елементів з такою жорсткістю недоречне, оскільки при цьому
спостерігається велика амплітуда коливань до 0,5 м. Використання менш пружного
елементу викликає підвищені динамічні навантаження, що безперечно негативно
відзначиться на металоконструкції тягової рами.
Отже слід обмежити швидкість набору ґрунту у кінці наповнення
до 0,75 м/с та виконувати зчіпний елемент із жорсткістю близьку до 1000 кН/м
(рисунок 3.19). При таких умовах коефіцієнт динамічності не перевищуватиме 1,6
(рисунок 3.16), а амплітуда коливань буде не більшою за 0,1 м (рисунок 3.15).
3.3 Висновки
. За допомогою сучасних технологій розв'язати систему
диференційних рівнянь для чотирьох масної системи стає досить легко.
. За допомогою математичного моделювання навантаження тягової
рами копаючого скреперу в тяговому режимі скреперного тандему було виявлено, що
при швидкості копання понад 1 м/с можливе її руйнування. Отже треба або
обмежити швидкість наповнення скреперу ґрунтом або додатково підсилити тягову
раму скреперу.
. Основними чинниками, що впливають на характер коливальних
процесів при спареній роботі скреперів і на величину максимальних динамічних
навантажень, що виникають в зчіпному пристрої є: швидкість копання та пружність
зчіпного елементу. Причому при збільшені цих чинників підвищуються динамічні
навантаження. Граничними сприятливими умовами є швидкість набору ґрунту 0,75
м/с, та жорсткість зчіпного пристрою 1000 кН/м.
. Отже загальна швидкість скреперного тандему у кінці
наповнення не повинна перевищувати 0,75 м/с, якщо тягову раму не підсилювати.
4. Охорона праці
.1 Техніка безпеки при експлуатації
Машиніст скреперу (далі - «машиніст») при виконанні робіт
згідно наявної кваліфікації зобов'язаний виконувати вимоги безпеки, розроблені
з урахуванням будівельних норм і правил дорожнього руху, а також вимоги
інструкцій заводів-виробників по експлуатації керованої ним машини.
Вимоги безпеки перед початком роботи:
. Перед початком роботи машиніст зобов'язаний:
а) пред'явити керівникові посвідчення про перевірку знань
безпечних методів робіт, отримати завдання у бригадира або керівника і пройти
інструктаж на робочому місці по специфіці виконуваних робіт;
б) надіти спецодяг, спецвзуття встановленого зразка.
. Після отримання завдання машиніст зобов'язаний:
а) оглянути з керівником робіт місце розташування підземних
комунікацій і споруд, які повинні бути позначені прапорцями;
б) уточнити послідовність виконання роботи і заходи по
забезпеченню безпеки, наявність огорож і знаків безпеки;
в) провести щозмінне технічне обслуговування згідно
інструкції з експлуатації скрепера;
г) попередити про запуск двигуна працівників, обслуговуючих
машину, або тих, які знаходяться в зоні її роботи, і переконатися, що важіль
перемикання передач знаходиться в нейтральному положенні;
д) провести запуск двигуна, перевірити на холостому ході
роботу всіх механізмів і на малому ході роботу гальм.
. Машиніст не повинен приступати до роботи при наступних
порушеннях вимог безпеки:
а) несправностях механізмів або дефектах, вказаних в
інструкції заводу-виробника, при яких не допускається експлуатація скрепера;
б) наявності підземних комунікацій, не вказаних керівником
робіт, в місцях зрізу або планування ґрунту;
в) ухилі місцевості, що перевищує вказаний в паспорті
заводом-виробником;
г) відсутності огорож місця виробництва робіт і знаків
безпеки.
Виявлені порушення вимог безпеки слід усунути власними
силами, а при неможливості зробити це машиніст зобов'язаний повідомити
керівника робіт і особу, відповідальну за утримання скрепера в справному стані.
Вимоги безпеки під час роботи:
. Перед початком руху машини машиніст зобов'язаний
переконатися у відсутності людей в зоні руху і подати звуковий сигнал.
. При виконанні земляних робіт машиніст зобов'язаний:
а) починати розробку ґрунту тільки після видалення пнів,
чагарників і крупних каменів;
б) глибокі виїмки розробляти уступами;
в) не допускати рух крайнього колеса скрепера по насипу
ближче за один метр від брівки земляного полотна;
г) дотримувати дистанцію між рухомими назустріч один одному
або паралельно скреперами, інтервал в обох випадках повинен бути не менше 5м;
д) проводити різання ґрунту тільки на прямолінійній ділянці
руху;
е) здійснювати набір ґрунту причіпним скрепером тільки на
першій передачі, а розвантаження - на другій-третій передачах;
ж) періодично зупинятися і видаляти камені і інші предмети,
що застрягли між шинами задніх спарених коліс самохідного скрепера.
. При засипці виїмок в ґрунті машиніст зобов'язаний
переконатися у відсутності в них устаткування, інструменту і будівельних
матеріалів. Забороняється пересування скрепера в межах призми обвалення укосів.
. Робота скрепера в небезпечній зоні працюючого екскаватора
не допускається. Виконання робіт скрепером в зоні дії екскаватора здійснюється
тільки при зупинці екскаватора. Ківш екскаватора повинен бути опущений на
землю.
. Одночасна робота двох скреперів в колоні допускається при
відстані між ними не менше 20 м.
. При необхідності очищення ковша скрепера машиніст
зобов'язаний загальмувати скрепер, опустити ківш, застрахувати упором підняту
заслінку і використовувати лопату з довгою ручкою або скребок.
. Розпасовку і запасовку тросів слід проводити в рукавицях
при опущеному на землю або підвішеному на замках ковші скрепера.
. Розробка ґрунту на узгір'ях з поперечним ухилом більше 30°,
а також розвантаження скрепера заднім ходом під укіс, забороняються.
. При транспортуванні машини своїм ходом з одного місця
роботи на інше машиніст зобов'язаний:
а) стежити за тим, щоб ківш був піднятий в крайнє верхнє
положення і не зачіпав предмети, що зустрічаються на шляху;
б) дотримуватись правил дорожнього руху;
в) не допускати повороту скрепера радіусом менше 15 м;
г) встановлювати сигнальні червоні ліхтарі у разі вимушеної
зупинки скрепера на дорозі в нічний час.
. Причіпний скрепер слід зчіплювати з трактором за допомогою
зчіпної сережки, яка повинна бути надійно закріплена. Пересувати трактор
необхідно обережно на мінімальній швидкості, а дишло скрепера слід підняти на
дерев'яних підкладках на висоту зчіпного пристрою трактора.
. Перед завантаженням скрепера на трейлер машиніст
зобов'язаний переконатися в тому, що трейлер знаходиться в стійкому положенні і
загальмований. Після завантаження слід опустити ківш і закріпити скрепер
розтяжками. Під час перевезення скрепера знаходження машиніста в кабіні не
допускається.
. Машиністові в процесі роботи не дозволяється:
а) передавати управління машиною особам, що не мають
посвідчення машиніста скрепера;
б) залишати машину з працюючим двигуном;
в) перевозити в кабіні сторонніх осіб;
г) виходити з кабіни і входити в неї на ходу.
. При технічному обслуговуванні скрепера машиніст
зобов'язаний зупинити двигун і зняти тиск в гідросистемі.
. Під час заправки скрепера пальним машиністові і особам, що
знаходяться поблизу, не дозволяється палити і користуватися вогнем. Після
заправки машину необхідно витерти від патьоків палива і мастила, а замаслену
обтиральну ганчірку покласти в металевий ящик, що закривається. Не допускається
розводити вогонь на відстані менше 50 м від місця роботи або стоянки машини.
. При необхідності ремонту або профілактичного огляду
скрепера заслінку ковша слід заблокувати упором в піднятому стані та опустити
ківш на міцну і стійку опору.
. При промивці деталей не дозволяється користуватися
етилованим бензином.
. При роботі на узгір'ях забороняється:
а) робити різкі повороти;
б) повертати машину із заглибленим робочим органом;
в) ставити машину поперек схилу, кут якого перевищує вказаний
в паспорті машини.
Вимоги безпеки в аварійних ситуаціях
. Виявивши на ділянці при виконанні земляних робіт підземні
комунікації і споруди, а також небезпечні предмети, не вказані при отриманні завдання,
машиніст зобов'язаний негайно зупинити роботу і повідомити керівника робіт.
. При несправності скрепера машиніст повинен поставити машину
на узбіччя або поза зоною виробництва робіт і повідомити особу, відповідальну
за утримання машини в справному стані.
. У разі втрати стійкості скрепера при переміщенні ґрунту
машиністові слід опустити ківш, включити задній хід і усунути крен машини.
. При загорянні скрепера машиніст повинен прийняти заходи по
гасінню вогнища пожежі (за допомогою вогнегасника і підручними засобами:
кошмою, брезентом, піском), у разі неможливості самому погасити вогонь
необхідно викликати пожежну охорону і повідомити керівника робіт.
Вимоги безпеки після закінчення роботи:
. Після закінчення роботи машиніст зобов'язаний:
а) поставити машину на стоянку;
б) поставити важіль перемикання передач в нейтральне
положення і включити гальмо стоянки;
в) вимкнути двигун;
г) закрити кабіну на замок;
д) повідомити керівника робіт або особу, відповідальну за
утримання машини в справному стані, про всі неполадки, що виникли під час
роботи.
4.2 Розрахунок освітлення
В темний період часу ділянка дороги на відстані 10 м попереду
скрепера повинна мати освітлення не менш як 5 лк [4]. Розрахунок освітлення
проводиться крапковим методом, згідно з я ким освітлення:
,
де I - сила світла оптичного елементу (ФГ1-В) дорівнює
7000 кд при ближньому світлі та 20000 кд при дальньому; h - висота
оптичного елемента над поверхнею руху;
- коефіцієнт використання оптичного
елементу; к - коефіцієнт запасу, що враховує запиленість та зниження
напруги живлення лампи.
лк.

лк.
Отже рух в темний період час можливо проводити лише при
дальньому світлі фар, так як освітлення при ближньому світлі буде недостатньо
для безпечного переміщення.
Висновки та пропозиції
Землерійно-транспортні машини знайшли широке використання в
будівельній індустрії. Ефективність застосування самохідних скреперів в
будівельному виробництві обумовлена високою мобільністю і маневреністю, а також
розширеними функціональними можливостями, що дозволяють розробляти ґрунт,
переміщати його, розподіляти шарами заданої товщини з частковим ущільненням,
здатністю виконувати планування площ. Можливість виконання закінченого циклу
робіт скреперами дозволяє широко використовувати їх на будівництві
автомобільних і залізних доріг, розробці кар'єрів, в промисловому і цивільному
будівництві, на відкритих розробках в гірничорудній промисловості.
Створення високопродуктивних землерійно-транспортних машин
здійснюється по двох напрямках: виробництво принципово нових робочих органів і
машин на базі використання досягнень фундаментальних наук, і вдосконалення
робочих органів і машин традиційного типу, що знаходяться в експлуатації.
Головною задачею даної роботи було знаходження умов
найгіршого навантаження тягової рами скреперу під час роботи у тяговому режимі
та визначення переміщень, діючих в зчіпному пристрої, під час роботи у тяговому
режимі. Розроблено еквівалентну динамічну схему та математичну модель, яка
описує режим навантаження скреперу. Розв’язання системи диференційних рівнянь
було проведено за допомогою програми Simulink. Розрахунок тягової рами від дії
максимальних напружень, які виникають в процесі наповнення ковша, проведено за
допомогою програми CosmosWorks.
Аналіз отриманих епюр показує:
) найбільш навантажені елементи тягової рами, а саме
поздовжні тяги з провушинами кріплення ковша та поперечна балка;
2) отримані теоретичні значення робочих швидкостей при
яких тягова рама скреперу не зазнає пластичних деформацій - до 1 м/с.
Отже швидкість набору ґрунту в тяговому режимі треба обмежити
швидкістю 1 м/с або додатково підсилити тягову раму скреперу.
Наступним кроком стало визначення жорсткості зчіпного
пристрою та швидкості руху потягу, при яких не виникатимуть надмірні динамічні
навантаження. В ході розв’язання цієї задачі було знайдено такі значення
швидкості - 0,75 м/с, жорсткості пружного елементу зчіпного пристрою - 1000
кН/м (рисунок 3.19). При таких умовах коефіцієнт динамічності не перевищуватиме
1,6 (рисунок 3.16), а амплітуда коливань буде не більшою за 0,1 м (рисунок
3.15).
Але знайдена допустима швидкість руху потягу для зчіпного
пристрою перевищує найдену максимальну швидкість для тягової рами. Отже слід
прийняти швидкість у кінці наповнення скреперного потягу не вищу за 1 м/с, а
жорсткість пружного елементу зчіпки не вищу до 1000 кН/м.