Анализ инструментальных средств проектирования интеллектуальных информационных систем

  • Вид работы:
    Курсовая работа (т)
  • Предмет:
    Информационное обеспечение, программирование
  • Язык:
    Русский
    ,
    Формат файла:
    MS Word
    3,34 Мб
  • Опубликовано:
    2012-06-13
Вы можете узнать стоимость помощи в написании студенческой работы.
Помощь в написании работы, которую точно примут!

Анализ инструментальных средств проектирования интеллектуальных информационных систем

Оглавление

Введение

Глава 1. Интеллектуальные информационные системы

.1 Понятие «интеллектуальные информационные системы». Классификация ИИС

.2 Особенности и признаки интеллектуальности информационных систем

Глава 2. Разработка и проектирование интеллектуальных информационных систем

.1 Этапы проектирования интеллектуальных систем

.2 Анализ предметной области и методы приобретения знаний

.3 Инструментальные средства проектирования интеллектуальных информационных систем

.3.1 Анализ традиционных языков программирования и представления знаний

.3.2 Современные программные средства построения интеллектуальных информационных систем

Глава 3. Моделирование деятельности нотариальной конторы

.1 Понятие «нотариата»

.2 Краткая информация о нотариальной конторе

.3 Видение выполнения проекта и границы проекта

.4 Отчет об обследовании

.5 Формирование бизнес-процессов

.6 Спецификация настроек информационной системы

.7 Проектирование реализаций операций бизнес-процесса в информационной системе

.8 Моделирование бизнес-процессов в программной среде AllFusion Process Modeler (BPwin) в стандарте IDEF0

Заключение

Список использованной литературы

Приложения

Введение


Одним из основных препятствий на пути внедрения систем искусственного интеллекта является сама причина необходимости их внедрения, т.е. недостаток интеллекта естественного.

Современная экономика, характеризующаяся высокой динамичностью, глобализацией всех процессов, ориентацией на потребителя, возрастающей конкуренцией, проведением непрерывных инноваций, требует применения адекватных методов и средств оптимального управления предприятиями.

Ключевым вопросом эффективного применения этих методов и средств является организация и обработка знаний о возможностях и потенциале предприятия, которые становятся его интеллектуальным капиталом. Развивающаяся в настоящее время в менеджменте концепция управления знаниями предприятия предполагает использование современных информационных технологий, базирующихся в первую очередь на достижениях научного направления «Искусственный интеллект».

В связи с этим интеллектуальные информационные системы (ИИС) в экономике призваны освятить вопросы разработки и эффективного применения интеллектуальных информационных технологий в решении различных классов экономических задач в условиях неопределенности и динамичности среды функционирования предприятий, к которым относятся:

·        экономический анализ;

·        обоснование стратегических решений;

·        инвестиционное проектирование;

·        планирование, реорганизация и мониторинг бизнес-процессов;

·        адаптация корпоративных информационных систем;

·        создание и организация доступа к корпоративной памяти (хранилищу знаний).

В развитии экономики и бизнеса значительную роль играет информационная инфраструктура. Для качественного управления и успешного ведения дел лицу, принимающему решения (ЛПР) в настоящее время необходимо понимание важности информации и информационно-интеллектуальных систем менеджмента. Современные информационные процессы обязывают по-новому взглянуть на информационные технологии с позиций менеджера.

Информационные системы существовали задолго до эры информатизации и компьютеризации, т.к. для управления социально-экономическими процессами необходима систематизированная, предварительно подготовленная информация.

В первую очередь это важно для производственных процессов, связанных с производством материальных и нематериальных благ, т.к. они жизненно важны для общества. Производственные процессы совершенствуются наиболее динамично, и по мере их развития усложняется и управление ими, что, в свою очередь, стимулирует совершенствование и развитие информационных систем.

В настоящее время накоплен определенный опыт разработки и внедрения автоматизированных информационных систем в различных отраслях экономики. Этот опыт позволяет сделать вывод о том, что резерв повышения эффективности таких систем заключается в увеличении уровня интеллектуализации этих систем, переходе к так называемым «интеллектуальным» экономическим системам, ориентированным на знания.

Актуальностью выбранной темы является то, что при проектировании интеллектуальных систем учитываются такие факторы, как сложность проблемной области, размеры пространства состояний системы, степень влияния неопределенности и случайности при принятии решений, необходимость учета и оценки рисков, большие объемы трудно формализуемой и эвристической информации, необходимость получения прогнозов, принятие решений при дефиците времени.

Важное значение приобретает анализ проблемных областей, в которых интеграция интеллектуальных технологий и информационных систем приносит ощутимый эффект. Наиболее перспективными областями экономики и бизнеса, где интеллектуальные системы наиболее эффективны, являются:

·        управление производством;

·        производственное и внутрифирменное планирование и прогнозирование;

·        управление маркетингом и сбытом;

·        финансовый менеджмент;

·        риск-менеджмент;

·        банковская сфера;

·        торговля;

·        фондовый рынок.

Цель курсовой работы - дать знания о состоянии и тенденциях развития экономических информационных систем; о новой информационной технологии решения задач управления, связанной с использованием средств и методов искусственного интеллекта; о навыках разработки и использования интеллектуальных информационных систем в различных прикладных областях (основные сферы производственного цикла, финансово-экономические информационные системы).

В ходе работы были поставлены следующие задачи:

рассмотреть основные определения и понятия, связанные с интеллектуальными информационными системами;

выявить классификацию интеллектуальных информационных систем;

изучить этапы разработки и проектирования интеллектуальных информационных систем;

анализ инструментальных средств проектирования интеллектуальных информационных систем;

моделирование деятельности нотариальной конторы.

Данная курсовая работа может быть полезна для специалистов разрабатывающих и использующих системы управления знаниями, системы поддержки принятия управленческих решений, корпоративные информационные системы, проектирование интеллектуальных информационных систем, а также для преподавателей и аспирантов ВУЗов, занимающихся исследованиями в области применения интеллектуальных технологий в управлении экономическими объектами и процессами.

Глава 1. Интеллектуальные информационные системы

 

.1 Понятие «интеллектуальные информационные системы». Классификация ИИС


Интеллектуальная информационная система (ИИС, англ. <#"564484.files/image001.gif">

Рис 1. Классификация интеллектуальных информационных систем

По степени интеграции ИИС могут быть: автономные в виде самостоятельных программных продуктов с собственной базой данных; сопрягаемые с корпоративной системой с помощью средств ODBC или OLE dB; полностью интегрированные. По оперативности принято различать динамические и статические ИИС. Однако фактор времени всегда является существенным в ИИС и полностью статических систем не может быть по определению. Предлагается различать ИИС реального времени с собственными сенсорами и эффекторами и советующие, в контур которых вовлечен пользователь.

По адаптивности различаются обучаемые ИИС типа нейронных сетей, т.е. системы, параметры, а возможно структура которых могут изменяться в процессе обучения или самообучения, и ИИС, параметры которых изменяются администратором базы знаний. Наиболее часто используемые модели знаний приведены непосредственно на рис. 1.

1.2 Особенности и признаки интеллектуальности информационных систем


Любая информационная система (ИС) выполняет следующие функции: воспринимает вводимые пользователем информационные запросы и необходимые исходные данные, обрабатывает введенные и хранимые в системе данные в соответствии с известным алгоритмом и формирует требуемую выходную информацию. С точки зрения реализации перечисленных функций ИС можно рассматривать как фабрику, производящую информацию, в которой заказом является информационный запрос, сырьем - исходные данные, продуктом - требуемая информация, а инструментом (оборудованием) - знание, с помощью которого данные преобразуются в информацию.

Знание имеет двоякую природу: фактуальную и операционную.

Фактуальное знание - это осмысленные и понятые данные. Данные сами по себе - это специально организованные знаки на каком-либо носителе.

Операционное знание - это те общие зависимости между фактами, которые позволяют интерпретировать данные или извлекать из них информацию. Информация по сути - это новое и полезное знание для решения каких-либо задач.

Часто фактуальное знание называют экстенсиональным (детализированным), а операционное знание - интенсиональным (обобщенным).

Процесс извлечения информации из данных сводится к адекватному соединению операционного и фактуального знаний и в различных типах ИС выполняется по-разному. Самый простой путь их соединения заключается в рамках одной прикладной программы:

Программа = Алгоритм (Правила преобразования данных + Управляющая структура) + Структура данных. [3, стр. 18]

Таким образом, операционное знание (алгоритм) и фактуальное знание (структура данных) неотделимы друг от друга. Однако, если в ходе эксплуатации ИС выяснится потребность в модификации одного из двух компонентов программы, то возникнет необходимость ее переписывания. Это объясняется тем, что полным знанием проблемной области обладает только разработчик ИС, а программа служит «недумающим исполнителем» знания разработчика. Конечный же пользователь вследствие процедурности и машинной ориентированности представления знаний понимает лишь внешнюю сторону процесса обработки данных и никак не может на него влиять.

Следствием перечисленных недостатков является плохая жизнеспособность ИС или неадаптивность к изменениям информационных потребностей. Кроме того, в силу детерминированности алгоритмов решаемых задач ИС не способна к формированию у пользователя знания о действиях в не полностью определенных ситуациях.

В системах, основанных на обработке баз данных (СБД - Data Base Systems), происходит отделение фактуального и операционного знаний друг от друга. Первое организуется в виде базы данных, второе - в виде программ. Причем программа может автоматически генерироваться по запросу пользователя (например, реализация SQL или QBE запросов). В качестве посредника между программой и базой данных выступает программный инструмент доступа к данным - система управления базой данных (СУБД): СБД = Программа <=> СУБД <=> База данных.

Концепция независимости программ от данных позволяет повысить гибкость ИС по выполнению произвольных информационных запросов. Однако, эта гибкость в силу процедурности представления операционного знания имеет четко определенные границы. Для формулирования информационного запроса пользователь должен ясно представлять себе структуру базы данных и до определенной степени алгоритм решения задачи. Следовательно, пользователь должен достаточно хорошо разбираться в проблемной области, в логической структуре базы данных и алгоритме программы. Концептуальная схема базы данных выступает в основном только в роли промежуточного звена в процессе отображения логической структуры данных на структуру данных прикладной программы.

Общие недостатки традиционных информационных систем, к которым относятся системы первых двух типов, заключаются в слабой адаптивности к изменениям в предметной области и информационным потребностям пользователей, в невозможности решать плохо формализуемые задачи, с которыми управленческие работники постоянно имеют дело. Перечисленные недостатки устраняются в интеллектуальных информационных системах (ИИС).

Анализ структуры программы показывает возможность выделения из программы операционного знания (правил преобразования данных) в так называемую базу знаний, которая в декларативной форме хранит общие для различных задач единицы знаний. При этом управляющая структура приобретает характер универсального механизма решения задач (механизма вывода), который связывает единицы знаний в исполняемые цепочки (генерируемые алгоритмы) в зависимости от конкретной постановки задачи (сформулированной в запросе цели и исходных условий). Такие ИС становятся системами, основанными на обработке знаний (СБЗ - Knowledge Base (Based) Systems): СБЗ = База знаний <=> Управляющая структура <=> База данных. [2, стр. 24]

Следующим шагом в развитии интеллектуальных информационных систем является выделение в самостоятельную подсистему или репозиторий метазнания, описывающего структуру операционного и фактуального знания и отражающего модель проблемной области. В таких системах и программы, и структуры данных генерируются или компонуются из единиц знаний, описанных в репозитории, каждый раз при изменении модели проблемной области.

Глава 2. Разработка и проектирование интеллектуальных информационных систем

 

.1 Этапы проектирования интеллектуальных систем


Проектирование интеллектуальных систем - это итеративный и эволюционный процесс, в котором участвуют несколько специалистов: эксперт, обладающий знаниями о предметной области и желающий помочь работе по созданию системы, а также специалисты в области искусственного интеллекта - инженеры знаний, аналитики и программисты. В зависимости от объема и трудоемкости работ группа может состоять из трех - шести человек.

При оценке проблемной области на этапе проектирования интеллектуальных систем необходимо учитывать следующие факторы: легкость сбора данных, представимость данных, оправданность затрат на разработку интеллектуальных систем, наличие экспертов, наличие необходимых ресурсов (компьютеров, программистов, программного обеспечения и т. д.).

После анализа проблемной области и определения целесообразности внедрения интеллектуальной системы в этой сфере приступают непосредственно к проектированию системы.

Существуют различные взгляды на определение числа этапов проектирования интеллектуальных систем. Это зависит от многих факторов, в частности от характера функций будущей интеллектуальной системы, области использования, наличия развитых инструментальных средств и т. д.

Процесс построения систем разделяется на пять этапов (рис. 2):

. Идентификация определения задач и идентификация их характеристик. На этом этапе устанавливаются задачи, которые предполагается решать, их характеристики и особенности. Разрабатывается техническое задание на проектируемую систему. Далее очерчивается круг пользователей системы. Эти сведения помогут в дальнейшем правильно определить область знаний эксперта, определить функции системы и, как следствие, уровень необходимых знаний. В результате вырабатываются определенные требования.

. Выделение главных концепций предметной области, которые отражают знания круга экспертов. Это дает возможность анализировать тип знаний, которыми оперирует эксперт в процессе принятия решений. Инженер знаний определяет формальные средства представления знаний и процедуры получения решений, в наибольшей степени соответствующие характеру рассуждений эксперта при выводе решения.

Таким образом, в результате выполнения этого этапа выявляется и формулируются понятия, определяющие выбор характерной схемы представления знаний эксперта о предметной области.

. Выбор формализма представления знаний и определение механизма вывода решений. Эти компоненты моделирования в значительной степени влияют на успешное решение поставленной задачи по проектированию системы.

Разработанная структура для представления знаний является основой для реализации следующего этапа - непосредственного построения базы знаний системы.

. Выбор или разработка языка представления знаний. После того как правила сформулированы и представлены на выбранном языке представления, они заносятся инженером знаний в БЗ.

. Тестирование системы.

Работоспособность системы определяется путем решения конкретных проверочных задач. При выявлении различных недостатков происходит обращение к тому или иному этапу разработки в зависимости от характера недостатков. При отсутствии каких-либо знаний в системе или их недостаточной определенности возвращаются к этапу 4 и по возможности вносят поправки. В случае если какие-либо знания, представленные экспертом практически невозможно представить в пределах формализма выбранной модели представления знаний, то возвращаются к этапу 3 и выбирают альтернативные модели или схемы представления знаний. Возможно, что причиной возврата может служить недостаточно адекватный базовый механизм логического вывода. Возникают ситуации, когда требуется переформулирование проблемы, так как исходная постановка задачи была неправильной. [1, стр. 73]

Рис. 2. Этапы проектирования ИИ [1, стр. 74]

Приведенная схема последовательности работ, на наш взгляд, достаточно полно и подробно раскрывает процесс проектирования ИИ, но некоторые важные этапы, связанные с созданием ряда функциональных модулей систем ИИ, не рассмотрены. Более подробный перечень работ при проектировании интеллектуальных систем:

·        извлечение знаний из эксперта и передача их системе;

·        выбор способа представления знаний в системе;

·        выбор стратегии вывода (управления);

·        выбор подсистемы объяснения;

·        выбор подсистемы взаимодействия с пользователем;

·        выбор адекватных средств реализации системы. Однако здесь, уже отсутствуют некоторые важные этапы, описанные выше.

Как уже отмечалось, содержание работ, число этапов проектирования интеллектуальных систем, последовательность их выполнения зависят от целого ряда объективных и субъективных факторов. Однако многие этапы и содержание работ являются общими и необходимыми для интеллектуальных систем практически всех типов. Ниже приводится перечень таких этапов и их составляющих:

. Описание проблемной области: определение проблемной области, показывающее важность проблемы для всей организации; определение проблемных экспертов, желающих передать экспертизы (знания) базе знаний; подготовка и объявление плана развития.

. Персонал: определение группы проектировщиков и соответствующих заданий; назначение квалифицированного руководителя проекта; установление и проведение в жизнь твердой линии управления.

. Принятие проекта: проведение организационного заседания; обсуждение основного подхода к проблеме; подготовка специального плана развития; подготовка к монтажу необходимых технических средств и инструментария.

. Прототип системы: развитие системного прототипа: тестирование; получение дополнительной информации о проблемной области по результатам тестирования.

. Развитие полной системы: расширение базы знаний прототипа; оценивание структуры интерфейса пользователя; объединение средств обучения пользователей и документации.

. Верификация системы: вовлечение в процесс проверки экспертов и потенциальных пользователей; обеспечение функционирования системы в соответствии с проектом.

. Интеграция системы: выполнение полной системы, как планировалось; обеспечение совместимости и взаимодействия системы с уже действующими.

. Поддержка системы: обеспечение непрерывной поддержки системы; модернизация БЗ в случае поступления новой информации; сохранение ответственности за систему.

. Документация: подготовка полной документации системы; подготовка руководства для пользователя; организация консультаций пользователям. [1, стр. 89]

Этапы создания интеллектуальных систем не являются четко очерченными и подробно регламентированными. Между некоторыми из них трудно провести временную и содержательную границу. Они в какой-то степени приблизительно описывают процесс проектирования интеллектуальных систем.

Стадии существования интеллектуальных систем (или жизненные циклы системы) соответствуют уровню готовности системы, завершенности ее функциональных возможностей, реализуемых инструментарием. Определяют следующие стадии существования интеллектуальных систем: демонстрационный прототип; исследовательский прототип; действующий прототип; промышленная система; коммерческая система.

Демонстрационный прототип - это состояние разработанности системы, когда она решает некоторую часть проблемных задач. При разработке демонстрационного прототипа стремятся достичь противоречивых целей: с одной стороны, система на стадии демонстрационного прототипа должна выполнять задачи, которые бы довольно полно характеризовали ее возможности, с другой стороны, эту стадию стремятся пройти как можно быстрее. Работа демонстрационного прототипа может быть признана удовлетворительной, если он оперирует минимальным набором правил, достаточным для решения некоторых задач. Время разработки колеблется от двух месяцев до года.

Исследовательский прототип проектируется в течение 1,5-2 лет. На этой стадии развития системы ее БЗ уже содержит несколько сотен правил, которые достаточно адекватно описывают предметную область.

Действующий прототип интеллектуальных систем осуществляет качественный вывод решений на расширившемся пространстве правил, достигшем порядка 1000. Поэтому для вывода сложных решений требуются большие ресурсы времени и памяти.

Промышленные системы обеспечивают высокий уровень качества решения проблем предметной области при значительных уменьшениях времени решения и требуемой памяти. Количество правил возрастает не столь значительно по сравнению с действующим прототипом. На этой стадии происходит преобразование действующего прототипа за счет расширения числа правил и совершенствования интеллектуальных систем на базе использования более эффективных, инструментальных средств. Это требует примерно 3-4 года.

Коммерческая система предназначена в основном для продажи. Она является либо проблемно-ориентированной, либо проблемно-независимой.

2.2 Анализ предметной области и методы приобретения знаний


Предметную область можно определить как сферу человеческой деятельности, выделенную и описанную согласно установленным критериям. В описываемое понятие должны входить сведения об ее элементах, явлениях, отношениях и процессах, отражающих различные аспекты этой деятельности. В описании предметной области должны присутствовать характеристики возможных воздействий окружающей среды на элементы и явления предметной области, а также обратные воздействия этих элементов и явлений на среду. Работа по изучению и анализу предметной области: проектировании интеллектуальных систем оказывает решающее влияние на эффективность ее работы.

Специфика предметной области может оказывать существенное влияние на характер функционирования проектируемой интеллектуальной системе, выбор метода представления знаний, способов рассуждения о знаниях, и т. д. В то же время можно привести примеры, когда системы ИИ, ориентированные на использование в определенной проблемной среде, подходили для проблематики совершенно из другой области.

Говоря о проблемной области, имею в виду комплексное понятие, включающее предметную область, решаемые задачи, цели, возможные стратегии и эвристики.

Предметную область можно определить как объект или производственную систему со всем комплексом понятий и знаний о ее функционировании. При исследовании проблемной области необходимы знания о задачах, решаемых в производственной системе, и стоящих перед ней целях. Определяются также возможные стратегии управления и эвристические знания, используемые в процессе эксплуатации производственной системы.

При исследовании экономических и производственных систем, производственных объектов и решаемых ими задач с целью формализации знаний в БЗ и работе с ними в интеллектуальных системах необходимо учитывать специфику таких систем. Экономическим и производственным системам присуща динамичность функционирования, частая смена ситуаций, обновление больших массивов измерительных и других данных, характеризующих состояние объекта. Они часто функционируют в условиях неполной определенности из-за действия случайных возмущающих факторов. Вместе с тем многие из производств бывают вредными или протекают в опасной для человека среде, что предъявляет повышенные требования к надежности систем управления ими.

Таким образом, при проектировании БЗ надо определенным образом организовывать ее для работы в реальном времени, когда значительные объемы знаний и данных могут быстро изменяться и обновляться. Необходимо обеспечить точность и своевременность представления экспертизы и рекомендаций пользователю (требование работы в реальном времени), а также высокую надежность работы интеллектуальных систем (требование надежности и безотказности в случае использования их для опасных производств). Кроме того, сам характер задач, решаемых в экономических и производственных системах, в значительной степени влияет на процесс организации и проектирования интеллектуальных систем.

На характер знаний, возможность их структуризации, объемы, режимы работы с ними существенное влияние оказывают как область использования интеллектуальных систем (тип конкретного процесса, отрасль, среда функционирования системы), так и реализуемые интеллектуальными системами задачи, которые были перечислены выше.

В системах управления экономическими и производственными процессами знаниями могут являться описания конкретного процесса, характеристики компонентов финансовая и аналитическая информация, фактографические знания или данные. Помимо этого знаниями являются эвристики, или правила, представляющие собой суждения на основе данных, для решения задачи управления, например, когда необходим ремонт оборудования, какими должны быть промежуточные запасы, значения технологических параметров при определенном качестве сырья и т. д. Эти правила, или эвристики, базируются обычно на прошлом опыте.

При решении задач диспетчерского управления знаниями являются, например, данные контроля, поступающие с датчиков измерения расхода и уровня, скорости потока, качественные характеристики продуктов, а также оперативная информация о ходе выполнения плана, поставках, сбыте и т. д. Знаниями являются, в свою очередь, реакции и действия управленческого персонала при определенных значениях и набора данных контроля, действия в аварийных и критических ситуациях, координирующие действия между отдельными технологическими подразделениями завода в зависимости от производственной ситуации, и т. д.

При проектировании и планировании производства, в задачах в качестве знаний могут выступать иные совокупности данных и правил действий.

Характер целей и стратегий управления для различных экономических и производственных задач и в разных областях приложения может также значительно отличаться.

Приобретение знаний реализуется с помощью двух функций: получения информации извне и ее систематизации. При этом в зависимости от способности системы обучения к логическим выводам возможны различные формы приобретения знаний, а также различные формы получаемой информации.

Форма представления знаний для их использования определяется внутри системы, поэтому форма информации, которую она может принимать зависит от того, какие способности имеет система для формализации информации до уровня знаний.

Чем выше способности компьютера к логическим выводам, тем меньше нагрузка на человека.

Следовательно, от функций обучения требуется преобразование полученной извне информации в знания и пополнения ими базы знаний.

В случае прикладных систем инженерии знаний необходимо преобразовать специальные знания из какой-либо области в машинный формат, но для этого нужен посредник, хорошо знающий как проблемную область, так и инженерию знаний. Таких посредников называют инженерами по знаниям (инженерами знаний).

Для подготовки знаний в интеллектуальной системе необходимы вспомогательные средства типа редактора знаний, причем в процессе приобретения знаний в диалоге редактируются отдельные правила, но и восполняются недостатки существующих правил, т.е. ведется редактирование базы знаний.

Если знания заданы во внешнем формате, например на естественном языке, то следует преобразовать их во внутренний формат. Для этого необходимо понимать внешнее представление, т.е. естественный язык, графические данные и т.п. Фактически приобретение знаний и их понимание тесно связаны. Проблема понимания сводится не только к преобразованию структуры предложений - необходимо получить формат, удобный для применения.

Аналогичная проблема - преобразование во внутренний формат советов, подсказок по решению задач. В этом заключается одна из центральных проблем искусственного интеллекта. Она, в частности, изучает преобразование советов, подсказок, рекомендаций, представленных в терминах проблемной области, в процедуры. [1, стр. 91]

Выявление источников знаний и работа с ними - основная задача инженера знаний. Инженер знаний выполняет важные функции при разработке БЗ. Он должен хорошо ориентироваться в проблемной области и быть неплохим психологом, чтобы общаться с экспертом в процессе приобретения знаний. Вместе с тем он должен хорошо знать и возможности программного обеспечения компьютеров, чтобы структурировать знания для хранения и работы с ними.

Основным источником знаний о проблемной области является человек-эксперт. Инженер знаний работает с ним в режиме диалога или интервью и формирует необходимый объем знаний и сведений для работы с объектом. Возможно также использование опросников, которые затем соответствующим образом обрабатываются. Для некоторых задач источниками дополнительной информации являются книги, технологические описания, инструкции, документы. Используются также методы так называемого «мозгового штурма», когда группа специалистов в определенной обстановке в оперативные сроки генерирует необходимую информацию, помогающую разрешение проблемы и лучшему исследованию предметной области. Для некоторых областей применения интеллектуальных систем знания об объекте можно формировать путем использования статистической обработки информации и информации о результатах имитационных экспериментов. В последнее время все чаще начинают использовать методы автоматизированного заполнения БЗ.

2.3 Инструментальные средства проектирования интеллектуальных информационных систем


Программные средства инженерии знаний и реализации интеллектуальных информационных систем (ИИС) можно разделить на следующие группы: универсальные языки программирования (в том числе традиционные), универсальные языки представления знаний и оболочки.

ИИС представляют собой некоторый программный комплекс, позволяющий решать производственный и экономические задачи на уровне человека - оператора или управленца (эксперта). Однако очевидно, что любую программу можно написать на машинно - ориентированном языке (ассемблере) или на универсальном языке высокого уровня (ПЛ/1, Си, Бейсик, Алгол, Ада, Фортран, Паскаль и т.д.). В этой связи возникает вполне справедливый вопрос: зачем рассматривать специализированные средства, для изучения которых требуется определенное время, если универсальным языком высокого уровня (либо языком ассемблера) владеет практически любой программист? Ответ на этот вопрос взят из практики: процесс программирования систем ИИ на специализированных средствах занимает в 2-3 раза меньше времени, чем на универсальных. Однако следует всегда помнить, что параметры эффективности (объем памяти и быстродействие) ИИС, реализованных на базе специализированных средств, в большинстве случаев ниже, чем при реализации ИИС на универсальных средствах.

Еще одним фактором, существенным для выбора ИИС инструментальных программных средств при разработке ИИС, является потенциальная возможность взаимодействия с программными средствами, используемыми на различных уровнях иерархии интегрированных корпоративных информационных систем.

В этой связи оптимальным решением задачи выбора программных средств для реализации ИИС следует считать следующее: первый прототип (или прототипы: исследовательский, демонстрационный) реализуется на специализированных средствах. В случае достаточной эффективности этих средств на них могут быть написаны действующий прототип, и даже промышленная система. Однако в большинстве случаев прототип и даже промышленная система. Однако в большинстве случаев прототип следует «переписать» на традиционных программных средствах.

Рассмотрим наиболее известные и широко применяемые программные средства интеллектуальных систем.

2.3.1 Анализ традиционных языков программирования и представления знаний

Одним из самых популярных языков программирования в системах ИИ является язык LISP. Этот язык был создан в 60-х годах американским ученым Дж. Маккарти и его учениками. На сегодняшний день существует около 20 диалектов этого языка. Наиболее известными являются INTERLISP, FRANZLISP, QLISP, COMMONLISP. На языке LISP написаны многие экспертные системы (MYCIN, INTERNIST, KEE и др.), системы естественно-языкового общения (MARGIE, SHRDLU, ДИЛОС и др.), интеллектуальные операционные системы (FLEX).

Популярность языка LISP в первую очередь объясняется тем, что он с помощью довольно простых конструкций позволяет писать сложные и изящные системы обработки символьной информации. К сожалению, почти все существующие LISP - системы имеют низкую вычислительную эффективность. Именно это не дает возможность языку LISP выйти за рамки «академических» экспериментальных систем. Однако бурное повышение производительности современных компьютеров, а также разработка LISP - машин типа С/330, SYMBOLICS и т.д. вселяет оптимизм в отношении будущего языка.

Язык LISP имеет очень простой синтаксис, поскольку возможны только две его конструкции: атом и список.

Атом - элементарная конструкция языка LISP, характеризуемая своим именем и значением. В некоторых LISP - системах с атомом связывается также определенный список свойств. Примерами атомов могут служить: А, В, А1, ВРЕМЯ ВЫЛЕТА, ВЫПУСК, АИ-93 и т.д.

Список - конструкция LISP, состоящая из множества атомов и подсписков. В LISP принята скобочная нотация описания списков. Примеры списков (А1, А2,…,АК), (А,В) (ВРЕМЯ ВЫЛЕТА, 15_40) (ВЫПУСК АИ-93).

Существенной особенностью языка LISP является то, что здесь «данные» и «программы» внешне ничем не отличаются друг от друга. Это дает возможность писать на LISP «программы», манипулирующие не только данными, но и «программами». Именно данное свойство позволяет LISP стать изящным средством программирования систем ИИ. Понятия «данные», и «программа» в LISP не используются, их заменяют такие понятия, как выражение и функция.- функциональный язык. Все процедуры обработки информации оформляются в виде функций. Благодаря стандартному набору системных функций, LISP может быть «расширен» за счет пользовательских функций. Системные функции делятся на арифметические, списковые функции, функции ввода - вывода, предикаты и др.- это рекурсивный язык, т.е. обеспечивает возможность определения функций с помощью самих себя.

Рекурсивность LISP удобна при решении очень популярной в искусственном интеллекте задачи «поиска по дереву», которая является довольно обобщенной и охватывает широкий класс конкретных задач, начиная шахматными и кончая задачами «принятия решений» или управления сложными объектами. В каждом конкретном случае вершины дуги будут иметь свою семантику. Например, при решении шахматной задачи вершинам могут соответствовать возможные позиции, а дугам те или иные ходы, приводящие к этим позициям. Последовательность ходов, обязательно приводящих к «выигранной» позиции, и будет решением данной задачи. Древовидная структура очень часто имеет также и сценарий диалога человека с ЭВМ. В этом случае с вершинами соотносятся состояния (шаги) диалога, а с дугами - возможные переходы из одного состояния в другое.

Одним из известных языков представления знаний является язык FRL (Frame Representation Language), относящийся к классу фрейм - ориентированных. Основная единица знания в таких языках - фрейм, представляющий собой информационную модель (или описание) некоторой стереотипной ситуации. «Стереотипная ситуация», является обобщением таких понятий, как действия, процессы, события, объекты, свойства, модификаторы и т.д.

Фрейм в FRL - это совокупность поименованных, ассоциативных списков, содержащая до пяти уровней подструктур. Подструктурами фреймов могут быть слоты, аспекты, данные, комментарии и сообщения. Основной структурной единицей во фрейме являются слоты, отражающие взаимосвязи между понятиями предметной области. Слот характеризуется своим именем и значением. Имена слотов назначаются проектировщиками БЗ. Однако FRL имеет также и зарезервированные имена слотов: АКО, INSTANSE, CLAS SIFICATON. В качестве значения слотов могут выступать числа, символы, имена других фреймов, имена процедур.

Важным свойством FRL является наличие в нем встроенного механизма «наследования свойств». Суть этого механизма заключается в следующем. Все понятия предметной области в БЗ организовываются в виде иерархической классификационной системы, где каждое понятие связывается с помощью специальных отложений с более конкретными. Для реализации этих отложений существуют слоты АКО и INSTANSE. Слот АКО связывает понятие с более общим (родовым). Слот INSTANSE связывает понятие с более конкретным (видом). Свойства присущие всему классу, описывают только во фрейме класса, а остальные фреймы этого класса могут наследовать это свойство в случае надобности.

Процедуры обработки FRL подразделяются на независимые и присоединенные. Независимо от типа эти процедуры пишутся обычно на языке реализации самого FRL. На сегодняшний день большинство FRL - систем написаны на LISP.

В последнее время к разработке ЭС все чаще стал привлекаться язык программирования Пролог. Свое наименование Пролог получил от сокращения «Программирование логики» (PRogramming in LOGic). Математической основой Пролога являются исчисление предикатов преимущественно первого порядка, метод резолюции Робинсона, теория рекурсивных функций.

Основной конструкцией языка (в форме, принятой для Пролога), является импликация:

А← В1, В2, …., Вn, называемая правилом, где А1,В1,В2….,Вn - предикаты.

Смысл ее таков «А истинно, если истинно В1 и истинно В2 и … и истинно Вn».

Существующие системы программирования Пролога имеют большой набор «встроенных» предикатов (т.е. предикатов, понимаемых самим Прологом), которые обеспечивают выполнение арифметических операций, строковую (символьную) обработку, функции ввода-вывода и целый ряд специфических функций. За счет наличия встроенных предикатов язык Пролог можно отнести к универсальным языкам программирования и даже к языкам системного программирования.

Важнейшей особенностью языка Пролог является наличие реляционной базы данных, причем доступ и работа с реляционными отношениями погружены в сам Пролог. Для пользователя эти отношения существуют лишь в виде предикатов. Отмеченное свойство делает Пролог очень удобным средством для описания организационных и технологических структур. Так, на Прологе эффективно реализуются задачи подсистемы «Кадры», выдающие всевозможную информацию о кадровой структуре подразделений и о предприятии в целом. Удобно использовать Пролог и для описания технологической схемы производства со множеством взаимосвязей отдельных узлов (установок) по материальным, энергетическим, информационным и другим потокам.

В настоящее время создано большое число различных по эффективности и мощности Пролог - систем, каждая из которых предлагает свой синтаксис языка и свой набор встроенных предикатов. Синтаксис языка определен формой записи Пролог - конструкций: фактов, правил, вопросов, предикатов, атомов, переменных, выражений и т.д.

2.3.2 Современные программные средства построения интеллектуальных информационных систем

Visual Basic язык поддерживающий событийно-управляемое программирование (event-driven programming): визуальное проектирование и элементы объектно-ориентированного программирования. Выпустив в 1991 г. первую версию VB, Microsoft достаточно скромно оценивала возможности этой системы, ориентируя ее, прежде всего, на категорию начинающих и непрофессиональных программистов. Основной задачей тогда было выпустить на рынок простой и удобный инструмент разработки в тогда еще довольно новой среде Windows, программирование в которой представляло проблему и для опытных специалистов,

В 1992 г. была выпущена вторая версия, а в 1993-94 гг. - третья версия. Эта версия позволила продукту войти в число серьезных инструментальных средств программирования и значительно расширить свой рынок.

-97 гг. была выпущена пятая версия; В VB5 было много усовершенствований, он обеспечивал заметно более высокую производительность и предлагал долгожданный компилятор, преобразующий программу во внутренний машинный код.

В 1998 г. появился Visual Basic 6.

В течение нескольких лет идут постоянные дебаты о том, может ли Visual Basic считаться языком объектно-ориентированного программирования (ООП). С одной стороны, элементы ООП в нем были всегда, и их число росло от версии к версии. С другой - многих нужных возможностей ООП в Visual Basic не было. Появление Visual Basic.NET должно положить конец всем этим дискуссиям, так как в нем будут реализованы все необходимые атрибуты ООП. Напомним, что модель ООП подразумевает наличие трех обязательных механизмов: инкапсуляции, полиморфизма и наследования. Первые два были реализованы в предыдущих версиях и получили развитие в новой, а последний появится в ней впервые.Basic наконец-то стал полноценным объектно-ориентированным языком. Безусловно, Visual Basic.NET серьезно прибавил в мощности средств, но работать с ним будет сложнее. Ведь объектно-ориентированные методы программирования предъявляют более серьезные требования к квалификации разработчика, на которою перекладываются многие проблемы обеспечения работоспособности программы.

Дадим также описание некоторых новых элементов языка на концептуальном уровне.Services - это некая принципиально новая платформно-независимая технология, связанная с использованием стандарта XML и протокола SOAP (Simple Object Access Protocol - протокол доступа к простым объектам), которая будет широко интегрирована в средства разработки. Ключевая идея состоит в создании компонентов уровня бизнес-логики, которые взаимодействуют с внешними объектами с помощью стандартных Web-протоколов.(Инкапсуляция). Идея заключается в том, что вы можете создавать скрытый набор процедур (методов и свойств), которые формируют некий программный интерфейс. Другой код может обращаться к этим методам и свойствам, не вдаваясь в подробности их внутренней реализации.threaded (Многопоточность). Это комплексная концепция поддержки выполнения более чем одного потока заданий в одно и то же время. Например, пользователь может продолжать работать с приложением, после того как он задал операцию фоновой печати документа. Подобный режим крайне необходим для создания масштабируемых серверных компонентов и может быть полезен для реализации пользовательского интерфейса. Создание таких вычислительных потоков выполняется примерно следующим образом:(Наследование). Это одно из ключевых понятий объектно-ориентированного программирования возможность использования (в том числе расширения) поведения чужого объекта. Упрощенно говоря, можно создать объект Продукт, а затем на его основе объекты Программный Продукт и Технический Продукт. Оба новых объекта будут наследовать свойства и методы объекта Продукт, и при этом вы сможете изменить поведение наследующего объекта. Visual Basic-разработчики теперь могут использовать ключевое слово Inherits для подключения процедур уже существующего класса:. В русском языке нет соответствующего термина в данном контексте: использование одного и того же идентификатора для обозначения разных процедур. Выбор нужной процедуры выполняется в зависимости от числа и типа параметров. Это особенно полезно для создания одного свойства, поддерживающего разные типы аргументов.(Полиморфизм). Возможность иметь несколько объектов разного типа, но с одинаковыми методами. Это позволяет писать код, вызывающий тот метод, который нужен в зависимости от используемого в данный момент объекта.Basic позволяет создавать различные приложения для работы с базами данных - от простейших локальных баз данных до многоуровневой архитектуры клиент/сервер, а также приложений для работы в intranet и Internet с использованием таких передовых технологий, как DHTML, XML и ASP.

Также очень важны вопросы проектирования реляционных баз данных и использования языка SQL. Язык структурированных запросов является стандартным средством для работы с базами данных и может использоваться как для интерактивной работы с базами данных, так и включаться в языки программирования. Применительно к Visual Basic SQL позволяет:

·        создавать, модифицировать или удалять таблицы в базе данных Access;

·        вставлять, удалять или модифицировать записи таблиц;

·        получать сводную информацию о данных в таблице;

·        поиск данных в одной или более таблицах по запросу.

Экспертная система, как никакая другая, должна предоставлять пользователю максимально «дружелюбный» интерфейс, поскольку она в большинстве случаев является диалоговой и требует от пользователя максимального взаимодействия. Это справедливо в большой степени для так называемых оболочек экспертных систем, правильность настройки и заполнения которых является ключевым фактором в построении адекватно реагирующей экспертной системы. В данной ситуации многое зависит от логики представления информации и управляющих элементов в программе, наличия пользовательского меню и развитой справочной системой.

В инструментальной среде построения ЭС GURU, разработанной фирмой Micro Data Base Systems, Inc., методы экспертных систем сочетаются с такими средствами обработки данных, как составление электронных ведомостей, управление базой данных и деловой графикой, и таким образом формируется уникальная среда для поддержки принятия решений и разработки прикладных интеллектуальных систем.

Система GURU легка в употреблении для новичков и в то же время является достаточно эффективной и гибкой системой для профессионалов - разработчиков.

В обычных «интегрированных» программных продуктах или несколько отдельных программ помещены в операционную среду, или несколько, второстепенных компонентов вкладываются в главный компонент (как, например, программа обработки электронных ведомостей или текстовый редактор). Трудности, с которыми сталкиваются при таких стилях «интеграции», хорошо известны. Первая трудность заключается в том, что пользователь вынужден переходить назад и вперед по отдельным программам и передавать данные между ними. Метод вложений заставляет пользователя выполнить всю обработку в пределах главного компонента, и в результате получаются относительно слабые вторичные компоненты.

Метод Интеграции, используемый в системе GURU, совершенно отличается от вышеупомянутых. Он основывается на принципе синергизма. При этом под «синергизмом» здесь понимается следующее. В системе GURU все средства всегда доступны. Многочисленные компоненты можно соединять по желанию в пределах одной операции, а это характеризует систему как гибкую и удобную в использовании.

Взаимодействовать с системой можно любым из четырех различных способов: с помощью меню: на ограниченном естественном языке, в режиме команд или через специально разработанные интерфейсы. Каждый тип интерфейса системы GURU предназначен для удовлетворения потребностей и вкусов различных классов пользователей. Всеми четырьмя интерфейсами можно пользоваться во время одного и того же сеанса взаимодействия с системой GURU.

Как и в большинстве оболочек, в GURU используется продукционная модель представления знаний в виде совокупности «If-then» правил с обратной стратегией вывода в качестве основной имеется возможность моделирования нечетких и неточных рассуждений. Кроме посылок и заключения в правила можно включать команды, которые будут выполняться перед проверкой условия, а также пояснительный текст для генерации объяснений. Правила также включают необязательные параметры цены и приоритета, позволяющие управлять процессом выбора из совокупности, готовых, к выполнению правил очередного. С каждым правилом можно также связать число, определяющее, сколько раз это правило может выполняться в процессе консультации.

Правила, относящиеся к решению некоторой общей задачи, образуют базу знаний, или набор правил. В этот набор кроме: собственно правил включаются две специальные процедуры: инициализация и завершение, которые должны выполняться до и после выполнения правил. В набор правил также включаются описания переменных, участвующих в правилах, содержащие спецификации типа, точности и т. п.

По умолчанию в GURU принята стратегия обратного вывода, однако, можно использовать чисто прямой вывод, а также комбинировать его с обратным в рамках одного набора правил. Как стратегиями вывода, так и целевыми переменными можно управлять динамически в процессе консультации.обеспечивает мощные средства управления обработкой факторов уверенности, отражающих степень неточности и нечеткости выраженных в правилах эвристических знаний. Для предоставления такой нечеткости в GURU с каждым значением переменной может быть связан числовой коэффициент от 0 до 100. Система предоставляет разработчику выбор более чем из 30 различных формул, позволяющих управлять обработкой факторов уверенности во время вывода.

Полезными являются такие дополнительные средства управления логическим выводом, как установка степени «точности» вывода значения для некоторой переменной, изменение принятого по умолчанию порядка просмотра правил.

Эффективность машины логического вывода во многом зависит от того, как она осуществляет поиск в наборе правил, когда ищет правила, которые можно выполнять. В отличие от традиционного программного обеспечения, использующего принципы искусственного интеллекта, система GURU предоставляет расширенные средства управления настройкой, в частности поддерживает до 50 различных стратегий поиска. Эффективность также зависит от количества и состава правил в наборе правил. Поскольку система GURU предоставляет разнообразные возможности создания наборов правил, то можно значительно сократить количество правил, необходимых для охвата всех знаний и опыта в конкретной проблемной области. Это приводит к ускорению процесса получения логических выводов, а также к упрощению управления этими правилами.

Интегрированная система GURU пытается превратить потенциальные преимущества ЭС в реальность, облегчить пользователю процесс создания ЭС, сделать его прямым, эффективным и естественным.

Глава 3. Моделирование деятельности нотариальной конторы

интеллектуальный информационный allfusion process modeler

3.1 Понятие «нотариата»


Защита субъективных прав и охраняемых законом интересов граждан и организаций в Российской Федерации возложена на различные органы, к которым относится и нотариат. Термин «нотариат» происходит от латинского «notarius», что означает писец, секретарь. Во-первых, нотариат представляет собой систему органов, на которую возложено удостоверение бесспорных прав и фактов, свидетельствование документов, выписок из них, придание документам исполнительной силы и выполнения других нотариальных действий в целях обеспечения защиты прав и законных интересов граждан и юридических лиц. Это не только государственные нотариальные конторы и нотариусы, занимающиеся частной практикой, в эту систему входят и должностные лица органов исполнительной власти, уполномоченные на совершение нотариальных действий; должностные лица консульских учреждений Российской Федерации совершают нотариальные действия на территории других государств; правом совершать отдельные нотариальные действия наделены главные врачи, их заместители по медицинской части, дежурные врачи больниц, других стационарных учреждений, а также директора и главные врачи домов для престарелых и инвалидов, командиры воинских частей, соединений, учреждений и военно-учебных заведений и ряд других лиц. Должностные лица органов исполнительной власти могут совершать нотариальные действия в случае отсутствия в населенном пункте нотариуса. По своему характеру и выполняемым функциям нотариат относится к числу органов государственного управления. Это обусловлено тем, что совершение нотариальных действий возложено только органом, обладающим определенными властными полномочиями (например, властное подтверждение в бесспорном порядке субъективных прав и обязанностей физических и юридических лиц, принятие охранительных мер путем наложения запрещений и ареста на имущество и др.). Во-вторых, это отрасль законодательства, нормами которой регулируется нотариальная деятельность. И в первую очередь, деятельность нотариата в нашей стране организована в соответствии с требованиями Основ законодательства о нотариате. Однако не следует считать, что только названный Закон регулирует деятельность нотариуса. Круг законодательных актов, так или иначе организующих деятельность нотариуса или совершение конкретных нотариальных действий, достаточно широк, и главенствующее место в нем занимают Гражданский кодекс Российской Федерации и Гражданский кодекс РСФСР 1961 года в части наследственного права, Семейный кодекс Российской Федерации, Гражданско- и Уголовно-процессуальные кодексы РСФСР, Закон о госпошлине и другие.

Определяющим правовую природу нотариата признаком следует считать юрисдикционную, правоохранительную функцию. С одной стороны, она является продолжением, детализацией функции Министерства юстиции по организации юридических услуг и правовой помощи. Подчеркивается, что реестр государственных нотариальных контор и контор нотариусов, занимающихся частной практикой, ведет Министерство юстиции РФ. С другой стороны нотариат и суд осуществляют единую функцию предварительного и последующего контроля за законностью в гражданском обороте.

Поэтому их деятельность тесно соприкасается - суд рассматривает жалобы на нотариальные действия или отказ в их совершении, нотариальные акты оспариваются в порядке искового производства в суде или арбитражном суде, при совершении некоторых действий нотариальный орган, как и суд; руководствуются нормами ГПК, принудительное взыскание по исполнительной надписи осуществляется по правилам исполнительного производства и др. В отличие от суда, который рассматривает в гражданском процессе споры о праве, нотариат выполняет функции, направленные на предупреждение гражданских нарушений в будущем. Таким образом, деятельность нотариата имеет предупредительный характер.

Итак, мы установили, что нотариат - это, прежде всего, система государственных органов, наделенных действующим законодательством правом совершать нотариальные действия, а также это отрасль законодательства, нормами которой регулируется нотариальная деятельность.

3.2 Краткая информация о нотариальной конторе


Служба «Нотариальная контора» (г. Новочебоксарск) организована в 2000 году. Сегодня спектр услуг компании включает:

·        совершение всех предусмотренных Основами нотариальные действия в интересах граждан и юридических лиц;

·        составление проектов сделок, заявлений, других документов. В связи с предоставлением нотариусу права удостоверять любые, не противоречащие действующему в Российской Федерации законодательству сделки между гражданами или юридическими лицами зачастую составление проекта сделки под силу только нотариусу. При этом нотариус выясняет условия сделки, разъясняет ее последствия, проверяет, не будут ли ущемлены данной сделкой чьи-либо права, каждую позицию сделки обсуждая со всеми ее участниками. Если же к нотариусу обратились лица, имеющие составленный самими проект сделки, отвечающий требованиям законодательства и соблюдающий права и обязанности сторон, третьих лип, нотариус вправе удостоверить его. Важно, чтобы в любом случае договор или иной нотариально удостоверенный документ не противоречили требованиям законодательства;

·        изготовление копии документов и выписки из них. Под этим подразумевается не свидетельствование верности копии подлиннику документа и выписки из него как нотариальное действие, а именно изготовление копии, то сеть копирование документа с использованием технических средств или собственноручно;

·        истребование как от физических, так и юридических лиц сведения и документы для совершения нотариальных действий. В случае непредставления нотариусу необходимых для совершения нотариального действия сведений или документов нотариус вправе отказать в его совершении.

Основные бизнес-процессы компании - планирование обращений за нотариальными услугами, прием и регистрация нотариальных услуг, их выполнение и расчеты с клиентами.

С ростом объема клиентов, появлением новых услуг в нотариальной конторе появились проблемы, связанные с отсутствием автоматизации. Обработка всей информации, начиная от приема заказов и заканчивая взаиморасчетами с клиентами, получение отчетов выполняются вручную. В этих условиях часть принятых заказов теряется, возможность ознакомиться с историей взаимоотношений с клиентом отсутствует. Даже постоянным клиентам каждый раз при обращении к нотариусу приходится сообщать секретарю полностью свои данные, а для получения элементарного отчета требуется зачастую несколько дней работы. В дни пик, например в выходные дни, поступление непрерывных клиентов приводит к появлению очереди. Обработка данных вручную не позволяет максимально быстро принимать заказы.

Учитывая сложившуюся ситуацию, руководство компании приняло решение о внедрении на предприятии автоматизированной системы, которая позволила бы максимально сократить время приема заказа.

Адрес и телефон - г. Новочебоксарск, ул. Винокурова, 49; телефон: 46-55-12, факс: 467-1955.

Время работы: с 08:30 до 17:00 (вторник, среда, четверг, пятница), с 08:30 до 18:00 (понедельник), с 09:00 до 18:00 (суббота, воскресенье), обед: с 12:00 до 13:00.

Контактные лица

Димитриев Дмитрий Михайлович - нотариус;

Иванов Иван Сергеевич - помощник нотариуса;

Алексеева Надежда Владимировна - секретарь;

Григорьева Анастасия Ивановна - главный бухгалтер.

Сотрудники

На момент проведения диагностики штат компании составляет 16 сотрудников.

Основными целями проекта автоматизации компании «Нотариальная контора» являются:

·        автоматизация работы базы данных клиентов;

·        разработка и внедрение комплексной автоматизированной системы, позволяющей организовать на более качественном уровне хранение, учет, нахождение и отображение запрашиваемой информации;

·        обеспечение большей защиты информации от несанкционированного доступа;

·        разработка и внедрение автоматизированного учета информации, позволяющей наиболее достоверно, быстро и безошибочно собирать и производить различные операции с данными;

·        повышение эффективности работы всех подразделений компании и обеспечение ведения учета в единой информационной системе.

3.3 Видение выполнения проекта и границы проекта


В рамках проекта развертывание новой системы предполагается осуществить только в следующих подразделениях «Нотариальная контора»:

·        отдел приема заказов;

·        отдел кадров;

·        отдел выполнения заказов;

·        бухгалтерия.

Отдел приема заказов - реализация возможности поддержки неограниченного количества потоков заказов (радиоканалов). При включении автоматического режима распределения заказов по потокам можно будет задать определенный процент заказов, который должен попадать в каждый поток, а также соотношение попадания заказов в потоки в зависимости от формы оплаты.

С вводом автоматизированной системы на предприятии решится проблема, связанная с ведением «черных списков» телефонов и адресов. Сейчас секретарь записывают в журнал информацию о телефонах и адресах, с которых нельзя принимать заказы, и причины отказа в оказании услуг. При этом каждый раз до оформления заказа оператор обращается к этому журналу для проверки заказчика.

Отдел кадров - планируется создание нескольких подсистем автоматизированного ведения графиков работы сотрудников.

Отдел выполнения заказов - в процессе совершенствования системы в ней будет реализован блок «бонусные программы», который обеспечит проведение различных акций, предоставление скидок, что невозможно было сделать при неавтоматизированном режиме работы.

Бухгалтерия - планируется создание нескольких подсистем автоматизированного ведения взаиморасчетов с сотрудниками и клиентами. В рамках каждой подсистемы будут предусмотрены учет приема и выдачи денежных средств, ввод необходимых начислений и удержаний, могут производиться корректировки, формирование отчетности о состоянии задолженности. Используя возможности системы, будут обеспечиваться формирование отчетов по принятым, выполненным и отмененным заказам за произвольный период, отчетов по сумме выручки, отчетов по заработной плате сотрудников.

Не рассматривается в границах проекта автоматизация учета основных средств, взаиморасчеты с поставщиками. Выходит за рамки проекта автоматизация процессов взаимоотношений с клиентами.

Количество рабочих мест пользователей - 16.

3.4 Отчет об обследовании


Список программного обеспечения, используемого компанией на момент обследования:

·        «1С: Предприятие 8.0» для работы бухгалтерии;

·        собственная разработка в MS Access «АРМ Клиенты» для отдела приема заказа. «АРМ Клиенты» связан с различными отделами предприятия. Отчеты о выполнении заявок поступают к нотариусу, который лично контролирует исполнение заявок. Сотрудники широко пользуют эту программу (автоматизация ввода данных о поступившем заказе и расчет его стоимости). Данная программа помогает управленческому отделу производить контроль над работой сотрудников, просматривать отчеты.

Формулируем общие требования к информационной системе. Одно из основных требований компании «Нотариальная контора» к будущему решению состоит в том, чтобы оно было построено на фундаменте единой интегрированной системы, а работа всех сотрудников велась в одном информационном пространстве.

Ключевые функциональные требования к информационной системе:

·        Мощные средства защиты данных от несанкционированного доступа;

·        Разграничения доступа к данным в соответствии с должностными обязанностями;

·        Возможность удаленного доступа;

·        Управление над поступившими заказами. Оперативное получение информации о заказах;

·        Управление над осуществлением заказа. Контроль выполнения заказа;

·        Полный контроль расчетов с клиентами;

·        Анализ конкурентных преимуществ компании;

·        Ввод и хранение данных.

Существующий уровень автоматизации приведен в таблице 1.

Таблица 1.

Существующий уровень автоматизации компании «Нотариальная контора»

Количество рабочих станций, всего:

16

Количество сотрудников отдела IT

2

Количество ПК, одновременно работающих в сети

14

Количество рабочих станций на удаленном объекте

8

Характеристики компьютеров

С частотой свыше 600 МГц и оперативной памятью (ОЗУ) свыше 128 Мб

Операционная система

Windows XP

Системы, которые представляется возможным оставить без изменения

«1С: Предприятие 8.0» в модульном составе «Бухгалтерия», «Зарплата», для работы бухгалтерии


Пример форм отчетных документов, которые должны формироваться системой приведены в таблице 2.

Таблица 2.

Отчет о выполненных заказах

Отчет о выполненных заказах

Код заказа

Табельный номер сотрудника

Табельный номер клиента

Вид услуги

Стоимость





Цена

Скидка


Организационная структура компании «Нотариальная контора» представлена в приложении №1. Из рисунка видно, что структура компании состоит из следующих отделов: отдел кадров, отдел маркетинга и рекламы, бухгалтерия, юридический отдел, отдел архива.

3.5 Формирование бизнес-процессов


Опишем состав автоматизируемых бизнес-процессов компании. Для того чтобы выделить бизнес-процессы, необходимо выделить действия, которые совершает компания. В рассматриваемом случае компания планирует заказы, принимает заказы, регистрирует заказы, исследует рынок, осуществляет расчеты с клиентами, оказывает нотариальные услуги. Бизнес-процессы компании приведены в таблице 3.

Таблица 3.

Бизнес-процессы компании, подлежащие автоматизации

№ п/п

Код бизнес-процесса

Наименование бизнес-процесса

1.

Пл_Зак-1

Планирование заказа

2.

Прием_Регистр-2

Прием-Регистрация заказа

3.

Иссл_Рынка-3

Исследование рынка

4.

Расч_Кл-4

Расчеты с клиентами

5.

Нотар_Усл-5

Оказывание нотариальных услуг


Каждый бизнес-процесс имеет свой уникальный номер. Нумерация бизнес-процессов построена по следующему принципу: «префикс-номер», где префикс обозначает группу описываемых бизнес-процессов, а номер - порядковый номер бизнес-процесса в списке.

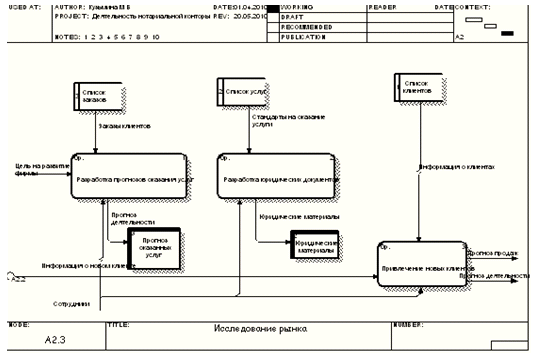
Создадим диаграмму прецедентов компании «Нотариальная контора». На диаграмме прецедентов (приложение №2) представлены автоматизируемые бизнес-процессы компании и их исполнители. Любые системы, в том числе и программные, используются с учетом того, что в процессе своей работы они будут использоваться людьми и взаимодействовать с другими системами. Диаграмма прецедентов показывает, что именно выполняется в системе: планирование заказов, прием и регистрация заказов, исследование рынка, расчеты с клиентами, оказание нотариальных услуг.

Сформируем физическую диаграмму. Компания «Нотариальная контора» осуществляет оказание юридических и нотариальных услуг, выезды на дом для оказания нотариальных услуг в связи с болезнью или др. причинами, юридические консультации и другие услуги. Планирование заказов компания осуществляет на основании статистики предоставленных услуг, которую предоставляют население и организации.

На физической диаграмме компания изображается прямоугольником, для отображения контрагентов используются графический символ Actor (фигурка человечка). Для изображения связей между компанией и контрагентами используются линии. Взаимодействия компании и внешних контрагентов поименованы, чтобы были понятны функции контрагентов по отношению к компании при знакомстве с физической диаграммой.

Физическая диаграмма «Нотариальная контора» представлена в приложении №3.

Диаграмма классов - это набор статических, декларативных элементов модели. Она является конечным результатом проектирования и отправной точкой процесса разработки. Диаграмма классов «Нотариальная контора» представлена в приложении №4. Из рисунка видно, что клиенты осуществляют заказы. При этом клиентами могут быть население и организации (отношение обобщение). Заказ (заказ имеет тип) принимает секретарь и помощник нотариуса, а нотариус выполняет заказ (отношение ассоциация).

Диаграмма размещения показывает топологию системы и распределение компонентов системы по ее узлам, а также соединения (маршруты передачи информации между аппаратными узлами). В приложении №5 представлена диаграмма размещения «Нотариальная контора». Она показывает размещение компонентов системы по узлам.

Опишем бизнес-процесс «Прием - Регистрация» (Прием_Регис-2).

Бизнес-процесс выглядит следующим образом:

1.       Секретарь нотариуса ежедневно получает от клиентов заказы.

2.       Секретарь, получив заявку, ежедневно производит проверку сроков действия дисконтной карты.

.        Секретарь, производя проверку сроков действия дисконтной карты, регистрирует полученные результаты.

.        Секретарь отправляет работу к нотариусу.

Диаграмма деятельности бизнес-процесса «Прием - Регистрация» представлена в приложении №6. На основании диаграммы деятельности формируются таблица операций рассматриваемого бизнес-процесса (таблица 4) и таблица описания документов (таблица 5).

Таблица 4.

Операции бизнес-процесса «Прием - Регистрация»

Диаграмма и номер на диаграмме

Операция

Исполнитель

Как часто

Входящие документы (документы основания)

Исходящий документ (составляемый документ)

2Прием_Регис_1

Получение от клиента заказа

Секретарь

Ежедневно

Заявка

Отчет о получении заказа от клиента

2Прием_Регис_2

Проверка сроков действия дисконтной карты

Секретарь

Ежедневно

Отчет о получении заказа от клиента

Отчет о полученных данных

2Прием_Регис_3

Регистрация результатов

Секретарь

По мере необходимости

Отчет о получении заказа

Отчет о собранной информации

2Прием_Регис_4

Отправка работы к нотариусу

Секретарь

Ежедневно

Сбор и анализ собранной работы по нотариальному делу

Делодокументация


Таблица 5.

Описание документов бизнес-процесса «Прием - Регистрация»

Диаграмма и номер на диаграмме

Составляемый документ (исходящий документ)

Операция

Кто составляет (исполнитель)

Как часто

Документы основания (входящие документы)

Реестр, в котором регистрируется документ

2Прием_Регис_1

Отчет о получении заказа от клиента

Получение от клиента заказа

Секретарь

Ежедневно

Заявки

Реестр отчетов

2Прием_Регис_2

Отчет о полученных данных

Проверка присутствия в «черном списке»

Секретарь

Ежедневно

Отчет о получении заказа от клиента

Реестр отчетов

2Прием_Регис_3

Проверка сроков действия дисконтной карты

Секретарь

По мере необходимости

Делодокументация

Реестр отчетов

 
Опишем бизнес-процесс «Оказание нотариальных услуг» (Нотар_Усл-5).

Бизнес-процесс выглядит следующим образом:

1.       Проверка лица, обратившегося за нотариальными услугами, в органах внутренних дел и судах юрисдикции;

2.       Сбор и анализ документации;

.        Проверка в архиве;

.        Подписание и заверение документов.

Диаграмма деятельности бизнес-процесса «Оказание нотариальных услуг» представлена в приложении №7. На основании диаграммы деятельности формируются таблица операций рассматриваемого бизнес-процесса (таблица 6) и таблица описания документов (таблица 7).

Таблица 6.

Операции бизнес-процесса «Оказание нотариальных услуг»

Диаграмма и номер на диаграмме

Операция

Исполнитель

Как часто

Входящие документы (документыо снования)

Исходящий документ (составляемый документ)

5Нотар_Усл_1

Проверка лица, обратившегося за нотариальными услугами, в органах внутренних дел и судах юрисдикции

Помощник нотариуса

В начале работы

Документация в органах внутренних дел и судах юрисдикции

Разного рода копии документов и справки

5Нотар_Усл_2

Сбор и анализ документации

Помощник нотариуса

Ежедневно

Справки и документы

Папка с документами

5Нотар_Усл_3

Проверка в архиве

Секретарь

По мере необходимости

Архивная документация

Разного рода копии документов и справки

5Нотар_Усл_4

Подписание и заверение документов

Нотариус

В конце работы

Собранная документация

Подписанный и заверенный документ


Таблица 7

Описание документов бизнес-процесса «Оказание нотариальных услуг»

Диаграмма и номер на диаграмме

Составляемый документ (исходящий документ)

Операция

Кто составляяет (исполнитель)

Как часто

Документы основания (входящие документы)

Реестр, в котором регистрируется документ

5Нотар_ Усл_1

Разного рода копии документов и справки

Проверка лица, обратившегося за нотариальными услугами, в органах внутренних дел и судах юрисдикции

Помощник нотариуса

В начале работы

Документация в органах внутренних дел и судах юрисдикции

Реестр баз данных органов внутренних дел и органов юрисдикции

5Нотар_ Усл_2

Папка с документами

Сбор и анализ документации

Помощник нотариуса

Ежедневно

Справки и документы

Реестр информаций

5Нотар_ Усл_3

Разного рода копии документов и справки

Проверка в архиве

Секретарь

По мере необходимости

Архивная документация

Реестр документов в архиве

5Нотар_ Усл_4

Подписанный и заверенный документ

Подписание и заверение документов

Нотариус

В конце работы

Собранная документация

Реестр списка оказанных услуг


3.6 Спецификация настроек информационной системы


На последнем этапе осуществляется отображение модели предметной области на функциональность типовой системы - выбираются модули системы для поддержки выделенных операций, определяются особенности их настройки, выявляется необходимость разработки дополнительных программных элементов.

Прием и регистрация заказов:

·        быстрый прием заказов;

·        бонусные программы;

·        представление статистических данных в удобном для восприятия виде;

·        быстрое оповещение помощника нотариуса и нотариуса.

Управление:

·        определение планов выполнения заказов;

·        управление процессом выполнения заказов;

·        прогнозирование выполнения заказов;

·        оперативный контроль над отношениями с клиентами и сотрудниками;

·        отслеживание действий и прогресса в работе отдельных сотрудников;

·        графическое представление данных о выполненных заказах;

·        создание отчетов по предложениям, деятельности отдельных сотрудников.

Анализ финансовых результатов:

·        общая оценка затрат;

·        формирование бюджета рекламной деятельности;

·        определение стоимости заказа на основе цен конкурентов;

·        анализа данных за прошедшие периоды.

Планирование:

·        анализ исследуемого рынка;

·        прогнозирование объема спроса;

·        определение системы скидок на заказы.

Базы данных и документооборот:

·        ведение базы данных;

·        система учета документооборота.

Учет договоров:

·        ведение юридической информации о договорах с другими организациями, условиях оплаты;

·        форма ручного сопоставления в рамках договоров;

·        сальдо расчетов в рамках отдельного договора;

·        номер договора в проводках по курсовой разнице;

·        переход от моделей предметной области к функциональной модели системы.

3.7 Проектирование реализаций операций бизнес-процесса в информационной системе


На завершающем этапе разработки информационной системы формируются таблицы реализации операций бизнес-процессов организации (таблица 8 и таблица 9).

Таблица 8.

Проектирование реализации операций бизнес-процесса «Прием-Регистрация»

Номер операции на диаграмме

Операция

Необходимые разработки

Специфика настройки

Функциональность (модуль) системы

2Прием_Регис_1

Получение от клиента заказа

Реализация возможности поддержки неограниченного количества потоков заказов (радиоканалов)

При включении автоматического режима распределения заказов по потокам можно будет задать определенный процент заказов, который должен попадать в каждый поток, а также соотношение попадания заказов в потоки в зависимости от формы оплаты.

Планирование, расчеты с клиентами

2Прием_Регис_2

Проверка сроков действия дисконтной карты

Ведение системы проверки сроков действия

Проверка в базе данных пользователей дисконтных карт

Управление

2Прием_Регис_4

Подписание и заверение документов

Внедрение дополнительной базы данных по оказанным услугам и клиентам

Контроль за ведением базы данных

Управление и контроль


Таблица 9.

Проектирование реализации операций бизнес-процесса «Оказание нотариальных услуг»

Номер операции на диаграмме

Операция

Необходимые разработки

Специфика настройки

Функциональность (модуль) системы

5Нотар_Усл_1

Проверка лица, обратившегося за нотариальными услугами, в органах внутренних дел и судах юрисдикции

Разработка модуля, позволяющего описывать техническое состояние баз данных

Сравнение текущего состояния с прошлым. В случае появления изменений система должна предупреждать пользователя.

Управление. Анализ.

5Нотар_Усл_3

Проверка в архиве

Разработка баз данных в архиве

В базе данных предусмотреть данные о лицах, о судимости и места жительства и работы

Базы данных

5Нотар_Усл_4

Подписание и заверение документов

Автоматизации не подлежит


Функциональность не требуется


3.8 Моделирование бизнес-процессов в программной среде AllFusion Process Modeler (BPwin) в стандарте IDEF0


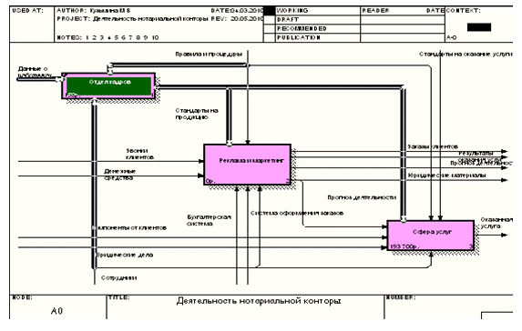
Функциональная модель предназначена для описания существующих бизнес-процессов на предприятии (так называемая модель AS-IS) и идеального положения вещей - того, к чему нужно стремиться (модель ТО-ВЕ). Методология IDEF0 предписывает построение иерархической системы диаграмм - единичных описаний фрагментов системы.

Построение модели информационной системы начинается с описания функционирования предприятия (системы) в целом в виде контекстной диаграммы. В приложении №8 представлена контекстная диаграмма «Деятельность службы нотариальной конторы». Взаимодействие системы с окружающей средой описывается в терминах входа (на рисунке это «Данные о работниках», «Звонки клиентов», «Денежные средства», «Компоненты от клиентов», «Юридические дела») и выхода (основной результат процесса - «Заказы клиентов», «Юридические материалы», «Прогноз деятельности», «Результаты оказанных услуг», «Оказанная услуга»), управления («Правила и процедуры», «Стандарты на оказание услуги») и механизмов («Сотрудники», «Система оформления заказов», «Бухгалтерская система»).

После описания контекстной диаграммы проводится функциональная декомпозиция - система разбивается на подсистемы и каждая подсистема описывается отдельно (диаграммы декомпозиции). Затем каждая подсистема разбивается на более мелкие и так далее до достижения нужной степени подробности. В результате такого разбиения, каждый фрагмент системы изображается на отдельной диаграмме декомпозиции (приложение №9).

Весь процесс службы нотариальной конторы разбивается на 3 функции:

·        «Отдел кадров» - осуществление подбора персонала, ведение и учет контроля над сотрудниками и проведение мероприятий по сплоченности персонала;

·        «Реклама и маркетинг» представляет собой процесс привлечения новых клиентов и сохранность старых клиентов, исследование рынка, анализ и оценка конкурентов;

·        «Сфера услуг» - ведение учета оказания услуги и планирования деятельности.

После дальнейшего разбиения диаграммы получаем 2 функции декомпозиции, описывающие каждая одну из работ, представленных на диаграмме верхнего уровня (в приложении №9). Диаграмма декомпозиции IDEF0 «Реклама и маркетинг» представлена в приложении №10. Опишем полученную диаграмму:

·        предоставление информации о конкурентах - происходит анализ и оценка конкурентов на данном рынке;

·        оформление заказов - регистрируются заказы, проверка и внесение клиентов в базу данных;

·        исследование рынка - анализ и оценка рынка, прогнозирование деятельности.

Декомпозируя работу «Оформление заказов» (приложение №11) получаем:

·        проверка и внесение клиента;

·        внесение заказа.

Также представлена декомпозиция работы «Исследование рынка»:

·        разработка прогнозов оказания услуг - учет прогноза будущих периодов оказания услуг;

·        разработка юридический документов - учет конкретных юридических операций по каждому заказу в виде документооборота;

·        привлечение новых клиентов.

Заключение


Использование интеллектуальных информационных систем является в настоящее время необходимым условием эффективной работы предприятий и фирм.

Несмотря на несомненные достижения в области искусственного интеллекта и большое разнообразие существующих интеллектуальных информационных систем, предназначенных для проектирования бизнес-процессов, информационные отделы затрачивают много времени на разработку технической документации. В связи с этим, проблема создания интеллектуальных информационных систем, позволяющих проектировать технологическое оборудование, остается актуальной, особенно в плане применения методов искусственного интеллекта и получения технической документации с минимальным участием лица принимающего решения.

Создание процедурных и информационно-логических моделей технологического оборудования на разных уровнях абстрагирования и разработка на их основе информационных систем, обладающих интеллектуальными свойствами, позволит накапливать и использовать опыт экспертов всеми разработчиками проекта.

Результатами изучения и анализа «Проектирование интеллектуальных информационных систем» есть:

·        четкие представления об интеллектуальных технологиях и наиболее перспективных прикладных сферах их применения;

·        знание основных методов разработки интеллектуальных информационных систем (ИИС) и специфики актуальных проблемных областей;

·        умение работать с различными моделями представления знаний и обосновывать выбор той или иной модели в зависимости от характера предметной области и специфики решаемых задач, компоновать структуру прикладной ИИС;

·        владение навыками работы с основными инструментальными средствами для проектирования ИИС;

·        получение опыта проектирования и разработки демонстрационного прототипа ИИС для конкретной предметной области.

В ходе проведенной курсовой работы все поставленные задачи были выполнены.

Список использованной литературы


1.       Абдикеев Н. М. Проектирование интеллектуальных систем в экономике : учебник / Н. М. Абдикеев. - М. : Экзамен, 2009. - 528 с.

2.       Андрейчиков А. В. Интеллектуальные информационные систе-мы : учебник / А. В. Андрейчиков, О. Н. Андрейчикова. - М. : Финансы и статистика, 2008. - 424 с.

.        Балдин К. В. Информационные системы в экономике : учебник / К. В. Балдин, В. Б. Уткин. - 3-е изд. - М. : Дашков и К0, 2008. - 395 с.

.        Балдин К. В. Теоретические основы автоматизации профессиональной деятельности в экономике : учебник / К. В. Балдин, В. Б. Уткин. - М. : Изд-во Московского психолого-социального института, 2009. - 400 с.

.        Барановская Т. П. и др. Информационные системы и технологии в экономике : учебник / Т. П. Барановская, В. И. Лойко, М. И. Семёнов, А. И. Трубилин. - М. : Финансы и статистика, 2009. - 416 с.

.        Барский А. Б. Нейронные сети : распознавание, управление, принятие решений / А. Б. Барский. - М. : Финансы и статистика, 2009. - 176 с.

.        Белозёров О. И. Информационные технологии управления: учебное пособие / О. И. Белозёров. - Хабаровск : РИЦ ХГАЭП, 2008. - 80 с.

.        Брусакова И. А. Информационные системы и технологии в экономике / И. А. Брусакова, В. Чертовской. - М. : Финансы и статистика, 2007. - 352 с.

.        Булгаков С. В. и др. Интегрированные геоинформационные системы / С. В. Булгаков, А. К. Ковальчук, В. Я. Цветков, С. В. Шайтура. - М.: МАКС Пресс, 2009. - 436 с.

.        Вишневский А. Н. Справочная правовая система Гарант Платформа F1: учеб. пособие / А. Н. Вишневский, О. Г. Раевская. - Хабаровск: РИЦ ХГАЭП, 2009. - 84 с.

.        Власова Л. А. Работа в MS Access : учеб.-практ. пособие / Л. А. Власова, Л. В. Самойлова. - Хабаровск : РИЦ ХГАЭП, 2009. - 96 с.

.        Голицина О. Л. Информационные системы : учеб. пособие / О. Л. Голицина, Н. В. Максимов, И. И. Попов. - М. : ФОРУМ: ИНФРА-М, 2010. - 496 с.

.        Диго С. М. Базы данных: проектирование и использование: учебник / С. М. Диго. - М. : Финансы и статистика, 2009. - 592 с.

.        Ефимов Е. Н. Информационные системы в экономике : учеб. пособие / Е. Н. Ефимов, С. М. Патрушина, Л. Ф. Панфёрова, Л. И. Хашие-ва. - М. : МарТ, 2010. - 352 с.

.        Золотов С. И. Интеллектуальные информационные системы : учеб. пособие / С. И. Золотов. - Воронеж : Научная книга, 2009. - 140 с.

.        Избачков Ю. С. Информационные системы : учебник для вузов / Ю. С. Избачков, В. Н. Петров. - СПб. : Питер, 2008. - 656 с.

.        Проектирование информационных систем: курс лекций: учебное пособие для студентов ВУЗов, обучающихся по специальностям в области информационных технологий / В. И. Грекул, Г. Н. Денищенко, Н. Л. Коровкина. - М.: Интернет-Ун-т Информационных технологий, 2009. - 304 с.

18.     <#"564484.files/image003.gif">

 

Приложение №2


Диаграмма прецедентов компании «Нотариальная контора»

 

Приложение №3


Физическая диаграмма «Нотариальная контора»


Приложение №4


Диаграмма классов компании «Нотариальная контора»


Приложение №5


Диаграмма размещения компании «Нотариальная контора»

 

Приложение №6


Диаграмма деятельности бизнес-процесса «Прием-регистрация»

 

Приложение №7


Диаграмма деятельности бизнес-процесса «Оказание нотариальных услуг»



Приложение №8


Контекстная диаграмма «Деятельность службы нотариальной конторы»

Приложение №9


Диаграмма декомпозиции уровня А0

Приложение №10


Диаграмма декомпозиции IDEF0 «Реклама и маркетинг»

Приложение №11


Диаграмма декомпозиции DFD«Оформление заказов»

Приложение №12


Диаграмма декомпозиции DFD«Исследование рынка»

Приложение №13


Диаграмма декомпозиции IDF3 «Оказание услуги».

Приложение №14


«Моя диаграмма» деятельности нотариальной конторы.

Приложение №15


«Мой сценарий» деятельности нотариальной конторы

Приложение №16


Node Tree diagrams деятельности нотариальной конторы

Приложение №17


Диаграмма TO-BE деятельности нотариальной конторы

Приложение №18


Диаграмма отношений сущностей

 

Приложение №19


Логический уровень диаграммы отношений сущностей.

Похожие работы на - Анализ инструментальных средств проектирования интеллектуальных информационных систем

 

Не нашли материал для своей работы?
Поможем написать уникальную работу
Без плагиата!
Без нейросетей!