Эффекторы

  • Вид работы:
    Курсовая работа (т)
  • Предмет:
    Биология
  • Язык:
    Русский
    ,
    Формат файла:
    MS Word
    51,81 Кб
  • Опубликовано:
    2012-06-19
Вы можете узнать стоимость помощи в написании студенческой работы.
Помощь в написании работы, которую точно примут!

Эффекторы

Нижегородский государственный архитектурно строительный университет

Кафедра гидравлики

Контрольная работа

"Гидравлический расчет двухтрубной гравитационной системы водяного отопления"



Проверил В.В. Жизняков

Выполнил Рябов С.С.








г. Нижний Новгород 2012 год

Содержание

 

Введение

1. Расчетные данные

2. Гидравлический расчет

2.1 Расчет 1 кольца

2.2 Определение располагаемого давления

2.3 Определение расхода теплоносителя

2.4 Определение диаметров трубопроводов

2.5 Определение ближайших стандартных диаметров труб ([3] с. 199)

2.6 Определение режима движения жидкости

2.7 Определение потерь давления на участках

2.8 Определение общих потерь давления в первом кольце

2.9 Определение невязки между располагаемым давлением и потерями давления в кольце

3. Расчет 2 кольца

3.1 Определение располагаемого давления PP2

3.2 Определение расхода теплоносителя

3.3 Определение диаметров трубопровода

3.4 Определение ближайших стандартных диаметров труб:

3.5 Определение режима движения жидкости

3.6 Определение потерь давления на участках

3.7 Определение общих потерь давления в первом кольце

3.8 Определение невязки между располагаемым давлением и потерями давления в кольце

3.9 Расчет диаметра диафрагмы

Литература

Введение

Система водоснабжения - это комплекс инженерных сооружений, предназначенных для забора воды из источника водоснабжения, очистки, хранения и подачи ее потребителю по разводящей водопроводной цепи.

Целью выполняемой работы является практическое использование теоретических знаний для гидравлического расчета отопительной системы здания.

В качестве расчетной системы отопления здания предусмотрена двухтрубная гравитационная система водяного отопления с верхней разводкой. В двухтрубных системах отопления горячая вода проходит через параллельно присоединенные к подающим трубопроводам отопительные приборы, и постепенно охлаждаясь в них, возвращается в котел по самостоятельной линии. При верхней разводке магистральный распределительный трубопровод прокладывается выше нагревательных приборов.

1. Расчетные данные


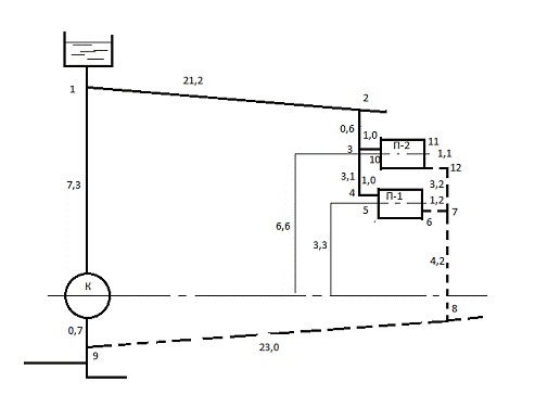
Схема двухтрубной отопительной системы с указанием длин участков трубопроводов и размещения отопительных приборов (рис.1).

Температура горячей воды tг = 93 С.

Температура охлажденной воды to = 73С.

Тепловые нагрузки на приборы: q1 = 4800 Ватт, q2 = 7500 Ватт.

Рис.1. Схема двухтрубной отопительной системы

 


2. Гидравлический расчет


Теплоноситель в системе может циркулировать по двум возможным путям (кольцам):

кольцо: К-1-2-3-4-5-6-7-8-9-К

кольцо: К-1-2-3-10-11-12-7-8-9-10-К

 

2.1 Расчет 1 кольца


В первом кольце можно выделить два участка с тепловой нагрузкой на два прибора

1.       q1 + q2К-1-2-3…7-8-9-К

Длина участка: l1 = 49,9м

q13-4-5-6-7

Длина участка: l2 = 4,2 м

 

2.2 Определение располагаемого давления


PP1 = g*h1* (ρoг) + ∆P, Па (1)

где h1 - расстояние от центра котла до центра нагревательного прибора (h1=2,6 м);

ρo - 976,036 кг/м3 ([1], с.10);

ρг - 963,285 ([1], с.10);

∆P - дополнительное давление за счет охлаждения теплоносителя в магистралях и стояках ([2] с.217)

Принимаем ∆P = 150 Па.

РР1 = 9,8*2,6* (976,036-963,285) +150 = 474,89 Па

 

2.3 Определение расхода теплоносителя

Q1= (q1+q2) / (c* (to-tг) *1000*pср), м3/с (2.1)1= q1/ (c* (to-tг) *1000*pср), м3/с (2.2)

где q1, q2 - тепловые нагрузки;

с - удельная теплоемкость воды (с = 4,2 кДж/K);

qср= (qо-qг) /2 = (976,036-963,285) /2 = 969,661 кг/м3.

Q1= (4800+7500) / (4.2* (93-73) *1000*969,661) = 0,00015 м3

Q2=4800/ (4,2* (93-73) *1000*969,661) = 0,00006 м3

 

2.4 Определение диаметров трубопроводов


 (3)

Vдоп - допускаемая скорость движения теплоносителей

Vдоп  0,2 м/c

d1 = (4Q1/πvдоп) 0,5 = (4*0,00015/3,14*0,15) 0,5 = 0,035 = 35 мм

d2 = (4Q2/πvдоп) 0,5 = (4*0,00006/3,14*0,15) 0,5 = 0,023 = 23 мм

гидравлический расчет отопление водяное

2.5 Определение ближайших стандартных диаметров труб ([3] с. 199)


d1ст=32 мм

Определяем действительные скорости:

 

v = 4Q/πdст2≤0,2, м/с (4)

v1 = (4*0,00015) / (3,14*0,032^2) = 0,19 м/с ≤ 0,2 м/с;

v2 = (4*0,00006) / (3,14*0,025^2) = 0,12 м/с≤ 0,2 м/с.

 

2.6 Определение режима движения жидкости

Re = (v*d) /v, (5)

где ν - коэффициент кинематической вязкости

для tср =83 С ν = 0,353·10-6 м2/c ([4] с.9)

Re = (0, 19*0,032) /0,353*10-6 = 17223 > Reкр = 2320 - турбулентный режим движения;

Re = (0,12*0,025) /0,353*10-6 = 8499 > Reкр = 2320 - турбулентный режим движения

Для турбулентного режима движения жидкости

λ = 0,11* (kэ/d+68/Re) 0.25 (6)

где kэ - эквивалентная шероховатость оцинкованных стальных труб, бывших в эксплуатации.

Принимаем kэ = 0,5 мм

λ1 = 0,11* (0,5/32+68/17223) 0,25 = 0,041

λ2 = 0,11* (0,5/25+68/9065) 0,25 = 0,046

 

2.7 Определение потерь давления на участках


1.       Линейные Pl = λ* (l/d) * (v2/2) *qср, Па (7)

Местные Pj = ∑ζ* (v2/2) *qср, Па (8)

Линейные потери на участках 1 и 2 составят:

Pl1 = 0,041* (49,9/0,032) * (0, 192/2) *969,661 = 1119 Па

Pl2 = 0,046* (4,2/0,020) * (0,162/2) *969,661 = 120 Па

Местное сопротивление на участке 1 при диаметре d1=32 мм ([1] c.340):

.        котел стальной ξ = 2

тройник на повороте в т.1,2,8,9 ξ = 1,5*4=6

вентиль с косым шпинделем на участке на участках:

-3, 7-8, 8-9, 9-К ξ = 2,5*4=10

∑ξ = 18

Pj1 = 18* (0, 192/2) *969,661 = 315 Па

Местное сопротивление на участке 2 при диаметре d2=20 мм:

.        тройник на проходе в т.3 ξ = 1

отвод под углом 90 в т.4 ξ = 1,5

кран двойной регулировки в т.5 ξ = 2

отопительный прибор П1 (радиатор двухколонный) ξ = 2

тройник на проходе в т.7 ξ = 1, ∑ξ = 7,5

Pj2 = 7,5* (0,162/2) *969,661 = 87 Па

 

2.8 Определение общих потерь давления в первом кольце


Pl = Pl1+Pl2+Pj1+Pj2, Па (9)

Pl = 1119+120+315+87 = 1641 Па

 

2.9 Определение невязки между располагаемым давлением и потерями давления в кольце


(Pl1-Pl) /Pl1*100% = 10-15% (10)

(1119-1641) /1119*100% = 46,6%> (10-15) %

Т.к. невязка больше допустимой (50.3%), то для уменьшения потерь давления увеличиваем диаметры труб. Для нашей системы отопления поменяем диаметр труб на участке 1 и произведем гидравлический расчет п.1.3-1.8 при измененном диаметре труб.

Для этого на участке 1-2 возьмем промежуточную точку А и сделаем гидравлический расчет при диаметре труб d=32 мм на участке К-1-A и d=40 мм на участке А-3 и 7-К

Результаты гидравлического расчета первого кольца сводим в таблицу 1.

Таблица 1 (1 часть)

Таблица расчета системы водяного отопления

Участки

Длина участка, l, м

Расход, Q, см3/c

Данные предварительного расчета

Данные окончательного расчета




Диаметр, d, мм

Скорость, V, см/c

Коэф. λ

Потери давления

Диаметр, d, мм

Скорость, V, см/c

Коэф. λ

Потери давления







Pl, Па

Pj, Па




Pl, Па

Pj, Па

Кольцо №1

К-А

14,7

150

32

19

0,041

1119

315

19

0,041

552

61

A-2

10












2-3

0.3







40

12

 0,04

176

227

7-К

24,9












4-8

5

50

20

16

0,043

120

87

20

16

0,047

120

87

-

-

-

-

-

1239

402

-

-

-

848

375

Общие потери давления

1641

Суммарные потери давления

1223

 

Определяем невязку между располагаемым давлением и потерями давления в кольце по формуле (10):

 

 

 

 

3. Расчет 2 кольца


II кольцо имеет общие с первым кольцом участки: К-1-2-3…7-8-9-К

Диаметры этих участков мы уже рассчитали, поэтому необходимо определить диаметры только на участке 3:

-10-11-12-7

Длина участка 3 l3 = 4,3 м

 

3.1 Определение располагаемого давления PP2


по формуле (1):

PP2 = 9,8*5,2* (976,036-963,285) +150 = 799,79 Па

 

.2 Определение расхода теплоносителя


по формуле (2.2):

Q3 = 7500/ (4.2* (93-73) *1000*969,661) = 0,00009 м3

 

3.3 Определение диаметров трубопровода


по формуле (3):

d3 = (4Q3/πvдоп) 0,5 = (4*0,00009/3,14*0,15) 0,5 = 0,027 = 27 мм

 


3.4 Определение ближайших стандартных диаметров труб:


d3ст=25 мм

Определяем действительные скорости по формуле (4): \

v = (4*0,00009) / (3,14*0,0252) = 0,18 м/с

 

3.5 Определение режима движения жидкости


по формуле (5):

Re3 = (0,18*0,025) /0,353*10-6 = 12747 > Reкр = 2320 - турбулентный режим движения

Для турбулентного режима движения жидкости по формуле (6):

λ1 = 0,11* (0,5/25+68/17747) 0,25 = 0,043

 

3.6 Определение потерь давления на участках


Линейные потери, определяемые по формуле (7) на участке 3 составят:

Pl3 = 0,043* (4,3/0,025) * (0,182/2) *969,661 = 116 Па

.        тройник на повороте в т.3 ξ = 1,5

кран двойной регулировки в т.10 ξ = 2, отопительный прибор П2 (радиатор двухколонный) ξ = 2, отвод под углом 90 в т.12 ξ = 1, тройник на проходе в т.7

ξ = 1, ∑ξ=7,5

Определяем потери на местном сопротивлении по формуле (8):

Pj2 = 7,5* (0,182/2) *969,661 = 118 Па

3.7 Определение общих потерь давления в первом кольце


по формуле (9):

 

 

3.8 Определение невязки между располагаемым давлением и потерями давления в кольце

 

по формуле (10):

 

Т.к. невязка больше допустимой (20,7%), то для увеличения потерь давления уменьшаем диаметры труб. Меняем d3ст и принимаем равным d3ст =20 мм.

Определяем действительные скорости по формуле (4):

 

 

Т.к. скорость движения теплоносителя V 3 превышает допустимую (V доп=0,2 м/с), то для погашения излишнего давления вводят дополнительное сопротивление в виде диафрагмы.

 

3.9 Расчет диаметра диафрагмы


Определяем излишнее давление:

, Па (11)

 

Т.к. диафрагма является местным сопротивлениями для движущегося теплоносителя потери давления в ней определяются по формуле (8):

 


Тогда

 

 (12)

 

По найденному значению коэффициента диафрагмы находим отношение

([5] с. 205):

 

Отсюда диаметр диафрагмы равен:

, мм (13)

 

Литература


[1] Справочник проектировщика под редакцией И.Г. Староверова. Внутренние санитарно-технические устройства, ч. I Отопление, водопровод, канализация. Стройиздат, М., 1976

[2] Белоусов В.В., Михайлов Ф.С. Основы проектирования систем центрального отопления. М., 1962

[3] Справочник по теплоснабжению и вентиляции, ч. I, издательство "Будивельник", Киев, 1976.

[4] Альтшуль А.Д., Животовский А.С., Иванов П.С. Гидравлика и аэродинамика. М., 1987

[5] Рабинович Е.З. Гидравлика, 1963 год.

Похожие работы на - Эффекторы

 

Не нашли материал для своей работы?
Поможем написать уникальную работу
Без плагиата!
Без нейросетей!