|
Wi-Fi
<#"564288.files/image001.gif">
Рис.1.1. Схема сети WiMAX
Небольшие пояснения к схеме:
CPE=Customer Premises Equipment (потребительское оборудование)=Base Station (базовая
станция)=Access Service Network (служба доступа)GW=Access
Service Network Gateway (шлюз сети службы доступа)=Connection
Service Network (сервисная сеть)=Authentification, Autorization, Accounting (авторизация)
Для сети WiMAX вводится
понятие следующих интерфейсов:
R1 -
интерфейс между CPE и BS
R2 -
виртуальный интерфейс между CPE и CSN
R3 -
интерфейс между ASN-GW и CSN
R6 -
интерфейс между BS и ASN-GW
Принцип работы приблизительно таков: абонентское устройство, настроенное
на сеть оператора отправляет БС запрос на выделение радиоресурсов, при успешном
завершении на ASN-GW отправляется запрос на аутентификацию. Он в свою очередь по
имени домена в параметре login
(логин) определяет, куда следует перенаправить запрос. Далее нужный ААА-сервер
дает Accept (доступ) или Reject (отклонение) устройству. Если
аутентификация прошла успешно, модему назначается IP-адрес, QoS,
режим работы и другие параметры. Все. Устройство готово к работе.
.2 Область использования WIMAX
WIMAX
подходит для решения следующих задач:
соединения точек доступа Wi-Fi друг с другом и другими сегментами
Интернета;
обеспечения беспроводного широкополосного доступа как альтернативы
выделенным линиям и DSL;
предоставления высокоскоростных сервисов передачи данных и
телекоммуникационных услуг;
создания точек доступа, не привязанных к географическому положению;
создания WIMAX систем
удаленного мониторинга (monitoring system), как это
имеет место в системе.
WIMAX
позволяет осуществлять доступ в Интернет на высоких скоростях, с покрытием
гораздо большей зоны, чем у Wi-Fi-сетей. Это позволяет использовать
технологию в качестве «магистральных каналов», продолжением которых выступают
традиционные DSL и выделенные линии, а также
локальные сети. В результате подобный подход позволяет создавать масштабируемые
высокоскоростные сети в рамках городов.
1.3 Целесообразность использования WIMAX как технологии доступа
Проблема “последней мили” всегда была актуальной задачей для связистов. К
настоящему времени появилось множество технологий “последней мили”, и перед
любым оператором связи стоит задача выбора технологии, оптимально решающей задачу
доставки любого вида трафика своим абонентам. Универсального решения этой
задачи не существует, так как у каждой технологии есть своя область применения,
свои преимущества и недостатки. На выбор того или иного технологического
решения влияет ряд факторов, в том числе:
стратегия оператора, целевая аудитория, предлагаемые в настоящее время и
планируемые к предоставлению услуги;
размер инвестиций в развитие сети и срок их окупаемости;
уже имеющаяся сетевая инфраструктура, ресурсы для ее поддержания в работоспособном
состоянии;
время, необходимое для запуска сети и начала оказания услуг.
У каждого из этих факторов есть свой вес, и выбор той или иной технологии
принимается с учетом всех их в совокупности. Простая и эффективная модель,
позволяющая быстро оценить экономические параметры применения технологии WIMAX, описана далее.
1.4 Фиксированный и мобильный вариант WiMAX
Набор преимуществ присущ всему семейству WiMAX, однако его версии существенно отличаются друг от
друга. Разработчики стандарта искали оптимальные решения как для
фиксированного, так и для мобильного применения, но совместить все требования в
рамках одного стандарта не удалось. Хотя ряд базовых требований совпадает,
нацеленность технологий на разные рыночные ниши привела к созданию двух отдельных
версий стандарта (вернее, их можно считать двумя разными стандартами). Каждая
из спецификаций WIMAX определяет
свои рабочие диапазоны частот, ширину полосы пропускания, мощность излучения,
методы передачи и доступа, способы кодирования и модуляции сигнала, принципы
повторного использования радиочастот и прочие показатели. А потому WIMAX -системы, основанные на версиях
стандарта IEEE 802.16 e и d,
практически несовместимы. Краткие характеристики каждой из версий приведены
ниже.
802.16-2004 (известен также как 802.16d и фиксированный WIMAX). Спецификация утверждена в 2004 году. Используется
ортогональное частотное мультиплексирование (OFDM), поддерживается фиксированный доступ в зонах с
наличием либо отсутствием прямой видимости. Пользовательские устройства
представляют собой стационарные модемы для установки вне и внутри помещений. В
большинстве стран под эту технологию отведены диапазоны 3,5 и 5 ГГц. По
сведениям WIMAX форум, насчитывается уже порядка 175
внедрений фиксированной версии. Многие аналитики видят в ней конкурирующую или
взаимодополняющую технологию проводного широкополосного доступа DSL.
802.16-2005 (известен также как 802.16e и мобильный WIMAX). Спецификация утверждена в 2005 году. Это новый виток
развития технологии фиксированного доступа (802.16d). Оптимизированная для поддержки мобильных пользователей
версия поддерживает ряд специфических функций, таких как хэндовер (англ.), и
роуминг. Применяется масштабируемый OFDM-доступ (SOFDMA), возможна
работа при наличии либо отсутствии прямой видимости. Планируемые частотные
диапазоны для сетей Mobile WIMAX таковы: 2,3-2,5; 2,5-2,7; 3,4-3,8
ГГц. В мире реализованы несколько пилотных проектов, в том числе первым в
России свою сеть развернул «Скартел». Конкурентами 802.16e являются все мобильные технологии
третьего поколения.
Основное различие двух технологий состоит в том, что фиксированный WIMAX позволяет обслуживать только
«статичных» абонентов, а мобильный ориентирован на работу с пользователями,
передвигающимися со скоростью до 120 км/ч. Мобильность означает наличие функций
роуминга и «бесшовного» переключения между базовыми станциями при передвижении
абонента (как это происходит в сетях сотовой связи). В частном случае мобильный
WIMAX может применяться и для обслуживания
фиксированных пользователей.
Многие телекоммуникационные компании делают большие ставки на
использование WIMAX для предоставления услуг
высокоскоростной связи. И тому есть несколько причин.
Во-первых, технологии семейства 802.16 позволят экономически более
эффективно (по сравнению с проводными технологиями) не только предоставлять
доступ в сеть новым клиентам, но и расширять спектр услуг и охватывать новые
труднодоступные территории.
Во-вторых, беспроводные технологии многим более просты в использовании,
чем традиционные проводные каналы. WIMAX и Wi-Fi сети просты в развертывании и по мере необходимости легко
масштабируемы. Этот фактор оказывается очень полезным, когда необходимо
развернуть большую сеть в кратчайшие сроки. К примеру, WIMAX был использован для того чтобы предоставить доступ в
Сеть выжившим после цунами, произошедшего в декабре 2004 года в Индонезии. Вся
коммуникационная инфраструктура области была выведена из строя и требовалось
оперативное восстановление услуг связи для всего региона.
В сумме все эти преимущества позволят снизить цены на предоставление
услуг высокоскоростного доступа в Интернет, как для бизнес структур, так и для
частных лиц.
1.5 Пользовательское оборудование
Оборудование для использования сетей WIMAX поставляется несколькими производителями и может быть
установлено как в помещении (устройства размером с обычный DSL-модем), так и вне него. Следует
заметить что оборудование, рассчитанное на размещение внутри помещений и не
требующее профессиональных навыков при установке, конечно, более удобно, однако
способно работать на значительно меньших расстояниях от базовой станции, чем
профессионально установленные внешние устройства. Поэтому оборудование,
установленное внутри помещений требует намного больших инвестиций в развитие
инфраструктуры сети, так как подразумевает использование намного большего числа
точек доступа.
С изобретением мобильного WiMAX
все больший акцент делается на разработке мобильных устройств, в том числе
специальных телефонных трубок (похожи на обычный мобильный смартфон) и
компьютерной периферии (USB
радиомодулей и т.д.).
1.6 Режимы работы; MAC / канальный уровень
В Wi-Fi сетях все пользовательские станции, которые хотят передать
информацию через точку доступа, соревнуются за «внимание» последней. Такой
подход может вызвать ситуацию, при которой связь для более удаленных станций
будет постоянно обрываться в пользу более близких станций. Подобное положение
вещей делает затруднительным использование таких сервисов как Voice over IP (VoIP), которые
очень сильно зависят от непрерывного соединения.
Что же касается сетей 802.16, в них MAC (Media Access Control - управление доступом к среде)
использует алгоритм планирования. Любой пользовательской станции стоит лишь
подключиться к точке доступа и для нее будет создан выделенный слот на точке доступа,
недоступный другим пользователям.
1.7 Мультиплексирование с
ортогональным частотным разделением каналов (OFDM)
При передаче информации с помощью WiMAX используют мультиплексирование с ортогональным
частотным разделением каналов. Рассмотрим достоинства и недостатки данного
метода, а также принципы его работы.
OFDM
относится к спектрально-эффективным видам модуляции, устойчивым к воздействию
различных искажений, возникающих в канале связи, при наличии рассеяния из-за
многолучевости, импульсного шума и т.п.
Рис. 1.2 Реализация метода
Суть OFDM заключается в следующем. В полосе
передачи размещается большое количество несущих. Передаваемая цифровая
последовательность символов передаваемых сообщений разделяется на несколько
параллельных последовательностей, которые синхронно модулируют когерентные
несущие, разнесенные по частоте по правилу их спектров, но при условии, что на
частоты каждой из несущих спектральные составляющие всех остальных
модулированных несущих переходят через ноль. Спектральные составляющие и
огибающие спектра OFDM сигнала
представлены на рисунке 1.3
Рис. № 1.3 Спектр мощности OFMD
сигнала; а) огибающая спектра мощности OFDM сигнала; б) спектральные составляющие спектра
мощности OFDM сигнала
В результате при большом числе несущих формируется спектр мощности
группового сигнала, форма которого очень близка к прямоугольной. Это позволяет
получить высокую эффективность использования частотного спектра.
При OFDM высокоскоростной поток данных
разбивается на большое число низкоскоростных потоков, каждый из которых
передается в своем частотном канале (на своей поднесущей частоте), то есть в
частотных каналах длительность канальных символов может быть достаточно
большой, значительно превышающий время расширения задержки сигнала в канале.
Следовательно, межсимвольные искажения (межсимвольная интерференция) в каждом
частотном канале поражает лишь незначительную часть канального символа, которую
можно исключить из последующей обработки в приемнике за счет введения
временного защитного интервала между соседними канальными символами при
контролируемом снижении скорости передачи.
Межсимвольная интерференция это форма искажения сигнала, которая вызвана
воздействием одного символа на другой. Этот эффект наблюдается как в проводных,
так и в беспроводных системах передачи данных.
Рассмотрим на примере кабельной линии. Кабель представляет собой
распределенную RC-цепочку, и
высокочастотные компоненты сигнала в нем подвержены затуханию. При передачи
данных «по воздуху» нет RC
составляющей, но включается другой механизм, приводящий к тому же эффекту. Он
называется многолучевое распространение. Вследствие этого эффекта
беспроводной сигнал от передатчика достигает приемника через несколько разных
путей. Причины этого отражения (например, от зданий) - рефракция (преломление
при прохождению через кроны деревьев) и атмосферные эффекты. Так как все пути
разной длинны, а некоторые из описанных выше эффектов приводят к задержке
сигнала, в результате разные версии сигнала придут к приемнику в разное время.
Из-за взаимного наложения всех этих сигналов результирующий сигнал будет
искажен. Возьмем пример искажения сигнала при многолучевом распространении.
Рис 1.4 Исходный сигнал
Рис. 1.5 Сигнал подвергшийся эффекту многолучевого распространения
Это так называемая глазковая диаграмма. Она строится очень просто: все
источники взаимодействия или сигналы накладываются друг на друга. Под «глазом»
подразумевается область в середине, по форме напоминающая глаз. На первой
картинке «глаз широко открыт», на второй «глаз прищурен». Если «глаз закроется»
или будет меньше определенной величины, то такой сигнал уже нельзя будет
принять. Интуитивно понятно, что чем выше частота сигнала, тем меньше будет
«глаз».
Ключевым принципом OFDM
является использование охранного интервала. Это возможно благодаря тому, что
продолжительность каждого символа достаточно велика.
Другим преимуществом является устойчивость к частотно-зависимому
затуханию. Такой тип затухания может оказывать очень негативное влияние при
многолучевом распространении сигнала, особенно если источник и приемник не
находятся в прямой видимости. При OFDM модуляции данные распределяются между множеством вспомогательных
несущих, поэтому информация, пострадавшая в нескольких субканалах может быть
восстановлена с помощью ЕСС (код коррекции ошибок - данные, присоединяемые к
каждому передаваемому сигналу, позволяющие принимающей стороне определить факт
сбоя и (в некоторых случаях) исправить несущественную ошибку).
Основные недостатки данной технологии:
- высокая чувствительность к смещению частоты и флюктуациям фазы
принимаемого сигнала относительно опорного гармонического колебания приемника;
относительно высокое значения отношения пиковой мощности
радиосигнала к ее среднему значению, что заметно снижает энергетическую
эффективность радиопередатчиков.
1.8 Формирование OFDM сигнала
Опишем интересующие нас характеристики базовой станции Huawei, с учетом подключенного к ней модема
(в нашем случае формирователя OFDM):
Стандарт - IEEE 802.16d .
Технология - OFDM (Orthogonal frequency-division multiplexing).
Поддерживаемые скорости - 64 Мбит/с (в канале шириной 2х10 МГц) или 32 Мбит/с
(в канале шириной 10 МГц).
Модуляция - 64 QAM.
Количество частотных каналов - FCC: 16.
Антенна - 18-24 dbm, внешняя
всенаправленная (3600*400) с интерфейсом 10/100 Base-T (разъем RJ45).
Частотный диапазон - 5150-5350, 5470-5725, 5725-5850, 5850-5950 МГц.
Рабочая полоса частот - 10 МГц и 50 МГц.
Температура и влажность - от -400С до 500С, влажность
10-90%.
Более подробное параметры и характеристики станции будут рассмотрены в
главе 2.
1.8.1 Расчет параметров OFDM сигнала
Обычно при выборе численных значений параметром системы с технологией OFDM приходится находить компромисс между
различными, часто противоречивыми требованиями.
Опираясь на технически характеристики прототипа, зададимся начальными
значениями характеристик системы:
ΔFs=10 Мгц - полоса частот,
выделенная для линии передач.
Δτ = 0.08 мкс - расширение задержки канала
передачи.
β=0.07 - коэффициент скругления огибающей OFDM-символа.
Fs=5150 МГц - рабочая частота сигнала.
Зададимся скоростью передачи информации используемую в сетях WIMAX:
R1
= 64 Мбит/с - скорость
передачи данных, с модуляцией КАМ-64.
Рассчитаем характеристики OFDM
сигнала по следующим формулам:
Δg=4Δτ = 0.32 мкс - длительность
защитного интервала.
Тs=6Δg=1.92 мкс - длительность OFDM символа.
Т=Тs-Δg=1.6 мкс - длительность интервала
интегрирования OFDM.
Δƒ=1/T=0.625 МГц - расстояние между
соседними поднесущими.
Ns=ΔF/Δƒ=16
- число поднесущих в
полосе частот.
Rs=1/Ts=0.521 Мсимвол/с - скорость
следования OFDM
символов.
R/Rs≅ 128 - число информационных битов,
передаваемых OFDM символом, со скоростью передачи данных 64 Мбит/с.
ƒв=(R/Rs)/Ts=64 МГц - частота дискретизации
для скорости передачи данных 64 Мбит/с.
Промоделируем ОFDM
сигнал в программе Mathlab
Simulink.
1.8.2 Моделирование
Моделирование OFDM сигнала со
скоростью передачи 64 Мбит/с.
Ход выполнения программы:
ВВЕДИТЕ ЧИСЛО ПОДНЕСУЩИХ КОЛЕБАНИЙ Nsub = 128
ВВЕДИТЕ ЗНАЧЕНИЕ ДЛИТЕЛЬНОСТИ OFDM СИМВОЛА [с] = 1.92*10^-6
ВВЕДИТЕ ЗНАЧЕНИЕ ДЛИТЕЛЬНОСТИ ЗАЩ. ИНТЕРВАЛА [с] = 0.32*10^-6
ВВЕДИТЕ ЧИСЛО ТОЧЕК СИГНАЛЬНОГО СОЗВЕЗДИЯ M = 64
ВВЕДИТЕ ЧИСЛО ОТСЧЕТОВ НА ИНТЕРВАЛЕ ОДПФ Ns = 256
ВВЕДИТЕ ЗНАЧЕНИЕ КОЭФФИЦИЕНТА СКРУГЛЕНИЯ betta = 0.07
Мы ввели значения всех необходимых параметров. Теперь можно начинать
вычисления параметров системы передачи. На основании наших данных имитатор OFDM вычислил значения следующих
параметров системы:
Частота следования OFDM символов Ff = 520833.3333 Гц;
Шаг дискретизации по времени dt = 6.2338e-09 c;
Частота дискретизации Fs = 160416666.6667 Гц;
Интервал ОДПФ T = 1.5958e-06 c;
Интервал между част-ми сос. поднес.DF = 626627.6042 Гц;
Число отсчетов на защ. интервале Ng = 52;
Длительность постфикса Tp = 1.3714e-07 c;
Число отсчетов на интервале Tp Np = 22.
Теперь можем начать процесс моделирования.
) Построение сигнального созвездия одной поднесущей.
Рис. 1.6 Сигнальное созвездие моделируемого сигнала
) Построение графиков немодулированных поднесущих и их суммы на интервале
ОДПФ [0, T].
ВВЕДИТЕ МАССИВ ЗНАЧЕНИЙ НОМЕРОВ ТРЕХ ПОДНЕСУЩИХ Nsubn= [3 16
28]
Рис. 1.7 Немодулированные поднесущие на интервале ОДПФ [0,T]
) Добавление защитного интервала и циклическое продолжение:
Добавляем защ. интервал длительн. Tg = 3.2e-07 с.
Добавляем интервал постфикса Tp = 1.3714e-07 с.
Защитный интервал [-Tg, 0] и интервал постфикса [T, T+Tp]
Рис. 1.8 График моделируемого сигнала с добавленным защитным интервалом
[-Tg, 0] и интервалом постфикса [T, T+Tp].
Циклически продолжаем поднесущие и их сумму на защитный интервал, и
интервал постфикса.
Рис. 1.9 Сигнал с добавлением циклических продолжений.
4) Сглаживание фронтов поднесущих и их суммы.
Рис. 1.10 Поднесущие и их суммы со сглаженными фронтами (пунктирными
кривыми изображены сглаживающие окна).
Формирование блока Ns комплексных КАМ символов для одного OFDM символа и
построение огибающей этого OFDM символа.
Рис. 1.11 Огибающая одного OFDM
символа.
) Формирование трех последовательных OFDM символов, построение их огибающих и огибающей суммы.
Рис. 1.12 Реализации огибающих каждого из трех OFDM символов и их суммы.
) Формирование реализации комплексной огибающей суммы n следующих друг за
другом OFDM символов
ВВЕДИТЕ ЧИСЛО OFDM СИМВОЛОВ В РЕАЛИЗАЦИИ n = 3 Имитатором
imitatorOFDM создана реализация комплексной огибающей радиосигнала, содержащая
n = 32 OFDM символов.
Число отсчетов в сформированной реализации ns = 9878.
Частота дискретизации реализации Fs = 160416666.6667.
Имя вектора-строки, в который помещены отсчеты реализации, -
yOFDM.
8) Вычисление оценки спектральной плотности мощности комплексной
огибающей OFDM сигнала с использованием алгоритма
Велча по отсчетам массива «yOFDM».
Рис. 1.13 Оценка двусторонней спектральной плотности мощности
комплексной огибающей сигнала OFDM.
) Вычисление и построение оценки спектральной плотности мощности
вещественного OFDM радиосигнала по спектру его
комплексной огибающей.
Рис. 1.14 Оценка спектральной плотности мощности вещественного OFDM радиосигнала
1.9 Кодирование в OFDM
Не стоит говорить, о том, что кодирование является неотъемлемой частью
передачи информации, существует большое количество типов кодирования. Но для
начала нам нужно понять, где и зачем оно применяется.
Кодирование является важными ступенями тракта обработки информационных
цифровых сигналов и сигналов управления. В цифровых системах связи
осуществляется преобразование аналогового речевого сигнала в цифровую
последовательность, которая подвергается шифрованию и кодированию, что
необходимо для защиты информации от ошибок в процессе передачи и приема. Для
этого используются:
- блочное кодирование - для быстрого обнаружения ошибок при приеме;
- сверточное кодирование - для исправления одиночных ошибок;
- перемежение - для преобразования пакета ошибок в одиночные ошибки.
В цифровых системах связи кодируются все передаваемые по радиоканалу
сигналы. В аналоговых системах связи кодируют цифровые сигналы управления.
При кодировании преследуют различные цели. Самый низкий уровень имеет
выявление (обнаружение) ошибок в полностью принятом сигнале. По сравнению с ним
более высоким уровнем обладает обнаружение ошибок в отдельных сегментах
сигнала, которое может быть выполнено с помощью простых блоковых кодов,
например, с проверкой на четность. В современных системах используют коды с
исправлением ошибок. Это могут быть блоковые коды (каналы сигнализации в NMT-450, DECT) и сверточные коды (GSM, системы с кодовым разделением - CDMA). Выбор кода определяет большое
число факторов: характеристики каналов, скорость передачи, вид модуляции и т.
п. Важное значение приобретает элементно-технологическая база. Применение
быстродействующих процессорных СБИС открыло путь к использованию мощных
сверточных кодов при обработке сигналов в реальном времени. Сверточные коды
хорошо исправляют случайные одиночные ошибки, но дают плохие результаты при
пакетах ошибок. Поэтому сверточное кодирование и совмещают с перемежением
(перетасовкой) информационных символов, которое обеспечивает преобразование
пакетов ошибок в одиночные.
В системах связи основные свойства речевых каналов и каналов управления
значительно отличаются друг от друга. Для речевых каналов необходима связь в
реальном масштабе времени с короткими задержками при сравнительно низких
требованиях к вероятности ошибки в канале. Для канала управления требуется
абсолютная достоверность данных и исправление ошибок, но допускается более
длительное время передачи и задержки.
В различных логических каналах используются различные сверточные коды,
поскольку скорости передачи и требования по защите от ошибок также различны.
Для упрощения процедур кодирования и декодирования при формировании кодов
используются только несколько полиномов. Это позволяет использовать в стандарте
GSM сверточный код с одной скоростью R = 1/2. В ряде режимов для
выравнивания скорости в речевом канале до R = 1/2 применяют прореживание, т. е. периодический пропуск
(перфорацию) кодированных символов. Поскольку сложность декодирования по
наиболее выгодному, с точки зрения реализации, алгоритму Витерби возрастает
экспоненциально с увеличением длины кодового ограничения l, то типовые значения малы и лежат в
интервале l = 3 - 10.
В стандарте GSM в речевом
канале, в зависимости от скорости передачи сообщения, применяются следующие
пары порождающих сверточный код многочленов (при R = 1/2):
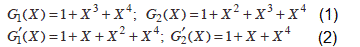
Рис. 1.15 Структурная схема кодера для случая (1)
Рис. 1.16. Структурная схема кодера для случая (2)
В каналах управления цифровая последовательность подвергается кодированию
сверточным кодом, который задается полиномами первой пары - G1(X) и G1 (X) .
На следующей ступени развития ССПС можно ожидать перехода к каскадному
кодированию, например, внутреннему сверточному кодированию и внешнему, устраняющему
ошибки при декодировании сверточных кодов, блоковому, с исправлением пакетов
ошибок. Разумеется, такое сложное кодирование требует большой избыточности, что
формально снижает эффективность использования систем, но существенно повышает
достоверность информации.
Сверточные коды и рассмотренные алгоритмы декодирования (в первую очередь
- по максимуму правдоподобия, алгоритм Витерби) находят основное применение в
системах сотовой связи, а также в системах космической и спутниковой связи. Это
объясняется тем, что каналы связи в этих системах близки по своим свойствам к
каналам с белым Гауссовским шумом, которые являются симметричными каналами без
памяти. Для подобных систем характерны жесткие ограничения по мощности
передаваемого сигнала, поэтому для них важно осуществить наиболее эффективное
кодирование и декодирование, позволяющее уменьшить вероятность ошибки
недекодированный информационный символ при малом энергетическом потенциале.
Для существенного улучшения помехоустойчивости при использовании сверточных
кодов необходимо увеличивать скорость передачи символов, а, следовательно, и
ширину полосы, например, в 2 раза при относительной скорости передачи кода 1/2
или в 4/3 раза при относительной скорости 3/4. Таким образом, применение
сверточных кодов оказывается особенно выгодным в спутниковых системах связи,
энергетический потенциал которых ограничивается мощностью бортового
ретранслятора, т. е. в каналах, где определяющим фактором является ограничение
мощности, а не полосы частот. В системах с ограниченной энергетикой кодирование
позволяет уменьшить необходимое отношение сигнал - шум, оптимальным образом
распределить мощность ретранслятора между каналами и увеличить число каналов.
Большая задержка на трассах распространения в цифровых спутниковых системах
связи (ССС) не позволяет использовать для повышения верности системы с
автозапросом (с обратным каналом), в которых коды служат для обнаружения
ошибок. Поэтому в ССС и используются, в основном, сверточные коды, решающие
задачу непосредственного исправления ошибок. На рис. 1.17 приведены кривые
помехоустойчивости при кодирование. По кривым можно определить энергетический
выигрыш от кодирования (ЭВК). Например, при использовании сверточного кода
(133,171) выигрыш составляет 5,4 дБ при вероятности ошибки на выходе декодера
10-5.
Анализ показывает, что применение коротких сверточных кодов, декодируемых
по алгоритму Витерби с мягким решением, позволяет получить ЭВК 4 - 6 дБ.
Переход к жесткому решению снижает ЭВК примерно на 2 дБ. Квантование выхода
демодулятора на четыре уровня снижает ЭВК на 0,7 - 0,8 дБ, а квантование на
восемь уровней - на 0,25 дБ. Обычно ограничиваются квантованием на восемь
уровней, используя практически полностью возможности мягкого решения.
Рис. 1.17 Кривые помехоустойчивости кодирования
Так
как мы рассматриваем мультиплексирование с ортогональным частотным разделением
каналов, стоит отметить, что в этом случае используется сверточное кодирование
(предназначено для надежной передачи данных: видео, мобильной связи,
спутниковой связи. Они используются вместе с кодом Рида - Соломона и другими кодами подобного типа. До изобретения турбо-кодов такие конструкции были наиболее действенными и удовлетворяли пределу
Шеннона. Так же сверточное кодирование используется в протоколе 802.11a
на физическом MAC-уровне для достижения равномерного распределения 0 и
1 после прохождения сигнала через скремблер (устройство для
скремблирования - это обратимое преобразование цифрового потока
<#"564288.files/image019.gif">
Рис.
1.18 Структура не рекурсивного кодера.
Скорость
кода равна R=k/n, где k -
число информационных символов, одновременно поступающих на вход кодера, n -
количество соответствующих им кодовых символов на выходах кодера.
Информационные двоичные символы u поступают на вход регистра из K
элементов задержки. На выходах сумматоров по модулю 2 образуются кодовые
символы v(1) и v(2). Входы сумматоров
соединены с определенными входами элементов задержки. Коммутатор «К» на
выходе кодера устанавливает очередность посылки кодовых символов в
канал. За время одного информационного символа на выходе такого кодера
образуется два кодовых символа. Таким образом, скорость кода в этом примере
равна R=1/2. Возможно кодирование и с другими скоростями.
Сверточный
кодер, как автомат с конечным числом состояний, может быть описан диаграммой
состояний. Диаграмма состояний представляет собой направленный граф и
описывает все возможные переходы кодера из одного состояния в другое, а также
содержит символы выходов кодера, которые сопровождают эти переходы.
Состояния кодера - набор символов на входах элементов задержки кодера. Пример
диаграммы состояний кодера показан на рис. 1.8.1.5. В кружках указаны четыре
возможных состояния кодера S1S2 = 00, 10, 11 и 01,стрелками -
возможные переходы. Символы около стрелок обозначают символы на выходе кодера (v(1),v(2)), соответствующие данному переходу. Сплошными линиями
отмечены переходы, совершаемые при поступлении на вход кодера информационного
символа 0, пунктирными- при поступлении символа 1.
Первоначально кодер находится в состоянии 00, и поступление на его вход
информационного символа u=0
переводит его также в состояние 00. При этом на выходе кодера будут символы v(1)v(2)=00. На диаграмме этот переход
обозначается петлей "00", выходящей из состояния 00 и вновь
возвращающейся в это состояние.
Рис. 1.19 Диаграмма состояний НСК
Далее, при поступлении символа u=1 кодер переходит в состояние 10,
при этом на выходе будут символы(v(1)v(2))=11.
Этот переход обозначается пунктирной линией из состояния 00 в состояние 10.
Затем возможно поступление на вход кодера информационных символов 0 либо 1. При
этом кодер переходит в состояние 01 либо 11, а символы на выходе будут 10, либо
01, соответственно. Процесс построения диаграммы заканчивается, когда будут просмотрены
все возможные переходы из каждого состояния во все остальные.
Решетчатая диаграмма является разверткой диаграммы состояний во времени. На решетке
состояния показаны узлами, а переходы - соединяющими их линиями. После
каждого перехода из одного состояния в другое происходит смещение на один шаг
вправо. Пример решетчатой диаграммы показан на рис. 1.20.
Рис. 1.20 Решетчатая диаграмма НСК
Решетчатая диаграмма дает наглядное представление всех разрешенных
путей, по которым может продвигаться кодер при кодировании. Каждой
информационной последовательности на входе кодера соответствует единственный
путь по решетке. Построение решетчатой диаграммы производят с
использованием диаграммы состояний. Исходным является нулевое состояние S(1)S(2)=00. Далее, с поступлением очередного
информационного символа u=0,
либо u=1 возможны переходы в состояние 00,
либо 10, обозначаемые ветвями 00 и 11, соответственно. Процесс можно
продолжить, причем, через 3 шага очередной фрагмент решетки будет повторяться.
Пунктиром показан путь по решетке ...11100001..., соответствующий
поступлению на вход кодера информационной последовательности .....1011..... Для
описания работы кодера последовательности символов на входе и выходе
представляют с использованием оператора задержки D в виде полубесконечных рядов:
u(i)(D)
= u(i)0D0 + u(i)0D1 + u(i)2D2 +...,
v(j)(D)
= v0(j)D0 + v1(j)D1 + v2(j)D2 +.... .
Здесь индексы в скобках обозначают:
i -
номер входа кодера, 1 ≤ i ≤
k;
j -
номер выхода кодера, 1 ≤ j ≤
n.
Индексы без скобок (0,1,2...) обозначают дискретные моменты времени.
В теории кодирования длину кода характеризуют следующими
показателями:
Длина кодирующего регистра (ДКР) K, равная
количеству элементов задержки в регистре кодера;
Длина кодового ограничения v (ДКО), равная числу входных символов (исключая первый
символ), которые оказывают влияние на символы на выходе кодера.
Сверточный код будет полностью задан, если известна схема кодера:
количество входов кодера k,
количество выходов кодера n,
длина кодового ограничения v, а также
указаны связи сумматоров с ячейками регистров. Для кодов со скоростью R= 1/n связи j-го сумматора (1≤j≤n) с входами элементов задержки
описывается путем задания порождающего многочлена
G(j)(D)= g0(j)D + g1(j)D + g2(j)D2 +...+ gν(j)D ν,
причем, для двоичных кодов gk(j)=1, если связь j-го сумматора с входом k-го элемента задержки существует, и gk(j)=0, если такой связи нет. К примеру, кодер на рис. 2
характеризуется порождающими многочленами G(1)(D)=1+D+D2 и G(2)(D)=1+D2, или, записывая последовательность
коэффициентов gk в
виде двоичных комбинаций, получаем G(1)=(111) и G(2)=(101). Для длинных кодов часто
используют восьмеричную форму записи.
В этом случае порождающие многочлены будут представлены так: G(1)=(7) и G(2)=(5), либо сокращенно G= (7,5). Процесс кодирования может
быть представлен как умножение многочлена входной информационной
последовательности u(i)(D) на порождающий многочлен G(i)(j)(D),
описывающий связи ячеек (i)-го регистра кодера с j-м выходом:
v(j)(D)
= u(i)(D)G(i)(j)(D), 1 ≤ i ≤
к ; 1 ≤ j ≤ n .
Величина ДКО определяет также значение старшей степени порождающего
многочлена. Значения ДКР и ДКО для кодов с одним входом связаны простым
соотношением v=K-1.
Помехоустойчивость декодирования зависит от дистанционных свойств кодовых
последовательностей на выходе кодера. При этом для двоичных кодов чаще всего
расстояние между последовательностями оценивают в метрике Хэмминга.
Свободное расстояние сверточного кода df (free) - минимальное расстояние между двумя
произвольными полубесконечными последовательностями на выходе кодера,
отличающимися в первой ветви. Для коротких кодов свободное расстояние можно
определить по диаграмме состояний (либо по решетчатой диаграмме). Если
диаграмма состояний задана, то свободное расстояние кода в метрике Хэмминга
равно минимальному весу Хэмминга пути по диаграмме из состояния 00 в это же
состояние (исключая петлю у этого состояния). На диаграмме на рис.3 такой
«короткий» путь(111011) с минимальным весом Хэмминга dmin=5 определяет свободное расстояние этого кода df=dmin=5. Аналогичные вычисления свободного расстояния можно произвести по
решетке этого кода на рис. 1.21
Свободное расстояние используется для оценки помехоустойчивости
декодирования сверточных кодов с применением алгоритмов максимального
правдоподобия или близких к ним (алгоритм Витерби и др.).
Рис. 1.21 К определению свободного расстояния СК по решетчатой диаграмме
При известном свободном расстоянии df и декодировании по минимуму расстояния исправление
ошибок происходит по следующим правилам
. Если количество ошибок e на
длине кодового ограничения не превосходит половину свободного расстояния(e<df/2(для четных df), или e<(df -1)/2(для
нечетных df), то такие ошибки исправляются;
. При невыполнении этих условий исправление канальных ошибок
невозможно. В этом случае декодер совершает ошибки в процессе
декодирования, характер которых зависит от свойств кода.
Одна из характеристик сверточного кода это энергетический выигрыш при кодировании.
Энергетический выигрыш кода η определяет выигрыш по
помехоустойчивости при применении корректирующего кодирования.
Для получения заданного значения вероятности ошибочного приема одного
символа p1 в информационной последовательности
надо обеспечить на выходе демодулятора приемника некоторое необходимое
минимально допустимое отношение сигнал/шум.
При передаче информации с корректирующем кодированием уже вместо k информативных символов за заданное
время требуется передача n
символов с добавлением проверочных за то же время при том же уровне сигналов.
При этом придется сокращать длительность символов при передаче (при скорости R = 1/3 - в три раза), что потребует
расширения полосы частот в n/k раз. Исходное заданное значение
вероятности p1 будет обеспечиваться уже при другом
отношении сигнал/шум. Разница отношений сигнал/шум при применении кодирования и
без него при ее положительном значении определяет энергетический выигрыш кода,
выражаемый в децибелах.
Быстрая ориентировочная оценка энергетической эффективности для целей
оперативного сравнения кодов производится по асимптотическому энергетическому
выигрышу от кодирования (АЭВК) η = 10lgRdmin (дБ), где R = k/n - относительная скорость кода; dmin - минимальное кодовое
расстояние.
Величина АЭВК характеризует ЭВК при вероятности p1 → 0 и является верхней границей реального ЭВК при p1 ≠ 0 [23]. В табл. 1.2
приведены основные характеристики коротких сверточных кодов со скоростью R = 1/2, с указанием значений АЭВК.
Табл. 1.2 Основные характеристики коротких сверточных кодов
Выигрыш от кодирования может быть использован наиболее эффективным
способом, например, путем уменьшения мощности передатчиков в системах связи,
уменьшения размеров антенн или увеличения скорости передачи.
Для получения значительного выигрыша от кодирования наиболее пригодны
сверточные коды с малой длиной кодового ограничения и с декодированием по
алгоритму Витерби. В частности, хорошо известный код с R = 1/2, l = 6,
который имеет ЭВК 5дБ при p1 =
10-5, применяется во многих системах при различных скоростях передачи данных.
.10 Стандарт IEEE 802.16d
Спецификация
утверждена в 2004 году. Используется ортогональное частотное
мультиплексирование (OFDM), поддерживается фиксированный доступ в зонах с
наличием либо отсутствием прямой видимости. Пользовательские устройства
представляют собой стационарные модемы для установки вне и внутри помещений, а
также PCMCIA-карты для ноутбуков. В большинстве стран
под эту технологию отведены диапазоны 3,5 и 5 ГГц. По сведениям
WIMAX Forum, насчитывается уже порядка 175 внедрений
фиксированной версии. Многие аналитики видят в ней конкурирующую или
взаимодополняющую технологию проводного широкополосного доступа DSL.
Основные
характеристики:
Использование
- WMAN
Пропускная
способность - до 75 Мбит/с
Радиус
действия - 25-80 километров
Частоты
- 1,5-11 ГГц
Требования
к параметрам базовых станций ТОС стандарта 802.16d
1. Базовые станции ТОС (далее - БС ТОС) стандарта 802.16d работают в диапазоне частот от 2 до
66 ГГц.
2. Требования к параметрам БС ТОС стандарта 802.16d диапазона частот от 1,5 до 11 ГГц.
2.1. БС ТОС используют один из следующих режимов работы:
) Режим отдельной несущей (SCa).
2) Режим ортогонального частотного уплотнения (OFDMA).
) Режим множественного доступа с ортогональным частотным
уплотнением (OFDMA)
2.2. При оформлении выходного сигнала БС ТОС в режим OFDM применяется 256-точечное обратное
преобразование Фурье.
2.3. В зависимости от требуемой скорости передачи данных в БС ТОС
применяются следующие способы модуляции несущей частоты:
1) Двоичная фазовая манипуляция (BPSK).
2) Квадратурная фазовая манипуляция (QPSK).
) 16-позиционная квадратурная амплитудная манипуляция (16 QAM).
) 64-позиционная квадратурная амплитудная манипуляция (64 QAM).
2.4. Ширина канала базовых станций устанавливается кратной 0,25 МГц и
составляет величину не менее 1,25 МГц и не более 28 МГц.
2.5. В режимах OFDM
БС ТОС предоставляют канальный ресурс DF полностью или в отдельных частотных
подканалах или группах подканалов.
.6. БС ТОС работают в дуплексном режиме с временным разделением (TDD) или частотным разделением (FDD).
.7. Допускается работа БС ИРС в полудуплексном режиме с частотным
разделением (H-FDD).
2.8. Для оборудования широкополосной сети подвижного доступа
дополнительно выполняются требования:
1) БС ТОС поддерживают процедуры хендовера подвижной АС.
) Максимальное время задержки сигнала при переключении подвижной
АС от одной базовой станции к другой менее 200мс.
) БС ТОС поддерживают дежурный режим (sleep-mode)
работы АС.
.9. Основные параметры передатчиков БС ТОС диапазона частот от 1,5
до 11 ГГц, измеряемые непосредственно на ВЧ соединителе передатчика приведены в
таблице № 1. Для оборудования радиодоступа для БПД со встроенными антеннами в
качестве эталонной антенны принимается антенна с коэффициентом усиления 0 дБи.
Табл. № 1.3 Основные параметры передатчиковТОС стандартна 802.16d диапазона частот от 1,5 до 11 ГГц.
|
Параметр
|
|
Значение
|
|
Маска спектра
|
OFDM OFDMA
|
|
|
|
ДF, МГц A B
C D E F 1,25 0,625 0,605 0,893 1,321 2,500 3,125 ,5 0,50 0,750 1,071 1,586
3,000 3,750 1,75 0,875 0,875 1,250 1,850 3,500 4,375 2,5 1,250 1,15 1,785
2,643 5,000 6,250 3 1,500 1,500 2,142 3,171 6,000 7,000
3,5 1,750 0,750 2,499 3,700 7,000 8,750 5 2,500 2,500 3,570 5,285 10,000
12,500 6 3,000 3,000 4,284 6,342 12,000 15,000 7 3,500 3,500 4,998 7,399
14,000 17,000 8,75 4,375 4,375 6,248 9,249 17,500 21,875 10 5,000 5,000
7,140 10,570 20,000 25,000 12 6,000 6,000 8,568 12,684 24,000 30,000 14
7,000 7,000 9,996 14,798 28,000 35,000 15 7,500 7,500 10,710 15,855 30,000
37,500 20 10,000 10,000 14,280 21,140 40,000 50,000 24 12,000 12,000 17,136
25,368 48,000 60,000 28 14,000 14,000 19,992 29,596 56,000 70,000
|
|
Допустимый уровень побочных
излучений
|
OFDM
|
-50 дБм в диапазоне частот
30 МГц - 21,2 ГГц
|
Основные параметры приемников БС радиоэлектронных средств связи сетей
радиодоступа ТОС диапазона частот от 1,5 ГГц до 11 ГГц приведены в таблице №
1.4.
Таблица № 1.4. Основные параметры приемников БС радиоэлектронных средств
связи сетей радиодоступа ТОС диапазона частот от 1,5 ГГц до 11 ГГц.
|
Параметр
|
Тип сигнала
|
Значение
|
|
Максимальный уровень
входного сигнала
|
OFDM
|
Оборудование обеспечивает
возможность приема рабочего сигнала с уровнем -45 дБм и выдерживает входной
сигнал с уровнем 0 дБм без электрического повреждения цепей приемника
|
|
Подавление зеркального
канала
|
OFDM
|
Не менее 60 дБ
|
.10. В оборудовании радиодоступа для БПД ТОС используется ширина радиоканала
20, 25, 28 МГц.
.11. Модуляция несущих частот: QPSK, 16 QAM,
64 QAM.
Требования к параметрам абонентским станций ТОС стандарта
802.16d
1. Абонентские станции ТОС (далее АС ТОС) стандарта 802.16d работают в диапазоне частот от 1,5
ГГц до 66 ГГц.
. Требования к параметрам АС ТОС стандарта 802.16d диапазона частот 1,5 ГГц до 11 ГГц.
.1 АС ТОС используют один из следующих режимов работы:
) Режим отдельной несущей (SCa).
) Режим ортогонального частотного уплотнения (OFDMA).
) Режим множественного доступа с ортогональным частотным
уплотнением (OFDMA)
.2 При оформлении выходного сигнала АС ТОС в режим OFDM применяется 256-точечное обратное
преобразование Фурье.
.3 В зависимости от требуемой скорости передачи данных в АС ТОС
применяются следующие способы модуляции несущей частоты:
1) Двоичная фазовая манипуляция (BPSK).
2) Квадратурная фазовая манипуляция (QPSK).
) 16-позиционная квадратурная амплитудная манипуляция (16 QAM).
) 64-позиционная квадратурная амплитудная манипуляция (64 QAM).
В режиме Sca допускается
применение 256-позиционной квадратурной амплитудной манипуляции (256 QAM).
2.5 В режимах OFDM
АС ТОС предоставляют канальный ресурс DF полностью или в отдельных частотных
подканалах или группах подканалов.
.6 Основные параметры передатчиков АС ТОС диапазона от 1,5 до 11
ГГц, измеряемые непосредственно на ВЧ соединителе передатчиков, приведены в
таблице № 1.5. Для оборудования радиодоступа со встроенными антеннами в
качестве эталонной антенны принимается антенна с коэффициентом усиления 0 дБи.
Таблица № 1.5 Основные параметры передатчиков АС ТОС диапазона частот от
1,5 до 11 ГГц, измеряемые непосредственно на ВЧ соединителе передатчиков
|
Параметр
|
|
Значение
|
|
Маска спектра
|
OFDM OFDMA
|
|
|
|
ДF, МГц A B
C D E F 1,25 0,625 0,625 0,893 1,121 2,500 3,125 1,5
0,750 0,750 1,071 1,586 3,000 3,750 1,75 0,875 0,875 1,250 1,850 3,500
4,375 2,5 1,250 1,250 1785 2,643 5,000 6,250 3 1,500 1,500 2,142
3,171 6,000 7,500
3,5 1,700 1,750 0,499 3,700 7,000
8,750 5 2,500 2,500 3,570 5,285 10,000 12,500 6 3,000 3,000 4,284 6,342
12,000 15,000 7 3,500 3,500 4,998 7,399 14,000 17,000 8,75 4,375 4,375
6,248 9,249 17,500 21,875 10 5,000 5,000 7,140 10,570 20,000 25,000 12
6,000 6,000 8,568 12,684 24,000 30,000 14 7,000 7,000 9,996 14,798 28,000
35,000 15 7,500 7,500 10,710 15,855 30,000 37,500 20 10,000 10,000 14,280
21,140 40,000 50,000 24 12,000 12,000 17,136 25,368 48,000 60,000 28 14,000
14,000 19,992 29,596 56,000 70,000
|
|
Допустимый уровень побочных
излучений
|
OFDM
|
-50 дБм в диапазоне частот
30 МГц - 21,2 ГГц -30 дБм в диапазоне частот выше 21,2 ГГц
|
В начале проекта говорилось об огромном количестве техники способной
принимать и передать беспроводные сигналы, но это все мобильные устройства,
компактные иными словами пользовательская аппаратура, то, что лежит в кармане
или сумке практически каждого человека нашего цивилизационного мира, но что
именно посылает «нам» эти сигналы и как? Ответ прост - Базовые станции, вот что
посылает нам эти потоки информации.
2. БАЗОВАЯ СТАНЦИЯ
Базовая станция - системный комплекс приемопередающей аппаратуры,
осуществляющей централизованное обслуживание группы оконечных абонентских
устройств. Сотовые оператора России, такие как Мегафон, Билайн, МТС, Скайлинк
используют базовые станции следующих марок: Alcatel, Ericsson, Huawei. На данный момент в центральной
регионе происходит масштабная замена базовых станций Alcatel и Ericsson на Huawei. Далее мы рассмотрим подробно базовую станцую компании Huawei модели DMS3900.
Рис. 2.1 Базовая станция Huawei DMS3900
Станция четвертого поколения, используется для обслуживания макро сот
(радиус работы 3,5 - 35 км, варьируется от географического место положения).
Поддерживает несколько режимов работы: GSM, GSM + UMTS (dual mode), UMTS (связь
третьего поколения), LTE, WiMAX.
Схема БС принципиально не отличается от используемой в других
беспроводных технологиях: основной внутренний модуль, усилители и антенны. Единственное отличие:
наличие антенны GPS.
Рис. 2.2 Схема работы базовой станции в сети
Базовая станция DBS3900
(Distributed Base Station) состоит из внутреннего обрабатывающего узла (BBU в терминологии Huawei), трансиверов (RRU) и антенн.
Разумеется, «мозгом» БС является BBU - Baseband Unit. На этот узел
ложится практически вся нагрузка по обработке данных, синхронизации,
управлению, сбору статистики.
Данные канального уровня обрабатываются с помощью различных схем
кодирования, модуляции, соответствующей уровню сигнала, претерпевают обратное
преобразование Фурье, к ним добавляется циклический префикс, и далее
отправляются на усилитель.
Рисунок 2.3. Схема циклического префикса
DMS3900 состоит из следующих плат:
Первые 4 слота (с 0 до 3) отведены под платы BBBI (BWA
Baseband processing and radio Interface unit). На каждой плате есть по три оптических интерфейса (CPRI-Common Public Radio Interface) для подключения усилителей. Могут
быть установлены одна или две платы, каждая из которых занимает два слота.
Слоты 4 и 5 отведены под плату USCU (Universal Satellite card
and Clock Unit). Эта
плата занимает также два слота и используется для синхронизации. Для WiMAX, использующего временной дуплекс
синхронизация - очень важный вопрос, поскольку время приема/передачи должно
быть синхронизировано как для разных секторов одной БС, так и для других
базовых станций, являющихся соседними для рассматриваемой. Вообще говоря,
используется GPS, как самый простой и универсальный
способ. Но, как я уже говорил где-то в комментариях к другим статьям, в России
обязывают устанавливать помимо GPS,
плату приемника ГЛОНАСС - K161,
для которой производителем предусмотрены ножки крепления и небольшой джампер.
Основной разъем на этой плате - SMA
для дажмпера от антенны GPS.
Шестой и седьмой слот используется для «основной» платы BBU - BMPT (BWA Main Processing & Transmission unit). Собственно, это ЦУП БС, она и управляет всеми
процессами. На ней есть Ethernet порт для управления, два порта RG-45 FE/GE и два оптических порта LC для связи с сетью ASN (логически может быть сконфигуровано только два порта). Кроме того, на
ней конфигурируется логический интерфейс для связи с сетью управления.
Еще две платы расположены в правой части лицевой панели - UPEU (Universal Power and Environment interface Unit), которые работают в режиме Hot Standby. На них расположен выключатель, разъем питания, сухие
контакты и разъемы для подключения внешних блоков мониторинга (RJ-45).
Усилитель
Что же происходит дальше с данными, обработанными на BBU. По оптическим интерфейсам,
подключенным к портам CPRI
данные передаются на блок усилителей (RRU - Radio Remote Unit). На усилителе происходят цифро-аналоговые
(аналого-цифровые) преобразования, управление мощностью излучения, наложение
аналогового сигнала на сигнал высокой частоты и мультиплексирование сигналов
приема и передачи.
Антенны
Далее сигнал по фидеру передается на антенны. Для реализации MIMO в каждой антенне установлены по сути
две антенны, имеющие кросс-поляризацию для уменьшения интерференции. Сами
антенны просто крохотные, если сравнивать их с GSM. Это, естественно, связано с используемыми частотами.
MIMO
-позволяет использовать несколько антенн на прием и передачу. Существует две
реализации:
MIMO Matrix A (Diversity mode): через различные антенны передаются одни и те же
данные. Эта схема используется для улучшения качества передаваемого сигнала и
улучшения приема.
MIMO Matrix B (Spatial Multiplexing (SM) mode): через
различные антенны передаются различные данные. Это позволяет увеличить скорость
передачи данных.
Одним из серьезных преимуществ WiMAX считают возможность использования адаптивной антенной системы,
подстраивающей свою диаграмму направленности в соответствии с передвижением
абонентской станции, то есть, как бы выхватывает ее и отслеживает.
Преимущества:
Быстрое развертывание сети - раздельное использование BBU и RRU, компактный дизайн и распределенная установка
позволяют сэкономить пространство на сайте и смонтировать BBU и RRU практически в любом месте. Распределенная установка
также обеспечивает удобство при транспортировке и быстрое развертывание сети.
- Низкая стоимость - BBU
может устанавливаться в любом месте на стену или на бетонное основание. Также BBU устанавливается внутри BTS, устройств передачи или в системе
питания, при монтаже вне помещений. RRU устанавливается вблизи антенн. Это позволяет избежать затрат на
приобретение и монтаж кабелей и фидеров.
Высокая надежность - каждый RRU обеспечивает два высокоскоростных порта CPRI для обеспечения взаимодействия RRU и BBU в топологии кольцо. Один дополнительный порт CPRI предоставляет резервный канал между BBU и RRU. В одном подстативе можно установить два модуля RRU3004 для поддержки распределенной
передачи, обеспечения большей емкости и большего числа несущих. При сбое одного
из рабочих модулей RRU3004, резервный
обеспечивает услуги в соте.
Работа мобильных станций на высоких скоростях движения - DBS3900 обеспечивает работу мобильных
станций на высоких скоростях движения транспорта (поездов, автомобилей и т.д.),
до 400 км/ч.
2.1 Структурная схема базовой станции
Рис. 2.4 Структурная схема базовой станции
· MBSC - контроллер БС
· Iub и Abis -
интерфейс взаимодействия БС и контроллер (2g и 3g)
· UMTS Baseband unit модуль управления 3g
· UMTS transport subsystem - транспортная подсистема
· UMTS control system - система управления 3g
· GSM transport subsystem - транспортная подсистема
· GSM control system -система управления gsm
· ОМС - центр обслуживания
· External power supply -внешнее питание
· MRFU - мультимодовый трансивер
· Power module - модуль питания
Но как же имея стандартное оборудование передать OFDM сигнал, не приобретая дорогостоящее оборудование.
Которое не потребует дополнительного питания охлаждения или даже помещения?
Ответ прост модем с поддержкой OFDM,
который подключается напрямую к базовой станции через внешний порт и работает в
штатном режиме.
2.2 Модем с поддержкой OFDM
Рис. 2.5 Рисунок модема с поддержкой OFDM
В настоящее время используется модем марки RN-2234 OFDMA
компании Runcorn. Этот модем находится в массовом
производстве и доступен в продаже. Это большой плюс, так как это один из первых
и лучших модемов
который поддерживает функцию формирования OFDM-сигналов. Наш выбор пал на этот модем, потому что в
нем есть функция подключения к базовой станции, благодаря своей компактности и
мобильности не будет требовать дополнительной установки вентиляционного
оборудования, а его мощности хватит, чтобы обеспечивать высокоскоростную
передачу информации. А его схема и кодирование, используемое в работе полностью
идентична базовой станции. Рассмотрим структурную схему.
.2.1 Структурная схема модема
Рис. 2.6 Структурная схема модема с поддержкой OFDM
Данная СБИС реализует схемы модуляции QPSK, 16- и 64-QAM. Поддерживаются как турбокоды, так и кодек Рида-Соломона, и декодер
Витерби. Модем включает АЦП (10 бит) и ЦАП (12 бит). При ширине канала 14 МГц
СБИС RN-2234 обеспечивает скорость передачи
данных до 56 Мбит/с. На аппаратном уровне поддержана возможность работы с AAS, включая режим STC в нисходящем канале. Выпускается по
КМОП-технологии 0,18 мкм в корпусе 304 LF BGA (19 х 19 х 1,5 мм). Напряжение питания ядра/периферии
- 1,8/3,3 В. Максимальная потребляемая мощность - 2 Вт.
СБИС оснащена ЦАП и АЦП (10 разрядов). Входной и выходной интерфейс
реализован в виде, как квадратурных составляющих I и Q, так
и модулированного сигнала на промежуточной частоте 10 МГц. В микросхеме
реализованы временной и частотной синхронизации, поддерживается временное и
частотное разделение каналов, в последнем случае - дуплексный и полудуплексный
режимы. Ширина канала - 1,75;3;7; и 10 МГц, длительность защитного интервала -
от ¼
до 1/32 от длительности OFDM- символа. Поддерживает требования
стандарта широкополосного доступа для мобильных приложений IEEE 802.16d (в режиме OFDM).
СБИС предназначена для сверточного кодирования передаваемых данных и
декодирования по алгоритму Витерби передаваемой информации в системах
спутниковой связи типов INMARSAT и INTELSAT, сотовой и персональной связи.БИС
содержит два основных модуля: Кодер:
скремблер и относительный кодер;
сверточный кодер;
формирователь выхода.
Декодер:
входной преобразователь;
декодер Витерби;
дескремблер и относительный декодер;
линия задержки знаков операндов;
вспомогательный кодер;
блок ветвевой синхронизации;
блок оценки качества канала.
Основные технические характеристики:
· Длина кодового ограничения: 7
· Образующие полиномы: 133, 171
· Информационная скорость: до 10 МГц
· Выигрыш кодирования при вероятности
ошибки на символ 10-5 и скорости кода: 5,3дБ;
· 3-х и 4-х уровневое мягкое решение;
· Наличие относительных кодера и декодера;
· Наличие скремблеров и дескремблеров
типов IBS и IDR;
· Оценка качества канала;
· Наличие ветвевой схемы синхронизации;
· Параллельный и последовательный ввод
сигнала;
· Напряжение источника питания: 5В;
· Потребляемая мощность на частоте
12МГц: 1.2Вт
· Совместимость по входу и выходу с
TTL;
· Пластиковый корпус: 84 PLCC.
3. РЕАЛИЗАЦИЯ
3.1. Выбор элементной базы
.1.1 Постановка задачи ТЭО
Предварительный анализ вычислительной сложности
разработанного алгоритма регулирования показывает, что его реализация при
современном уровне развития вычислительной техники, сигнальных процессоров и
периферии, не вызывает принципиальных затруднений.
Возможны несколько вариантов разработки устройства:
· отдельное компактное устройство для установки
непосредственно в состав оборудования в радиовещательном тракте;
· плата, вставляемая в слот
стандартного корпуса ПК, что упрощает управление устройством в процессе
эксплуатации;
· системный блок IBM-совместимого компьютера в упрощенной
комплектации, снабженного специальным программным обеспечением.
Первый вариант предполагает большие затраты на стадии
разработки, при организации малосерийного выпуска устройства, затраты на его
производство также обычно достаточно высоки. Но предполагается что наше
устройство будет функционировать в WiMAX сетях и сотовых системах третьего поколения (3G) и выше, которые сейчас активно развиваются, и следовательно
серийность нашего устройства будет очень высокая, а затраты на производство
станут экономически выгодными.
Во втором варианте наилучшим образом используется
оборудование, т.к. все комплектующие изготовлены специально для решения данной
задачи. Недостаток состоит в том, что специализированные платы, как правило,
малосерийны и поэтому более дороги, следовательно, и устройство, сделанное на
их основе получится дороже аналогов.
Согласно третьему варианту предполагается
использование готовых комплектующих, выпускаемых большими партиями,
соответственно, сравнительно дешевых, и готового конструктивного оформления,
что облегчает процесс разработки самого устройства, процесс управления
устройством и модификации программ в течение эксплуатации. Но при этом у
устройства будут большие размеры, что никак не вписывается в стандарты сотовых
систем.
По результатам анализа предпочтение было отдано
первому варианту: отдельное компактное устройство для установки непосредственно
в состав оборудования в радиовещательном тракте.
В настоящее время фирмы-производители выпускают
большое количество разнообразных печатных плат на плис со схожими характеристиками,
и выбор оптимальной платы для реализации наших схем формирования представляется
довольно трудной задачей.
Для решения задач подобного рода в аналитическом
планировании широко применяется метод анализа иерархий. Воспользуемся этим
методом для выбора чипа.
.1.2 Выбор платы с помощью метода
анализа иерархий (МАИ)
Метод анализа иерархий является систематической
процедурой для иерархического представления элементов, определяющих суть любой
проблемы. Метод состоит в декомпозиции проблемы на все более простые
составляющие части и дальнейшей обработке последовательности суждений лица (или
лиц), принимающего решение (ЛПР), по парным сравнениям. Эти суждения затем
выражаются численно. МАИ включает процедуры синтеза множественных суждений,
получения приоритетности критериев и нахождения альтернативных решений.
Полученные таким образом значения являются оценками в шкале отношений и
соответствуют так называемым жестким оценкам.
Решение проблемы в данном случае есть процесс
поэтапного установления приоритетов.
Этапы решения задачи с помощью МАИ:
1.
Определение
проблемы.
2.
Построение
иерархии (цель - критерии - альтернативы).
3.
Построение
множества матриц попарных сравнений. Попарные сравнения проводятся в терминах
доминирования одного из элементов над другим.
4.
Определение
компонент нормализованного собственного вектора, или векторов приоритетов,
которые характеризуют локальные приоритеты анализируемых элементов.
5.
Определение
согласованности суждений: индекса согласованности (ИС), отношения
согласованности (ОС).
6.
Определение
глобальных приоритетов сравниваемых альтернатив.
7.
Анализ полученных
результатов.
Этап 1:
Доказать достоинства разработки или, напротив, выявить недостатки можно
путем сравнения с другими аналогичными разработками. Для сравнения отобраны три
печатной платы плис с близкими характеристиками: МАХ7000, фирмы Altera (Альтернатива 1), Stratix 3 EP3SL70
(Альтернатива 2), Spartan-3E XC3S100E.
В результате предварительных исследований определен
перечень показателей (критериев), по которым целесообразно сравнивать
альтернативы.
Критерии:
1. Стоимость платы.
2. Стоимость среды программирования.
. Скорость формирования.
. Возможность использования загружаемого
перемежителя.
. Совместимость с несколькими процессорами.
. Число поддерживаемых кодовых скоростей.
Этап 2:
Существует несколько видов иерархий. Самые простые и
наиболее распространенные доминантные иерархии, которые похожи на перевернутое
дерево с основой в вершине. В этом случае иерархия строится с вершины (цели - с
точки зрения управления), через промежуточные уровни - критерии
(технико-экономические параметры), от которых зависят последующие уровни, к
самому нижнему уровню, обычно представляющему собой набор альтернатив (в нашем
случае это различные альтернативные микропроцессоры). Иерархия считается
полной, если каждый элемент заданного уровня функционирует как критерий для
всех элементов нижестоящего уровня.
Этап 3:
Закон иерархической непрерывности требует, чтобы
элементы нижнего уровня иерархии были сравнимы попарно по отношению к элементам
следующего уровня и т.д. вплоть до вершины иерархии. Таким образом, строятся
матрицы попарных сравнений (или суждений). Опыт показал, что при проведении
попарных сравнений в основном ставятся следующие вопросы:
·
Какой из
элементов важнее или имеет большее воздействие?
·
Какой из
элементов наиболее вероятен?
·
Какой из
элементов предпочтительнее?
Таким образом, при сравнении критериев обычно
спрашивают, какой из критериев более важен; при сравнении альтернатив по
отношению к критерию - какая из альтернатив более желательна.
При заполнении матриц попарных сравнений используется
девятибалльная шкала (табл. 3.1)
Табл. 3.1. Шкала относительной важности
|
Интенсивность относительной
важности
|
Определение
|
Объяснение
|
|
1
|
Равная важность
|
Равный вклад двух элементов
|
|
3
|
Умеренное превосходство
одного над другим
|
Опыт и суждения дают легкое
превосходство одному элементу над другим
|
|
5
|
Существенно сильное
превосходство
|
Опыт и суждения дают
сильное превосходство одному элементу над другим
|
|
7
|
Значительное превосходство
|
Одному элементу дается
настолько сильное превосходство, что он становится практически значительным
|
|
9
|
Очень сильное превосходство
|
Очевидность превосходства
одного элемента над другим подтверждается наиболее сильно
|
|
2,4,6,8
|
Промежуточные решения между
двумя соседними суждениями
|
Применяются в компромиссном
случае
|
|
Обратные величины
приведенных выше чисел
|
Если при сравнении одного
одно из вышеуказанных чисел сравнении второго элементаобратную величину,
(т.е. 1/3
|
элемента с другим получено
(например, 3), то при с первым получим ).
|
Этап 4:
Расчет векторов приоритетов производится в следующей
последовательности. Сначала перемножаются элементы в каждой строке матрицы, и
извлекается корень n-ой степени, где n - число элементов в строке (в данном
случае извлекаем корень 6-ой степени для матрицы парных сравнений второго
уровня и 3-ей - для матриц попарных сравнений третьего уровня). Полученные
значения называются компонентами нормализованного вектора приоритетов,
количество компонент равняется количеству строк, т. е. в нашем случае 6. Затем
полученный таким образом столбец чисел нормализуется делением каждого числа на
сумму всех чисел, что в итоге и является вектором приоритетов.
Этап 5:
Индекс согласованности в каждой матрице и для всей
иерархии может быть приближенно получен следующим образом:
· Суммируется каждый столбец суждений, затем сумма
первого столбца умножается на величину первой компоненты нормализованного
вектора приоритетов, сумма второго столбца - на вторую компоненту и т.д.
· Полученные числа суммируются. Таким
образом, можно получить величину, обозначаемую λmах.
· Определяется индекс согласованности
из соотношения ИС = (λmах - n) / (n -1),
где n - число сравниваемых элементов. Для
решения поставленной задачи формула имеет вид: ИС = (λмах - 6) / 5 для матрицы парных
сравнений второго уровня; ИС = (λмах - 3) / 2 для матриц попарных
сравнений третьего уровня. Индекс согласованности дает информацию о степени
нарушения численной и порядковой согласованности. Однако совершенной
согласованности при измерениях даже с наиболее точными инструментами трудно
достичь на практике.
· Определяется отношение
согласованности (ОС) путем деления ИС на число, соответствующее случайной
согласованности матрицы того же порядка. Для матрицы размера 3 случайная
согласованность составляет 0,58, а для матрицы размера 6 - 1,24. Величина ОС
должна быть порядка 10% или менее, чтобы быть приемлемой. В некоторых случаях можно
допустить 20%, но не более.
Итак, сначала строится матрица парных сравнений для
второго уровня табл. 3.2
Табл. 3.2 Матрица парных сравнений
|
Критерий
|
1
|
2
|
3
|
4
|
5
|
6
|
Вектор приоритетов
|
|
|
|
|
|
|
|
|
|
1
|
Стоимость чипа
|
1
|
1
|
1/3
|
1/5
|
1/7
|
1/5
|
0,04
|
|
2
|
Стоимость среды
программирования
|
1
|
1
|
1/3
|
1/3
|
1/3
|
1/5
|
0,06
|
|
3
|
Совместимость с несколькими
процессорами
|
3
|
3
|
1
|
1/3
|
1/3
|
1/5
|
0,1
|
|
4
|
Возможность использования
загружаемого перемежителя
|
5
|
3
|
3
|
1
|
1
|
1
|
0,25
|
|
|
|
|
|
|
|
|
|
|
5
|
Скорость
кодирования/декодирования
|
7
|
5
|
3
|
1
|
1
|
1
|
0,28
|
|
6
|
Число поддерживаемых
кодовых скоростей
|
5
|
3
|
5
|
1
|
1
|
1
|
0,27
|
|
|
Общая сумма
|
22
|
16
|
12,66
|
3,866
|
3,676
|
3,733
|
1
|
λмах = 6,11 ИС = 0,022 ОС = 0,02<20%
Самыми приоритетными критериями являются:
совместимость с несколькими процессорами, возможность использования
загружаемого перемежителя и скорость кодирования/декодирования.
Далее строятся матрицы для парных сравнений каждой
альтернативы на третьем уровне по отношению к критериям второго уровня (табл.
6.3. - 6.8.).
Первым критерием является стоимость чипа. Отобранные чипы имеют близкие
ценовые характеристики, однако TCD1000
(А2) немного дороже.
Табл. 3.3 Матрица суждений
|
Критерий 1: стоимость чипа
|
А1
|
А2
|
A3
|
Вектор приоритетов
|
|
А1
|
Altera МАХ7000
|
1
|
2
|
1
|
0.4
|
|
А2
|
Stratix 3 EP3SL70
|
1/2
|
1
|
1/2
|
0.2
|
|
A3
|
Spartan-3E XC3S100E
|
1
|
2
|
1
|
0.4
|
|
Общая сумма
|
2.5
|
5
|
2.5
|
1
|
λмах = 3 ИС = 0
Вторым критерием является стоимость алгоритма
программирования. По данному критерию предпочтение отдается Альтернативе 1 - Altera МАХ7000, т.к. при покупке данного
чипа среда программирования (Windows MAX+PLUS II и Quartus II) предоставляется
бесплатно.
Табл. 3.4 Матрица суждений по 1 критерию
|
Критерий 2: стоимость среды
программирования
|
А1
|
А2
|
A3
|
Вектор приоритетов
|
|
А1
|
Altera МАХ7000
|
1
|
9
|
7
|
0,77
|
|
А2
|
Stratix 3 EP3SL70
|
1/9
|
1
|
1/5
|
0,06
|
|
A3
|
Spartan-3E XC3S100E
|
1/7
|
5
|
1
|
0,17
|
|
Общая сумма
|
1,25
|
15
|
8,2
|
1
|
|
|
|
|
|
|
|
|
|
|
|
|
|
|
|
|
|
|
|
λмах = 3,22 ИС = 0,11 ОС = 0,19<20%
Третьим критерием является совместимость с несколькими
процессорами. AHA 4540B (А1) совместим с тремя процессорами, TCD1000 (А2) с двумя и S4000 (A3) с одним.
Табл.
3.5 Матрица суждений по 3 критерию
|
Критерий 3: совместимость с
несколькими процессорами
|
А1
|
А2
|
A3
|
Вектор приоритетов
|
|
А1
|
Altera МАХ7000
|
1
|
3
|
5
|
0,64
|
|
А2
|
Stratix 3 EP3SL70
|
1/3
|
1
|
3
|
0,26
|
|
A3
|
Spartan-3E XC3S100E
|
1/5
|
1/3
|
1
|
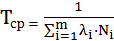
0,1
|
|
Общая сумма
|
1,533
|
4,333
|
9
|
1
|
|
|
|
|
|
|
|
|
|
λмах = 3,006 ИС = 0,003 ОС = 0,005<20%
Четвертым критерием является возможность использования
загружаемого перемежителя. Все представленные альтернативы имеют такую
возможность.
Табл.3.6 Матрица суждений по 4 критерию
|
Критерий 4: возможность
использования загружаемого перемежителя
|
А1
|
А2
|
A3
|
|
|
А1
|
Altera МАХ7000
|
1
|
1
|
1
|
0,333
|
|
А2
|
Stratix 3 EP3SL70
|
1
|
1
|
1
|
0,333
|
|
A3
|
Spartan-3E XC3S100E
|
1
|
1
|
1
|
0,333
|
|
Общая сумма
|
3
|
3
|
3
|
0,999
|
|
|
|
|
|
|
|
|
|
|
|
|
λmax =3 ИС =0
Пятым критерием является скорость формирования. По
данному критерию все альтернативы равносильны.
Табл. 3.7 Матрица суждений по 5 критерию
|
|
|
|
|
Критерий 5:скорость
кодирования/декодирования
|
А1
|
А2
|
A3
|
Вектор приоритетов
|
|
А1
|
Altera МАХ7000
|
1
|
1
|
1
|
0,333
|
|
А2
|
Stratix 3 EP3SL70
|
1
|
1
|
1
|
0,333
|
|
A3
|
Spartan-3E XC3S100E
|
1
|
1
|
1
|
0,333
|
|
Общая сумма
|
3
|
3
|
3
|
0,999
|
|
λmax =3 ИС
= 0
|
|
|
|
|
|
|
|
|
|
|
|
Шестым критерием является число поддерживаемых кодовых
скоростей. Altera МАХ7000 (А1) поддерживает 6 кодовых
скоростей, а чипы Stratix 3 EP3SL70 (А2) и Spartan-3E XC3S100E (A3) по 4
кодовой скорости
Табл. 3.8 Матрица суждений по 6 критерию
|
|
|
|
|
Критерий 6: число
поддерживаемых кодовых скоростей
|
А1
|
А2
|
A3
|
Вектор приоритетов
|
|
А1
|
Altera МАХ7000
|
1
|
5
|
5
|
0,72
|
|
А2
|
Stratix 3 EP3SL70
|
1/5
|
1
|
1
|
0,14
|
|
A3
|
Spartan-3E XC3S100E
|
1/5
|
1
|
1
|
0,14
|
|
Общая сумма
|
1,4
|
7
|
7
|
1
|
|
|
|
|
|
|
|
λmax =3 ИС = 0
Этап 6:
Выявление составных, или глобальных, или обобщенных
приоритетов начинается с составления табл. 6.9. - результатов метода анализа
иерархий. Глобальный приоритет по каждой из альтернатив определяется путем
перемножения значимости критерия (табл. 6.2.) на значимость альтернативы по
отношению к данному критерию (табл. 3.4 - 3.9) и суммирования полученных чисел.
Табл.
3.9 Определение глобальных приоритетов
|
Альтернативы
|
1
|
2
|
3
|
4
|
5
|
6
|
Глобальные приоритеты
|
|
|
0,04
|
0,06
|
1
|
0,25
|
0,28
|
0,27
|
|
|
А1
|
Altera МАХ7000
|
0,4
|
0,77
|
0,64
|
0,333
|
0,33
|
0,72
|
0,49709
|
|
А2
|
Stratix 3 EP3SL70
|
0,2
|
0,06
|
0,26
|
0,33
|
0,33
|
0,14
|
0,25189
|
|
A3
|
Spartan-3E XC3S100E
|
0,4
|
0,17
|
0,1
|
0,33
|
0,33
|
0,14
|
0,25049
|
Этап 7:
Анализ полученных результатов заключается в выявлении
альтернативы с наибольшим глобальным приоритетом. Таким образом, следуя методу
анализа иерархий, в качестве однокристального чипа для реализации устройства
следует выбрать Altera МАХ7000,
т.к. он имеет максимальный глобальный приоритет, равный 0,49709.
3.1.3 Расчет основных
технико-экономических показателей
Расчет надежности устройства
В данном пункте рассматривается вопрос, связанный со свойством
разрабатываемого устройства выполнять заданные функции в определенных условиях
эксплуатации при сохранении значений основных параметров в заранее
установленных пределах. Для анализа надежности воспользуемся количественными
характеристиками надежности (показателями надежности). Для любой
радиоэлектронной аппаратуры, ремонтируемой, восстанавливаемой в процессе
эксплуатации, могут быть приняты такие величины, как время средней наработки до
отказа Tср и вероятность безотказной работы за время t - P(t). Для
определения параметров Tср и P(t) необходимо
знать интенсивность отказов каждого типа элементов λi, используемых в проектируемом
устройстве. Данные для расчета Tср и P(t) представлены в
таблице 6.3.1.1
Наработка на отказ:
 = 4366
(час)
Вероятность
безотказной работы - это вероятность того, что в пределах заданной наработки
1час при известной интенсивности отказов устройства  отказ
системы не происходит:
Таким
образом, вероятность безотказной работы всего устройства:
 где t -
время наработки на отказ,
 =229 10-6
При
t=24 час, P(t)=0.995
При
t=1000 час, P(t)=0.795
Спроектированное
устройство имеет высокие показатели надежности: вероятность безотказной работы
в течение суток составляет 0.995
Определим
коэффициент готовности Кг, (время восстановления Тв=1 ч).
Наработка на отказ определяется по следующей формуле:
где λ - интенсивность отказов устройства, которая
рассчитывается по формуле:
где λi -
интенсивность отказов i-oro элемента, m - общее количество типов
элементов, N - количество элементов i-ого типа.
Коэффициент
готовности Кг определяет вероятность того, что система окажется
работоспособной в произвольный момент времени, кроме планируемых периодов, в
течение которых использование системы по назначению не предусмотрено и
рассчитывается по формуле:
Kг = Т/(Т+Тв) =
0.999
Табл.
3.10 Спецификация устройства
Наименование
элемента Кол-во элементов, Ni, шт Интенсивность отказов элементов  · 10-6, 1/часИнтенсивность отказов  элементов
|
 10-6,
1/час
|
|
|
|
Микросхемы
|
|
MIC4680
|
2
|
2
|
4
|
|
MAX3243
|
1
|
2
|
2
|
|
XCV200E-8PQ24
|
1
|
3
|
3
|
|
Чип-конденсаторы
|
|
С30 0.1мФ
|
10
|
4
|
40
|
|
C47 0.1мФ
|
10
|
3.5
|
35
|
|
С74 0.1мФ
|
10
|
3
|
30
|
|
Чип-резисторы
|
|
180Ом
|
4
|
3
|
12
|
|
Индуктивность
|
|
390 нГн
|
1
|
3
|
3
|
|
Транзисторы
|
|
MIC29150-12BU
|
4
|
5
|
20
|
|
Процессор
|
|
АНА4540
|
1
|
1
|
1
|
|
Память
|
|
SN74LVT125
|
2
|
1
|
2
|
|
Кварцевый генератор
|
|
JTOS-200
|
2
|
1
|
2
|
|
Разъемы
|
|
Tyco Electronics
IDC-10, ВН-10
|
2
|
2
|
4
|
|
Connfly
Electronic DRB- 9FA
|
1
|
2
|
2
|
|
Ningbo Xinya M&E
|
1
|
2
|
2
|
|
Кнопки
|
|
SW_PB
|
5
|
10
|
50
|
|
Пайка
|
|
300
|
0,05
|
15
|
|
Итого 229·
|
3.1.4 Расчет себе стоимости и цены
РТ-устройства
Табл. 3.11 Покупные изделия:
|
Наименование элемента
|
Кол-во элементов, Ni, шт
|
Цена за штуку, руб
|
Общая цена, руб.
|
|
Микросхемы
|
|
MIC4680
|
2
|
151.5
|
303
|
|
MAX3243
|
1
|
240
|
240
|
|
XCV200E-8PQ24
|
1
|
400
|
400
|
|
Чип-конденсаторы
|
|
С30 0.1мФ
|
10
|
8
|
80
|
|
C47 0.1мФ
|
10
|
9
|
90
|
|
С74 0.1мФ
|
10
|
8,5
|
85
|
|
Чип-резисторы
|
|
180Ом
|
4
|
3
|
12
|
|
Индуктивность
|
|
390 нГн
|
1
|
28
|
28
|
|
Транзисторы
|
|
MIC29150-12BU
|
4
|
26
|
104
|
|
Процессор
|
|
АНА4540
|
1
|
8565
|
8565
|
|
Память
|
|
SN74LVT125
|
2
|
210
|
420
|
|
Кварцевый генератор
|
|
JTOS-200
|
2
|
|
|
|
Разъемы
|
|
Tyco Electronics
IDC-10, ВН-10
|
2
|
35
|
70
|
|
Connfly
Electronic DRB- 9FA
|
1
|
29
|
29
|
|
Ningbo Xinya M&E
|
1
|
25
|
25
|
|
Кнопки
|
|
SW_PB
|
5
|
50
|
250
|
|
Итого 10701 руб.
|
Цены
взяты по прайс-листу магазина «Чип и дип» www.chip-dip.ru
<#"564288.files/image044.gif"> )]·(1 + β),
где αн -
коэффициент, учитывающий величину накладных расходов (цеховых и общезаводских);
β
- коэффициент, учитывающий величину
внепроизводственных расходов.
Далее
рассчитаем полную себестоимость изделия. Коэффициент β, учитывающий внепроизводственные расходы принимается
равным 0,015. Коэффициент αн, учитывающий величину накладных расходов, исчисляемых
пропорционально основной заработной плате инженеров проектировщиков,
принимается равным 2,7. Таким образом, получим:
С
= 33892 (руб.)
Для
определения первоначальной цены изделия Ц к себестоимости изделия прибавляется
желаемый уровень рентабельности Р. Рекомендуемый в этом случае уровень
рентабельности составляет 10 -15 % (не свыше 20 %).
Ц
= С(1+Р/100)
Цена
разрабатываемого устройства:
Ц
= 38975 (руб.)
3.1.5 Анализ полученных результатов и
выводы
В данном разделе было проведено технико-экономическое
обоснование проектируемого устройства - декодера сверточного турбо-кода. По
результатам метода анализа иерархий был выбран однокристальный чип АНА4540В.
Также были проведены расчеты технико-экономических показателей, которые
свидетельствуют о высокой надежности работы этого устройства. Кроме того, были
приведены расчеты, демонстрирующие себестоимость и цену на готовое устройство.
Результаты расчетов представлены в итоговой таблице.
Табл. 3.12 Обобщающая характеристика разработанного
устройства
|
№
|
Наименование показателя
|
Формула для расчета
|
Рассчитанное значение
|
|
1
|
Интенсивность отказов
устройства
|
|
229· , (1/ч)
|
|
2
|
Наработка на отказ
|
Т=1/ 4366,
(ч)
|
|
|
3
|
Вероятность безотказной работы
в течение 24 ч; 1000 ч
|
|
0,995; 0,795
|
|
4
|
Коэффициент готовности
(время восстановления Тв = 1ч)
|
КГ = Т/(Т + ТВ)
|
0,999
|
|
5
|
Стоимость покупных изделий
|
|
Пи = 11771,
(руб.)
|
|
6
|
Затраты на основные
материалы
|
М=(Пи/Уп.и.)Ум
|
|
7
|
Затраты на заработную плату
производственных рабочих
|
Зп=(Пи/Уп.и.)Узп
|
Зп = 15100,
(руб.)
|
8 Себестоимость
устройства C = [M + Пи + Зп (1 +  )]·(1 +β)С = 33892,
|
(руб.)
|
|
|
|
9
|
Первоначальная цена
устройства
|
Ц = С(1+Р/100)
|
Ц = 38975, (руб.)
|
|
10
|
Нижний уровень цены
устройства при серийном производстве
|
Цсер=0.8 ·Ц
|
Цсер=31180, (руб.)
|
Рассмотрим наиболее распространенные платы, используемые для реализации
алгоритмов цифровой обработки сигналов в современных устройствах связи, с
учетом требований, рассчитанных выше: производительности, тактовой частоты,
числа ячеек памяти и т.д.
В современных условиях требования к аппаратуре постоянно меняется,
поэтому встает вопрос как проще модернизировать составные части с наименьшими
затратами.
Итак мы пришли к выводу, что печатная плата ALTERA MAX7000 наиболее подходящая для программирования ее на
ПЛИС и дальнейшей работы с ней. Рассмотрим более подробно.
ПЛИС (программируемая логическая интегральная схема) - это большие
интегральные микросхемы матричного типа, позволяющие программным способом
реализовать логические функции большой сложности. Физическим ограничением
быстродействия присущей всем традиционным архитектурам процессоров является последовательное
выполнение команд. Всевозможные ухищрения вроде суперскалярности,
мультиконвейрности, многоядерности не сильно скрашивают эту картину.
Архитектура ПЛИС имеет потенциально большее быстродействие по сравнению с
микроконтроллерами и DSP
процессорами. Это объясняется возможностью аппаратного распараллеливания
вычислений. Но все-таки тенденция развития ПЛИС заключается не в
конкуренции с микропроцессорами. Современный подход к проектированию
сложных систем заключается, скорее, в удачном совмещении архитектур ПЛИС и
процессоров. При этом происходит органичное дополнение: возможность скоростной
обработки данных в реальном времени; реализации узкоспециальных алгоритмов, с
жесткими временными диаграммами; большое число пользовательских выводов с широкими
возможностями процессоров для решения математических и алгоритмических задач.
Другой областью применения ПЛИС является построения высокоскоростных систем
ввода/вывода данных, благодаря встроенным скоростным приемопередатчикам, а
также большому количеству пользовательских выводов (современные ПЛИС имеют
более 1000 пользовательских выводов!) что делает их, зачастую, единственно
приемлемым решением. Еще одной областью применения ПЛИС является
прототипирование заказных СБИС (ASIC),
когда проект сначала реализуется на ПЛИС, а затем переводится в базис заказной
микросхемы.
Таким образом, можно перечислить основные области применения ПЛИС:
1. Высокоскоростная обработка данных;
2. Алгоритмы ЦОС, особенно где требуется обработка данных в
реальном времени;
. Задачи обработки информации, требующие большого количества
пользовательских выводов;
4. Промежуточный этап проектирования СБИС;
5. Узкоспециальные алгоритмы, построенные на жестких временных
диаграммах;
. Проекты, где требуется большое число портов ввода-вывода.
В настоящее время наибольшую распространенность получили два типа
архитектур ПЛИС:
1) CPLD (англ.
complex programmable logic device). Примерами ПЛИС данной архитектуры является семейство MAX фирмы Altera и CoolRunner фирмы Xilinx. Для архитектур данных ПЛИС
характерны крупные логические блоки - макроячейки (macrocells). Современные ПЛИС содержат до
нескольких сотен макроячеек. Каждая макроячейка реализует функцию нескольких
переменных и содержит триггер для хранения полученного результата. Для ПЛИС
данной архитектуры характерно крайне низкая потребляемая мощность в статическом
режиме (потребляемый ток порядка десятков микроампер), которая линейно
возрастает с увлечением тактовой частоты. Также для данной архитектуры
характерны жесткие временные задержки между макроячейками а, следовательно, и
выводами микросхемы. Типичное время задержки между выводами (pin-to-pin) составляет
единицы наносекунд. Прошивка ПЛИС данной архитектуры хранится внутри микросхемы
в энергонезависимой памяти.
2) FPGA (англ. field-programmable gate array). ПЛИС данной архитектуры обладают
намного более развитой архитектурой, по сравнению с CPLD. Основной структурной единицей ПЛИС данной
архитектуры является LUT(англ.
Lookup tables) - таблицы преобразования, позволяющие реализовывать
логические функции. Современные ПЛИС содержат аппаратные умножители, в том
числе с накоплением (MAC),
блоки внутренней памяти, аппаратные интерфейсы для DDRx SDRAM, аппаратные ядра PCIexpress, встроенные микропроцессорные ядра,
трансиверы для организации скоростной передачи данных между ПЛИС и внешними
устройствами.
В процессе проектирования устройств на ПЛИС используют языки описания
устройств HDL (Hardware description language) - VHDL, Verilog,
Abel, AHDL. Ранее был распространен способ проектирования с помощью
рисования схемотехники. Этап проектирования устройства на ПЛИС заключается в
описании устройства на языке HDL,
перевода описания в базис выбранной ПЛИС, трассировка внутренних ресурсов ПЛИС
в соответствии с со списком цепей, генерация результирующей прошивки.
.2 ПЛИС фирмы Altera серии МАХ7000
· Программируемое логическое устройство (PLD) с высокой плотностью
упаковки. Логическая емкость 600-5000 логических вентилей (gates).
· Программируемые элементы выполнены по технологии EEPROM
· Программирование в системе через встроенный IEEE 1149.1 JTAG интерфейс с
напряжением питания 5.0В.
· Программирование в системе совместимо со стандартом IEEE 1532 (ISP).
· Включает 5.0В MAX 7000 и 5.0В MAX 7000S, поддерживающие
программирование в системе.
· Встроенная JTAG схема граничного сканирования в микросхемах
MAX 7000S c 128 и более макроячейками.
· PLD логической емкостью от 600 до 5,000 вентилей.
· Задержка pin-to-pin 5 нс, частота счетчика до 175.4 МГц.
· PCI совместимы.
· Поддерживают открытый сток в микросхемах MAX 7000S.
· Программируемые триггеры макроячеек с индивидуальным
управлением сбросом, установкой, clock и clock enable.
· Режим сохранения потребляемой мощности позволяет ее уменьшить на 50% в
каждой макроячейке.
· Наличие конфигурируемых экспандеров позволяет использовать до
32 product terms на макроячейку.
· Количество контактов варьируется от 44 до 208 в различных
корпусах TQFP, PQFP, RQFP, PLCC и PGA.
· Программируемый бит секретности для защиты проекта.
· Напряжение питания 3.3В или 5.0В
· MultiVolt ввод/вывод позволяет взаимодействовать с 3.3В или
5.0В микросхемами (MultiVolt ввод/вывод не поддерживается микросхемами в
44-выводных корпусах)
· Совместимость по контактам с микросхемами MAX 7000A и MAX 7000B
· Улучшенные особенности в микросхемах MAX 7000E и MAX 7000S
· 6 контактов или управление от логики сигналами output enable;
· Два общих тактовых сигнала с возможностью инверсии;
· Дополнительный ресурс межсоединений для улучшения разводки;
· Быстрый ввод обеспечивается специальным путем от контакта
ввода/вывода до триггера макроячейки;
· Программируемая скорость изменения фронта сигнала.
· Программное обеспечение для различных платформ PC, Sun
SPARCstation и HP 9000 Series 700/800 обеспечивает поддержку процесса
проектирования, размещение и разводку.
· Дополнительные возможности по вводу проекта и моделированию
обеспечиваются использованием файлов списка соединений EDIF 200 и 300,
библиотеки параметризированных модулей (LPM), компонентов DesignWare, Verilog
HDL, VHDL, других интерфейсов с популярными EDA средствами от производителей
Cadence, Mentor Graphics, OrCAD, Synopsys и Synplicity.
· Поддержка программирования с помощью Altera MPU, MasterBlaster,
ByteBlasterMV и программаторов третьих фирм.
Табл. 3.13 Сводная таблица по серии МАХ7000S:
Где:
· Usable gates - логические вентили
· Macrocells - макроячейки
· Logic array blocks -блоки логических массивов
· Maximum user I/O - выводы микросхемы под вход/выход
· Fcnt - верхняя рабочая частота счетчика
Приведем основные функциональные характеристики серии МАХ700 в Табл.
3.14:
Табл. 3.14 Функциональные характеристики серии МАХ7000
Архитектура серии МАХ7000 полностью поддерживает эмуляцию ТТЛ и
высокоинтегрированные SSI, MSI, LSI логические функции.
Микросхемы выпускаются в следующих корпусных исполнениях PLCC, PGA, PQFP, RQFP и TQFP, Данные приведены в Табл. 3.15
Табл. 3.15 Корпусные исполнения
Устройства серии МАХ7000 содержат от 32 до 256 макроячеек, которые
объединены в группы по 16, называемые блоки логических массивов (LABs-logic array blocks). Каждая макроячейка может рассматриваться как
программируемая матрица И, и фиксированная матрица ИЛИ. Программируемые
регистры с независимо-программируемыми: сигналом синхронизации (clock), разрешение синхронизации (clock enable), обнуления (clear) и предустановки (preset).
Для реализации сложных логических функций, макроячейки могут использовать
общие разделяемые логические расширители и высокоскоростные параллельные
расширители термов и составлять до 32-х термов на одну макроячейку.
Устройства серии МАХ7000 имеют программируемый режим экономии
скорость/мощность. Могут экономить до 50% при увеличении задержки.
Выходные драйвера всей серии могут работать с уровнем 3,3….5 В, позволяя
этим работать в смешанных схемах. Программируются устройства с помощью
схематически-тектового описания, языка VHDL (Verylog HDL) и AHDL(Altera hardware description language).
3.3 Внутренняя структура
Архитектура серии МАХ7000 включает в себя 4 дополнительных входа, которые
могут быть использованы как
· Входы общего назначения
· Входы высокоскоростных управляющих сигналов для каждой макроячейки и
выводов I/O
Приведем блок-схему серии МАХ7000S:
Рис. 3.1 Блок-схема серии МАХ7000S
LAB(logic array block) - логические блоки
· Macroceels - макроячейки
· PIA (Programmable Interconnect Array) - программируемая матрица
внутренних соединений - шина, которая включает в себя все специальные выводы,
выводы I/O и макроячейки
К каждому LAB блоку
подсоединяется следующие сигналы:
· 36 сигналов с PIA;
· глобальные сигналы управления регистрами.
.4 Описание макроячейки
Каждая макроячейка может быть индивидуально сконфигурирована для каждой
или группы логических операций. Макроячейка состоит из трех функциональных
блоков:
· Матрица выборов терма (Product-Term
Select Matrix)
· Программируемая матрица И
· Программируемый выходной
регистр
Приведем структурную схему макроячейки серии MAX7000S на
рис. 3.2
Рис. 3.2 Схему макроячейки серии MAX7000S
Комбинаторная логика реализуется в макроячейке с помощью логической
матрицы И, формирующей пять коньюктивных термов. Матрица выбора термов
распределяет термы на входы элементов ИЛИ и ИСКЛЮЧАЮЩЕЕ ИЛИ реализующих
логическую функцию входных переменных.
Матрица выбора термов обеспечивает распределение термов на входы
управления выходным регистром макроячейки: сигналом синхронизации (clock), разрешение синхронизации (clock enable), обнуления (clear) и предустановки (preset).
Каждая макроячейка может индивидуально программироваться для реализации D-, T-, JK-, или SR-триггера с
программируемым режимом синхронизации.
Каждый программируемый регистр имеет 3 режима синхронизации:
· Глобальным тактовым сигналом Global clock (наибольшее быстродействие по задержке “синхросигнал-выход”, clock-to-output)
· Глобальным тактовым сигналом Global clock c разрешением сигнала Enable высокого активного уровня. Обеспечивает разрешение
синхронизации каждого триггера при высоком быстродействии по задержке
“синхросигнал-выход”, clock-to-output).
· Управляющим сигналом терма макроячейки или вывода ПЛИС
В серии МАХ7000S
имеются 2 глобальных тактовых сигнала GCLK1 и GCLK2. Как видно
из рис.2 синхронизация может осуществляться непосредственно GCLK1 и GCLK2, а также
синхросигналом, сформированным из двух сигналов GCLK1 и GCLK2. Каждый
регистр также имеет асинхронный режим предустановки preset и обнуления clear.
Каждый регистр может быть отдельно сброшен активным низким уровнем на
выводе глобального сброса (GCLRn). По включению питания все регистры сброшены в 0.
Большинство логических функций может быть реализовано с помощью пяти
коньюктивных термов, формируемых в макроячейке. Это обеспечивается наличием в
каждой макроячейке логических расширителей:
· Общего разделяемого расширителя (sharable expander)
· Параллельного расширителя (parallel expander)
Эти расширители обеспечивают синтезирование заданных логических функций
при минимальном использовании ресурсов ПЛИС и максимальном быстродействии.
Каждый LAB блок имеет
16 разделяемых расширителей, которые собирают свободные коньюктивные термы (по
одному от каждой макроячейки), инвертируют их и подают обратно в логическую
матрицу И.
Параллельные расширители используют свободные конъюнктивные термы
соседних макроячеек для реализации сложных логических функций с максимальным
быстродействием. При использовании параллельных расширителей на входы элемента ИЛИ
макроячейки может быть подано до 20 термов (5 термов макроячейки и 15 от
соседних).
3.5 Программируемая матрица соединений
Программируемая матрица соединений (PIA) обеспечивает разводку логических сигналов между
блоками LAB. PIA это общая шина реализующая программируемый маршрут
соединения любого места кристалла с любым источником сигнала. К PIA подключаются выводы всех макроячеек и
все выводы микросхемы. Подключение сигналов PIA к LAB показано
на рис.2.3. Сигнал PIA подключаемый
к LAB выбирается с помощью 2-х входового
элемента И, на одном из входов которого формируется с помощью EEPROM.
Рис. 3.3 Подключение сигналов PIA к LAB
3.6 Блок контроля выводов I/O
Блок контроля выводов I/O позволяет каждый пин I/O индивидуально сконфигурировать как вход, выход или альтернативный.
Каждый имеет трехстабильный буфер, который индивидуально управляется одним из
сигналов глобального разрешения или напрямую на GND или Vcc.
Блок контроля выводов I/O для серии EPM7064, EPM7032
имеет два глобальных сигнала с активным низким уровнем на пинах (OE1 и OE2).
Когда сигнал управления трехстабильным буфером подключен к земле, вывод
находится в третьем состоянии (высоимпедансном). В этом случае вывод может
использоваться как специализированный вход (dedicated input) когда к Vcc то в режиме разрешения выхода.
Архитектура серии МАХ7000 позволяет реализовать двухпетлевую обратную
связь. При этом петли обратной связи макроячейки и вывода независимы.
Рис 3.4 Блок контроля выводов
Рис.3.5 Конфигурация pin.
3.7 Программирование в системе ISP
ПЛИС семейства МАХ7000 программируются через интерфейс JTAG. Интерфейс JTAG был разработан группой ведущих специалистов по
проблемам тестирования электронных компонентов (Joini Action Group). В дальнейшем он был зарегистрирован в качестве
промышленного стандарта IEEE Std 1149.1-1990 (IEEE Standard Test Access Port and Boundary-Scan Architecture). Он может быть использован для
следующих целей:
· тестирования печатных плат
· конфигурирования (программирования) кристалла
· внутрисхемной отладки
Доступ к модулю JTAG
осуществляется через четыре вывода ПЛИС, составляющих так называемый «порт
тестового доступа» (Test Access Port, TAP): TMS, TCK, TDI и TDO.
Микросхемы могут программироваться в системе ISP через выводы интерфейса JTAG стандарта IEEE Std. 1149.1-1990. Возможность внутрисистемного
программирования (ISP)
обеспечивает существенное сокращение сроков отладки. В ПЛИС семейства МАХ7000
реализована внутренняя генерация высокого напряжения для программирования ячеек
EEPROM, что позволяет программировать при
напряжении 3.3 В. В режиме
программирования выводы ПЛИС находятся в третьем состоянии.
Программирование микросхем после установки их на плату позволяет также избежать
повреждения выводов TQFP.
Микросхемы также позволяют проводить периферийное сканирование (BST). Список JTAG инструкций приведен в Табл. 3.16
Табл. 3.16 Список JTAG
инструкций
Если интерфейс JTAG
не требуется, то JTAG выводы используются
как I/O общего назначения.
3.8
Описание САПР Quartus II
При работе с микросхемами программируемой логики основным инструментом
является САПР. Фирма Altera предлагает два САПР MAX+PLUS II и Quartus II.
Каждый САПР поддерживает все этапы проектирования: Ввод проекта, Компиляция,
Верификация и Программирование. Каждый САПР имеет Tutorial (Самоучитель),
который устанавливается при инсталляции пакета. Tutorial состоит из занятий, в
ходе которых проходится весь цикл проектирования от ввода проекта до программирования
микросхем. При инсталляции также устанавливаются файлы, описывающие проект так,
что в ходе изучения Tutorial можно пропускать отдельные занятия и использовать
готовые файлы. Например, можно пропустить "Ввод проекта" и перейти к "Компиляции"
проекта, используя готовые файлы.
САПР MAX+PLUS II является более простым в освоении по сравнению с Quartus
II. Он поддерживает семейства MAX, FLEX и ACEX, которые содержат микросхемы с
5В питанием и количеством функциональных преобразователей от 32 до 4992, и
имеет меньшее количество настроек. Этот САПР фирма Altera не развивает и
рекомендует переходить на Quartus II.
САПР Quartus II является основным. Фирма Altera активно его развивает. Он
поддерживает все новые семейства микросхем и обладает особенностями, которых
нет в MAX+PLUS II.
Табл. 3.17 Семейства микросхем, поддерживаемых различными САПР фирмы
Altera
3.9
Основные этапы проектирования СБИС ПЛ
Основные этапы проектирования СБИС ПЛ:
1. Техническое задание
2. Ввод описания проекта (поведенческое или структурное)
. Моделирование (функциональное)
4. Синтез:
· Преобразование описания проекта в схему на заданной элементной базе
· Оптимизация схемы с учетом ограничений по быстродействию и
занимаемой площади ПЛИС
. Разводка и размещение внутренних ресурсов ПЛИС с учетом наложенных
ограничений по быстродействию и занимаемые ресурсы
. Временной анализ - проверка соответствия созданной ПЛИС условиям
быстродействия ТЗ
. Моделирование на вентильном уровне
· Временное моделирование
· Конечная проверка правильности функционирования
. Тестирование и отладка ПЛИС в составе системы (ISP, JTAG, Signal tap)
Основные возможности пакета Quartus II v.4.1:
· Различные способы ввода поведенческих структурных описаний проекта
· Интегрированные средства помощи для создания сложных проектов
Mega Wizard & SOPC
· Система синтеза
· Система размещения внутренних ресурсов и разводки ПЛИС
· Система моделирования
· Система временного анализа и анализа потребляемой энергии
· Система программирования ПЛИС
· Средства оптимизации быстродействия LogicLock
· Система интеграции с другими САПР
· Система проектирования блоков Цифровой обработки сигналов(DSP)
· Интегрированные средства разработки ПО для микро-ЭВМ
· Поддержка использования IP-модулей
· Поддержка ОС - Windows, Solaris, HPUS,
Linux
Способы ввода описания проекта:
· В рамках пакета Quartus
ü Текстовый ввод (VHDL, AHDL, Verilog)
ü Редактор памяти (Hex, Mif)
ü Схемный ввод
· Возможность ввода проекта в других САПР (EDIF, HDL, VQM)
· Возможность использования мегафункций и IP- модулей
· Смешанный способ
Текстовый ввод описания проекта:
· Возможности:
Ø Нумерация линий
Ø Использование заготовок языковых конструкций
Ø Отображение ключевых слов цветом
· Используемые языки
Ø AHDL (Altera Hardware Design
Language), расширение *.tdf
Ø VHDL (Verilog Hardware Design
Language), расширение *.vhd
Ø Verilog - расширение *.v
Схемный ввод описания проекта:
При схемном вводе описания проекта могут использоваться:
· Простейшие логические элементы
· Параметризируемые модули
· Мега-функции Altera
· Ранее созданные компоненты (тестовым и др. способами)
3.10
Создание нового проекта (схемным вводом)
Открыв пакет Quartus
II выбираем из меню File пункт New Project Wizard… - мастер создания новых проектов. В открывшемся окне
нажимаем кнопку Next и попадаем в
окно для задания текущей директории проекта. Заполняем три строки как показано
на Рис. 3.5 и нажимаем кнопку Finish
и подтверждаем создание проекта.
Рис. 3.5 Меню задания текущей директории проекта
В данном случае текущий проект будет назван Work и будет создана директория по адресу D:/altera/qdesigns41/Condition/work.
Создание нового файла
После создания нового проекта произведем создание нового файла проекта.
Меню File пункт New… в открывшемся диалоговом окне Рис.2 выберем тип
создаваемого файла.
Рис. 3.6 Меню выбора типа файла проекта
На закладке Device Design File:File - файл с описанием проекта
на языке AHDL, Block Diagram/Schematic File - описание проекта
в виде блок-диаграмм, EDIF File - файл Electronic Design Interchange Format, Verilog HDL File - файл с описанием на языке Verilog, VHDL File - файл с описанием на языке VHDL.
Выберем пункт Block Diagram/Schematic File и нажмем OK. На рабочей панели Quartus II откроется окно с файлом Block1.bdf в
котором и создадим наш проект.
Создание схемы
После создания файла проекта становится активной панель инструментов
расположенная слева от рабочей области файла и представленная на Рис.3. В панели
инструментов представлены средства для создания проекта. Инструмент Symbol Tool изображен на Рис.3 в верхнем правом углу, нажмем на
его иконке левым щелчком мыши, в результате нам откроется Symbol Рис.3.4. В левом верхнем углу
представлен список стандартных библиотек Quartus II, с основными типами элементов, применяемых на практике.
Рис. 3.7 Ввод символов в схему.
Как показано на Рис. 3.7 из библиотеки выберем primitives/pin/input
для задания входных пинов. Изображение компонента индицируется в правом окне.
Нажмем кнопку OK, и приступим к непосредственному
расположению выбранного компонента.
Рис. 3.8 Меню Symbol
После расположения достаточного количества выбранных компонент в рабочей
области файла Block1.bdf нажмем правую кнопку мыши и из появившегося
контекстного меню выберем пункт Cancel,
отменив дальнейший ввод компоненты. Повторно воспользовавшись инструментом Symbol Tool установим кроме компоненты входа input, компоненту выхода output, и, например, компоненту
двухвходовое И (and2) из
библиотеки primitives/logic/and2.
Наименования компонент можно напрямую указывать в строке Name, например указание имени output приведет к непосредственному
появлению в рабочей области компонента выхода.
Произведя установку требуемого числа элементов произведем соединение
входов и выходов компонент, пометив курсор мыши на один из входов элемента 2-И,
зажмем левую кнопку мыши и соединим и выходным концом элемента входа.
Рис. 3.9 Шины, цепи, каналы связи
Проделаем аналогичную операцию для всей схемы и получим схему приведенную
на Рис.3.10
Рис. 3.10 Схема текущего проекта
Переименуем элементы. Для этого произведем вначале двойной щелчок левой
кнопкой мыши по одному из элементов input. В результате откроется окно изображенное на Рис.3.7 представляющее
свойства выбранного пина. В закладке General содержимое строки Pin name(s) изменим на A, таким образом присвоив имя A первому пину. Строка Default value представляет собой значение логического сигнала на
пине по умолчанию, в данном случае Vcc т.е. пин «подтянут» на плюс питания. Возможно изменить значение по
умолчанию на GND или ноль.
Рис. 3.11 Свойства пина
Подобным образом изменим имя второго входного пина на B, а выходного на C. Изменения имени сразу же будут
проиндицированы на схеме.
Компиляция проекта
Перед осуществлением компиляции произведем выбор типа кристалла. Для
этого выбираем пункт Device…
из меню Assignments.
В открывшемся окне в строке Family выберем семейство MAX7000S, а в окне Available Devices выберем конкретное устройство, например, EPM7064SLC44-10. Нажатием кнопки OK подтвердим выбор кристалла.
Для запуска процесса компиляции выберем пункт Start Compilation из меню Processing. Подтвердим сохранение текущего файла
и ожидаем окончания процесса компиляции.
По окончании компиляции появляется окно с сообщением о результатах
компиляции и количестве ошибок и предупреждений.
В появившемся на рабочей панели окне Compilation Report Рис.3.8 выберем из меню Fitter пункт Floorplan View.
Рис. 3.12 Окно Compilation Report
Окно Floorplan View приведено на Рис. 3.13 и представляет собой проект
размещенный внутри кристалла.
Редактор топологии проекта позволяет:
· Осуществлять текущие значения (Current Asignments)
· Отображать результаты последней компиляции (Last Compilation)
· Оптимизировать временные параметры (Timing Closure)
Рис. 3.13 Окно Floorplan View
На Рис. 3.13 представлено внутреннее содержимое выбранного нами кристалла
EPM7064SLC44-10 - 4-ре макроблока, обозначенных A, B, C, D соответственно, каждый из
макроблоков содержит по 16 макроячеек. Пины кристалла, а также макроячейки,
использованные в проекте обозначены цветом. Можно заметить, что компилятор сам
выбрал используемые макроячейки и, что особенно важно, сам выбрал используемые
пины кристалла, т.е. ножки микросхемы, что в ряде случаев является
неприемлемым.
Для задания конкретных пинов микросхемы, которые будут использованы в
проекте обратимся к меню Assignments пункту Pins. В открывшемся окне обратимся к
самому нижнему меню представленному на Рис. 3.14
Рис. 3.14 Меню для задания пинов
Произведем двойной щелчок левой кнопкой мыши по выделенному на Рис. 3.14
полю, всплывшее меню позволяет выбрать один из пинов использованных в проекте,
теперь произведя двойной щелчок левой кнопкой мыши по полю находящемуся справа,
выберем из списка пинов микросхемы требуемые. Сопоставим, например A - PIN_4, B - PIN_4, C - PIN_4.
Далее необходимо подтвердить установки сохранением и вновь произвести
компиляцию проекта.
Обратим внимание, что теперь схема будет выглядеть как представленная на
Рис.3.15.
Рис.3.15. Схема проекта после установления «распиновки»
Более широко можно распределить выводы с помощью меню Assignment Editor (назначение выводов) на Рис.3.16:
· Для каждого вывода можно вывести столбцы с заданными
временными параметрами
· Позволяет включить/выключить изображение каждого банка
ввода/вывода своим цветом
Основные опции можно установить в следующем меню на Рис.3.16:
Рис.3.16 Меню Assignment Editor
Также выводы можно переназначит с помощью редактора разводки ПЛИС на Рис.
3.17 Следует просто перетащить вывод из системы поиска узлов Node Finder в редактор разводки ПЛИС (Floorplan).
Рис. 3.17 Меню “Floorplan”
Рис. 3.18 Задание опций схемного редактора
Проведение временной симуляции
В пакет
Quartus встроен статический временной
анализатор со следующими возможностями:
· Временной анализ однотактной синхронизации
Ø Fmax - максимальная тактовая частота
Ø Tsu - время предустановки (setup time)
Ø Th - время удержания (hold time)
Ø Tco - задержка тактовая частота-выход (clock-to-out-time)
· Временной анализ многотактной синхронизации
Ø При наличии нескольких синхросигналов
Ø Используется принцип временных зазоров (Slack analysis)
Временной анализ осуществляется автоматически после компиляции.
Иногда для начала симуляции требуется задать файл временных диаграмм
процедурой, изображенной на Рис. 3.19
Рис. 3.19 Задание файл временных диаграмм
Для проведения симуляции зададим вектор входных сигналов меню Processing/Simulation
Debug пункт Current Vector Inputs. Попадаем в окно симуляции
представленное на Рис.3.20
Рис.3.20 Окно симуляции
Нам предстоит загрузить список входов и выходов для которых затем
произведем симуляцию. Для этого произведем двойной щелчок в левом свободном
левом поле. Появляется окно Insert Node Bus в котором нажимаем кнопку Node Finder… В окне Node Finder в строке Filter выбираем раздел Pins:input и нажимаем кнопку List. Видим, что в окне Nodes Found: появился список входных пинов, который мы при помощи
кнопки >> перегружаем в окно Selected Nodes:, нажимаем OK. И подтверждаем выбор нажатием OK в окне Insert Node Bus. Установка выходных пинов производится точно так же
вызовом окна Insert Node Bus, только параметр Type необходимо в нем заменить на OUTPUT. И в строке Filter окна Node Finder выбираем раздел Pins:output.
В результате проделанных операций получим окно симуляции изображенное на
Рис. 3.21
Рис. 3.21 Окно симуляции после задания вектора сигналов
Выделяя необходимые сигналы на требуемом интервале времени, при помощи
нажатия и удержания левой кнопки мыши, задаем на данном интервале необходимые
логические уровни из меню сигналов, расположенного непосредственно над
выделяемой областью.
После задания всех уровней сигналов выбираем пункт Start Simulation из меню Processing и ожидаем результатов симуляции,
представленных, например, на Рис. 3.22
Рис. 3.22 Результат симуляции
Преобразование блок-диаграмм в VHDL файл
Для осуществления преобразования файла блок-диаграмм в VHDL файл выберем из меню File Create/Update пункт Create HDL Design File for Current
File.
Рис. 3.23 Меню выбора HDL Design File
Открывшееся окно Рис. 3.23 предлагает выбрать тип создаваемого HDL файла. Оставив выбранным пункт VHDL, нажмем OK. Через некоторое время появляется сообщение о выполнении
операции создания файла. Откроем созданный файл из меню File Open…, для нашего проекта VHDL файл по умолчанию будет назван work.vhd. За строками комментариев находим VHDL описание ранее созданного проекта.
3.11 Изменение установок проекта
Для изменения текущих настроек проекта используем контекстное меню либо
меню-Assignments изображенное на Рис. 3.24:
Рис. 3.24 Изменение установок проекта
.12 Компиляция проекта
Доступны следующие режимы компиляции из меню Processing-Start изображенного на Рис. 3.25:
· Полная компиляция (Start compilation), включая сборку ПЛИС
· Start Analysis & Elaboration - проверка синтаксиса и построение
базы данных объекта компиляции
· Start Analysis & Syntesis - проверка синтаксиса и построение базы данных, синтез,
оценка быстродействия объекта компиляции
· Start Timing Analysis - только оценка быстродействия
· Start Design Assistant - запуск помощника в проектировании
· Start Signal Probe - запуск компиляции в режиме “пробы”
· Stop - остановка компиляции
Рис. 3.25 Меню Processing-Start
.13 Программирование в среде Quartus II v.4.1
ПЛИС семейства МАХ7000 программируются через интерфейс JTAG. Интерфейс JTAG был разработан группой ведущих специалистов по
проблемам тестирования электронных компонентов (Joini Action Group). В дальнейшем он был зарегистрирован в качестве
промышленного стандарта IEEE Std 1149.1-1990 (IEEE Standard Test Access Port and Boundary-Scan Architecture). Он может быть использован для
следующих целей:
· тестирования печатных плат
· конфигурирования (программирования) кристалла
· внутрисхемной отладки
Доступ к модулю JTAG
осуществляется через четыре вывода ПЛИС, составляющих так называемый «порт
тестового доступа» (Test Access Port, TAP): TMS, TCK, TDI и TDO.
Для доступа к меню программирования выберем Tools-Programmer (или значок
на панели инструментов). Окно параметров программирования Рис.3.26 выберем файл
проекта для прошивки *.pof , режим программирования (Mode) выберем JTAG, слева на панели находятся управляющие кнопки. Для
начала программирования следует задать параметры:
· Program/Configure - запись программы и конфигурации
· Verify - с проверкой результата
· Security bit - установка
бита зашиты
Рис. 3.26 Окно параметров программирования
В меню Hardware Setup Рис.
3.27 выбирается тип устройства программирования Byteblaster, на порту LPT.
Рис. 3.27 Тип устройства программирования.
Далее Start и в окне
Progress наблюдаем за процессом
программирования.
3.14 ByteBlasterMV устройство
загрузки конфигурации ПЛИС фирмы Altera
Общая характеристика:
. Устройство
ByteBlasterMV служит для загрузки конфигурации в ПЛИС Altera через параллельный
порт персонального компьютера (см. рис.4.1).
Устройство ByteBlasterMV обеспечивает конфигурирование ПЛИС с различным
напряжением питания (VCC 3.3 В или 5.0 В), на что указывают буквы MV - Multi
Volt.
Обеспечивает программирование семейств, выполненных по технологии EEPROM:
MAX 9000, MAX 7000S, MAX 7000A, MAX 3000A
Обеспечивает конфигурирование семейств, выполненных по технологии SRAM:
APEX 20K, FLEX 10K (включая FLEX 10KA и FLEX 10KE), FLEX 8000 и FLEX 6000
2.
Режимы загрузки конфигурации
Устройство ByteBlasterMV обеспечивает следующие режимы загрузки
конфигурации: режим (пассивный последовательный режим [PS - Passive Serial]) -
используется для конфигурации микросхем семейств APEX 20K, FLEX 10K, FLEX 8000
и FLEX 6000. режим - используется для программирования или конфигурирования
микросхем семейств APEX 20K, FLEX 10K, MAX 9000, MAX 7000S, MAX 7000A, MAX
3000A.
Рис. 3.28. Подключение устройства ByteBlasterMV
3. Для
подключения к параллельному порту персонального компьютера используется
25-контактный разъем. Для подключения загрузочного кабеля к конфигурируемой
плате используется 10-контактный разъем. Для конфигурирования 2,5-вольтовых
микросхем семейств APEX 20K, FLEX 10K резисторы (1) и контакт VCC (см. рис.4.2)
подключают к напряже-нию питания 3,3 В, а контакт VCCINT - к напряжению питания
2,5 В.
В PS-режиме на контакт VCCIO устройства должно быть подано напряжение 2,5
или 3,3 В, а на контакт VCC - 3,3 В.
В JTAG-режиме на контакт VCCIO должно быть подано напряжение источника
питания 2,5 В или 3,3 В.
Устройство ByteBlasterMV соединяется с параллельным портом персонального
компьютера при помощи стандартного 25-контактного разъема. Контакты разъема
описаны в табл. 3.17.
Табл. 3.17 . Контакты разъема параллельного порта
Рис. 3.29 Электрическая схема устройства ByteBlasterMV
Напряжение питания VCC и земли GND подаются на устройство к ByteBlasterMV
от конфигурируемой платы.
Для подключения загрузочного кабеля к конфигурируемой плате используется
двухрядный 10-контактный штыревой разъем (см. рис.4.4).
Контакты разъема должны быть соединены с конфигурационными выводами
микросхем. Через этот разъем подается питание от конфигурируемой платы на
устройство ByteBlasterMV.
Подключение устройства к программатору:
Рис. 3.30. Подключение устройства к программатору
Основные понятия:
· BST - Boundary Scan Test (тестовое периферийное сканирование цифровых
устройств).
· FLEX - Flexible Logic Element Matrix (матрица элементов гибкой логики).
· JTAG - Joint Test Action Group (объединенная группа по
вопросам тестирования цифровых схем).
· MAX - Multiple Array Matrix (матрица множественных массивов
логических элементов).
· PROM - Programmable Read Only Memory
(программируемое ПЗУ).
· TAP - Test Access Port (порт тестирования JTAG).
· TCK - Test Clock (тактовый вход JTAG).
· TDI - Test Data Input (вход тестовых данных JTAG).
· TDO - Test Data Output (выход тестовых данных JTAG).
· TMS - Test Machine State Control (управление конечным автоматом JTA).
· ПЛИС - программируемая логическая интегральная схема.
3.15 Принцип построение питания
Можно бесконечно говорить, о том, как программировать печатные платы
ПЛИС, собирать или проектировать. Но обязательным условием работы является
питание. Рассмотрим подробнее условия и основные правила построения питания.
В качестве элементной базы для построения систем питания рассмотрены
компоненты фирмы Semtech. Для этих целей компания выпускает широкий спектр
интегральных схем (ИС) с уникальными характеристиками, как линейных, так и
импульсных. Таким образом, с помощью только стабилизаторов фирмы Semtech можно
полностью решить проблему питания любой системы на основе ПЛИС.
Уникальные требования
Основная функция системы управления питанием ПЛИС ясна: обеспечить ПЛИС и
сопряженные с ней схемы стабилизированным напряжением во всех режимах работы в
точно установленных пределах изменения нагрузки. Но, как правило, достичь этого
не так просто, поскольку необходимо учитывать следующие факторы: изменение
температуры окружающей среды и тока нагрузки, флуктуацию входного напряжения. К
тому же по потребляемой мощности ПЛИС значительно отличаются от других
интегральных схем.
На ПЛИС реализуется неограниченное число всевозможных конфигураций схемы,
работающих на разных тактовых частотах и, следовательно, потребляющих разную
мощность. А так как исходными данными для проектирования системы питания ПЛИС является
потребляемая мощность, разработчик должен иметь максимально четкое
представление о проектируемой системе и условиях ее функционирования. Для этого
необходимо определить:
1. тактовую частоту ПЛИС (потребляемая мощность пропорциональна
частоте);
2. количество задействованных ресурсов ПЛИС;
. скорость передачи данных, осуществляемых ПЛИС;
. наличие конфигурационного перепрограммируемого постоянного
запоминающего устройства (ППЗУ);
. число необходимых питающих напряжений и отдельных источников
питания;
. диапазон рабочих температур.
Кроме того, для построения оптимальной системы питания ПЛИС разработчику
предстоит правильно спроектировать топологию печатной платы и заземление всей
системы. В общем, данная система питания должна удовлетворять следующим
требованиям, которые обсуждаются в примерах применения для ПЛИС:
1. ограничить параметры переходного процесса при включении питания.
Для этого:. обеспечить значительный ток (1-2 А) при включении питания, . обеспечить
монотонность протекания переходного процесса по напряжению питания,
c. время протекания переходного процесса до номинального значения
напряжения не должно быть больше определенной величины, указанной в
спецификации для конкретного семейства ПЛИС, в зависимости от типа семейства
ПЛИС требуется обеспечить определенную последовательность подачи питающих
напряжений;
2. максимально снизить уровень высокочастотного шума, неизбежного в
цифровых высокоскоростных схемах.
Для этого необходимы:. раздельные шины питания для различных
основных потребителей тока,
b. установка достаточного количества шунтирующих конденсаторов, . корректная
разводка печатной платы.
Рис. 3.31 Блок-схема системы питания ПЛИС
В целом структурная схема системы питания ПЛИС состоит из первичного
источника питания, формирующего входное напряжение (Vin) для
стабилизатора напряжения, схемы, устанавливающей последовательность подачи
различных напряжений и по необходимости схемы слежения за уровнями напряжений
(супервизор). Следует особо отметить, что одним из ключевых компонентов системы
питания ПЛИС является цепочка шунтирующих конденсаторов вокруг ПЛИС. Они
позволяют распределить рабочий ток между потребителями, используя
низкоимпедансные пути прохождения тока, тем самым снижая уровень высокочастотного
шума. Кроме того, к важным моментам относится и правильность разводки печатной
платы, особенно земляных полигонов.
Итак, система питания ПЛИС представляет собой набор стабилизаторов,
обеспечивающих необходимые уровни питающих напряжений и токов. Поэтому для
начала следует определить степень применения ресурсов ПЛИС, а затем оценить
потребляемые токи и используемые уровни напряжений. Далее, исходя из семейства
и условий работы ПЛИС, выбирают оптимальное решение для системы питания - тип
стабилизатора и конкретную ИС.
.16 Выбор и обоснование отладочной платы
Рис. 3.32 Принципиальная схема ПЛИС реализованная на отладочной плате
Обычно еще до сборки окончательного варианта устройства, происходит его
отладка. Отлавливаются баги в программе, подбираются номиналы деталей итд. Для
удобства применяют отладочные платы. На отладочной плате, как правило,
размещаются различные кнопки, индикаторы, преобразователи интерфейсов, да и еще
куча всего. Тут многое зависит от потребностей разработчика. Кому-то
потребуется Ethernet с USB, а кому-то и обычного RS-232 с несколькими светодиодами да парой кнопок за глаза…
Основным элементом является микроконтроллер LPC1343. Кроме микроконтроллера имеется интерфейсный̆ разъем для подключения к порту USB персонального компьютера, служащего
для питания отладочной̆ платы, программирования микроконтроллера и обмена
информацией̆. Подключение к USB-порту
осуществляется соединительным кабелем USB2.0 вилка A - Mini-USB 5P
вилка длиной̆ не более 1,8 м. Для обеспечения работы микроконтроллера имеется
стабилизатор напряжения DA1,
понижающий̆ напряжение питания 5В, берущееся с USB-порта до напряжения 3,3В. Кроме того, питание
напряжением 3,3В может подаваться с разъемов для подключения SWD-отладчика. Во избежание конфликта,
на плате имеется перемычка (джампер) SA2, с помощью которого осуществляется выбор источника питания. Если
джампер замыкает контакты 1-2, то питание осуществляется от разъемов для подключения
SWD-отладчика. Если замкнуты контакты
2-3, то от порта USB. При этом надо
учитывать ограничения по максимальному току потребления от разных источников.
Ток потребления отладочной̆ платы вместе с дополнительной̆ нагрузкой̆ (например, мезонинная плата или иным
образом подключенные устройства) при питании от разъема для подключения SWD-отладчика не должен превышать 250мА.
При питании от USB - не более
500мА.
Имеются несколько разъемов для подключения SWD-отладчика: разъем "папа" IDC-2x10 (стандартный разъем SWD, шаг 2,54 мм) XP1, меньший по размеру "папа" IDC2x5
(шаг 2,54 мм) XP2 и 8 контактных площадок,
расположенных в один ряд (шаг 2,54 мм) XT1, совместимые с несколькими типами SWD-отладчиков (CoLink, CoLinkEx, LPC_Link,
предварительно отделенных от LPCXpresso Board for NXP, J-Link и другими). Все 48 выводов
микроконтроллера продублированы контактными площадками, расположенными по его
периметру в виде квадрата. Их нумерация повторяет нумерацию выводов
микроконтроллера. Их назначение - обеспечить удобный доступ для подключения щупов
осциллографа и прочих измерительных приборов. Кроме того к ним удобно
припаивать однорядные разъемы с шагом 2,54мм (серий PLS или PBS),
за счет чего появляется возможность смонтировать этажерочную конструкция,
подсоединив к ним ответным разъемом сменную мезонинную плату. Для подключения
платы к компьютеру используют платы сопряжения, реализуют их на печатных
платах.
Рис. 3.33 Схема платы сопряжения
Г - генератор тактовых импульсов;
Сброс - схема внешнего сброса;
LPT -
разъем интерфейса LPT-порта;
JTAG -
разъем для загрузки ПЛИС;
FLASH
- разъем для подключения памяти FLASH;
БП - блок питания.
4. РАЗРАБОТКА ВОПРОСОВ ПО ЭКОЛОГИИ И
БЕЗОПАСНОСТИ ЖИЗНЕДЕЯТЕЛЬНОСТИ
4.1 Классификация опасности и
вредностей при эксплуатации БС OFDM
В этой главе будет рассмотрено влияние различных
производственных вредностей на организм человека, а также основные пути
создания необходимых условий для высокопроизводительного и безопасного труда.
Правильная организация труда значительно повышает его
производительность и резко снижает возможность производственных травм, увечий и
пр. Это, в свою очередь, оказывает и непосредственное положительное влияние на
экономическую сторону труда: происходит снижение на оплату больничных листов и
лечения сотрудников, уменьшается количество и размер компенсаций за работу во
вредных условиях и пр. По статистическим подсчетам, затраты на необходимые
мероприятия и средства для охраны труда и безопасности жизнедеятельности обходятся
в десять раз меньше, чем расходы из-за несчастных случаев и т.п.
4.1.1. Эргономика
Автоматизация и компьютеризация систем связи приводят
к коренному изменению средств и характера трудовой деятельности, а
следовательно, и условий труда. Труд облегчается, оздоровляются его условия,
так как он переходит в сферу операторской деятельности, связанной с контролем
процесса выполнения нужной задачи.
Однако автоматизация и компьютеризация производства
может иметь и определенные отрицательные социальные последствия, так
предъявляются повышенные требования к психофизическим возможностям
человека-оператора - он отвечает за эффективность функционирования системы, в
том числе и в экстремальных ситуациях. Например, в результате ошибки
радиомонтажника при монтаже радиоэлементов на плате получается одна бракованная
деталь, ошибка же оператора роботизированной автоматической радиомонтажной
линии приведет к браку партии, число плат в которой может быть значительным.
Кроме того, для операторской деятельности характерным является снижение
двигательной активности в процессе труда, что может повлиять на здоровье
работающих.
Цель эргономики - повышение эффективности и качества
деятельности человека в системе «человек - машина - предмет деятельности-
среда» при условии сохранения здоровья человека и создании предпосылок для
развития личности.
Использование достижений эргономики при создании
техники позволяет более эффективно решать задачи охраны труда, так как
эргономические решения всегда направлены на ликвидацию или снижение до минимально
допустимых уровней опасных и вредных производственных факторов,
совершенствование конструкции оборудования с учетом
психофизиологической нагрузки на организм человека, оптимизацию его
трудовой деятельности при условии обеспечения требуемой безопасности
работающих.
4.1.2 Определение и классификация
опасности и вредности при эксплуатации БС
Условия труда - это совокупность факторов
производственной среды, оказывающих влияние на здоровье и работоспособность
человека в процессе труда. Условия труда должны исключать предпосылки для
возникновения травм и профессиональных заболеваний.
Факторы, составляющие условия труда, обычно делятся на
четыре основные группы:
· санитарно-гигиеническая включает показатели,
характеризующие производственную среду рабочей зоны. Они зависят от
используемого оборудования и технологических процессов, могут быть оценены
количественно и нормированы;
· психофизиологические элементы,
обусловленные самим процессом труда. Из этой группы только часть факторов может
быть оценена количественно;
· эстетические факторы, характеризующие
восприятие работающим окружающей обстановки и ее элементов, количественно они
оценены быть не могут;
· социально-психологические факторы,
характеризующие психологический климат в данном трудовом коллективе,
количественно также не оцениваются.
В процессе труда человек подвергается воздействию
целого ряда санитарно-гигиенических факторов, которые могут вызвать
нежелательные последствия, например повышение или понижение температуры тела,
повышение давления.
Для исключения влияния таких факторов организм
человека задействует приспособительные реакции, представляющие собой защитный
рефлекс организма, который отрицательно воздействует на работу основной
функциональной системы человека и приводит к снижению работоспособности.
Спустя какое-то время человек адаптируется к
неблагоприятному воздействию санитарно-гигиенических факторов. Это достигается
дополнительными затратами мускульной и нервно-психической энергии. С точки
зрения основного трудового процесса такое использование внутренних резервов
организма является нецелесообразным, так как энергия тратится впустую.
Возрастает «цена» проделанной работы, и, как следствие, отражается на
настроении и самочувствии работающего.
Состояния внешней среды на рабочем месте характеризуют:
комфортное, относительно комфортное, экстремальное , сверхэкстремальное.
Комфортное состояние обеспечивает оптимальные
показатели работоспособности, хорошее самочувствие и сохранение здоровья
работающего человека; предполагает оптимальные значения санитарно-гигиенических
факторов.
Относительно комфортное состояние обеспечивает заданную работоспособность
и сохранение здоровья работающего в течение определенного времени, однако
вызывает неприятные субъективные ощущения и функциональные изменения, не
выходящие за пределы норм. Такое состояние внешней среды обусловлено предельно
допустимыми значениями санитарно-гигиенических факторов.
Экстремальное состояние приводит к снижению
работоспособности и может вызвать функциональные изменения, выходящие за
пределы нормы, но не ведущие к патологическим нарушениям; наступает при
предельно переносимых значениях санитарно-гигиенических факторов.
Сверхэкстремальное состояние приводит к возникновению
в организме работающего патологических изменений.
4.1.3 Санитарно-гигиенические нормы
для рабочего места инженера - проектировщика
Санитарно-гигиенические нормы к рабочим помещениям
включают в себя нормы по ряду разделов: микроклимат, освещение,
электромагнитное излучение.
Производственные помещения должны соответствовать
требованиям действующих строительных, санитарных и других норм и правил
устройства электроустановок, технической эксплуатации и т. д.
Микроклимат производственных помещений -
метеорологические условия внутренней среды этих помещений, которые определяются
действующими на организм человека сочетаниями температуры, влажности и скорости
движения воздуха, а также температуры поверхностей ограждающих конструкций,
технологического оборудования и теплового облучения. Показателями,
характеризующими микроклимат, являются: температура, относительная влажность и
скорость движения воздуха, интенсивность теплового облучения. Обычно
микроклимат оценивают в рабочей зоне, представляющей собой пространство высотой
до 2 м над уровнем мест постоянного или временного нахождения работников.
Оптимальные микроклиматические условия - это
сочетания параметров микроклимата, которые при длительном и систематическом
воздействии на человека обеспечивают сохранение нормального теплового состояния
организма без напряжения механизмов терморегуляции. Они обеспечивают ощущение
теплового комфорта и создают предпосылки для высокого уровня работоспособности.
Микроклимат оценивают сочетанием четырех факторов: температура воздуха tв, °С; скорость движения воздуха vв , м/с; относительная влажность, φ,
%; радиационная
температура излучающих поверхностей tрад, °С.
Организм человека постоянно находится в состоянии
теплообмена с окружающей средой. Вследствие белкового, углеводного и жирового
обмена в организме вырабатывается тепло (теплопродукция) Qт, количество которого зависит от рода деятельности и
интенсивности выполняемой работы. Это тепло для спокойного состояния человека
составляет 80...100 Вт. Теплопродукция организма отдается в окружающую среду
посредством конвекции, излучением тепла и испарением влаги с поверхности кожи.
Тепло, передающееся конвекцией, определяется формулой:
Q=α*F*tт-tв, (5.1)
где α - коэффициент теплоотдачи, который
зависит от скорости движения воздуха, Вт/м2;
F- площадь поверхности тела, м2;
tт и tв - температуры тела и окружающего
воздуха, соответственно, °С.
Конвективная отдача тепла зависит от скорости движения
и температуры воздуха. Отдача тепла излучением Qизл происходит, если температура тела больше температуры стен.
Теплоотдача за счет испарения влаги Qисп с поверхности
кожи зависит от влажности воздуха, а для открытых участков тела еще и от
скорости его движения.
Климатические факторы действуют на человека
комплексно. Значения для каждого из параметров для комфортной работы
инженера-проектировщика:
• температура воздуха 20...25 °С;
• относительная влажность 30.. .60 %;
• скорость движения воздуха для легкой работы 0,2...0,4 м/с.
Создание оптимальных метеорологических условий и
производственных помещениях является сложной задачей, решить которую можно за
счет применения следующих мероприятий и средств:
· Усовершенствование технологических процессов и
оборудования;
· Рациональное размещение
технологического оборудования;
· Автоматизация и дистанционное
управление технологическими процессами;
· Рациональная вентиляция, отопление и
кондиционирование воздуха;
· Создание воздушных и водовоздушных
душей ;
· Рационализация режимов труда и отдыха
;
· Применение, теплоизоляции
оборудования и защитных экранов;
· Использование средств индивидуальной
защиты.
Для дополнительного ознакомления требований к
микроклимату в производственных помещениях можно ознакомиться:
· Гигиенические требования к микроклимату
производственных помещений СанПиН 2.2.4.548-96
· Система стандартов безопасности
труда. Общие санитарно-гигиенические требования к воздуху рабочей зоны ГОСТ
12.1.005-88
4.2 Требования к безопасности при
конструктивных разработках
Правильно разработанный технологический процесс должен обеспечивать
выполнение всех требований, указанных в чертеже и техническом задании на изделие,
высокую производительность. Исходными данными для проектирования
технологического процесса являются: чертежи детали, сборочные чертежи,
специализация деталей, монтажные схемы, схемы сборки изделий, типовые
технологические операции. Технологический процесс характеризуется единством
содержания, и последовательностью большинства типовых технологических операций
для группы изделий с общими конструктивными требованиями, разрабатывается с
учетом последних достижений науки и техники, опыта передовых производств, что
позволяет значительно сократить цикл подготовки производства и повысить
производительность за счет применения более совершенных методов производства.
При изготовлении печатных плат широко применяют прогрессивные типовые
технологические операции, стандартные технологические оснастки, оборудование,
средства механизации и автоматизации производственных процессов, учитывается
информация о ранее разработанных технологических процессах, особенностях схемы
изделия и типе производства.
Рассмотрим типовой технологический процесс изготовления печатных плат
более подробно.
) Входной контроль (или подготовка материалов) осуществляется
строго по ГОСТ и не представляет собой никакой опасности для человека.
) Нарезка заготовок. Осуществляется специальным станком, управляемым
системой Р-CAD. Заготовки из фольгированного
диэлектрика отрезают с определенным припуском на сторону. Опасность в данном
случа ставляют отходы в виде стружки.
) Подготовка поверхности фольгированного диэлектрика. В данную
операцию входят механическая обработка (это обработка с помощью абразивных
материалов) и химическая обработка (это обработка с помощью химикатов). После
снятия заусенцев по периметру заготовок и в отверстиях, поверхность фольги
защищают на крацевальном станке и обезжиривают химически соляной кислотой в
ванне. На этом этапе заготовка очищается от грязи, окислов, жира и др. веществ.
Опасность в данном случае представляют отходы в виде мелкой стружки и пары
соляной кислоты.
) Получение рисунка схемы. Данная операция основана на фотохимическом
методе получения рисунка. Рисунок схемы внутренних слоев выполняют при помощи
сухого фоторезиста, т.к. требуется высокая точность. При этом противоположная
сторона платы не должна иметь механических повреждений и подтравливания фольги.
В ходе этой операции осуществляется: нанесение фоторезиста, экспонирование
(заготовка проходит через мощное УФ излучение, в процессе чего незащищенный
слой фоторезиста засвечивается, и полимеризуется) и промывка заготовки в воде
(для снятия засвеченного фоторезиста). Опасность в данном случае представляют
отходы в виде эпоксидной пластмассы. Кроме того, нахождение человека рядом с
установкой УФ излучения также небезопасно.
) Травление меди с пробельных мест. Данная операция основана на
вытравливании незащищенной поверхности фольгированного диэлектрика химическим
методом. После травления снимается фоторезист с защищенной поверхности, затем
проводится промывка от химикатов и сушка. После всего этого делается контроль.
Проверяется протравленность фольги, сверяется с контрольным образцом. Опасность
в данном случае представлякгг отходы в виде выделяющихся при травлении вредных
веществ, к примеру, соляной кислоты и хлора.
) Сверление базовых отверстий. Базовые отверстия получают
высверливанием на универсальном сверлильно-фрезерном станке, ориентируясь на
метки совмещения, расположенные на технологическом поле. Проделываются
отверстия для совмещения слоев платы. Опасность в данном случае представляют
отходы в виде мелкой стружки.
Рис. 4.1 Разрез печатной платы
) Прессование слоев. Формируется пакет из трех слоев (их
перекладывают складывающимися прокладками из стеклоткани, содержащими
термореактивную эпоксидную смолу), которые совмещаются по базовым отверстиям, а
затем укладывается в пресс-форму и прессуется. Затем производится сушка всего
этого пакета. Прессование осуществляется горячим способом и производится
автоматической линией, что обеспечивает полностью автоматизированное
прессование. Опасность в данном случае представляют отходы в виде
стекловолокна.
) Операция образования межслойных и монтажных отверстий. Эта
операция производиться на универсальных станках. Опасность в данном случае
представляют отходы в виде мелкой стружки.
) Подготовка поверхности перед металлизацией. После образования
отверстий требуется очистить плату и края отверстий от заусенцев и прилипших
крошек стеклотекстолита. Эта операция производиться ультразвуком. После
обезжиривания плату промывают в горячей и холодной воде, а затем сушат. Опасность
в данном случае представляют отходы в виде эпоксидных соединений и мелкой
стружки. Кроме того, нахождение человека рядом с ультразвуковой установкой
также небезопасно.
) Химическая металлизация отверстий, На поверхность наносится
гонкий слой меди. Опасность в данном случае представляют отходы в виде
коррозионных веществ, фтористых соединений, тяжелых металлов.
11) Гальваническое осаждение меди. На тонкий слой осаждается медь до
нужной толщины. После этого производится контроль на толщину меди и качество ей
нанесения. Опасность в данном случае представляют отходы в виде коррозионных
веществ, фтористых соединений, тяжелых металлов,
12) Обработка платы по контуру. Эта операция производиться на
специализированном станке с насадкой в виде дисковой фрезы по определенному
ГОСТ. В этой операции удаляется ненужный стеклотекстолит по краям платы и
подгонка до требуемого размера. Опасность в данном случае представляют отходы в
виде мелкой стружки,
) Маркировка. Выполняется методом сеткографии на специальном
станке, который требуемым штампом производит оттиск на печатной плате
маркировки. Опасность в данном случае представляют отходы в виде растворителей
и краски.
) Весь цикл производства ПП заканчивается контролем платы. Здесь
используется автоматизируемая проверка на специальных стендах.
Кроме того, нужно учитывать, что, поскольку большая часть технологических
ераций выполняется на специализированных установках, под контролем человека, то
опасность для работников представляют пробои напряжения и токов, которые Moiy i
возникнуть в ходе эксплуатации оборудования.
Одним из этапов изготовления проектируемого устройства будет травление
печатных плат. Рассмотрим условия труда и возможные вредные факторы, которые
могут возникнуть при работе на участке по травлению печатных плат.
Освещение. Недостаточное освещение вызывает уменьшение производительности
труда, усиливает утомляемость, увеличивает количество ошибочных действий,
могущих привести к браку или несчастному случаю, также может развиться
близорукость. Для недопущения возникновения этих факторов на участке по
травлению печатных плат применяется комбинированная система - естественное и
искусственное освещение.
Микроклимат. Отклонения отдельных параметров микроклимата от
рекомендованных значений снижают работоспособность, ухудшают самочувствие, и
могут принести к профессиональным заболеваниям. Так, при низкой
температуре воздуха происходит охлаждение организма, что способствует
возникновению простуды и заболеваний. При высокой температуре возникает
перегрев . что ведет к повышенному потоотделению и снижению
работоспособности. Работник теряет внимание, что может стать причиной
несчастного случая. Повышенная влажность воздуха затрудняет испарение влаги с
поверхности кожи и легких. что ведет к нарушению терморегуляции организма, и к
ухудшению состояния человека и снижению работоспособности. При пониженной
относительной влажности у человека появляется ошущение сухости слизистых
оболочек верхних дыхательных путей. Скорость движения воздуха также имеет
немаловажное значение, при температуре до 35-36'С оказывает на человека
освежающее действие, а при температуре более 40 0С -
неблагоприятное. По характеру выполняемая на участке работа относится к легкой
физической категории 16 (производится сидя, стоя или связана с ходьбой и
сопровождается некоторым физическим напряжением) В помещении, где производятся
работы такой категории, установлены нормированные значения микроклиматических
условий: температура воздуха в холодный период года 23-25°С; относительная
влажность 40-60%; температура воздуха в теплый период года 22-24°С; скорость
движения воздуха не более 0,2 м/с.
Выделения вредных веществ. При работе на участке травления печатных плат
выделяется большое количество вредных веществ: водород, хлорид меди, пары
соляной кислоты. Травление происходит в растворе соляной кислоты, температура
раствора составляет 60-70 °С. При этом выделяются хлорид меди C11CI2, водород
Н2, возможно выделение хлора CI2. Водород при смешивании с атмосферным
кислородом образует взрывоопасную смесь. Хлор относится ко второму классу опасности
(высокоопасные вещества; его нормированная предельно допустимая концентрация в
воздухе рабочей зоны составляет 1 mi/m3. Он может вызвать тяжелые
отравления со смертельным исходом. Для зашиты от воздействия на человека
вредных веществ необходимо применение не только общей, но и местной вентиляции
(зонт).
Существуют определенные меры безопасности при работе с ваннами для
травления печатных плат и травильными растворами: вентиляция в цехе
включается до начала работ, а выключается только после их окончания;
категорически запрещается работа с неисправной вентиляцией, так как в этом
случае выделяемый хлор может вызвать отравление людей, а водород создает с
атмосферным кислородом взрывоопасную смесь; Щ работы производятся в резиновых
перчатках и стеклянных очках во избежание попадания травильною раствора на кожу
и в глаза; в случае попадания раствора в глаза и,1и на кожу, поврежденные
участки тела необходимо промыть водой в течение 15-20 минут и обратиться к
врачу; емкости с травильным раствором хранятся в плотно закупоренных емкостях в
местах, исключающих их возможное повреждение; все работники обязаны знать
технику безопасности и меры оказания первой помощи пострадавшим при отравлениях
хлором и другими химическими веществами.
Как уже сказано выше, соляная кислота и хлор оказывают раздражающее
воздействие на слизистые оболочки, поверхность кожи и органы дыхания. В сточных
водах присутствуют хлорид меди, соляная кислота. Попадание этих веществ в
водоемы изменяет уровень кислотности pH, что влечет за собой изменение
биологического равновесия и может привести к гибели живых организмов. Поэтому
прямой сброс сточных вод в канализацию недопустим. Для очистки сточных вод
участка по травлению печатных плат от солей меди и соляной кислоты применим
ионообменный метод очистки. Этот метод позволяет обеспечить высокую
эффективность очистки, а также получать выделенные из сточной воды металлы в
виде относительно чистых концентрированных солей.
4.3 Расчет местной вентиляции при изготовлении печатных плат
Обеспечение нормальных метеорологических условий и чистоты воздуха на
рабочих местах в значительной степени зависит от правильно организованной
системы вентиляции.
По способу организации воздухообмена вентиляция может быть общеобменной,
местной и комбинированной. Общеобменную вентиляцию, при которой смена воздуха
происходит во всем объеме помещения, наиболее часто применяют в тех случаях,
когда вредные вещества выделяются в небольших количествах и равномерно по всему
помещению. Местная вентиляция предназначена для отсоса вредных выделений в
местах их образования и удаление их из помещения. Комбинированная система
предусматривает одновременную работу местной и общеобменной вентиляции.
Итак, местная вентиляция применяется во всех помещениях, где происходит
выделение вредных веществ в результате выполнения технологического процесса,
при обработке металлов резанием, сварочных, литейных, кузнечных, термических,
окрасочных, шиноремонтных, медницких работах, а также при пайке металла,
зарядке аккумуляторов, химических процессах и многих других видах работ.
Удаление вредных веществ может, осуществляется с помощью различных
пылегазоприемников, расположенных на оборудовании или рабочем месте, где
происходит выделение вредных веществ (или с помощью отсосов, встроенных в
оборудование или в отдельные его элементы). Пылегазоприемники могут быть
различных типов: закрытые (вытяжные шкафы), полузакрытые (зонты) и открытые
(панели равномерного всасывания).
Объем воздуха, отсасываемого вытяжным зонтом, определяют по формуле:
 ,(5.1)
где
Fn - размеры зонта в плане, (м2);- средняя скорость всасывания в приемное
отверстие зонта, (м/с).
Определим
площадь приемного отверстия зонта как основного параметра системы местной
вентиляций:
При
травлении берем скорость V приблизительно равной 2.5 м/с. Такая скорость
воздуха при всасывании должна обеспечить отсутствие в воздухе помещения вредных
веществ, или их концентрацию не превышающую ПДК.
Для
вычисления количества загрязненного воздуха при процессе травления, удаляемого
в течение часа необходимо определить количество выделяющегося хлора в часовой
промежуток времени

где
p - относительное количество содержания хлора в растворе соляной кислоты.-
относительное количество хлора, испаряющегося в воздух рабочей зоны при
/равнении;- расход раствора соляной кислоты при травлении;- количество операций
травления в час.
Средний
показатель р = 0,46. При расчете системы местной вентиляции данного
производственного помещения будем исходить из условия, что в воздух рабочей
зоны при травлении испаряется 15% хлора, т.е. г = 15% 1 100% = 0.15.
Количество раствора, уходящего на травление, и количество операций травления в
час задаются в технологических картах, разрабатываемых для того или иного вида
монтируемой аппаратуры. В первом приближении можно принять, что при травлении
печатной платы требуется в среднем 5 (г) раствора соляной кислоты. Число
операций травления в час принимаем 10 (с учетом времени на отбор элемента).

Тогда,
количество воздуха, которое необходимо удалить из рабочего помещения за час, с
использованием зонта, равно
 (5.2)
Где
 -
относительное количество содержания хлора в растворе соляной кислоты.
 = 0.4
(мг/м3) - предельно-допустимая концентрация паров хлора.
Отсюда
по формуле (5.2) получаем:
Теперь
можно рассчитать площадь сечения отверстия зонта при помощи формулы (5.1).
Получаем:

Берем
площадь сечения приемного отверстия зонта F = 
Конкретные
размеры зонта выбираются не более габаритов рабочего стола, над которым
установлен зонт. В нашем случае, эти значения, к примеру, могут составлять:
.6м
- длинная сторона
.6м
- короткая сторона.
В
результате проведенных расчетов были получены основные характеристики системы
вентиляции, призванной обеспечить соответствие состава воздуха рабочего места
меркам техники безопасности. Данная система вентиляции может применяться при изготовлении
печатных плат. Обеспечивается концентрация вредных примесей ниже ПДК, что
сохраняет здоровье работника и не уменьшает его работоспособности.
Рис. 4.2 Схема вентиляции рабочего места
ЗАКЛЮЧЕНИЕ
В данном дипломном проекте были рассмотрены основные
принципы формирования сигналов, выбрано наиболее подходящее устройство для
реализации. Проведённая работа показала возможность и целесообразность
реализации нашего формирователя на программируемой логике. Как показали
предварительные расчёты, такой вариант реализации имеет определённые
преимущества перед другими за счёт: меньшей стоимости (предполагается большая
серийность производства) универсальности (может работать с процессорами
нескольких фирм), малых размеров. Существенным преимуществом также является
возможность интегрировать модем с поддержкой OFDM в базовые станции сотовых операторов, при этом не
меняя оборудования. А простота его подключения и возможность работать
«напрямую» облегчает задачу настройки системы в целом, так как нет
необходимости написания дополнительного программного обеспечения, что позволит
работать системе без конфликтно.
Экономическая целесообразность разработки
формирователя на ПЛИС подтверждена расчётом основных показателей эффективности
и надёжности.
Рассмотренные и решенные на достаточном уровне и в соответствии с
объемным заданием вопросы экологии и безопасности жизнедеятельности инженеров
проектировщиков формирователей придают законченность проектирования, поскольку
роль человеческого фактора при разработке такого технически сложного
высокоточного устройства, каким является проектируемый формирователь на ПЛИС,
очень высока и еще более велика цена ошибок, совершенных ими при разработке.
СПИСОК СОКРАЩЕНИЙ
ASN (Access Service Network) - служба доступа
BBU (Baseband Unit) - управляющий модуль
BBBI (BWA Baseband processing and radio Interface unit) - управляющий модуль радио процессов
CPRI (Common Public Radio
Interface) - радио интерфейс общего доступа
DSL (digital subscriber line)
- цифровая абонентская линия
ЕСС (error-correcting code) -
код коррекции ошибок
External power supply - внешний источник питания
GSM (Global System for Mobile
Communications) - глобальный цифровой стандарт для мобильной сотовой связи
GSM
transport subsystem -
транспортная подсистема gsm
GSM control system - система управления gsm
GPS (Global Positioning System) - глобальная система позиционирования
Hot Standby - срочное резервирование
IEEE (Institute of Electrical and Electronics Engineers) - международная некоммерческая
<http://ru.wikipedia.org/wiki/%D0%9D%D0%B5%D0%BA%D0%BE%D0%BC%D0%BC%D0%B5%D1%80%D1%87%D0%B5%D1%81%D0%BA%D0%B0%D1%8F_%D0%BE%D1%80%D0%B3%D0%B0%D0%BD%D0%B8%D0%B7%D0%B0%D1%86%D0%B8%D1%8F>
ассоциация специалистов в области техники
JTAG (Joint Test Action Group) - (название рабочей группы по разработке стандарта
IEEE <http://ru.wikipedia.org/wiki/IEEE>)
Iub и Abis - интерфейс взаимодействия БС и контроллер (2g и 3g)
MAC (Media Access Control) - управление
доступом к среде
MBSC (mobile base station
controller)- контроллер БС
OFDM (Orthogonal
frequency-division multiplexing) - мультиплексирование с ортогональным частотным разделением каналов
ОМС (operation maintenance
centr) - центр обслуживания
MIMO (Multiple Input Multiple Output) -
технология передачи данных с помощью N антенн и их приема М антеннами
MRFU - мультимодовый трансивер
PCI (Peripheral component interconnect)
- шина ввода/вывода для подключения периферийных устройств к материнской плате
компьютера.
PLD (Programmable logic device
<http://en.wikipedia.org/wiki/Programmable_logic_device>) -
Программируемое логическое устройство
Power module
- модуль питания
QAM (Quadrature amplitude modulation
<http://en.wikipedia.org/wiki/Quadrature_amplitude_modulation>) -
квадратурно-амплитудная модуляция
QoS (Quality of Service) - Качество обслуживания
QPSK (Quadrature Phase Shift
Keying) - квадратурно-фазовая модуляция
SOFDMA (Scalable Orthogonal
Frequency Division Multiplexing) - Масштабируемое Ортогональное Частотное Разделение Каналов
Доступа
RRU (Radio Remote Unit) - удаленный радио блок
VoIP (Voice over IP) -
общее название коммуникационных протоколов, технологий и методов,
обеспечивающих передачу речевого
сигнала по сети Интернет или по
любым другим IP-сетям
USB (Universal Serial Bus)
- «универсальная последовательная шина»
USCU (Universal Satellite card and Clock Unit)
- модуль синхронизаций
UPEU (Universal Power and Environment interface
Unit) - модуль интерфейсов питания и окружающей среды
UMTS (Universal Mobile Telecommunications
System) - Универсальная Мобильная Телекоммуникационная Система
UMTS Baseband
unit - модуль управления 3g
UMTS - транспортная подсистема 3g
UMTS control
system - система управления 3g
WiMAX (Worldwide Interoperability for Microwave
Access) - телекоммуникационная технология передачи данных
Wi-Fi - торговая марка Wi-Fi Alliance
<http://ru.wikipedia.org/wiki/Wi-Fi_Alliance> для беспроводных сетей на
базе стандарта IEEE 802.11 <http://ru.wikipedia.org/wiki/IEEE_802.11>
WLAN (Wireless Local Area Network; WLAN) - беспроводная локальная сеть
WMAN (Wireless Metropolitan Area Networks) - беспроводные сети масштаба города
АЦП - аналого-цифровой преобразователь
АЭВК - асимптотический энергетический выигрыш от
кодирования
БС - базовая станция
СБИС - сверх большая интегральная схема
ЭВК - энергетический выигрыш от кодирования
ЦАП - цифро-аналоговый преобразователь
СПИСОК ИСПОЛЬЗОВАННОЙ ЛИТЕРАТУРЫ
1. Александр
Скуснов, «Тестирование точек доступа: беспроводной Интернет в каждую квартиру»,
компьютерный еженедельник «Upgrade»,
№ 44 (186), 2004 г.
. В.Вишневский,
С.Портной, И.Шахнович - Энциклопедия WiMax. Путь
4G
3. Владимир
Лебедев Модуляция OFDM в радиосвязи // Радиолюбитель.
- 2008. - № 9. - С. 36-40.
4. Морелос-Сарагоса
Р. Искусство помехоустойчивого
кодирования. Методы, алгоритмы, применение / пер. с англ. В. Б. Афанасьева. - М.: Техносфера, 2006. - 320 с. - (Мир связи).
5. Никитин
Г. И. Сверточные
коды: Учебное пособие. - СПб.: Сов. радио, 2001. - 78 с.
. Волков
Л.Н., Немировский М.С., Шинаков Ю.С. Системы цифровой радиосвязи: базовые
методы и характеристики: Учеб. Пособие.-М.: Эко-Трендз,2005.-392с.:ил.
. Журавлев
В.И., Трусевич Н.П. Методы модуляции-демодуляции радиосигналов в системах
передачи цифровых сообщений. - М.:Инсвязьиздат,2009.-312с.: ил.
8. Косичкина
Т.П., Сидорова Т.В., Сперанский В.С. Сверхширокополосные системы
телекоммуникаций.-М.: Инсвязьиздат, 2008.-304 с132.:ил.
. Немировский
М.С., Шорин О.А. Бабин А.И., Сартаков А.Л. Беспроводные технологии от последней
мили до последнего дюйма: Учебное пособие / Под ред. М.С. Немировского, О.А.
Шорина. - М.: Эко-Трендз, 2010.-400с.:ил.
. Шинаков
Ю.С. Лабораторный практикум по дисциплине Основы теории систем связи с
подвижными объектами Лабораторная работа № 29 Исследование способов
формирования сигнала и спектра широкополосной системы с ортогональным частотным
разделением каналов и мультиплексированием. М.:ООП “Инсвязьиздат” 2007-16с.:ил.
. Приказ
Министерства связи и массовых коммуникаций Российской Федерации № 124 от 14
сентября 2010 года “Об утверждении Правил применения оборудования радиодоступа
для цифровой передачи данных в диапозоне от 30 МГц до 66 ГГц”
12. Золотарёв В.В., Овечкин Г.В. Помехоустойчивое кодирование. Методы и
алгоритмы: Справочник / Под. ред. чл.-кор. РАН Ю. Б. Зубарева. - М.: Горячая линия-Телеком,
2004. - 126 с.
13. Прокис Дж. Цифровая связь. Пер с англ. / Под ред Д.Д. Киевского.
- М.: Радио и связь. 2000. - 800 с.
14. Волков Л.Н., Немировский М.С., Шииаков Ю.С. Системы цифровой
радиосвязи: базовые методы и характеристики: Учеб. пособие. - М.: Эко-Трендз. 2005. - 392 с.
15. Никитин Г. И. Сверточные коды: Учеб. пособие. - СПб.: СПбГУАП.
2001. - 80 с.
16. Сергей
Лурье. SDPA vs. WiMAX: сравнение характеристик и перспектив технологий передачи
данных http://www.ixbt.com/mobile/itogi2006/wimax.shtml
17. Интернет-ресурс
Базовая станция WiMAX http://habrahabr.ru/post/79112/
18. XAPP450
«Power-On Requirements for the Spartan-II and Spartan-IIE Families» - «Требования при включении питания
для семейств Spartan-II и
Spartan-IIE».
19. Интернет-ресурс
http://www.altera.ru
. Интернет-ресурс
http://www.altera.com
. Интернет-ресурс
http://www.3Dnews.com
. Интернет-ресурс
http://www.efo.ru
. Интернет-ресурс
ftp://ftp.efo.ru
24. Евстифеев
А.В. “Микроконтроллеры AVR
семейства Tiny и Mega фирмы Atmel”-Москва,
Издательский дом Додека 21, 2004г.
. Интернет-ресурс
для расчета потребляемой мощности ПЛИС Xilinx WebPowerTools:
www.xilinx.com/products/design_resources/power_central/index.htm
. Виханский
О.С. Наумов А.И. - Менеджмент - М.: Гардарики, 2003.
27. Гладышевский
А.И. “Формирование производственного потенциала: анализ и прогнозирование”. -
М.: Наука, 1992
. Грузинов
В.П. “Экономика предприятия и предпринимательства”. - М.: СОФИТ, 1997
. Ковалев
В.В. “Финансовый анализ”. - М.: Наука, 1997.
. Романов
А.Н., Лукасевич И.Я. “Оценка коммерческой деятельности предпринимательства”. -
М.: Экономика, 1993
. Уткин
Э.А. “Финансовое управление”. - М.: Акалис, 1996.
. “Финансовый
менеджмент”: Учебник / под ред. Поляка Г.Б. - М.: Экономика, 1997
. “Экономика
предприятия”: Учебник / под ред. Швандара В.А. - М.: Банки и биржи. ЮНИТИ,
1998.
34. Курс
экономики: Учебник / Под ред. Б.А. Райзберга. - ИНФРА-М, 1997. - 720 с.
Похожие работы на - Формирователь OFDM сигнала на плис стандарта 802.16d
|