Разработка устройства по обнаружению скрытых видеокамер и фотокамер

  • Вид работы:
    Дипломная (ВКР)
  • Предмет:
    Информатика, ВТ, телекоммуникации
  • Язык:
    Русский
    ,
    Формат файла:
    MS Word
    2,36 Мб
  • Опубликовано:
    2012-06-10
Вы можете узнать стоимость помощи в написании студенческой работы.
Помощь в написании работы, которую точно примут!

Разработка устройства по обнаружению скрытых видеокамер и фотокамер

Оглавление

Введение

. Теоретическая часть

.1 Обзор и краткие характеристики фотокамер и видеокамер

.2 Демаскирующие признаки технических средств

.3 Классификация методов и средств поиска устройств

.4 Описание физических принципов поиска скрытых видеокамер

. Проектирование схемы устройства

.1 Разработка общего принципа функционирования схемы

.2 Подбор элементов схемы

.2.1 Принцип работы таймерной схемы

.2.2 Транзистор. Принцип работы, описание, параметры  

.2.3 Светодиоды. Принцип работы, описание, параметры

.2.4 Принципиальная схема устройства и описание её работы

.3 Внешний вид устройства

.4 Достоинства и недостатки устройства

. Техника безопасности

.2 Основные меры защиты от поражения током

.3 Защита от статического электричества

Заключение

Список использованной литературы

Введение


В данной выпускной квалификационной работе я буду рассматривать тему разработки устройства по обнаружению скрытых видеокамер и фотокамер. Выбор данной темы связан с тем, что в настоящее время большую часть конфиденциальной информации, такой как данные с экрана монитора, внешний вид и возможности передовых разработок, тайны частной жизни, можно узнать просто подсмотрев в нужный момент.

В своей работе я представлю обзор и краткие характеристики видеокамер и фотокамер, представлю демаскирующие признаки, классификацию средств по обнаружению скрытых видеокамер и фотокамер, объясню физические принципы поиска и в практической части разработаю само устройство по обнаружению скрытых видеокамер и фотокамер.

1        Теоретическая часть


1.1     Обзор и краткие характеристики фотокамер и видеокамер


В современных камерах в качестве преобразователя света в электрический сигнал применяются приборы с зарядовой записью (ПЗС), составляющие основу ПЗС-матриц. На сегодняшний день большинство видеокамер производится на основе матриц Sony, Sharp, LG, Samsung.

Формат матрицы (дюйм) - размер диагонали матрицы в дюймах, определяющий угол зрения при использовании объектива c тем или иным фокусным расстоянием. Наиболее распространены камеры видеонаблюдения с форматами 1/2", 1/3", 1/4". Чем больше формат матрицы, тем больше размеры камеры, причем размеры матрицы ни коим образом не влияют на показатели качества изображения.

Разрешение - параметр, характеризующий детальность изображения, одним словом, чем больше разрешение, чем лучше просматриваются мелкие детали. Измеряется в телевизионных линиях (ТВЛ), причем подразумевается разрешающая способность по горизонтали, так как разрешение по вертикали у видеокамер одного стандарта одинаково и ограничено на одном уровне (400 ТВЛ для стандарта CCIR (Comité consultatif international pour la radio - Международный консультативный комитет по радиовещанию - МККР)[6]/PAL(англ. Phase Alternating Line - построчное изменение фазы - система аналогового цветного телевидения)[9] и 330 ТВЛ для EIA (англ. Electronics Industries Alliance - Альянс отраслей электронной промышленности)[7]/NTSC(англ. National Television Standards Committee - Национальный комитет по телевизионным стандартам)[8]. Черно-белые камеры видеонаблюдения стандартного разрешения имеют разрешение 380-420 ТВЛ, повышенного разрешения 560-570 ТВЛ, цветные камеры 280-350 ТВЛ, высокого разрешения до 460 ТВЛ, а с цифровой обработкой видеосигнала до 560 ТВЛ по S-VHS (Super-VHS англ. Video Home System - аналоговый формат видеозаписи) выходу[10].

Чувствительность (люкс) - минимальный уровень освещенности (в люксах), при котором камера видеонаблюдения даёт распознаваемый видеосигнал. Это наиболее запутанный параметр, поскольку не существует чёткого определения. Наиболее чаще под чувствительностью подразумевают минимальную освещённость на объекте, измеряемую при светосиле 1,4.

Для обычных чёрно-белых камер она составляет 0,4~0,01 люкс (сумерки), для высокочувствительных до 0,00015 люкс (тёмная ночь), для цветных 0,2~3 люкс. Иногда производители указывают минимальную освещённость на матрице, которая в 10 раз выше.

Стоит упомянуть, что чувствительность чёрно-белых видеокамер затрагивает не только спектр видимого света, но инфракрасную область, что позволяет применять инфракрасной подсветки в условиях низкой освещённости.

Отношение сигнал-шум (S/N) (дБ) - выражает соотношение амплитуд видеосигнала и шума в логарифмической шкале./N=20 log (видеосигнал/шум). Одним словом S/N=50 дБ говорит о том, что амплитуда видеосигнала больше амплитуды шума в 316 раз. Это позволяет наблюдать четкую картинку, при значении S/N=40 дБ заметны мелкие помехи, особенно в условиях низкой освещенности. При S/N=20 дБ на экране уже будет сплошная "рябь".

Электронный затвор (секунды) - иным словом время экспозиции матрицы, обеспечивающая среднюю яркость изображения в динамически изменяемой световой обстановке. Это достигается за счет времени накопления заряда в ячейках ПЗС-матрицы, которое при ярком освещении может достигать 1/100000 секунды, таким образом, имитируя автоматическую диафрагму объектива. Нормальное и максимальное значение время экспозиции матрицы для сигнала CCIR/PAL составляет 1/50 секунды, для EIA/NTSC 1/60 секунды.

Компенсация заднего света - аппаратная функция, позволяющая наблюдать за объектом, находящимся на фоне яркого света.

Цифровая обработка видеосигнала в камерах видеонаблюдения позволяет значительно расширить динамический диапазон, применять детектор движения, осуществлять переключение режима "день-ночь", черно-белого и цветного режима, применить функции панорамирования, наклона и масштабирования (смещение зон наблюдения)[3].

1.2     Демаскирующие признаки технических средств


Обнаружение электронных устройств, так же как и любых других объектов, производится по их демаскирующим признакам, наиболее информативными из них являются:

тонкий провод неизвестного назначения, подключенный к малогабаритному объекту (часто закамуфлированному и скрытно установленному) и выходящий в другое помещение;

наличие в линии (проводе) неизвестного назначения постоянного (в несколько вольт) напряжения и низкочастотного информационного сигнала.

Демаскирующие признаки автономных некамуфлированных средств включают признаки внешнего вида:

)        малогабаритный предмет (часто в форме параллелепипеда) неизвестного назначения;

)        одно или несколько отверстий малого диаметра в корпусе;

)        наличие автономных источников питания (например, аккумуляторных батарей);

)        наличие полупроводниковых элементов, выявляемых при облучении обследуемого устройства нелинейным радиолокатором;

)        наличие в устройстве проводников или других деталей, определяемых при просвечивании его рентгеновскими лучами.

Камуфлированные средства по внешнему виду, на первый взгляд, не отличаются от объекта имитации, особенно если устройство устанавливается в корпус бытового предмета без изменения его внешнего вида. Такие закладки можно выявить путем разборки предмета.

Закладки, устанавливаемые в малогабаритные предметы, ограничивают возможности последних. Эти ограничения могут служить косвенными признаками закладных устройств. Чтобы исключить возможность выявления закладки путем ее разборки, места соединения разбираемых частей склеивают.

В ряде случаев закамуфлированное устройство обнаруживается по наличию в обследуемом предмете не свойственных ему полупроводниковых элементов (выявляемых при облучении его нелинейным радиолокатором).

Наличие портативных звукозаписывающих и видеозаписывающих устройств в момент записи можно обнаружить по наличию их побочных электромагнитных излучений (излучений генераторов подмагничивания и электродвигателей

Дополнительные демаскирующие признаки:

)        радиоизлучение (как правило, источник излучения находится в ближней зоне) с модуляцией радиосигнала информационным сигналом;

)        наличие (как правило) небольшого отрезка провода (антенны), выходящего из корпуса устройства.

Вследствие того, что при поиске устройств последние находятся в ближней зоне излучения и уровень сигналов о них, как правило, превышает уровень сигналов от других радиоэлектронных средств, у большинства обнаруживаются побочные излучения и, в частности, излучения на второй и третьей гармониках, субгармониках и т.д.

Дополнительные демаскирующие признаки сетевых акустических закладок:

)        наличие в линии электропитания высокочастотного сигнала (как правило, несущая частота от 40 до 600 кГц, но возможно наличие сигнала на частотах до 7 МГц), модулированного информационным низкочастотным сигналом;

)        наличие тока утечки (от единиц до нескольких десятков мА) в линии электропитания при всех отключенных потребителях;

)        отличие ёмкости линии электропитания от типовых значений при отключении линии от источника питания (на распределительном щитке электропитания) и отключении всех потребителей [4].

 

.3       Классификация методов и средств поиска устройств


Поиск и обнаружение закладных устройств может осуществляться визуально, а также с использованием специальной аппаратуры: детекторов видеокамер, индикаторов поля, радиочастотомеров и интерсепторов, сканерных приемников и анализаторов спектра, программно-аппаратных комплексов контроля, нелинейных локаторов, рентгеновских комплексов и т.д.

Метод поиска закладных устройств во многом определяется использованием той или иной аппаратуры контроля.

К основным методам поиска закладных устройств можно отнести:

)        специальное обследование выделенных помещений;

)        поиск устройств с использованием индикаторов поля, радиочастотомеров и интерсепторов;

)        поиск устройств с использованием сканерных приемников и анализаторов спектра;

)        поиск устройств с использованием программно-аппаратных комплексов контроля;

)        поиск портативных звукозаписывающих устройств с использованием детекторов диктофонов (по наличию их побочных электромагнитных излучений генераторов подмагничивания и электродвигателей);

)        поиск портативных видеозаписывающих устройств с использованием детекторов видеокамер (по наличию побочных электромагнитных излучений генераторов подмагничивания и электродвигателей видеокамер);

)        поиск закладок с использованием нелинейных локаторов;

)        поиск закладок с использованием рентгеновских комплексов;

)        проверка с использованием ВЧ-пробника (зонда) линий электропитания, радиотрансляции и телефонной связи;

)        измерение параметров линий электропитания, телефонных линий связи.

Простейшими и наиболее дешевыми обнаружителями радиоизлучений закладных устройств являются индикаторы электромагнитного поля, которые световым или звуковым сигналом сигнализируют о наличии в точке расположения антенны электромагнитного поля с напряженностью выше пороговой (фоновой). Более сложные из них - частотомеры обеспечивают, кроме того, измерение несущей частоты наиболее "сильного" в точке приема сигнала.

Для обнаружения излучений закладных устройств в ближней зоне могут использоваться и специальные приборы, называемые интерсепторами. Интерсептор автоматически настраивается на частоту наиболее мощного сигнала и осуществляет его детектирование. Некоторые интерсепторы позволяют не только производить автоматический или ручной захват радиосигнала, осуществлять его детектирование и прослушивание через динамик, но и определять частоту обнаруженного сигнала и вид модуляции.

Чувствительность обнаружителей поля мала, поэтому они позволяют обнаруживать излучения радиозакладок в непосредственной близости от них.

Возможность сопряжения сканирующих приемников с переносными компьютерами послужила основой для создания автоматизированных комплексов для поиска (так называемых программно-аппаратных комплексов контроля). Кроме программно-аппаратных комплексов, построенных на базе сканирующих приемников и переносных компьютеров, для поиска закладных устройств используются и специально разработанные многофункциональные комплексы, такие, например, как "OSCOR-5000".

Специальные комплексы и аппаратура для контроля проводных линий позволяют проводить измерение параметров (напряжений, токов, сопротивлений и т.п.) телефонных, слаботочных линий и линий электропитания, а также выявлять в них сигналы закладных устройств.

Большую группу образуют средства обнаружения или локализации закладных устройств по физическим свойствам элементов электрической схемы или конструкции. Такими элементами являются: полупроводниковые приборы, которые применяются в любых закладных устройствах, электропроводящие металлические детали конструкции и т.д. Из этих средств наиболее достоверные результаты обеспечивают средства для обнаружения полупроводниковых элементов по их нелинейным свойствам - нелинейные радиолокаторы.

Принципы работы нелинейных радиолокаторов близки к принципам работы радиолокационных станций, широко применяемых для радиолокационной разведки объектов. Существенное отличие заключается в том, что если приёмник радиолокационной станции принимает отраженный от объекта зондирующий сигнал (эхо-сигнал) на частоте излучаемого сигнала, то приемник нелинейного локатора принимает 2-ю и 3-ю гармоники отраженного сигнала. Появление в отраженном сигнале этих гармоник обусловлено нелинейностью характеристик полупроводников.

Металлоискатели (металлодетекторы) реагируют на наличие в зоне поиска электропроводных материалов, прежде всего металлов, и позволяют обнаруживать корпуса или другие металлические элементы закладки.

Переносные рентгеновские установки применяются для просвечивания предметов, назначения которых не удается выявить без их разборки прежде всего тогда, когда она невозможна без разрушения найденного предмета.

1.4     Описание физических принципов поиска скрытых видеокамер


Принцип действия основан на обнаружении скрытых камер при помощи мерцающего света, отраженного от линз камеры - на принципе оптического приращения.

Этот технический термин отсылает нас к явлению, при котором свет, отраженный от сфокусированной оптической системы, такой как фотокамера или видеокамера, отражается по той же траектории, что и падающий свет.

Это означает, что если скрытая камера освещается и просматривается при помощи устройства, тогда сильное отражение от камеры - мишени раскроет её позицию пользователю. Устройство использует это явление при помощи кольца из ярких светодиодов, расставленных вокруг объектива, через который ведется наблюдение. Когда пользователь наблюдая через объектив сканирует комнату, скрытая камера появляющаяся в поле видения, будет ярко отражать свет от светодиодов.

2        Проектирование схемы устройства


2.1     Разработка общего принципа функционирования схемы


Общий принцип функционирования схемы основан на работе таймерной микросхемы NE555NL или её отечественного аналога КР1006ВИ1, принцип работы которого рассмотрен далее, и нескольких резисторов, одного конденсатора и транзистора, служащих для создания сигнала прямоугольной формы.

2.2     Подбор элементов схемы


2.2.1  Принцип работы таймерной схемы

Сначала рассмотрим работу простого генератора, собранного по широко известной схеме (рисунок 1). Генератор вырабатывает прямоугольные импульсы со скважностью, равной двум. Период колебаний связан с номиналами резистора R1 и конденсатора С1 соотношением Т=1,4R1C1.

Рисунок 1 - схема генератора прямоугольных импульсов

При включении питания конденсатор С1 начинает заряжаться через резистор R1 и открытый транзистор VT1. Когда напряжение на конденсаторе достигнет 2Uпит/3, напряжение на выходе (вывод 3) таймера DA1 уменьшится до нуля и одновременно с этим откроется внутренний транзистор таймера, соединив его выход с открытым коллектором (вывод 7) с общим проводом (в дальнейшем для краткости выход с открытым коллектором будем называть "выходом с ОК"). Транзистор VT1 при этом закроется, так как напряжение на базе станет практически равным нулю. Конденсатор теперь разряжается через резистор R1 и диод VD1. При уменьшении напряжения на конденсаторе до напряжения Uпит/3 внутренний транзистор таймера закроется и цикл работы генератора повторится.

Таким образом, конденсатор С1 заряжается и разряжается через один и тот же резистор R1, определяющий постоянные времени зарядки и разрядки. Поэтому скважность выходных импульсов очень близка к двум. Более точно скважность импульсов можно установить подборкой резистора R2.

Рисунок 2 - схема генератора прямоугольных импульсов с регулировкой

На рисунке 2 показана схема ещё одного генератора прямоугольных импульсов вида "меандр", их частоту следования можно регулировать переменным резистором R2, а скважность остаётся постоянной.

Сразу после включения питания на выходе таймера устанавливается напряжение высокого уровня, так как конденсатор С1 пока не заряжен, и напряжение на входе S микросхемы ниже порогового уровня (равного 2Uпит/3). Коллекторный ток открытого транзистора VT2 открывает транзистор VT1, поэтому конденсатор С1 начинает заряжаться через резисторы R1-R3. Когда напряжение на конденсаторе достигнет 2Uпит/3, триггер таймера переключится в нулевое состояние. Оба транзистора закроются, но откроется внутренний транзистор таймера, соединив с общим проводом выход с ОК. Конденсатор С1 теперь разряжается через резисторы R2 и R3.

Резистор R1 предназначен для ограничения тока транзистора VT1 во время переключения таймера. Для формирования импульсов со скважностью, наиболее близкой к двум, необходимо, чтобы сопротивление резистора R1 было значительно меньше, чем у резистора R3. Период колебаний можно ориентировочно рассчитать, воспользовавшись выражением T=1,4C1(R2 + R3).

Генератор, схема которого изображена на рисунке 3, также вырабатывает прямоугольные колебания регулируемой частоты с постоянной скважностью, равной двум. Но в отличие от вышеописанных вариантов, напряжение на конденсаторе в этом генераторе изменяется не по экспоненциальному закону, а линейно[1].

Рисунок 3 - схема генератора прямоугольных импульсов с линейным изменением напряжения на конденсаторе

Работает генератор аналогично предыдущему, за исключением того, что зарядный и разрядный ток конденсатора формирует источник тока на полевом транзисторе VT2. Диодный мост VD1 - VD4 выпрямляет напряжение, прикладываемое к транзистору VT1.

Период колебаний связан с номиналами времязадающих элементов соотношением Т=2С1Uпит/(3I), где I - ток, вырабатываемый источником.

Минимальное напряжение, при котором возможна устойчивая работа устройства, равно 9 В. При меньшем значении напряжение на конденсаторе может и не достигнуть порогового уровня 2Uпит/3 (или разрядится до Uпит/3).

С конденсатора С1 можно снимать колебания треугольной формы, их амплитуда равна Uпит/3. Нагрузочная способность выхода 2 очень мала, поэтому желательно включать нагрузку через промежуточный повторитель напряжения на полевом транзисторе, собранный по одной из схем на рисунке 4, или на операционном усилителе.

Рисунок 4 - схемы промежуточного повторителя напряжения на полевом транзисторе

Напряжение на конденсаторе находится в пределах между Uпит/3 и 2Uпит/3, поэтому имеется возможность однополярного питания операционного усилителя. Так, были испытаны ОУ КР544УД1, КР544УД2, рассчитанные на двуполярное питание 2x15 В. Оказалось, что они нормально работают в таком режиме даже при однополярном напряжении 9 В. При меньшем напряжении можно применить счетверенный ОУ К1401УД2А или К1401УД2Б. Они работоспособны при снижении напряжения питания до 5 В.

Помимо нагрузки, отрицательное воздействие на форму колебаний оказывают также входной ток таймера, ток утечки конденсатора С1 и обратный ток диодов моста. Если источник на транзисторе VT1 генерирует слишком малый ток, напряжение на конденсаторе перестанет изменяться линейно. По этой причине желательно подобрать диоды выпрямительного моста с минимальным обратным током. У большинства маломощных кремниевых диодов обратный ток в обычных условиях не превышает 1 нА, поэтому ток источника можно снизить до 1 мкА и даже менее. В этом случае суммарное сопротивление резисторов R2 и R3 должно быть вблизи 1...2 МОм.

Полевой транзистор VT2 (рисунок 3) с n-каналом заменим на р-канальный. При такой замене полярность включения диодов VD1-VD4 моста необходимо изменить на обратную.

Генератор прямоугольного и треугольного напряжений можно построить полностью на биполярных транзисторах, как показано на рисунке 5. На транзисторе VT3 собран источник тока, формирующий зарядный и разрядный ток конденсатора С1. Транзисторы VT2 и VT4 образуют "токовое зеркало". Назначение транзисторов VT1 и VT5 понятно из описания предыдущих вариантов генератора.

Рисунок 5 - схема генератора прямоугольных и треугольных импульсов

При напряжении высокого уровня на выходе таймера DA1 транзисторы VT5 и VT1 открыты. Конденсатор С1 заряжается при этом через транзисторы VT1 и VT4. "Токовое зеркало" на транзисторах VT2 и VT4 обеспечивает ток через конденсатор, равный току, формируемому источником на транзисторе VT3.

При низком уровне на выходе таймера транзисторы VT1, VT2, VT4 и VT5 закрыты, поэтому конденсатор разряжается через коллекторный переход транзистора VT4. Ток разрядки конденсатора также задает источник тока на транзисторе VT3.

При реализации этого генератора необходимо иметь в виду, что для реализации всех преимуществ использованного схемного решения транзисторы "токового зеркала" должны представлять собой сборку на общем кристалле, иначе оно может давать значительную токовую ошибку (в 10 раз и более) и сильную зависимость тока от температуры.

Напряжение треугольной формы снимают с конденсатора С1 через повторитель на полевом транзисторе или на ОУ.

Если возникла необходимость в частотной модуляции генерируемых колебаний, стабилитрон VD1 и резистор R1 исключают, а модулирующее напряжение подают на базу транзистора VT3.

Рисунок 6 - схема генератора пилообразных колебаний

На таймере КР1006ВИ1 можно построить также генераторы пилообразных колебаний. Схема одного из таких генераторов показана на рисунке 6. Когда на выходе таймера DA1 присутствует напряжение высокого уровня, конденсатор С1 заряжается сравнительно медленно от источника тока на полевом транзисторе VT1. Как только напряжение на конденсаторе достигнет уровня 2Uпит/3, высокий уровень напряжения на выходе таймера сменится на низкий и конденсатор быстро разрядится через открытый внутренний транзистор микросхемы.

Частоту генерации определяют ток I источника на транзисторе VT1 и емкость конденсатора С1. Период колебаний генератора равен Т=C1Uпит/(3I)

Генератор по схеме рисунке 5 может вырабатывать напряжение и пилообразной формы - для этого достаточно выход с ОК таймера (вывод 7) соединить через контакты тумблера с входами R и S. Пилообразные колебания снимают с выхода 2. Таким образом, генератор становится трёхфункциональным.

2.2.2  Транзистор. Принцип работы, описание, параметры

Транзи́стор (англ. transistor), полупроводниковый триод - радиоэлектронный компонент из полупроводникового материала, обычно с тремя выводами, позволяющий входным сигналам управлять током в электрической цепи. Обычно используется для усиления, генерирования и преобразования электрических сигналов. На принципиальных схемах обозначается «VT» или «Q». В русскоязычной литературе и документации до 1970-х гг. применялись обозначения «Т», «ПП» (полупроводниковый прибор) или «ПТ» (полупроводниковый триод).

Полупроводники́ - материалы, которые по своей удельной проводимости занимают промежуточное место между проводниками и диэлектриками и отличаются от проводников сильной зависимостью удельной проводимости от концентрации примесей, температуры и воздействия различных видов излучения. Основным свойством этих материалов является увеличение электрической проводимости с ростом температуры.

Полупроводниками являются вещества, ширина запрещённой зоны которых составляет порядка нескольких электрон-вольт (эВ). Например, алмаз можно отнести к широкозонным полупроводникам, а арсенид индия - к узкозонным. К числу полупроводников относятся многие химические элементы (германий, кремний, селен, теллур, мышьяк и другие), огромное количество сплавов и химических соединений (арсенид галлия и др.). Почти все неорганические вещества окружающего нас мира - полупроводники. Самым распространённым в природе полупроводником является кремний, составляющий почти 30 % земной коры.

В зависимости от того, отдаёт ли примесной атом электрон или захватывает его, примесные атомы называют донорными или акцепторными. Характер примеси может меняться в зависимости от того, какой атом кристаллической решётки она замещает, в какую кристаллографическую плоскость встраивается.

Проводимость полупроводников сильно зависит от температуры. Вблизи температуры абсолютного нуля полупроводники имеют свойства диэлектриков.

Управление током транзистора в выходной цепи осуществляется за счёт изменения входного напряжения или тока. Небольшое изменение входных величин может приводить к существенно большему изменению выходного напряжения и тока. Это усилительное свойство транзисторов используется в аналоговой технике (аналоговые ТВ, радио, связь и т. п.).

В настоящее время в аналоговой технике доминируют биполярные транзисторы (БТ) (международный термин - BJT, bipolar junction transistor). Другой важнейшей отраслью электроники является цифровая техника (логика, память, процессоры, компьютеры, цифровая связь и т. п.), где, напротив, биполярные транзисторы почти полностью вытеснены полевыми.

Вся современная цифровая техника построена, в основном, на полевых МОП (металл-оксид-полупроводник)-транзисторах (МОПТ), как более экономичных, по сравнению с БТ, элементах.

Иногда их называют МДП (металл-диэлектрик-полупроводник)- транзисторы. Международный термин - MOSFET (metal-oxide-semiconductor field effect transistor). Транзисторы изготавливаются в рамках интегральной технологии на одном кремниевом кристалле (чипе) и составляют элементарный «кирпичик» для построения микросхем логики, памяти, процессора и т. п. Размеры современных МОПТ составляют от 90 до 22 нм. В настоящее время на одном современном кристалле площадью 1-2 см² могут разместиться несколько (пока единицы) миллиардов МОПТ. На протяжении 60 лет происходит уменьшение размеров (миниатюризация) МОПТ и увеличение их количества на одном чипе (степень интеграции), в ближайшие годы ожидается дальнейшее увеличение степени интеграции транзисторов на чипе (см. Закон Мура). Уменьшение размеров МОПТ приводит также к повышению быстродействия процессоров, снижению энергопотребления и тепловыделения.

2.2.3  Светодиоды. Принцип работы, описание, параметры

Светодиодом называется полупроводниковый диод, предназначенный для преобразования электрической энергии в энергию некогерентного светового излучения. При протекании через диод прямого тока происходит инжекция неосновных носителей заряда (электронов или дырок) в базовую область диодной структуры. Процесс самопроизвольной рекомбинации инжектированных неосновных носителей заряда, происходящих как в базовой области, так и в самом p-n переходе, сопровождается переходом их с высокого энергетического уровня на более низкий; при этом избыточная энергия выделяется путем излучения кванта света.

Чтобы кванты энергии - фотоны, освободившиеся при рекомбинации, соответствовали квантам видимого света, ширина запрещенной зоны исходного полупроводника должна быть относительно большой (Еg > 1,8 эВ). Исходя из этого ограничения, для изготовления светодиодов используются следующие полупроводниковые материалы: фосфид галлия (GaP), карбид кремния (SiC), твердые растворы: галлий-мышьяк-фосфор (GaAsP) и галлий-мышьяк-алюминий (GaAsAl), а также нитрид галлия (GaN), который имеет наибольшую ширину запрещенной зоны (Eg > 3,4 эВ), что позволяет получать излучение в коротковолновой части видимого спектра вплоть до фиолетового.

Путем добавления в полупроводниковый материал атомов веществ-активаторов можно изменять в некоторых пределах цвет излучения светодиода. Например, на основе фосфида галлия, легированного определенным количеством цинка, кислорода или азота, получают светодиоды зеленого, желтого и красного цветов свечения. Тройные соединения GaAsP и GaAsAl используют, в основном, для получения светодиодов красного цвета свечения.

Обычно излучение светодиодов является монохроматическим с оговоренной для каждого типа максимальной длиной волны, имеющий незначительный разброс внутри каждого типа. Светодиоды с управляемым цветом свечения изготавливаются на основе двух светоизлучающих переходов, один из которых имеет резко выраженный максимум спектральной характеристики в красной полосе, другой - в зеленой. При совместной работе цвет результирующего излучения зависит от соотношения токов через переходы. Основным технологическим методом изготовления светодиодов является метод эпитаксиального наращивания. Это жидкофазная эпитаксия или эпитаксия из газовой фазы. В некоторых случаях, в основном, при использовании карбида кремния, применяется метод диффузии примесей (акцепторных или донорных) из газовой фазы, проводящийся внутри кварцевых ампул.

Одним из основных параметров светодиодов является: яркость - величина, равная отношению силы света к площади светящейся поверхности (измеряется в канделах на квадратный метр).

Спектральная характеристика светодиода выражает зависимость интенсивности излучения от длины волны излучаемого света и дает представление о цвете свечения светодиода. Длина волны излучаемого света определяется разностью энергий двух энергетических уровней, между которыми происходит переход электронов на излучательном этапе процесса рекомбинации и определяется исходным полупроводниковым материалом и легирующими примесями.

Излучение светодиода также характеризуется диаграммой направленности (угол половинной яркости), которая определятся конструкцией светодиода, наличием линзы и оптическими свойствами защищающего кристалл материала (измеряется в градусах). Излучение светодиода может быть узконаправленным или рассеянным.

Основные параметры светодиодов зависят от окружающей температуры. С увеличением температуры яркость (сила света), а также падение напряжения на светодиоде уменьшается. Зависимость яркости от температуры практически линейная, в интервале рабочей температуры может изменяться в 2-3 раза. Промышленные светодиоды имеют сравнительно большой разброс параметров и характеристик от образца к образцу.

Светодиоды, применяемые в наружной рекламе, должны соответствовать самым высоким требованиям к зависимости яркости от температуры окружающей среды и выдерживать диапазон температур от -40°С до +80°С, не изменяя яркости (силы света). Такие параметры светодиодов могут обеспечить только фирмы-лидеры в своей области, работающие на самом современном высокотехнологичном оборудовании и использующие самые современные технологии.

Светодиоды обладают высоким быстродействием. Излучение нарастает за время менее 10-8с после подачи импульса прямого тока, что делает их незаменимыми в световой рекламе, несущей быстро сменяемую информацию.

По внешнему конструктивному признаку светодиоды подразделяются на приборы в металлических корпусах со стеклянной линзой (обладают весьма острой направленностью излучения) и пластмассовых корпусах из оптически прозрачного, чаще цветного компаунда, создающего рассеянное излучение. Именно эти светодиоды и применяются в наружной и интерьерной рекламе, обеспечивая одновременно и достаточную яркость, и максимально возможный угол просмотра[2].

2.2.4  Принципиальная схема устройства и описание её работы

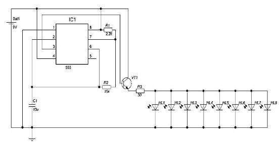
На рисунке 7 представлена принципиальная электрическая схема устройства.

Рисунок 7 - Принципиальная электрическая схема устройства

Назначение выводов таймерной микросхемы IC1:

Вывод №1 - Земля.

Вывод №2 - Запуск.

Этот вывод является одним из входов компаратора №2. При подаче на этот вход импульса низкого уровня, который должно быть не более 1/3 напряжения питания, происходит запуск таймера и на выводе №3 появляется напряжение высокого уровня на время, которое задается внешним сопротивлением Ra+Rb и конденсатором С. Данный режим работы называется - режим моностабильного мультивибратора. Импульс, подаваемый на вывод №2, может быть как прямоугольным, так и синусоидальным и по длительности он должен быть меньше чем время заряда конденсатора С.

На рисунке 8 представлена функциональная схема таймера.

Рисунок 8 - функциональная схема таймера

Вывод №3 - Выход.

Высокий уровень равен напряжению питания минус 1,7 Вольта. Низкий уровень равен примерно 0,25 вольта. Время переключения с одного уровня на другой происходит примерно за 100 нс.

Вывод №4 - Сброс.

При подаче на этот вывод напряжения низкого уровня (не более 0,7в) произойдет сброс таймера и на выходе его установится напряжение низкого уровня. Если в схеме нет необходимости в режиме сброса, то данный вывод необходимо подключить к плюсу питания.

Вывод №5 - Контроль.

Обычно, этот вывод не используется. Однако его применение может значительно расширить функциональность таймера. При подаче напряжения на этот вывод можно управлять длительностью выходных импульсов таймера, а значит отказаться от RC времязадающей цепочки. Подаваемое напряжение на этот вход в режиме моностабильного мультивибратора может составлять от 45% до 90% напряжения питания. А в режиме мультивибратора от 1,7 Вольт и до напряжения питания. Соответственно на выходе получится FM модулированный сигнал.

Если этот вывод не используется, то его лучше подключить через конденсатор 0,01мкФ к общему проводу.

Вывод №6 - Стоп.

Этот вывод является одним из входов компаратора №1. При подаче на этот вывод импульса высокого уровня (не менее 2/3 напряжения питания), работа таймера останавливается, и на выходе таймера устанавливается напряжение низкого уровня. Как и на вывод №2, на этот вывод можно подавать импульсы как прямоугольные, так и синусоидальные.

Вывод №7 - Разряд.

Этот вывод соединен с коллектором транзистора Т1, эмиттер которого соединен с общим проводом. При открытом транзисторе конденсатор С разряжается через переход коллектор-эмиттер и остается в разряженном состоянии пока не закроется транзистор. Транзистор закрыт, когда на выходе таймера высокий уровень и открыт, когда на выходе низкий уровень.

Вывод №8 - Питание.

Напряжение питания таймера составляет от 4,5 до 16 вольт. В данной схеме будет использоваться источник напряжения на 9 Вольт.

В данной схеме таймер генерирует последовательность прямоугольных импульсов определяемых RC цепочкой.

В начальном состоянии конденсатор С разряжен и на входах обоих компараторов низкий уровень, близкий к нулю. Компаратор №2 переключает внутренний триггер и как следствие этого на выходе таймера (вывод №3) устанавливается высокий уровень. Транзистор Т1 закрывается и конденсатор С начинает заряжаться через цепочку резисторов R1 и R2.

Когда, в результате зарядки, напряжение на конденсаторе достигает 6 вольт, компаратор №1 переключает триггер, который в свою очередь устанавливает низкий уровень на выходе таймера (вывод №3). Транзистор Т1 открывается и через резистор R2 начинает разряжаться конденсатор С. Как только напряжение на конденсаторе 3 Вольт, компаратор №2 снова переключит триггер и на выходе таймера (вывод №3) снова появится высокий уровень. Транзистор Т1 закроется и конденсатор С снова начнет заряжаться [5].

Рисунок 9 - временная диаграмма напряжения на конденсаторе

На рисунке 9 показана временная диаграмма работы схемы при генерации импульсов прямоугольной формы.

Частота импульсов, зависит от величин C, R1 и R2, и рассчитывается по вышеприведенной формуле.

Сопротивления R1 и R2 подставляются в Омах;

Емкость конденсатора C - в фарадах;

Результат в получается в Герцах.

Время между началом одного и началом следующего импульса называется периодом (t). Оно состоит из длительности самого импульса (t1) и промежутком между импульсами (t2).

Значения t1 и t2 можно рассчитать по следующим формулам:

= 0.693(R1+R2)C;= 0.693R2C;

2.3     Внешний вид устройства


Печатная плата имеет размер 115х85х30 мм

На рисунках 10-13 представлена печатная плата и предполагаемый внешний вид устройства.

Рисунок 10 - внешний вид печатной платы с задней стороны под углом

Рисунок 11 - внешний вид печатной платы с передней стороны

Рисунок 12 - внешний вид печатной платы с задней стороны

Рисунок 13 - внешний вид устройства с лицевой стороны

2.4     Достоинства и недостатки устройства


После разработки и практического применения мною были выявлены достоинства и недостатки.

К достоинствам данного устройства относятся:

)        Высокая вероятность обнаружения скрытого устройства

)        Низкая стоимость изготовления

)        Простота использования

)        Мобильность

)        Компактность

А к недостаткам:

)        При использовании необходимо устройство точно навести на объектив фотокамеры или видеокамеры

)        Не очень большая дальность обнаружения (5 - 10 метров)

В дальнейшем данное устройство можно усовершенствовать добавлением на место объектива приёмное устройство, которой будет подавать звуковой сигнал при обнаружении подозрительного отклика. Данное усовершенствование позволит удобней и тщательней проводить исследование помещения на предмет скрытых фотокамер и видеокамер.

3    Техника безопасности


Действия электрического тока на организм человека, весьма разнообразны. Среди них выделяют:

Тепловое (термическое) действие, проявляющееся в нагреве и ожогах участков тела;

Электролитическое действие, проявляющееся в разложении крови и других органических жидкостей на составляющие элементы (может сопровождаться выделением пузырьков газа и закупоркой сосудов);

Биологическое (физиологическое) действие, проявляющееся в раздражении и возбуждении живых тканей организма, что сопровождается непроизвольными судорожными сокращениями мышц, в том числе мышц легких и мышцы сердца. В результате этих действий возможны два вида поражений электрическим током: электрические травмы и электрические удары.

Электрические травмы - это чётко выраженные местные повреждения тканей. Среди травм различают электрические ожоги, электрические знаки (четко очерченные пятна серого или бледного цвета на поверхности тела), металлизация кожи (проникновение в верхние слои кожи мельчайших частичек металла под действием электрической дуги), электроофтальмия (воспаление наружных оболочек глаз, возникшее в результате сильного воздействия ультрафиолетовых лучей) и механические повреждения.

Электрический удар - это результат биологического действия тока, состоящий в возбуждении живых тканей организма при прохождении через них электрического тока, сопровождающийся непроизвольными судорожными сокращениями мышц. Различают четыре степени электрических ударов в зависимости от исхода воздействия на организм, начиная от легкого, без потери сознания (первая степень) до клинической смерти (четвертая степень). В состоянии клинической смерти у человека отсутствует дыхание и сердцебиение, зрачки глаз расширены и не реагируют на свет. Длительность клинической смерти составляет примерно 4-8 минут. По истечении этого времени наступает гибель клеток головного мозга, приводящая к необратимому прекращению биологических процессов в организме, распаду белковых структур - биологической смерти.

Причинами смерти от воздействия электрического тока могут быть прекращение работы сердца, прекращение дыхания и электрический шок. При этом следует помнить, что прекращение, дыхания примерно через 2 минуты приводит к остановке сердца, и, наоборот, прекращение кровообращения также быстро приводит к прекращению дыхания. Наступает кислородное голодание организма и смерть.

Электрический шок - это тяжёлая нервно-рефлекторная реакция организма, сопровождающаяся глубокими расстройствами кровообращения, дыхания, обмена веществ. Длится он, как правило, от десятков минут до суток.

Степень поражения человека при воздействии на него электрического тока зависит от нескольких причин: величины тока, проходящего через жизненно важные органы, рода и частоты тока, времени его действия, пути прохождения тока в теле человека и индивидуальных свойств человека.

Одним из основных факторов воздействия является величина тока и длительность его протекания. Рассмотрим действие различного значения переменного тока промышленной частоты (50 Гц) на организм человека.

Безопасным считается ток, длительное прохождение которого через организм человека не причиняет ему вреда и не вызывает никаких ощущений. Его величина не превышает 50 мкА.

Ток величиной от 0,5 мА до 1,5 мА называется пороговым ощутимым током. Он вызывает легкое покалывание, ощущение нагрева кожи.

При токе 2-5 мА появляется боли в руке, дрожание кисти.

Увеличение тока до 10-15 мА вызывает непереносимую боль и полное прекращение управления мышцами. Если человек просто прикоснулся к находящимся под напряжением участкам, он может освободиться от действия тока посредством одёргивания руки. Если же провод оказался зажатым в руке, то при этом значении тока человек не может по своей воле разжать пальцы от токоведущих частей и остается под напряжением. По этой причине ток величиной больше 10-15 мА называется неотпускающим.

Такое явление объясняется тем, что, если по мышцам, управляющим сгибанием и разгибанием пальцев руки, будет проходить ток одной и той же величины, то сгибательные мышцы как более мощные создают несколько большее усилие, поэтому пальцы сжимаются в кулак. При про-хождении по руке тока промышленной частоты до 10-15 мА воздействие биологических импульсов по воле человека еще может создать в разгибательных мышцах большее усилие, чем в сгибательных, и пострадавший может освободиться от действия электрического тока. При большем токе воздействие биологических импульсов на управление мышцами полностью утрачивается и их сокращение определяется только действием внешнего тока.

Пороговый неотпускающий ток условно можно считать безопасным для человека в том смысле, что он не вызывает немедленного поражения. Но при длительном прохождении величина тока растет за счет уменьшения сопротивления тела, в результате чего могут возникнуть нарушения кровообращения и дыхания и наступить смерть.

При токе величиной около 50 мА начинается судорожное сокращение мышц грудной клетки, сужение кровеносных сосудов и повышение артериального давления, что приводит к потере сознания и смерти.

При прохождении тока более 100 мА по пути рука - рука или рука - ноги через 1-2 секунды может наступить фибрилляция сердца (хаотические, разрозненные сокращения отдельных волокон сердечной мышцы). В результате сердце перестает работать как насос, кровообращение нарушается.

При токе более 5 А фибрилляция, как правило, не наступает, а происходит немедленная остановка сердца. Хотя известно много случаев, когда при кратковременном прохождении через человека тока величиной около 10 А не наступала смерть. Однако в этом случае происходит паралич дыхания. При больших токах, проходящих через тело человека, смерть может наступить и в результате разрушения внутренней структуры тканей организма и глубоких ожогов тела.

При напряжениях до 250-300 В постоянный ток примерно в 45 раз безопаснее переменного с частотой 50 Гц, при более высоких напряжениях постоянный ток опаснее.

Величина проходящего через организм тока определяется приложенным напряжением и сопротивлением тела человека. Сопротивление тела человека при сухой, чистой и неповрежденной коже колеблется в пределах от 3000 до 500 000 Ом. Если удалить роговой слой в тех местах, где измеряется сопротивление, то его значение падает до 500-700 Ом. Состояние кожи сильно влияет на величину сопротивления тела человека. Наличие царапин, грязи и влаги очень сильно (в десятки раз) снижает сопротивление. Наименьшим сопротивлением обладает кожа лица, шеи, рук на участке выше ладоней и др. С увеличением тока и времени его прохождения сопротивление падает, поскольку при этом усиливается местный нагрев кожи, что приводит к увеличению потоотделения.

3.2     Основные меры защиты от поражения током


Основными причинами воздействия тока на человека являются: случайное прикосновение или приближение на опасное расстояние к токоведущим частям; появление напряжения на металлических частях оборудования в результате повреждения изоляции или ошибочных действий человека; шаговое напряжение на поверхности земли в результате замыкания провода и др.

Основными мерами защиты от поражения током являются: изоляция; недоступность токоведущих частей; применение малого напряжения (не выше 42В, а в особо опасных помещениях 12В); использование двойной (рабочей и дополнительной) изоляции; выравнивание потенциала; защитное заземление; защитное отключение; применение специальных электрозащитных средств; организация безопасной эксплуатации электроустановок.

Особые правила при обращении с паяльником, при пайки и лужении. Здесь нужно проверить изоляцию вилки, розетки перед работой, работать только исправным паяльником. При необходимости заменить паяльник, другое неисправное оборудование.

Выполняя работу стараться не отвлекаться, чувствуя усталость прекратить работу т.к. электрическое сопротивление такого организма понижено, внимание ослаблено, реакция замедленна. Припой не должен попадать на стеклянные и керамические части корпуса микросхемы. Необходимо тщательно следить за тем, чтобы не образовывались перемычки между выводами, поверхность припоя должна быть без трещин, пор, необлученных участков.

При включении в сеть нельзя дотрагиваться до выводов вилки и розетки, а также до выводов трансформатора - касаться посторонними предметами в розетку!

Перед первым включением в сеть прибора необходимо проверить сопротивление изоляции между штырьками сетевой вилки и корпусом конструкции. Если оно менее 10 мОм при какой-нибудь полярности подключения щупов омметра, отыскать неисправность и устранить ее. При необходимости заменить деталь или перепаять проводники, для этого надо обеспечить конструкцию и вынуть вилку из розетки.

3.3     Защита от статического электричества


Электризация - это комплекс физических и химических процессов, приводящих к разделению в пространстве зарядов противоположных знаков или к накоплению зарядов одного знака.

Суть электризации заключается в том, что нейтральные тела, не проявляющие в нормальном состоянии электрических свойств, в условиях отрицательного контакта или взаимодействия становятся электрически заряженными.

Из-за малых размеров элементов микросхем и высокой плотности упаковки элементов, на поверхности кристалла они чувствительны к разрядам статического электричества. Одной из причин их отказов является воздействие разрядов статического электричества. Статическое электричество вызывает электрические, механические и тепловые воздействия, приводящие к появлению дефектов в микросхемах и ухудшению их параметров.

Статическое электричество всегда накапливается на теле человека при движении. При этом могут накапливаться на теле человека потенциалы в несколько тысяч вольт, что при разряде на чувствительный к статическому электричеству элемент может вызвать появление дефектов деградации, его характеристик или разрушение из-за его электрических, тепловых и механических воздействий.

Для уменьшения влияния статического электричества необходимо пользоваться рабочей одеждой из мало электризующих материалов, например: халатом из хлопчатобумажной ткани, обовью на кожаной подошве. Не рекомендуется применять одежду из шелка, капрона, лавсана.

Для покрытия поверхностей рабочих столов и полов необходимо использовать мало электризующие материалы. Необходимо применять меры по снижению удельного поверхностного сопротивления покрытия. Рабочие столы необходимо покрывать металлическими листами размером 100*200 мм, соединенными через ограничительное сопротивление 10 Ом защищающей шиной.

Оборудование и инструмент, не имеющие питания от сети, подключаются к защищающей шине через сопротивление 10 Ом. Оснастку и инструменты, которые питаются от сети, подключают к защищающей шине непосредственно.

Дожжен быть обеспечен непрерывный контакт оператора с землёй с помощью специального антистатического браслета, соединённого через высоковольтный резистор.

демаскирующий видеокамера фотокамера

Заключение

В данной выпускной квалификационной работе я рассмотрел тему разработки устройства по обнаружению скрытых видеокамер и фотокамер.

Произведённое исследование позволяет сформулировать следующие результаты работы:

)        представлен обзор и краткие характеристики видеокамер и фотокамер, демаскирующие признаки, классификацию средств по обнаружению скрытых видеокамер и фотокамер;

)        объяснены физические принципы поиска;

)        разработано устройство по обнаружению скрытых видеокамер и фотокамер;

)        рассказано о достоинствах и недостатках устройства;

)        о возможностях дальнейшего совершенствования данного устройства.

В процессе исследований мной был прочтён доклад на научной конференции по информационной безопасности по теме: «Разработка устройства по обнаружению скрытых видеокамер и фотокамер».

Список использованной литературы

1.   Интегральные микросхемы и их зарубежные аналоги: Справочник. Том 7./А. В. Нефедов. - М.:ИП РадиоСофт, 1999, 640с.:ил.

2.       Кучумов А.И. Электроника и схемотехника. 2-е изд. Гелиос. 2004г. 336с.

.        Торокин А. А. Инженерно-техническая защита информации: учеб. пособие для студентов, обучающихся по специальностям в обл. информ. безопасности - М.:Гелиос АРВ. 2005, 960 с.: ил.

.        Хорев А.А. Техническая защита информации: учеб. пособие для студентов вузов. В 3 т. Том 1. Технические каналы утечки информации. - М.: НПЦ «Аналитика», 2008, 436 с.: ил.


Не нашли материал для своей работы?
Поможем написать уникальную работу
Без плагиата!
Без нейросетей!