Разработка и изготовление микропроцессорного блока управления устройствами аквариума

  • Вид работы:
    Курсовая работа (т)
  • Предмет:
    Информатика, ВТ, телекоммуникации
  • Язык:
    Русский
    ,
    Формат файла:
    MS Word
    784,51 Кб
  • Опубликовано:
    2012-06-06
Вы можете узнать стоимость помощи в написании студенческой работы.
Помощь в написании работы, которую точно примут!

Разработка и изготовление микропроцессорного блока управления устройствами аквариума


Разработка и изготовление микропроцессорного блока управления устройствами аквариума

микроконтроллер микропроцессорный блок электрический

Введение

В настоящее время автоматизированы все основные процессы или операции управления и роль человека сводится лишь к наблюдению за работой автоматических устройств.

Целью дипломной работы являлось разработка и изготовление микропроцессорного блока управления устройствами аквариума на базе микроконтроллера фирмы Microchip.

Микропроцессорный блок предназначен для управления устройствами аквариума - кормушкой, управляемой шаговым двигателем, лампой, предназначенной для освещения, компрессором, предназначенным для фильтрации и аэрации. Работа устройства осуществляется за счет программы записанной в микроконтроллер (микросхему, предназначенную для обработки цифровой информации в соответствии с заданной программой).

Для осуществления поставленной цели необходимо было решить следующие задачи:

1. Разработать блок-схему устройства;

. Разработать принципиальную электрическую схему;

. Разработать печатную плату;

. Изготовить устройство;

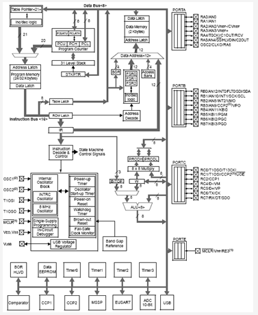
1. Описание микроконтроллера PIC18F2550

.1 Характеристики

При разработке нашего устройства изначально ставилась задача выбора микроконтроллера на базе которого оно бы работало. В итоге мы остановились на микроконтроллере компании Microchip PIC18F2550.

Основным достоинством микроконтроллера PIC18F2550 являются функциональная наполненность и низкое энергопотребление на основе различных программируемых опций энергосбережения и фирменной технологии nanoWatt.

Параметры модуля USB:

● Совместимость с USB V2.0.

● Поддержка низкоскоростного (1.5 Мбит/с) и высокоскоростного (12 Мбит/с) режимов.

● Поддержка управляющей, по прерыванию, изохронной и пакетной передачи.

● Поддержка до 32 конечных точек (16 двунаправленных). . 1 кБ ОЗУ двойного доступа для нужд USB.

● Встроенный трансивер USB.

● Встроенный источник питания USB.

● Возможность подключения внешнего трансивера USB.

● Потоковый порт SPP для ввода-вывода потока параллельных данных через USB.

Режимы управления энергопотреблением:

● Run: процессор включен, периферия включена.

● Idle: процессор остановлен, периферия включена. . . Sleep: процессор и периферия выключены.

●       Типовой потребляемый ток в режиме Idle до 5,8 мкА.

● Типовой потребляемый ток в режиме Sleep до 0,1 мкА.

● Генератор модуля Timer1: потребление до 1,1 мкА при 32кГц,2В.

● Сторожевой таймер :до 2,1 мкА.

Гибкая структура генератора тактовых импульсов:

● Четыре режима внешнего тактирования, до 48 МГц

● Блок встроенного генератора:

- 8 выбираемых пользователем частот, от 31 кГц до 8 МГц;

- возможность подстройки частоты для компенсации дрейфа.

● Вторичный генератор, на основе генератора модуля Timer1, 32 кГц.

● Возможность независимого тактирования процессора и модуля USB/

● Мониторинг тактовых импульсов:

- возможность безопасного останова при попадании импульсов основного тактового генератора.

Опции периферии:

● Втекающий и вытекающий ток до 25 мА.

● Три внешних прерывания.

● Четыре модуля таймеров.

● До двух модулей захвата/сравнения /ШИМ:

- захват 16 бит, с разрешением до 6,25 нс (Tcy/16);

- сравнение 16 бит,с разрешением до 100 нс (Tcy).

● ШИМ с разрешением от 1 до 10 бит

● Расширенный модуль захвата/сравнения/ШИМ (ЕССР):

- различные входные режимы;

- полярность по выбору;

- программируемая «мертвая зона»;

- автоотключение и авторестарт;

● Расширенный модуль USART (EUSART):

- поддержка шины LIN.

● Модуль ведущего синхронного последовательнго порта (MSSP) с поддержкой SPI (все четыре режима) и I2C (ведущий и ведомый).

● До 13 модулей 10-разрядного АЦП с программируемым временем выборки.

● Сдвоенный аналоговый компаратор с мультиплексированием входов.

Специальные опции микроконтроллера:

● Структура, оптимизированная под компилятор С, с разширенным набором команд.

● 100000 циклов перезаписи памяти программ.

● 1000000 циклов перезаписи памяти данных EEPROM.

● Срок хранения памяти программ и данных более 40 лет.

● Возможность самопрограммирования (смены прошивок).

● Наличие приоритетов прерываний.

● Аппаратный умножитель 8х8.

● Расширенный сторожевой таймер:

- программируемый период от 41 мс до 131 с.

● Программируемая защита кода.

● Внутрисхемное программирование по двум проводам.

● Одно напряжение программирования 5 В (ICSP).

● Внутрисхемная отладка по двум проводам (ICD).

● Широкий диапазон напряжений питания, от 2,0 до 5,5 В.

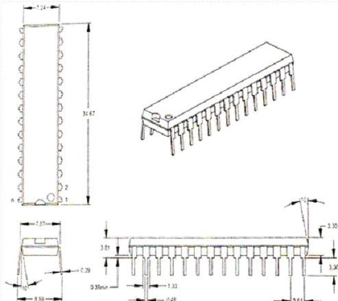
1.2 Корпуса и выводы микроконтроллера

Для изготовления программатора понадобится не планарный тип корпуса т.к. плата будет двухсторонней. К таким видам относится тип корпуса PDIP. Рисунок такого типа корпуса представлен ниже.

Рис. 1. Корпус PDIP 28 выводов

Рис. 2. Расположение и назначение выводов микроконтроллера

Рис. 3. Внутренняя структура PIC18F2450/2550 (28 выводов)

Таблица. Назначение выводов PIC18F2550

Обозначение вывода

Номер

Тип

Буфер

Описание

MCLR/Vpp/RE3  MCLR VPP RE3

1

  I Р I

  ST  ST

Вход общего сброса или напряжения программирования Общий сброс низким уровнем Вход напряжения программирования Цифровой вход

OSC1/CLKI  OSC1  CLKI

9

  I  I

  A  A

Подключение резонатора или вход внешних тактов Кристалл резонатора или вход внешних тактов Только вход внешних тактов: всегда ассоциирован с функцией вывода OSC1 (см. также вывод OSC2)

OSC2/CLKO/ RA6 OSC2  CLKO  RA6

10

  0  0  I/O

  -  -  TTL

Подключение резонатора или выход тактовых импульсов Подключен к кварцу в режиме кварцевого генератора Выход импульсов частотой % от входной на OSC1 Порт ввода-вывода общего назначения

RAO/ANO RAO ANO

2

 I/O I

 TTL A

 Цифровой вход/выход Аналоговый вход 0

RA1/AN1 RA1 AN1

3

 I/O I

 TTL A

 Цифровой вход/выход Аналоговый вход 1

RA2/AN2/Vref-/ CVREF RA2 AN2 Vref- CVref

4

  I/O I I 0

  TTL A A A

  Цифровой вход/выход Аналоговый вход 2 Вход опорного напряжения АЦП (низкое) Выход опорного уровня компаратора

RA3/AN3/VREF+ RA3 AN3 Vref-

5

 I/O I I

 TTL A A

 Цифровой вход/выход Аналоговый вход 3 Вход опорного напряжения АЦП (высокое)

RA4/T0CKI/C1OUT /RCV RA4  TOCKI C10UT RCV

6

 I/O I  0 I

 ST ST  - TTL

 Цифровой вход/выход Вход внешних счетных импульсов модуля Timer0 Выход компаратора 1 Вход RCV USB-трансивера

RA5/AN4/SS/ HLVDIN/C20UT RA5 AN4 SS HLVDIN  C20UT

7

  I/O I I I  O

  TTL A TTL A  -

  Цифровой вход/выход Аналоговый вход 4 Вход выбора SPI Вход модуля обнаружения перепада «High/Low» Выход компаратора 2

«RB0/AN12/INT0/ FLT0/ SDI/SDA RBO AN12 INTO FLTO SDI SDA

21

   I/O I I I I I/O

   TTL A ST ST ST ST

   Цифровой вход/выход Аналоговый вход 12 Внешнее прерывание 0 Вход ошибки ШИМ (модуль ССР1) Вход данных SPI Вход/выход данных 12С

RB1/AN10/INT1/ SCK/SCL RB1 AN10 INT1 SCK  SCL

22

  I/O I I I/O  I/O

  TTL A ST ST  ST

  Цифровой вход/выход Аналоговый вход 10 Внешнее прерывание 1 Вход/выход синхроимпульсов для режима SPI Вход/выход синхроимпульсов для режима l2C

RB2/AN8/INT2/ VMO RB2 AN8 INT2 VMO

23

  I/O I I 0

  TTL A ST -

  Цифровой вход/выход Аналоговый вход 8 Внешнее прерывание 2 Выход VMO USB-трансивера


Таблица

RB3/AN9/CCP2/ VPO RB3 AN9 CCP2(1)  VPO

24

  I/O I I/O   0

  TTL A ST   -

  Цифровой вход/выход Аналоговый вход 9 Вход Capture2/ выход Compare2/ выход PWM2

RB4/AN11/KBI0 RB4 AN11 KBIO

25

 I/O I I

 TTL A TTL

 Цифровой вход/выход Аналоговый вход 11 Вывод прерывания по изменению состояния

RB5/KBI1/PGM RB5 КВI1  PGM

26

 I/O  I  I/O

 TTL TTL  ST

 Цифровой вход/выход Вывод прерывания по изменению состояния Включение низковольтного программирования ICSP

RB6/KBI2/PGC RB6 KBI2  PGC

27

 I/O I  I/O

 TTL TTL  ST

 Цифровой вход/выход Вывод прерывания по изменению состояния Внутрисхемная отладка и тактирование ICSP

RB7/KBI3/PGD RB7 KBI3  PGD

28

 I/O I  I/O

 TTL TTL  ST

 Цифровой вход/выход Вывод прерывания по изменению состояния Внутрисхемная отладка и данные ICSP

RC0/T1OSO/T13CKI RCO T10SO T13CKI

11

 I/O О I

 ST - ST

 Цифровой вход/выход Вход генератора Timer1 Вход внешних импульсов Timer1/ Timer3

RC1/T10SI/CCP2/ UOE RC1 T10SI ССР2(2)  UOE

12

  I/O I I/O  -

  ST CMOS ST   -

  Цифровой вход/выход Вход генератора Timer1 Вход Capture2/ выход Соmpaге2/выход PWM2 Выход ОE внешнего USB-трансивера

RC2/CCP1 RC2 ССР1

13

 I/O I/O

 ST ST

 Цифровой вход/выход Вход Capturel/выход Comparel/выход PWM1

RC4/D-/VM RC4 D- VM

15

 I I/O I

 TTL TTL

 Цифровой вход/выход Отрицательная диф. линия USB (вход/выход) Вход VM внешнего USB-трансивера

RC5/D+/VP RC5 D+ VP

16

 I I/O О

 TTL - TTL

 Цифровой вход/выход Положительная диф. линия USB(вход/выход) Вход VP внешнего USB-трансивера

RС6/TХ/СК RC6 ТХ СК SDO

17

 I/O О I/O O

 ST - ST -

 Цифровой вход/выход Асинхронная передача EUSART Синхронные такты EUSART (см. RX/DT) Выход данных SPI

RС7/RХ/DT/SDO RC7 RX DT SDO

18

 I/O I I/O O

 ST ST ST -

 Цифровой вход/выход Асинхронная передача EUSART Синхронные данные EUSART (см. RX/DT) Выход данных SPI

Vusb

14

0

-

Встроенный регулятор USB 3.3V

Vss

8,9

P

-

«Земля» для логики и портов ввода/вывода

VDD

20

P

-

Напряжение питания для логики и портов


Обозначения: TTL - совместимый по уровням с TTL логикой; CMOS - совместимый с CMOS; ST - триггер Шоттки на входе, с уровнями CMOS; О - выход, I - вход, Р- питание.

Примечания:

. Подключено к ССР2, когда бит конфигурации ССР2МХ сброшен.

. По умолчанию подключен к ССР2, когда бит конфигурации установлен.

1.3 Тактирование

При разработке устройств на микроконтроллерах разработчику электронной схемы необходимо выбрать частоту тактового генератора для поставленной задачи и следить за тем, чтобы максимальная нагрузка на порты ввода вывода не превышала допустимую.

Применение микроконтроллеров PIC18F2550 приводит к резкому уменьшению размеров устройства потребляемой мощности и количества используемых элементов.

Типы тактовых генераторов

Семейство PIC18F2455/2550/4455/4550 может тактироваться от одного из двенадцати различных источников тактовых импульсов. В отличие от остального семейства PIC18, четыре из этих источников могут работать с двумя типами резонаторов одновременно. Путем программирования битов FOSC3:FOSC0 пользователь может выбирать один из следующих режимов:

Таблица

1. XT

Кварц/керамический резонатор

2. XTPLL

Кварц/керамический резонатор с включенной ФАПЧ

3. HS

Высокочастотный кварц/резонатор

4. HSPLL

Высокочастотный кварц/резонатор с включенной ФАПЧ

5. EC

Внешние такты с выходом Fosc/4 на вывод RA6

6. ECIO

Внешние такты, и вывод R6 как порт ввода/вывода

7. ECPLL

Внешние такты с ФАПЧ, выход Fosc/4 на вывод RA6

8. ECPIO

Внешние такты с ФАПЧ, и вывод R6 как порт ввода/вывода

9. INTHS

Внутренний генератор, как источник тактов микроконтроллера, и генератор HS, как источник тактов USB

10. INTXT

Внутренний генератор, как источник тактов микроконтроллера, и генератор XT, как источник тактов USB

11. INTIO

Внутренний генератор, как источник тактов микроконтроллера, генератор ЕС, как источник тактов USB, порт ввода/вывода на RA6

12. INTCKO

Внутренний генератор, как источник тактов микроконтроллера, генератор ЕС, как источник тактов USB, выход Fosc/4 на вывод RA6.


В режимах HS, HSPLL, XT и XTPLL кварцевый или керамический резонатор подключают к выводам OSC1 и OSC2. Схема подключения показана на рисунке 4.

Рис. 4. Схема включения резонатора

Таблица. Примеры значений номиналов конденсаторов для различных кварцевых резонаторов.

Режим

Частота, МГц

OSC1, пФ

OSC2, пФ

XT

4,0

27

27

HS

4,0 8,0 20,0

27 22 15

27 22 15


При сборке нашего устройства мы использовали режим тактирования HS и кварцевый резонатор с частотой 20МГц.

2. Разработка и изготовление микропроцессорного блока управления устройствами аквариума

.1 Разработка блок-схемы устройства

Блок-схема блока управления устройствами аквариума показана на рисунке 1.

Рис. 1. Блок-схема блока управления устройствами аквариума

Микропроцессорный блок осуществляет обработку данных полученных от RTC, предварительно делает его установку на нужное значение, готовит данные, полученные от RTC, выводит значение на индикатор, считывает значение с клавиатуры, подает сигнал о включении и выключении нагрузки. Дисплей выводит время в графическом виде понятном для человека. Клавиатура служит для коррекции часов и времени включения (выключения) подключаемых устройств. Питание будет подводиться через внешний источник тока (блок питания) на микроконтроллер, часы RTS и шаговый двигатель. Кроме внешнего источника питания в устройстве предусмотрено резервное питание 3В. Опто-семмистор осуществляет включение и выключение нагрузки.

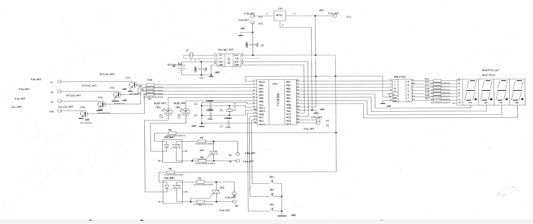
2.2 Проектирование принципиальной электрической схемы

Принципиальная электрическая схема блока управления устройствами аквариума представлена на рисунке 2 и в приложении 1. Также в приложении приведена спецификация радиоэлементов, использованных в устройстве.

Рис. 2. Принципиальная электрическая схема

.3 Разработка и изготовление печатной платы

С помощью САРПР PCAD по принципиальной электрической схеме нами была разработана печатная плата блока управления устройствами аквариума. Результаты этой работы представлены в приложении 3.

Система PCAD может быть использована для решения большого числа задач, которые ставятся перед разработчиками радиоэлектронной аппаратуры. В данном случае нами будут рассмотрены задачи, которые мы решали при проектировании устройства. Во-первых, это проектирование принципиальной электрической схемы и получение ее изображения на бумаге. Во-вторых, это проектирование печатной платы по изображению принципиальной схемы и получение изображений печатной платы с помощью принтера.

Для решения указанных задач можно использовать алгоритм, приведенный ниже.

В начале проектирования мы располагали следующим:

на диске ПК имелся набор программ системы PCAD;

было известно техническое задание на проектирование электронных блоков;

имелись библиотеки радиоэлементов, причем, параметры символьных отображений компонентов (файлы *.sym, соответствующие изображениям радиоэлементов на принципиальной схеме) должны находиться в соответствии с аналогичными параметрами конструкторско-технологических образов этих компонентов (файлы *.prt, соответствующие изображениям корпусов радиоэлементов на печатной плате). Элементы, которых нет в библиотеке, создавались вручную, и заносились в библиотеку.

Для создания и вывода на печать изображения печатных плат использовался лазерный принтер и программа PC-CARDS и PC-PRINT из пакета программ САПР PCAD соответственно. Изображение печатных плат со стороны расположение элементов выводиться на печать в зеркальном отображении.

Заготовка печатной платы вырезается из стеклотекстолита. Она шлифуется наждачной бумагой №0 и стиральной резинкой, после этого промывается водой и обезжиривается спиртом или ацетоном.

После того как готова заготовка печатной платы и напечатаны изображения с обеих сторон, прорисовываем перманентным маркером дорожки на заготовке.

После этого производят травление платы. Травят плату обычно в растворе хлорного железа. Нормальной концентрацией раствора можно считать 20…50%. Разводят, примерно, 500 г порошка хлорного железа в горячей кипяченой воде до получения общего объема раствора, равного 1 л. Раствор переливается в обычную ванночку (например использовать фотографический кювет). Продолжительность травления - 10…60 мин, она зависит от температуры, концентрации раствора, толщины медной фольги. Травление проводят под вытяжкой или в хорошо проветриваемом помещении.

Промытую плату просушивают, рассверливают отверстия под выводы радиоэлементов (при этом используются сверла диаметром 0,8…1,0 мм.), зачищают мелкозернистой наждачной бумагой, протирают салфеткой, смоченной спиртом или ацетоном, а затем покрывают канифольным лаком (раствор канифоли в спирте).

Заключительным этапом является монтаж радиоэлементов. Перед монтажом на плату потемневшие выводы радиоэлементов следует зачищать до блеска, лудить их не обязательно. В качестве флюса лучше пользоваться канифольным лаком, а не твердой канифолью.

2.4 Тестирующие программы для устройства

При проектировании устройства были разработаны ряд программ на языке программирования Си, необходимых для его тестирования и выявления неполадок.

. Программа разработанная для проверки индикатора (цифры 1, 2, 3, 4 высвечиваются последовательно с задержкой в 20 мс):

#pragma code myprog=0x800 //начало программы с 0х800 адресса

#include "p18f2550.h" //подключение файла p18f2550.h

void Delay10_us(unsigned char t); //процедуры задержкиDelay100_us(unsigned char t);Delay_ms(unsigned char t);Delay10_ms(unsigned char t);main(void)

{=0; TRISA=0;=0; TRISB=0;=0; TRISC=0b00000000;

ADCON1=15; //настройка выводов как цифровых=0;(1) // бесконечный цикл

{

PORTB=0b10000001; //запись 1 в 1 разряд индикатора

Delay_ms(20); //задержка 20 мс

PORTB=0b01000010; //запись 2 в 2 разряд индикатора

Delay_ms(20);

PORTB=0b11000100; //запись 3 в 3 разряд индикатора

Delay_ms(20);

PORTB=0b00101000; //запись 4 в 4 разряд индикатора

Delay_ms(20);

}

}Delay10_us(unsigned char t)

{ do

{

{_asm nop nop nop nop nop nop nop nop nop nop

nop nop nop nop nop nop nop nop nop nop

nop nop nop nop nop nop nop nop nop nop

nop nop nop nop nop nop nop nop nop nop

nop nop nop nop nop nop nop nop nop nop

nop nop nop nop nop nop nop nop nop nop

nop nop nop nop nop nop nop nop nop nop

nop nop nop nop nop nop nop nop nop nop

_endasm};

} while(t--);

}Delay100_us(unsigned char t)

{ do

{

Delay10_us(10);

} while(t--);

}Delay_ms(unsigned char t)

{ do

{

Delay100_us(10);

} while(t--);

}Delay10_ms(unsigned char t)

{ do

{

Delay_ms(10);

} while(t--);

}

. Программа разработанная для проверки кнопок (кнопка 1-включение светодиода; кнопка 2-высвечивание 1111 на индикаторе; кнопка 3-вклечние второго светодиода, выключение первого)

#pragma code myprog=0x800 //начало программы с 0х800 адресса

#include "p18f2550.h" //подключение файла p18f2550.h

void Delay10_us(unsigned char t); //процедуры задержкиDelay100_us(unsigned char t);Delay_ms(unsigned char t);Delay10_ms(unsigned char t);main(void)

{=0; TRISA=0;

{

if (PORTCbits.RC0 == 0) PORTA=0b00100000;//проверка кнопки №1

if (PORTCbits.RC1 == 0) PORTA=0b00010000;//проверка кнопки №3

if (PORTCbits.RC2 == 0) PORTB=0b10001111;//проверка кнопки №2

Delay_ms(20);

}

}Delay10_us(unsigned char t)

{ do

{

{_asm nop nop nop nop nop nop nop nop nop nop

nop nop nop nop nop nop nop nop nop nop

nop nop nop nop nop nop nop nop nop nop

nop nop nop nop nop nop nop nop nop nop

nop nop nop nop nop nop nop nop nop nop

nop nop nop nop nop nop nop nop nop nop

nop nop nop nop nop nop nop nop nop nop

nop nop nop nop nop nop nop nop nop nop

_endasm};

} while(t--);

}Delay100_us(unsigned char t)

{ do

{

Delay10_us(10);

} while(t--);

}Delay_ms(unsigned char t)

{ do

{

Delay100_us(10);

} while(t--);

}Delay10_ms(unsigned char t)

{ do

{

Delay_ms(10);

} while(t--);

}

. Программа разработанная для проверки светодиодов (мигание светодиодов).

#pragma code myprog=0x800 //начало программы с 0х800 адресса

#include "p18f2550.h" //подключение файла p18f2550.h

void Delay10_us(unsigned char t); //процедуры задержкиDelay100_us(unsigned char t);Delay_ms(unsigned char t);Delay10_ms(unsigned char t);main(void)

{=0; TRISA=0;=0; TRISB=0;=0; TRISC=0b00000000;

ADCON1=15; //настройка выводов как цифровых=0;=0b00110000; //выключение диодов (1) // бесконечный цикл

{

PORTA=0b00000000;//включение светодиодов

Delay10_ms(50); //задержка 0,5 сек.

PORTA=0b00110000;//выключение светодиодов

Delay10_ms(50);

}

}Delay10_us(unsigned char t)

{ do

{

{_asm nop nop nop nop nop nop nop nop nop nop

nop nop nop nop nop nop nop nop nop nop

nop nop nop nop nop nop nop nop nop nop

nop nop nop nop nop nop nop nop nop nop

nop nop nop nop nop nop nop nop nop nop

nop nop nop nop nop nop nop nop nop nop

nop nop nop nop nop nop nop nop nop nop

nop nop nop nop nop nop nop nop nop nop

_endasm};

} while(t--);

}Delay100_us(unsigned char t)

{ do

{

Delay10_us(10);

} while(t--);

}Delay_ms(unsigned char t)

{ do

{

Delay100_us(10);

} while(t--);

}Delay10_ms(unsigned char t)

{ do

{

Delay_ms(10);

} while(t--);

}

. Программа разработанная для проверки шагового двигателя (вращение шагового двигателя по часовой стрелке).

#pragma code myprog=0x800 //начало программы с 0х800 адресса

#include "p18f2550.h" //подключение файла p18f2550.h

void Delay10_us(unsigned char t); //процедуры задержкиDelay100_us(unsigned char t);Delay_ms(unsigned char t);Delay10_ms(unsigned char t);main(void)

{=0; TRISA=0;=0; TRISB=0;=0; TRISC=0b00000000;

ADCON1=15; //настройка выводов как цифровых=0;(1) // бесконечный цикл

{

PORTA=(PORTA & 0b11110000)+0b0011; //включение 1,2 магнита

Delay10_ms(30); //задержка 0,3 сек.

PORTA=(PORTA & 0b11110000)+0b0110; //включение 2,3 магнита

Delay10_ms(30);

PORTA=(PORTA & 0b11110000)+0b1100;//включение 3,4 магнита

Delay10_ms(30);

PORTA=(PORTA & 0b11110000)+0b1001;//включение 4,1 магнита

Delay10_ms(30);

}

}Delay10_us(unsigned char t)

{ do

{

{_asm nop nop nop nop nop nop nop nop nop nop

nop nop nop nop nop nop nop nop nop nop

nop nop nop nop nop nop nop nop nop nop

nop nop nop nop nop nop nop nop nop nop

nop nop nop nop nop nop nop nop nop nop

nop nop nop nop nop nop nop nop nop nop

nop nop nop nop nop nop nop nop nop nop

nop nop nop nop nop nop nop nop nop nop

_endasm};

} while(t--);

}Delay100_us(unsigned char t)

{ do

{

Delay10_us(10);

} while(t--);

}Delay_ms(unsigned char t)

{ do

{

Delay100_us(10);

} while(t--);

}Delay10_ms(unsigned char t)

{ do

{

Delay_ms(10);

} while(t--);

}

3. Разработка элективного курса по выбору для 10-11 классов «Автоматизированное проектирование принципиальных электрических схем и печатных плат в САПР PCAD»

Программа элективного курса

Разработка элективного курса по выбору для 10-11 классов «Автоматизированное проектирование принципиальных электрических схем и печатных плат в САПР PCAD».

Пояснительная записка:

В настоящее время очень востребованы специалисты в области автоматизированного проектирования. На сегодняшний день системы автоматизированного проектирования в школьном курсе информатики не изучаются, и для решения данной проблемы был разработан данный элективный курс, рассчитанный для учащихся 10-11 классов в объеме 34 часов. Курс ориентирован на получение знаний в области автоматизированного проектирования. Система автоматизированного проектирования (САПР) PCAD (Personal Computer-Aided Design - автоматизированное проектирование на персональном компьютере) разработана фирмой Personal CAD Systems Inc. Система предназначена для автоматизации проектирования принципиальных электрических схем и печатных плат. Знакомство с САПР PCAD положительно повлияет на ученика и даст возможность углубленно изучать эти дисциплины с целью выбора профессии в данной области.

Цели:

1.Предоставить возможность учащимся реализовать свой интерес в области автоматизированного проектирования.

.Профильная ориентация учеников на профессии, связанные с автоматизацией проектирования электрических схем и печатных плат.

Задачи:

1.Обучить учащихся графической грамоте при проектировании схем электрической цепи.

.Обучить основам проектирования электронных схем.

.Развить логическое мышление.

.Обеспечить учащихся возможностью самопознания и профильного самоопределения.

.Приобретение умения чтения электрических схем.

.Создать занятия по выбору, позволяющие школьникам развить интерес к тому или иному предмету и определить свои профессиональные пристрастия.

В результате обучения учащиеся будут знать:

- Освоить и систематизировать знания по автоматизированному проектированию в областях технологии, информатики, физики;

Основы автоматизированного проектирования;

Направленность своей личности, для определения будущей профессии.

В результате обучения учащиеся будут уметь:

- Овладеть технологиями автоматизированного проектирования;

Творчески относится к решению прикладных задач;

Проектировать принципиальные электрические схемы в САПР PCAD.

Критерии успешного освоения курса:

-Уровень интереса к изучаемому предмету;

Успешное выполнение практических заданий и итоговой работы;

Посещение всех занятий.

Таблица. Тематический план (36 часов):

№п\п

Тема

Кол-во часов

Теория

Практика

1

Вводное занятие.

2

1

1

2

Состав и структура рабочих каталогов. Этапы реализации проектов в САПР PCAD.

2

1

1

3

Создание принципиальной электрической схемы. Программа PC-CAPS.

3

2.5

0.5

4

Задание соответствия между схемными радиоэлементами и их корпусами.

2

1

1

5

Преобразование файла электрической схемы в список цепей. Программа PC-NODES. Начальная подготовка печатной платы. Программа PC-CARDS.

2

1

1

6

Упаковка элементов схемы в корпуса. Программа PC-PACK.

2

1

1

7

Автоматизированное размещение элементов на печатной плате. Программа PC-PLACE. Трассировка соединений на печатной плате. Программа PC-ROUTE.

2

1

1

8

Просмотр и редактирование печатной платы. Вывод графической информации на принтер. Программа PC-PRINT.

2

1

1

9

Создание библиотечных элементов

3

2

1

10

Выполнение лабораторных работ.

2

0

2

11

Выполнение лабораторных работ.

2

0

2

12

Выбор темы итоговой работы.

2

1.5

0.5

13

Выбор темы итоговой работы.

2

1

1

14

Выполнение итоговой работы.

2

0.5

1.5

15

Выполнение итоговой работы.

2

0.5

1.5

16

Подведение итогов.

2

1

1


Итого

34

16

18

Содержание программы:

1.       Вводное занятие:

Теория: План изучаемого курса.

Практика: Тест на предрасположенность к данному курсу. Для диагностики мотивации профессиональной деятельности нами проводилось с указанным выше контингентом детей методика исследования мотивации профессиональной деятельности К. Замфир в модификации А.А. Реана.

.        Состав и структура рабочих каталогов. Этапы реализации проектов в САПР PCAD.

Теория: Состав и структура рабочих каталогов, установка и настройка САПР PCAD, этапы реализации проектов в САПР PCAD.

Практика: Ученики самостоятельно производят установку программы и ее настройку, знакомятся с интерфейсом программы.

.        Создание принципиальной электрической схемы. Программа PC-CAPS.

Теория: Создание принципиальной электрической схемы. Назначение, настройка, общий вид редактора PC-CAPS.

Практика: Проектирование принципиальных электрических схем.

4.       Задание соответствия между схемными радиоэлементами и их корпусами.

Теория: Задание соответствия между схемными радиоэлементами и их корпусами.

Практика: Ученики задают соответствия несколькими способами.

5.       Преобразование файла электрической схемы в список цепей. Программа PC-NODES. Начальная подготовка печатной платы. Программа PC-CARDS.

Теория: Преобразование файла электрической схемы в список цепей. Программа PC-NODES. Начальная подготовка печатной платы. Программа PC-CARDS.

Практика: Генерация списка цепей в двоичном виде, назначение размеров платы.

.        Упаковка элементов схемы в корпуса. Программа PC-PACK.

Теория: Упаковка элементов схемы в корпуса. Программа PC-PACK.

Практика: Учащиеся производят упаковку элементов схемы в корпуса.

7.       Автоматизированное размещение элементов на печатной плате. Программа PC-PLACE. Трассировка соединений на печатной плате. Программа PC-ROUTE.

Теория: Автоматизированное размещение элементов на печатной плате. Программа PC-PLACE. Трассировка соединений на печатной плате. Программа PC-ROUTE.

Практика:

Похожие работы на - Разработка и изготовление микропроцессорного блока управления устройствами аквариума

 

Не нашли материал для своей работы?
Поможем написать уникальную работу
Без плагиата!
Без нейросетей!