Производство приемно-контрольного охранно-пожарного ППКОП 0149-1-1 прибора 'ЯХОНТ-1И'

  • Вид работы:
    Отчет по практике
  • Предмет:
    Информатика, ВТ, телекоммуникации
  • Язык:
    Русский
    ,
    Формат файла:
    MS Word
    341,16 Кб
  • Опубликовано:
    2012-07-21
Вы можете узнать стоимость помощи в написании студенческой работы.
Помощь в написании работы, которую точно примут!

Производство приемно-контрольного охранно-пожарного ППКОП 0149-1-1 прибора 'ЯХОНТ-1И'

ВВЕДЕНИЕ

ООО «Армстрим» - компания, пытающаяся ломать советские стереотипы в проектировании, монтаже, наладке, обслуживании и поставке оборудования систем пожарной автоматики, безопасности, автоматизации, связи, осознавать самим и убеждать других в том, что время не стоит на месте, и то, что было хорошо вчера, сегодня уже не может удовлетворить даже самого неприхотливого пользователя. Технологии безопасности развиваются так стремительно, что порой обычному человеку сложно сделать грамотный выбор в той или иной системе и наша команда первоклассных сотрудников готова прийти к Вам на помощь и решить самые каверзные задачи. От работы, проведенной компанией «Армстрим», напрямую зависит Ваше самочувствие, настроение, уют и тепло семейного очага или офиса.

За время работы компании сформировалась особая философия дружного коллектива, которую можно сформулировать всего в нескольких словах: честность, качество, надежность. Наверняка благодаря этому клиентами компании стали многие предприятия различных форм собственности, которые поддерживают с нами постоянные деловые и дружеские отношения. «Армстрим» полезны всем, кто ценит свое и чужое время, тем, кто ставит четкие задачи и требует их непоколебимого решения.[1]

1. Подбор материала по предполагаемой теме дипломного проекта

Одной из важнейших составляющих прохождения практики был подбор материала, который в последующем можно брать как основу дипломного проекта.

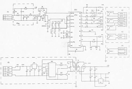
Ведущим инженером компании «Армстрим» был предложен для рассмотрения прибор приемно-контрольный охранно-пожарный ППКОП 0149-1-1 «ЯХОНТ-1И», электрическая принципиальная схема которого изображена на рисунке 1.1.

Рисунок 1.1 - Электрическая принципиальная схема прибора «ЯХОНТ -1И»

Прибор ППКОП 0149-1-1 - Яхонт-1И предназначен для автономной и централизованной охраны объектов, расположенных во взрывоопасных зонах.[2]

Взрывозащищенный прибор осуществляет непрерывный контроль состояния шлейфа сигнализации (ШС), электропитание и прием сигналов от пожарных и охранных извещателей, выдачу информации на пульт централизованного наблюдения (ПЦН), либо на другой приемно-контрольный прибор, а также выдачу сигналов управления на автоматические средства пожаротушения (АСПТ) и устройства оповещения (УО).

Прибор имеет входную искробезопасную электрическую цепь уровня iа подгруппы IIВ, имеет маркировку взрывозащиты [Exiа]IIB , соответствует требованиям ГОСТ Р 52350.0, ГОСТ Р 52350.11 и предназначен для установки вне взрывоопасных зон помещений и наружных установок.

Приборы исполнения 01 и исполнения 04 являются функционально упрощенными и используются в качестве барьера искрозащиты с подключением к шлейфу сигнализации обычных (неискробезопасных) ППКП. Прибор исполнения 04 в отличие от исполнения 01 выполнен в корпусе, монтируемом на DIN-рейку, и предназначен для установки в герметичный шкаф.

Приборы исполнения 02 и исполнения 03 оснащены интерфейсом RS485 для связи с автоматическими системами управления технологическими процессами (АСУТП), развернутыми на объекте. Обмен информацией осуществляется по протоколу MODBUS.

Прибор исполнения 03 имеет повышенное напряжение в шлейфе сигнализации, что необходимо для распознавания прибором двойного срабатывания некоторых типов извещателей.

К прибору могут подключаться устанавливаемые во взрывоопасных зонах взрывозащищенные тепловые искробезопасные извещатели ИП101 Гранат, Гранат-МД, ручные взрывозащищенные извещатели ИП535 Гарант, Гарант-М, а также другие серийно выпускаемые активные (питаемые по шлейфу) и пассивные (не токопотребляющие) охранные и пожарные извещатели.

Электропитание прибора осуществляется номинальным напряжением 12В или 24В от блока резервного питания, либо от приемно-контрольного прибора имеющего выход напряжения питания активных извещателей. Сборочный чертеж прибора представлен на рисунке 1.2.

Рисунок 1.2 - Сборочный чертеж прибора «ЯХОНТ -1И»

Прибор предназначен для эксплуатации при температуре окружающей среды от минус 30ºС до плюс 50ºС и относительной влажности воздуха до 95% при температуре +35ºС. Вид климатического исполнения УХЛ3.1 по ГОСТ 15150.

Прибор не выдает ложных извещений при воздействии электромагнитных помех третьей степени жесткости по приложению М ГОСТ Р 53325.

Средняя наработка на отказ прибора - не менее 40000 ч.

Средний срок службы прибора до списания - не менее 10 лет.

Прибор обеспечивает:

¾      контроль состояния ШС по величине его сопротивления;

¾      контроль исправности ШС по всей их длине с автоматическим выявлением обрыва или короткого замыкания в них;

¾      контроль несанкционированного доступа внутрь корпуса прибора (кроме исп.04);

¾      возможность программирования тактики формирования тревожного и других извещений;

¾      автоматическую передачу на ПЦН раздельных извещений о тревоге, внимании, а также о неисправностях ШС, прибора и доступе внутрь корпуса прибора;

¾      местную световую и звуковую сигнализацию раздельных извещений о норме, о неисправности ШС, о внимании и о тревоге;

¾      включение устройств оповещения (УО) на время 4 минуты при регистрации тревоги;

¾      формирование стартового импульса запуска средств АСПТ без задержки или с задержкой на 30 секунд после регистрации тревоги;

¾      возможность отключения фиксации тревожного извещения при использовании в качестве барьера искрозащиты.

2. Ознакомление с номенклатурой оказываемых предприятием услуг

Компания «Армстрим» уже более пяти лет занимается проектированием, монтажом и наладкой систем безопасности с последующим сервисным техническим обслуживанием. Вашему вниманию:

¾      системы пожарной безопасности и системы пожаротушения;

¾      системы охранной сигнализации и охранно-пожарной сигнализации;

¾      системы оповещения людей о пожаре;

¾      системы охранного видеонаблюдения;

¾      системы периметральной сигнализации;

¾      системы управления и контроля доступа;

¾      инженерные средства защиты.[1]

Большой интеллектуальный потенциал компании и большой опыт в области обеспечения безопасности позволяет адаптировать любые имеющиеся системы безопасности к особенностям эксплуатации на объекте и индивидуальным требованиям Заказчика. Качество выполнения работ не создает Заказчику каких-либо дополнительных неудобств, а лишь дополнительный предмет гордости и чувство удовлетворения.

2.1 Современные системы пожарной сигнализации

Пожарная сигнализация - это комплекс технических средств для обнаружения признаков пожара (тепло, дым, пламя, газ) и информирования людей о факте и месте их появления. В общем случае пожарная сигнализация состоит из: приёмных устройств (приборов), пожарных извещателей, свето-звуковых устройств, линий связи, источников и цепей питания.

На рисунке 2.1 представлена функциональная схема пожарной сигнализации.

Рисунок 2.1 - Функциональная схема пожарной сигнализации

Пожарные извещатели - устройства, как для ручной подачи сигнала «ПОЖАР», так и автоматически реагирующие на появление факторов пожара.

Приёмные устройства пожарной сигнализации (приборы) служат для:

¾      получения от извещателей сигналов о пожаре или значений контролируемых ими параметров;

¾      индикации номера охраняемого объекта, от которого принят сигнал;

¾      управления звуковой и световой сигнализацией о пожаре;

¾      подачи управляющего сигнала на устройства пожарной автоматики;

¾      трансляции сигнала тревоги в пожарную охрану.

Типы систем пожарной сигнализации.

Пороговая (обычная) пожарная сигнализация. Это наиболее ранний и самый распространенный тип пожарной сигнализации в виду невысокой стоимости оборудования. Тем не менее, затраты на монтаж и техническое обслуживание этого типа пожарной сигнализации высоки за счет большого расхода кабельной продукции, а также невысокой надежности извещателей. Защита от их ложных срабатываний обеспечивается за счет увеличения количества извещателей (два вместо одного на точку), что приводит к некоторому вынужденному удорожанию системы в целом. Принятие решения о наличии пожара в большей степени зависит от извещателя, а не от прибора. Целесообразно применение на небольших и средних объектах.

Адресная пожарная сигнализация. Появление данного типа пожарной сигнализации было вызвано необходимостью точного определения места возникновения пожара. Каждый извещатель имеет свой адрес или адресную метку и заводскую настройку на один или несколько порогов. Позволяет точно определять место возникновения пожара. Но избыточночть по количеству извещателей и высокие затраты на обслуживание остаются такими же, как в обычных системах за счет того, что используются пороговые извещатели.

Адресно-аналоговая пожарная сигнализация. Самый современный тип пожарной сигнализации. Обеспечивает помимо точного определения места возникновения пожара возможность регистрации его на самой ранней стадии за счет отслеживания не фиксированных порогов, а текущих значений контролируемых параметров. Решение о наличии пожара принимает прибор на основании анализа динамики изменения величины периодически регистрируемых и передаваемых извещателями значений. Позволяют в зависимости от условий эксплуатации (типов помещений, запыленности извещателей, времени суток и т.д.) программно изменять чувствительность извещателей, устанавливать произвольно пороги срабатывания отдельно для каждого извещателя. Система, гибко подстраиваемая под условия эксплуатации и особенности каждого помещения.

2.2 Системы оповещения

Система оповещения представляет собой комплекс из совместно функционирующих модулей и устройств, предназначенный для предупреждения находящихся в здании людей о пожаре или другой аварийной ситуации и управления эвакуацией. Кроме этого, в отсутствии тревожных событий, оборудование специализированных систем оповещения может использоваться для передачи фоновой музыки или речевых сообщений.

Системы речевого оповещения обязательны практически для всех общественных зданий площадью свыше 1000м2 или этажностью выше 3.

Одним из основных требований для системы оповещения является принцип зональности многоэтажных зданий и предварительное оповещение персонала здания. Зоной оповещения называется часть здания или сооружения, где проводится одновременное и одинаковое по содержанию оповещение людей о пожаре. Разбиение здания на зоны осуществляется исходя из его архитектурных и функциональных особенностей. Это делается для того, чтобы легче было организовать эвакуацию людей. Для каждого типа системы оповещения оговаривается очередность оповещения, связь с диспетчерской и способы оповещения. Как правило, система оповещения в первую очередь предупреждает о пожаре персонал здания, чтобы служащие могли спланировать свои действия по эвакуации людей.

Система оповещения может выполнять следующие функции:

¾      трансляцию голосового сообщения с микрофона;

¾      выдачу звукового сообщения в случае чрезвычайной ситуации (пожар, нападение);

¾      включение световых указателей «Выход», указателей направления движения;

¾      выдачу голосового сообщения о пожаре и путях эвакуации в ручном режиме;

¾      выдачу голосового сообщения о пожаре и путях эвакуации автоматическом режиме по сигналу с пожарной сигнализации;

¾      обратную связь с зонами оповещения;

¾      трансляцию музыкальных записей, радиовещания.

По составу и принципу работы системы оповещения о пожаре подразделяются на централизованные и локальные.

Локальные системы оповещения о пожаре представляют собой совокупность модулей, которые при поступлении сигнала тревоги от какого-либо внешнего устройства (например, датчиков пожарной сигнализации) транслируют в ограниченном числе помещений записанное ранее текстовое сообщение. Такие системы оповещения не имеют централизованного управления.

Централизованные системы оповещения о пожаре имеют центральный блок управления и могут работать как в автоматическом, так и в полуавтоматическом режиме. В автоматическом режиме система оповещения о пожаре, в случае поступления сигнала тревоги, транслирует по зонам записанное экстренное сообщение. При необходимости диспетчер может сам передавать экстренные сообщения с микрофонной консоли или с микрофона блока тревожного оповещения (полуавтоматический режим трансляции).

Нормы пожарной безопасности определяют способы и порядок управления эвакуацией с помощью системы оповещения. Основная функция, которую выполняют системы оповещения в аварийной ситуации - это трансляция по зонам речевых сообщений, направленных на предотвращение паники и скопления людей в узких местах (в проходах, на лестницах и т.д.), а также содержащих информацию о необходимом направлении движения. Такие сообщения система оповещения может передавать с носителя информации (например, магнитной пленки) или с пульта диспетчера, если оповещение осуществляется в полуавтоматическом режиме.

Система оповещения может аппаратно или программно интегрироваться с системой контроля доступа, и при получении тревожного импульса с датчиков система оповещения будет выдавать команду на открывание дверей дополнительных эвакуационных выходов.

.3 Система охранной сигнализации

Охранная сигнализация - это совокупность совместно действующих технических средств для обнаружения проникновения (попытки проникновения) на охраняемый объект. Обеспечивает сбор, обработку, передачу и представление в заданном виде служебной информации и информации о проникновении (попытки проникновения).

Условно охранные сигнализации можно разделить на два типа:

Автономная система охранной сигнализации. Обеспечивает контроль обстановки на объекте и в случае срабатывания извещателей включает сирену, строб-вспышки и прочие устройства с целью привлечения внимания окружающих.

Охранная сигнализация с подключением к пульту централизованного наблюдения (ПЦН). В этом случае при появлении тревожных событий на охраняемом объекте информация он них передается по различным каналам связи на пульт подразделения вневедомственной охраны для оперативного реагирования.

Охрана объектов строится по многорубежной схеме, когда создаётся два или более рубежа охранной сигнализации, в каждом из которых применяются технические средства, основанные на различных принципах действия.

Рубеж 1 (Периметр) - внешний, наиболее ранний по обнаружению. Этим рубежом блокируются окна, двери, люки, вентиляционные каналы, тепловые вводы, некапитальные стены и другие элементы, доступные для несанкционированного проникновения.

Рубеж 2 (Объем). Второй рубеж предназначен для защиты внутренних объемов помещений. Требования ко второму рубежу охраны в основном сводятся к правильному выбору места установки извещателей, их юстировке и настройке. На особо важных объектах (хранилища в банках, кладовые ценностей, комнатах хранения оружия и т. п.) для охраны отдельных помещений используются несколько извещателей, различных по физическому принципу действия. Особенностью данного рубежа является многочисленность отдельных помещений, общих коридоров и необходимость точного указания помещения, в котором произошла тревога.

Рубеж 3 (Точка). Под точкой понимают локальный объект, материальные ценности, защищаемые охранной сигнализацией. Третьим рубежом блокируются сейфы, металлические шкафы или непосредственно предметы и экспонаты.

Выбор датчиков и извещателей, используемых для всех рубежей охраны, производится с учетом множества факторов: климатических условий, конструктивных особенностей охраняемого объекта, вероятных путей проникновения, режима и тактики охраны.

В общем случае охранная сигнализация состоит из: приёмных устройств (приборов), охранных извещателей, свето-звуковых устройств, линий связи, источников и цепей питания.

Охранный извещатель - устройство формирования сигнала о тревоге, попытке проникновения, или для инициирования сигнала тревоги. Одна из основных характеристик извещателей - зона обнаружения. Это зона, в которой извещатель выдает сигнал о тревоге (о проникновении) при перемещении стандартной цели (человека) на постоянном расстоянии от извещателя.

Извещатели бывают:

¾      пассивные оптико-электронные инфракрасные;

¾      активные оптико-электронные извещатели;

¾      радиоволновые;

¾      ультразвуковые;

¾      емкостные (индуктивные);

¾      магнито-контактные;

¾      микрофонные;

¾      охранные извещатели давления;

¾      пьезоэлектрические;

¾      ударно-контактные;

¾      электро-контактные;

¾      ручные охранные извещатели.

Приёмные устройства охранной сигнализации (приборы) служат для:

¾      приема извещений от охранных извещателей (шлейфов охранной сигнализации или других приемно-контрольных приборов,

¾      преобразования сигналов, выдачи извещений для непосредственного восприятия человеком;

¾      дальнейшей передачи извещений;

¾      включения оповещателей;

¾      в некоторых случаях для электропитания охранных извещателей.

3. Действующие на предприятии нормативно-технические

пожарный сигнализация охрана взрывоопасный

Документы

К основным и важнейшим нормативно-техническим документам, используемых на предприятиях, занимающихся проектированием, монтажом и наладкой систем безопасности относятся:

1)         Технический кодекс установившейся практики: ТКП 45-2.02-22-2006 (Здания и сооружения. Эвакуационные пути и выходы);

2)         Нормы пожарной безопасности Республики Беларусь: НПБ 15-2007 (Область применения автоматических систем пожарной сигнализации
и установок пожаротушения);

3)         Руководящий документ: РД 28/3.006 - 2005 (Технические средства и системы охраны. Тактика применения технических средств охранной сигнализации);

4)         Руководящий документ: РД 28/3. 009 - 2001 (Технические средства и системы охраны. Обозначения условные графические элементов систем);

5)         Строительные нормы Республики Беларусь: СНБ 2.02.02-01(Эвакуация людей из зданий и сооружений при пожаре).

3.1 ТКП 45-2.02-22-2006

Цели, основные принципы, положения по государственному регулированию и управлению в области технического нормирования и стандартизации установлены Законом Республики Беларусь
«О техническом нормировании и стандартизации».[3]

Разработан научно-проектно-производственным республиканским унитарным предприятием «Стройтехнорм» (РУП «Стройтехнорм»), техническим комитетом по стандартизации в области архитектуры и строительства «Пожарная безопасность» (ТКС 03).

Внесен управлением строительной науки и нормативов Министерства архитектуры и строительства Республики Беларусь.

Утвержден и введен в действие приказом Министерства архитектуры и строительства Республики Беларусь от 3 марта 2006 г. № 60.

В настоящем техническом кодексе установившейся практики реализованы и уточнены положения СНБ 2.02.02-01 «Эвакуация людей из зданий и сооружений при пожаре».

В Национальном комплексе технических нормативных правовых актов в строительстве настоящий технический кодекс установившейся практики входит в блок 2.02 «Пожарная безопасность».

Введен впервые.

Настоящий технический кодекс установившейся практики (далее - технический кодекс) устанавливает правила проектирования эвакуационных путей и выходов и распространяется на здания
и сооружения различного назначения (кроме зданий по производству, хранению или утилизации взрывчатых веществ, объектов военного назначения и горных выработок), а также на пожарные отсеки зданий (далее - здания).

Требования технического кодекса являются обязательными для всех организаций, юридических и физических лиц, осуществляющих проектирование.

.2 НПБ 15-2007

Разработаны:

Научно-исследовательским институтом пожарной безопасности и проблем чрезвычайных ситуаций Министерства по чрезвычайным ситуациям Республики Беларусь.

Подготовлены к утверждению и внесены: Научно-исследовательским институтом пожарной безопасности и проблем чрезвычайных ситуаций Министерства по чрезвычайным ситуациям Республики Беларусь.[4]

Согласованы: Министерством архитектуры и строительства Республики Беларусь.

Срок введения в действие с 01.03. 2008 года.

Разработаны взамен НПБ 15-2004.

С введением в действие настоящих Норм утрачивают силу пункты
160-161 НПБ 38-2003 «Нормы пожарной безопасности Республики Беларусь. Автозаправочные станции»; п.6.2 НПБ 3-97 «Нормы пожарной безопасности Республики Беларусь для торговых киосков и павильонов»; п.48
НПБ 62-2003 «Нормы пожарной безопасности Республики Беларусь. Культовые здания и сооружения. Противопожарные требования»; пункт 8.37 ВУПП-86 «Ведомственные указания по противопожарному проектированию предприятий, зданий и сооружений нефтеперерабатывающей и нефтехимической промышленности»; п. 4.2.235 ПУЭ; пункты 3.3.22, 3.5.13 «Типовых правил пожарной безопасности для промышленных предприятий. ППБ 02-75»; первый абзац п. 4.31, первое предложение п. 4.32 в части требований к области применения систем пожарной сигнализации, первое и второе предложение п. 4.33 «Правил и норм техники безопасности, пожарной безопасности, и производственной санитарии для окрасочных цехов», «Перечни зданий и помещений объектов народного хозяйства СССР, подлежащих оборудованию автоматическими системами пожаротушения и автоматической пожарной сигнализацией»; «Перечни зданий и помещений объектов народного хозяйства БССР, подлежащих оборудованию автоматическими системами пожаротушения и автоматической пожарной сигнализацией».

Настоящие нормы не могут быть тиражированы и распространены без разрешения Главного государственного инспектора Республики Беларусь по пожарному надзору.

Область применения:

)        Нормы пожарной безопасности Республики Беларусь «Область применения систем пожарной сигнализации и установок пожаротушения. НПБ 15-2007» (далее - Нормы) устанавливают основные требования по необходимости оборудования зданий, пожарных отсеков, сооружений, помещений и оборудования автоматическими системами пожарной сигнализации и установками пожаротушения (далее - СПС и УП).

)        Требования настоящих Норм следует соблюдать при проектировании, строительстве, реконструкции и модернизации предприятий, зданий, сооружений и помещений.

)        Требования настоящих Норм являются обязательными для всех юридических и физических лиц, осуществляющих свою деятельность на территории Республики Беларусь.

)        Определения терминов, используемых в настоящих Нормах, следует применять согласно приложению 1 к настоящим Нормам.

)        Нормативные документы, на которые даны ссылки по тексту настоящих Норм, приведены в перечне согласно приложению 2 к настоящим Нормам.


Разработан управлением средств и систем охраны Департамента охраны МВД Республики Беларусь.[5]

1)      Настоящий руководящий документ устанавливает общие принципы и тактику применения технических средств и систем охранной и ручной тревожной сигнализации для защиты объектов различных форм собственности (в дальнейшем - объектов), охраняемых подразделениями Департамента охраны МВД Республики Беларусь, а так же предприятиями и организациями, имеющими специальные разрешения (лицензии) на право осуществления охранной деятельности.

2)      Настоящий руководящий документ разработан во исполнение и в соответствии с Декретами Президента Республики Беларусь от 23.12.98 г № 24, от 14.07.03 г. № 17 и от 19.08.04 г. № 6 и обязателен для исполнения подразделениями Департамента охраны МВД Республики Беларусь (далее - подразделениями охраны) и всеми предприятиями и организациями Республики Беларусь, осуществляющими проектирование и монтаж систем охранной сигнализации по специальным разрешениям (лицензиям).

3)      Настоящий руководящий документ не распространяется на оснащение системами охранной и ручной тревожной сигнализации объектов с личным имуществом граждан.

В настоящем руководящем документе использованы ссылки на следующие нормативные и технические нормативные правовые акты:

)        Декрет Президента Республики Беларусь от 23 декабря 1998 года № 24 «О мерах по совершенствованию охранной деятельности в Республике Беларусь».

)        Декрет Президента Республики Беларусь от 14 июля 2003 года № 17 «О лицензировании отдельных видов деятельности».

)        Декрет Президента Республики Беларусь от 19 августа 2004 года № 6 «О мерах по совершенствованию деятельности Департамента охраны Министерства внутренних дел».

)        Приказ Министерства внутренних дел Республики Беларусь от 10.09.2004 года № 205 дсп «Об утверждении Инструкции о требованиях к оснащению системами охраны и пожарной сигнализации изоляторов органов внутренних дел для временного содержания задержанных и заключенных под стражу лиц, специальных приемников при органах внутренних дел и специальных приемников для содержания арестованных в административном порядке, а также техническому обслуживанию данных систем».

.4 РД 28/3. 009 - 2001

Разработан центром по сертификации технических средств охранно-пожарной сигнализации при объединении «охрана» при МВД Республики Беларусь.[6]

Внесен и подготовлен к утверждению объединением «охрана» при МВД Республики Беларусь.

С введением в действие РД 28/3.009-2001 «Технические средства и системы охраны. Обозначения условные графические элементов систем» утрачивает силу на территории Республики Беларусь РД 25 953-90 «Системы автоматические пожаротушения, пожарной, охранной и охранно-пожарной сигнализации. Обозначения условные графические элементов систем» в части касающейся систем охранной сигнализации.

Настоящий руководящий документ устанавливает условные графические обозначения элементов систем охраны, применяемых при выполнении проектной документации на оборудование (реконструкцию) объектов системами охраны.

Под системами охраны в настоящем документе понимаются системы охранной и ручной тревожной сигнализации, телевизионные системы видеонаблюдения (системы охранные телевизионные) и системы контроля и управления доступом.

Требования настоящего руководящего документа обязательны для выполнения всеми организациями и предприятиями независимо от форм собственности и ведомственной принадлежности, выполняющими работы по проектированию систем охраны объектов с различной формой собственности.

Несоблюдение требований настоящего руководящего документа предприятиями и организациями ведет к лишению или приостановлению действия выданных им специальных разрешений (лицензий).

.5 СНБ 2.02.02-01

Разработаны Техническим Комитетом по техническому нормированию и стандартизации в строительстве «Пожарная безопасность» (ТКС 03) при научно-проектно-производственном республиканском унитарном предприятии «Стройтехнорм» (РУП «Стройтехнорм»).[7]

Внесены РУП «Стройтехнорм».

Утверждены Приказом Министерства архитектуры и строительства Республики Беларусь от 11 мая 2001 г. № 232.

Зарегистрированы Главным управлением строительной науки и нормативов Министерства архитектуры и строительства Республики Беларусь за № 156 от 15 мая 2001 г.

В Национальном комплексе нормативно-технических документов в строительстве настоящие строительные нормы входят в блок 2.02 «Пожарная безопасность».

Взамен СНиП 2.01.02-85 в части требований по эвакуации людей из зданий и сооружений при пожаре.

Общие положения:

)        Настоящие нормы устанавливают требования по обеспечению эвакуации людей из зданий и сооружений при пожаре и должны соблюдаться при проектировании, строительстве, реконструкции и ремонте зданий и сооружений различного назначения, а также пожарных отсеков (далее ¾ зданий).

)        Настоящие нормы не распространяются на проектирование зданий с атриумами (пассажами), зданий по производству, хранению и утилизации взрывчатых веществ, горных выработок, жилых зданий высотой более 75 м и иных зданий высотой более 50 м, а также подземных сооружений различного назначения.

)        Эвакуационные пути должны обеспечивать эвакуацию всех людей, находящихся в помещениях зданий, через эвакуационные выходы без учета применяемых средств пожаротушения и противодымной защиты.

)        Классификация зданий по огнестойкости и функциональной пожарной опасности, пределы огнестойкости и классы пожарной опасности строительных конструкций, а также пожарно-технические показатели пожарной опасности строительных материалов установлены СНБ 2.02.01.Категории помещений и зданий по взрывопожарной и пожарной опасности определяются по НПБ 5.

)        Наряду с настоящими нормами должны соблюдаться противопожарные требования, изложенные в других действующих нормативно-технических документах.

)        Эффективность мероприятий по обеспечению эвакуации людей из зданий при пожаре допускается оценивать расчетным путем.

4. Программное обеспечение, используемое при разработке конструкторской и технической документации

В компании «Армстрим» вся работа ведётся в таком пакете САПР, как AutoCAD и приложении для него СПДС GraphiCS.- двух- и трёхмерная система автоматизированного проектирования и черчения, разработанная компанией Autodesk. Первая версия системы была выпущена в 1982 году. AutoCAD и специализированные приложения на его основе нашли широкое применение в машиностроении, строительстве, архитектуре и других отраслях промышленности. Программа выпускается на 18 языках. Уровень локализации варьируется от полной адаптации до перевода только справочной документации. Русскоязычная версия локализована полностью, включая интерфейс командной строки и всю документацию, кроме руководства по программированию.

Ранние версии AutoCAD оперировали небольшим числом элементарных объектов, такими как круги, линии дуги и текст, из которых составлялись более сложные. В этом качестве AutoCAD заслужил репутацию «электронного кульмана», которая остаётся за ним и поныне. Однако, на современном этапе возможности AutoCAD весьма широки и намного превосходят возможности «электронного кульмана».

В области двумерного проектирования AutoCAD по-прежнему позволяет использовать элементарные графические примитивы для получения более сложных объектов. Кроме того, программа предоставляет весьма обширные возможности работы со слоями и аннотативными объектами (размерами, текстом, обозначениями). Использование механизма внешних ссылок (XRef) позволяет разбивать чертеж на составные файлы, за которые ответственны различные разработчики, а динамические блоки расширяют возможности автоматизации 2D-проектирования обычным пользователем без использования программирования. Начиная с версии 2010 в AutoCAD реализована поддержка двумерного параметрического черчения.

Текущая версия программы (AutoCAD 2012) включает в себя полный набор инструментов для комплексного трёхмерного моделирования (поддерживается твёрдотельное, поверхностное и полигональное моделирование). AutoCAD позволяет получить высококачественную визуализацию моделей с помощью системы рендеринга mental ray. Также в программе реализовано управление трёхмерной печатью (результат моделирования можно отправить на 3D-принтер) и поддержка облаков точек (позволяет работать с результатами 3D-сканирования). Тем не менее, следует отметить, что отсутствие трёхмерной параметризации не позволяет AutoCAD напрямую конкурировать с машиностроительными САПР среднего класса, такими как Inventor, SolidWorks и другими. В состав AutoCAD 2012 включена программа Inventor Fusion, реализующая технологию прямого моделирования.

В 2010 году Autodesk выпустил бесплатное дополнение для AutoCAD, предназначенное для оформления чертежей в соответствии со стандартами СПДС, ГОСТ 21.1101-2009 «Основные требования к проектной и рабочей документации» и других нормативных документов. Модуль создает в ленте меню AutoCAD вкладку «СПДС» и добавляет в программу комплект чертежных шрифтов, соответствующих ГОСТ 2.304-81. Поддерживаются AutoCAD, AutoCAD Architecture, AutoCAD MEP, AutoCAD Civil 3D и AutoCAD Mechanical 2010 и 2011 версий.

СПДС GraphiCS - мультиплатформенное приложение, предназначенное для разработки проектно-технической документации в соответствии с требованиями стандарту предприятия, а в его отсутствие - нормам системы проектной документации для строительства (СПДС).

Каждому графическому обозначению ГОСТ сопоставлен объект СПДС GraphiCS, например, массив осей, выноска, отметка уровня, обозначение разреза и т.д. Интеллектуальность этих объектов позволяет легко получить необходимое графическое представление и задать атрибутивную информацию.

Более 20 табличных форм и возможность автоматического формирования спецификаций помогут безошибочно сформировать отчетную часть документации. База стандартных элементов содержит в себе более 3000 параметрических строительных объектов, таких как балки, колонны, ригели, плиты перекрытий, фундаментные блоки, металлопрокат, крепеж и т.п. База является открытой для редактирования и наполнения встроенным в СПДС GraphiCS механизмом.

СПДС GraphiCS настолько интуитивно, что практически не требует затрат времени на освоение. Выполняя свою работу, проектировщик всецело поглощен решением инженерной задачи, не задумываясь о контроле его оформления в электронном виде. Автоматический нормоконтроль за параметрами объектов обеспечит единый стандарт выпускаемой документации всей организации.

СПДС GraphiCS - кроссплатформенное приложение, предназначенное для разработки проектно-технической документации в соответствии с требованиями стандарта предприятия, а в его отсутствие - нормам СПДС.

Элементы оформления

Для удобства оформления проектной документации графическим обозначениям элементов ГОСТ соответствуют объекты СПДС, размещенные на одной панели инструментов или ленте.

Инструменты на главной панели и ленте сгруппированы по назначению.

Средства редактирования позволяют пользователю легко менять графическое отображение объекта в соответствии с требованиями ГОСТ. Все объекты СПДС используют специальный векторный шрифт, соответствующий единой системе конструкторской документации ГОСТ 2.304-81.

СПДС GraphiCS обладает рядом сервисных функций, предоставляющих инструменты для управления поведением объектов:

¾      масштабирование;

¾      менеджер объектов;

¾      настройки СПДС.

Специализированные возможности обеспечиваются уникальным набором инструментов, позволяющих создавать пользовательские объекты, управлять их поведением и передавать данные в табличные формы. Среди этих инструментов:

¾      группа объектов;

¾      мастер объектов, позволяющий создавать пользовательские объекты;

¾      универсальный маркер;

¾      альбомы;

¾      редактор форм;

¾      связь данных чертежа с табличными формами.

СПДС GraphiCS является уникальным приложением для подготовки проектной документации всех разделов проектирования и одновременно - инструментом стандартизации работ проектировщиков. СПДС GraphiCS увеличит производительность работ любой проектной организации.

5. Участие в разработке проекта «Контроллер микропроцессорный автоматический потребляемого тока »

Во время прохождения производственной практики необходимо было разработать и изготовить опытные образцы контроллера микропроцессорного автоматического потребляемого тока.

При выполнении ОКР рекомендуется использовать следующие нормативные документы:

¾      ГОСТ 2.417-91 «Платы печатные. Правила выполнения чертежей. Общие технические условия»;

¾      ГОСТ 2.123-93 «Комплектность конструкторских документов на печатные платы при автоматизированном производстве»;

¾      ГОСТ 2.004-88 «Общие требования к выполнению конструкторских и технологических документов на печатающих и графических устройствах вывода ЭВМ»;

¾      ГОСТ 10317-79 «Платы печатные. Основные размеры».

Технические требования:

) Требования к конструкции:

.1) Конструкция контроллера потребляемого тока должна обеспечивать возможность автоматизации регулировочных и контрольных операций;

.2) Материалы и полуфабрикаты, комплектующие изделия контроллера микропроцессорного автоматического потребляемого тока должны применяться по действующим стандартам и техническим условиям на них.

.3) Масса контроллера потребляемого тока должна быть не более 1 кг.

.1) Время холодного старта должна быть не более 35 с;

.2) Время горячего старта должна быть не более 1 с;

.3) Время непрерывной работы контроллера потребляемого тока должно быть не менее 144 ч.

) Требования к надежности:

.1) Средняя наработка на отказ должна быть не менее 10000 ч;

.2) Средний ресурс должен быть не ниже 10000 ч;

.3) Средний срок службы должен быть не менее 6 лет.

Контроллер микропроцессорный автоматический потребляемого тока используется для защиты чувствительной бытовой техники при перепадах напряжения в сети. Если возникнет короткое замыкание, устройство выключит нагрузку и ток до защищаемого устройства не пойдет. Его основными преимуществами являются небольшие размеры, скорость срабатывания, возможность задания точности работы, простота в применении.

Принцип работы заключается в следующем, если ток превысит значение, выставленное ручкой потенциометра, то светодиод «time» начнет мигать ровно столько секунд, сколько выставлено ручкой «time». Если ручка «time» выкручена в 0, то прибор выключит потребление тока. Отключение произойдет в течение 10 миллисекунд, т. к 8 миллисекунд размыкание контактов реле.

К дифференциальному входу АЦП контроллера подключен трансформатор тока. Полученное переменное напряжение (0-50 милливольт) считывается в реальном времени, благодаря чему обеспечивается такая скорость срабатывания аварийной ситуации.

К двум каналам АЦП подключены два потенциометра, значения которых обсчитываются для узнавания задержки и предельного значения замеряемого тока. Для обеспечения стабильности работы на питание аналоговой части микроконтроллера подается напряжение от источников опорного напряжения. К одному из выходов подключен транзисторный ключ, управляющий мощным реле (16А), которое в свою очередь коммутируют нагрузку, поэтому достигается высокая точность срабатывания.

Вся документация, полученная в результате проделанной работы, находится в приложении.

6. Мероприятия по охране труда и пожарной безопасности

Все строительно-монтажные работы должны выполняться при строгом соблюдении требований: ТКП 45-1.03-44-2006 «Техника безопасности в строительстве».

Для сбора мусора и отходов производства оборудовать контейнеры, которые маркируются и размещаются в отведённых для них местах. Мусоросборники оборудовать плотно закрывающимися крышками, регулярно очищать от мусора. Переполнение мусоросборников не допускать.

На строительной площадке приказом либо инструкцией, утверждаемой руководителем строительной организации, должен быть установлен соответствующий противопожарный режим.

Персональную ответственность за обеспечение пожарной безопасности на объекте несёт руководитель генподрядной организации либо другое уполномоченное лицо. Ответственность за соблюдение мер пожарной безопасности при выполнении работ субподрядными организациями на объекте возлагается на руководителей работ этих организаций. Не допускается применять для сушки и отопления помещений нагревательные приборы, жаровни, мангалы, электроприборы с открытыми нагревательными элементами.

В качестве заземляющих проводников должны использовать только специально предназначенные для этого проводники. Магистрали заземления должны быть присоединены к заземлителям не менее чем в двух разных местах и, по возможности, с противоположных сторон. Не допускается в качестве заземления использовать трубопроводы систем водопровода, канализации, отопления и подобных систем.

Во временных зданиях и сооружениях не допускается применение светильников в открытом исполнении.

Прокладка электрических сетей через ограждающие конструкции должно выполняться в металлических гильзах с уплотнением негорючими материалами.

В конце рабочего дня обеспечить централизованное отключение электроэнергии бытовых сооружений.

7. Технико-экономическое обоснование выпускаемой продукции (оказанных услуг)

Технико-экономическое обоснование (ТЭО) - это изучение экономической выгодности, анализ и расчет экономических показателей создаваемого инвестиционного проекта. Целью проекта может быть создание технического объекта или строительство или реконструкция существующего здания.

Главной задачей при составлении ТЭО является оценка затрат на инвестиционный проект и его результатов, анализ срока окупаемости проекта.

Составить ТЭО необходимо самому предпринимателю для понимания того, что стоит ли ждать от проекта, а для инвестора ТЭО предпринимателя, запрашивающего инвестиции необходимо, для понимания сроков окупаемости вложенных денег. Разработка ТЭО может может быть поручена как группе специалистов (в сложных проектах), так и может быть составлено и самостоятельно предпринимателем.

Что же является основными отличиями ТЭО от бизнес-плана?

Обычно ТЭО составляется для новых проектов на уже существующем предприятии, поэтому такие блоки, как маркетинговые исследования, анализ рынка, описание предприятия и продукта не описываются в таких ТЭО.

Но иногда возникает ситуация и дополнительно в ТЭО приводятся подробные данные об анализе технологий и оборудования и причины их выбора.

Таким образом, технико-экономическое обоснование (ТЭО) является более коротким и содержательным документом, чем полноценный бизнес-план.

Методика составления ТЭО.

При составлении ТЭО допускается следящая последовательность тематических частей:

¾      исходные данные, информация о секторе рынка;

¾      существующие возможности действующего бизнеса предприятия;

¾      источники сырья, материальные факторы длоя развития бизнеса;

¾      капитальные затраты предполагаемые для достижения поставленной цели;

¾      эксплуатационные затраты при реализации проекта;

¾      производственный план;

¾      финансовая политика и финансовая составляющая проекта;

¾      общая информация о будущем проекте.

В общем, в ТЭО приводится описание отрасли, в которой работает предприятие, и дается обоснование выбора территориального и географического положения действующего и предполагаемого бизнеса, а так же описывается вид выпускаемой продукции. Здесь необходимым является описание и обоснование цен на выпускаемую продукцию. При этом финансовая часть ТЭО содержит информацию об источниках финансирования и сроки погашения задолженности, условия использования заемных средств.

Расчеты в ТЭО состоят из таблиц, в которых представлено движение денежных средств и баланс.

Такая структура ТЭО может и не являться единственно правильной и может изменяться в зависимости от конкретного проекта. Так же, она может быть расширена для больших и сложных бизнес проектов.

Методика составления технико-экономического обоснования (ТЭО):

) Оглавление или структура. Краткое описание глав документа;

) Общее описание проекта, вводные данные о проекте. Информация об исследованиях, которые были проведены предварительно, оценка необходимых инвестиций;

) Описание рынка и производства. Оценка спроса и прогноз будущих продаж, описание мощностей предприятия;

) Сырье и ресурсы. Расчет необходимых объемов материальных ресурсов, прогноз и описание поставок ресурсов на предприятие, анализ цен на них;

) Выбор месторасположения предприятия (объектов предприятия). Обоснование выбора места и оценка стоимости аренды помещения или участка;

) Проектная документация. Описание технологии производства будущих изделий, характеристики необходимого оборудования, дополнительные строения;

) Организационная структура предприятия. Описание организации предприятия и накладные расходы;

) Трудовые ресурсы. Оценка потребности в трудовых ресурсах с делением на категории (рабочие, служащие, топ-менеджеры, руководители и т.д). Оценка расходов на заработную плату;

) Сроки осуществления проекта. План-график проекта, смета расходов, размеры траншей и пр;

) Экономические расчеты. Оценка инвестиционных издержек, производственные издержки, финансовая оценка проекта.

СПИСОК ИСПОЛЬЗОВАННЫХ ИСТОЧНИКОВ

[1] Армстрим [Электронный ресурс] .- Электронные данные. - Режим доступа: <http://armstrim.deal.by>.

[2] Спецприбор [Электронный ресурс] .- Электронные данные. - Режим доступа: <http://www.specpribor.ru>

[3] ТКП 45-2.02-22-2006. Здания и сооружения. Эвакуационные пути и выходы.

[4] НПБ 15-2007. Область применения автоматических систем пожарной сигнализации и установок пожаротушения.

[5] РД 28/3.006 - 2005. Технические средства и системы охраны. Тактика применения технических средств охранной сигнализации.

[6] РД 28/3. 009 - 2001 Технические средства и системы охраны. Обозначения условные графические элементов систем.

[7] СНБ 2.02.02-01.Эвакуация людей из зданий и сооружений при пожаре.

[1] Гук, М. Процессоры Pentium II, Pentium Pro и просто Pentium / М. Гук. - СПб. : Питер Ком, 1999. - 288 с.

Пример указания книги с количеством авторов до трех включительно:

[2] Кузелин, М. О. Современные семейства ПЛИС фирмы Xilinx : справ. пособие / М. О. Кузелин, Д. А. Кнышев, В. Ю. Зотов. - М. : Горячая линия-Телеком, 2004. - 440 с.

Пример указания книги с количеством авторов, большим трех:

[3] Технические средства диагностирования : справочник / В. В. Клюев [и др.]. - М. : Машиностроение, 1989. - 672 с.

Пример указания книги на иностранном языке:

[4] Embedded Microcontrollers : Databook / Intel Corporation. - Santa Clara, Ca, 1994.

 [5] Проектирование самотестируемых СБИС : монография. В 2 т. / В. Н. Ярмолик [и др.]. - Минск : БГУИР, 2001.

Похожие работы на - Производство приемно-контрольного охранно-пожарного ППКОП 0149-1-1 прибора 'ЯХОНТ-1И'

 

Не нашли материал для своей работы?
Поможем написать уникальную работу
Без плагиата!
Без нейросетей!