Проектирование учебного демонстрационного стенда 'Цифроаналоговый преобразователь' с подключением к компьютеру через порт USB

  • Вид работы:
    Дипломная (ВКР)
  • Предмет:
    Информатика, ВТ, телекоммуникации
  • Язык:
    Русский
    ,
    Формат файла:
    MS Word
    1,66 Мб
  • Опубликовано:
    2012-06-16
Вы можете узнать стоимость помощи в написании студенческой работы.
Помощь в написании работы, которую точно примут!

Проектирование учебного демонстрационного стенда 'Цифроаналоговый преобразователь' с подключением к компьютеру через порт USB

СОДЕРЖАНИЕ

Введение

        Общая часть

.1     Постановка задачи

.2     Основные технические требования, предъявляемые к устройству

.3     Обзор существующих методов решения поставленной задачи

        Специальная часть

.1     Разработка структурной схемы проектируемого устройства

.2     Выбор и обоснование электронных компонентов устройства

.3     Разработка принципиальной схемы устройства

.4     Разработка печатной платы

.5     Описание общего алгоритма программного обеспечения

.6     Разработка чертежей

.7     Разработка инструкции по применению устройства

.8     Меры безопасности

        Организационно-экономическая часть

.1     Расчет себестоимости изделия

.2     Расчет цены изделия и прибыли от его реализации

.3     Расчёт показателей экономической эффективности производства изделия

Заключение

Литература

Введение

учебный демонстрационный стенд цифроаналоговый преобразователь

Под информацией в широком смысле принято понимать различные сведения о событиях в общественной жизни, явлениях природы, о процессах в технических устройствах. Она содержатся в нашей речи, в текстах книг и газет, в показаниях измерительных приборов и отображает разнообразие, присущее объектам и явлениям реального мира. Информацию, воплощенную и зафиксированную в некоторой материальной форме, называют сообщением и передают с помощью сигналов. Природа большинства физических величин такова, что они могут принимать любые значения в каком-то диапазоне (температура, давление, скорость и т.д.). Сигнал, отображающий эту информацию и возникающий на выходе соответствующего датчика, на любом временном интервале может иметь бесконечное число значений.

Если сигнал не прерывный, то его обычно называют аналоговым, а устройства, в которых действуют такие сигналы, называют аналоговыми. Существуют также дискретные сообщения, параметры которых содержат фиксированный набор отдельных значений. А так как этот набор конечен, то и объем информации в таких сообщениях конечен.

В последнее время очень часто встречается выражение - «Новые информационные технологии». Что же это такое? Вообще информационная технология - это совокупность конкретных технических и программных средств, с помощью которых выполняются разнообразные операции по обработке информации во всех сферах нашей жизни и деятельности. Иногда информационную технологию называют компьютерной технологией или прикладной информатикой.

Термин «информация» восходит к латинскому informatio,- разъяснение, изложение, осведомленность. Информацию можно классифицировать разными способами, и разные науки это делают по-разному. Например, в философии различают информацию объективную и субъективную. Объективная информация отражает явления природы и человеческого общества. Субъективная информация создается людьми и отражает их взгляд на объективные явления. В информатике отдельно рассматривается аналоговая информация и цифровая. Это важно, поскольку человек благодаря своим органам чувств, привык иметь дело с аналоговой информацией, а вычислительная техника, наоборот, в основном, работает с цифровой информацией.

Человек воспринимает информацию с помощью органов чувств. Свет, звук, тепло - это энергетические сигналы, а вкус и запах - это результат воздействия химических соединений, в основе которого тоже энергетическая природа. Человек испытывает энергетические воздействия непрерывно и может никогда не встретиться с одной и той же их комбинацией дважды. Нет двух одинаковых зеленых листьев на одном дереве и двух абсолютно одинаковых звуков - это информация аналоговая. Если же разным цветам дать номера, а разным звукам - ноты, то аналоговую информацию можно превратить в цифровую.

Музыка, когда ее слушают, несет аналоговую информацию, но если записать ее нотами, она становится цифровой. Разница между аналоговой информацией и цифровой, прежде всего, в том, что аналоговая информация непрерывна, а цифровая дискретна. К цифровым устройствам относятся персональные компьютеры - они работают с информацией, представленной в цифровой форме, цифровыми являются и музыкальные проигрыватели лазерных компакт дисков.

Процесс формирования определенного представления информации называют называется кодирование информации. В более узком смысле под термином «кодирование» часто понимают переход от одной формы представления информации к другой, более удобной для хранения, передачи или обработки. Компьютер может обрабатывать только информацию, представленную в числовой форме. Вся другая информация (звуки, изображения, показания приборов и т. д.) для обработки на компьютере должна быть преобразована в числовую форму. Например, чтобы перевести в числовую форму музыкальный звук, можно через небольшие промежутки времени измерять интенсивность звука на определенных частотах, представляя результаты каждого измерения в числовой форме. С помощью компьютерных программ можно преобразовывать полученную информацию, например «наложить» друг на друга звуки от разных источников.

Аналогично на компьютере можно обрабатывать текстовую информацию. При вводе в компьютер каждая буква кодируется определенным числом, а при выводе на внешние устройства (экран или печать) для восприятия человеком по этим числам строятся изображения букв. Соответствие между набором букв и числами называется кодировкой символов. Как правило, все числа в компьютере представляются с помощью нулей и единиц (а не десяти цифр, как это привычно для людей). Иными словами, компьютеры обычно работают в двоичной системе счисления, так как в двоичной системе устройства для их обработки получаются значительно более простыми.

Двоичная система имеет единицу измерения информации:

-      бит - наименьшая единица представления информации;

-           байт - наименьшая единица обработки и передачи информации.

Решая различные задачи, человек использует информацию об окружающем нас мире. Часто приходится слышать, что сообщение несет мало информации или, наоборот, содержит исчерпывающую информацию, при этом разные люди, получившие одно и то же сообщение (например, прочитав статью в газете), по-разному оценивают количество информации, содержащейся в нем. Это означает, что знания людей об этих событиях (явлениях) до получения сообщения были различными. Количество информации в сообщении, таким образом, зависит от того, насколько ново это сообщение для получателя. Если в результате получения сообщения достигнута полная ясность в данном вопросе (т.е. неопределенность исчезнет), говорят, что получена исчерпывающая информация. Это означает, что нет необходимости в дополнительной информации на эту тему. Напротив, если после получения сообщения неопределенность осталась прежней (сообщаемые сведения или уже были известны, или не относятся к делу), значит, информации получено не было (нулевая информация).

Подбрасывание монеты и слежение за ее падением дает определенную информацию. Обе стороны монеты «равноправны», поэтому одинаково вероятно, что выпадет как одна, так и другая сторона. В таких случаях говорят, что событие несет информацию в 1 бит. Если положить в мешок два шарика разного цвета, то, вытащив вслепую один шар, мы также получим информацию о цвете шара в 1 бит.Единица измерения информации называется бит (bit) - сокращение от английских слов binary digit, что означает двоичная цифра.

В компьютерной технике бит соответствует физическому состоянию носителя информации: намагничено - не намагничено, есть отверстие - нет отверстия. При этом одно состояние принято обозначать цифрой 0, а другое - цифрой 1. Выбор одного из двух возможных вариантов позволяет также различать логические понятия истину и ложь. Последовательностью битов можно закодировать текст, изображение, звук или какую-либо другую информацию. Такой метод представления информации называется двоичным кодированием (binary encoding).

В информатике часто используется величина, называемая байтом (byte) и равная 8 битам. И если бит позволяет выбрать один вариант из двух возможных, то байт, соответственно, 1 из 256. Наряду с байтами для измерения количества информации используются более крупные единицы:

-    1 Кбайт (один килобайт = 1024 байта;

-           1 Мбайт (один мегабайт) = 1024 Кбайта;

-           1 Гбайт (один гигабайт) = 1024 Мбайта.

Например, книга содержит 100 страниц; на каждой странице - 35 строк, в каждой строке - 50 символов. Объем информации, содержащийся в книге, рассчитывается следующим образом:

-    страница содержит 35 × 50 = 1750 байт информации. Объем всей информации в книге (в разных единицах):

-    1750 × 100 = 175 000 байт.

-           175 000 / 1024 = 170,8984 Кбайт.

-           170,8984 / 1024 = 0,166893 Мбайт.

Из физики известно, что звук - это колебания воздуха. Если преобразовать звук в электрический сигнал (например, с помощью микрофона), то видно плавно изменяющееся с течением времени напряжение. Для компьютерной обработки такой - аналоговый - сигнал нужно каким-то образом преобразовать в последовательность двоичных чисел. Делается это, например, так - измеряется напряжение через равные промежутки времени и полученные значения записываются в память компьютера. Этот процесс называется дискретизацией (или оцифровкой), а устройство, выполняющее его - аналого-цифровым преобразователем (АЦП).Чтобы воспроизвести закодированный таким образом звук, нужно сделать обратное преобразование (для этого служит цифро-аналоговый преобразователь - ЦАП), а затем сгладить получившийся ступенчатый сигнал. На (рисунке 1) приведен пример графического представления формы аналогового сигнала, его преобразования в дискретные сигналы и обратное преобразование.

Рисунок 1 - Графическое представление аналоговой и дискретной формы сигнала

Чем выше частота дискретизации и чем больше разрядов отводится для каждого отсчета, тем точнее будет представлен звук, но при этом увеличивается и размер звукового файла. Поэтому в зависимости от характера звука, требований, предъявляемых к его качеству и объему занимаемой памяти, выбирают некоторые компромиссные значения. Описанный способ кодирования звуковой информации достаточно универсален, он позволяет представить любой звук и преобразовывать его самыми разными способами. Но бывают случаи, когда выгодней действовать по-иному.

Издавна используется довольно компактный способ представления музыки - нотная запись. В ней специальными символами указывается, какой высоты звук, на каком инструменте и как сыграть. Фактически, ее (нотную запись) можно считать алгоритмом для музыканта, записанным на особом формальном языке. В 1983 ведущие производители компьютеров и музыкальных синтезаторов разработали стандарт, определивший такую систему кодов. Он получил название MIDI.

Конечно, такая система кодирования позволяет записать далеко не всякий звук, она годится только для инструментальной музыки. Но есть у нее и неоспоримые преимущества: - чрезвычайно компактная запись, естественность для музыканта (практически любой MIDI-редактор позволяет работать с музыкой в виде обычных нот), легкость замены инструментов, изменения темпа и тональности мелодии. Есть и другие, чисто компьютерные, форматы записи музыки. Среди них - формат MP3, позволяющий с очень большим качеством и степенью сжатия кодировать музыку, при этом вместо 18-20 музыкальных композиций на стандартном компакт-диске (CDROM) помещается около 200.

На практике непрерывные сообщения можно представлять в дискретной форме. Непрерывность сообщений по величине не может быть реализована в связи с погрешностью источников и приемников информации и наличием помех в канале передали информации. Поэтому к непрерывным сигналам, отображающим сообщения, можно применять квантование по уровню и по времени. При квантовании по уровню совокупность возможных значений напряжения или тока заменяют конечным набором дискретных значений из этого интервала.Квантование по времени предусматривает замену непрерывного сигнала последовательностью импульсов, следующих через определенные промежутки, временя называемых тактовыми. Если тактовые интервалы выбраны соответствующим образом, то потери информации не происходит.

При одновременном введении квантования по времени и по уровню амплитуда каждой выборки будет принимать ближайшее разрешенное значение из выбранного конечного набора значений. Совокупность всех выборок образует дискретный или цифровой сигнал. Каждое значение дискретного сигнала можно представить числом. В цифровой технике такой процесс называется кодированием (дискретизацией), а совокупность полученных чисел - кодом сигнала.

Цель дипломного проекта предусматривает более детальное описание процесса преобразования цифровой информации в аналоговую. А для полноты восприятия этого процесса в рамках специального задания планируется разработка и изготовление демонстрационного учебного стенд «Цифро-аналогового преобразователь»

1 Теоретическая часть

.1 Постановка задачи

Устройства, преобразующие дискретную информацию в аналоговую называются цифроаналоговыми преобразователями. Выходной сигнал ЦАП в общепринятых единицах измерения тока или напряжения (мВ, В, мА) соответствует численному значению входной кодовой комбинации.

Например, при подаче на вход ЦАП кодовой комбинации (в десятичном эквиваленте) равной 150 на его выходе при этом имеется напряжение 1500 мВ, это значит, что изменение значения входной кодовой комбинации (входного числа) на единицу приводит к изменению выходного напряжения на 10 мВ. В этом случае мы имеем ЦАП с шагом преобразования цифровой информации 10 мВ. Величина напряжения, соответствующая одной единице цифровой информации, называется шагом квантования (Duкв). При подаче на вход ЦАП последовательной цифровой комбинации, меняющейся от 0 до N, на его выходе появится ступенчато-нарастающее напряжение (рисунок 2). Высота каждой ступени соответствует одному шагу квантования Duкв.

Если число входной кодовой комбинации соответствует N, то выходное напряжение Uвых ЦАП = N*Duкв. Таким образом, можно вычислить значение выходного напряжения для любой входной кодовой комбинации. Нетрудно убедиться в том, что Duкв является масштабным коэффициентом преобразователя, имеющим размерность тока или напряжения (так как цифровая комбинация на входе ЦАП размерности не имеет). Обычно, значение Duкв выбирают кратным десяти, что облегчает процесс пересчета соответствия преобразованного и исходного сигналов. Так как Duкв определяет минимальное значение выходного напряжения аналогового сигнала Uвых мин. = Duкв, при выборе его значения необходимо учитывать также шумовые факторы, погрешности усиления масштабирующих усилителей и компаратора.

Рисунок 2 - Диаграмма выходного напряжения ЦАП

Основные параметры ЦАП.

Точность преобразования и качество работы ЦАП характеризуют следующие параметры:

относительная разрешающая способность;

абсолютная разрешающая способность;

абсолютная погрешность преобразования;

нелинейность преобразования;

скорость преобразования (время одного преобразования) и максимальная частота преобразования.

Относительная разрешающая способность - это обратная величина от максимального числа уровней квантования

do = 1/2n - 1,

где n- количество разрядов двоичного числа, подаваемого на вход АЦП (n - соответствует числу разрядных входов ЦАП).

Абсолютная разрешающая способность

dа = Uпш/2n - 1 = Duкв,

где Uпш - напряжение полной шкалы, соответствующее опорному напряжению ЦАП, это напряжение можно считать равным максимальному выходному напряжению;

2n - 1 = N - количество ступеней квантования.

Численно абсолютная разрешающая способность равна шагу квантования Duкв.

Абсолютная погрешность преобразования dпш показывает максимальное отклонение выходного напряжения Uвых в точке пересечения с идеальной характеристикой (прямой) на уровне напряжения полной шкалы (рисунок 3). Абсолютная погрешность преобразования оценивается в процентах или же в единицах младшего значащего разряда (МР). При оценке значения абсолютной погрешности преобразования знак напряжения не учитывается.

Рисунок 3 - Пояснения к определению погрешностей преобразования ЦАП

Нелинейность преобразования ЦАП dлн - характеристика, которая определяет максимальное отклонение реальной характеристики от идеальной (рисунок 3). Нелинейность преобразования оценивается в процентах или в единицах младшего значащего разряда.

Время установления выходного напряжения или тока tуст - интервал времени от подачи входного двоичного входного кода до вхождения выходного сигнала в заданные пределы.

Максимальная частота преобразования fпр - наибольшая частота дискретизации, при которой параметры ЦАП соответствуют заданным значениям. Максимальная частота и время установления определяют быстродействие ЦАП.

Виды ЦАП условно можно разделить на две группы:

с резисторными матрицами;

безматричные ЦАП.

Один из возможных схемных вариантов резисторной R2-R матрицы показан на рисунок 4

Рисунок 4 - Схема резисторной матрицы R2-R

В интегральном исполнении применяются только ЦАП с прецизионными резисторными матрицами, формирующими выходные сигналы путем суммирования токов. ЦАП содержит элементы цифровой и аналоговой схемотехники. В качестве аналоговых элементов используются операционные усилители, аналоговые ключи (коммутаторы), резисторные матрицы и т.д.

Аналоговые элементы, входящие в состав ЦАП, практически полностью определяют его качественные и эксплуатационные параметры, основную роль при этом играют точность подбора номиналов резисторов резисторной матрицы и параметров операционного усилителя (ОУ).Операционный усилитель представляет собой усилитель постоянного тока, имеющий коэффициент усиления по напряжению более тысячи. Он имеет дифференциальный входной каскад, т.е. имеет два входа: инвертирующий и неинвертирующий.

Своему названию ОУ “обязан” аналоговым вычислительным машинам, так как первоначально он был ориентирован на моделирование различных математических операций. Появление ОУ в виде интегральных микросхем привело к быстрому росту популярности ОУ в реализации аналоговой и гибридной электронной схемотехники. Условное обозначение ОУ показано на рисунок 5.

Рисунок 5 - Условное обозначение операционного усилителя:

а) - стандартное по ГОСТу; б) - для рабочей документации

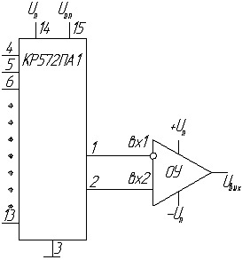
Благодаря большому коэффициенту усиления (современные ОУ имеют коэффициент усиления К=105 ...106) и малым входным токам, усилители, построенные на базе ОУ, обладают уникальными свойствами. В частности, параметры многих устройств определяются только внешними цепями - цепями обратной связи, соединяющими выход ОУ с его входом. Промышленностью выпускаются ЦАП в виде интегральных микросхем содержащих в своем составе резистивную матрицу R-2R, электронные ключи и резистор обратной связи. Для подключения операционного усилителя в микросхеме имеются специальные выводы. В качестве примера на рисунок 6 показана схема десятиразрядного ЦАП, построенного на базе ИМС К572ПА1.

Рисунок 6 - Схема ЦАП на микросхеме КР572ПА1

Назначение выводов микросхемы:

1 и 2 - выходы;

3 - общий;

4…13 - цифровые входы;

14 - вывод для подачи напряжения питания;

15 - для подачи опорного напряжения;

16 - цепь обратной отрицательной связи.

Выше изложенный материал этого раздела является основой моделирования и визуальной демонстрации процесса преобразования цифровой информации в аналоговую величину для разрабатываемого учебного стенда «Цифроаналоговый преобразователь». Для успешной разработки и изготовления стенда необходимо выполнить следующее:

разработать основные технические требования, предъявляемые к устройству;

провести обзор существующих методов решения поставленной задачи;

разработать структурную схему проектируемого устройства;

сделать выбор и обоснование электронных компонентов устройства;

разработать принципиальную схему устройства;

разработать печатную плату;

разработать общий алгоритм программного обеспечения;

разработать необходимые рисунки чертежи дипломного проекта;

разработать инструкции по применению устройства;

разработать меры безопасности;

рассчитать себестоимость изделия;

рассчитать цену и прибыль от реализации изделия;

расчисть показатель экономической эффективности производства изделия.

1.2 Основные технические требования, предъявляемые к разрабатываемому устройству

Технические требования это один из разделов технических условий, которые разрабатывается по решению разработчика (изготовителя) или по требованию заказчика (потребителя) продукции.

На любые устройства в основных технических требованиях описываются:

назначение устройства;

условия эксплуатации;

основные технические характеристики;

различные другие требования.

Разрабатываемое устройство изначально рассчитано не на использование в промышленности, а как демонстрационное учебное пособие для изучения процесса преобразования цифровой информации в аналоговую. Данное устройство будет использовано в лаборатории 19 НПГК в нормальных условиях эксплуатации. Основные технические характеристики, которым должен соответствовать разрабатываемый демонстрационный учебный стенд «Цифроаналоговый преобразователь», приведены в таблице 1

Таблица 1 - Основные технические требования проектируемого устройства

№ п/п

Наименование параметра

Значение

1

Время установления выходного сигнала ЦАП не более

0,1 мс

2

Количество разрядов

8

3

Погрешность преобразования не более

1%

4

Нелинейность преобразования не более

0,1%

5

Скорость преобразования не более

0,1 мс

6

Стенд относится к ремонтопригодным изделиям


7

Код входного сигнала

Двоичный

8

Длина преобразуемого слова

8 бит

9

Средний срок службы стенда не менее

10 лет

10

Поддержка ОС Windows 2000, 2003, XP


11

Подключение к компьютеру

USB-порт

12

Габаритные размеры не более

160х160х40

13

Максимальный суммарный ток нагрузки не более

0,2 А

14

Детали устройства помещены в общий корпус


15

Требования безопасности по ГОСТ 21552

ГОСТ 21552

16

Стенд состоит из унифицированных составных частей.



Конструкцией и программным обеспечение стенда, должно быть, предусмотрен демонстрационный показ процесса преобразования цифрового кода в аналоговый сигнал пилообразной, треугольной и произвольной форм. На рисунке 7 показан примерный вид окна программы обеспечивающей взаимодействие оператора (обучаемого) со стендом. В окне программы должны быть расположены виртуальные кнопки 2…7:

открытия порта USB;

переключения прорисовки сигналов произвольной, пилообразной и треугольной форм;

кнопка ручного ввода значения кода на входах ЦАП;

кнопка ручной очистки прорисованного сигнала, окно индикации кода 1 и окно виртуального осциллографа.

Рисунок 7 - Примерный вид окна программы

.3 Обзор существующих методов решения поставленной задачи

Лучшим способом изучения любого электронного устройства является экспериментальное исследование его свойств с применение измерительных приборов. При этом лучше, если испытуемая схема собрана руками самого студента. Однако такой подход в реальности далеко не всегда приемлем по причине отсутствия достаточного времени на сборку схемы, необходимых комплектующих, отсутствия лабораторных условий и необходимого оборудования и т.д. Поэтому в учебной практике применяют различные учебные стенды, на которых уже собраны исследуемые с возможностью упрощенного подключения их отдельным измерительным приборам. В последнее время появились разновидности виртуальных или физически-виртуальных учебных стендов с применением персональных компьютеров.

Достаточно большой выбор учебных стендов предлагает Российское производственное объединение «Росуч прибор» Научно-производственный Институт «Учебная техника и технология» Южно-Уральского государственного университета. Однако подходящих по приемлемой цене учебных стендов для изучения принципа цифроаналоговых преобразователей в его каталоге не оказалось.

В настоящее время промышленность выпускает различные унифицированные модули, посредством которых можно без особых проблем подключать внешние устройства к персональному компьютеру, а с помощью несложных программ производить обмен информацией с этими вешними устройствами и управлять ими. Используя эти модули можно создавать различные учебные стенды, при этом существенно снижаются трудозатраты на изготовление и сборку стенда.

Ниже в этом разделе проводится обзор технических возможностей трех таких модулей:

) Модуль Ke-USB24A

Модуль Ke-USB24A предназначен для сопряжения внешних цифровых и аналоговых устройств, датчиков и исполнительных механизмов с компьютером через шину USB. Определяется как дополнительный (виртуальный) COM порт. Модуль имеет 24 дискретные линии ввода/вывода с возможностью настройки направления передачи данных (вход/выход) и встроенный 10-ти разрядный АЦП. Для управления модулем предусмотрен набор текстовых команд управления (KE - команды). Общий вид модуля Ke-USB24A представлен на рисунок 8.

Рисунок 8 - Модуль Ke-USB24A

Отличительные особенности:

интерфейсный модуль для сопряжения по шине USB;

определяется ОС Windows/Linux как виртуальный COM порт;

не требует дополнительных схемных элементов, сразу готов к работе;

24 дискретные линии ввода/вывода с возможностью независимой настройки направления передачи данных (вход/выход) и сохранения настроек в энергонезависимой памяти модуля;

встроенный 10-ти разрядный АЦП с гарантированной частотой дискретизации до 400 Гц.;

динамический диапазон напряжения входного аналогового сигнала для АЦП от 0 до 5 В;

набор готовых текстовых команд управления высокого уровня (KE - команды);

удобный форм-фактор в виде модуля с DIP-колодкой и разъемом USB-B;

возможность питания как от шины USB так и от внешнего источника питания (режим выбирается джампером на плате);

возможность сохранения данных пользователя в энергонезависимой памяти модуля (до 32 байт);

возможность изменения строкового дескриптора USB устройства;

каждый модуль имеет уникальный серийный номер доступный программно;

- поддержка ОС Windows 2000, 2003, XP, Vista, OS Linux.

2) Модуль WoodmanUSB

Модуль WoodmanUSB предназначен для решения задачи передачи данных между периферийным устройством и компьютером через шину USB на высоких скоростях (HighSpeed). WoodmanUSB представляет собой двунаправленный мост USB-FIFO с простым и доступным интерфейсом управления. С его помощью можно достичь скорости передачи данных по шине USB до 220 Мбит/с. Внешний вид модуля WoodmanUSB представлен на рисунке 9.

Отличительные особенности:

двунаправленный мост USB-FIFO;

параллельный интерфейс передачи данных;

скорость передачи данных до 220 Мбит/с;

простой интерфейс для взаимодействия с периферийным устройством (MCU/PLD/FPGA);

Рисунок 9 - Внешний вид модуля WoodmanUSB

два 8-ми битных независимых двунаправленных порта (PORTA и PORTB);

порт PORTA работает в режиме прямого ввода/вывода;

2 FIFO буфера (входной и выходной). Размер каждого составляет 1024 Байта;

различные режимы работы;

прямой ввод/вывод (PORTA);

асинхронный;

синхронный с внутренним тактированием (30 или 48 МГц);

синхронный с внешним тактированием;

полностью интегрированный USB приемо-передатчик;

удобная конструкция в виде модуля с DIP-колодкой и разъемом USB;

не требует дополнительных схемных элементов. Сразу готов к работе;

драйвер и API для разработчиков (Windows 2000, Server 2003 и XP).работает в качестве "моста" между шиной USB и некоторым периферийным устройством (рисунок 10). Он преобразует USB интерфейс данных в 8-ми битный параллельный интерфейс и обратно. С помощью WoodmanUSB можно подключить к шине USB практически любую схему на основе микроконтроллера, процессора, ПЛИС или др. для скоростной передачи данных по шине USB. От периферийного устройства требуется наличие 8-ми разрядной шины данных и 6-ти свободных линий для контроля и управления работой модуля WoodmanUSB.

Рисунок 10 - Принцип работы WoodmanUSB

Модуль содержит два 8-ми битных порта (рисунок 10). Один из них используется для скоростной передачи данных по параллельному интерфейсу (PORTB). Другой же порт (PORTA) работает в режиме прямого ввода-вывода и не требует ни каких линий управления, что позволяет напрямую взаимодействовать с нагрузкой, подключенной к этому порту.

Достоинства и "недостатки" порта PORTA

Можно указать следующие достоинства данного порта:

простота работы с портом - для управления не требуются дополнительные линии управления;

режим прямого ввода-вывода: установленный уровень напряжения на выводе порта сохраняется столь долго, пока либо не произойдет отключение питания или не будет установлено новое значение;

наличие возможности гибкой настройки направления передачи данных через порт. Одновременно часть линий может быть настроена на вход, другая часть на выход. На (рисунке 11) изображены порты WoodmanUSB.

Рисунок 11- Порты WoodmanUSB

Не смотря на простоту изготовления USB устройств на основе использования данного порта, у него есть один важный недостаток, а именно скоростные характеристики.

Рассмотрим выводы WoodmanUSB (рисунок 12, таблица 2).

Рисунок 12 - Выводы WoodmanUSB

Таблица 2 - Назначение выводов модуля WoodmanUSB

Номер вывода

Обозначение вывода

Направление

Описание

1

GND


Земля (общий провод схемы).

2

+5V

Выход

Шина питания +5 В от порта USB.

3

+3.3V

Выход

Шина питания +3.3 В от преобразователя напряжения.

4

RESET

Вход

При подаче низкого уровня на этот вывод будет произведен сброс модуля.

5

PB_RD

Вход

Линия чтения данных порта PORTB. При изменении входного уровня с высокого на низкий происходит установка на линии данных порта PORTB текущего байта из входного FIFO буфера модуля (данные из компьютера - IN_FIFO). Теперь возможно чтение этого байта. При переключении обратно на высокий уровень, линии данных возвращаются в исходное состояние, а во входном буфере становится готовым для чтения следующий байт (епри его наличии).

6

PB_WR

Вход

Линия записи данных порта PORTB. При изменении входного уровня с высокого на низкий происходит чтение модулем текущих состояний линий данных порта PORTB и запись полученного байта в выходной FIFO буфер модуля (OUT_FIFO).

7

PORTB0

Вход/Выход

Бит 0 двунаправленного порта ввода/вывода PORTB

8

PORTB1

Вход/Выход

Бит 1 двунаправленного порта ввода/вывода PORTB

9

PORTB2

Вход/Выход

Бит 2 двунаправленного порта ввода/вывода PORTB

10

PORTB3

Вход/Выход

Бит 3 двунаправленного порта ввода/вывода PORTB

11

PORTB4

Вход/Выход

Бит 4 двунаправленного порта ввода/вывода PORTB

12

PORTB5

Вход/Выход

Бит 5 двунаправленного порта ввода/вывода PORTB

13

PORTB6

Вход/Выход

Бит 6 двунаправленного порта ввода/вывода PORTB

14

PORTB7

Вход/Выход

Бит 7 двунаправленного порта ввода/вывода PORTB

15

PORTA0

Вход/Выход

Бит 0 двунаправленного порта ввода/вывода PORTA

16

PORTA1

Вход/Выход

Бит 1 двунаправленного порта ввода/вывода PORTA

17

PORTA2

Вход/Выход

Бит 2 двунаправленного порта ввода/вывода PORTA

18

PORTA3

Вход/Выход

Бит 3 двунаправленного порта ввода/вывода PORTA

19

PORTA4

Вход/Выход

Бит 4 двунаправленного порта ввода/вывода PORTA

20

PORTA5

Вход/Выход

Бит 5 двунаправленного порта ввода/вывода PORTA

21

PORTA6

Вход/Выход

Бит 6 двунаправленного порта ввода/вывода PORTA

22

PORTA7

Вход/Выход

Бит 7 двунаправленного порта ввода/вывода PORTA

23

PORTB_FF

Выход

(FIFO FULL) Если уровень на этом выводе становится низким, это означает что драйвер не успевает транспортировать данные из модуля при их передаче от внешнего устройства в компьютер через PORTB. Необходимо приостановить передачу данных, пока уровень не вернется в свое исходное состояние - высокий.

24

PORTB_FNE

Выход

(FIFO not EMPTY) Если уровень на этом выводе становится высоким, это означает что компьютер начинает передачу данных и в буфере модуля есть доступные данные для чтения через порт PORTB. Уровень сохраняется высоким, пока IN_FIFO буфер не будет прочтен полностью. При отсутствии данных уровень низкий.

25

PKTEND

Вход

Флаг завершения записи данных в порт PORTB. При подаче низкого уровня на этот вывод, драйвер модуля завершает операцию чтения данных не дожидаясь окончания чтения заказанного количества байт данных.

26

CLK

Вход/Выход

Линия тактового сигнала, используемая в синхронном режиме работы порта PORTB. В зависимости от того какой вид тактового сигнала используется (внешний или внутренний) линия является входной или выходной.

27

+5V

Шина питания +5 В от порта USB.

28

GND


Земля (общий провод схемы).


3) Модуль Ke-USB24R предназначен для сопряжения внешних цифровых и аналоговых устройств, датчиков и исполнительных механизмов с компьютером через шину USB. Благодаря наличию четырех мощных реле появляется возможность управлять силовыми цепями с напряжениями до 250 В непосредственно с компьютера. На компьютере под управлением операционной системы Windows 2000, 2003, XP, Vista и ОС семейства Linux модуль определяется как дополнительный (виртуальный) COM порт. Это означает, что с программной точки зрения обмен информацией между модулем и компьютером осуществляется через интерфейс обычного последовательного порта. Последнее обстоятельство существенно облегчает программирование, т.к. нет необходимости в применении дополнительных динамических библиотек, сложных интерфейсов и непосредственного общения с драйвером. Для написания собственных программ управления модулем возможно применение любого языка/среды программирования, поддерживающих возможность работы с COM портами. Внешний вид модуля изображен на рисунке 13.

Рисунок 13 - Модуль Ke USB24R

Модуль имеет 18 дискретных линии ввода/вывода с возможностью независимой настройки направления передачи данных (вход/выход), 4 мощных электромагнитных реле для непосредственного управления высоковольтными цепями и 4 встроенных 10-ти разрядных АЦП.

Для управления модулем предусмотрен набор высокоуровневых текстовых команд управления (KE - команды). Формируемая команда отправляется в порт, процессор модуля декодирует ее, выполняет необходимую операцию и отправляет обратно ответ в текстовом формате о статусе выполненной задачи или другую необходимую информацию, специфичную для конкретной команды. Применение текстовых команд позволяет в общем случае обойтись без разработки дополнительного программного обеспечения. Достаточно использовать любую терминальную программу позволяющую передавать данные через COM порт, например HyperTerminal входящую в состав ОС Windows. Возможно, боле удобной программой окажется KeTerm которая была специально разработана для работы с модулем.

Отличительные особенности:

интерфейсный модуль для сопряжения по шине USB;

определяется ОС Windows как виртуальный COM порт;

не требует дополнительных схемных элементов, сразу готов к работе;

18 дискретных линий ввода/вывода с возможностью независимой настройки направления передачи данных (вход/выход) и сохранения настроек в энергонезависимой памяти модуля;

4 реле для управления высоковольтными цепями и нагрузками;

4 встроенных 10-ти разрядных АЦП;

динамический диапазон напряжения входного аналогового сигнала для АЦП от 0 до 5 В;

набор готовых текстовых команд управления высокого уровня (KE - команды);

удобный форм-фактор в виде модуля с IDC-26 колодкой и разъемом USB-B;

возможность питания как от шины USB так и от внешнего источника питания (режим выбирается джампером на плате);

возможность сохранения данных пользователя в энергонезависимой памяти модуля (до 32 байт);

возможность изменения строкового дескриптора USB устройства;

каждый модуль имеет уникальный серийный номер доступный программно;

поддержка ОС Windows 2000, 2003, XP, Vista, ОС Linux.

2 Специальная часть

2.1 Разработка структурной схемы проектируемого устройства

Схема электрическая структурная определяет основные функциональные части изделия, их назначение и взаимосвязь. Отдельные узлы или части устройства обозначают прямоугольником (или условными графическими обозначениями), а связи между ними показывают линиями, стрелки, на конце которых показывают направление прохождения сигналов. Внутрь прямоугольников вписывают наименования, обозначения и типы узлов или частей устройства. Такие схемы используют для общего ознакомления с изделием, они дают наглядное представление о принципе работы аппарата, последовательности взаимодействия его узлов. Структурная схема проектируемого устройства (рисунок 14) состоит из:

компьютера;

модуля WoodmanUSB;

задатчика кода;

индикаторов состояния задатчика кода.

Рисунок 14 - Структурная схема учебного стенда «Цифроаналоговый преобразователь»

На контролируемые компьютером входы порта А модуля WoodmanUSB поступает восьмиразрядный код. Под управлением специальной программы компьютер считывает этот код, и зависимости от значения кода из начальной (исходной точки) прорисовывает отрезок линии соответствующий в вертикальном направлении весовому значению кода, а горизонтальном направлении соответствующий времени (частоте дискретизации). На индикаторах состояния отражается двоичный код задатчика.

.2 Выбор и обоснование электронных компонентов устройства

Наиболее близкими из трех рассмотренных в п. 1.3 модулей по техническим возможностям для использования к разрабатываемом стенде является модуль WoodmanUSB как наиболее скоростной имеющий дополнительные входы управления.

Задатчик кодов может быть реализован на любых маломощных переключателях, например ПД9-2.Индикатор двоичного кода можно выполнить на светодиодах АЛ307 и ограничительных резисторах МЛТ-0,25.

2.3 Разработка принципиальной схемы устройства

Схемы электрические принципиальные определяют полный состав изделия и дают детальное представление о принципе работы изделия. На основе схемы электрической принципиальной разрабатывают целый ряд других конструкторских документов - схемы соединений, чертежи печатных плат, перечни элементов и т.д. На схеме электрической принципиальной изображают все электрические элементы и устройства, необходимые для осуществления и контроля в изделии соответствующих электрических процессов. Элементы изображают в виде условных графических обозначений (УГО) в соответствии с ГОСТ. Каждый элемент схемы электрической принципиальной должен иметь позиционное буквенно - цифровое обозначение в соответствии с ГОСТ 2.710 - 81. Порядковые номера элементам присваивают, начиная с единицы в пределах группы элементов, имеющих одинаковые буквенные обозначения (R1, R2 и т.д., DD1, DD2 и т.д.). Порядковые номера присваивают в соответствии с последовательностью расположения элементов или устройств на схеме сверху вниз, в направлении слева направо. Позиционное обозначение проставляют рядом с графическим обозначением элемента с его правой стороны или над ним. При изображении на схеме элемента разнесенным способом его позиционное обозначение проставляют около каждой части (например, DD1.1, DD1.2 и т.д.). Обязательным документом, выпускаемым совместно со схемой электрической принципиальной, является перечень элементов (ПЭ3). В соответствующих ГОСТах определены правила его выполнения.

Разрабатываемая принципиальная схема учебного стенда изображена на рисунке 15. Схема состоит из:

модуля WoodmanUSB разъем Х1 которого подключается к входу USB персонального компьютера, а разъем Х2 подключен к задатчику кодов.

задатчика кодов выполненный на выключателях SA1…SA8 и резисторах R1…R8.

индикатора состояния задатчика кодов выполненного на светодиодах VL1…VL8 и ограничительных резисторах R9…R16.

Принцип работы схемы

Компьютер под управлением специальной программы циклически опрашивает состояние входов PORTA0…PORTA7 и по значению кода задатчика прорисовывает кривую аналогового сигнала.

С помощью индикатора состояния задатчика можно наблюдать соответствие прорисованных отрезков сигнала с задатчиком кодов.

Выключатели SA1…SA8 подключают напряжение +5 В ко входам PORTA0…PORTA7 модуля WoodmanUSB тем самым устанавливают на них логическую единицу, резисторы R1…R8 необходимы для того чтобы эти входы не были «подвешены в воздухе» при отключенном состоянии выключателей SA1…SA8 т.е. они обеспечивают на них логический ноль.

Резисторы R9…R16 ограничивают тот через светодиоды VL1…VL8.

На (рисунке 15) представлена принципиальная схема разрабатываемого учебного стенда.

Рисунок 15 - Принципиальная схема разрабатываемого учебного стенда

2.4 Разработка печатной платы

При конструировании радиоэлектронной аппаратуры (РЭА) на печатных платах используют следующие методы:

) Моносхемный применяют для несложной РЭА. В том случае вся электрическая схема располагается на одной печатной плате. Моносхемный метод имеет ограниченное применение, так как очень сложные печатные платы неудобны при настройке и ремонта РЭА.

) Схемно-узловой метод применяют при производстве массовой и серийной РЭА. При этом методе часть электрической схемы, имеющая четкие входные и выходные цепи (каскады УВЧ, УПЧ, блоки развёрток и т.п.), располагается на отдельной плате. Ремонтопригодность таких изделий больше. Недостаток - сложность системы соединительных проводов, связывающих отдельные платы.

) Функционально-узловой метод применяют в РЭА с использованием микроэлектронных элементов. При этом печатная плата содержит проводники коммутации функциональных модулей в единую схему. На одной плате можно собрать очень сложную схему. Недостаток этого метода - резкое увеличение сложности печатной платы В ряде случаев все проводники не могут быть расположены на одной и даже обеих сторонах платы. При этом используют многослойные печатные платы, объединяющие в единую конструкцию несколько слоёв печатных проводников, разделённых слоями диэлектрика. В соответствии с гостом различают три метода выполнения печатных плат:

ручной;

полуавтоматизированный;

автоматизированный.

Предпочтительными являются полу автоматизированный, автоматизированный методы.

Основными достоинствами печатных плат являются:

увеличение плотности монтажа и возможность микроминиатюризации изделий;

гарантированная стабильность электрических характеристик;

повышенная стойкость к климатическим и механическим воздействиям;

унификация и стандартизация конструктивных изделий;

возможность комплексной автоматизации монтажно-сборочных работ.

Печатные платы делятся на следующие классы:

односторонняя печатная плата - плата, на которой элементы располагаются с одной стороны, а рисунок с другой;

двухсторонняя печатная плата, когда рисунок располагается с двух сторон, элемента с одной стороны. Двухсторонние печатные платы на металлическом основании используются в мощных устройствах;

многослойная печатная плата - это плата, которая состоит из чередующихся изоляционных слоев с проводящим рисунком. Между слоями могут быть или отсутствовать межслойные соединения;

гибкая печатная плата - плата, имеющая гибкое основание, аналогична двухсторонней печатной плате.

Односторонние платы по-прежнему составляют значительную долю выпускаемых в мире печатных плат. В предыдущем десятилетии в США они составляли около 70% объема выпуска плат в количественном исчислении, однако, лишь около 10 % в стоимостном исчислении. В Великобритании такие платы составляют около четверти от объема всего производства.

Маршрут изготовления односторонних плат традиционно включает сверление, фотолитографию, травление медной фольги, защиту поверхности и подготовку к пайке, разделение заготовок. Стоимость односторонних плат составляет 0,1 - 0,2 от стоимости двухсторонних плат, это делает их вполне конкурентными, особенно в сфере бытовой электроники. Отметим, однако, что для современных электронных устройств, даже бытового назначения, односторонние платы часто требуют контурного фрезерования, нанесения защитных маскирующих покрытий, их сборка ведется с посадкой кристаллов непосредственно на плату или поверхностным монтажом.

Травление

Известно много составов для химического стравливания меди. Все они отличаются скоростью протекания реакции, составом выделяющихся в результате реакции веществ, а также доступностью необходимых для приготовления раствора химических реактивов. Ниже приведена информация о наиболее популярных растворах для травления.

) Хлорное железо (FeCl3) - пожалуй, самый известный и популярный реактив. Сухое хлорное железо растворяется в воде до тех пор, пока не будет получен насыщенный раствор золотисто-желтого цвета (для этого потребуется порядка двух столовых ложек на стакан воды). Процесс травления в этом растворе может занять от 10 до 60 минут. Время зависит от концентрации раствора, температуры и перемешивания. Перемешивание значительно ускоряет протекание реакции. В этих целях удобно использовать компрессор для аквариумов, который обеспечивает перемешивание раствора пузырьками воздуха. Также реакция ускоряется при подогревании раствора. По окончании травления плату необходимо промыть большим количеством воды, желательно с мылом (для нейтрализации остатков кислоты). К недостаткам данного раствора следует отнести образование в процессе реакции отходов, которые оседают на плате и препятствуют нормальному протеканию процесса травления, а также сравнительно низкую скорость реакции.

) Персульфат аммония ((NH4)2S2O8) - светлое кристаллическое вещество, растворяется в воде исходя из соотношения 35 г вещества на 65 г воды. Процесс травления в этом растворе занимает порядка 10 минут и зависит от площади медного покрытия, подвергающегося травлению. Для обеспечения оптимальных условий протекания реакции раствор должен иметь температуру порядка 40ºC и постоянно перемешиваться. По окончании травления плату необходимо промыть в проточной воде. К недостаткам этого раствора относится необходимость поддержания требуемого температурного режима и перемешивания.

) Раствор соляной кислоты (HCl) и перекиси водорода (H2O2). Для приготовления этого раствора необходимо к 770 мл воды добавить 200 мл (35 %) соляной кислоты и 30 мл (30 %) перекиси водорода. Готовый раствор должен храниться в темной бутылке, не закрытой герметически, так как при разложении перекиси водорода выделяется газ. Внимание: при использовании данного раствора необходимо соблюдать все меры предосторожности при работе с едкими химическими веществами. Все работы необходимо производить только на свежем воздухе или под вытяжкой. При попадании раствора на кожу ее необходимо немедленно промыть большим количеством воды. Время травления сильно зависит от перемешивания и температуры раствора и составляет порядка 5-10 минут для хорошо перемешиваемого свежего раствора при комнатной температуре. Не следует нагревать раствор выше 50ºC. После травления плату необходимо промыть проточной водой. Данный раствор после травления можно восстанавливать добавлением H2O2. Оценка требуемого количества перекиси водорода осуществляется визуально: погруженная в раствор медная плата должна перекрашиваться из красного в темно-коричневый цвет. Образование пузырей в растворе свидетельствует об избытке перекиси водорода, что ведет к замедлению реакции травления. Недостатком данного раствора является необходимость строгого соблюдения при работе с ним всех мер предосторожности.

Очистка заготовки, сверловка, нанесение флюса, лужение

После завершения травления и промывки платы необходимо очистить ее поверхность от защитного покрытия. Сделать это можно каким-либо органическим растворителем, например, ацетоном.

Далее необходимо просверлить все отверстия. Делать это нужно остро заточенным сверлом при максимальных оборотах электродвигателя. В случае, если при нанесении защитного покрытия в центрах контактных площадок не было оставлено пустого места, необходимо предварительно наметить отверстия (сделать это можно, например, шилом). Прижимное усилие в процессе сверления не должно быть слишком большим, чтобы на обратной стороне платы не образовывались бугорки вокруг отверстий. Обычные электродрели практически не подходят для сверления плат, поскольку, во-первых, имеют низкие обороты, а во-вторых, обладают достаточно большой массой, что затрудняет регулирование прижимного усилия. Удобнее всего для сверления плат использовать электродвигатели типа ДПМ-35Н и им подобные с насаженным на их вал небольшим цанговым патроном. После сверловки нужно обработать отверстия: удалить все зазубрины и заусенцы. Сделать это можно наждачной бумагой. Следующим этапом является покрытие платы флюсом с последующим лужением. Можно использовать специальные флюсы промышленного изготовления (лучше всего смываемые водой или вообще не требующие смывания) либо просто покрыть плату слабым раствором канифоли в спирте. Лужение можно производить двумя способами: погружением в расплав припоя либо при помощи паяльника и металлической оплетки, пропитанной припоем. В первом случае необходимо изготовить железную ванночку и заполнить ее небольшим количеством сплава Розе или Вуда. Расплав должен быть полностью покрыт сверху слоем глицерина во избежание окисления припоя.

Разрабатываемое устройство выполнено на односторонней печатной плате. Разработка платы выполнена ручным методом. Схема разводки печатных проводников платы показана на рисунке 16, а расположение деталей на плате на рисунке 17.

Рисунок 16 - Схема разводки печатных проводников платы

Рисунок 16 - Расположения деталей на печатной плате

2.5 Описание общего алгоритма программного обеспечения

В качестве среды программирования выбрана система визуального объектно-ориентированного программирования Delphi. Выбор обоснован в первую очередь тем, что в НГПК ведется подготовка программистов в среде Delphi, кроме того, в пользу Delphi говорят ее основные характеристики, а именно:

высокопроизводительный компилятор в машинный код;

объектно-ориентированная модель компонент;

визуальное (а, следовательно, и скоростное) построение приложений из программных прототипов;

масштабируемые средства для построения баз данных.

Компилятор в машинный код

Компилятор, встроенный в Delphi, обеспечивает высокую производительность, необходимую для построения приложений в архитектуре “клиент-сервер”. Этот компилятор в настоящее время является самым быстрым в мире, его скорость компиляции составляет свыше 120 тысяч строк в минуту на компьютере 486DX33. Он предлагает легкость разработки и быстрое время проверки готового программного блока, характерного для языков четвертого поколения (4GL) и в то же время обеспечивает качество кода, характерного для компилятора 3GL. Кроме того, Delphi обеспечивает быструю разработку без необходимости писать вставки на Си или ручного написания кода.

В процессе построения приложения разработчик выбирает из палитры компонент готовые компоненты как художник, делающий крупные мазки кистью. Еще до компиляции он видит результаты своей работы - после подключения к источнику данных их можно видеть отображенными на форме, можно перемещаться по данным, представлять их в том или ином виде. В этом смысле проектирование в Delphi мало чем отличается от проектирования в интерпретирующей среде, однако после выполнения компиляции мы получаем код, который исполняется в 10-20 раз быстрее, чем тоже самое, сделанное при помощи интерпретатора. Кроме того, компилятор компилятору рознь, в Delphi компиляция производится непосредственно в родной машинный код, в то время как существуют компиляторы, превращающие программу в так называемый p-код, который затем интерпретируется виртуальной p-машиной. Это не может не сказаться на фактическом быстродействии готового приложения.

Объектно-ориентированная модель программных компонент

Основной упор этой модели в Delphi делается на максимальном использовании кода. Это позволяет разработчикам строить приложения весьма быстро из заранее подготовленных объектов, а также дает им возможность создавать свои собственные объекты для среды Delphi. Никаких ограничений по типам объектов, которые могут создавать разработчики, не существует. Действительно, все в Delphi написано на нем же, поэтому разработчики имеют доступ к тем же объектам и инструментам, которые использовались для создания среды разработки. В результате нет никакой разницы между объектами, поставляемыми Borland или третьими фирмами, и объектами, которые вы можете создать.

В стандартную поставку Delphi входят основные объекты, которые образуют удачно подобранную иерархию из 270 базовых классов. Кроме того существует список свободно распространяемых или коммерческих компонент, разработанных третьими фирмами, количество этих фирм в настоящее время превышает число 250. Общеизвестно, что Windows достаточно сложно реализовывать пользовательский интерфейс. Событийная модель в Windows достаточно сложна для понимания и отладки. Разработка интерфейса в Delphi является самой простой задачей для программиста.

Визуальное, скоростное построение приложений из программных прототиповвключает в себя полный набор визуальных инструментов для скоростной разработки приложений поддерживающих разработку пользовательского интерфейса и подключение к корпоративным базам данных. VCL - библиотека визуальных компонент, включает в себя стандартные объекты построения пользовательского интерфейса, объекты управления данными, графические объекты, объекты мультимедиа, диалоги и объекты управления файлами, управление DDE и OLE. Кроме того разработки других фирм, свободно распространяемые программистами постоянно пополняют набор визуальных инструментов.

Визуальные компоненты в Delphi обладают большей гибкостью, они пишутся на том же паскале, на котором пишется алгоритмическая часть приложения. И визуальные компоненты Delphi получаются открытыми для надстройки и переписывания.

Масштабируемые средства для построения баз данных

Объекты БД в Delphi основаны на SQL и включают в себя полную мощь Borland Database Engine. В состав Delphi также включен Borland SQL Link, поэтому доступ к СУБД Oracle, Sybase, Informix и InterBase происходит с высокой эффективностью. Кроме того, Delphi включает в себя локальный сервер Interbase для того, чтобы можно было разработать расширяемые на любые внешние SQL-сервера приложения в онлайновом режиме. Разработчик в среде Delphi, проектирующий информационную систему для локальной машины (к примеру, небольшую систему учета медицинских карточек для одного компьютера), может использовать для хранения информации файлы формата .dbf (как в dBase или Clipper) или .db (Paradox). Если же он будет использовать локальный InterBase for Windows (это локальный SQL-сервер, входящий в поставку), то его приложение безо всяких изменений будет работать и в составе большой системы с архитектурой клиент-сервер.

Вот она - масштабируемость на практике означает, что одно и то же приложение можно использовать как для локального, так и для более серьезного клиент-серверного варианта.Выше сказанное говорит о том, что Delphi - мощная система визуального объектно-ориентированного проектирования, позволяющая решать множество задач, в частности:

создавать законченные приложения для Windows самой различной направленности, от чисто вычислительных и логических, до графических и мультимедиа;

быстро создавать (даже начинающим программистам) профессионально выглядящий оконный интерфейс для любых приложений, написанных на любом языке; интерфейс удовлетворяет всем требования Windows и автоматически настраивается на ту систему, которая установлена на компьютере пользователя, поскольку использует многие функции, процедуры, библиотеки Windows;

создавать свои динамически присоединяемые библиотеки (DLL) компонентов, форм, функций, которые затем можно использовать для других языков программирования;

создавать мощные системы работы с локальными и удаленными базами данных любых типов;

формировать и печатать сложные отчеты, включающие таблицы, графики и т.п.;

создавать справочные системы (файлы hlp), как для своих приложений так и любых других, с которыми можно работать не только из приложений, но и через Windows;

создавать профессиональные программы инсталляции для приложений Windows, учитывающие всю специфику и все требования Windows;

и многое другое.

На рисунке 18 показана схема общего алгоритма программы для разрабатываемого учебного стенда «Цифроаналоговый преобразователь» состоящая из следующих основных процедур:

1) Procedure TForm1.FormCreate(Sender: TObject)

Процедура вызывается открытием формы и устанавливает по умолчанию шаг дискретизации по оси Y (оси амплитуды напряжения) равный 0,25 вольта , а по оси Х устанавливает (оси времени) равной 0,005 секунды.

2) Procedure TForm1.Button5Click(Sender: TObject)

Процедура вызывается кнопкой «Открыть порт». В этой процедуре проверяется факт и корректность подключения стенда к порту USB компьютера.

Рисунок 18 - Общий алгоритм программы

3) Procedure TForm1.Timer1Timer(Sender: TObject)

Процедура вызывается таймером и выполняется:

чтение порта А модуля WoodmanUSB;

вычисление координат Х и Y в зависимости от времени и значения кода на входах ЦАП;

- прорисовка сигнала произвольной формы.

) Procedure TForm1.Button1Click(Sender: TObject)

Процедура вызывается кнопкой «+Шаг» и при каждом нажатии на кнопку выполняется:

ввод значения кода на входы ЦАП для формирования сигнала пилообразной формы;

вывод в окно индикации значение кода на входах ЦАП;

вычисление координат Х и Y в зависимости от времени и значения кода на входах ЦАП;

проверка, какая из кнопок нажата «Пилообразная» или «Треугольная». Если нажата «Пилообразная» то прорисовывается пилообразная форма сигнала, а если «Треугольная» прорисовывается треугольная форма сигнала.

5) Procedure TForm1.Button2Click(Sender: TObject)

Вызывается кнопкой «Очистить экран» здесь выполняются команды по очистке предыдущей прорисовки сигнала и обнулению значений координат Х и Y с целью прорисовки нового или повторного изображения сигнала.

.6 Разработка чертежей

Большинство рисунков расположенных в тексте и все чертежи формата А1 выполнены с использованием системы трехмерного твердотельного моделирования «КОМПАС»

Ниже приведен перечень чертежей выполненных в процессе работы над дипломным проектом:

диаграмма выходного напряжения ЦАП (рисунок 2);

пояснения для определения погрешностей ЦАП (рисунок 3);

схема резисторной матрицы R2-R (рисунок 4);

условное обозначение операционного усилителя (рисунок 5);

схема ЦАП на микросхеме КР572ПА1 (рисунок 6);

примерный вид окна программы (рисунок 7);

структурная схема учебного стенда «Цифроаналоговый преобразователь» (рисунок 14);

принципиальная схема разрабатываемого учебного стенда (рисунок 15);

схема разводки печатных проводников платы (рисунок 15);

расположения деталей на печатной плате (рисунок 16);

общий алгоритм программы (рисунок 18);

лицевая панель стенда (рисунок 19).

.7 Разработка инструкции по применению устройства

Назначение

Проектируемый учебный стенд предназначен для использования в учебном процессе. Например, его можно использовать в процесс проведения лекции по теме цифроаналоговые преобразователи. Поскольку напряжение питания для стенда берется от порта USB то его можно использовать автономно в любой аудитории, где имеются персональные компьютеры. Предполагается хорошее сочетание стенда с электронным проектором. Наблюдение на экране за близкими к реальности динамическими процессами преобразования цифровой информации в аналоговую, безусловно, вызовет повышенный интерес студента к изучаемой теме и это приведет к углубленному усвоению учебного материала.

Основные технические параметры стенда приведены в таблице 1.

Конструкция и программа стенда позволяют проводить лабораторную работу по вычислению значения выходного напряжения для входной кодовой комбинации ЦАП и получать наглядное подтверждение правильности вычисления с помощью виртуального осциллографа. Возможна постановка задачи студенту синтезирования различных периодических сигналов с последующей проверкой результата.

Перед включением стенда, лицевая панель которого показана на (рисунке 19), на используемом компьютере необходимо установить драйвер и программу прилагаемые на дискете к стенду, затем подключить стенд к порту USB. После запуска программы «Stend_ZAP_» на экране монитора появится окно программы (рисунок 20), в котором расположены:

окно для индикации кода на входах ЦАП;

кнопка «Открыть порт USB»;

кнопки выбора произвольной, пилообразной и треугольной форм сигнала;

кнопка «+Шаг» и кнопка «Очистить экран».

Рисунок 19 - Лицевая панель стенда

Примеры использования

Для наблюдения за процессом формирования сигнала произвольной формы необходимо:

нажать кнопку «Открыть порт»;

закрыть появившееся окно подтверждения корректной связи стенда с портом USB;

манипулирования переключателями S1…S8 изменять кодовую комбинацию на выходах порта А модуля WoodmanUSB.

При этом на экране виртуального осциллографа будет прорисовываться кривая сигнала (рисунок 21) форма которой зависит процесса манипуляции переключателями S1…S8.

Рисунок 20 - Окно программы

Рисунок 21 - Прорисовка сигнала произвольной формы

Для наблюдения за процессом формирования сигнала пилообразной формы достаточно нажать кнопку «Пилообразная» и последовательным многократным нажатием вводить коды с равномерным возрастанием до верхнего заданного (программой) предела и быстрым сбросом кода в состояние нуля. При этом на экране виртуального осциллографа будет прорисовываться сигнал пилообразной формы (рисунок 22).

Рисунок 22 - Прорисовка сигнала пилообразной формы

Для наблюдения за процессом формирования сигнала пилообразной формы достаточно нажать кнопку «Пилообразная» и последовательным многократным нажатием вводить коды с равномерным возрастанием до верхнего заданного (программой) предела и быстрым сбросом кода в состояние нуля. При этом на экране виртуального осциллографа будет прорисовываться сигнал треугольной формы (рисунок 23).

В окне «Код на входах ЦАП» индицируется десятичный эквивалент двоичного кода.

Рисунок 23 - Прорисовка сигнала треугольной формы

.8 Меры безопасности

При выполнении монтажных, намоточных, слесарных и столярных работ приходится иметь дело и с высоким напряжением, и с раскаленными предметами, и с острыми и быстро вращающимися инструментами или звеньями механизмов, и с агрессивными химическими веществами. Для предохранения от поражения высоким напряжением запрещается выполнять электромонтажные работы в работающей радиоаппаратуре. Необходима аккуратность и осторожность при работе с горячим паяльником, слесарными и столярными инструментами, клеями, лаками. Кислотами и щелочами.

При работе с электрическим паяльником надо соблюдать следующие правила:

периодически проверять омметром отсутствие замыкания между корпусом паяльника и нагревательным элементом. Такое замыкание может стать причиной поражения током и порчи припаиваемых элементов. Поэтому рекомендуется работать с паяльником, жало которого заземлено;

использовать устойчивую подставку для паяльника, что предохранит его от падения, работающего от ожогов, рабочее место от прожогов;

ни в коем случае не выполнять пайку в работающем (особенно высоковольтном) устройстве, так как случайное замыкание может вывести устройство из строя и быть причиной травмы.

При работе со слесарными инструментами надо быть внимательным и аккуратным, чтобы не пораниться резаком, напильником, лобзиком, сверлом или обрабатываемой деталью, для этого необходимо:

надежно зажимать сверло в патроне дрели специальным ключом.

просверливаемую деталь надежно закреплять, иначе она в конце сверления может начать вращаться вместе со сверлом, либо (при работе вдвоем) помощнику прочно удерживать деталь, особенно осторожным и внимательным нужно быть при сверлении тонколистовых материалов;

вырубание фасонных отверстий выполнять обязательно на массивной металлической подставке;

при работе с резаками обязательно подкладывать под разрезаемый лист фанерную прокладку, чтобы не повредить стол.

При работе с химическими веществами следует строго соблюдать все рекомендации по растворению, смешиванию, последовательности выполнения операций и температурному режиму. Работать необходимо в халате, а в отдельных случаях в перчатках и защитных очках. Прежде всего, необходимо оберегать глаза, губы и слизистые оболочки носа и горла, которые наиболее чувствительны к воздействию химических веществ. На рабочем месте в аптечке надо иметь чистую вату и марлю (можно бинт), 5%-ный раствор соды, вазелин, 2%-ный раствор уксусной, лимонной или борной кислоты, настойку йода и лейкопластырь (желательно бактерицидный).На участке тела, обожженном паяльником или брызгами припоя, надо сделать содовую примочку, а потом пораженное место смазать вазелином. Места ожогов кислотами обильно обмыть водой и смочить содовым раствором. Место ожога щелочами нужно обильно обмыть раствором уксусной (лимонной или борной) кислоты. При порезах и царапинах ранку залить раствором йода и заклеить лейкопластырем.

Если вы подверглись кратковременному удару током, необходимо прекратить работу до восстановления нормального состояния (прекращения головокружения, исчезновения зрительных и слуховых галлюцинаций и т. п.). При сильном поражении током пострадавший, как правило, не в состоянии оторваться от токоведущего провода. В этом случае надо возможно быстрее, строго соблюдая при этом правила личной безопасности, выключить ток, сделать пострадавшему искусственное дыхание, расстегнуть одежду, поднести к носу кусочек ваты, смоченной нашатырным спиртом, или спрыснуть лицо холодной водой и немедленно вызвать врача. При работе со стендом необходимо соблюдать действующие правила по технике безопасности при работе с электроустановками:

По требованиям электробезопасности прибор удовлетворяет нормам ГОСТ 4.275.003-77, класса защиты 01. Перед включением стенда в сеть и подсоединением к нему других устройств необходимо соединить зажим защитного заземления прибора с зануленным зажимом питающей сети. Отсоединение защитного заземления от зануленного зажима питающей сети производится только после всех отключений. При проведении экспериментов, при обслуживании и ремонте, в случае использования стенда совместно с другой аппаратурой или включением его в состав установок необходимо для выравнивания потенциалов корпусов соединить между собой соединенные с корпусом клеммы всех приборов(«┴»).

3 Организационно-экономическая часть

Под себестоимостью продукции, работ и услуг понимаются выраженные в денежной форме затраты всех видов ресурсов: основных фондов, природного и промышленного сырья, материалов, топлива и энергии, труда, используемых непосредственно в процессе изготовления продукции и выполнения работ, а также для сохранения и улучшения условий производства и его совершенствования. Состав затрат, включаемых в себестоимость продукции, их классификация по статьям определяются государственным стандартом, а методы калькулирования - самими предприятиями.

.1 Расчет себестоимости изделия

Себестоимость продукции находится во взаимосвязи с показателями эффективности производства. Она отражает большую часть стоимости продукции и зависит от изменения условий производства и реализации продукции. Существенное влияние на уровень затрат оказывают технико-экономические факторы производства. Это влияние проявляется в зависимости от изменений в технике, технологии, организации производства, в структуре и качестве продукции и от величины затрат на ее производство.

Применяется следующая номенклатура основных и калькуляционных статей [28, c. 293]:

) сырье и материалы;

) топливо и энергия на технологические нужды;

) основная заработная плата производственных рабочих;

) расходы на содержание и эксплуатацию оборудования;

) цеховые расходы;

) общезаводские расходы;

) потери от брака (вычитаются);

) внепроизводственные (коммерческие) расходы.

В данной работе разрабатывается себестоимость продукции на основе расчетно-аналитического метода калькулирования затрат.

В таблице 3.1 приведены данные по количеству, стоимости материалов и комплектующих, необходимых на разработку и изготовление прибора.

Таблица 3.1 - Расчет материальных затрат на производство изделия

Наименование материалов и комплектующих

Ед. изм.

Расход материалов на ед. изделия

Стоимость, руб.

Общая, стоимость руб.

1. Модуль WoodmfnUSB

шт.

1

1200

1200

2. Светодиоды АЛ307

шт.

8

4

24

3. Резисторы

шт.

16

3

48

4. Переключатели

шт.

8

30

240

Итого



1512


Транспортно-заготовительные расходы по доставке и складированию определяются в размере 1% от стоимости материалов и комплектующих.

Затраты на технологическую энергию рассчитываются по формуле:

Зээ = Т . Ц ээ , (2)

где Т - время работы электроинструментом, час;

Ц ээ -стоимость 1кВт.ч

Зээ = Т . Ц ээ= 7 × 3,45 = 24,15 руб.

В общехозяйственные расходы включаем амортизационные отчисления на инструмент и затраты на содержание помещения.

З охр = Ао + S помещ / 22* nдней , (3)

где З охр - общехозяйственные расходы,

Ао - амортизационные отчисления от стоимости инструмента,

S помещ - стоимость помещения;

nдней - количество дней работы над прибором.

Амортизационные отчисления от стоимости инструмента составляют 2% от его стоимости.

Ао = С инстр * 2% =620.0,02=12,4 руб.

Таблица 3.2 - Расчет стоимости инструмента и приспособлений

Наименование

Количество

Цена, руб.

Стоимость, руб.

1 Нож

1

50

50

2 Плоскогубцы

1

70

70

3 Паяльник

1

300

300

4 Пинцет

1

60

60

5 Отвертка

1

80

80

6 Напильник

1

60

60

Сумма С инстр



620


Затраты на содержание помещения принимают в размере 3% от его стоимости. Стоимость помещения определяется по формуле:

S помещ = S . Ц . h, (4)

где S -площадь помещения, м2 ;

Ц - цена 1 м2 помещения, руб.;

h - высота помещения, м.

S помещ = S . Ц . h =2,5×1000×3=7500 руб.

Таким образом, общехозяйственные рас ходы составят:

З охр = Ао + S помещ / 22× nдней =12,4 +7500/22 ×2= 694,22 руб.

Коммерческие расходы берутся в размере 2% от производственной себестоимости.

Полная себестоимость - сумма производственной себестоимости и коммерческих расходов.

Оплата труда - это цена трудовых ресурсов, задействованных в производственном процессе. В значительной степени она определяется количеством и качеством затраченного труда.

Для расчета фонда заработной платы основных рабочих исходными данными являются: часовые тарифные ставки, средний тарифный разряд. Расчет заработной платы основных рабочих приведен в таблице 3.3

Таблица 3.3 - Расчет заработной платы основных рабочих

Наименование профессии

Средний разряд рабочего

Средняя тарифная ставка руб./ч.

Трудоемкость работы, ч.

Расценка, руб.

Монтажник

5

59,78

12

717,36


Полученные данные представлены в калькуляции себестоимости изделия (таблица 3.4).

Таблица 3.4 - Расчет себестоимости одного изделия

Наименование статей затрат

Основание для расчета

Сумма, руб.

1 Материалы и комплектующие

Таблица 3.1

1512,00

2 Транспортно-заготовительные расходы

1%

15,12

3 Технологическая электроэнергия

Зээ

24,15

4 Основная заработная плата основных рабочих

Таблица 3.3

717,36

5 Дополнительная заработная плата основных рабочих

10% от основной заработной платы

71,74

6 Начисления на заработную плату

30,2%

238,31

7 Общехозяйственные расходы

З охр

694,22

Итого: производственная себестоимость


3 272,9

8 Коммерческие расходы

2%

65,46

Итого: полная себестоимость


3 338,36


3.2 Расчёт цены изделия и прибыли от его реализации

Цена - это денежное выражения стоимости, ценности (полезности) товара для потребителя. В условиях рыночной экономики значение цены огромно, она определяет структуру и объём производства, движение материальных потоков, распределение товарной массы. Цена оказывает влияние на массу прибыли, рентабельность продукции и производства.

Ниже представлен расчёт цены, по которой может продаваться разрабатываемое устройство.

Прибыль в цене единицы изделия (15 %):

338,36 · 15 / 100 = 500,75 руб.

Оптовая цена:

338,36 + 500,75 = 3 839,11 руб.

Налог на добавленную стоимость (НДС) (18 %):

839,11 · 18 / 100 = 691,04 руб.

Отпускная цена:

839,11 + 691,04 = 4 530,15 руб.

Результаты расчётов приведены в таблице 3.11.

Таблица 3.11 - Планирование цены устройства

Наименование показателя

Сумма, руб.

1. Плановая себестоимость изделия, руб.

3338,36

15

3. Прибыль в цене единицы изделия, руб.

500,75

4. Оптовая цена, руб.

3839,11

5. НДС:


5.1. Ставка, %

18

5.2. Сумма, руб.

691,04

6. Отпускная цена, руб.

4530,15


3.3 Расчёт показателей экономической эффективности производства изделия

Показатели использования капитальных вложений характеризуют эффективность использования фондов накопления и возмещения на создание новых основных фондов и прирост оборотных фондов, техническое совершенствование производства.

Степень доходности, выгодности, прибыльность, одним словом, уровень экономической эффективности работы предприятия характеризует показатель рентабельности. В дипломном проекте следует определить:

1)          Рентабельность продаж (РП) вычисляется по формуле:

,

где ПЕД - прибыль в цене единицы изделия, руб.;

ЦОП - оптовая цена изделия, руб.

РП = (500,75 / 3839,11) · 100 = 13 %

2)     Рентабельность продукции (РПР) вычисляется по формуле:

,

где СПЛ - плановая себестоимость изделия, руб.

РПР = (500,75 / 3338,36) · 100 = 15 %

3)     Затраты на 1 рубль товарной продукции (ЗР/Р), определяется по формуле:

,

ЗР/Р = 3338,36 / 3839,11= 0,87 руб./руб.

4) Материалоёмкость (МЁ) вычисляется по формуле:

,

где        МЗАТР - материальные затраты на изделие, руб.

МЁ = 1512 / 3338,36 = 0,45 руб./руб.

5)     Прибыль на 1 рубль товарной продукции: (ПР/Р), определяется по формуле:

,

ПР/Р = 500,75 / 3338,36 = 0,13 руб./руб.

Результаты расчётов сведём в таблицу 3.12.

Таблица 3.12 - Показатели экономической эффективности производства

Наименование показателя

Значение

1. Рентабельность продукции, %


1.1. Продаж, %

13

1.2. Производства отдельных видов продукции, %

15

2. Затраты на 1 рубль товарной продукции, руб./руб.

0,87

3. Материалоемкость, руб./руб.

0,45

4. Прибыль на 1рубль товарной продукции, руб./руб.

0,13


Заключение

В настоящем дипломном проекте рассмотрены и решены следующие вопросы:

определены технические требования, предъявляемые к разрабатываемому в рамках специального задания устройству;

сделан обзор и описание существующих аналогичных устройств и методов решения поставленной задачи;

разработана структурная схема проектируемого устройства;

сделан выбор и обоснование электронных компонентов устройства;

разработана принципиальная схема устройства;

разработана печатная плата проектируемого устройства;

описана обобщенная схема алгоритм программного обеспечения;

разработана инструкция по применению устройства;

рассчитана себестоимость изделия;

выполнен расчет цены изделия и прибыли от его реализации;

произведен расчёт показателей экономической эффективности производства изделия;

уделено внимание вопросам техники безопасности.

Разрабатывая данный дипломный проект, я приобрел полезные знания, которые пригодятся в дальнейшем при работе на предприятии.

Литература

1. Бакунян А.А., Борисов Н.М. Справочная книга радиолюбителя -конструктора. - М.: Радио и связь, 1993

. Горошков Б. И. Элементы радиоэлектронных устройств. - М.: Радиоисвязь,1989.

3. ЕСКД. Основные надписи ГОСТ 2.104-68

. ЕСКД. Обозначения условные графические в схемах. Обозначения общего применения.

. ЕСКД. Общие требования к текстовым документам ГОСТ 2.105-95

. ЕСКД. Основные надписи ГОСТ 2.104-68.

Касаткин А.С. Электротехника. Москва.: ACADEMA, 2003.

7. Кар Дж. Проектирование и изготовление электронной аппаратуры. М.: Мир,1996

. Куземкин А.Я. Конструирование и микроминиатюризация электронной вычислительной аппаратуры. - М.: Радио и связь, 2004

9. К Бридли Электронные контрольно-измерительные приборы. М.: Энергоатомиздат 1989.

. Мисюль П.И. Техническое обслуживание и ремонт бытовой техники. Минск.: Вышэйшая школа.

. Митюшин Л.И. Инструкция по эксплуатации осциллографа С1- 112

12. Нефедов В.И. Электрорадиоизмерения. -М.: Форум: ИФРА-М, 2002

. Чистяков М. Н. Справочник молодого рабочего по электроизмерительным приборам. - М.: Высшая школа, 1990.

14. Сигов А.С. Электрорадиоизмерения. Москва.: ИФРА-М, 2004

15. Однокристальные 8-разрядные FLASH CMOS микроконтроллеров компании Microchip Technology Incorporated - М.: ООО «Микро-чип» 2008.

. Шишмарев В.Ю. Средства измерений - М.: Издательский центр «Академия», 2009

. Интегрированная среда разработки для микроконтроллеров PICmicro компании Microchip Technology Incorporated - М.: ООО «Микро-чип» 2008.

18. www.microchip.ru <http://www.microchip.ru>

Похожие работы на - Проектирование учебного демонстрационного стенда 'Цифроаналоговый преобразователь' с подключением к компьютеру через порт USB

 

Не нашли материал для своей работы?
Поможем написать уникальную работу
Без плагиата!
Без нейросетей!