Проектирование устройства, осуществляющего обработку входных сигналов

  • Вид работы:
    Курсовая работа (т)
  • Предмет:
    Информатика, ВТ, телекоммуникации
  • Язык:
    Русский
    ,
    Формат файла:
    MS Word
    322,03 Кб
  • Опубликовано:
    2012-08-14
Вы можете узнать стоимость помощи в написании студенческой работы.
Помощь в написании работы, которую точно примут!

Проектирование устройства, осуществляющего обработку входных сигналов

ЗАДАНИЕ

Необходимо спроектировать аналоговое электронное устройство, осуществляющего обработку входных сигналов в соответствии с заданным математическим выражением зависимости выходного сигнала от двух входных сигналов. Подобного рода устройства обработки сигналов находят широкое применение в различных отраслях науки и техники.

В качестве входных сигналов присутствуют различные электрические величины: постоянные и переменные напряжения и токи, сигналы в виде импульсов уровня ТТЛ с изменяющейся частотой, сигналы в виде изменений активного сопротивления. Устройство должно выдавать сигнал, являющийся результатом обработки входных сигналов по заданной формуле. Выходные сигналы также имеют различные формы в зависимости от варианта задания: ток, напряжение, импульсы с изменяющейся частотой.

Проектирование устройства включает в себя:

составление функциональной схемы устройства;

выбор схем отдельных функциональных узлов;

согласование узлов друг с другом по уровням сигналов;

согласование узлов по входным и выходным сопротивлениям;

выбор режимов работы отдельных узлов, обеспечивающих условия согласования;

электрический расчёт узлов устройства;

вычерчивание полной электрической схемы устройства;

составление спецификации использованных компонентов;

тестирование устройства с помощью программных продуктов

разработку печатной платы одного из фрагментов устройства.

ИСХОДНЫЕ ДАННЫЕ ЗАДАНИЯ

Выражение зависимости выходного сигнала Y от входных сигналов: Х1, Х2:

Y = ln(Х12) + d Х2/ dt

Сопротивление нагрузки Rн = 1 кОм;

Входные сигналы

Х1 - импульсы ТТЛ f = 0…5кГц.

Х2 - Iпост = 0…10 мА; аддитивная высокочастотная помеха от 10 кГц;

Частотный спектр информативных параметров сигналов 30...300 Гц

Выходной сигнал Y- Iпост 0…5 мА.

ВВЕДЕНИЕ

В данной курсовой работе, по дисциплине «Электроника и схемотехника аналоговых устройств», мы приобретаем навыки работы с аналоговыми устройствами. Задачей курсовой работы является углубление знаний, полученных при изучении курса, а также развитие навыков самостоятельной работы с технической и справочной литературой.

Так мы ознакомляемся с готовыми аналоговыми интегральными микросхемами. Для разработки аналоговой аппаратуры целесообразно применять универсальные микросхемы, на основе которых можно строить различные функциональные узлы.

Знания, приобретённые студентами при выполнении курсовой работы, могут быть полезными в УИР, а также при дипломном проектировании всех специальностей факультета радиотехники и связи.

1. РАЗРАБОТКА ФУНКЦИОНАЛЬНОЙ СХЕМЫ УСТРОЙСТВА

Дано математическое выражение зависимости выходного сигнала от входных сигналов Х1 и Х2

Y = ln(Х12) + d Х2/ dt                                                                     (1.1)

Сигнал Х1 задан в виде импульсов уровня ТТЛ частота следования изменяется в пределах 0...5 кГц. Сигнал Х2 задан в форме постоянного тока изменяющегося 0...10 мА. Частотные спектры информативных параметров входных сигналов, занимают полосу 30...300 Гц. Сигнал на выходе устройства должен быть представлен в форме однополярного тока в пределах 0...5 мА в нагрузке 1 кОм. В соответствии с выражением (1.1 ) в устройстве выполняются операции сложения, логарифмирования, дифференцирования, умножения. На основании данного выражения составляем функциональную схему устройства в общем виде, рисунок 1.1.

Рисунок 1.1 - общая блок схема

Однако, поскольку входные сигналы Х1 и Х2 представлены не в форме однополярного напряжения, то их нельзя подавать непосредственно ни на умножитель, ни на дифференциатор. Поэтому первоначальный вариант функциональной схемы нужно доработать с учётом форм входных и выходного сигналов, а также с необходимостью подавления помехи, наложенной на входной сигнал Х1.

Сигнал Х1 представляет собой частоту следования импульсов, его информативный параметром является частота следования импульсов. Его необходимо преобразовать в однополярное напряжение, затем он должен быть отфильтрован от помех и подан на умножитель. Для этого используем схемы ПЧН и ФНЧ.

Сигнал Х2 представляет собой постоянный ток. Его необходимо преобразовать в однополярное напряжение. Для этого будем использовать схему ПТН. Выходной сигнал устройства должен быть в виде однополярного тока, для этого к выходу умножителя подключим схему ПНТ, которая обеспечит требуемое значение тока в нагрузке. Доработанная структурная схема примет вид, показанный на рисунке 1.2.

Рисунок 1.2 - добротная блок схема

2 ВЫБОР И РАСЧЕТ ПРИНЦИПИАЛЬНЫХ ЭЛЕКТРИЧЕСКИХ СХЕМ

2.1 Выбор и согласование уровней сигнала

В функциональной схеме устройства имеется устройство с неравномерной амплитудно-частотной характеристикой (АЧХ), это дифференциатор. Поскольку ширина частотного спектра информативного параметра сигнала составляет 1 декаду, то коэффициент передачи дифференциатора для низшей частоты спектра 10 Гц должен быть равен 0 дб, а для высшей частоты спектра 20 дб, что в относительных единицах соответствует 1 и 10. В тоже время максимальное напряжение на выходе любого из узлов не должно выходить за пределы линейного режима работы ОУ, и для большинства ОУ диапазон выходных сигналов составляет ±10В. Примем предел изменения напряжения на выходе дифференциатора равным 0...10В. сигнал на вход дифференциатора поступает с ПТН на выходе которого сигнал не должен превышать 1В. Да симметрии сигнала на выходе ПЧН сигнал так же будет меняться 0...1В.

В качестве ПЧН удобно использовать интегральные схемы (ИС), например, КР1108ПП1. Выходное напряжение этой ИС может быть только положительным, поэтому и на выходе выпрямителя мы тоже должны получить напряжение положительной полярности. Так как ПТН инвертирует сигнал, то на его выходе мы получим сигнал -1...0 В. Дифференциатор тоже инвертирует сигнал поэтому на его выходе мы получим сигнал 0...10 В.

На выходе умножителя мы получим возведенный в квадрат сигнал и ослабленный в 10 раз 0...0,1 В, поэтому на его выходе мы поставим усилитель. На вход логарифматора нам необходимо подать положительный сигнал, так как ln(1)=0, в связи с этим на выходе усилителя мы получим сигнал 0...10 В.

Оба сигнала нам необходимо сложить, они находятся в положительной фазе, поэтому мы выбираем неивертирующий сумматор. На его выходе получиться сигнал 0...12В. Все это отображено на рисунке 1.2.

.2 Схема ПЧН

На входе Х1 у нас сигнал, в виде импульсов ТТЛ частотой (0...5 кГц), который необходимо преобразовать в однополярное напряжение (0...1 В). Преобразование мы осуществим при помощи ПЧН, для удобства возьмем готовую ИС типа КР1108ПП1 (рис. 2.1).

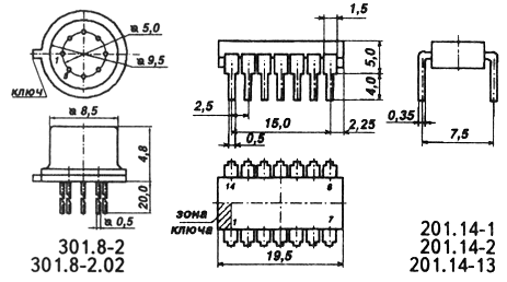
Рисунок 2.1 - ИС ПЧН КР1108ПП1

Кристалл ИС ПЧН изготовляется по биполярной технологии и размещается в 14 - выводном герметичном пластмассовом корпусе типа 201.14-2 с двухвертикальным расположением выводов.

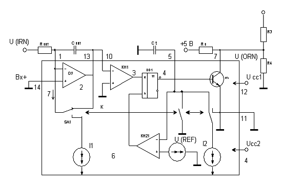
Уровни импульсного входного сигнала согласуется со стандартными ТТЛ ЦИС с помощью внешних элементов. Микросхема содержит все необходимые для ПЧН и ПНЧ узлы, включая встроенный ИОН.

Назначение и нумерация микросхемы: 1 - инвертирующий вход; 4 - напряжение источника питания Uсс1; 5 - емкость одновибратора; 7 - частотный вход; 10 - выход КН; 11 - общий; 12 - напряжение источника питания Ucc2; 13 - аналоговый выход; 14 - инвертирующий вход; 2, 3, 6, 8, 9 незадействованные выводы.

Микросхема функционирует при Uсс1=15 В ± 5 %; Ucc2=-15 В ± 5 % и 7,5В≤UREF≤8,5В.

Погрешность линейности преобразования в частотном диапазоне не превышает 0,01% при изменении рабочих температур от -10 до +70 0С.

Частоты воспринимаемых входных импульсов ИС КР1108ПП1 устанавливаются с помощью внешних элементов и могут изменяться в диапазоне от долей герц до 500 кГц.

Стабильность ИОН достигается за счет использования в качестве опорного элемента стабилитрона и специальной схемы температурной компенсации напряжения. Встроенные в кристалл основные и вспомогательные усилительные схемы выполнены на вертикальных n-p-n и «боковых» p-n-p транзисторах, что обеспечивает высокие значения коэффициентов усиления и низкую чувствительность ИС к изменениям напряжения питания. В схеме предусмотрены внутренние цепи частотной коррекции, обеспечивающие устойчивою работу ИС во всех условиях применения.

Рассчитаем номиналы навесных элементов для работы ИС в режиме ПЧН. Рекомендуемые номиналы значений Rинт и Сτ возьмем из [4]. При частоте сигнала не превышающей 10 кГц: Сt = 3,3 нФ, Синт=22 нФ и Rинт =40 кОм. Для сохранения соотношения сигналов Х1 и Х2 напряжение на выходе схемы ПЧН возьмем 1 В. Найдем значение опорного напряжения из формулы, которая выражает выходное напряжение на ПЧН:

Uвых = Uоп ×Rинт ×Сt × f

где f - максимальная частота входного сигнала, которая равна 5 кГц.

Отсюда получим

Uоп= Uвых/( Rинт ×Сt × f)


Так же необходимо рассчитать номиналы делителя напряжения, с которого снимается опорное напряжение, на рис 2.1 они обозначены как R3 и R4. Зададимся номиналом R4=10 кОм.

 т.о. R3=10 кОм.

В результате расчетов мы получили: Сt =3,3 нФ, Синт=22нФ, Rинт=40 кОм, R3=10кОм.

На выходе схемы будем иметь напряжение 0...1 В.

2.3 Схема ФНЧ

Сигнал Х1 идет с высокочастотной помехой, поэтому после его преобразования из импульсного сигнала в однополярное напряжение. Частота информативного сигнала постоянна и составляет, одну декаду, 30...300. Нам необходимо отфильтровать высокочастотную помеху, для этого будем использовать ФНЧ (рис. 2.2) третьего порядка, на основе ОУ.

Рисунок 2.2 - схема ФНЧ

Фильтр третьего порядка мы реализуем добавлением к активному фильтру, второго порядка, еще одного звена первого порядка. Коэффициент усиления ОУ примем равным Кu=1, после чего настройку фильтра будем проводить вариацией значений номиналов пассивных элементов. Низкое выходное сопротивление этой структуры позволяет каскадно соединить несколько звеньев без увеличения общего коэффициента передачи.



Затем найдем значения емкостей путем деления их номинальных значений на 2π fср, где fср - частота среза фильтра на уровне 1 дБ, т.е. максимальная частота полезного сигнала, по варианту fср=300 Гц.

Далее примем емкости конденсаторов равными 0,1 мкФ, подбираем значения резисторов путем деления емкости конденсатора на 0,1 мкФ. Откуда получим значения:

М1=85,9 кОм

М2=341 Ом

М3=13,63 кОм

После значения резисторов примем:

=85,9 кОм

R2=341 Ом

R3=13,63 кОм

Подберем по шкале Е24 номинальные значения емкостей:

Для R1=85,9 кОм ближайший номинал 8,2 кОм, для получения необходимого значения подключим к нему последовательно резистор в 3,9 кОм, после чего в сумме получим необходимый номинал. Для R2=341 Ом это будут последовательно соединенные номиналы в 330 Ом и 11 Ом. Для R3=13,63 кОм ближайший заводской номинал равен 13 кОм, к нему мы последовательно подключим переменный резистор, значение которого отрегулируем при сборке схемы.

Из справочников выберем ОУ типа К140УД14 с малым выходным током.

На выходе схемы ФНЧ мы так же будем иметь сигнал 0...1В.

2.4 Перемножитель

Преобразованный и отфильтрованный сигнал Х1 необходимо возвести в квадрат. Предпочтение осуществления перемножения сигнала отдадим готовой ИС К525ПС2 (рис 2.3).

Рисунок 2.3 - ИС перемножителя К525ПС2

К525ПС2 представляет собой функционально законченное устройство. Схема включения этого перемножителя показана на рис. 2.3 (цифры в кружках - номера выводов). Этот перемножитель имеет три входа X, Y, и Z и три входа для регулировки смешения Xсм, Yсм и Zсм. Выходной сигнал снимается со встроенного ОУ. На инвертирующий вход этого усилителя через резисторы поданы сигналы, один из которых равен произведению XY, а другой на - Z. Соединяя различным образом эти входы и выходы перемножителя, можно осуществлять операции деления, извлечения из корня, возведения в квадрат (рис 2.4 а, б, в). Регулировку масштаба преобразования можно производить с помощью делителя, установленного, например, на входе Y как показано на рис. 2.3. Входные сигналы перемножителя К525ПС2 могут изменяться в пределах ±10,5 В, погрешность умножения не более 1%.

а) б) в)

Рисунок 2.4 - способы включения ИС К525ПС2

Для возведения сигнала в квадрат нам необходимо использовать схему подключения изображенную на рис. 2.4 в. Выходное напряжение будет рассчитываться по формуле


Где мы видим, что возведенный в квадрат входной сигнал будет слабее в 10 раз, для того что бы усилить сигнал в 10 раз будем использовать неинвертирующий усилитель (рис 2.5).

Рисунок 2.5 - схема включения неинвертирующего ОУ.

На вход умножителя мы подаем сигнал 0...1 В, поэтому на выходе умножителя выходной сигнал будет равен:


Рассчитаем коэффициент усиления ОУ. На выходе нам необходимо получить сигнал в 10 В.

На выходе схемы будем иметь напряжение 0....10 В.

Коэффициент усиления ОУ

электрический схема вычислительный сигнал


Найдем номиналы резисторов, зададимся номиналом резистора R1=1 кОм, тогда из выражения  найдем Rос

 кОм

Ближайший номинал для Roc примем 10 кОм.

Рассчитаем R2

 Ом

Ближайший номинал возьмем R2=1 кОм.

Для данной схемы так же используем ОУ типа К140УД14.

.5 Логарифматор

С выхода перемножителя мы имеем сигнал 0...10 В, который нам надо прологарифмировать. Для получения логарифмической характеристики усилителя необходимо иметь устройство с логарифмической характеристикой и включить его в цепь обратной связи (рис 2.6), такой характеристикой обладает полупроводниковый p-n-переход. Известно, что ток через полупроводниковый диод равен

                                                                            (1.2)

Где I0 - ток утечки при небольшом обратном смещении (тепловой ток, возникающий в следствии тепловой генерации пар электрон - дырка; φТ - термический потенциал.

Рисунок 2.6 - схема логарифматора на ОУ.

Термический потенциал при Т=200 равен 26 мВ.

При U>>26 мВ имеем:

                                                                                   (1.3)

 откуда найдем напряжение на выходе Uвых

                                                                 (1.4)

Выходное напряжение схемы (рис 2.6) равно напряжению на диоде с обратным знаком (1.5).

                                                                            (1.5)

Из (1.5) видно, что имеется два температурных эффекта, подлежащих компенсации: температурная чувствительность масштабного коэффициента φТ и температурная чувствительность постоянной составляющей φТln(I0).

По справочнику найдем диод, с малым обратным током. Диод типа КД520А, его параметры:

постоянное прямое напряжение Uпр, В…………1

постоянный обратный ток Iдо, мкА…………......1

Максимальный ток диода Iд max в цепи ОС, при котором влиянием его собственного сопротивления можно пренебречь, составляет 0,5 мА.

Сопротивление резистора R1 определяем из условия Uвх max/ R1 = Iд max, отсюда находим R1 = Uвх max / Iд max = 10/ 0,5× 10  = 20 кОм.

Найдем выходное напряжение

 В

Но как нам известно натуральный логарифм от входного сигнала должен быть равен ln(10)=2.303. Для того что бы нам на выходе получить сигнал необходимой мощности будем использовать инвертирующий ОУ (рис 2.7).

Рисунок 2.7 - инвертирующий ОУ.

Коэффициент усиления ОУ


От куда примем Roc=14 кОм, R1=1 кОм, R2= Roc.

Таким образом получаем

для усилителя: Roc=14 кОм; R1=1 кОм, R2=14 кОм.

На выходе схемы мы получим напряжение 0…2,3 В.

ОУ - К140УД14.

Испытания схемы приведены в приложение А.

2.6 Схема ПТН

Входной сигнал Х2 представляет собой постоянный ток 0....10 мА. Для его преобразования будем использовать схему ПТН на основе ОУ (рис 2.8). В данной схеме практически весь входной ток протекает через сопротивления обратной связи и выходное напряжение равно Uвых = - Iвх × Rос.

Рисунок 2.8 - схема преобразователя постоянного тока в напряжение.

Найдем сопротивление в цепи ОС, на выходе схемы нам надо получить максимальное напряжение в 1 В, тогда мы имеем:

Rос= Uвых/½Iвх½= 1/10=1 кОм.

Rос=1 кОм.

На выходе схемы получим, инвертированный сигнал, напряжением -1...0 В.

Выберем ОУ типа К140УД14 с малым входным током.

.7 Дифференциатор

Преобразованный сигнал Х2, в напряжение, нам необходимо продифференцировать. Дифференцирование осуществим при помощи схемы основанной на ОУ (рис 2.9). На его вход мы подаем сигнал 0...-1 В.

Дифференциатор создает на выходе напряжение пропорциональное скорости изменения входного напряжения. При дифференцировании усилитель должен пропускать только переменную составляющую входного напряжения и коэффициент усиления сигнала должен возрастать при увеличении скорости изменения входного сигнала. Выполнить эти требования позволяет использование в качестве входного элемента ОУ конденсатор С1. что бы получить напряжение выходного сигнала вспомним, что ток через конденсатор имеет вид iC=C(DuC/dt). Напряжение на конденсаторе равно входному напряжению Uвх. Примем что ОУ идеальный, то ток через сопротивление обратной связи можно считать равным току через конденсатор, т.е. iR=-iC. Но Uвых=RiR=-iCR, поэтому

                                                                             (1.6)

Уменьшение реактивного сопротивления ХС с увеличением частоты приводит к тому, что схема дифференциатора имеет высокий коэффициент усиления по отношению к высокочастотным составляющим на входе, даже если их частоты лежат выше полосы частот полезного сигнала. Поэтому наряду с высокочастотными составляющими спектра полезного сигнала схема усиливает собственные шумы сопротивлений и полупроводниковых элементов. Кроме того, возможна тенденция к потере устойчивости в области частот, где частотная характеристика дифференциатора (имеющая подъем 6 Дб/октава), откуда возможно само возбуждение.

Во избежание этих нежелательных свойств, используют меры по его стабилизации. На рисунке 2.9 изображена схема скорректированного дифференциатора.

Рисунок 2.9 - схема скорректированного дифференциатора

Конденсатор С2 выбирается таким образом, что бы участок характеристики со спадом 6 Дб/октава начинался на частоте более высокой, чем максимальная частота полезного дифференцируемого сигнала; при этом уменьшается доля высоко частотных шумов в выходном сигнале.

Сопротивление R1 ограничивает коэффициент усиления на высоких частотах, обеспечивает динамическую устойчивость и снижает входной емкостной ток схемы, отбираемый от источника сигнала.и С2 выбирают так, что бы R1С1= R1С2 и fB=fcp.

Информационная частота сигнала составляет одну декаду и простирается от 30 Гц до 300 Гц и именно этот диапазон должен пропускать дифференциатор.

Частота среза примем максимальную частоту сигнала - 300 Гц. Граничные частоты рабочего диапазона дифференциатора связаны с элементами схемы f н =1/( 2p R2 C1) , f в = 1/( 2p R1 C1). Зададимся емкостью С1=0,5 мкФ, после чего найдем сопротивления резисторов R1 и R2.

R1= 1/ (2p ×f в ×C1) = 1/ (2p × 300 × 0,5 × 10 -6 ) = 1,1 кОм

R2 = 1/ (2p× f н ×C1) = 1/ (2p × 30 × 0,5 × 10 -6 ) = 11 кОм

Ёмкость конденсатора С2 определяем из вырания f ср = 1/ (2p R2×C2).

C2=1/( 2p R2× f ср ) = 1/ (2p× 300× 11×10) = 50 нФ

Сопротивление R3 служит для симметрирования входной цепи ОУ и должно быть равным активному сопротивлению, соединённому с инверсным входом ОУ, номинал R3 тоже принимаем равным 11 кОм. Ближайший заводской номинал (по стандарту Е24) для емкости C2 будет равен 51 нФ.

Таким образом, получаем

С1=0,5 мкФ; C2=51 нФ; R1=1,1 кОм; R2 = R3=11 кОм

На выходе дифференциатора мы получим сигнал 0...10 В.

Испытания схемы приведены в приложении .

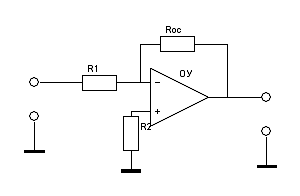
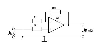
2.8 Неинвертирующий сумматор

Сигнал поступающий от логарифматора нам необходимо сложить с сигналом поступающим с дифференциатора. Суммирование будем осуществлять при помощи схемы неинвертирующего сумматора (рис 2.10).

Рисунок 2.10 - схема неивертирующего сумматора

Неивертирующий сумматор формирует алгебраическую сумму двух напряжений и не меняет их знак на обратный. Для суммирования сигналов в правильном масштабе необходимо, чтобы выполналось условие R1=R2.

Схема неивертирующего сумматора представляет собой частный случай схемы сложения-вычитания. Все входные напряжения подаются на неивертирующий вход ОУ.

Для того чтобы выходное напряжение усилителя определялось выражением

                                                                         (1.7)

должно выполняться условие

                                   (1.8)

то есть                                                                       (1.9)

Необходимую балансировку схемы можно выполнять при помощи соответствующего подбора сопротивления резистора R.

Для расчета номиналов схемы сумматора зададимся величинами сопротивления R`=1 кОм. Для того что бы выполнялось соотношение (1.7) и оба сигнала были сложены в одинаковым масштабом, примем величины сопротивлений R1=R2=R`. После чего из выражения (1.9) найдем величину сопротивления R

 Ом.

Рассчитаем выходной сигнал, неивертирующего сумматора. С выхода логарифматора мы подаем на Uвх1 сумматора сигнал 0...2,3 В. С выхода дифференциатора на вход Uвх2 напряжение 0...10 В, тогда по выражению (1.7) получим

 В.

ОУ - К140УД14.

2.9 ПНТ

На выходе нашей схемы нам необходимо получить постоянный ток 0...10 Ма. Выходным сигналом ПНТ является ток, сила которого в нагрузке определяется входным напряжением. В схеме ПНТ ОУ охватывается отрицательной ОС по току, (рис. 2.11).

Рисунок 2.11 - схема ПНТ

Схемы постоянного тока построенные на основе ОУ можно разделить на две группы:

источники тока с «плавающей» нагрузкой, т.е. нагрузкой, выводы которой не соединяются с общей шиной;

источники тока с заземленной нагрузкой.

В качестве источника постоянного тока в случае «плавающей» нагрузки можно использовать схему инвертирующего усилителя.

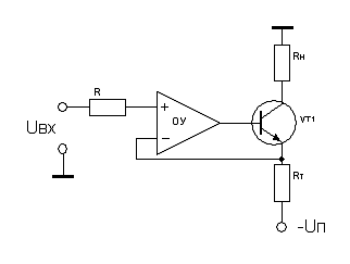
Если по условию работы сопротивление нагрузки должно иметь соединение с общей шиной, то наиболее просто источник постоянного тока выполнить с использованием дополнительного транзистора подключенного на выход ОУ. Кроме всего, введение в схему дополнительного транзистора позволяет на выходе увеличить выходной ток источника, на рисунке 2.11 приведена схема ПНТ с отрицательной поляризацией. В схеме используется n-p-n транзистор.

Принцип построения схемы состоит во введение в схему неинвертирующего усилителя цепи последовательной ООС по выходному току. В качестве датчика выходного тока используют резистор RТ, напряжения на котором при изменении сопротивления нагрузки остается постоянным URт = (ïUпï- Uвх). Поэтому

Iн = (ïUпï- Uвх) / Rт                                                                     (1.10)

На выходе ПНТ нам необходимо получить постоянный ток 0...5 Ма. Напряжение подаваемое на ПНТ однополярное и составляет 0...12,3 В, сопротивление нагрузки равно RН=1 кОм. Для начала определим максимальное напряжение на нагрузке

 В

Далее найдем необходимое напряжение питания устройства

При этом должно выполняться условие

Принимаем  В, тогда  В. Выберем ОУ, удовлетворяющий нашим требованиям:

ОУ-К574Д1; UП= ± 15 В; Uвых = ± 10 В; IОУ MAX = 5 Ма.

Определим требуемый коэффициент передачи тока транзистора


Для работы в разработанной схеме выбираем транзистор, который должен отвечать следующим требованиям:

IKMAX≥5 Ма; UКЭMAX≥UКЭMIN+UHMAX=1,5+5= 6,5 B; PKMAX≥UКЭMAXIKMAX = 32,5 мВт; h21Э≥1; тип транзистора n-p-n.

Этим требованиям отвечает транзистор КТ-315А: h21Э=10...100; IKMAX=30 Ма; PK=225 мВт; UКЭMAX=30 В.

Найдем сопротивление RT

URт=UП-UHMAX -UКЭMIN=15-5-1,5=8,5 В;T=URт/IH=8,5/(5× 10-3)=1,7 кОм.

Ближайший номинал примем 1,6 кОм.

Требуемое входное напряжение Uвх= UП+RТ IН= -15+1600×5 10-3=-7В.

. ОПИСАНИЕ ОУ

ОУ - К140УД14, там же приведена схема его включения и основные параметры:

коэффициент усиления К, тыс. 50,

напряжения питания ±Uп, В 5…20,

ток потребления Iп, Ма 1,

средний входной ток Iвх, На 5,

частотная полоса f 1, МГц 0,5,

выходной сигнал ±Uвых, В 12,

минимальная нагрузка Rн, кОм 1,

зарубежный аналог LM108.

Корпус К140УД14 (рис. 3.1)

Рисунок 3.1 - корпус ОУ К140УД14

Назначение выводов К140УД14 (Корпус 201.14):

,12 - коррекция;

- вход инвертирующий;

- вход неинвертирующий;

- напряжение питания -Uп;

- выход;

- напряжение питания +Uп;

Назначение выводов К140УД14 (Корпус 2):

,8 - балансировка;

- вход инвертирующий;

- вход неинвертирующий;

- напряжение питания -Uп;

- выход;

- напряжение питания +Uп;

ЗАКЛЮЧЕНИЕ

В данной курсовой работе мы спроектировали и рассчитали аналоговое вычислительное электронное устройство. Проектирование схемы осуществлялось аналитическим методом - сначала была спроектирована блок схема, затем ее отдельные блоки, после чего они все были синтезированы между собой. Расчет аналогово устройства производилось отдельными и частями, после чего они согласовывались между собой.

В результате было получено аналоговое вычислительное устройство соответствующее параметрам данными в задании.

Похожие работы на - Проектирование устройства, осуществляющего обработку входных сигналов

 

Не нашли материал для своей работы?
Поможем написать уникальную работу
Без плагиата!
Без нейросетей!