Проектирование комбинационной схемы проверки четности 2-х байтовой посылки

  • Вид работы:
    Дипломная (ВКР)
  • Предмет:
    Информатика, ВТ, телекоммуникации
  • Язык:
    Русский
    ,
    Формат файла:
    MS Word
    2,51 Мб
  • Опубликовано:
    2012-07-05
Вы можете узнать стоимость помощи в написании студенческой работы.
Помощь в написании работы, которую точно примут!

Проектирование комбинационной схемы проверки четности 2-х байтовой посылки

Оглавление

АННОТАЦИЯ

. ТЕХНИЧЕСКОЕ ЗАДАНИЕ

. РАЗРАБОТКА ЛОГИЧЕСКОЙ СХЕМЫ

. РАЗРАБОТКА ТЕХНОЛОГИЧЕСКОГО МАРШРУТА И РЕЖИМОВ ТЕХНОЛОГИЧЕСКИХ ОПЕРАЦИЙ

.1 Технологический маршрут

.2 Графичесое изображение стадий процесса

.3 Выбор легирующей примеси

.4 Выращивание эпитаксиального слоя кремния

.5 Расчет профилей распределения примеси и времени высокотемпературных процессов

.5.1 Определение концентраций в подложке и эпитаксиальном слое

.5.2 Определение профилей распределения примеси в неоднородно легированных слоях

.5.3 Окисление

.5.4 Результаты расчета параметров высокотемпературных процессов

.6 Профили распределения примеси

.7 Расчет конструкционно-технологических ограничений

.8 Фотошаблоны

. МОДЕЛИРОВАНИЕ ИНТЕГРАЛЬНОГО БИПОЛЯРНОГО ТРАНЗИСТОРА

.1 Определение ширины области пространственного заряда p-n - переходов

.2 Расчет барьерных емкостей p-n переходов

.3 Расчет параметров модели Гуммеля - Пуна

.3.1 Расчет тока насыщения

.3.2 Расчет токов генерации - рекомбинации

.3.3 Расчет времени пролета носителей заряда через базу

.3.4 Расчет характеристических токов IKF и IKR

.3.5 Расчет напряжения Эрли

.3.6 Расчет чисел Гуммеля для базы и эмиттера

.3.7 Расчет коэффициента передачи тока базы в нормальном режиме

.3.8 Расчет коэффициента передачи тока базы в инверсном режиме

.3.9 Расчет параметров эффекта квазинасыщения

.3.10 Расчет сопротивлений транзистора

.4 Моделирование параметров интегрального транзистора в программе физико-топологического моделирования TCad

.5 Экстрагирование параметров модели Гуммеля - Пуна

.5.1 Нахождение IS, NF

.5.2 Нахождение IKF и IKR

.5.3 Нахождение ISE и NE, ISC и NC

.5.4 Нахождение VAF и VAR

.5.5 Нахождение BF и BR

.5.6 Нахождение RC

.5.7 Нахождение RB

.5.8 Нахождение времени переноса носителей

.6 Анализ полученных результатов

. РАЗРАБОТКА БАЗОВОЙ ЯЧЕЙКИ ТТЛ

.1 Принципиальная электрическая схема элемента

.2 Расчет номиналов резисторов

.3 Расчет геометрических размеров резисторов

.4 Расчет номиналов паразитных элементов

.5 Моделирование базовой ячейки в Micro-cap

.6 Топология базовой ячейки

.7 Топология кристалла

Заключение

Список литературы

АННОТАЦИЯ

В работе представлены результаты проектирования комбинационной схемы проверки четности 2-х байтовой посылки. В ходе работы смоделирована логическая схема устройства, разработан технологический маршрут производства интегрального транзистора, найдены конструктивно-технологические ограничения. Проведен расчет параметров модели Гуммеля-Пуна, которые использовались для моделирования работы транзистора, и построенной на его основе, базовой ячейки в программе Micro-cap. Приведены топологические чертежи базовой ячейки и разводки кристалла.

транзистор программа ячейка кристалл

1. ТЕХНИЧЕСКОЕ ЗАДАНИЕ

Сконструировать комбинационную схему проверки на четность 2-х байтовой посылки. Схему выполнить в базисе ТТЛ, используя изоляцию V канавками.

Технологическая норма 2 мкм.

Необходимо сконструировать интегральный транзистор в соответствии конструкционно технологическим вариантом №8, электрические и топологические параметры транзистора приведены в таблице 1.1

Таблица № 1.1.

Конструкционно-технологический вариант №8

Функции слоя

Тип проводимости

Толщина, мкм

Уд. Сопротивление Ом/кв

1

Подложка

p

400±40

(5±1.0)

2

Скрытый слой

n+

1,6±0.5

30±8

3

Эпитаксиальный слой

n

2±0.4

(0.6±0.1)

4

Разделительные области

p+

3±0.6

25±8

5

Глубокий коллектор

n+

2.5±0.6

25±8

6

База активная

p

0.5±0.15

300±60

7

Эмиттер

n++

0.25±0.05

30±6

8

Защитный слой

-

0.6±0.1

-

9

Металлизация

-

0.7±0.1

-


2. РАЗРАБОТКА ЛОГИЧЕСКОЙ СХЕМЫ


Для выполнения данной задачи, необходимо проверить все 16 разрядов пришедшего на вход числа. Для упрощения задачи будем выполнять проверку по частям, проверяя разряды попарно. Для этого воспользуемся функцией "Исключающее или".

Таблица истинности функции "Исключающее или":

Таблица № 2.1.

a

b

f

0

0

0

0

1

1

1

0

1

1

1

0



Если в проверяемых разрядах есть одна единица, то есть нечетность, на выходе формируется 1, Если на входе будет два нуля или две единицы - четность, на выходе формируется 0. Далее после двух блоков проверяющих первые 4 разряда попарно мы ставим третий аналогичный блок, который проверяет выходы с первых двух. Если f1 и f2 выходные функции двух первых блоков, тогда на третьем блоке будем иметь функцию f2.

Таблица № 2.2.

f0

f1

f2

0

0

0

0

1

1

1

0

1

1

1

0



Как видно из таблицы № 2.2, f2 также реализуется функцией "исключающее или".

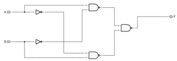
Логическая схема элемента, выполняющего функцию "исключающее или" представлена на рис. 2.1. Схему можно посторить на элементах И-не и инверторах.

Рис.2.1 Логическая схема элемента "исключающее или"

Для проверки схемы подадим на входы А и В сигналы "0" и "1". При совпадении сигналов на выходе формируется "0" , соответствующий четности , при несовпадении - "1" - соответствующая нечетности сигналов.

Рис.2.2 Реакция схемы "исключающее или" на входные импульсы

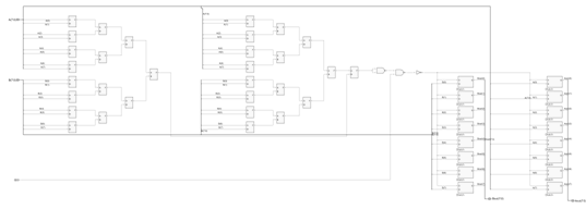
Проводя попарно сравнение разрядов, получим схему для проверки четности 2-х байтовой посылки (рис.3), состоящей из блоков элементов "исключающее или".

Рис. 2.3 Схема для проверки четности 2-х байтовой посылки

Рис. 2.4 Осциллограммы схемы для проверки четности 2-х байтовой посылки

На рис. 2.4 представлена осциллограмма, подтверждающая верную работу схемы. Моделируем 2-х байтовую посылку, подавая сигналы "0" и "1" на входы А(0-7) и В(0-7), на выходе F при четности посылки "0", при нечетности - "1".

Для отсутствия ошибок при передачи реализуем следующий метод. Передатчик проверяет на четность отправляемую посылку, отправляет посылку и отдельно результат проверки - "бит четности"."Бит четности" - это своего рода эквивалент той информации, которая передается по основной линии.

Приемник принимает посылку, проверяет ее на четность и смотрит совпадение с "битом четности", посланным передатчиком. В зависимости от результатов проверки посылка идет на запись либо нет.

Таблица № 2.3.

Рис.2.5 Схема приемника 2-х байтовой посылки

Структура схемы на рис. 2.5. "многоступенчатая". В первых у нас попарно сравниваются все биты посылки. Выходные сигналы проверки служат входными для следующих блоков, и далее до определения четности всей посылки. Полученный результат на последнем этапе сравнивается с "битом четности".

Рис.2.6. Общая блок-схема

На рис. 2.6 блок U2 передатчик информации, блоки U3,U5 приемник информации, U1 блок памяти.

Контролирующее устройство предназначено для защиты схемы от ложного срабатывания.

Переключатель управляет сигналом записи информации. На вход G мы подаем разрешающий импульс, означающий, что прошло время обработки схемой первоначального сигнала. До прихода на вход G разрешающего импульса запись не осуществляется.

Таблица № 2.4.

G

F

C

0

0

0

0

1

0

1

0

0

1

1

1


Память реализована на D-триггерах. Запись срабатывает при подтверждении правильности посылки.

Рис.2.7. Ячейка блока памяти - D- триггер.

Рис.2.8 Схема блока памяти, реализуемого на D-триггерах

Рис.2.9. Общая схема

3. РАЗРАБОТКА ТЕХНОЛОГИЧЕСКОГО МАРШРУТА И РЕЖИМОВ ТЕХНОЛОГИЧЕСКИХ ОПЕРАЦИЙ


Разработаем технологический маршрут для получения необходимой структуры, представленной далее на рис. 3.12. в соответствии с КТВ, указанными в таблице 1.1.

 

.1 Технологический маршрут


1.       Резка исходного кристалла на пластины.

.        Механическая обработка пластин:шлифовка, полировка.

.        Химическая обработка пластины.

.        Окисление поверхности кремния.

.        Вскрытие окон под диффузию скрытого коллекторного слоя.

.        Диффузия сурьмы для создания скрытого слоя. (Рис.3.1)

.        Снятие окисла.

.        Осаждение эпитаксиального слоя силановым методом. (Рис.3.2)

.        Окисление поверхности эпитаксиального слоя.

.        Фотолитография.

.        Вскрытие окон под диффузию глубокого коллектора.

.        Диффузия фосфора для создания области глубокого коллектора

.        Снятие окисла.

.        Окисление поверхности эпитаксиального слоя.

.        Фотолитография.

.        Вскрытие окон под диффузию активной базы.

.        Диффузия бора для создания активной базы. (Рис. 3.4)

.        Снятие окисла.

.        Окисление поверхности эпитаксиального слоя.

.        Фотолитография.

.        Анизотропное травление кремния для формирования разделительных канавок. (Рис. 3.5)

.        Снятие окисла.

.        Осаждение трехслойного диэлектрика SiO2 - Si3N4 - SiO2.

.        Фотолитография для удаления диэлектрика с поверхности (в канавках диэлектрик остается). (Рис.7)

.        Окисление поверхности эпитаксиального слоя.

.        Фотолитография.

.        Вскрытие окон под диффузию эмиттера.

.        Диффузия фосфора для создания эмиттера. (Рис. 3.8)

.        Удаление окисла.

.        Окисление поверхности эпитаксиального слоя. (Рис. 3.9)

.        Фотолитография.

.        Вскрытие окон под металлизацию.(Рис. 3.10)

.        Нанесение алюминия. (Рис. 3.11)

.        Фотолитография и травление алюминия для формирования разводки кристалла. (Рис. 3.12)

 

3.2 Графическое изображение стадий процесса


3.4 Выбор легирующей примеси

Выбор легирующих примесей, используемых при создании структуры транзистора, производится с учетом следующих критериев:

Тип проводимости примеси.

Предельная растворимость примеси в кремнии.

Коэффициенты диффузии примеси в кремнии и оксиде кремния.

Для создания области скрытого коллекторного слоя выберем сурьму, так как она обладает достаточно низким коэффициентом диффузии, что не позволяет ему сильно "разгоняться" во время проведения всех последующих термических операций. Для создания областей p типа используем бор, для областей n типа - фосфор. Эти примеси имеют коэффициент диффузии в кремнии больший, чем в оксиде кремния, что позволяет использовать последний в качестве диффузионной маски.

 

.5 Выращивание эпитаксиального слоя кремния


Для выращивания эпитаксиального слоя кремния используем метод, основанный на пиролитическом разложении силана:


При проведении эпитаксии нужно минимализировать температуру процесса, чтобы избежать размытия границы раздела подложка - эпитаксиальный слой вследствие диффузии. Выращивание эпитаксиального слоя силановым методом происходит при температуре около , скорость наращивания при данной температуре .

3.6 Расчет профилей распределения примеси и времени высокотемпературных процессов

3.6.1 Определение концентраций в подложке и эпитаксиальном слое

Для нахождения концентрации примеси в подложке воспользуемся известной формулой:

, (3.1)

где q - заряд электрона, mp - подвижность дырок при T = 300К

Подвижность дырок можно найти, воспользовавшись эмпирическим выражением:

.(3.2)

Решая (3.1) и (3.2) совместно с помощью MathCAD получим:

 

Аналогично для эпитаксиального слоя:

 (3.3)

 

3.6.2 Определение профилей распределения примеси в неоднородно легированных слоях

Легирование областей проходит в два этапа: загонка и разгонка.

При разгонке примеси под действием температуры происходит диффузия введенной при загонке примеси вглубь полупроводника. Профиль распределения примеси при загонке описывается дополнительной функцией ошибок:

 )(3.4а)

где Ns - поверхностная концентрация, D - коэффициент диффузии, t - время диффузии

Профиль распределения примеси при загонке описывается распределение Гаусса:

(3.4б)

Толщина слоя может быть выражена следующим образом:

(3.5)

где N0 концентрации исходной примеси , Q - количество атомов примеси на единицу площади, L- характеристическая длина диффузии.

Зная толщину слоя и форму распределения примеси в нем найдем количество введенной примеси:

 (3.6)

Решая совместно 3.4а , 3.5 , 3.6 определим параметры загонки примеси, позволяющие получить слои с заданными параметрами.

Найдем дозу введенной примеси.

(3.7)

 

.6.3 Окисление

Окисление проводится двумя способами: химическим осаждением кислорода из газовой фазы(в сухом кислороде или парах воды) и используя реакции пиролиза тетраэтаоксисилана Si(OC2H5)4.

Химическое осаждение проводится при температурах 900 - 1300 С, реакции пиролиза позволяют понизить температуру до температур, при которых диффузионные процессы в кремнии практически не происходят.

Зная маскирующую способность окисла, найдем его необходимую толщину для каждой операции.

эмиттер

0.07

база

0.1

коллектор

0.08

скрытый слой

0.8


Выберем для всех операций одинаковый, равный 0.6

Толщина окисла, выращенного при "влажном окислении" равна:

 (3.8)

Толщина окисла, выращенного при "сухом окислении" равна:

(3.8а)


3.6.4 Результаты расчета параметров высокотемпературных процессов



3.7 Профили распределения примеси

Полученные распределения примеси ( рис. 3.15, рис. 3.16, рис 3.17) соответствуют заданным параметрам КТВ( таблица 1.1).

Рис. 3.15 Распределение примеси в сечении эмиттера

Рис. 3.16 Распределение примеси в сечении базы

Рис. 3.17 Распределение примеси в сечении коллектора

Для построения профилей распределения примеси в сечении различных областей транзистора, мы рассчитали следующие профили распределения примеси:

Эмиттер

Рис. 3.18 Профиль распределения примеси в эмиттере

Активная база

Рис. 3.19 Профиль распределения в базе

Глубокий коллектор

Рис. 3.20 Профиль распределения примеси в глубоком коллекторе

Скрытый слой

Рис. 3.21 Профиль распределения в скрытом слое

3.8 Расчет конструкционно-технологических ограничений


Технологическая норма - минимальный размер окна, который может быть реализован на фотошаблоне. Расчёт всех размеров исходит из технологической нормы.

Технологическая норма:

Толщина изолирующего окисла:

Толщина слоя металлизации:

Запас:

Систематические погрешности:

Увеличение размера проэкспонированной области при фотолитографии: .

Боковое травление удаляемого материала:

При жидкостном травлении: ;

При ионно-плазменном травлении:


Боковая диффузия: , где  - толщина слоя.

Случайные погрешности:

Неточность изготовления фотошаблона:

.

Ошибка совмещения фотошаблонов: .

Погрешность при травлении:

При жидкостном травлении:

;

При ионно-плазменном травлении:

.

Погрешность боковой диффузии: .

Размер контактного окна в структуре:


С учётом случайной погрешности:


Размер металлизации контактных окон:


Размер на фотошаблоне:


Размер металлизации дорожки:


Расстояние между дорожками металлизации:


Размер эмиттера:


Размер активной базы:


Размер коллектора:


Разделительные области:

Расстояния до разделительных областей:


Поперечные размеры структуры:

Активная база:


Скрытый слой:


3.9 Фотошаблоны



4. МОДЕЛИРОВАНИЕ ИНТЕГРАЛЬНОГО БИПОЛЯРНОГО ТРАНЗИСТОРА

Необходимо рассчитать параметры математических моделей транзисторных структур проектируемой интегральной схемы и построить на основе этих параметров статические и динамические характеристики транзистора и зависимости параметров от режимов (в частности коэффициента передачи по току базы) для дальнейшего схемотехнического моделирования базовых ячеек проектируемой ИС. Определить оптимальный режим работы транзистора.

Расчет параметров модели транзистора на основании аналитических выражений, полученных из рассмотрения физических процессов в структуре транзистора в некоторых приближениях (интегральных соотношениях зарядов в транзисторной структуре).

Экстракция параметров SPICE-модели транзистора из характеристик (статических и динамических) транзистора, полученных в результате физико-топологического моделирования с помощью программного комплекса ISE TCAD, сопоставление с полученными аналитически параметрами и заключением о применимости используемых приближений.

В качестве модели биполярного транзистора используется модель Гуммеля-Пуна (рис.3). Данная модель основана на интегральных соотношениях для зарядов в базе и связывает такие внешние характеристики транзистора как напряжение и ток с зарядом в базе [2]. Модель способная описать три важных эффекта второго порядка:

.        рекомбинацию в области объемного заряда эмиттерного перехода при малых напряжения смещения эмиттер-база;

.        снижение коэффициента усиления по току, наблюдаемое при больших токах;

.        влияние расширения области объемного заряда (эффект Эрли) на ток связи между эмиттером и коллектором.

Эти эффекты второго порядка вызывают отклонение реальных характеристик приборов от идеальных.

Рис. 4.1. Схема замещения транзистора в модели Гуммеля-Пуна.

Токи транзистора в статическом режиме описываются следующими выражениями:

 

 

 

 

 

 

 

4.1 Определение ширины области пространственного заряда p-n - переходов

Для определения расширения ОПЗ перехода эмиттер - база активная воспользуемся приближением резкого p-n - перехода [1]. Нужно определить расширение ОПЗ при нулевом смещении перехода. Для этого нужно решить систему уравнений, состоящую из (1), (2), (3), (4).

;

(1)

;

(2)

;

(3)

,

(4)


здесь dpeba, dneba - расширение ОПЗ в базу и эмиттер соответственно; He - глубина залегания эмиттерного перехода; Ne(x) - зависимость концентрации легирующей примеси в эмиттере от глубины; Nba(x) - зависимость концентрации легирующей примеси в активной базе от глубины; Ujeba - контактная разность потенциалов эмиттерного перехода; er - диэлектрическая проницаемость кремния; e0 - электрическая постоянная.

;

(5)

,

(6)

Здесь Lba, Le - диффузионные длины в активной базе и эмиттере соответственно.

,

(7)


здесьjТ - тепловой потенциал при температуре 300К; nieff - эффективная собственная концентрация, учитывающая сужение запрещенной зоны.

,

(8)


здесь ni - собственная концентрация; DEg - сужение запрещенной зоны.

,

(9)


здесь N - концентрация примеси в точке встречи.

Расширения ОПЗ переходов база - коллектор и скрытый слой - подложка рассчитываются аналогично.

Таблица 1 Расширения ОПЗ переходов


Эмиттер - база

База -эпитаксиальный слой

Скрытыйслой-подложка

dn, мкм

0.0187

0.3

0.0085

dp, мкм

0.0417

0.078

0.0092

dопз, мкм

0.061

0.378

0.018

Uконт, В

0.805

0.692

0.906


4.2 Расчет барьерных емкостей p-n переходов

Удельная емкость p-n перехода рассчитывается по формуле:

.

(10)


Емкость p-n - перехода определяется как:

,

(11)


Где Sp-n - площадь pn- перехода.

Площадь pn - перехода рассчитывается как произведение его длины по оси ОХ и ширины по оси ОZ.

Sp-n=w×z;

(12)

- длина диффузионного слоя по оси OX; z- размер диффузионной области по оси OZ.

Результаты расчета барьерных емкостей переходов эмиттер - база (Ceba), база - коллектор (Cbс) и скрытый слой - подложка (Ccp) сведны в таблицу 2.

Таблица 2 Барьерные емкости p-n - переходов


Ceb

C

Ccp

Удельная емкость, Ф/см2

1.726*10^-7

2.76*10^-8

5.883*10^-7

Барьерная емкость, Ф

5.221*10^-14

2.76*10^-14

9.531*10^-13


4.3 Расчет параметров модели Гуммеля - Пуна

 

4.3.1 Расчет тока насыщения

Ток насыщения IS является одним из основных параметров модели транзистора. Он фактически связывает токи эмиттера и коллектора при низком уровне инжекции [2].

Ток насыщения найдем по формуле:

,

(13)


где Sem- площадь эмиттерного перехода; Dnsr- усредненный коэффициент диффузии по электронейтральной области базы; Qbo- удельный встроенный заряд в базе транзистора; q- элементарный заряд.

,

(14)

(14’)


где dpbac - расширение ОПЗ перехода база - коллектор в область базы;dpeba - расширение ОПЗ перехода эмиттер - база в область базы; Hba - глубина активной базы; mn - подвижность вычисленная по формуле (14’) при подстановки в нее Nba(x).

.

(15)


Результаты расчета:

Qbo, Кл/cм2

Dnsr, см2

Is, А

1.638*10^-6

34.394

3.418*10^-17


4.3.2 Расчет токов генерации - рекомбинации

Обратные токи эмиттерного и коллекторного переходов представляют собой токи тепловой генерации в ОПЗ соответствующих переходов и рассчитываются по следующим формулам:

;

(16)

,

(17)


где deba, dbac - полные расширения ОПЗ переходов эмиттер - база и база - коллектор соответственно; Sc - площадь перехода база коллектор; tn - усредненное по ОПЗ время жизни электронов в базе, рассчитанное при помощи формул (18) и (19).

;

(18)

,

(19)


где С3=10-5 с; С1=1016 см-3.

Результаты расчета:

ISE, A

ISC, A

1.775*10^-11

6.825*10^-12


4.3.3 Расчет времени пролета носителей заряда через базу

Время пролета неосновных носителей через электронейтральную область базы представляет собой одно из главных ограничений на быстродействие транзистора [2].

Время пролета носителей через базу - есть коэффициент пропорциональности между зарядом основных носителей в базе и током коллектора. Заряд инжектированных носителей Qnb переносит коллекторный ток, который течет через электронейтральную область базы. Соответственно характеристическое время пролета через базу TF, определяющее перенос неосновных носителей через базовую область, есть частное от деления заряда Qnb на ток Ic:

,

(20)


где Qnb - заряд, обусловленный инжектированными электронами, и определяется так:

(21)


Здесь Dn(x) - распределение избыточной концентрации инжектированных электронов в электронейтральную область базы.

Для коллекторного тока имеем:

(22)


Таким образом, получаем следующее выражение для определения времени пролета:

;

(23)

.

(24)


Результаты расчета:

TF, с

TR, с

1.64*10^-12

2.388*10^-11


4.3.4 Расчет характеристических токов IKF и IKR

Характеристические токи IKF(эммитер инжектирует, коллектор собирает электроны) и IKR используются в модели Гумеля-Пуна для описания эффекта высокого уровня инжекции. Определяются они следующим образом:

;

(25)

,

(26)


где Sempl - площадь плоской части эмиттерного перехода

Результаты расчета:

IKF, мA

IKR, мA

0.324

0.021


4.3.5 Расчет напряжения Эрли

Изменение напряжения смещения коллекторного перехода вызывает изменение ширины области его объемного заряда и, следовательно, ширины квазинейтральной области базы [3]. Такое явление модуляции ширины базы называют эффектом Эрли. Этот эффект приводит к изменению коллекторного тока транзистора в зависимости от напряжения на коллекторном переходе и определяется следующим образом:

;

(27)

.

(28)


Результаты расчета:

VAF, В

VAR, В

59.351

9.491


4.3.6 Расчет чисел Гуммеля для базы и эмиттера

Число Гуммеля - количество атомов примеси на см2квазинейтральной области

;

(29)

,

(30)


де Dpsr - усредненный коэффициент диффузии неосновных носителей заряда по электронейтральной области эмиттера; NGe, NGb - числа Гуммеля для эмиттера и базы соответственно.


Где mp- подвижность определенная по формуле (14’) при подстановке в нее Nem(x).

Результаты расчета:

NGe

NGb

1.658*10^13

2.552*10^12


4.3.7 Расчет коэффициента передачи тока базы в нормальном режиме

Для расчета коэффициента передачи тока базы при прямом включении транзистора справедлива следующая формула:

.

 (32)

 

4.3.8 Расчет коэффициента передачи тока базы в инверсном режиме


,

(33)


где aI - коэффициент передачи тока эмиттера в инверсном режиме, рассчитанный по формуле (34).

,

(34)

где Dpsr- усреднённый коэффициент диффузии дырок в электронейтральном эпитаксиальном слое; S1 - площадь плоского дна эмиттерного перехода; S2 - площадь плоского дна перехода коллектор - активная база; S3 - площадь боковой части перехода коллектор - активная база; Lp - диффузионная длина дырок в эпитаксиальной области; D - ширина электронейтральной области эпитаксиального слоя.

Результаты расчета:

BF

BR

25.975

1.897

 

4.3.9 Расчет параметров эффекта квазинасыщения

Параметром, учитывающим эффект квазинасыщения, является ток коллектора, характеризующий начало расширения базы в коллектор, что приводит к изменению времени пролета неосновных носителей заряда через базу. Т. е. данный параметр характеризует зависимость TF от тока коллектора и определяется следующим образом:

.

(35)


Здесь Vs - скорость насыщения носителей заряда в кремнии (Vs=107 [см/с]).

Определение напряжения насыщения V0, определяющего напряжение, при котором происходит насыщение дрейфовой скорости в коллекторе:

,

(36)


где Eкр - критическая напряженность электрического поля, при которой скорость дрейфа носителей заряда насыщается.

Рассчитать множитель, определяющий заряд в эпитаксиальной области, можно по соотношению:

.

(37)


Коэффициент легирования эпитаксиальной области, рассчитывается по формуле:

.

(38)


Таким образом, после расчета получаем следующие значения параметров эффекта нелинейного квазинасыщения:

= 4.519 мA,

V0= 3.0 B,

QC0= 6.778*10^-13 Кл/см2,

GAMMA= 9.649*10^-11

4.3.10 Расчет сопротивлений транзистора

Расчет сопротивления областей транзистора проведем по формуле:

 , где ρS - поверхностное сопротивление области,l и b - длина и ширина области соответственно.

Расчет сопротивления тела эмиттера (RE) производится по формуле

.

(39)

где re- удельное поверхностное сопротивление эмиттерного слоя (задано в КТВ).

Результат расчета: RE= 0.062 Oм

Сопротивление коллектора можно условно разделить на 5 частей:

Рис. 4.2. Структура транзистора, поясняющая распределение сопротивления тела коллектора.

Полное сопротивление коллектора определяется как:

, где каждое слагаемое рассчитывается по следующим формулам:

    

(40)


Результаты расчета:

Сопротивление тела коллектора

r1,Ом

r2,Ом

r3,Ом

r4,Ом

r5,Ом

158.678

1.587

34.091

5

1.736

=201.092 Ом

Сопротивление базы может меняться под действием эффектов:

·        модуляции сопротивления базы

·        оттеснения эмиттерного тока

Критерий, определяющий необходимость учета этих эффектов:

, где W - ширина квазинейтральной базы, h - длина области эмиттера.

В нашем случае ψ=0.164< 1, следовательно, нужно учитывать эффект оттеснения эмиттерного тока. Данный эффект учитывается введением параметра IRB, при котором сопротивление базы уменьшается на 50% от полного перепада между RB и RBM. Всю базу можно разбить на два участка: пассивная и активная область (база под эмиттером). Сопротивление пассивной части базы складывается из двух: подконтактная часть и сопротивление базы, от края контакта до эмиттера. В максимальное значение входит также и сопротивление активной части базы.

Рис. 4.3. Области сопротивления базы.

Для расчёта воспользуемся следующим соотношением для такой геометрии сопротивления :


где L - расстояние от края контакта до эмиттера (из КТО)

 

(42)


Результаты расчета:

RB,Ом

RBM,Ом

220

20


И окончательно:

Сопротивления транзистора

Сопротивление эмиттера (RE), Ом

Сопротивление базы (RB), Ом

Минимальное сопротивление базы (RBM), Ом

Сопротивление коллектора (RC), Ом

0.24

220

20

201


В нашем случае ψ=0.164< 1, следовательно, нужно учитывать эффект оттеснения эмиттерного тока. Данный эффект учитывается введением параметра IRB, при котором сопротивление базы уменьшается на 50% от полного перепада между RB и RBM.

(43)

После расчёта имеем значение тока:

IRB= 0.431٠10^-3A.

4.4 Ìîäåëèðîâàíèå ïàðàìåòðîâ èíòåãðàëüíîãî òðàíçèñòîðà â ïðîãðàììå ôèçèêî-òîïîëîãè÷åñêîãî ìîäåëèðîâàíèÿ TCad


 äèôôóçèîííî-äðåéôîâîì ïðèáëèæåíèè ýêñïåðèìåíòîì ìîæíî ñ÷èòàòü ìîäåëèðîâàíèå ýëåêòðè÷åñêèõ ðåæèìîâ â ñèñòåìå ôèçèêî-òîïîëîãè÷åñêîãî ìîäåëèðîâàíèÿ TCad íà ñìîäåëèðîâàííîì â íåé æå òðàíçèñòîðå.  ýòîé ñèñòåìå â äâóìåðíîì ïðîñòðàíñòâå ðåøàåòñÿ ñèñòåìà óðàâíåíèé, êîòîðàÿ îïðåäåëÿåò ïîâåäåíèå ýëåêòðîííîãî è äûðî÷íîãî ãàçà. Ò.å. íàõîäèòñÿ ôóíêöèÿ ðàñïðåäåëåíèÿ ñâîáîäíûõ ýëåêòðîíîâ è äûðîê â ïðèáëèæåíèè èäåàëüíîãî ãàçà, à òî÷íåå n(x,y) è p(x,y) (ñ÷èòàåòñÿ, ÷òî ðàñïðåäåëåíèå ñâîáîäíûõ íîñèòåëåé ïî ýíåðãèÿì - Áîëüöìàíîâñêîå, è âíåøíåå ýëåêòðè÷åñêîå ïîëå íà ðàñïðåäåëåíèå ïî ýíåðãèÿì íå âëèÿåò), à ïîòîì â äèôôóçèîííî-äðåéôîâîì ïðèáëèæåíèè íàõîäÿòñÿ òîêè. Ýêñïåðèìåíòîì ýòî ìîäåëèðîâàíèå ìîæíî ñ÷èòàòü òîëüêî òîãäà, êîãäà âûïîëíÿåòñÿ äèôôóçèîííî-äðåéôîâîå ïðèáëèæåíèå. À îíî âûïîëíÿåòñÿ êîãäà:

·        ýëåêòðîííî-äûðî÷íûé ãàç äîëæåí áûòü íå âûðîæäåííûì;

·        ýëåêòðîííî-äûðî÷íûé ãàç íàõîäèòñÿ â òåðìî-äèíàìè÷åñêîì ðàâíîâåñèè ñ ðåø¸òêîé, ò.å. Òn=Tp=TL.  ïðîòèâíîì ñëó÷àå, ÷òîáû íàéòè òåìïåðàòóðó ãàçà (è âîñïîëüçîâàòüñÿ áîëüöìàíîâñêèì ðàñïðåäåëåíèåì) íóæíî ðåøèòü ñèñòåìó ýíåðãåòè÷åñêîãî áàëàíñà, ñëåäîâàòåëüíî ïîëÿ äîëæíû áûòü ìåíüøå 105Â/ñì;

·        îáëàñòü, ãäå èñïîëüçóåòñÿ ïîäâèæíîñòü (êîýôôèöèåíò äèôôóçèè â àêòèâíîé áàçå, íàïðèìåð) äîëæíà áûòü áîëüøå äëèííû ñâîáîäíîãî ïðîáåãà - 0.1ìêì â êðåìíèè, è êîíöåíòðàöèÿ ïðèìåñè â ýòîé îáëàñòè äîëæíà ìåíÿòüñÿ íå ñèëüíî (ò.ê. ïîäâèæíîñòü çàâèñèò îò êîíöåíòðàöèè ïðèìåñè).

Ïðè ìîäåëèðîâàíèè ó÷èòûâàëèñü ñëåäóþùèå ýôôåêòû:

·        ðåêîìáèíàöèÿ - ìîäåëü Øîêëè-Ðèäà-Õîëëà, çàâèñèìîñòü âðåìåíè æèçíè îò êîíöåíòðàöèè ëåãèðóþùåé ïðèìåñè;

·        ïîäâèæíîñòü - çàâèñèìîñòü îò êîíöåíòðàöèè ëåãèðóþùåé ïðèìåñè, íàñûùåíèå äðåéôîâîé ñêîðîñòè íîñèòåëåé çàðÿäà â âûñîêèõ ïîëÿõ;

·        ñóæåíèå øèðèíû çàïðåùåííîé çîíû ïðè âûñîêèõ êîíöåíòðàöèÿõ ëåãèðóþùåé ïðèìåñè (ýôôåêòèâíàÿ ñîáñòâåííàÿ êîíöåíòðàöèÿ);

Ïðè ìîäåëèðîâàíèè äâóõìåðíîé ñòðóêòóðû òðàíçèñòîðà â ïðîãðàììå MDRAW , èñïîëüçîâàëèñü ðàçìåðû ñòðóêòóðû òðàíçèñòîðà òå æå, ÷òî è ïðè ðàñ÷¸òå çàðÿäîóïðàâëÿåìîé ìîäåëè Ãóììåëÿ-Ïóíà.

Äâóìåðíàÿ ñòðóêòóðà ïîëó÷åííîãî òðàíçèñòîðà èìååò ñëåäóþùèé âèä âèä:

Ðèñ. 4.4. Ñòðóêòóðà òðàíçèñòîðà.

4.5 Ýêñòðàãèðîâàíèå ïàðàìåòðîâ ìîäåëè Ãóììåëÿ - Ïóíà


 ýòîì ïóíêòå ïðîèçâîäèòñÿ ýêñòðàãèðîâàíèå íåêîòîðûõ ïàðàìåòðîâ ìîäåëè Ãóììåëÿ-Ïóíà èç õàðàêòåðèñòèê, ïîëó÷åííûõ ìîäåëèðîâàíèåì â ñðåäå ISE-TCAD.

Óðàâíåíèÿ, ñâÿçûâàþùèå íàïðÿæåíèÿ íà ýëåêòðîäàõ òðàíçèñòîðà è òîêè ÷åðåç íèõ, ñ ïàðàìåòðàìè ìîäåëè Ãóììåëÿ-Ïóíà [2]:

 

 

 

 

 (48)

Ïðè íèçêîì óðîâíå èíæåêöèè q2≈0

 


Ïðè âûñîêîì óðîâíå èíæåêöèè q2>q1:

 

 

4.5.1 Íàõîæäåíèå IS, NF

Ñòðîèòñÿ ãðàôèê çàâèñèìîñòè òîêà êîëëåêòîðà îò íàïðÿæåíèÿ áàçû â ïîëóëîãàðèôìè÷åñêîì ìàñøòàáå ïðè íàïðÿæåíèè íà êîëëåêòîðå Ubc = 0  (âêëþ÷åíèå ñ îáùèì ýìèòòåðîì). Íàõîäèì íà ãðàôèêå ó÷àñòîê, íà êîòîðîì åãî ôîðìà îïðåäåëÿåòñÿ óðàâíåíèåì (49). Èñïîëüçóÿ çíà÷åíèÿ òîêîâ è íàïðÿæåíèé äëÿ äâóõ òî÷åê èç ýòîãî ó÷àñòêà, íàõîäèì IS:

Ðèñ.4.5.. Çàâèñèìîñòü òîêà êîëëåêòîðà îò íàïðÿæåíèÿ ýìèòòåðà â ñõåìå ÎÁ.

IS=3.0186e-017A

 

4.5.2 Íàõîæäåíèå IKF è IKR

Íà ãðàôèêå Ik(Ube) ïðè íàïðÿæåíèè íà êîëëåêòîðå Ubc = 0  íàõîäèì ó÷àñòîê, íà êîòîðîì åãî ôîðìà îïðåäåëÿåòñÿ óðàâíåíèåì (52). Èç ãðàôèêà îïðåäåëèì Ic. Èñïîëüçóÿ êîîðäèíàòû òî÷êè èç ýòîãî ó÷àñòêà, íàõîäèì IKF ïî ôîðìóëå:

Ðèñ.4.6. Íàõîæäåíèå Ic äëÿ ðàñ÷åòà IKF.

Ïðè Ic = 2.0242*10^-10 À è IS = 3.0186e-017 À, ïîëó÷àåì IKF = 1.36ìÀ

Àíàëîãè÷íî, ïî ãðàôèêó çàâèñèìîñòè òîêà ýìèòòåðà îò íàïðÿæåíèÿ êîëëåêòîðà â ïîëóëîãàðèôìè÷åñêîì ìàñøòàáå ïðè èíâåðñíîì âêëþ÷åíèè â ñõåìå ñ îáùåé áàçîé ìîæíî íàéòè IKR ïî ôîðìóëå:

Ie=2.134e-010=>IKR=2ìA.

Ðèñ.4.7. Òîê ýìèòòåðà îò íàïðÿæåíèÿ êîëëåêòîðà â ñõåìå ÎÁ.

4.5.3 Íàõîæäåíèå ISE è NE, ISC è NC

Ñòðîèì ãðàôèê çàâèñèìîñòè òîêà áàçû îò íàïðÿæåíèÿ áàçû â ïîëóëîãàðèôìè÷åñêîì ìàñøòàáå, ïðè íóëåâîì íàïðÿæåíèè íà êîëëåêòîðå (âêëþ÷åíèå ñ îáùèì ýìèòòåðîì). Òàê êàê ïàðàìåòðû ISE è NE îêàçûâàþò âëèÿíèå ïðè ìàëûõ ñìåùåíèÿõ ïåðåõîäà áàçà ýìèòòåð, òî íà÷àëüíûé ó÷àñòîê ãðàôèêà îïèñûâàåòñÿ óðàâíåíèåì (44), êîòîðîå óïðîùàåòñÿ äî âèäà:


Òàêèì îáðàçîì, âûáèðàÿ ïàðó òî÷åê è èñïîëüçóÿ ôóíêöèè ïàêåòà MathCad, íàõîäèì NE = 1.6, ISE =8.134e-014 À.

Ðèñ.4.8. Çàâèñèìîñòü òîêà áàçû îò íàïðÿæåíèÿ ýìèòòåðà â ñõåìå ÎÁ.


Ðèñ.4.9. Òîê áàçû îò íàïðÿæåíèÿ êîëëåêòîðà â ñõåìå ÎÁ.

=7.7448e-016 A, NC=1.539.

4.5.4 Íàõîæäåíèå VAF è VAR

Íàïðÿæåíèå Ýðëè â ïðÿìîì ðåæèìå VAF, íàõîäèì èç âûõîäíîé õàðàêòåðèñòèêè ñõåìû ñ îáùèì ýìèòòåðîì ïî ôîðìóëå (50), àíàëîãè÷íî íàõîäèì VARèç âûõîäíîé õàðàêòåðèñòèêè ñõåìû èíâåðñíîãî âêëþ÷åíèÿ ñ îáùèì ýìèòòåðîì.

Ðèñ.4.10 . Íàïðÿæåíèå Ýðëè â ïðÿìîì ðåæèìå (ÎÝ).

 = 85Â.

Ðèñ.4.11. Íàïðÿæåíèå Ýðëè â èíâåðñíîì ðåæèìå (ÎÝ).

=17 Â.

4.5.5 Íàõîæäåíèå BF è BR

Ìàêñèìàëüíîå çíà÷åíèå êîýôôèöèåíòà ïåðåäà÷è ïî òîêó β â ïðÿìîì ðåæèìå âêëþ÷åíèÿ ìîæåò áûòü íàéäåíî èç îòíîøåíèÿ òîêà êîëëåêòîðà Ic ê òîêó áàçû Ib òðàíçèñòîðà.

Ìàêñèìàëüíîå çíà÷åíèå êîýôôèöèåíòà ïåðåäà÷è ïî òîêó β â èíâåðñíîì ðåæèìå âêëþ÷åíèÿ òðàíçèñòîðà íàõîäèòñÿ ïî òîìó æå ïðèíöèïó.

Ðèñ.4.12. Êîýôôèöèåíò ïåðåäà÷è òîêà â ïðÿìîì ðåæèìå (ÎÁ).

Ðèñ.4.13. Êîýôôèöèåíò ïåðåäà÷è òîêà â èíâåðñíîì ðåæèìå (ÎÁ).

=13.4

BR=7.3

4.5.6 Íàõîæäåíèå RC

Ñîïðîòèâëåíèå êîëëåêòîðà íàõîäèì èç âûõîäíîé õàðàêòåðèñòèêè â ñõåìå ñ îáùèì ýìèòòåðîì, ñîïðîòèâëåíèå êîëëåêòîðà îïðåäåëÿåò íàêëîí êðèâûõ ïðè ìàëûõ íàïðÿæåíèÿõ íà êîëëåêòîðå. Ïî ôîðìóëå


Ðèñ.4.14. Âûõîäíàÿ õàðàêòåðèñòèêà â ñõåìå ÎÝ.


Ïîëó÷àåì RC=253.722 Îì.

 

4.5.7 Íàõîæäåíèå RB

Ñîïðîòèâëåíèå áàçû íàõîäèòñÿ èç ãðàôèêà òîêà áàçû îò íàïðÿæåíèÿ ýìèòòåðà â ñõåìå âêëþ÷åíèÿ ñ îáùèì ýìèòòåðîì ïðè áîëüøèõ ïîëîæèòåëüíûõ ñìåùåíèÿõ ïåðåõîäà áàçà-ýìèòòåð, êîãäà õàðàêòåðèñòèêà îòêëîíÿåòñÿ îò ýêñïîíåíöèàëüíîé. ΔU= Ib·RB

Ðèñ. 4.15. Òîê áàçû îò íàïðÿæåíèÿ Ube.

Ðèñ. 4.16. Ñîïðîòèâëåíèå áàçû îò íàïðÿæåíèÿ Ube.

Èç âûðàæåíèÿ îïðåäåëÿåì RB=247.77 Îì, èç çàâèñèìîñòè RB(Ube) îïðåäåëÿåì RBM=29.038 Îì.

 

4.5.8 Íàõîæäåíèå âðåìåíè ïåðåíîñà íîñèòåëåé


Ðèñ.4.17. Ýêñòðàêöèÿ TF.

=9.793*10^-9 ñ.

Ðèñ.4.18. Ýêñòðàêöèÿ TR.

=1.601*10^-8 ñ.

Âñå àíàëèòè÷åñêèå è ýêñòðàãèðîâàííûå ïàðàìåòðû ìîäåëè Ãóììåëÿ-Ïóíà ñâåäåíû â òàáëèöó 4.1

Òàáëèöà.4.1. Ïàðàìåòðû ìîäåëè Ãóììåëÿ-Ïóíà.


T-Cad

Àíàëèòèêà

IS - òîê íàñûùåíèÿ, À


3.418*10^-17

ISE - îáðàòíûé òîê ýìèòòåðíîãî ïåðåõîäà, À

8.134e-014 À

1.775*10^-11

ISC - îáðàòíûé òîê êîëëåêòîðíîãî ïåðåõîäà, À

7.7448e-016

6.825*10^-12

IKF - òîê ïåðåõîäà ê ÂÓÈ â ïðÿìîì ðåæèìå, À

1.36ìÀ

0.324

IKR- òîê ïåðåõîäà ê ÂÓÈ â èíâåðñíîì ðåæèìå, À

2ìÀ

0.021

BF - ìàêñèìàëüíûé êîýôôèöèåíò óñèëåíèÿ òîêà â ïðÿìîì ðåæèìå

13.4

25

BR - ìàêñèìàëüíûé êîýôôèöèåíò óñèëåíèÿ òîêà â èíâåðñíîì ðåæèìå

7.3

1.8

VAF - íàïðÿæåíèå Ýðëè â íîðìàëüíîì ðåæèìå, Â

85

59

VAR - íàïðÿæåíèå Ýðëè â èíâåðñíîì ðåæèìå

17

9.4

RB - îáúåìíîå ñîïðîòèâëåíèå áàçû, Îì

247.77

220

RBM - ìèíèìàëüíîå ñîïðîòèâëåíèå áàçû, Îì

29.038

20

RC - îáúåìíîå ñîïðîòèâëåíèå êîëëåêòîðà, Îì

253.722

201

RE - îáúåìíîå ñîïðîòèâëåíèå ýìèòòåðà, Îì

0.062

0.24

NF- êîýôôèöèåíò íåèäåàëüíîñòè â íîðìàëüíîì ðåæèìå



NR - êîýôôèöèåíò íåèäåàëüíîñòè â èíâåðñíîì ðåæèìå



NC- êîýôôèöèåíò íåèäåàëüíîñòè êîëëåêòîðíîãî ïåðåõîäà

1.539


NE- êîýôôèöèåíò íåèäåàëüíîñòè ýìèòòåðíîãî ïåðåõîäà

1.6


NGE - ÷èñëî Ãóììåëÿ äëÿ ýìèòòåðà


1.658*10^13

NGB - ÷èñëî Ãóììåëÿ äëÿ áàçû


2.552*10^12

ITF- ïàðàìåòð, ó÷èòûâàþùèé ýôôåêò êâàçèíàñûùåíèÿ, À


4.519 ìA

V0 - íàïðÿæåíèå íàñûùåíèÿ, Â


3.0 B

QC0 - ìíîæèòåëü, îïðåäåëÿþùèé çàðÿä â ýïèòàêñèàëüíîé îáëàñòè


6.778*10^-13

GAMMA - êîýôôèöèåíò ëåãèðîâàíèÿ ýïèòàêñèàëüíîé îáëàñòè


9.649*10^-11

IRB - êðèòè÷åñêèé òîê áàçû ïðè êîòîðîì ñîïðîòèâëåíèå áàçû óìåíüøàåòñÿ íà 50% îò ïîëíîãî ïåðåïàäà ìåæäó RB è RBM, À


0.431٠10^-3

TF - âðåìåíÿ ïåðåíîñà íîñèòåëåé â ïðÿìîì ðåæèìå

9.793*10^-9

1.64*10^-12

TR - âðåìåíÿ ïåðåíîñà íîñèòåëåé â èíâåðñíîì ðåæèìå

1.601*10^-8

2.388*10^-11

ÎÏÇ ý-á, ìêì

0.04

0.0187

ÎÏÇ á-ý,ìêì

0.08

0.0417

ÎÏÇ á-ýïèò,ìêì

0.12

0.078

ÎÏÇ ýïèò-á,ìêì

0.56

0.3

ÎÏÇ ññ-ïîäë, ìêì

0.18

0.0085

ÎÏÇ ïîäë-ññ, ìêì

0.55

0.0092


4.6 Àíàëèç ïîëó÷åííûõ ðåçóëüòàòîâ


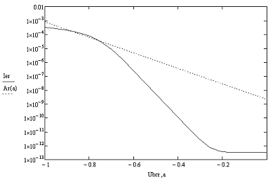
Äëÿ ñðàâíåíèÿ ïîëó÷åííûõ ðåçóëüòàòîâ ïðîâåäåì ìîäåëèðîâàíèå òðàíçèñòîðà â ïðîãðàììå MicroCap 9 ñî Spice ïàðàìåòðàìè, ïîëó÷åííûìè àíàëèòè÷åñêè è ñ ýêñòðàãèðîâàííûìè èç õàðàêòåðèñòèê, ïîëó÷åííûõ ïðè ìîäåëèðîâàíèè òðàíçèñòîðà â ïðîãðàììå "ISETCAD".

Ðèñ.4.19. Âûõîäíûå õàðàêòåðèñòèêè â ñõåìå ñ îáùèì ýìèòòåðîì.

Ðèñ.4.20. Âõîäíûå õàðàêòåðèñòèêè â ñõåìå ñ îáùèì ýìèòòåðîì.

Ðèñ.4.21. Ïåðåäàòî÷íûå õàðàêòåðèñòèêè â ñõåìå ñ îáùèì ýìèòòåðîì.

Ðèñ 4.22. Ïåðåäàòî÷íàÿ õàðàêòåðèñòèêà â ñõåìå ñ îáùåé áàçîé

Ðèñ 4.24. Çàâèñèìîñòü βFîò Ube â ñõåìå ñ îáùåé áàçîé

Ðàñõîæäåíèå ðåçóëüòàòîâ, ïîëó÷åííûõ ïðè ìîäåëèðîâàíèè â ïðîãðàììàõ ISE-Tcad è Micro-Cap, ìîæíî îáúÿñíèòü ðàçëè÷èåì ó÷èòûâàåìûõ ýôôåêòîâ. Ïðè ìîäåëèðîâàíèè â ïðîãðàììå ISE-Tcad ó÷èòûâàþòñÿ âñå òå æå ýôôåêòû, êîòîðûå ó÷èòûâàåò ìîäåëü Ãóììåëÿ - Ïóíà (ýôôåêò Ýðëè, Âåáñòåðà, Êèðêà, îòòåñíåíèÿ ýìèòòåðíîãî òîêà è äð). Òàêæå â ïðîãðàììå ISE-Tcad ó÷èòûâàåòñÿ ðåêîìáèíàöèÿ ïî ìîäåëè Øîêëè - Ðèäà - Õîëëà íà ãðàíèöå ðàçäåëà îêñèä êðåìíèÿ - ïîëóïðîâîäíèê è â îáúåìå ïîëóïðîâîäíèêà. Î÷åâèäíî, ÷òî òîëüêî ðåêîìáèíàöèÿ íå ìîæåò ïðèâåñòè ê áîëüøèì ðàñõîæäåíèÿì â ðåçóëüòàòàõ, ðàñõîæäåíèå àíàëèòè÷åñêè ïîëó÷åííûõ ïàðàìåòðîâ è ïàðàìåòðîâ ýêñòðàãèðîâàííûõ èç ISE-Tcadìîæíî îáúÿñíèòü íåñîâåðøåíñòâîì íàõîæäåíèÿ ðàñøèðåíèé ÎÏÇ ñîîòâåòñòâóþùèõ ïåðåõîäîâ è ñïåöèôèêîé àëãîðèòìà ðàñ÷åòà ïðîãðàììû ISE-Tcad. Òàê æå ñóùåñòâåííîå çíà÷åíèå èìååò âûáîð ñåòêè ïðè ìîäåëèðîâàíèè â ISE-Tcad.

4.7 Ðàñ÷åò Äèîäà Øîòòêè

Ïîëó÷åííàÿ ÂÀÕ äèîäà Øîòòêè

Ðèñ.4.25 ÂÀÕ äèîäà Øîòòêè.

5. ÐÀÇÐÀÁÎÒÊÀ ÁÀÇÎÂÎÉ ß×ÅÉÊÈ ÒÒË

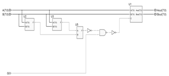
Ðåàëèçóåìàÿ ñõåìà ïðåäñòàâëåíà íà ðèñ. 1.

Ðèñ.4.1. Ñõåìà äëÿ ïðîâåðêè ÷åòíîñòè 2-õ áàéòîâîé ïîñûëêè.

 ñõåìå 18 âõîäîâ, 1 âûõîä, 84 ýëåìåíòà(252òðàíçèñòîðà).

5.1 Ïðèíöèïèàëüíàÿ ýëåêòðè÷åñêàÿ ñõåìà ýëåìåíòà


Áàçîâûì ýëåìåíòîì ÒÒË ëîãèêè ÿâëÿåòñÿ ýëåìåíò È-ÍÅ [1]. Ñõåìà ýëåìåíòà ÒÒË èçîáðàæåíà íà ðèñóíêå 2.

Ðèñ.4.2. Ïðèíöèïèàëüíàÿ ñõåìà ýëåìåíòà 2È-ÍÅ

Îñíîâîé ýëåìåíòà ÿâëÿåòñÿ ìíîãîýìèòòåðíûé òðàíçèñòîð VÒìýò, âûïîëíÿþùèé ëîãè÷åñêóþ ôóíêöèþ È. Êëþ÷åâîé êàñêàä íà òðàíçèñòîðå VÒ2 âûïîëíÿåò ôóíêöèþ èíâåðòîðà, òàê ÷òî â öåëîì ÒÒË-ýëåìåíò ðåàëèçóåò ôóíêöèþ È-ÍÅ.

Ïðè ïîäà÷å õîòÿ áû íà îäèí âõîä íàïðÿæåíèÿ ëîãè÷åñêîãî íóëÿ U0 ïåðåõîä ýìèòòåð-áàçà òðàíçèñòîðà VÒìýò ñìåùàåòñÿ ïðÿìî. Ïðè ýòîì ïåðåõîäû êîëëåêòîð-áàçà VÒìýò è ýìèòòåð-áàçà VÒ2 áóäóò ñìåùåíû ïðÿìî, íà êàæäîì èç íèõ ïðÿìîå ñìåùåíèå áóäåò ìåíüøå íàïðÿæåíèÿ ïðÿìîñìåùåííîãî p-n-ïåðåõîäà U*.  öåïè êîëëåêòîð VÒìýò -áàçà VÒ2 áóäåò ïðîòåêàòü íåçíà÷èòåëüíûé òîê. Ïðè ýòîì òðàíçèñòîð VÒ2 áóäåò çàêðûò. Íà âûõîäå ðåàëèçóåòñÿ âûñîêèé óðîâåíü ïîòåíöèàëà U1. Ïðè ïîäà÷å íà âñå âõîäû íàïðÿæåíèÿ ëîãè÷åñêîé åäèíèöû ýìèòòåðíûé ïåðåõîä VÒìýò ñìåñòèòñÿ îáðàòíî è òðàíçèñòîð VÒìýò ïåðåéäåò â èíâåðñíûé ðåæèì ðàáîòû. Ïðè ýòîì âîçíèêàåò ñóùåñòâåííûé òîê áàçû VÒ2, ïðîòåêàþùèé ÷åðåç ïðÿìî ñìåùåííûé êîëëåêòîðíûé ïåðåõîä òðàíçèñòîðà VÒìýò. Òðàíçèñòîð VÒ2 ïîïàäàåò â íàñûùåíèå, è íà âûõîäå ôîðìèðóåòñÿ óðîâåíü íèçêîãî ïîòåíöèàëà U0.

Ðèñ.4.3. Ýëåêòðè÷åñêàÿ ñõåìà ðàññ÷èòûâàåìîãî ýëåìåíòà È-ÍÅ.

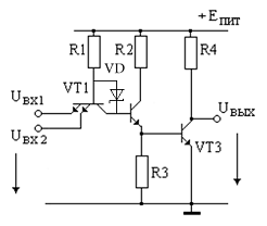
Èñïîëüçóåì äèîä Øîòòêè äëÿ óëó÷øåíèÿ âõîäíûõ õàðàêòåðèñòèê.

5.2 Ðàñ÷åò íîìèíàëîâ ðåçèñòîðîâ


Íà ðèñ. 4.4 ïðåäñòàâëåí âûõîäíîé êàñêàä ëîãè÷åñêîãî ýëåìåíòà, íàãðóæåííûé íà N àíàëîãè÷íûõ ýëåìåíòîâ.

Ðèñ. 4.4. Âûõîäíîé êàñêàä ËÝ, íàãðóæåííûé íà N íàãðóçîê.

Ðàññ÷èòàåì çíà÷åíèÿ ðåçèñòîðîâ, èñõîäÿ èç êîëëåêòîðíîãî òîêà VT2

Äëÿ äàííîãî òîêà βf=13,5 βr=4,6

Äëÿ êðåìíèåâûõ òðàíçèñòîðîâ V0

n- ìàêñèìàëüíîå êîëè÷åñòâî íàãðóçîê (â äàííîé ñõåìå N=8)

N- êîýôôèöåíò íàñûùåíèÿ. (N=3)


Òîãäà

Óñëîâèå íàñûùåíèÿ òðàíçèñòîðà


Äëÿ òðàíçèñòîðà Ò3:

Òîê ñî ñòîðîíû âûõîäà (òîê êîëëåêòîðà):

 (1)


Òîê ñî ñòîðîíû âõîäà (òîê áàçû):

 (2)

Ïðèðàâíÿâ èç (1) è (2), ïîëó÷èì:

 (3)

Îïðåäåëèì ñîïðîòèâëåíèÿ R1, R2, R3 è R4, äëÿ ýòîãî áóäåì çàäàâàòü òîê

Ïóñòü .

Òîãäà:


Ïóñòü

Òîãäà:

= 1.15 ìÀ

 

5.3 Ðàñ÷åò ãåîìåòðè÷åñêèõ ðàçìåðîâ ðåçèñòîðîâ


Øèðèíà ðåçèñòîðà îïðåäåëÿåòñÿ, èñõîäÿ èç ðàññåèâàåìîé èì ìîùíîñòè, à òàêæå èñõîäÿ èç ÊÒÎ.  íàøåì ñëó÷àå îïðåäåëÿþùåé áóäåò øèðèíà, ðàññ÷èòàííàÿ ïî ÊÒÎ.

Èç ÊÒÎ b0=3.62 ìêì (â ñëó÷àå èîííî-ïëàçìåííîãî òðàâëåíèÿ)


Âûáèðàåì òîëùèíó R = 3.62 ìêì

Ðàñ÷åò òîïîëîãè÷åñêèõ ðàçìåðîâ ïðîèçâåäåì, çíàÿ ñîïðîòèâëåíèå ðåçèñòîðîâ è óäåëüíîå ñîïðîòèâëåíèå áàçîâîãî ñëîÿ (300 Îì/êÂ).

Ðåçèñòîð

R,Îì

L (êÂ)

R1

8,2

27

R2

3,8

14

R3

1,4

4

R4

10

33

5.4 Ðàñ÷åò íîìèíàëîâ ïàðàçèòíûõ ýëåìåíòîâ

Ïðè ìîäåëèðîâàíèè äèíàìè÷åñêèõ õàðàêòåðèñòèê ëîãè÷åñêîãî ýëåìåíòà âàæíûìè ïàðàìåòðàìè ÿâëÿþòñÿ ïàðàçèòíûå ýëåìåíòû, âîçíèêàþùèå â òåõíîëîãè÷åñêîì ïðîöåññå. Îïðåäåëèì íîìèíàëû ïàðàçèòíûõ ýëåìåíòîâ. Ýêâèâàëåíòíàÿ ñõåìà ðåçèñòîðà ïðåäñòàâëåíà íà ðèñ.4.5

Ðèñ. 4.5. Ýêâèâàëåíòíàÿ ñõåìà äèôôóçèîííîãî ðåçèñòîðà

Íà ðèñ.5 îáîçíà÷åíû ïàðàçèòíûå ýëåìåíòû: Ò - òðàíçèñòîð p-n-p òèïà,  - ðàñïðåäåëåííàÿ åìêîñòü n-p-ïåðåõîäà,  - åìêîñòü ïåðåõîäà n-îáëàñòü - ïîäëîæêà. Ïðè ïîäà÷å íà ýïèòàêñèàëüíûé ñëîé (n-îáëàñòü) ïîëîæèòåëüíîãî ïîòåíöèàëà Å òðàíçèñòîð Ò îêàçûâàåòñÿ çàêðûòûì, åìêîñòè  è îäíà èç  - çàìêíóòû ïî ïåðåìåííîìó òîêó. Îñòàåòñÿ ó÷åñòü òîëüêî âòîðóþ ïîëîâèíó åìêîñòè .


ãäå  - óäåëüíàÿ åìêîñòü p-n ïåðåõîäà áàçà àêòèâíàÿ - êîëëåêòîð. =8.565×10-10 Ô/ñì2. Çíàÿ óäåëüíóþ åìêîñòü p-n ïåðåõîäà è ðàçìåðû ðåçèñòîðîâ, ðàññ÷èòàåì èõ åìêîñòü â ñîîòâåòñòâèè ñ ïðèâåäåííûìè âûøå ôîðìóëàìè. Ñâåäåì ïîëó÷åííûå çíà÷åíèÿ åìêîñòåé â òàáëèöó:

Ðåçèñòîð

, Ô

R1

1.534×10-13

R2

7.857×10-14

R3

2.619×10-14

R4

1.871×10-13

 

.5 Ìîäåëèðîâàíèå áàçîâîé ÿ÷åéêè â Micro-cap


Ïðè ìîäåëèðîâàíèè ðàáîòû áàçîâîé ÿ÷åéêè ê åå âûõîäó ïîäñîåäèíÿåòñÿ ìàêñèìàëüíî âîçìîæíîå â äàííîé ñõåìå êîëè÷åñòâî òàêèõ æå ÿ÷ååê.

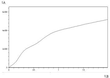
Ðèñ.4.6 Âõîäíûå õàðàêòåðèñòèêè

Ðèñ.4.7. Âûõîäíûå õàðàêòåðèñòèêè

Ðèñ.4.8. Ïåðåäàòî÷íûå õàðàêòåðèñòèêè áåç íàãðóçêè è ñ íàãðóçêîé (8 àíàëîãè÷íûõ ÿ÷ååê)

Ðèñ.4. 9. Ðåàêöèÿ ñõåìû íà ïðÿìîóãîëüíûé èìïóëüñ.

Âû÷èñëèì âðåìÿ çàäåðæêè ïåðåêëþ÷åíèÿ


Âðåìÿ çàäåðæêè ñõåìû 10,215 ìêñ

 

5.6 Òîïîëîãèÿ áàçîâîé ÿ÷åéêè


Ðèñ. 4.10. Òîïîëîãèÿ áàçîâîé ÿ÷åéêè 2È-ÍÅ

Ïðè ðàçðàáîòêå áàçîâîé ÿ÷åéêè ÒÒË ñòðåìÿòñÿ óìåíüøèòü ïëîùàäü, çàíèìàåìóþ ýëåìåíòîì íà êðèñòàëëå, ðàñïîëàãàÿ ýëåìåíòû ïî ïðèíöèïó ïëîòíåéøåé óïàêîâêè.

Òàêæå íåîáõîäèìî ó÷åñòü ñëåäóþùèå òðåáîâàíèÿ:

øèíû ïèòàíèÿ è çåìëè ìàêñèìàëüíî ðàçíåñåíû äðóã îò äðóãà âî èçáåæàíèå èõ çàêîðà÷èâàíèÿ;

ýëåìåíòû ñõåìû ðàñïîëîæåíû òàê, ÷òîáû äëèíà ñîåäèíÿþùèõ èõ øèí ìåòàëëèçàöèè, à ñëåäîâàòåëüíî è èõ ïàðàçèòíàÿ åìêîñòü áûëè ìèíèìàëüíû.

Ñòàðàÿñü ïðèäåðæèâàòüñÿ âûøå èçëîæåííûõ îñíîâ ïðîåêòèðîâàíèÿ, áûëà ðàçðàáîòàíà òîïîëîãèÿ áàçîâîãî ëîãè÷åñêîãî ýëåìåíòà ÒÒË, êîòîðàÿ ïðåäñòàâëåíà íà ðèñ. 10.

 

5.7 Òîïîëîãèÿ êðèñòàëëà


Ðèñ. 4.11. Òîïîëîãèÿ êðèñòàëëà.

Ðàçìåð ÿ÷åéêè 70,8õ84,5 ìêì. êðèñòàëëà - 1548õ1263 ìêì.

Çàêëþ÷åíèå

 ðàáîòå áûëà ïðîâåäåíà ðàçðàáîòêà ëîãè÷åñêîé ñõåìû êîìáèíàöèîííîãî óñòðîéñòâà ïðîâåðêè ÷åòíîñòè 2-õ áàéòîâîé ïîñûëêè, ðàçðàáîòàíà åãî ñòðóêòóðíàÿ ñõåìà. Áûë ðàçðàáîòàí òåõíè÷åñêèé ìàðøðóò ñîçäàíèÿ òèïîâîãî òðàíçèñòîðà, ïðîèçâåäåíà åãî ïðîåêòèðîâêà ñ ó÷åòîì ÊÒÎ, áûë ïðîèçâåäåí ðàñ÷åò åãî õàðàêòåðèñòèê íà îñíîâå àíàëèòè÷åñêèõ ôîðìóë äëÿ ìîäåëè Ãóììåëÿ-Ïóíà, à òàê æå â ïðîãðàììå TCAD. Áûëà ðàññìîòðåíà áàçîâàÿ ÿ÷åéêà óñòðîéñòâà, à òàê æå ïðîèçâåäåí ðàñ÷åò å¸ ýëåêòðîòåõíè÷åñêèõ ïàðàìåòðîâ. Áûë ñïðîåêòèðîâàí íàáîð ôîòîøàáëîíîâ äëÿ áàçîâûõ ÿ÷ååê è êðèñòàëëà â öåëîì. Óñòðîéñòâî èìååò 21 êîíòàêòíóþ ïëîùàäêó, 18 âõîäîâ, 1 âûõîä, êîíòàêòû ê øèíàì "çåìëè" è ïèòàíèÿ. Ðàçìåð ÿ÷åéêè 70,8õ84,5 ìêì. êðèñòàëëà - 1548õ1263 ìêì.

 ãîòîâîé ñõåìå 84 ñòàíäàðòíûõ ÿ÷ååê, 252 òðàíçèñòîðîâ, ñðåäíåå âðåìÿ ïåðåêëþ÷åíèÿ îäíîé ÿ÷åéêè 0.567 ìêñ, âñåé ñõåìû 10,21 ìêñ.

Ñïèñîê ëèòåðàòóðû

.        Àëåêñåíêî À.Ã. Øàãóðèí È.È. "Ìèêðîñõåìîòåõíèêà" Ðàäèî è ñâÿçü 1990ã

.        Êîëåäîâ Ë.À. "Òåõíîëîãèÿ è êîíñòðóêöèÿ ìèêðîñõåì, ìèêðîïðîöåññîðîâ è ìèêðîñáîðîê"

.        Ñ. Çè. "Ôèçèêà ïîëóïðîâîäíèêîâûõ ïðèáîðîâ" Ìèð 1984ã

.        Ìàëëåð Ð., Êåéìèíñ Ò., "Ýëåìåíòû èíòåãðàëüíûõ ñõåì" Ì.: Ìèð, 1989

.        À.Ê.Ñîëîâüåâ "Ïðîåêòèðîâàíèå ÁÈÑ â ÊÌÎÏ áàçèñå", 2003ã

.        Î. Á. Ñàðà÷. Ìåòîäè÷åñêîå ïîñîáèå "Ðàçðàáîòêà òåõíîëîãèè èçãîòîâëåíèÿ áèïîëÿðíîé ÈÑ", 2010 ã.

.        Òóãîâ Í. Ì., Ãëåáîâ Á. À., ×àðûêîâ Í. À., Ïîëóïðîâîäíèêîâûå ïðèáîðû. Ì.: Ýíåðãîàòîìèçäàò. 1990

.        Êàðåòíèêîâ È.À. Ñîëîâüåâ À.Ê. ×àðûêîâ Í.À. "Òðàíçèñòîðíûå êëþ÷è è ëîãè÷åñêèå ýëåìåíòû" ÌÝÈ 2000ã

.        Áåðåçèí À.Ñ. Ìî÷àëêèíà Î.Ð. "Òåõíîëîãèÿ è êîíñòðóèðîâàíèå èíòåãðàëüíûõ ìèêðîñõåì" Ðàäèî è ñâÿçü 1992ã

Ðàçìåùåíî íà Allbest.ru

Похожие работы на - Проектирование комбинационной схемы проверки четности 2-х байтовой посылки

 

Не нашли материал для своей работы?
Поможем написать уникальную работу
Без плагиата!
Без нейросетей!