Оптимизация параметров клистронного резонатора, работающего на высших видах колебания
Содержание
Введение
Реферат
Задание на курсовую работу
Расчетная часть
Первый вид колебаний
Второй вид колебаний
Третий вид колебаний
Расчет однозазорного многолучевого
резонатора на высших типах колебаний
Расчет характеристик многолучевого
резонатора на первом типе колебаний
Расчет характеристик многолучевого
резонатора на втором типе колебаний
Расчет характеристик многолучевого
резонатора на третьем типе колебаний
Заключение
Библиографический список
Введение
В настоящее время для промышленности требуются
усилительные приборы большей мощности с большим коэффициентом полезного
действия. Чтобы достичь высокого КПД необходимо разрабатывать более сложные
конструкции. Простым решением этой задачи является применении многолучевых
конструкций прибора таких как: многолучевой клистрон и клистрод и т.д.
Выходные параметры многолучевых приборов
существенно зависят от конструкции и параметров резонаторных систем. В мощных
многолучевых приборах используется несколько электронных пучков, каждый из
которых распространяется в своем индивидуальном пролетном канале. Примером
таких систем могут служить обычные однозазорные тороидальные клистронные
резонаторы с упаковкой пролетных каналов в единой пролетной трубе.
Реферат
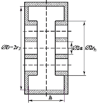
Будем рассматривать многоканальный
резонатор с плотной упаковкой пролетных труб. Общая многоканальная труба с
радиусом
, образована
отдельными, примыкающими друг к другу пролетными трубами с внешним радиусом r1 и
внутренним радиусом а. Число таких трубок- N t при их
концентрической укладке относительной центральной трубы в i круговых
кольцах со средним радиусом ri будет
определяться соотношением:
(1)
где
- число круговых колец.
Суммарное число трубок (лучей),
включая центральную трубу, найдем из следующего выражения:
(2)
Относительный внешний радиус общей
многоканальной трубы найдем из очевидного выражения:
(3)
Исключая число слоев из формул (2) и
(3) находим новое соотношение:
(4)

Рис.1. Общий вид многоканального резонатора и
вид упаковки труб.
Многоканальный резонатор, работающий на высших
типах колебаний
Рис.2. Многоканальный резонатор, работающий на
высших типах колебаний.
На Рис.2 схематически изображены резонаторы,
работающие на высшем типе колебаний Е020. В простейшем случае это
свернутый в кольцо волновод, образующий таким образом резонатор, по периметру
которого укладывается N число полуволн (часто N=6). В пучностях электрического
поля резонатора устанавливаются N емкостных выступов, через которые проходят
электрические пучки и где они взаимодействуют с полем.
К недостаткам резонаторов на высшем виде
колебаний относится малое характеристическое сопротивление, определяющее полосу
усиливаемых частот, которая оценочно близка к полосе аналогичного однолучевого
прибора с тем же напряжением и в N раз меньшим током. Таким образом, на высшем
виде колебаний такой резонатор можно рассматривать как своеобразный сумматор
мощности активного типа.
Резонаторы на высшем виде колебаний имеют
преимущество в тех случаях, когда необходимо получить максимально возможную
мощность при минимальной величине напряжения анода.
Кольцевой резонатор
Рис.3. Кольцевой резонатор.
Достоинством кольцевых резонаторов на высшем
виде колебаний является возможность обеспечения при неплотном расположении
электронных пучков более благоприятных условий для рассеивания тепла,
выделяющегося на пролетных трубах. Еще одно достоинство, которое также
обусловлено неплотным расположением пучков, заключается в возможности
обеспечения большой сходимости пучков в парциальных пушках, что позволяет
разгрузить катоды. Как следствие, это повышает долговечность прибора.
Задание на курсовую работу
Целью работы является: расчет и оптимизация
многолучевых резонаторов на высших типах колебаний.
Исходные данные:
) Средняя частота в полосе усиления
2700
МГц;
) Выходная мощность
2
кВт;
) Ускоряющее напряжение U0
= 5,104 кВ.
Аннотация: в работе проведен расчет и
оптимизация многолучевых резонаторов на высших типах колебаний при заданной
частоте 2700 МГц и ускоряющим напряжением 5,104 кВ.
Ключевые слова: КЛИСТРОН, РЕЗОНАТОР, ЗАЗОР,
ПУЧЕК, МОЩНОСТЬ, МНОГОЛУЧЕВОЙ.
Abstract: We performed calculation
and optimization of multibeam resonators on the highest types of fluctuations
is carried out at the set frequency of 2700 MHz and target tension of 5,104
kV.words: klystron, cavity, gap, the beampower, multi-beam.
Расчетная часть
Находим высоту резонатора
h = 0.15·λ
, (5)
λ =
,
(6)
= 0.15·111,1 = 16,6 (мм) .
. Находим диаметр и радиус резонатора
λ = 1,307D
, (7)
D =
(мм),
r = D/2
= 42,5 (мм).
Строим в программе AZIMUT
контур резонатора и вычисляем его характеристики для 3 видов колебаний E010,
E020
и E030
Первый вид колебаний
Рис.4. Контур резонатора, работающего на E010
-
виде колебаний, при частоте 2700МГц.
Рис. 5. Расчет собственной частоты для первого
вида колебаний при полученных размерах резонатора.
Находим погрешность частоты:
∆F
= (
)·100
=
,
(8)
Получаем распределение полей в
резонаторе:
Рис.6. Карта силовых линий электрического поля.
Рис.7. Вид колебаний E010
в резонаторе.
Второй вид колебаний
Рис.8. Контур резонатора, работающего на E020
-
виде колебаний, при частоте 2700МГц.
Рис. 9. Расчет собственной частоты для второго
вида колебаний при полученных размерах резонатора.
Находим погрешность частоты:
∆F
= (
)·100
=
.
Получаем распределение полей в
резонаторе:
Рис.10. Карта силовых линий электрического поля.
Рис.11. Вид колебаний E020
в резонаторе.
Рассчитываем экстремумы
функции:
Рис.12. Результаты аппроксимации.
Исследование функции: Y(x)=(2.5936728*10^(-32))*x^9+(4.5331061*10^(-16))*x^8-(5.3223061*10^(-28))*x^7-(1.3952141*10^(-11))*x^6+(3.6347619*10^(-24))*x^5+(1.6618138*10^(-7))*x^4-(9.1973021*10^(-21))*x^3-(8.106829*10^(-4))*x^2+(6.3295504*10^(-18))*x+0.9854488.
Нули функции: 4 Экстремумы: 3
X Y
,97 min
-66,79 -0.38
,01 max
0 0.99
,01 min
66,79 -0.38
,97
Определяем характеристическое сопротивление в
экстремумах функции
Определяем добротность
резонатора:
Третий вид колебаний
Рис.13. Контур резонатора, работающего на E030
-
виде колебаний, при частоте 2700МГц.
Рис. 14. Расчет собственной частоты для второго
вида колебаний при полученных размерах резонатора.
Находим погрешность частоты:
∆F
= (
)·100
=
.
Получаем распределение полей в
резонаторе:
Рис.15. Карта силовых линий электрического поля.
Рис.16. Вид колебаний E030
в резонаторе.
Рассчитываем экстремумы
функции:
Рис.17. Результаты аппроксимации.
Исследование функции: Y(x)=-(3.2530609*10^(-34))*x^9+(1.0515499*10^(-16))*x^8+(1.9531843*10^(-29))*x^7-(5.7529987*10^(-12))*x^6-(3.9888911*10^(-25))*x^5+(1.0355996*10^(-7))*x^4+(3.1151179*10^(-21))*x^3-(6.5296013*10^(-4))*x^2-(6.9545777*10^(-18))*x+0.9208957
Нули функции: 4 Экстремумы:
5
,99 X
Y
,17 max
-120,99 0.34
44,17 min
-70,31 -0.41
97,99 max
0 0.9270,31 -0.41120,99 0.34
Определяем характеристическое сопротивление в
экстремумах функции:
Определяем добротность
резонатора:
Расчет однозазорного многолучевого резонатора на
высших типах колебаний.
Найдем величину пролетного канала γa.
Для этого воспользуемся следующей формулой:
, (11)
где J0
и I0 -
функции Бесселя нулевого порядка, а I1
-
функция Бесселя первого порядка.
, (12)
, (12)
Где
=
1.5;
=
0.8;
=
0.8.
С помощью программы MathCAD
получим, что γa = 0.55.
Найдем величину a
по формуле:
, (13)
,
Известно, что
,
следовательно r1 =
2,06 мм.
Для видов колебаний E010
, E020
и Е030 найдем, сколько лучей умещается на том радиусе, где находится
экстремум функции, при
n = 2πr/D
, (14)
где r
- это радиус, где находится экстремум функции.
· Для вида колебаний E020:
r = 20,
n = 30,497;
r = 66.79,
n = 101;
· Для вида колебаний E030:
r1 =
70.31, n
= 107;2 =
120.99, n
= 184;
Ширина полосы усиливаемых частот в значительной
мере определяется свойствами выходного резонатора многолучевого клистрона. Она
может быть оценена с помощью известного выражения:
,
где М - коэффициент эффективности
взаимодействия;
-
характеристическое сопротивление резонатора;
- число лучей;
-
сопротивление одного луча по постоянному току.
Из этого выражения следует, что при
максимальном электронном КПД для увеличения полосы необходимо повышать
характеристическое сопротивление и увеличивать число лучей.
Технический КПД клистрона
η = η э η к = η э (1 - Qn/
Q0), (15)
где η к- контурный
КПД выходного резонатора;
η э -электронный
КПД;0 - собственная добротность выходного резонатора.n-нагруженная
добротность выходного резонатора.
Выходная мощность связана с параметрами
электронного потока соотношением:
. (16)
Из уравнений (5) можно найти
выражение для величины ускоряющего напряжения:
, (17)
где pµ1-микропервеанс
одного луча, N- число лучей.
Подставляя в эту формулу исходные данные,
получаем:
.
Рассчитаем показатель качества
К по формуле:
резонатор канал
прибор многолучевой
K = ρ·pμ·10-6U01/2
, (18)
где pμ
=
pμ1·Nл
=
0,2 ·Nл.
· Для вида колебаний E010:
К = 0.053.
· Для вида колебаний E020:
К = 0.0077.
· Для вида колебаний E030
К1 = 0.0049.
К2 = 0.0048.
Показатель качества выше при виде колебания E010
,
т.к. в этом случае характеристическое сопротивление ρ
выше
(36,487 Ом).
Рассчитаем коэффициент
взаимодействия.
, (19)
, (18)
Var ~
=
0.5
÷
;
Таблица 1. Зависимость коэффициента
взаимодействия от отношения d/r.
|
d/r
|
1
|
1,5
|
2
|
2,5
|
3
|
3,5
|
4
|
4,5
|
5
|
5,5,
|
|
d,мм
|
2
|
3
|
4
|
5
|
6
|
7
|
8
|
9
|
10
|
11
|
|
γd
|
0,801
|
1,201
|
1,602
|
2,002
|
2,403
|
2,803
|
3,203
|
3,604
|
4,004
|
4,005
|
|
M
|
0,97
|
0,90
|
0,84
|
0,78
|
0,70
|
0,62
|
0,54
|
0,454
|
0,366
|
|
M2
|
0,95
|
0,89
|
0,80
|
0,70
|
0,6
|
0,5
|
0,39
|
0,29
|
0,20
|
0,13
|
Рис.18. Зависимости коэффициента взаимодействия M
и M2
от отношения d/r.
Расчет характеристик многолучевого резонатора на
первом типе колебаний.
С помощью программы AZIMUTH
произвел расчет основных характеристик резонатор на типе колебания E010.
Результаты приведены в таблице 2.
Таблица 2. Зависимость основных характеристик
резонатора от d/r
на первом типе колебаний.
|
d/r
|
1
|
1,5
|
2
|
2,5
|
3
|
3,5
|
4
|
4,5
|
5
|
5,5
|
|
R,мм
|
27,56
|
29,486
|
31,505
|
33,05
|
34,87
|
35,88
|
37,06
|
38,14
|
39,04
|
90,60
|
|
F,МГц
|
2700,094
|
2700,044
|
2700,072
|
2700,185
|
2700,23
|
2700,208
|
2700,234
|
2700,164
|
2700,599
|
2700,255
|
|
Q
|
3408
|
4253
|
4993
|
5590
|
6095
|
6562
|
6996
|
7359
|
7689
|
7980
|
|
o,
Ом14,17117,98921,7724,28726,68229,06530,74532,14333,70734,517
|
|
|
|
|
|
|
|
|
|
|
|
oM213,4616,0117,4217,0016,0114,5311,999,326,744,49
Рис.19. Зависимости ρ0M2,
ρ от отношения d/r.
Рис.20. Зависимость собственной добротности Q
от отношения d/r.
После того как получили оптимальные значения d/r,
рассчитываем резонатор с заданными характеристиками:
Рис.21. Поля в резонаторе.
Рис.22. Общий вид резонатора.
Расчет характеристик многолучевого резонатора на
втором типе колебаний.
Таблица 3. Зависимость основных характеристик
резонатора от d/r
на втором типе колебаний.
|
d/r
|
1
|
1,5
|
2
|
2,5
|
3
|
3,5
|
4
|
4,5
|
5
|
5,5
|
|
R,мм
|
75,292
|
78,01
|
80,32
|
83,24
|
85,2
|
87,6
|
89,45
|
91,05
|
92,5
|
93,9
|
|
F,МГц
|
2700,066
|
2700,133
|
2698,264
|
2698,059
|
2700,442
|
2701,817
|
2700,773
|
2700,386
|
2699,881
|
2699,888
|
|
Q
|
5036
|
6891
|
8068
|
8808
|
9472
|
10133
|
10276
|
10561
|
10743
|
10777
|
|
o,
Ом3,1563,4913,7564,5094,6334,6394,8414,7485,045,347
|
|
|
|
|
|
|
|
|
|
|
|
oM23,003,113,003,162,782,321,891,381,010,70
|
|
|
|
|
|
|
|
|
|
|
Рис.23. Зависимости ρM2,
ρM, ρ
от отношения d/r.
Рис.24. Зависимость собственной добротности Q
от отношения d/r.
После того как получили оптимальные значения d/r,
рассчитываем резонатор с заданными характеристиками:
Рис. 25. Общий вид резонатора
Расчет характеристик многоканального резонатора
на третьем типе колебаний.
Таблица 4. Зависимость основных характеристик
резонатора от d/r
на третьем типе колебаний.
|
d/r
|
1
|
2
|
2,5
|
3
|
3,5
|
4
|
4,5
|
5
|
5,5
|
|
R,мм
|
127,37
|
128,97
|
130,56
|
132,33
|
134,1
|
135,82
|
137,56
|
140,8
|
142,12
|
145,19
|
|
F,
МГц
|
2700,831
|
2700,009
|
2700,072
|
2699,692
|
2700,639
|
2699,986
|
2700,345
|
2700,619
|
2700,05
|
2700,218
|
|
Q
|
3473
|
4604
|
5986
|
7426
|
8070
|
8658
|
9640
|
10374
|
10756
|
11142
|
o, Ом
|
(R= 70,31мм)0,2640,6221,1601,7501,6221,9852,412,7462,8252,971
|
|
|
|
|
|
|
|
|
|
|
|
oM20,250,550,931,230,970,990,940,800,570,39
|
|
|
|
|
|
|
|
|
|
|
|
Ro
(R=120,99мм)
|
1,353
|
1,546
|
1,758
|
1,750
|
1,834
|
1,96
|
1,992
|
2,1
|
2,021
|
1,989
|
|
oM21,291,381,411,231,100,980,780,610,400,26
|
|
|
|
|
|
|
|
|
|
|
Рис.26. Зависимости ρM2,
ρM, ρ
от отношения d/r.
Рис.27. Зависимость собственной добротности Q
от отношения d/r.
После того как получили оптимальные значения d/r,
рассчитываем резонатор с заданными характеристиками:
Рис.28. Поля в резонаторе.
Рис.29. Общий вид резонатора.
Заключение
В результате проделанной работы получил модели
резонаторов, работающих на частоте 2700 МГц, причем каждая модель работает на
своем типе колебаний.
Выбрал оптимальные значения основных параметров
и на основе них рассчитал модели:
Резонатор на E010:
Q = 4993 ; ρ
=21,77 ;
Резонатор на E030:
Q = 8658 ; ρ1
=1,985 ; ρ2
=1,96 ;
Построил основные зависимости ρM2,
ρ, Q
от отношения d/r.
Определил вид полей в полученных резонаторах и
построил их графики.
Рис.30. График зависимости oM2 от
вида колебания.
Из графика видно что целесообразней использовать
резонатор работающий на колебаниях вида Е010.
Похожие работы на - Оптимизация параметров клистронного резонатора, работающего на высших видах колебания
|