Исследование схемы счетчика, построенного на JK-, T-триггерах

  • Вид работы:
    Контрольная работа
  • Предмет:
    Информатика, ВТ, телекоммуникации
  • Язык:
    Русский
    ,
    Формат файла:
    MS Word
    834,89 Кб
  • Опубликовано:
    2012-06-12
Вы можете узнать стоимость помощи в написании студенческой работы.
Помощь в написании работы, которую точно примут!

Исследование схемы счетчика, построенного на JK-, T-триггерах













Исследование схемы счетчика, построенного на JK-, T-триггерах

Содержание

электрическая схема счетчик

1.       Эквивалентное преобразование электрических схем

.        Расчёт транзисторных схем

.        Проектирование и изучение работы JK-, T- триггеров и четырехразрядного счётчика

1.Расчёт эквивалентных схем

Определение идеальных элементов схем замещения:

)        Источник напряжения:







ВАХ источника выглядит, как показано на графике. Тогда при расчёте схемы нелинейный участок этой ВАХ можно не учитывать и реальный источник заменить на источник напряжения, имеющий следующие обозначения и ВАХ:







При любом токе, в таком случае, получается, что U=V.

)        Источник тока

Пусть ВАХ реального источника энергии (сетевого источника, батарейки) выглядит так:






Тогда при расчёте схемы нелинейный участок этой ВАХ можно не учитывать и реальный источник заменить на источник тока, имеющий следующие обозначения и ВАХ:








Здесь при любом напряжении I=Ii

)        Резистивный элемент

Был резистор с нелинейной ВАХ, её аппроксимировали (идеализировали, сделали линейной). После резистор описали линейной зависимостью U=k*I (закон Ома) и коэффициент пропорциональности назвали сопротивлением: R

Ёмкостный элемент

Был конденсатор с нелинейной вольт-кулонной характеристикой, её аппроксимировали (идеализировали, сделали линейной). После конденсатор описали линейной зависимостью Q=k*U (закон Фарадея) и коэффициент пропорциональности назвали ёмкостью: С


4)      Индуктивный элемент

Была индуктивная катушка с нелинейной вольтсекунд-амперной характеристикой, её аппроксимировали (идеализировали, сделали линейной). После индуктивную катушку описали линейной зависимостью σ=k*Il (закон Генри) и коэффициент пропорциональности назвали индуктивностью: L

5)     
Идеальный вентиль

Был диод с нелинейной ВАХ, её кусочно аппроксимировали (идеализировали, сделали линейной).

)        Идеальный ключ

Был переключатель с нелинейной ВАХ, её кусочноаппроксимировали (идеализировали, сделали линейной)

Преобразования схем:

)        Теорема размножения источников напряжения

2)     
Теорема об эквивалентности двух схем замещения источников электрической энергии

 

Дано:

схема 2схема 3. Соотношение

 

Утверждается: ВАХ 1сх = ВАХ 2сх, при заданном подключении измерительных приборов

)        Объединение сопротивлений


Соединённые параллельно резисторы можно заменить на один, сопротивление которого будет равно:

)       
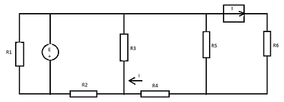
Поглощение источником



Разберём задание, посчитав ток i:


Используем два раза поглощение источником:


Также дважды используем замену источников Е и I:


Объединим R2 и R3 и заменим источник I на E:


Обозначим правый источник, как Uэ:

Uэ - i*(Rэ+R4+R5) - Uэ1 = 0= (Uэ - Uэ1)/(Rэ + R4 + R5) =

=(I*R5 - U*R3/(R2+R3))/(R2*R3/(R2+R3)+R4+R5);

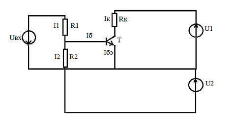
2.Расчёт транзисторных схем


Дано

U1 = 8,5 В

U2= 5 В

Rк = 1,5 кОм

R1 = 10 кОм

R2 = 20 кОм

B = 80

Uвх - ?

А) Т - отсечка

Б) Т - насыщен

Решение

А)

)        По закону Кирхгофа составим уравнение:

2)      Uбэ = 0 => по закону Кирхгофа:

I2*R2 = U2= U2/R2 = 0,25 мА

3)      I1 = I2 = 0,25 мА

4)      По закону Кирхгофа:

Uвх - I1*R1 +0 =0вх = I1*R1 = 2,5 А

Ответ: При Т в отсечке, Uвх = 2,5 А.

Б)

) При Т - насыщенном, Uкэ = 0, Uбэ =0,7 В => По закону Кирхгофа:

Uвх - I1*R1 - Uбэ = 0;

) Выразим I1 по закону Кирхгофа:

I1 = I2 + Iб;

) По закону Кирхгофа:

Iк*Rк = U1

Iк = U1/Rк = 5,7 мА

) По соотношению Iб = Iк/B:

Iб = 0,07 мА

) По закону Кирхгофа:

I2*R2 + 0,7 В = U2;= 4,3/R2 = 0,215 мА

) Найдём I1:1 = 0,215 мА + 0,07 мА = 0,285 мА

) Найдём Uвх:

Uвх = I1*R1 + 0,7В = 2,85 + 0,7 = 3,55В

Ответ: Uвх = 3,55 В при Т в насыщении.

3. Проектирование JK-, T- триггеров и 4-х разрядного счётчика

Лабораторная работа предполагает изучение работы схем триггеров, используемых в счетных устройствах (счетчиках). Счетчик подсчитывает число импульсов, поступающих на его вход за некоторое время, формирует и запоминает код этого числа. Схемотехническая реализация счетчика зависит от решаемых функций:

-       увеличивается или уменьшается код с поступлением счетных импульсов (счетчики на сложение и счетчики на вычитание),

-       в каком коде отображается результат счета (двоичные, двоично-десятичные и т.д.),

-       какие триггеры используются для реализации, и каким образом реализованы связи между отдельными триггерами счетчика (счетчики на T- триггерах, JK- триггерах, D- триггерах с последовательным, сквозным или параллельным переносом),

-       какие сервисные функции имеет счетчик (синхронные или асинхронные загрузки, сброс, разрешение счета, управление направлением счета и т.д.).

В данной работе изучается схема счетчика на сложение с последовательным переносом, построенная на JK-триггерах.

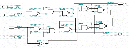
. Исследуем JK- триггер и его работу. Создадим графическую схему JK-триггера в программе max2+:


Входы r и s служат для ручной установки значения триггера. Нам их работа не интересна, хотя для начала работы прибора нужно на вход r подать значение 0. Рассмотрим комбинации входов J и K , которые влияют на работу триггера:

J = 0 K = 0 - сигнал сохраняется и не меняется.

J =1 K = 1 - сигнал инвертируется. Инверсия происходит только в том случае, если перед этим он сохранялся, то есть значения J и K были нулями.

J = 1 K = 0 - перевод сигнала в 1.

J = 0 K =1 - перевод сигнала в 0.

Смоделируем работу схемы и получим временные диаграммы, иллюстрирующие вышеописанные процессы:


Составим программу JK-триггера в виде поведенческой модели на языке vhdl. Заметим, что входы r и s отброшены за ненадобностью. Поведенческая модель исследует только работу триггера в зависимости от входов j и k:

LIBRARY ieee;ieee.std_logic_1164.all;jktr IS

(        : IN    STD_LOGIC;      : IN    STD_LOGIC;      : OUT         STD_LOGIC;: OUT STD_LOGIC

);jktr;behav OF jktr IS     q1,f,q2        : STD_LOGIC;(k,j)f: STD_LOGIC;

if (k='0'and j='0') then

f:='1';

elsif (k='1' and j='1') then

if (f='1') then

q1<=not q1; q2<=not q2; f:='0';

end if;

else

if (k='1') then

q1<='1'; q2<='0'; f:='0';

else

q1<='0'; q2<='1'; f:='0';

end if;

end if;PROCESS;

qi <= q1;

q <= q2;behav;

Заметим, что в схеме точно уточняются значения j и k, так как помимо их равенства в 0 и 1 есть другие состояния. Смоделируем работу и получим временную диаграмму:


Схема работает правильно. Исследуем работу T-триггера.

. Создадим графическую схему T-триггера в программе max2+:


Для СЭ нужно, чтобы под действием каждого счётного импульса он переходил в состояние противоположное предыдущему.

Т-триггер получен слиянием входов J и K, потому работа заключается в том, что при смене фронта сигнала на входе Т на единицу, то выходной сигнал инвертируется. Смоделируем работу и составим временные диаграммы:


Как и в случае с JK-триггером, входы r и s нужны для сбрасывания сигнала и в начале, чтобы начать работу прибора, на вход r подаётся логический 0. В начале заметно, что вход q повторяет сигналы на входе t. Дело в том, что при сбрасывании сигнала, на входе t меняется фронт сигнала, что приводит к непредсказуемым последствиям. Необходимо, чтобы, во время подачи на вход r логического нуля, на вход t также подавался 0. Мы не учтём этого в поведенческой модели и просто укажем, что для работы прибора необходимо, чтобы вход r всегда получал логический сигнал 1. Вход s не будет влиять на работу прибора.

Напишем поведенческую модель T-триггера на языке vhdl:

LIBRARY ieee;ieee.std_logic_1164.all;vh2 IS

(        : IN    STD_LOGIC;      : IN    STD_LOGIC;: IN STD_LOGIC;: OUT          STD_LOGIC;

q : OUT      STD_LOGIC

a OF vh2 IS

SIGNAL     q1,q2 : STD_LOGIC;

BEGIN(t,s,r)(r='0') then<='0';q2<='1'; (t'EVENT and t='1') then<=not q1; q2<=not q2; if;PROCESS;       <= q1;<= q2;a;

Смоделируем работу и получим временную диаграмму:


Результат не отличается от результата моделирования графической схемы и схема работает правильно.

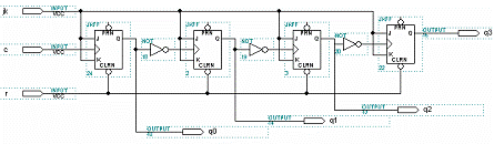
Посмотрим приборы, которые основаны на jk-триггерах. К примеру: 4-х разрядный счётчик.

. Счётчик, при поступлении импульса, путём сложения считает в двоичной системе по разрядам. Создадим графическую схему в программе max2+:


Вход r необходим для сбрасывания сигнала в 0. Заметим, что для этого следует подавать на вход r логический 0, так как, перед подачей на вход CLRN, сигнал инвертируется. Вход С служит, как определяющий работу прибора. Если на входе С меняется фронт сигнала, то прибор работает. Постоянный сигнал на входе С прекратит работу счётчика. На вход jk, для корректной работы прибора, должен подаваться постоянный фронт сигнала, а именно логической единицы. При подаче на вход JK логического нуля, прибор не будет работать, и будет просто сохранять своё состояние.

Смоделируем работу схемы и получим временные диаграммы:


Напишем поведенческую схему счётчика на языке vhdl:

LIBRARY ieee;ieee.std_logic_1164.all;vh3 IS

(                  : IN    STD_LOGIC;      : IN  STD_LOGIC;      : IN  STD_LOGIC;               : OUT         STD_LOGIC;                : OUT         STD_LOGIC;                : OUT          STD_LOGIC;                : OUT         STD_LOGIC

);

END vh3;a OF vh3 IS

SIGNAL     qs0,qs1,qs2,qs3    : STD_LOGIC;    

BEGIN(r,jk,c)( c'EVENT AND c='1') THEN( jk='1' AND r='1') THEN(qs0='0') THEN <='1';(qs1='0') THEN <= '0';<= '1';(qs2='0') THEN

qs0 <= '0';<= '0';<= '1';

else(qs3='0') then<='0';

qs1 <='0';<='0';<='1';

end if;IF;if;if;if;if;(q1='1) and (q2='1') and (q3='1') and (q0=1') then

q0<='0';<='0';<='0';<='0';

end if;PROCESS;<= qs0;<= qs1;<= qs2;<= qs3; a;

Последнее обнуление необходимо, чтобы после 15, счётчик не перевёл все выходы в постоянный сигнал - 1, а начал считать снова. Смоделируем работу и составим временную диаграмму:


Результат ничем не отличается от результата графической схемы.

Похожие работы на - Исследование схемы счетчика, построенного на JK-, T-триггерах

 

Не нашли материал для своей работы?
Поможем написать уникальную работу
Без плагиата!
Без нейросетей!