Исследование систем передачи цифровой информации повышенной помехозащищенности с использованием одночастотных псевдослучайных сигналов

  • Вид работы:
    Дипломная (ВКР)
  • Предмет:
    Информатика, ВТ, телекоммуникации
  • Язык:
    Русский
    ,
    Формат файла:
    MS Word
    960,91 Кб
  • Опубликовано:
    2012-06-10
Вы можете узнать стоимость помощи в написании студенческой работы.
Помощь в написании работы, которую точно примут!

Исследование систем передачи цифровой информации повышенной помехозащищенности с использованием одночастотных псевдослучайных сигналов

Содержание

 

Введение

1. Анализ методов передачи цифровой информации

1.1 Импульсные коды

1.2 Частотные коды

1.3 Многоступенчатая модуляция

2. Корректирующее кодирование как эффективный метод повышения помехозащищенности

2.1 Анализ возможности использования корректирующих кодов

2.2 Выводы

3. Выбор и обоснование функциональной схемы радиотехнической системы

3.1 Выбор и обоснование функциональной схемы радиопередающего устройства

3.2 Выбор и обоснование функциональной схемы приемного устройства

3.2.1 Расчет полосы пропускания приемника

3.2.2 Выбор промежуточной частоты

3.2.3 Расчет чувствительности радиоприемного устройства

3.2.4 Расчет частот соседнего и зеркального каналов

3.2.5 Расчет коэффициента усиления приемника

3.3 Расчет параметров корректирующего кода

3.4 Разработка кодирующего устройства четырехсимвольного бинарного кода

3.4.1 Функциональная схема кодирующего устройства

3.4.2 Принципиальная схема кодирующего устройства

4. Технико-экономические обоснования кодирующего устройства

4.1 Производственные затраты

4.2 Материальные издержки

4.3 Стоимость материалов

4.4 Калькуляционные издержки

4.5 Издержки на оплату услуг сторонних организаций

4.6 Стоимость реализации проекта

4.7 Эксплуатационные расходы

4.7.1 Издержки на оплату труда персонала

4.7.2 Амортизационные отчисления

4.7.3 Затраты на техническое обслуживание и ремонт.

4.7.4 Расходы на электроэнергию

Заключение

Литература

Список принятых сокращений

Введение

В условиях проводимого сокращения стратегических вооружений особую актуальность приобретают задачи, связанные с повышением качественных характеристик вооружения и военной техники.

Одним из наиболее перспективных направлений в указанной области является совершенствование систем управления, войсками и оружием. Неотъемлемой части такой системы является подсистема передачи, хранения и обработки информации.

К системам передачи информации военного назначения предъявляются повышенные требования к достоверности, скорости передачи информации, скрытности функционирования. Вследствие этого в таких системах должны использоваться последние достижения в области улучшения качественных характеристик передачи. К таким характеристикам относится скорость и достоверность передачи информации, а также помехозащищенность. Так как помехозащищенность определяется помехоустойчивостью и скрытностью, возникают задачи разработки систем, позволяющих передавать информацию с высокой скоростью, заданной степенью достоверности, и скрытности.

Известно, что наиболее перспективными в настоящее время являются системы, использующие для передачи информации широкополосные шумоподобные сигналы. Кроме того, для повышения достоверности в таких системах используются корректирующее кодирование, повторение передачи, обратная связь, оптимальные методы приема.

В настоящем проекте разработана система передачи цифровой информации повышенной помехозащищенности с использованием одночастотных псевдослучайных сигналов, удовлетворяющая исходным данным на дипломное проектирование.


1. Анализ методов передачи цифровой информации


Так как проектируемая система относится к системам передачи дискретной информации, рассмотрим сначала известные методы передачи дискретных сообщений.

Известно, что дискретное сообщение представляет собой число, представленное в той или иной системе счисления, и подлежащее передаче. В случае, если система передачи информации входит в состав какой-либо системы управления, передаваемое число соответствует определенному действию, выполняемому исполнительными устройствами.

Наиболее часто передаваемое число представляют в двоичной системе счисления. В этом случае передаваемое сообщение представляет собой последовательность двоичных символов - "1" и "0", которая называется кодовой комбинацией. Для передачи этих символов по каналу связи они должны быть преобразованы в электрические сигналы, отличающиеся друг от друга какими-либо признаками. Такие признаки получили название кодовых признаков.

Символы канала связи - электрические сигналы - отличаются друг от друга кодовыми признаками, в качестве которых могут использоваться различные параметры этих сигналов. В том случае, когда одному из параметров ставят в соответствие кодовый признак, этот параметр называется информационным. Такими параметрами для гармонических сигналов являются: амплитуда, частота, фаза; для импульсных сигналов - амплитуда, широта, полярность. В таблице 1 представлены различные сигналы, содержащие кодовые признаки символов двоичного кода. В этой таблице сигналы с фазовыми и полярными признаками являются противоположными, с частотными и амплитудными - ортогональными. В каналах связи широко используются две группы кодов, называемых в соответствии с признаками частотными и импульсными кодами.

Таблица 1

Признаки

амплитудные

частотные

фазовые

0

1

0

1

0

1











 







Признаки

широтные

полярные

0

1

0

1

 




 









1.1 Импульсные коды


Рассмотрим сначала низкочастотные импульсные сигналы, использующиеся для формирования кодовых комбинаций.

Наибольшее применение нашли такие импульсные коды, символами которых являются посылка импульса и отсутствие посылки, то есть двухсимвольные коды. К таким кодам относятся бинарный импульсный код (БИК), позиционно-импульсный код (ПИК), временной импульсный код (ВИК), позиционно-бинарный импульсный код (ПБИК) и позиционно-временной импульсный код (ПВИК). Расположение элементарных символов в комбинациях первых трех кодов иллюстрируется диаграммами, представленными на рисунке 1. Комбинации начинаются синхронизирующими импульсами (СИ). Остальные импульсы в кодовой комбинации располагаются в фиксированных точках временной базы кода.

БИК (рисунок 1, а) обладает недостатком, который состоит в том, что средняя мощность сигнала от сообщения к сообщению изменяется и сравнительно велика, поскольку число импульсов в одной комбинации может быть равным nδ +1, где nδ - количество позиций (фиксированных точек) на временной базе БИК.

БИК может быть безызбыточным и избыточным. В последнем случае часть позиций комбинации БИК используется для размещения на них проверочных символов. Число комбинаций БИК

. (1.1)

Рисунок 1

цифровая информация передача сигнал

Количество информации, приходящейся на одну комбинацию БИК (информативность кода), в случае безызбыточного кодирования

. (1.2)

Количество информации, приходящейся на один импульс БИК (характеристика энергетических затрат),

. (1.3)

В ПИК (рисунок 1, б) число импульсов в кодовой комбинации всегда постоянно. ПИК может рассматриваться как БИК с постоянным числом единиц, то есть является избыточным кодом, который может обнаруживать все ошибки при приеме, вызываемые воздействием помех, за исключением ошибок смещения. Ошибкой смещения называется одновременная трансформация единицы в нуль и нуля в единицу, то есть одновременное пропадание импульса и появление ложного на одной из фиксированных точек временной базы ПИК. Способность обнаруживать ошибки является достоинством ПИК. Другим его достоинством является независимость средней мощности сигнала от сообщения. Число комбинаций ПИК

, (1.4)

где l - количество импульсов в комбинации;

- количество позиций на временной базе ПИК;

 - число сочетаний из  по -1.

Количество информации, приходящейся на одну комбинацию ПИК, если все комбинации являются разрешенными (при безызбыточном кодировании),

. (1.5)

Количество информации, приходящейся на один импульс ПИК:

. (1.6)

В ВИК (рисунок 1, в) число импульсов в кодовой комбинации равно двум. Информация в кодовой комбинации ВИК заключена во временном интервале между СИ и вторым импульсом, который называется информационным (ИИ). При безызбыточном кодировании основные характеристики кода выражаются следующими формулами:

, (1.7)

где  - количество позиций на временной базе ВИК;

, (1.8)

, (1.9)

На рисунке 2 представлены временные диаграммы, иллюстрирующие процесс формирования комбинации ПБИК. Первая группа ПИК в комбинации ПБИК является синхронизирующей (СПИК). Для ПБИК при безызбыточном кодировании:

, (1.10)

, (1.11)

. (1.12)

На рисунке 3 представлены временные диаграммы, иллюстрирующие процесс формирования комбинации ПВИК. Первая группа ПИК в комбинации ПВИК является синхронизирующей (СПИК), вторая - информационной (ИПИК). Для ПВИК:

, (1.13)

, (1.14)

. (1.15)

Рисунок 2

Рисунок 3

Сравнение рассмотренных кодов показывает, что наибольшей информационной емкостью (наибольшей величиной Н) обладают БИК и ПБИК, а наибольшее количество информации на единицу энергии имеет ВИК. Поскольку ПБИК и ПВИК содержат группы ПИК, то эти коды даже при безызбыточном кодировании могут обнаруживать ошибки. С помощью одной кодовой комбинации ПБИК или ПВИК можно передать одновременно несколько сообщений. Например, при использовании ПВИК во временном интервале между СПИК и ИПИК может содержаться целевая информация, а в группах СПИК и ИПИК - служебная.

1.2 Частотные коды


Рассмотренные выше кодовые комбинации используются в системах передачи информации с импульсным излучением. Основное достоинство импульсных систем - возможность временного разделения каналов. Однако такие системы обладают существенным недостатком, заключающимся в ограниченности импульсной мощности передатчика, и, как следствие, ограниченности дальности действия радиотехнической системы.

Так как проектируемая система является одноканальной, остановимся на рассмотрении комбинаций, использующихся в системах с непрерывным излучением. В таких системах широкое применение нашли частотные коды.

На рисунке 4 представлена классификация частотных кодов. Двухпозиционные (бинарные) частотные коды используются в системах с любыми способами приема сигналов. Многопозиционные частотные коды используются в системах с неоптимальным некогерентным приемом.

На рисунке 5 представлены диаграммы кодовых комбинаций двухпозиционных (бинарных) частотных кодов. Диаграммы отражают первый низкочастотный этап формирования сигналов. Далее в соответствии с этими комбинациями осуществляется или амплитудная, или частотная, или фазовая модуляция несущих колебаний. На рисунке 5, а представлено кодируемое сообщение. На рисунке 5, б представлена диаграмма кодовой комбинации двухсимвольного частотного кода. В этом коде двоичной единице соответствует посылка частоты F1, двоичному нулю - посылка частоты F2. Код обладает недостатком, состоящим в трудности различения следующих подряд одинаковых информационных символов.

На рисунке 5, в и рисунке 5, г представлены диаграммы кодовых комбинаций трехсимвольного кода. В комбинациях этого кода между информационными посылками располагаются разделительные посылки. В течение этих посылок несущие колебания или вообще не модулируются, или модулируются специальной разделительной частотой Fp.

Поскольку в этом коде каждый информационный символ передается с помощью чередующихся частот, то разделение символов при приеме не составляет труда. Однако код обладает недостатком, состоящим в неэффективном использовании мощности передатчика при передаче разделительных посылок, что снижает помехоустойчивость радиолинии.

Рисунок 4

На рисунке 5, д представлена временная диаграмма кодовой комбинации четырехсимвольного бинарного частотного кода. В этом коде двоичной единице соответствуют посылки частот F1 и F2, а двоичному нулю - посылки частот F3 и F4. При следовании подряд нескольких двоичных единиц, нечетным единицам в кодовой комбинации соответствуют посылки частоты F1, четным - посылки частоты F2. При следовании подряд нескольких двоичных нулей нечетным нулям в кодовой комбинации соответствуют посылки частоты F3, четным - посылки частоты F4.

Такое чередование частот обеспечивает возможность простого разделения символов при приеме комбинации. Как видно из вышеизложенного, четырехсимвольный код свободен от недостатков, присущих двух и трехсимвольному кодам.

Рисунок 5

Для двухсимвольного и четырехсимвольного кодов при безызбыточном кодировании основные характеристики выражаются формулами:

, (1.16)

, (1.17)

, (1.18)

где n - значность кода, а индексы у букв N, H, h соответствуют числу символов кода.

Для трехсимвольного кода:

, . (1.19)

На рисунках 6-9 представлены диаграммы кодовых комбинаций многопозиционных частотных кодов. На рисунке 6 изображены комбинации простейшего частотного кода и соответствующие им сообщения. Каждая кодовая комбинация представляет собой посылку определенной частоты. Число частот должно соответствовать общему числу комбинаций. В примере, изображенном на рисунке 6, таких комбинаций 8. Для простейшего кода:

, , (1.20)

где q - число используемых частот.

Рисунок 6

Рисунок 7

На рисунке 7 представлены диаграммы низкочастотных кодовых комбинаций комбинационного кода. Каждая кодовая комбинация представляет собой посылку нескольких частот. С увеличением числа частот в течение одной посылки при неизменной мощности передатчика интенсивности спектральных составляющих сформированного сигнала быстро падают, что ухудшает помехоустойчивость этих сигналов. Увеличить интенсивности спектральных составляющих при большом их числе и в то же время оградить канал связи от перекрестных искажений возможно лишь путем предъявления жестких требований к линейности соответствующих узлов канала. Поэтому обычно число частот в посылке не превышает двух. Для комбинационного кода:

, , (1.21)

где q - число используемых частот;- число частот в одной посылке;

Сq - число сочетаний из q по l.

На рисунке 7 представлена диаграмма кодовой комбинации частотно-временного кода. При передаче этой комбинации последовательно передается сначала группа посылок, образованных комбинациями частот, затем следует посылка разделительной частоты Fp, потом опять группа посылок, образованных комбинациями частот и т.д. Число посылок m в группе является основанием данного кода и равно числу сочетаний из q частот по l, число групп посылок в одной комбинации определяется значностью кода n. На рисунке 8 изображена комбинация кода, у которого основание m = 3 (q=3, l=2), а значность n=2. Для частотно-временного кода:

, . (1.22)

Рисунок 8

Комбинация полного сменно-посылочного кода представляет собой совокупность n посылок нескольких частот, причем каждая из посылок отличается от соседних не менее чем одной частотой. На рисунке 9 изображена диаграмма, иллюстрирующая структуру кодовой комбинации этого кода. Для полного сменно-посылочного кода:

,

, (1.23)

.

Комбинация неполного сменно-посылочного кода представляет собой совокупность n посылок нескольких частот, причем каждая из посылок отличается от соседних всеми образующими ее частотами.

Рисунок 9

В сравнении с полным сменно-посылочным кодом этот код образует меньшее количество разрешенных комбинаций (отсюда название - неполный) и обладает избыточностью. На рисунке 10 представлена диаграмма, иллюстрирующая структуру кодовой комбинации неполного сменно-посылочного кода. Для кода этого типа:

,

, (1.24)

.

Как видно из сравнения характеристик рассмотренных частотных кодов, наибольшей информативностью и наименьшими энергетическими затратами обладает частотно-временной код. Все рассмотренные коды, за исключением двухсимвольного бинарного кода, нашли применение в радиолиниях передачи информации.

Рисунок 10

1.3 Многоступенчатая модуляция


Формируемые кодирующим устройством в соответствии с передаваемыми сообщениями кодовые комбинации частотного или импульсного кода являются совокупностями низкочастотных сигналов. В передатчике эти сигналы преобразуются в высокочастотные сигналы. Таким образом, высокочастотные сигналы частотных кодов являются результатом по крайней мере трех ступеней модуляции. В современных радиолиниях передачи информации используют сигналы вида КИМ-ЧМн-АМ, то есть сигналы, полученные с помощью последовательного применения кодоимпульсной модуляции, частотной манипуляции и амплитудной модуляции, КИМ-ЧМн-ЧМн и КИМ-ЧМн-ФМн (последняя ступень - фазовая манипуляция). На рисунке 11 представлены временные диаграммы сигналов, полученных с помощью многоступенчатой модуляции. Использование второй (промежуточной) ступени модуляции поднесущей частоты позволяет упростить реализацию многоканального приемника и уменьшить полосу пропускания канала связи. Выделение символов канала в этом случае производится на низкой частоте с помощью относительно простых и дешевых низкочастотных фильтров.

Рисунок 11

Сигнал, соответствующий одному символу канала связи, называется информационной посылкой. При двоичном кодировании информационной посылке соответствует двоичный символ. Сигналы характеризуются базой

, (1.25)

где - длительность информационной посылки;

 - эффективная ширина спектра сигнала.

В зависимости от величины базы различают простые сигналы, для которых B ≈ 1, и сложные сигналы, для которых B >> 1.

С помощью рассмотренных выше импульсных кодов образуются простые сигналы. Для них выполняется равенство

. (1.26)

Каждый импульс сигналов, полученных с помощью БИК, ПИК, ВИК, ПВИК, является информационной посылкой. Для сигналов, полученных с помощью частотных кодов, каждая очередная посылка частоты является информационной. Эти сигналы могут быть и простыми и сложными.

В большинстве случаев сложные сигналы в радиолиниях передачи информации формируются как совокупность элементарных сигналов. При этом одна информационная посылка состоит из большого числа элементарных импульсов длительностью ∆τи. В большинстве случаев в качестве сложных сигналов используются широкополосные шумоподобные сигналы (ШШС), для которых

. (1.27)

В современных системах связи база сложных сигналов имеет значения от нескольких сот до нескольких тысяч. Преимуществами систем передачи информации с ШШС являются:

- высокая достоверность передачи информации в условиях многолучевого распространения сигналов;

- высокая помехоустойчивость к организованным помехам,

- высокие крипто- и имитостойкость;

- хорошая электромагнитная совместимость с другими системами, использующими тот же диапазон частот.

К сложным сигналам, используемым в перспективных радиолиниях передачи информации, предъявляется ряд требований.

Известно, что оптимальное различие двух или нескольких сигналов сводится к сравнению m корреляционных интегралов

, (1.30)

где . Для успешного распознавания сигнала Si (t) в смеси сигнала и шума yi (t), действующей на входе приемника, необходимо, чтобы значение автокорреляционной функции сигнала при нулевом сдвиге (τ=0) намного превышало значения взаимно корреляционных функций этого сигнала с другими сигналами

. (1.31)

Условие (1.31) выполняется, если автокорреляционная функция содержит один значительный максимум, а взаимно корреляционные функции таких максимумов не имеют.

Такими свойствами обладают реализации нормального шума конечной длительности. Очевидно, и структура сложного сигнала должна быть такой, чтобы его свойства совпадали со свойствами отрезков шума. Отсюда название - шумоподобный.

Итак, первое требование состоит в том, что автокорреляционная функция сложного сигнала должна иметь только один значительный главный максимум и минимальные дополнительные максимумы (боковые лепестки).

Для эффективного использования мощности передатчика необходимо, чтобы пикфактор сложного сигнала был приблизительно равен единице, то есть

 (1.32) или , (1.33)

Где Smax, Sэф - максимальное и эффективное значения сигнала соответственно;

,  - максимальная (пиковая) и средняя мощности сигнала соответственно.

При соблюдении условий (1.32), (1.33) обеспечивается высокий КПД передатчика. Кроме того, поскольку величина пиковой мощности PПИК ограничена, то при невыполнении условий (1.32), (1.33) уменьшается средняя мощность сигнала, что приводит к уменьшению помехоустойчивости радиолинии.

Следует заметить, что отрезки шума обладают большим пикфактором, что делает невыгодным их использование в качестве сложных сигналов.

Таким образом, второе требование состоит в том, что сложный сигнал должен обладать пикфактором, приблизительно равным единице.

Для удовлетворения первым двум требованиям сложный сигнал должен иметь как можно более равномерный спектр.

Для реализации оптимальных способов приема приемник должен располагать "образцами" используемых сигналов.

Поэтому третье требование состоит в том, что сложные сигналы должны допускать возможность воспроизведения их "образцов" в приемнике.

Для осуществления оптимального приема необходимо также четкое знание временных границ информационной посылки - ее начала и конца, что обусловливает четвертое требование к используемым сигналам. Это требование состоит в том, что структура сложных сигналов должна обеспечивать возможность четкой и надежной синхронизации приемного устройства.

Перечисленным требованиям в наибольшей степени соответствуют такие сложные сигналы, при формировании которых для расширения исходной информационной полосы частот используется дополнительная модуляция, не связанная с передаваемой информацией. В радиолиниях передачи информации используются два вида такой модуляции.

Во-первых, модуляция несущих колебаний цифровой ПСП элементарных символов, частота следования которых во много раз превышает информационную полосу сигнала. При этом элементарные символы представляют собой импульсы, длительность которых равна половине периода их следования. Такие сигналы иногда называют одночастотными псевдослучайными сигналами.

Во-вторых, изменение частоты несущих колебаний в дискретные моменты времени на величину, задаваемую ПСП. В этом случае в передатчике происходят мгновенные переходы с одной частоты несущей на другую, каждая из которых выбирается из определенного множества частот по псевдослучайному закону. Сформированные сигналы называют многочастотными псевдослучайными сигналами, а радиолинии - радиолиниями со скачкообразным изменением частоты. Эти радиолинии похожи на радиолинии с частотно-манипулированными сигналами, но отличаются от последних тем, что длительность элементарных символов и значение частоты в каждый данный момент времени подчиняется псевдослучайному закону и не зависят от передаваемой информации.

В качестве модулирующих последовательностей наиболее широкое применение получили М-последовательности.

Многочисленные исследования показывают, что свойства сформированных рассмотренными способами сигналов полностью определяются свойствами используемых М-последовательностей.

1.4 Выводы


Сложным сигналом называется сигнал, база которого значительно больше единицы

, (1.28)

где  - полоса частот, занимаемая сложным сигналом;

 - длительность информационной полоски сложного сигнала.

Сложные сигналы часто называют псевдослучайными, шумоподобными, составными, многомерными. Каждое из этих названий отражает какую-либо особенность сложных сигналов, связанную с их свойствами или методами получения.

Однако, поскольку все специфические свойства этих сигналов обусловливаются тем, что их база значительно больше единицы, наиболее общим является термин "сложный сигнал".

Радиолинии передачи информации со сложными сигналами являются радиолиниями с непрерывным излучением.

В этих радиолиниях применение нашли такие сложные сигналы, которые занимают полосу частот , значительно превышающую информационную полосу , необходимую для передачи информационных посылок, то есть

. (1.29)

Такие сложные сигналы называются широкополосными. Однако широкополосность в этом случае определяется не абсолютным значением ширины спектра сигнала, а величиной его базы.

В отличие от радиолиний с простыми сигналами в радиолиниях со сложными сигналами используются оптимальные способы приема сообщений: когерентный - с помощью коррелятора или некогерентный - с помощью квадратурного коррелятора.

Применение указанных способов приема приводит к необходимости передачи синхронизирующих сигналов.

В качестве сложных сигналов используются сигналы, полученные с помощью генераторов ПСП.

Радиолинии передачи информации со сложными сигналами обладают следующими достоинствами:

- высокой достоверностью передачи информации в условиях многолучевого распространения сигналов;

- высокой помехоустойчивостью к организованным помехам;

- высокой скрытностью;

- хорошей электромагнитной совместимостью с другими радиолиниями, использующими тот же диапазон частот.

Таким образом, для проектируемой радиолинии будем использовать одночастотные ШШС, сформированные на основе М-последовательности. Для искусственного расширения исходного узкополосного сигнала будем использовать фазовую манипуляцию несущей.

2. Корректирующее кодирование как эффективный метод повышения помехозащищенности


2.1 Анализ возможности использования корректирующих кодов


Проектируемая система передачи информации предназначена для передачи команд управления, и, следовательно, должна обеспечивать повышенную помехозащищенность. Одним из наиболее эффективных методов повышения помехозащищенности является использование корректирующего кодирования. Сущность такого кодирования заключается в построении кодовой комбинации с использованием некоторых заданных заранее признаков. Проверка этих признаков на приемной стороне канала связи позволяет обнаруживать или исправлять ошибки.

Для определения необходимости применения корректирующего кода в проектируемой системе рассчитаем вероятность ошибочного приема комбинации.

Вероятность ошибочного приема одного символа определяем из исходных данных на дипломное проектирование: .

Общее количество комбинаций, формируемых двоичным кодом, определяется формулой:

,

где k - количество информационных символов комбинации. Таким образом, можно рассчитать количество символов комбинации:

, , .

Вероятность ошибочного приема 7-элементной комбинации рассчитаем по формуле:

.

Согласно исходным данным на проектирование вероятность ошибочного приема комбинации не должна превышать величины 0,005. Таким образом, необходимо использовать какие-либо методы повышения достоверности передачи.

Одним из наиболее эффективных методов повышения достоверности является использование корректирующих кодов. Рассмотрим эти коды подробнее.

Коды, позволяющие только обнаружить факт наличия ошибки в принятой комбинации, называются обнаруживающими. Очевидно, что при обнаружении ошибки кодовая комбинация должна быть передана заново. Для этого должен быть организован дополнительный канал обратной связи, что существенно увеличивает аппаратурные затраты и снижает скорость передачи информации.

Вследствие этого предпочтительнее использовать исправляющие корректирующие коды, то есть коды, способные не только обнаружить ошибку, но и исправить ее. Процедура исправления сводится к определению ошибочно принятого символа кодовой комбинации, и, так как код двоичный, замене этого символа на противоположный.

Широкое распространение на практике получили такие исправляющие коды, как коды Хэмминга и циклические коды. Рассмотрим эти коды подробнее.

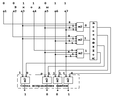
Принцип построения кодов Хэмминга и их характеристики рассмотрим на примере одной из разновидностей: кода, исправляющего одиночные ошибки.

Комбинация кода содержит k информационных символов и q проверочных. Проверочная группа формируется таким образом, чтобы при проверке принятой комбинации на достоверность (в процессе декодирования) можно было бы указать номер разряда, в котором произошла ошибка. Это достигается с помощью многократных проверок принятой комбинации на четность, количество которых равно количеству проверочных символов q. Каждой проверкой (суммированием по модулю два) охватывается часть информационных символов и один из проверочных символов. В результате каждой проверки получают двоичный контрольный символ. Если результат проверки четное число, то контрольному символу присваивается значение 0, если нечетное число - 1. По окончании всех проверок получается q-разрядное двоичное контрольное число (синдром проверки), которое указывает номер ошибочного символа в принятой комбинации. Для исправления ошибки значение этого символа изменяют на обратное.

Установим, в каких разрядах кодовой комбинации должны располагаться проверочные символы и какие именно информационные разряды должны охватываться каждой из проверок.

В результате первой проверки получается цифра младшего разряда контрольного числа. Если она равна 1, то это означает, что один из символов проверочной группы искажен, а сама единица является младшим разрядом номера искаженного символа.

В таблице 2 помещены номера искаженных символов, представленные в двоичной форме.

Таблица 2

Номер искаженного символа

Разряды двоичного контрольного числа


4

3

2

1

0 1 2 3 4 5 6 7 8 9 10 …

0 0 0 0 0 0 0 0 1 1 1 …

0 0 0 0 1 1 1 1 0 0 0 …

0 0 1 1 0 0 1 1 0 0 1 …

0 1 0 1 0 1 0 1 0 1 0 …


Из этой таблицы видно, что единица в младшем разряде контрольного числа соответствует случаю, когда искажен один из символов комбинации, имеющий нечетный номер.

Следовательно, первая проверка должна охватывать все нечетные символы:

 (2.1)

Единица во втором разряде контрольного числа свидетельствует об искажении одного из группы символов:

Следовательно, вторая проверка должна охватывать именно эти символы:

 (2.2)

Аналогично третья и четвертая проверки должны выглядеть следующим образом:

 (2.3)

 (2.4)

В качестве проверочных символов удобно выбрать такие, которые входят в минимальное число проверок. Такими символами являются символы

При кодировании значение каждого проверочного символа устанавливается таким, чтобы сумма единиц в соответствующей проверяемой группе являлась четным числом, то есть П1=П2=П3=П4=…=0.

Число проверочных символов выбирается в соответствии с таблицей 2 для кодового расстояния α=3

. (2.5)

Представим в качестве примера двоичную безызбыточную комбинацию 1001 кодом Хэмминга. При к =4 неравенство (2.5) выполняется, если q =3. Следовательно, вся комбинация кода Хэмминга должна состоять из 7 символов. Значения информационных символов заданы: а3=1, a5 =0, а6 =0, а7 =1. Определяем в соответствии с (2.1) - (2.4) значения проверочных символов: а1=0, а2=0, а4=1. Итак, комбинация кода Хэмминга имеет вид 0011001. Допустим, что шестой разряд комбинации принят с ошибкой, то есть принята комбинация 00110011. Тогда в результате первой проверки получим 0, во второй проверке 1, в третьей 1. Контрольное число 110 указывает на то, что шестой символ принят неправильно.

На рисунке 12 представлен один из возможных вариантов функциональной схемы кодирующего устройства кода Хэмминга (7/4).

Рисунок 12

Схема включает в себя три сумматора по модулю два, осуществляющие формирование проверочных символов а1, а2, а4. Исходная безызбыточая комбинация поступает на входы кодирующего устройства в параллельном коде.

На рисунке 13 представлен вариант функциональной схемы декодирующего устройства кода Хэмминга (7/4). В устройство входят три сумматора по модулю два, осуществляющие проверочное суммирование, дешифратор ошибки на три входа и четыре выхода и схема, исправляющая ошибку, состоящая из сумматоров по модулю два. Дешифратор имеет 4 выхода, а не 7 потому, что исправлению подлежат только информационные символы. Цифровые обозначения на рисунке соответствуют рассмотренному примеру декодирования комбинации, в которой имелась одна ошибка в шестом разряде (обозначена жирно).

Принятая комбинация на входы декодирующего устройства поступает в параллельном коде.

Число разрешенных комбинаций кода Хэмминга

. (2.6)

Избыточность кода

. (2.7)

При оценке помехоустойчивости кода Хэмминга, исправляющего однократную ошибку, исходят из того, что безошибочный прием комбинации имеет место в случае отсутствия каких-либо ошибок или в случае появления однократных ошибок, то есть

. (2.8)

Рисунок 13

Вероятность ошибочного приема кодовой комбинации

. (2.9)

Поскольку рассматриваемый код имеет кодовое расстояние α=3, то он может использоваться как код, обнаруживающий двукратные ошибки. При этом вероятность обнаруживаемой ошибки при малых значениях рош выражается формулой

. (2.10)

Вероятность необнаруживаемой ошибки при малых значениях Pош определяется вероятностью появления трехкратных ошибок

. (2.11)

Сравнивая помехоустойчивость кода Хэмминга, обнаруживающего двукратные ошибки, и кода с четным числом единиц, можно убедиться в том, что эти коды обеспечивают приблизительно одинаковую вероятность обнаруживаемой ошибки, вероятность же необнаруживаемой ошибки у кода Хэмминга значительно меньше, чем у кода с четным числом единиц (при Рош=10-3 более чем на два порядка).

Циклические коды обладают высокими корректирующими возможностями и требуют сравнительно простой кодирующей и декодирующей аппаратуры, основой которой являются сдвигающие регистры.

При рассмотрении циклических кодов оказывается удобным пользоваться представлением комбинаций двоичного кода в виде многочленов вида:

 (2.12)

гдеn - количество символов в кодовой комбинации, представляемой многочленом (значность кода);

x - фиктивная переменная;

а0, а1, а2, …- коэффициенты, принимающие значения 0 или 1.

Например, кодовой комбинации 1001000011 соответствует многочлен . Представление комбинаций в виде многочленов позволяет все действия над комбинациями свести к действиям над многочленами, с которыми можно производить все алгебраические операции. Особенностью является то, что сложение и вычитание коэффициентов производится по модулю два. В качестве примера произведем все основные операции с многочленами

 и .


Название "циклический код" определяется основным свойством этих кодов, состоящим в том, что циклический сдвиг символов разрешенной комбинации на один символ влево образует разрешенную комбинацию. Заметим, что циклический сдвиг комбинации эквивалентен умножению ее многочлена на x с последующим переносом коэффициента при высшей степени x в начало комбинации:

 (2.13)

Приведем здесь определение циклических кодов [l6], которое основано на представлении двоичных кодов в виде многочленов: циклическим (n, k) кодом называется код, множество кодовых комбинаций которого представляется совокупностью многочленов степени (n-1) и менее, делящихся на некоторый образующий многочлен р (x) степени q=n-k.

Исходя из этого определения, для формирования комбинации циклического кода F (x) достаточно исходную комбинацию безызбыточного кода G (x) умножить на образующий многочлен p (x)

 (2.14)

Однако этот способ приводит к образованию неразделимого кода, что усложняет процесс декодирования.

Применение нашел способ, позволяющий сформировать итоговый кодовый многочлен, в котором коэффициенты при высших степенях х. соответствуют информационным символам, а коэффициенты при низших степенях x - проверочным.

Способ заключается в следующем. Сначала исходный многочлен G (x) умножают на хq, сдвигая тем самым все информационные символы комбинации на q разрядов влево и освобождая "место" в младших разрядах для проверочных символов. В двоичной форме умножение числа на хq равносильно приписыванию справа q нулей. Затем полученное произведение делят на образующий многочлен р (х) и находят остаток от деления R (x) степени меньшей q, то есть

 (2.15)

где Q (x) - целая часть частного.

Искомый многочлен циклического кода имеет вид:

 (2.16)

Здесь информационные символы представлены коэффициентами при x в степени q, и выше, а проверочные - коэффициентами при x в степени q-1 и ниже. Многочлен (2.16) представляет разрешенную комбинацию циклического кода и в соответствии с определением делится на образующий многочлен р (х) без остатка.

Действительно,

 (2.17)

Здесь учитывалось (2.15) и то, что при сложении по модулю два двух одинаковых многочленов в результате получается 0.

При делении многочлена запрещенной комбинации на образующий многочлен р (х) появляется остаток, который может быть использован для обнаружения и исправления ошибок.

Таблица 3

q

Вид неприводимого многочлена

N=2q-1

1

1


2

3


3

7


4

15


5

31


6

63


7

127


8

256


9

511


10

1023



Корректирующая способность циклического кода определяется видом образующего многочлена. Исходным при выборе этого многочлена является кодовое расстояние α, которым должен обладать формируемый циклический код. Величина α определяет необходимое количество проверочных символов в комбинации - степень образующего многочлена р (х). Многочлен р (х), кроме того, должен являться одним из неприводимых многочленов (многочленов, не делящихся ни на какой другой многочлен), являющихся сомножителями разложения бинома

 (2.18)

В таблице 3, заимствованной из [16], представлены все неприводимые многочлены до шестой степени включительно и некоторые многочлены от седьмой до десятой степени.

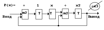
Рассмотрим в качестве примера процессы кодирования и декодирования циклическим кодом, содержащим к =4 информационных символов и имеющим кодовое расстояние α =3, то есть исправляющим однократные или обнаруживающим двукратные ошибки.

Для обеспечения α =3 кодовая комбинация должна содержать q =3 проверочных символа. При этом значностъ кода n=k+q=4+3=7. Из таблицы 3 выбираем образующий многочлен

p (x) = x3+x+1.

Предположим, что необходимо закодировать комбинацию 1011. Комбинации соответствует многочлен G (x) = x3+x+1. В соответствии со вторым из рассмотренных способов кодирования умножим этот многочлен на x3

x3G (x) = x6+x4+x3.

Разделим x3G (x) на р (х) и найдем остаток R (x)


Остаток R (x) = x2. Искомый многочлен F (x) = x3G (x) +R (x) =x6+x4+x3+x2, что соответствует двоичной комбинации 1011100.

Допустим, что при передаче оказался искаженным символ в шестом разряде комбинации, то есть принята комбинация 1111100. В процессе декодирования производится деление многочлена, соответствующего принятой комбинации, на образующий многочлен. Выполним это деление, пользуясь только коэффициентами многочленов:


Остаток, отличный от нуля, свидетельствует о наличии ошибки в принятой комбинаций. В рассматриваемом примере остаток может состоять из трех элементов (максимальная степень R (x) равна 2), которые в зависимости от номера искаженного символа образуют одну из семи комбинаций, не считая нулевой - 000. Следовательно, по виду остатка можно определить номер любого из 7 символов принятой комбинации, который окажется искаженным, и внести исправления.

Первый узел представляет собой сдвигающий регистр, не отличающийся какими-либо особенностями. Деление на неприводимый многочлен Р (х) рассмотрим подробнее. Из примера (2.19) видно, что деление заключается в последовательном сложении по модулю два делителя вначале со старшими членами делимого, затем со старшими членами (начиная с первого значащего члена) получившегося остатка, и так до тех пор, пока степень остатка не станет меньше степени делителя.

Такая последовательность операций при делении любого многочлена на многочлен P (x) может быть осуществлена сдвигающим регистром с обратными связями, образованными сумматорами по модулю два.

На рисунке 14 представлены функциональные схемы регистров с обратными связями, соответствующие различным неприводимым многочленам Р (х). Регистры содержат q ячеек (степень многочлена Р (x)) и (z-1) встроенных сумматоров по модулю два, где z - количество членов многочлена Р (х).

На каждую ячейку регистра подаются тактовые импульсы. На схеме эти цепи не показаны. Если записать многочлен P (x), начиная с младшего члена, перед которым поставить знак плюс, и старший член вместе со знаком плюс отбросить, то местоположение сумматоров по модулю два на функциональной схеме будет определяться этой записью. Сумматор для сложения старших разрядов многочлена P (x) и последовательности информационных символов не нужен, так как результат сложения старших разрядов делимого и делителя равен нулю (2.19).

P (x) =x2+x+1


P (x) = x3+x2+1


P (x) = x4+x+1

Рисунок 14

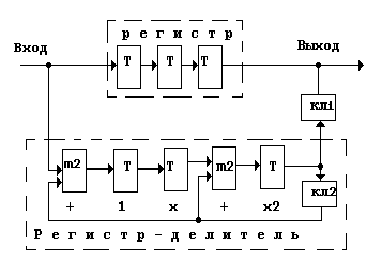
На рис.15 представлена схема кодирующего устройства циклического кода (7/4) с образующим многочленом P (x) =x3+x2+1.

Рисунок 15

Схема работает следующим образом. Информация на вход кодирующего устройства поступает в последовательном коде. Для деления многочлена xqG (x) в рассматриваемом примере требуется 7 тактов. В течение первых трех тактов оба регистра заполняются информационными символами (эта операция эквивалентна умножению G (x) на xq). Затем в течение последующих 4 тактов происходит деление информационной последовательности на образующий многочлен, и на выход поступают все 4 информационных символа комбинаций. Ключ 1 при этом закрыт, а ключ 2 открыт.

Остаток R (x) от деления многочлена xqG (x) на образующий многочлен фиксируется на элементах регистра-делителя. Далее ключ 2 закрывается, разрывая обратную связь и исключая влияние выхода регистра на его вход, а ключ 1 открывается. (С этого момента регистр-делитель превращается в обычный сдвигающий регистр, в котором записан остаток R (x)). В течение последних тактов на выход кодирующего устройства поступает остаток R (x). Таким образом, на выход кодирующего устройства поступает вся 7-разрядная комбинация, состоящая из первых 4 информационных и последующих 3 проверочных символов.

Под действием помех передаваемая комбинация циклического кода может быть искажена и тогда представляющий ее многочлен будет иметь вид

H (x) =F (x) +E (x), (2.20)

где Е (x) - многочлен, соответствующий вектору ошибки, содержащий единицы в тех разрядах, где произошли искажения.

В соответствии с определением циклического кода о наличии ошибок в принятой комбинации говорит неделимость ее многочлена на р (x), то есть неделимость без остатка H (x) на Р (x). Поэтому декодирующее устройство состоит из запоминающего регистра для записи всей принимаемой комбинации (многочлена H (x)), устройства для деления Н (x) на Р (x), устройства для стирания искаженной комбинации, записанной в запоминающем регистре, в случае работы декодирующего устройства в режиме обнаружения ошибок или устройства, исправляющего ошибки в случае работы в режиме исправления.

На рисунке 16 представлено декодирующее устройство циклического кода (7/4), исправляющего однократные ошибки (n=7, k=4, q=3). Принимаемая комбинация H (x) в течение 7 тактов записывается в запоминающий регистр и одновременно делится на образующий многочлен P (x) =x3+x2+1. Ключ закрыт. В результате деления при наличии в принятой комбинации искаженного символа в регистре-делителе будет зафиксировано двоичное трехразрядное число, равное остатку от деления многочлена H (x) на P (x). По виду этого остатка определяется номер искаженного информационного символа в комбинации.

Рисунок 16

Однократная ошибка в 7-разрядной кодовой комбинации может описываться одним из семи многочленов ошибок E (x):

à E (x) =x6 - ошибка в первом разряде;

à E (x) =x5 - ошибка во втором разряде;

…………………………………………………….

à E (x) =x - ошибка в шестом разряде;

à E (x) =1 - ошибка в седьмом разряде.

(В данном случае первый разряд является старшим, седьмой - младшим). При делении многочленов ошибок на P (x) имеет место следующее однозначное соответствие многочленов ошибок и остатков от деления:

à 110; 0010000 à 111

à 011; 0001000 à 101

Посредством дешифрования остатка от деления можно определить номер искаженного символа и исправить его. При этом, чтобы осуществить исправление любого из n символов кодовой комбинации, достаточно обеспечить дешифрирование всего одного из остатков.

Покажем это. Допустим, что после деления Н (х) получился остаток 110 (напомним, что для этого необходимо 7 тактов), соответствующий ошибке в первом разряде принятой комбинации (первый разряд является старшим). В этот момент все семь символов комбинации будут зафиксированы элементами запоминающего регистра. Ключ после окончания 7-го такта открывается.

Со следующим тактом (восьмым) первый символ комбинации, проходя устройство исправления ошибки (сумматор по модулю два, управляемый через ключ дешифратором), появляется на выходе декодирующего устройства. Под действием сигнала, поступающего с выхода дешифратора, который дешифрирует остаток 110, значение первого символа будет изменено на противоположное, то есть произойдет исправление ошибки.

Допустим, что после деления получился остаток 011 (искажен второй символ в принятой комбинации). Процессы, происходящие в регистре-делителе во время 8-то такта, удобно рассмотреть с помощью таблицы 4.

Таблица 4

Такты

Элементы регистра-делителя


Цепь обратной связи

x2

x

1

7


0

1

1

8                0 0

=110




 



0

0

0



1

1

0


В таблице в строке против цифры 7 отображено состояние элементов памяти регистра-делителя после 7 тактов (записан остаток 011). В первых двух строках против цифры 8 отображены переходные процессы, происходящие в элементах памяти и цепи обратной связи регистра-делителя в течение 8-го такта. Последняя строка свидетельствует о том, что в регистре-делителе остается записанной комбинация 110, которая дешифрируется с приходом 9-го такта и из запоминающего регистра выводится искаженный символ, который и исправляется.

Процессы, происходящие в регистре-делителе, в том случае, если был искажен 3-й символ комбинации (остаток 111), иллюстрируются таблицей 5.

Таблица 5

Такты

Элементы регистра-делителя


Цепь обратной связи

x2

x

1

7


1

1

1

8                1 1

=110




 



1

0

1



0

1

1

9                0 0

=110




 



0

0

0



1

1

0


На 8-м такте в цепи обратной связи появляется единица, которая с помощью сумматоров, стоящих перед первой ячейкой регистра и перед последней, складывается по модулю два с находящимися в этих ячейках символами.

После 9 тактов в регистре-делителе записана комбинация 110, которая дешифрируется на 10-м такте, то есть тогда, когда из запоминающего регистра выводится искаженный 3-й символ.

Аналогично могут быть исправлены ошибки и в других разрядах принятой комбинации.

Приведем здесь основные свойства циклических кодов [16]:

) Циклический код, образующий многочлен которого Р (x) содержит больше одного члена, обнаруживает все однократные ошибка.

) Циклический код, образующий многочлен которого Р (x) = x+1 обнаруживает однократные и все нечетные ошибки.

) Циклический код, образованный многочленом Р (x), обнаруживает все однократные и двукратные ошибки, если значность кода n меньше или равна степени l двучлена xl+1, где l - наименьшее число, при котором xl+1 делится на Р (x) без остатка.

) Циклический код, образованный многочленом вида P (x) = (x+1) Р’ (x), позволяет обнаружить все однократные, двукратные и трехкратные ошибки, если степень q’ многочлена Р’ (x) такова, что двучлен 2q+1 будет больше или равен числу элементов кодовой комбинации n.

) Циклический код, образованный многочленом Р (x) q, обнаруживает любой пакет ошибок длиной q. Пакетом ошибок длиной q называется группа из q единичных элементов, начинающаяся и оканчивающаяся ошибочными единичными элементами, в которой число правильных элементов, разделяющих два соседних ошибочных элемента, всегда меньше q.

) Для любых значений l и lи существует циклический код длины n=2l-1, исправляющий все ошибки кратности lи и менее и содержащий не более q=llи проверочных элементов.

2.2 Выводы


Корректирующие коды позволяют обнаруживать и исправлять ошибки, возникающие при передаче информации под воздействием помех. Обнаруживающие коды позволяют установить факт искажения принимаемой комбинации. Исправляющие коды позволяют установить номер позиции в кодовой комбинации, на которой находится искаженный элемент.

Важнейшей характеристикой корректирующих кодов является кодовое расстояние. Корректирующие коды характеризуются также коэффициентом избыточности, количеством обнаруживаемых и исправляемых ошибок, коэффициентами обнаружения и исправления ошибок, вероятностями появления обнаруживаемых и необнаруживаемых ошибок.

Наибольшее применение находят коды Хэмминга и циклические коды. Наибольшей корректирующей способностью обладают циклические коды. Они позволяют осуществить практически любое заданное кодовое расстояние. Дополнительным их преимуществом является сравнительно простая реализация кодирующих и декодирующих устройств.

Таким образом, с учетом вышеизложенного, для проектируемой системы передачи информации с целью повышения помехозащищенности будем использовать коды Хэмминга. При этом корректирующее кодирование должно осуществляться до процесса формирования сложного сигнала, и дополнительной модуляции подвергаются как информационные, так и проверочные символы передаваемой комбинации.

3. Выбор и обоснование функциональной схемы радиотехнической системы


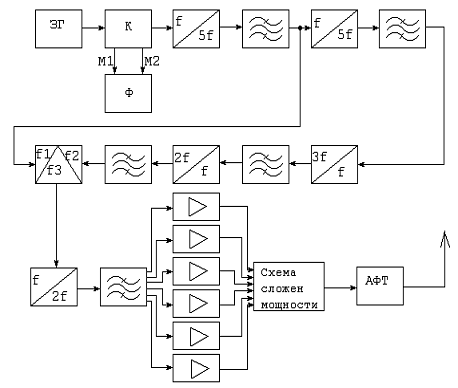
На рисунке 17 изображена структурная схема передающего устройства связи с непрерывным излучением.

Рисунок 17

Формирование сигналов в этом устройстве осуществляется следующим образом. От источника сообщений очередное сообщение в виде двоичной безызбыточной комбинации поступает в блок помехоустойчивого кодирования, в который в соответствии с используемым помехоустойчивым кодом к информационным символам комбинации добавляются избыточные проверочные символы. Далее полученная комбинация помехоустойчивого кода в виде последовательности видеоимпульсов поступает в устройство формирование комбинаций какого-либо частотного кода. Здесь осуществляется вторая ступень модуляции - частотная манипуляция. Комбинация частотного кода поступает на вход модулятора передатчика, где осуществляется амплитудная модуляция несущих колебаний. С выхода передатчика сигнал КИМ-ЧМн-АМ поступают в антенну передающего устройства.

На рисунке 18 представлена структурная схема приемного устройства канала связи. Сигналы КИМ-ЧМн-АМ, принятые антенной, поступают на вход приемника, где производятся их усиление, преобразование и выделение посылок комбинации частотного кода. Далее в декодирующем устройстве осуществляется преобразование комбинации частотного кода в последовательность двоичных символов помехоустойчивого кода. В блоке проверки на достоверность осуществляется проверка условий, которым должны удовлетворять проверочные символы, и исправление искаженных информационных символов.

Рисунок 18

В случае положительных результатов проверки и исправления всех искаженных символов комбинация направляется к потребителю сообщений. При отрицательных результатах проверки и невозможности исправить все искаженные символы осуществляются операции в соответствии с логикой работы радиолинии.

3.1 Выбор и обоснование функциональной схемы радиопередающего устройства


При составлении функциональной схемы прежде всего надо выбрать выходные параметры задающего генератора - частоту и ее стабильность, а также выходную мощность сигнала. Эти параметры выбираются исходя из заданных стабильности и частоты выходного сигнала передатчика, а мощность - в зависимости от типа активного прибора задающего генератора. При этом стабильность генератора обычно задают на порядок или в несколько раз выше, чем стабильность выходного сигнала, а частоту - из условия удобства последующего ее преобразования в заданное значение несущей частоты и из возможности технической реализации.

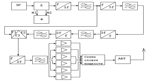
Обычно частоту задающего генератора выбирают стандартной: 100кГц, 1МГц, 5МГц, 10МГц, 100МГц с таким расчетом, чтобы несущую частоту получить либо с минимальным общим коэффициентом умножения, либо наиболее простым преобразователем. Однако в любом случае частоту задающего генератора не рекомендуется выбирать больше 100МГц, так как с увеличением частоты трудно обеспечить ее высокую стабильность. Если представляется возможным выбрать fзг = 100МГц, то процесс формирования требуемой несущей частоты fнес = 3100МГц довольно прост и иллюстрируется на рис 16, не требующем дополнительных пояснений.

Рисунок 16

Но при такой частоте задающего генератора мы не можем обеспечить требуемую стабильность частоты, а также реализовать коэффициент умножения nу = 31 на одном каскаде в принципе можно (например, на клистроне или ЛБВ), но это приводит к чрезмерному росту энергопотребления, габаритов, массы и т.д. Здесь целесообразнее пойти другим путем. Выберем частоту задающего генератора fзг=10МГц. Наиболее близким к исходному числу и кратным 10 является число 1550. Сигнал с такой частотой получим путем суммирования двух частот: f1=50МГц и f2=1500МГц, каждая из которых легко получается прямым умножением на простые множители. Умножив частоту суммарного сигнала на 2, получим требуемый выходной сигнал. Функциональная схема такого преобразователя частоты будет иметь вид, показанный на рисунке 17.

Рисунок 17.

Так как суточная нестабильность частоты , в качестве задающего генератора выбирается автогенератор с кварцевой стабилизацией частоты. Так как стабильность существенно зависит от мощности, рассеиваемой на кварце, то обычно их выходная мощность не превышает нескольких десятков милливатт у транзисторных генераторов и нескольких милливатт у генераторов на туннельных диодах.

Для усиления мощности сигнала на выходе передатчика до требуемого значения в качестве оконечного устройства используется многокаскадный усилитель мощности. Вследствие высокого значения рабочей частоты и большой выходной мощности по предъявленным требованиям к передатчику, усилитель мощности строится на нескольких каскадах, каждый из которых имеет свой усилительный прибор - электронную лампу. С выхода каскадов сигнал поступает на схему сложения мощностей, а далее суммарный выходной сигнал поступает в антенно-фидерный тракт.

При выборе типа прибора выделяют одно или несколько требований, считая их определяющими. Для усилителей оконечных каскадов передатчика главным являются выходная мощность, рабочая частота или полоса рабочих частот и КПД, так как выходной каскад в основном и определяет общий КПД передатчика. Для промежуточных каскадов передатчика главным требованием является получение большого коэффициента усиления по мощности. Для бортовой аппаратуры, что немаловажно, существенное значение имеет средняя мощность за единицу массы и объема, а также высокий КПД из-за ограничений возможностей источников питания и устройств для отвода тепла.

Функциональная схема радиопередающего устройства, удовлетворяющая заданным требованиям, представлена на рисунке 18.

Рисунок 18. Функциональная схема радиопередающего устройства.

3.2 Выбор и обоснование функциональной схемы приемного устройства


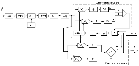
Рисунок 19. Структурная схема оптимального приемника

Высокие требования к обеспечению чувствительности приемника, и его избирательности  по соседнему каналу приводят к тому, что обычно выбирается супергетеродинная схема в соответствии с рисунком 19.

3.2.1 Расчет полосы пропускания приемника

Полоса пропускания П0,7 складывается, как известно [1], из эффективной ширины спектра полезного сигнала Пс и запаса на нестабильность принимаемой частоты fс и нестабильность параметров самого приемника Пн, то есть:

.

Для импульсных сигналов длительностью значение Пс определяется как

.

Нестабильность Пн - носит случайный характер и определяется

,

где  и  - статистические независимые частоты принимаемого сигнала и сигнала гетеродина приемника соответственно, а  и  - случайные уходы этих частот от номинальных значений.

Величины  можно определить так [2]

,

где α - относительная нестабильность частоты,

f0 - частота гетеродина или сигнала.

Для простоты сигнала примем , а величину α определим по таблице [2].

Так как то есть , то относительную нестабильность в диапазоне принимаемых частот определим [2] . Такую нестабильность имеют регенеративные усилители СВЧ, выполненные на туннельных диодах.

Таблица 6

Тип генератора

Относительная нестабильность в диапазоне


Ниже 30МГц

Выше 30МГц

Транзисторный

Однокаскадный

Без кварцевой стабилизации

10-3 - 10-4

10-2 - 10-3



С кварцевой стабилизацией

10-5 - 10-7

_________


Многоканальный с умножителем частоты и с кварцевой стабилизацией

10-6 - 10-7

10-5 - 10-7

На туннельном диоде

_________

3*10-4 - 10-5

На отражательном клистроне

_________

2*10-3 - 10-6


Относительная нестабильность генераторов fс=1,2ГГц.

С учетом последних замечаний, определим Пн, так

.

Для широкополосных приемников с АПЧ полоса пропускания будет выбираться из условия [1]:

,

где  - коэффициент автоподстройки частоты, равной =20.50 [2].

Однако, учитывая, что схемы АПЧ разделяются на схемы с частотной автоподстройкой (ЧАП) и фазовой автоподстройкой частоты (ФАП), выберем последнюю, так как она обрабатывает расстройку частоты без ошибки с точностью до фазы.

Для схемы ФАП*= ∞, поэтому

,

то есть окончательно имеем


3.2.2 Выбор промежуточной частоты

Величина промежуточной частоты fпр выбирается из следующих соображений: промежуточная частота не должна находится в диапазоне рабочих частот приемника; промежуточная частота не должна совпадать с частотой близко расположенного передатчика; промежуточная частота должна обеспечить простоту разделения модулирующей и несущей частот на выходе детектора.

Для приемников амплитудной, частотной и фазовой модуляции кроме того должно выполнятся условие [3]


Во всех случаях промежуточная частота должна обеспечивать техническую осуществимость УПЧ из условия [3]


где  - достижимое затухание выходного контура УРЧ.

В соответствии с [2] выберем =0.01, тогда получим следующие соотношения:


С другой стороны, как отмечается в [3], для многоканальных электрооптических ПВМС, использующих эффект Паккельса на длине оптической волны рекомендуется выбирать частоты, подаваемые на электроды канальных модуляторов ПВМС, в пределах


так как на этих частотах минимально взаимовлияние каналов ПВМС (не более 5%).

Учитывая полученные расчеты и рекомендации, изложенные в [3], принимаем


3.2.3 Расчет чувствительности радиоприемного устройства

Различают реальную и предельную (пороговую) чувствительности приемника. Для оценки качества приемника служит предельная чувствительность.

Вместе с тем, расчеты предельной чувствительности РОАР, проведенные в [3], показывают, что основная доля шумов в любом случае приходится на ее радиоприемную часть, то есть на РОАР и приемные модули. При этом отмечается, что предельная (пороговая) чувствительность РОАР примерно равна , проверим предельную чувствительность рассчитываемого РПрУ. Как следует из [4], в сантиметровом диапазоне волн предельная чувствительность РПрУ определяется выражением:


где  Дж/град - постоянная Больцмана;

-  - стандартная температура по шкале Кельвина;

- Пш - коэффициент шума приемника;

-  - относительная шумовая температура антенны.

Шумовая полоса Пш определяется как , то есть


Коэффициент шума РПрУ определяется как [4]


где Тш - шумовая температура приемника, Тш=490К.

Отсюда следует:


Учитывая, что по заданию , определим , то есть


Сравнивая полученные значения  с экспериментальным значением, приведенным в [3], то есть  Видим, что результаты практически совпадают, при этом следует отметить, что теоретически предельная чувствительность РОАР может быть значительно выше.

Определим реальную чувствительность радиоприемного модуля. Как известно, она характеризуется той минимальной мощностью сигнала на выходе АР , при которой обеспечивается нормальное функционирование в данном случае ПВМС. Эта чувствительность определяется как [4]:


где  - коэффициент превышения полезного сигнала над шумами (коэффициент различимости).

В случае РОАР этот коэффициент определяется мощностью, которая необходима для обеспечения работы ПВМС. Ориентировочно он задан в виде =90, поэтому


Эта же чувствительность, но в единицах напряжения, определяется по формулам [4]


где  - выходное сопротивление антенны (или фидера, соединяющего антенну с приемным модулем).

Обычно  - стандартная величина, равная, например, =50Ом, тогда


3.2.4 Расчет частот соседнего и зеркального каналов

Рассчитаем соседний и зеркальный канал РПрУ.

Соседний и зеркальный каналы - это временные паразитные каналы РПрУ РОАР.

Величину средней частоты соседнего канала (СК) необходимо знать для расчета избирательности УПЧ по соседнему каналу  рисунок 20.

Рисунок 20

Обычно значения fск рассчитывают по формуле [2]


где  - защитный интервал по частоте от соседних каналов;

 - расстройка соседнего канала.

Величина интервала  различна для каждой системы связи и определяются условием электромагнитной совместимости частот генераторов, качеством избирательных (временных) фильтров. Обычно . Выберем


Зеркальный канал (ЗК) возникает в приемнике из-за наличия в нем преобразователя частоты. Однако бороться с ним необходимо во входных цепях РПрУ.

Частота зеркального канала отстоит от частоты  на величину  симметрично частоте гетеродина , то есть:


где знак "+" соответствует верхней настройке гетеродина, а "-" - нижней.

Расстройка зеркального канала по частоте равна в данном случае:


Следует отметить, что в РПрУ РОАР часто применяется двойное преобразование частоты


3.2.5 Расчет коэффициента усиления приемника

Общий коэффициент усиления приемного модуля по напряжению определяется как [2]


где  - амплитуда напряжения, подаваемого на отдельное волокно ПВМС;

 - коэффициент запаса усиления.

Как отмечалось в параграфе п.2.1., на отдельное волокно выбранного многоканального ПВМС необходимо подавать напряжение 1В. Величина  обычно принимается равной [2] =2.3Ом. Учитывая старение усилительных приборов (УП), расстройку контуров, колебание питающих напряжений и другое, выберем =2.

Подставляя требуемые величины, получим


Таким образом, коэффициент передачи по напряжению .

Требуемая величина коэффициента усиления по напряжению для УПЧ определяется из выражения:


Если величины , ,  не рассчитаны, то предварительно можно принять такое распределение усиления по каскаду, что


3.3 Расчет параметров корректирующего кода


Так как в проектируемом устройстве для повышения помехозащищенности используется код Хэмминга, необходимо рассчитать его параметры. Как известно, основными параметрами корректирующих кодов являются количество информационных и проверочных символов кодовой комбинации.

Исходными данными для расчета является минимальное кодовое расстояние dmin между разрешенными комбинациями и количество сообщений, передаваемых системой.

Количество сообщений, передаваемых системой, определяет количество разрешенных (безызбыточных) кодовых комбинаций . Известно, что количество разрешенных комбинаций определяется формулой:

,

где k - количество информационных символов комбинации. Таким образом, можно рассчитать количество информационных символов:

, , .

Рассмотрим преобразование 7-элементного безызбыточного кода в код Хэмминга. У кода Хэмминга d=3. Известно, что для обеспечения такого кодового расстояния должно выполняться неравенство:

.

С учетом того, что r = n - k, проведем следующие преобразования:

;

;

;

.

При k=7 получаем: n=11, r=4.

Из приведенных выше соотношений сформируем правила вычисления синдрома проверки:


Проведем расчет достоверности передачи информации при использовании кода Хэмминга.

Так как код исправляет одиночные ошибки, для правильного приема комбинации необходимо, чтобы она либо была принята безошибочно, либо с одной ошибкой. Поэтому вероятность правильного приема комбинации можно определить по формуле:

.

Так как вероятность ошибочного приема комбинации в этом случае (0,004) получилась меньше заданной, проектируемая система будет удовлетворять предъявляемым к ней требованиям.

Таким образом, основные параметры используемого корректирующего кода рассчитаны, и можно приступать к формированию функциональной схемы кодирующего устройства.

3.4 Разработка кодирующего устройства четырехсимвольного бинарного кода


3.4.1 Функциональная схема кодирующего устройства

На рисунке 21 представлена структурная схема устройства формирования комбинаций четырехсимвольного частотного бинарного кода. Устройство состоит из регистра передаваемого сообщения, формирователя последовательности видеоимпульсов, соответствующих двоичным единицам и нулям, схемы определения четности или нечетности следующих подряд двоичных единиц, схемы определения четности или нечетности следующих подряд двоичных нулей, генераторов кодирующих частот F1, F2, F3, F4 и сумматора.

Рисунок 21


Устройство работает таким образом. Передаваемое сообщение в виде двоичной комбинации какого-либо помехоустойчивого кода записывается в регистр передаваемого сообщения. Формирователь последовательности единиц и нулей поочередно "опрашивает" разряды регистра и в соответствии с их состоянием формирует видеоимпульсы, по длительности равные информационным посылкам, или на шине единиц, или на шине нулей. Видеоимпульсы, соответствующие единицам, поступают на вход схемы определения четности единиц. Видеоимпульсы, соответствующие нулям, поступают на вход схемы определения четности нулей. Выходы обоих схем объединяются с помощью сумматора. Обе схемы работают таким образом, что если единицы чередуются с нулями (видеоимпульсы попеременно появляются на шине единиц и шине нулей), на выходе сумматора единицам соответствуют посылки частоты F1, а нулям - посылки F3.

Если следует группа одних единиц, то всем нечетным единицам в этой группе на выходе устройства соответствуют посылки частоты F1, а четным - посылки частоты F2. если чередует группа одних нулей, то всем нечетным нулям в группе соответствуют посылки частоты F3, а четным посылки частоты F4.

На рисунке 22 представлена функциональная схема устройства формирования комбинаций четырехсимвольного частотно-бинарного кода.

-

Рисунок 22

На схеме показаны состояния триггеров регистра, соответствующие записанной в нем комбинации. Если в данном разряде регистра записана двоичная единица, то на неинвертирующем выходе триггера устанавливается высокий потенциал, а на инвертирующем выходе - низкий. Если записан двоичный нуль, то на инвертирующем выходе триггера устанавливается низкий потенциал, а на инвертирующем - высокий.

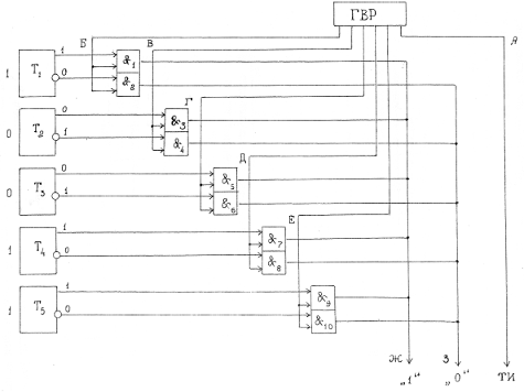
Формирователь последовательности единиц и нулей состоит из генератора временной развертки (ГВР), логических элементов И &1-&10, шины Ж единиц и шины З нулей.

На рисунке 23 представлены временные диаграммы, иллюстрирующие работу формирователя.

Рисунок 23


При кодировании на выходе А ГВР появляются тактовые импульсы и поочередно и каждом из выходов Б…Е по одному видеоимпульсу. Длительность каждого видеоимпульса равна длительности информационной посылки. Задний фронт каждого видеоимпульса совпадает с передним фоном очередного видеоимпульса. Видеоимпульсами "опрашиваются" разряды регистра: первым видеоимпульсом - первый разряд, вторым видеоимпульсом - второй разряд и т.д. При "опросе" первый видеоимпульс ГВР поступает на выходы элементов &1, &2. Второй вход элемента &1 соединен с неинвертирующим выходом триггера Т1 и в соответствии с единичным состоянием триггера находится под высоким потенциалом. Поэтому первый видеоимпульс ГВР появляется на выходе элемента &1 и на соединенной с ним шине единиц Ж. Второй видеоимпульс поступает на выходы элементов &3, &4. Второй вход элемента &4 соединен с инвертирующим выходом триггера Т2 и в соответствии с нулевым состоянием триггера находится под высоким потенциалом. Поэтому второй видеоимпульс ГВР появляется на выходе элемента &4 и на соединенной с ним шине нулей З. Аналогично производится опрос остальных разрядов регистра.

На рисунке 24 представлена схема, определяющая четность единиц, с соединенными с ней генераторами кодирующих частот.

Рисунок 24


Схема состоит из логических элементов И &1-&4, триггера Т и вентильных элементов &5, &6. Работа схемы иллюстрируется временными диаграммами, представленными на рисунке 25.

Рисунок 25


Счетный вход триггера Т через элемент &1 соединен с шиной единиц, вход триггера, устанавливающий его ноль, через элемент &2 соединен с шиной нулей. При появлении на шине единиц первого видеоимпульса на неинвертирующем выходе А триггера Т устанавливается высокий потенциал, при этом высокий потенциал устанавливается и на выходе В элемента &3. Вентильный элемент &5 открывается, и на его выходе Д появляется посылка частоты F1.

Если видеоимпульсы на шине единиц следуют подряд друг за другом, то при появлении такого импульса, соответствующего окончанию первой двоичной единицы и началу второй, триггер Т меняет свое состояние, при этом высокий потенциал появляется уже на его инвертирующем выходе Г элемента частоты &4.

Вентильный элемент &5 закрывается, а элемент &6 открывается, и на его выходе Е появляется посылка частоты F2. При отсутствии видеоимпульсов на шине единиц и появлении их на шине нулей схема, определяющая четность единиц, отключается и начинает работать аналогичная схема определения четности нулей.

С учетом рассчитанных выше параметров функциональная схема кодирующего устройства четырехсимвольного бинарного кода имеет вид, представленный на рисунке 26.

Рисунок 26


3.4.2 Принципиальная схема кодирующего устройства

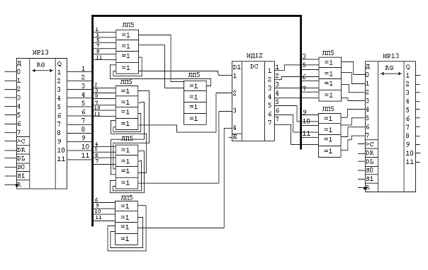
Для построения принципиальной схемы декодирующего устройства воспользуемся интегральными микросхемами серии К155 ввиду их достаточно высокой надежности, низкой стоимости, высокого быстродействия и низкого энергопотребления.

В качестве регистров, в которые записывается принятая комбинация до и после декодирования, должны использоваться регистры с возможностью параллельного ввода-вывода информации. Выберем в качестве таких регистров К155 ИР13, так как они устраивают нас по количеству ячеек и способу ввода-вывода информации. В качестве дешифратора должен быть выбран такой, у которого было бы четыре входа и, как минимум, семь выходов. Выберем дешифратор К155 ИД12, таблица истинности которого имеет вид:

Таблица 7.

Е

Д14

Д12

Д11

Выходы





0

1

2

3

4

5

6

7

0

0

0

0

1

0

0

0

0

0

0

0

0

0

0

1

0

1

0

0

0

0

0

0

0

0

1

0

0

0

1

0

0

0

0

0

0

0

1

1

0

0

0

1

0

0

0

0

0

0

0

0

0

0

0

1

0

0

0

0

1

0

1

0

0

0

0

0

1

0

0

0

1

1

0

0

0

0

0

0

0

1

0

0

1

1

1

0

0

0

0

0

0

0

1

1

Х

Х

Х

0

0

0

0

0

0

0

0


В качестве сумматоров по модулю два выберем логические элементы "исключающее ИЛИ" К155 ЛП5, так как логика их работы соответствует логике работы сумматора. Микросхема К155 ЛП5 содержит четыре элемента "исключающее ИЛИ", поэтому для построения принципиальной схемы потребуется семь таких микросхем, включая схему исправления ошибок. С учетом вышесказанного, принципиальная схема кодирующего устройства кода Хэмминга примет вид, представленный на рисунке 27.

Восьмиразрядный универсальный регистр сдвига К155 ИР13 обеспечивает синхронное функционирование в следующих режимах: параллельный ввод, последовательный ввод со сдвигом вправо и последовательный ввод со сдвигом влево. Режим выбирают заданием соответствующего кода на входе S в соответствии с таблицей 8.

Рисунок 27.

Синхронизирующие и информационные входы разработанной схемы имеют следующий смысл:

С - синхронизация, вход тактовых импульсов

Q - величина, параметр

R - сброс, вход обнуления

DR - запись данных

DL - вход сдвига данных влево

E - разрешение, вход разрешения эмиттер.

Таблица 8

S0

S1

Режим

0

0

Хранение

0

1

Сдвиг влево

1

0

Сдвиг вправо

1

1

Параллельный ввод


В режиме параллельного ввода информация, представленная в параллельном коде на входе Д, записывается в регистр по положительному фронту тактового импульса на входе С. При этом R=1, а состояния других входов, кроме режимных, могут быть произвольными. Для последовательного ввода и сдвига в одну из сторон информация подается поразрядно на выбранный вход DR или DL (DR - сдвиг вправо, DL - сдвиг влево).

Таким образом, разработанная схема удовлетворяет исходным данным на дипломное проектирование и осуществляет исправление однократной ошибки.

4. Технико-экономические обоснования кодирующего устройства


4.1 Производственные затраты


Производственные затраты  на создание одного стенда равны сумме связанных с этим процессом всех видов издержек.

,

где - материальные издержки;

 - издержки на оплату персонала;

 - калькуляционные издержки;

 - издержки на оплату услуг сторонних организаций.

4.2 Материальные издержки


Материальные издержки, связанные с изготовлением стенда равны сумме

,

где - стоимость материалов;

 - стоимость основных материалов;

 - стоимость вспомогательных материалов;

 - стоимость технологических материалов;

 - стоимость покупных изделий.

4.3 Стоимость материалов


С учетом инфляции и индексов роста цен на отдельные материалы суммарная стоимость материалов равна

,

где - основная 3П ПР;  - тарифная заработная плата (ЗП) производственных рабочих (ПР);  - периодические доплаты;  - постоянные надбавки;

 - дополнительные издержки;

 - законодательные социальные издержки;  - социальные издержки согласно тарифному соглашению;

 - прочие издержки.

Суммарные издержки на оплату труда определяются


Таким образом, суммарные издержки по оплате труда персоналу равны


4.4 Калькуляционные издержки


Калькуляционные издержки, связанные с изготовлением изделия равны

,

где - амортизационные отчисления;

 - калькуляционные проценты;

 - калькуляционный риск.

Таким образом, с учетом инфляции, роста тарифов и зарплаты калькуляционные издержки равны


4.5 Издержки на оплату услуг сторонних организаций


Сумма выплат за услуги сторонних организаций может быть определена по модели

,

где - расходы на НИР и ОКР;  - внепроизводственные расходы;  - операционные издержки;  - торгово-административные издержки;  - маркетинговые издержки.

Таким образом, расчет  может быть осуществлен по моделям


Учитывая что , а  определяем издержки на оплату услуг сторонних организаций. Тогда получаем:


Суммарные издержки на оплату сторонних организаций равны

4.6 Стоимость реализации проекта


Итак производственные затраты составляют (стоимость реализации проекта).



4.7 Эксплуатационные расходы


В общем случае эксплуатационные расходы могут быть с достаточной точностью вычислены по модели

4.7.1 Издержки на оплату труда персонала


,

где  - оклад специалиста 1-й квалификации, обслуживающего изделия;  - сумма окладов специалистов;  - суммарные выплаты основной зарплаты;  - постоянные надбавки;  - периодические доплаты;

 - дополнительные издержки.

 - социальные издержки в соответствии с законодательством;

 - социальные издержки согласно тарифному соглашению;

Суммарные издержки на оплату труда персонала равны


Пусть изделие обслуживают два специалиста с окладами , тогда суммарные издержки оплаты персонала составят


4.7.2 Амортизационные отчисления

Сумма амортизационных отчислений вычисляется в зависимости от условий эксплуатации по видам:

- для наземного оборудования

,

где  - цена изделия;

 - норма амортизационных отчислений в %.

Тогда получаем


4.7.3 Затраты на техническое обслуживание и ремонт.

Затраты на ТО и Р могут быть вычислены по модели


где  - цены элементов j-го типа заменяемых в процессе ремонта проектируемого изделия;

 - количество элементов j-го типа в проектируемом изделии;

 - интенсивность отказов за год деталей j-го типа в проектируемом изделии.

Так, например, для изделия состоящего из j=255 элементов, а средняя интенсивность отказов, которых равна 0.0001, расходы на ТО и Р будут равны


4.7.4 Расходы на электроэнергию

Расходы на потребляемую электроэнергию определяются только для наземной аппаратуры. Они определяются исходя из потребляемой мощности прибора и количества часов его наработки в течение года по модели

,

где  - время наработки изделия в течение года;

 - цена 1КВт/час;

W - мощность проектируемого изделия.

Предположим, что потребляемая мощность для проектируемого устройства равна W=2КВт/ч, цена 1КВт/ч=5.5руб., а наработка в часах за год , тогда расходы на электроэнергию составляет


Итак, расходы на электроэнергию составляют

Зная, все необходимые данные мы можем вычислить сумму эксплуатационных расходов


Основными экономическими требованиями к качеству проекта являются прогрессивность и приемлемость величин экономических затрат, а также показателей экономической оценки эффективности инвестиций, осуществляемых в ходе реализации проекта.

Заключение


Разработанная в настоящем проекте система передачи цифровой информации удовлетворяет исходным данным на проектирование. Для повышения вероятности передачи в разработанной системе использовались сложные сигналы и циклические коды.

Результаты анализа системы показывают высокую достоверность и скрытность передачи. Однако в результате использования корректирующих кодов несколько снижается скорость передачи.

Разработанная система может использоваться в комплексах управления войсками и оружием РВСН. Кроме того, данная система может быть использована в навигационных, радиолокационных и других комплексах гражданского назначения.


Литература


1. Рачков С.А. Радиоприемные устройства ч.2. МО СССР, 1983. - 147с.

. Рачков С.А., Тараев В.Н. Радиоприемные устройства. Методическое пособие для курсового проектирования. МО СССР, 1982. - 100с.

. Воскресенский Д.И., и др. Радиооптические антенные решетки - М: Радио и связь, 1985. - 240с.

. Рачков С.А. Радиоприемные устройства ч.1. МОСССР, 1982. - 130с.

. Лопатин В.Ф. Радиоприемники передачи информации. Учебное пособие. - М.: МО СССР, 1983. - 292с.

. Окунь Е.Л. Радиопередающие устройства - М.: Сов. Радио, 1973. - 74с.

. Зюко А.Г. Помехоустойчивость и эффективность систем передачи информации - М: Радио и связь, 1985. - 79с.

. Алексеев О.В. Широкополосные передающие устройства - М.: Связь, 1978. - 158с.

. Коробкин М.С. Кодирование и передача дискретных сообщений в системах связи - М.: Наука, 1976. - 196с.

. Шувалов В.П., Захарченко Н.В. Передача дискретных сообщений. Учебник для студентов институтов связи - М.: Радио и связь, 1990. - 460с.

. Маркова В.В. Передача сообщений - М.: Связь, 1973. - 431с.

. Должанская В.С. Передача информации по радиоканалам, содержащие статистически неоднородные среды - М.: Наука, 1978. - 239с.

. Лубенцов Д.Д. Передача цифровой информации по каналам с памятью - М.: Наука, 1970. - 176с.

Список принятых сокращений


АМ

- амплитудная модуляция

АПЧ

- автоподстройка частоты

БИК

 - бинарный импульсный код

ВИК

 - временной импульсный код

ГВР

- генератор временной развертки

ЗП

- заработная плата

ИИ

- информационный импульс

ИПИК

- информационный позиционный импульсный код

КИМ

- кодоимпульсная модуляция

КПД

- коэффициент полезного действия

ПБИК

 - позиционно-бинарный импульсный код

ПВИК

 - позиционно-временной импульсный код

ПВМС

-

ПИК

 - позиционный импульсный код

ПР

- производственный рабочий

ПРД

- передатчик

ПРМ

- приемник

ПСП

- псевдослучайная последовательность

РВСН

- ракетные войска стратегического назначения

РОАР

- радиооптическая антенная решетка

РПрУ

- радиоприемное устройство

СВЧ

- селектор высокой частоты

СИ

- синхронизирующий импульс

СК

- соседний канал

СПИК

- синхронизирующий позиционный импульсный код

ТО и Р

- техническое обслуживание и ремонт

УПЧ

- усилитель промежуточной частоты

ФАП

- фазовая автоподстройка

ФМн

- фазовая манипуляция

ЧАП

- частотная автоподстройка

ЧМн

- частотная манипуляция

ШШС

- широкополосный шумоподобный сигнал


Похожие работы на - Исследование систем передачи цифровой информации повышенной помехозащищенности с использованием одночастотных псевдослучайных сигналов

 

Не нашли материал для своей работы?
Поможем написать уникальную работу
Без плагиата!
Без нейросетей!