Исследование системы управления цифрового исполнительного устройства фирмы Metso
Курсовая
работа
по
дисциплине: «АТПиП»
на тему:
Исследование
системы управления цифрового исполнительного устройства фирмы Metso
Оглавление
Введение
Глава
1. Характеристика лабораторной установки
Глава
2. Характеристика систем автоматизации
.1
Техническое обеспечение системы контроля параметров
.2
Характеристика системы управления исполнительным устройством
Глава
3. Исследование системы управления исполнительным устройством
.1
Методика исследования
.2
Вывод о качестве системы управления
Список
литературы
Введение
Для улучшения эксплуатационных качеств
регулирующих клапанов они оснащаются исполнительными механизмами с позиционером
и ручным дублером привода. Позиционеры являются комплектующими изделиями
исполнительных механизмов. Они предназначены для управления пневматическими
поршневыми или пружинно-мембранными исполнительными механизмами,
пропорционально входному электрическому сигналу и уменьшения рассогласования
хода исполнительного механизма путем введения обратной связи по положению выходного
звена.
Позиционеры подразделяются на: пневматические,
электропневматические, цифровые.
Основные характеристики цифрового позиционера:
прочная и надежная конструкция, простота использования, выбор языка в
настройках локального интерфейса (английский, немецкий или французский), работа
на местах и дистанционное управление, модифицируемая конструкция,
усовершенствованная диагностика прибора, самодиагностика, оперативная
диагностика, диагностика эксплуатационных характеристик, диагностика передачи
данных, расширенные возможности независимого тестирования, интеллектуальная
система диагностики Valve,
сменные варианты передачи данных (HART,
на основе шины FieldBus,
Profibus
PA).
Цифровые позиционеры широко используются в
системах автоматического регулирования и дистанционного управления
технологическими процессами в нефтеперерабатывающей, нефтехимической, газовой,
криогенной, целлюлозно-бумажной и других отраслях промышленности.
Это обусловлено способностями позиционера
регулировать положение клапана с приемлемой точностью и управлять ходом
технологического процесса, собирать и анализировать данные о характеристиках и
производительности клапана, а также осуществлять диагностику как позиционера,
так и всего клапана в сборе. Для правильного выбора регулирующего клапана
применяется программное обеспечение Nelprof.
Технические характеристики цифровых позиционеров
постоянно улучшаются, что в свою очередь увеличивает производительность
процесса, позволяя достигать большей рентабельности.
Интеллектуальный клапанный контроллер Neles
ND9000 (позиционер)
записывает и сохраняет данные в течение всего срока службы прибора. Эффективная
и безотказная работа производства обеспечивается наличием внутренней
самодиагностики процесса и процессов передачи данных благодаря широким диагностическим
возможностям, предоставляемым этим прибором с прочной и надежной конструкцией,
с локальным интерфейсом, удобным подключением кабелей и простой настройкой.
Главным достоинством этого нового, лучшего в своей категории, позиционера
является возможность его использования как с новыми, так и с уже имеющимися
комплектами регулирующих клапанов на любых процессах в любой отрасли
промышленности.
Специалистами фирмы Metso
Automation разработаны
автоматические системы управления и мониторинга запорно-регулирующей арматуры,
наиболее прогрессивной из которых является Neles
FieldCare.
Возможность успешного внедрения системы
мониторинга Neles
FieldCare базируется на
интеллектуальных КИП, таких как клапанный контроллер Neles
ND9000, Neles
ValvGuard, Neles
SwitchGuard.
Neles
FieldCare - это полностью
открытое программное обеспечение на основе технологии FDT/DTM,
обеспечивающее точную передачу информации о процессе при вводе в эксплуатацию,
эксплуатации или ремонте. Neles
FieldCare - это единый
инструмент, который дает возможность отслеживать любой прибор с большинством
протоколов передачи данных, его интернет-интерфейс позволяет распространять
информацию по сети в режиме реального времени.
Оперативная информация, предоставляемая Neles
FieldCare при рабочих условиях
процесса, а также возможность просматривать и сохранять данные, позволяют
достигнуть высокой точности в прогнозировании состояния прибора. Neles
FieldCare снижает общие
затраты на оборудование, так как она может управлять любым прибором с любым
протоколом передачи данных и помогает планировать обслуживание оборудования.
Глава 1. Характеристика лабораторной
установки
Лабораторный стенд (рис. 1) предназначен для
изучения студентами кафедры ИТСУ цифрового позиционера серии ND9000
фирмы Меtsо Automation,
его конструктивных особенностей, а так же программного обеспечения
используемого с позиционером. Позиционер серии ND9000
является одной из последних разработок фирмы Меtsо
Automation, предназначенной
для управления клапанами. Стенд имеет информационную панель на которой студенты
могут получить следующую информацию: этапы развития и конструктивные
особенности всех позиционеров фирмы Меtsо
Automation, конструкции
приводов (исполнительные механизмы), обзор трубопроводной арматуры, а так же
подробное описание работы и конструктивных особенностей позиционера ND9000
с двухмембранным приводом серии Е и регулирующим бесфлянцевым сегментным
клапаном R серии.
Стенд с клапаном, оснащенным цифровым
позиционером предназначен для изучения технической структуры позиционера ND9000,
его конструкции и программного обеспечения используемого с позиционером.
Стенд представляет собой стол, на котором
закреплено исполнительное устройство состоящее из следующих элементов:
сегментный бесфлянцевый клапан;
двухмембранный пневматический привод;
цифровой позиционер;
регулятор давления воздуха.
Управление клапаном осуществляется с помощью
компьютера через НАRТ-модем с
использованием программы Fieldcare.
Питание клапана воздухом от компрессорной станции фирмы Festo.
Выбор обусловлен наличием данной станции на кафедре. Данная компрессорная
станция обеспечивает позиционер и привод установки воздухом, давление которого
составляет от 1,2 до 8 бар. Так же используется регулятор давления ЕН 837-1
фирмы WIKA.
В качестве задающего устройства используется
контроллер марки КS40(Германия).
КS40 - промышленный
контроллер, имеющий 1 аналоговый выход, 2 дискретных выхода и 1 аналоговый
вход. Питание контроллер может получать 220 В или 120 В. Данный контроллер
имеет простой интерфейс - цифровой дисплей и сенсорные кнопки.
При помощи КS40
возможно задавать сигнал от 4 до 20 мА, количество позиций 0-105. Это дает
возможность управлять положением клапана с контроллера.
Для визуализации процессов управления клапаном,
а также его диагностики, на персональном компьютере установлено программное
обеспечение Fieldcare
фирмы Metso
Automation. Для связи с
цифровым позиционером ND9000
используется НАRТ-модем
фирмы Siemens.
Рис. 1.
Лабораторный стенд
1 - ПК с установленным программным обеспечением Field
Care
- Информационная панель
- регулятор давления воздуха
- цифровой позиционер
- сегментный бесфлянцевый клапан
- двухмембранный пневматический привод
- задающее устройство
Глава 2. Характеристика систем
автоматизации
2.1 Техническое обеспечение системы
контроля параметров
Принцип управления регулирующим клапаном при
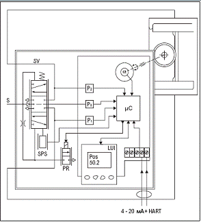
помощи цифрового позиционера изображен на схемах (рис. 2 и 3).
Рис. 2 Принципиальная структурная схема системы
управления цифровым позиционером
Рис.3 Принципиальная техническая схема системы
управления цифровым позиционером
На плате управления позиционера расположены
следующие датчики:
1. Сенсор температуры
Определяет температуру окружающей среды, в
которой находится позиционер. Встроенное
термосопротивление.
. Сенсор давления питания
Определяет текущее значение давления питания,
подаваемого на позиционер. Встроенный датчик.
. Сенсор перепада давления
Измеряет перепад давления в камерах
исполнительного механизма и передаёт измеренное значение на микроконтроллер. Встроенный
датчик.
. Сенсор положения золотника
Определяет текущее положение золотника с целью
передачи значения на микроконтроллер.
5. Датчик положения клапана
Передает текущее значение положения клапана на
микроконтроллер с целью расчета нового значения силы тока на обмотки клапана
предварительного регулирования. Встроенный сенсор положения.
2.2 Характеристика системы
управления исполнительным устройством
Базой цифрового позиционера ND9000
является микроконтроллер с питанием 4-20 mA.
Контроллер работает даже при входном сигнале 3.5 mA,
передача данных осуществляется через HART-модем.
Прибор имеет локальный интерфейс пользователя для настройки по месту. К
позиционеру подключается компьютер с программой Field
Care.
Мощный 32-битовый микроконтроллер регулирует
положение клапана, производя измерения следующих параметров:
· входного сигнала;
· положения клапана с помощью
бесконтактного сенсора;
· давления привода;
· давления питания;
· положения
золотникового клапана;
· температуры
прибора;
Принцип действия цифрового
позиционера:
После подключения электрического сигнала и
давления питания микроконтроллер (μС)
(база позиционера) следит за входным сигналом, датчиком положения (α),
сенсорами давления (Ps,
P1, P2)
и сенсорами положения золотника (SPS).
Контрольный алгоритм в микроконтроллере определяет разницу между входным
сигналом и измерениями датчиком положения (α).
На основании данных сенсоров и входного сигнала микроконтроллер рассчитывает
новое значение силы тока для обмоток клапана предварительного регулирования (PR).
Изменение силы тока в последних понижает давление в золотниковом клапане. Уменьшение
давления перемещает золотник, при этом соответственно меняется давление в
приводе (SV). Золотник
открывает входящему воздуху доступ в ведущую часть привода с двойной мембраной,
а выходящему воздуху - выход с противоположной стороны привода. Растущий
перепад давления перемещает поршень диафрагмы, поворачивая привод и ось
обратной связи. Датчик положения (α)
передает сведения об угле поворота на микроконтроллер. Микроконтроллер
рассчитывает по контрольному алгоритму новое значение управляющего тока на
обмотки клапана предварительного регулирования до тех пор, пока положение
привода не будет соответствовать входному сигналу.
Рис. 4 Принцип действия цифрового позиционера ND9000
Сборочный чертеж цифрового позиционера
представлен на рис.5
Рис.
5 Сборочный чертёж
лабораторный цифровой позиционер
автоматизация
Глава 3. Исследование системы
управления исполнительным устройством
3.1 Методика исследования
Исследование характеристик работы цифрового
исполнительного устройства фирмы Metso
проводилось в аудитории Б-413 на лабораторном стенде (рис. 1). Управление
позиционером осуществлялось при помощи персонального компьютера (ПК), с
предварительно установленным программным обеспечением Field
Care, и соединённого с
ним с помощью HART-модема.
Для получения переходных характеристик были
проведены эксперименты.
Описание методики эксперимента
1. Подготовить оборудование к эксплуатации.
.1 Включить электропитание компьютера и
компрессора. Для этого необходимо вставить вилки проводов электропитания в
розетки 220V переменного тока.
.2 Включить компьютер нажатием кнопки ВКЛ на
системном блоке. И компрессор переключив рубильник в положение 1.
.3 Подать давление питания вращая вентиль
регулятора давления, установив давление 2bar.
.4 Снять крышку корпуса позиционера отвинтив 4
крепежных винта.
К клеммам на позиционере присоединить клемники HART-модема.
.5 Запустить программное обеспечение(ПО) на ПК,
для этого находим на рабочем столе ярлык и делаем на нем двойной щелчок левой
кнопкой мыши.
. Подготовить ПО к снятию значений
.1 В меню программы Field
Care выбрать пункт «monitoring».
.2 Нажать кнопку Start, затем нажать кнопку
Start Log, указать место сохранения лог файла, куда будут сохраняться текущие
значения параметров: системное время; задание; положение клапана; целевое
положение; входной сигнал; различие давления камер привода.
. Проведение эксперимента
.1 Используя задающего устройства (7) вводим с
помощью кнопок больше меньше задание 0%, через не большие промежутки времени
(10-20сек) меняем задание на 20%,затем 40% и т.д. до 100%.
.2 Затем необходимо снять характеристики в
обратном порядке.
.3 Снимаются значения 0% +50%+50% и в обратном
порядке.
.4 Снимаются значения от 0% до 100% и в обратном
порядке.
.5 После завершения всего вышеперечисленного
необходимо остановить запись значений нажатием кнопки Stop Log, запись
остановится и данные сохранённые в файле можно будет обработать.
Результаты эксперимента представлены ниже:
1. Изменение положения клапана 75%-70%
2. Изменение положения клапана 70%-65%
. Изменение положения клапана 70%-75%
4. Изменение положения клапана 75%-80%
. Изменение положения клапана 80%-70%
6. Изменение положения клапана 70%-80%
. Изменение положения клапана 50%-45%
8. Изменение положения клапана 45%-50%
. Изменение положения клапана 55%-50%
10. Изменение положения клапана 50%-55%
Исходные данные представлены ниже, в таблице:
|
Системное
время
|
Задание
|
Положение
клапана
|
Целевое
положения
|
Входной
сигнал
|
Перепад
давления
|
|
11:15:06
|
74,30
|
76,84
|
76,90
|
15,90
|
0,30
|
|
11:15:07
|
74,30
|
76,97
|
76,90
|
15,90
|
0,30
|
|
11:15:08
|
74,30
|
76,97
|
76,90
|
15,90
|
0,10
|
|
11:15:09
|
74,40
|
77,00
|
77,00
|
15,90
|
0,10
|
|
11:15:10
|
74,40
|
76,97
|
77,00
|
15,90
|
0,00
|
|
11:15:11
|
74,40
|
77,00
|
77,00
|
15,90
|
0,00
|
|
11:15:12
|
74,40
|
77,00
|
77,00
|
15,90
|
0,00
|
|
11:15:13
|
74,40
|
77,00
|
77,00
|
15,90
|
0,00
|
|
11:15:14
|
74,40
|
77,00
|
77,00
|
15,90
|
0,10
|
|
11:15:15
|
74,40
|
77,00
|
77,00
|
15,90
|
0,10
|
|
11:15:16
|
74,50
|
77,00
|
77,10
|
15,90
|
0,10
|
|
11:15:17
|
74,50
|
77,00
|
77,10
|
15,90
|
0,10
|
|
11:15:18
|
74,40
|
76,97
|
77,00
|
15,90
|
0,10
|
|
11:15:19
|
74,40
|
77,00
|
77,00
|
15,90
|
0,10
|
|
11:15:20
|
74,40
|
77,00
|
77,00
|
15,90
|
0,10
|
|
11:15:22
|
74,40
|
77,00
|
77,00
|
15,90
|
0,10
|
|
11:15:23
|
74,40
|
77,00
|
77,00
|
15,90
|
0,10
|
|
11:15:24
|
74,40
|
77,00
|
77,00
|
15,90
|
0,00
|
|
11:15:25
|
74,40
|
77,00
|
77,00
|
15,90
|
0,10
|
|
11:15:26
|
74,40
|
77,00
|
77,00
|
15,90
|
0,00
|
|
11:15:27
|
74,40
|
76,97
|
77,00
|
15,90
|
0,00
|
|
11:15:28
|
74,40
|
77,00
|
77,00
|
15,90
|
0,00
|
|
11:15:29
|
74,40
|
77,00
|
77,00
|
15,90
|
0,00
|
|
11:15:30
|
74,40
|
77,00
|
77,00
|
15,90
|
0,00
|
|
11:15:31
|
74,40
|
77,00
|
77,00
|
15,90
|
0,00
|
|
11:15:32
|
74,30
|
77,00
|
76,90
|
15,90
|
0,00
|
|
11:15:33
|
74,30
|
77,00
|
76,90
|
15,90
|
0,00
|
|
11:15:34
|
72,60
|
74,58
|
75,40
|
15,60
|
0,40
|
|
11:15:35
|
72,70
|
74,45
|
75,50
|
15,60
|
0,00
|
|
11:15:36
|
72,60
|
75,89
|
75,40
|
15,60
|
-0,30
|
|
11:15:37
|
69,20
|
71,36
|
72,40
|
15,10
|
-0,30
|
|
11:15:38
|
69,20
|
73,09
|
72,30
|
15,10
|
-0,20
|
|
11:15:39
|
69,20
|
71,76
|
72,30
|
15,10
|
0,40
|
|
11:15:40
|
69,10
|
72,78
|
72,30
|
15,10
|
-0,20
|
|
11:15:41
|
69,20
|
71,88
|
72,30
|
15,10
|
0,10
|
|
11:15:43
|
69,10
|
72,10
|
72,30
|
15,10
|
-0,30
|
|
11:15:43
|
69,20
|
72,40
|
15,10
|
0,40
|
|
11:15:45
|
69,10
|
72,63
|
72,30
|
15,10
|
-0,10
|
|
11:15:46
|
69,20
|
72,13
|
72,30
|
15,10
|
-0,20
|
|
11:15:47
|
69,10
|
72,16
|
72,30
|
15,10
|
0,20
|
|
11:15:47
|
69,10
|
72,29
|
72,30
|
15,10
|
0,40
|
|
11:15:48
|
69,10
|
72,44
|
72,30
|
15,10
|
0,10
|
|
11:15:50
|
69,10
|
72,44
|
72,30
|
15,10
|
-0,20
|
|
11:15:51
|
69,10
|
72,22
|
72,30
|
15,10
|
-0,20
|
|
11:15:52
|
64,60
|
69,24
|
68,20
|
14,30
|
0,20
|
|
11:15:53
|
64,70
|
68,91
|
68,30
|
14,30
|
0,10
|
|
11:15:54
|
64,50
|
67,69
|
68,20
|
14,30
|
0,00
|
|
11:15:55
|
64,60
|
68,64
|
68,20
|
14,30
|
0,00
|
|
11:15:56
|
64,50
|
67,75
|
68,10
|
14,30
|
0,00
|
|
11:15:57
|
64,50
|
68,52
|
68,20
|
14,30
|
0,20
|
|
11:15:58
|
64,50
|
68,14
|
68,20
|
14,30
|
-0,40
|
|
11:15:59
|
64,50
|
67,81
|
68,20
|
14,30
|
0,40
|
|
11:16:00
|
64,50
|
68,64
|
68,20
|
14,30
|
-0,20
|
|
11:16:01
|
64,60
|
67,81
|
68,20
|
14,30
|
0,20
|
|
11:16:02
|
64,50
|
68,52
|
68,20
|
14,30
|
0,00
|
|
11:16:04
|
64,50
|
67,90
|
68,10
|
14,30
|
0,10
|
|
11:16:05
|
64,50
|
68,43
|
68,10
|
14,30
|
0,30
|
|
11:16:06
|
64,50
|
68,43
|
68,20
|
14,30
|
-0,30
|
|
11:16:07
|
64,50
|
67,99
|
68,10
|
14,30
|
-0,10
|
|
11:16:07
|
64,50
|
67,96
|
68,20
|
14,30
|
0,20
|
|
11:16:09
|
64,50
|
68,28
|
68,20
|
14,30
|
0,30
|
|
11:16:10
|
64,50
|
68,28
|
68,10
|
14,30
|
0,00
|
|
11:16:11
|
64,50
|
68,28
|
68,20
|
14,30
|
-0,30
|
|
11:16:12
|
64,50
|
68,11
|
68,20
|
14,30
|
-0,10
|
|
11:16:13
|
64,50
|
68,08
|
68,10
|
14,30
|
0,00
|
|
11:16:14
|
64,50
|
68,08
|
68,20
|
14,30
|
0,10
|
|
11:16:15
|
64,40
|
68,08
|
68,10
|
14,30
|
0,10
|
|
11:16:16
|
64,40
|
68,08
|
68,10
|
14,30
|
0,10
|
|
11:16:17
|
64,50
|
68,08
|
68,10
|
14,30
|
0,10
|
|
11:16:18
|
64,40
|
68,08
|
68,10
|
14,30
|
0,00
|
|
11:16:19
|
64,40
|
68,08
|
68,10
|
14,30
|
0,10
|
|
11:16:20
|
64,50
|
68,08
|
68,10
|
14,30
|
0,10
|
|
11:16:21
|
64,50
|
68,08
|
68,10
|
14,30
|
0,00
|
|
11:16:22
|
68,60
|
68,08
|
71,80
|
15,00
|
0,00
|
|
11:16:23
|
69,00
|
71,24
|
72,10
|
15,00
|
0,30
|
|
11:16:25
|
69,00
|
71,42
|
72,20
|
15,00
|
0,40
|
|
11:16:26
|
69,00
|
71,48
|
72,20
|
15,00
|
-0,20
|
|
11:16:27
|
69,00
|
72,81
|
72,10
|
15,00
|
0,10
|
|
11:16:28
|
69,00
|
71,88
|
72,20
|
15,00
|
-0,10
|
|
11:16:29
|
69,00
|
71,88
|
72,10
|
15,00
|
0,40
|
|
11:16:30
|
69,00
|
72,44
|
72,20
|
15,00
|
-0,10
|
|
11:16:31
|
69,00
|
72,04
|
72,20
|
15,00
|
-0,20
|
|
11:16:32
|
69,00
|
72,04
|
72,20
|
15,00
|
0,10
|
|
11:16:33
|
69,00
|
72,04
|
72,20
|
15,00
|
0,40
|
|
11:16:34
|
69,00
|
72,25
|
72,20
|
15,00
|
0,10
|
|
11:16:35
|
69,00
|
72,25
|
72,20
|
15,00
|
-0,20
|
|
11:16:36
|
69,00
|
72,16
|
72,20
|
15,00
|
-0,10
|
|
11:16:37
|
69,00
|
72,16
|
72,20
|
15,00
|
0,00
|
|
11:16:38
|
69,00
|
72,19
|
72,20
|
15,00
|
0,00
|
|
11:16:39
|
69,00
|
72,16
|
72,20
|
15,00
|
0,00
|
|
11:16:40
|
69,00
|
72,19
|
72,10
|
15,00
|
0,00
|
|
11:16:41
|
69,00
|
72,19
|
72,20
|
15,00
|
0,00
|
|
11:16:42
|
69,00
|
72,19
|
72,10
|
15,00
|
0,00
|
|
11:16:43
|
69,00
|
72,16
|
72,20
|
15,00
|
0,00
|
|
11:16:44
|
69,00
|
72,19
|
72,20
|
15,00
|
|
11:16:45
|
69,00
|
72,16
|
72,20
|
15,00
|
0,00
|
|
11:16:47
|
74,10
|
76,15
|
76,70
|
15,90
|
0,40
|
|
11:16:47
|
74,20
|
77,73
|
76,80
|
15,90
|
0,20
|
|
11:16:49
|
74,10
|
76,05
|
76,80
|
15,90
|
0,30
|
|
11:16:50
|
74,20
|
76,41
|
76,80
|
15,90
|
-0,10
|
|
11:16:51
|
74,20
|
77,30
|
76,90
|
15,90
|
0,20
|
|
11:16:52
|
74,20
|
76,51
|
76,80
|
15,90
|
-0,20
|
|
11:16:53
|
74,20
|
76,64
|
76,90
|
15,90
|
0,40
|
|
11:16:54
|
74,30
|
77,26
|
76,90
|
15,90
|
-0,30
|
|
11:16:55
|
74,20
|
76,51
|
76,90
|
15,90
|
0,30
|
|
11:16:56
|
74,30
|
77,16
|
76,90
|
15,90
|
-0,20
|
|
11:16:57
|
74,30
|
76,67
|
76,90
|
15,90
|
0,00
|
|
11:16:58
|
74,30
|
77,03
|
76,90
|
15,90
|
0,30
|
|
11:16:59
|
74,30
|
77,07
|
76,90
|
15,90
|
0,00
|
|
11:17:00
|
74,30
|
77,07
|
76,90
|
15,90
|
-0,20
|
|
11:17:01
|
74,40
|
76,97
|
77,00
|
15,90
|
-0,20
|
|
11:17:02
|
74,30
|
77,00
|
76,90
|
15,90
|
0,00
|
|
11:17:03
|
74,40
|
76,97
|
77,00
|
15,90
|
0,00
|
|
11:17:04
|
74,40
|
76,97
|
77,00
|
15,90
|
0,00
|
|
11:17:05
|
74,40
|
76,97
|
77,00
|
15,90
|
0,00
|
|
11:17:06
|
74,40
|
77,00
|
77,00
|
15,90
|
0,10
|
|
11:17:07
|
74,40
|
77,00
|
77,00
|
15,90
|
0,20
|
|
11:17:08
|
74,40
|
76,97
|
77,00
|
15,90
|
0,10
|
|
11:17:09
|
74,40
|
77,00
|
77,00
|
15,90
|
0,10
|
|
11:17:10
|
74,40
|
77,00
|
77,00
|
15,90
|
0,10
|
|
11:17:11
|
74,40
|
76,97
|
77,00
|
15,90
|
0,10
|
|
11:17:12
|
74,40
|
76,97
|
77,00
|
15,90
|
0,10
|
|
11:17:13
|
74,40
|
76,97
|
77,00
|
15,90
|
0,00
|
|
11:17:14
|
74,40
|
77,00
|
77,00
|
15,90
|
0,00
|
|
11:17:16
|
74,40
|
77,00
|
77,00
|
15,90
|
0,00
|
|
11:17:17
|
74,30
|
77,00
|
76,90
|
15,90
|
0,00
|
|
11:17:18
|
74,30
|
77,00
|
76,90
|
15,90
|
0,00
|
|
11:17:19
|
74,40
|
76,97
|
77,00
|
15,90
|
-0,10
|
|
11:17:20
|
74,30
|
77,00
|
76,90
|
15,90
|
-0,10
|
|
11:17:21
|
74,30
|
76,97
|
76,90
|
15,90
|
-0,20
|
|
11:17:22
|
74,30
|
76,97
|
76,90
|
15,90
|
-0,30
|
|
11:17:23
|
74,30
|
76,87
|
76,90
|
15,90
|
0,00
|
|
11:17:24
|
74,20
|
76,87
|
76,90
|
15,90
|
0,00
|
|
11:17:25
|
74,20
|
76,87
|
76,80
|
15,90
|
0,00
|
|
11:17:26
|
74,20
|
76,87
|
76,80
|
15,90
|
0,00
|
|
11:17:28
|
74,20
|
76,87
|
76,80
|
15,90
|
0,00
|
|
11:17:28
|
74,20
|
76,87
|
76,80
|
15,90
|
0,00
|
|
11:17:29
|
74,10
|
76,87
|
76,80
|
15,90
|
-0,10
|
|
11:17:30
|
74,20
|
76,87
|
76,80
|
15,90
|
-0,10
|
|
11:17:31
|
74,10
|
76,87
|
76,70
|
15,90
|
-0,30
|
|
11:17:32
|
74,10
|
76,74
|
76,80
|
15,90
|
-0,10
|
|
11:17:34
|
74,10
|
76,70
|
76,70
|
15,90
|
0,00
|
|
11:17:34
|
79,10
|
80,09
|
81,30
|
16,70
|
0,40
|
|
11:17:35
|
79,20
|
82,18
|
81,30
|
16,70
|
0,30
|
|
11:17:36
|
79,20
|
80,60
|
81,40
|
16,70
|
0,30
|
|
11:17:38
|
79,30
|
82,00
|
81,40
|
16,70
|
0,30
|
|
11:17:39
|
79,30
|
80,71
|
81,40
|
16,70
|
0,30
|
|
11:17:40
|
79,40
|
80,74
|
81,50
|
16,70
|
0,00
|
|
11:17:41
|
79,40
|
81,93
|
81,50
|
16,70
|
-0,10
|
|
11:17:42
|
79,50
|
81,02
|
81,60
|
16,70
|
0,30
|
|
11:17:43
|
79,50
|
82,04
|
81,60
|
16,70
|
-0,30
|
|
11:17:44
|
79,50
|
82,04
|
81,60
|
16,70
|
0,30
|
|
11:17:45
|
79,40
|
81,23
|
81,50
|
16,70
|
-0,10
|
|
11:17:46
|
79,60
|
81,70
|
16,70
|
0,00
|
|
11:17:47
|
79,50
|
80,88
|
81,60
|
16,70
|
0,30
|
|
11:17:48
|
79,40
|
81,12
|
81,50
|
16,70
|
0,40
|
|
11:17:49
|
79,50
|
80,95
|
81,60
|
16,70
|
0,00
|
|
11:17:50
|
79,40
|
81,82
|
81,50
|
16,70
|
-0,10
|
|
11:17:51
|
79,40
|
81,26
|
81,50
|
16,70
|
0,00
|
|
11:17:52
|
79,40
|
81,26
|
81,50
|
16,70
|
0,40
|
|
11:17:53
|
79,30
|
81,65
|
81,40
|
16,70
|
0,10
|
|
11:17:54
|
79,30
|
81,65
|
81,40
|
16,70
|
-0,20
|
|
11:17:55
|
79,30
|
81,30
|
81,40
|
16,70
|
-0,10
|
|
11:17:56
|
79,30
|
81,30
|
81,40
|
16,70
|
0,30
|
|
11:17:57
|
79,30
|
81,51
|
81,40
|
16,70
|
0,10
|
|
11:17:59
|
79,30
|
81,51
|
81,40
|
16,70
|
-0,20
|
|
11:18:00
|
79,30
|
81,37
|
81,40
|
16,70
|
0,00
|
|
11:18:01
|
79,20
|
81,40
|
81,40
|
16,70
|
0,00
|
|
11:18:02
|
79,20
|
81,37
|
81,30
|
16,70
|
0,00
|
|
11:18:03
|
79,20
|
81,40
|
81,30
|
16,70
|
0,00
|
|
11:18:04
|
79,20
|
81,37
|
81,30
|
16,70
|
0,00
|
|
11:18:05
|
79,20
|
81,40
|
81,30
|
16,70
|
-0,10
|
|
11:18:06
|
79,20
|
81,37
|
81,30
|
16,70
|
-0,10
|
|
11:18:07
|
79,20
|
81,37
|
81,30
|
16,70
|
-0,10
|
|
11:18:08
|
79,20
|
81,37
|
81,30
|
16,70
|
0,00
|
|
11:18:09
|
79,20
|
81,37
|
81,40
|
16,70
|
0,00
|
|
11:18:10
|
79,20
|
81,40
|
81,40
|
16,70
|
0,00
|
|
11:18:11
|
79,30
|
81,37
|
81,40
|
16,70
|
0,00
|
|
11:18:12
|
79,40
|
81,37
|
81,50
|
16,70
|
0,10
|
|
11:18:13
|
69,10
|
71,51
|
72,30
|
15,10
|
-0,10
|
|
11:18:14
|
69,10
|
73,19
|
72,30
|
15,10
|
-0,30
|
|
11:18:15
|
69,10
|
72,88
|
72,30
|
15,10
|
0,40
|
|
11:18:16
|
69,20
|
71,64
|
72,40
|
15,10
|
-0,10
|
|
11:18:17
|
69,20
|
73,13
|
72,40
|
15,10
|
-0,20
|
|
11:18:18
|
69,20
|
71,91
|
72,40
|
15,10
|
0,20
|
|
11:18:19
|
69,30
|
72,78
|
72,40
|
15,10
|
-0,40
|
|
11:18:20
|
69,30
|
72,07
|
72,40
|
15,10
|
0,30
|
|
11:18:21
|
69,20
|
72,81
|
72,40
|
15,10
|
-0,10
|
|
11:18:22
|
69,30
|
72,07
|
72,40
|
15,10
|
0,00
|
|
11:18:23
|
69,30
|
72,81
|
72,40
|
15,10
|
0,30
|
|
11:18:24
|
69,20
|
72,60
|
72,40
|
15,10
|
-0,40
|
|
11:18:25
|
69,30
|
72,13
|
72,40
|
15,10
|
0,20
|
|
11:18:26
|
69,30
|
72,66
|
72,40
|
15,10
|
0,30
|
|
11:18:27
|
69,20
|
72,66
|
72,30
|
15,10
|
-0,30
|
|
11:18:28
|
69,20
|
72,25
|
72,40
|
15,10
|
0,00
|
|
11:18:30
|
69,20
|
72,22
|
72,30
|
15,10
|
0,40
|
|
11:18:31
|
69,10
|
72,41
|
72,30
|
15,10
|
0,20
|
|
11:18:32
|
69,30
|
72,41
|
72,40
|
15,10
|
0,00
|
|
11:18:33
|
69,20
|
72,41
|
72,30
|
15,10
|
-0,20
|
|
11:18:34
|
69,10
|
72,29
|
72,30
|
15,10
|
-0,10
|
|
11:18:35
|
69,20
|
72,29
|
72,30
|
15,10
|
0,00
|
|
11:18:36
|
69,20
|
72,29
|
72,30
|
15,10
|
0,00
|
|
11:18:37
|
69,10
|
72,29
|
72,30
|
15,10
|
0,00
|
|
11:18:38
|
69,10
|
72,29
|
72,30
|
15,10
|
0,00
|
|
11:18:39
|
69,10
|
72,29
|
72,30
|
15,10
|
0,00
|
|
11:18:41
|
69,10
|
72,29
|
72,30
|
15,10
|
0,00
|
|
11:18:42
|
69,10
|
72,29
|
72,30
|
15,10
|
0,00
|
|
11:18:43
|
69,10
|
72,29
|
72,20
|
15,10
|
0,00
|
|
11:18:44
|
69,00
|
72,29
|
72,20
|
15,00
|
-0,10
|
|
11:18:45
|
69,00
|
72,29
|
72,20
|
15,00
|
-0,10
|
|
11:18:46
|
69,10
|
72,29
|
72,20
|
15,10
|
-0,10
|
|
11:18:47
|
69,10
|
72,29
|
72,20
|
15,10
|
|
11:18:48
|
59,50
|
63,05
|
63,60
|
13,50
|
0,10
|
|
11:18:49
|
59,50
|
64,28
|
63,60
|
13,50
|
-0,20
|
|
11:18:50
|
59,40
|
63,14
|
63,50
|
13,50
|
0,10
|
|
11:18:51
|
59,40
|
63,97
|
63,50
|
13,50
|
-0,40
|
|
11:18:52
|
59,40
|
63,14
|
63,60
|
13,50
|
0,40
|
|
11:18:53
|
59,40
|
64,02
|
63,60
|
13,50
|
-0,10
|
|
11:18:54
|
59,40
|
63,28
|
63,60
|
13,50
|
0,00
|
|
11:18:55
|
59,40
|
63,88
|
63,50
|
13,50
|
0,30
|
|
11:18:56
|
59,40
|
63,88
|
63,60
|
13,50
|
-0,30
|
|
11:18:57
|
59,40
|
63,31
|
63,50
|
13,50
|
0,00
|
|
11:18:58
|
59,40
|
63,31
|
63,50
|
13,50
|
0,40
|
|
11:18:59
|
59,40
|
63,79
|
63,50
|
13,50
|
0,10
|
|
11:19:00
|
59,40
|
63,76
|
63,50
|
13,50
|
-0,20
|
|
11:19:02
|
59,40
|
63,39
|
63,50
|
13,50
|
-0,10
|
|
11:19:03
|
59,40
|
63,39
|
63,50
|
13,50
|
0,20
|
|
11:19:04
|
59,40
|
63,51
|
63,50
|
13,50
|
0,40
|
|
11:19:05
|
59,40
|
63,65
|
63,50
|
13,50
|
0,10
|
|
11:19:06
|
59,40
|
63,62
|
63,50
|
13,50
|
-0,10
|
|
11:19:07
|
59,40
|
63,59
|
63,50
|
13,50
|
-0,30
|
|
11:19:08
|
59,40
|
63,54
|
63,50
|
13,50
|
0,00
|
|
11:19:09
|
59,40
|
63,54
|
63,50
|
13,50
|
0,00
|
|
11:19:10
|
59,40
|
63,54
|
63,50
|
13,50
|
0,00
|
|
11:19:11
|
59,40
|
63,54
|
63,50
|
13,50
|
0,00
|
|
11:19:12
|
59,40
|
63,54
|
63,50
|
13,50
|
0,00
|
|
11:19:13
|
59,40
|
63,54
|
63,50
|
13,50
|
0,00
|
|
11:19:14
|
59,40
|
63,54
|
63,60
|
13,50
|
0,00
|
|
11:19:15
|
59,50
|
63,54
|
63,60
|
13,50
|
0,00
|
|
11:19:16
|
59,40
|
63,54
|
63,50
|
13,50
|
0,00
|
|
11:19:17
|
59,40
|
63,54
|
63,60
|
13,50
|
0,10
|
|
11:19:18
|
59,40
|
63,54
|
63,60
|
13,50
|
0,10
|
|
11:19:19
|
59,50
|
63,54
|
63,60
|
13,50
|
0,10
|
|
11:19:20
|
59,40
|
63,54
|
63,60
|
13,50
|
0,20
|
|
11:19:21
|
59,40
|
63,54
|
63,60
|
13,50
|
0,40
|
|
11:19:23
|
49,30
|
58,11
|
54,50
|
11,90
|
-0,40
|
|
11:19:24
|
49,30
|
53,93
|
54,50
|
11,90
|
0,50
|
|
11:19:25
|
49,30
|
54,99
|
54,50
|
11,90
|
-0,40
|
|
11:19:26
|
49,40
|
54,04
|
54,60
|
11,90
|
0,40
|
|
11:19:27
|
49,40
|
55,05
|
54,60
|
11,90
|
-0,10
|
|
11:19:28
|
49,40
|
54,35
|
54,60
|
11,90
|
-0,20
|
|
11:19:29
|
49,40
|
54,35
|
54,50
|
11,90
|
0,20
|
|
11:19:30
|
49,50
|
54,57
|
54,60
|
11,90
|
0,50
|
|
11:19:31
|
49,50
|
54,71
|
54,60
|
11,90
|
0,20
|
|
11:19:32
|
49,50
|
54,68
|
54,60
|
11,90
|
-0,10
|
|
11:19:33
|
49,50
|
54,66
|
54,60
|
11,90
|
-0,30
|
|
11:19:34
|
49,50
|
54,66
|
54,60
|
11,90
|
-0,10
|
|
11:19:35
|
49,40
|
54,66
|
54,60
|
11,90
|
0,00
|
|
11:19:36
|
49,50
|
54,66
|
54,60
|
11,90
|
0,00
|
|
11:19:37
|
49,50
|
54,66
|
54,70
|
11,90
|
0,00
|
|
11:19:38
|
49,50
|
54,66
|
54,70
|
11,90
|
0,00
|
|
11:19:39
|
49,50
|
54,66
|
54,70
|
11,90
|
0,00
|
|
11:19:40
|
49,50
|
54,66
|
54,70
|
11,90
|
0,00
|
|
11:19:41
|
49,60
|
54,66
|
54,70
|
11,90
|
0,00
|
|
11:19:42
|
49,50
|
54,66
|
54,70
|
11,90
|
0,10
|
|
11:19:44
|
49,60
|
54,68
|
54,80
|
11,90
|
0,00
|
|
11:19:44
|
49,50
|
54,66
|
54,70
|
11,90
|
0,10
|
|
11:19:45
|
49,60
|
54,66
|
54,70
|
11,90
|
0,00
|
|
11:19:47
|
49,50
|
54,66
|
54,70
|
11,90
|
0,00
|
|
11:19:48
|
49,50
|
54,66
|
54,70
|
11,90
|
0,00
|
|
11:19:48
|
49,50
|
54,70
|
11,90
|
0,10
|
|
11:19:50
|
49,40
|
54,68
|
54,60
|
11,90
|
0,00
|
|
11:19:50
|
49,50
|
54,66
|
54,70
|
11,90
|
0,00
|
|
11:19:52
|
49,40
|
54,66
|
54,60
|
11,90
|
0,00
|
|
11:19:53
|
49,50
|
54,66
|
54,70
|
11,90
|
0,00
|
|
11:19:54
|
49,50
|
54,66
|
54,60
|
11,90
|
-0,20
|
|
11:19:55
|
49,40
|
54,63
|
54,60
|
11,90
|
-0,30
|
|
11:19:56
|
49,40
|
54,57
|
54,50
|
11,90
|
-0,10
|
|
11:19:57
|
49,30
|
54,57
|
54,50
|
11,90
|
-0,10
|
|
11:19:58
|
49,30
|
54,57
|
54,40
|
11,90
|
-0,20
|
|
11:19:59
|
49,30
|
54,57
|
54,40
|
11,90
|
-0,30
|
|
11:20:00
|
49,30
|
54,38
|
54,40
|
11,90
|
-0,30
|
|
11:20:01
|
49,30
|
54,35
|
54,40
|
11,90
|
0,00
|
|
11:20:02
|
49,30
|
54,35
|
54,40
|
11,90
|
0,10
|
|
11:20:03
|
49,20
|
54,38
|
54,40
|
11,90
|
0,10
|
|
11:20:05
|
49,20
|
54,35
|
54,40
|
11,90
|
0,10
|
|
11:20:05
|
49,20
|
54,38
|
54,40
|
11,90
|
0,10
|
|
11:20:06
|
49,20
|
54,35
|
54,40
|
11,90
|
0,10
|
|
11:20:08
|
49,20
|
54,38
|
54,40
|
11,90
|
0,10
|
|
11:20:09
|
49,20
|
54,38
|
54,40
|
11,90
|
0,10
|
|
11:20:10
|
49,10
|
54,38
|
54,30
|
11,90
|
0,10
|
|
11:20:11
|
49,20
|
54,35
|
54,40
|
11,90
|
0,10
|
|
11:20:12
|
49,30
|
54,38
|
54,40
|
11,90
|
0,10
|
|
11:20:13
|
49,10
|
54,38
|
54,30
|
11,90
|
0,10
|
|
11:20:14
|
49,20
|
54,38
|
54,40
|
11,90
|
0,10
|
|
11:20:15
|
49,20
|
54,38
|
54,40
|
11,90
|
0,10
|
|
11:20:16
|
49,30
|
54,38
|
54,40
|
11,90
|
0,10
|
|
11:20:17
|
39,30
|
46,50
|
45,50
|
10,30
|
-0,10
|
|
11:20:18
|
39,30
|
46,16
|
45,50
|
10,30
|
0,20
|
|
11:20:19
|
39,30
|
44,67
|
45,50
|
10,30
|
0,10
|
|
11:20:20
|
39,30
|
46,02
|
45,50
|
10,30
|
-0,10
|
|
11:20:21
|
39,30
|
45,02
|
45,50
|
10,30
|
0,20
|
|
11:20:22
|
39,30
|
45,90
|
45,50
|
10,30
|
0,00
|
|
11:20:23
|
39,30
|
45,16
|
45,50
|
10,30
|
-0,10
|
|
11:20:24
|
39,30
|
45,70
|
45,50
|
10,30
|
0,30
|
|
11:20:25
|
39,30
|
45,70
|
45,50
|
10,30
|
-0,20
|
|
11:20:26
|
39,30
|
45,36
|
45,50
|
10,30
|
-0,30
|
|
11:20:27
|
39,30
|
45,36
|
45,50
|
10,30
|
0,10
|
|
11:20:28
|
39,30
|
45,36
|
45,50
|
10,30
|
0,30
|
|
11:20:30
|
39,30
|
45,47
|
45,50
|
10,30
|
0,20
|
|
11:20:31
|
39,30
|
45,50
|
45,50
|
10,30
|
0,10
|
|
11:20:32
|
39,30
|
45,50
|
45,50
|
10,30
|
0,10
|
|
11:20:33
|
39,30
|
45,50
|
45,50
|
10,30
|
0,00
|
|
11:20:34
|
39,30
|
45,50
|
45,50
|
10,30
|
0,10
|
|
11:20:35
|
39,30
|
45,50
|
45,50
|
10,30
|
0,10
|
|
11:20:36
|
39,30
|
45,50
|
45,50
|
10,30
|
0,10
|
|
11:20:37
|
39,30
|
45,50
|
45,50
|
10,30
|
0,00
|
|
11:20:38
|
39,30
|
45,50
|
45,50
|
10,30
|
0,00
|
|
11:20:39
|
39,30
|
45,50
|
45,50
|
10,30
|
0,00
|
|
11:20:40
|
39,30
|
45,47
|
45,50
|
10,30
|
0,00
|
|
11:20:41
|
39,30
|
45,50
|
45,50
|
10,30
|
0,00
|
|
11:20:42
|
39,40
|
45,50
|
45,60
|
10,30
|
0,00
|
|
11:20:43
|
39,30
|
45,50
|
45,50
|
10,30
|
0,00
|
|
11:20:44
|
39,30
|
45,50
|
45,50
|
10,30
|
0,00
|
|
11:20:45
|
39,30
|
45,50
|
45,50
|
10,30
|
0,00
|
|
11:20:46
|
39,40
|
45,50
|
45,60
|
10,30
|
0,10
|
|
11:20:47
|
39,30
|
45,47
|
45,50
|
10,30
|
0,10
|
|
11:20:48
|
39,40
|
45,47
|
45,60
|
10,30
|
0,10
|
|
11:20:49
|
48,20
|
54,27
|
53,50
|
11,70
|
|
11:20:50
|
48,30
|
52,79
|
53,60
|
11,70
|
0,00
|
|
11:20:51
|
48,30
|
53,93
|
53,60
|
11,70
|
0,20
|
|
11:20:52
|
48,30
|
53,43
|
53,60
|
11,70
|
-0,40
|
|
11:20:53
|
48,20
|
53,24
|
53,50
|
11,70
|
0,30
|
|
11:20:54
|
49,40
|
54,32
|
54,60
|
11,90
|
-0,40
|
|
11:20:55
|
49,40
|
55,16
|
54,60
|
11,90
|
0,40
|
|
11:20:57
|
49,40
|
54,32
|
54,60
|
11,90
|
-0,10
|
|
11:20:58
|
49,40
|
54,32
|
54,60
|
11,90
|
0,40
|
|
11:20:59
|
49,40
|
54,71
|
54,60
|
11,90
|
0,30
|
|
11:21:00
|
49,50
|
54,71
|
54,70
|
11,90
|
0,00
|
|
11:21:01
|
49,40
|
54,68
|
54,60
|
11,90
|
-0,20
|
|
11:21:02
|
49,50
|
54,66
|
54,60
|
11,90
|
-0,30
|
|
11:21:03
|
49,50
|
54,66
|
54,70
|
11,90
|
0,00
|
|
11:21:04
|
49,50
|
54,66
|
54,60
|
11,90
|
0,00
|
|
11:21:05
|
49,50
|
54,66
|
54,60
|
11,90
|
0,00
|
|
11:21:06
|
49,40
|
54,66
|
54,60
|
11,90
|
0,00
|
|
11:21:07
|
49,50
|
54,66
|
54,70
|
11,90
|
0,00
|
|
11:21:08
|
49,50
|
54,66
|
54,70
|
11,90
|
0,00
|
|
11:21:09
|
49,50
|
54,66
|
54,70
|
11,90
|
0,00
|
|
11:21:10
|
49,50
|
54,66
|
54,70
|
11,90
|
0,00
|
|
11:21:11
|
49,60
|
54,66
|
54,70
|
11,90
|
0,00
|
|
11:21:12
|
49,50
|
54,66
|
54,70
|
11,90
|
0,10
|
|
11:21:13
|
49,50
|
54,68
|
54,70
|
11,90
|
0,10
|
|
11:21:14
|
49,50
|
54,68
|
54,70
|
11,90
|
0,00
|
|
11:21:15
|
49,50
|
54,66
|
54,70
|
11,90
|
0,00
|
|
11:21:16
|
49,50
|
54,66
|
54,70
|
11,90
|
0,00
|
|
11:21:18
|
49,50
|
54,66
|
54,70
|
11,90
|
0,10
|
|
11:21:19
|
49,40
|
54,66
|
54,60
|
11,90
|
0,00
|
|
11:21:20
|
49,50
|
54,66
|
54,60
|
11,90
|
-0,10
|
|
11:21:21
|
49,40
|
54,66
|
54,60
|
11,90
|
-0,30
|
|
11:21:22
|
49,40
|
54,57
|
54,50
|
11,90
|
-0,30
|
|
11:21:23
|
49,40
|
54,57
|
54,60
|
11,90
|
0,00
|
|
11:21:24
|
49,40
|
54,54
|
54,60
|
11,90
|
0,00
|
|
11:21:25
|
49,30
|
54,54
|
54,40
|
11,90
|
-0,10
|
|
11:21:26
|
49,20
|
54,57
|
54,40
|
11,90
|
-0,20
|
|
11:21:27
|
49,30
|
54,46
|
54,40
|
11,90
|
-0,40
|
|
11:21:28
|
49,30
|
54,35
|
54,40
|
11,90
|
0,00
|
|
11:21:29
|
49,30
|
54,35
|
54,40
|
11,90
|
0,20
|
|
11:21:30
|
49,10
|
54,38
|
54,30
|
11,90
|
0,20
|
|
11:21:31
|
49,30
|
54,35
|
54,40
|
11,90
|
0,20
|
|
11:21:32
|
49,20
|
54,35
|
54,40
|
11,90
|
0,10
|
|
11:21:33
|
49,20
|
54,35
|
54,40
|
11,90
|
0,10
|
|
11:21:34
|
49,20
|
54,35
|
54,40
|
11,90
|
0,10
|
|
11:21:35
|
49,20
|
54,35
|
54,40
|
11,90
|
0,10
|
|
11:21:36
|
49,20
|
54,35
|
54,40
|
11,90
|
0,20
|
|
11:21:37
|
49,20
|
54,35
|
54,40
|
11,90
|
0,30
|
|
11:21:39
|
49,30
|
54,35
|
54,40
|
11,90
|
0,40
|
|
11:21:40
|
49,30
|
54,35
|
54,40
|
11,90
|
0,40
|
|
11:21:41
|
49,20
|
54,38
|
54,40
|
11,90
|
0,40
|
|
11:21:42
|
49,30
|
54,38
|
54,40
|
11,90
|
0,20
|
|
11:21:43
|
49,30
|
54,38
|
54,40
|
11,90
|
0,10
|
|
11:21:44
|
49,20
|
54,41
|
54,40
|
11,90
|
0,10
|
|
11:21:45
|
49,30
|
54,41
|
54,40
|
11,90
|
0,10
|
|
11:21:46
|
49,20
|
54,38
|
54,40
|
11,90
|
0,10
|
|
11:21:47
|
49,30
|
54,41
|
54,40
|
11,90
|
0,20
|
|
11:21:48
|
49,30
|
54,38
|
54,40
|
11,90
|
0,20
|
|
11:21:49
|
49,30
|
54,38
|
54,40
|
11,90
|
0,30
|
|
11:21:50
|
49,30
|
54,43
|
54,50
|
11,90
|
0,50
|
|
11:21:51
|
49,40
|
54,50
|
11,90
|
0,20
|
|
11:21:52
|
49,40
|
54,43
|
54,50
|
11,90
|
0,30
|
|
11:21:53
|
49,30
|
54,43
|
54,50
|
11,90
|
0,30
|
|
11:21:54
|
49,40
|
54,43
|
54,50
|
11,90
|
0,30
|
|
11:21:55
|
49,40
|
54,49
|
54,60
|
11,90
|
0,50
|
|
11:21:56
|
49,40
|
54,54
|
54,60
|
11,90
|
0,20
|
|
11:21:57
|
49,40
|
54,57
|
54,50
|
11,90
|
0,10
|
|
11:21:58
|
49,40
|
54,57
|
54,60
|
11,90
|
0,10
|
|
11:22:00
|
49,50
|
54,54
|
54,60
|
11,90
|
0,20
|
|
11:22:01
|
49,50
|
54,54
|
54,60
|
11,90
|
0,20
|
|
11:22:02
|
49,50
|
54,54
|
54,70
|
11,90
|
0,20
|
|
11:22:02
|
49,50
|
54,54
|
54,60
|
11,90
|
0,30
|
|
11:22:04
|
49,50
|
54,54
|
54,70
|
11,90
|
0,50
|
|
11:22:05
|
49,50
|
54,63
|
54,60
|
11,90
|
0,20
|
|
11:22:06
|
49,50
|
54,63
|
54,60
|
11,90
|
0,10
|
|
11:22:07
|
49,50
|
54,63
|
54,70
|
11,90
|
0,10
|
|
11:22:08
|
49,50
|
54,63
|
54,70
|
11,90
|
0,10
|
|
11:22:09
|
49,50
|
54,63
|
54,70
|
11,90
|
0,10
|
|
11:22:10
|
49,50
|
54,63
|
54,70
|
11,90
|
0,10
|
|
11:22:11
|
54,50
|
59,65
|
59,20
|
12,70
|
-0,40
|
|
11:22:12
|
54,50
|
59,82
|
59,20
|
12,70
|
0,30
|
|
11:22:13
|
54,50
|
58,78
|
59,20
|
12,70
|
-0,20
|
|
11:22:14
|
54,40
|
58,78
|
59,10
|
12,70
|
0,40
|
|
11:22:15
|
54,50
|
59,46
|
59,10
|
12,70
|
0,00
|
|
11:22:16
|
54,50
|
58,92
|
59,10
|
12,70
|
-0,30
|
|
11:22:17
|
54,50
|
58,92
|
59,10
|
12,70
|
0,10
|
|
11:22:18
|
54,40
|
58,92
|
59,10
|
12,70
|
0,30
|
|
11:22:19
|
54,40
|
58,92
|
59,10
|
12,70
|
0,40
|
|
11:22:21
|
54,30
|
58,95
|
59,00
|
12,70
|
0,20
|
|
11:22:22
|
54,30
|
58,95
|
59,00
|
12,70
|
0,20
|
|
11:22:23
|
54,30
|
58,98
|
59,00
|
12,70
|
0,10
|
|
11:22:24
|
54,30
|
58,95
|
59,00
|
12,70
|
0,10
|
|
11:22:25
|
54,30
|
58,95
|
59,00
|
12,70
|
0,10
|
|
11:22:26
|
54,30
|
58,98
|
59,00
|
12,70
|
0,10
|
|
11:22:27
|
54,30
|
58,95
|
58,90
|
12,70
|
0,10
|
|
11:22:28
|
54,30
|
58,95
|
59,00
|
12,70
|
0,10
|
|
11:22:29
|
54,30
|
58,95
|
58,90
|
12,70
|
0,10
|
|
11:22:30
|
54,30
|
58,95
|
58,90
|
12,70
|
0,00
|
|
11:22:31
|
54,30
|
58,95
|
59,00
|
12,70
|
0,00
|
|
11:22:32
|
54,30
|
58,95
|
59,00
|
12,70
|
0,00
|
|
11:22:33
|
54,30
|
58,95
|
59,00
|
12,70
|
0,10
|
|
11:22:34
|
54,30
|
58,98
|
59,00
|
12,70
|
0,10
|
|
11:22:35
|
54,40
|
58,95
|
59,00
|
12,70
|
0,00
|
|
11:22:36
|
54,40
|
58,95
|
59,00
|
12,70
|
0,10
|
|
11:22:37
|
54,40
|
58,95
|
59,10
|
12,70
|
0,10
|
|
11:22:38
|
54,40
|
58,95
|
59,00
|
12,70
|
0,10
|
|
11:22:39
|
54,40
|
58,95
|
59,00
|
12,70
|
0,10
|
|
11:22:40
|
54,40
|
58,95
|
59,00
|
12,70
|
0,30
|
|
11:22:41
|
54,40
|
58,95
|
59,00
|
12,70
|
0,40
|
|
11:22:42
|
54,40
|
59,09
|
59,10
|
12,70
|
0,20
|
|
11:22:43
|
54,40
|
59,06
|
59,10
|
12,70
|
0,10
|
|
11:22:44
|
54,40
|
59,06
|
59,10
|
12,70
|
0,10
|
|
11:22:45
|
54,40
|
59,06
|
59,10
|
12,70
|
0,10
|
|
11:22:46
|
54,40
|
59,06
|
59,10
|
12,70
|
0,10
|
|
11:22:47
|
54,40
|
59,06
|
59,10
|
12,70
|
0,10
|
|
11:22:48
|
54,40
|
59,06
|
59,10
|
12,70
|
0,10
|
|
11:22:49
|
54,50
|
59,06
|
59,10
|
12,70
|
0,10
|
|
11:22:50
|
54,50
|
59,06
|
59,10
|
12,70
|
0,00
|
|
11:22:52
|
54,50
|
59,06
|
59,10
|
12,70
|
|
11:22:53
|
54,50
|
59,06
|
59,20
|
12,70
|
0,10
|
|
11:22:54
|
54,50
|
59,09
|
59,10
|
12,70
|
0,10
|
|
11:22:55
|
53,70
|
59,06
|
58,50
|
12,60
|
0,20
|
|
11:22:56
|
53,40
|
57,41
|
58,10
|
12,50
|
0,00
|
|
11:22:57
|
53,40
|
58,73
|
58,20
|
12,50
|
0,00
|
|
11:22:58
|
53,40
|
57,67
|
58,10
|
12,50
|
-0,10
|
|
11:22:59
|
53,40
|
58,67
|
58,20
|
12,50
|
0,30
|
|
11:23:00
|
53,40
|
57,89
|
58,20
|
12,50
|
-0,30
|
|
11:23:01
|
44,50
|
49,38
|
50,10
|
11,10
|
0,00
|
|
11:23:03
|
44,50
|
50,53
|
50,10
|
11,10
|
-0,30
|
|
11:23:03
|
44,50
|
49,72
|
50,10
|
11,10
|
0,10
|
|
11:23:04
|
44,50
|
50,34
|
50,10
|
11,10
|
0,30
|
|
11:23:06
|
44,50
|
50,31
|
50,10
|
11,10
|
-0,10
|
|
11:23:06
|
44,50
|
50,28
|
50,10
|
11,10
|
-0,30
|
|
11:23:08
|
44,50
|
50,14
|
50,10
|
11,10
|
-0,10
|
|
11:23:09
|
44,50
|
50,14
|
50,10
|
11,10
|
0,00
|
|
11:23:10
|
44,50
|
50,14
|
50,10
|
11,10
|
0,00
|
|
11:23:11
|
44,40
|
50,17
|
50,10
|
11,10
|
0,00
|
|
11:23:12
|
44,50
|
50,17
|
50,10
|
11,10
|
0,00
|
|
11:23:13
|
44,40
|
50,14
|
50,10
|
11,10
|
0,00
|
|
11:23:14
|
44,50
|
50,17
|
50,10
|
11,10
|
0,00
|
|
11:23:15
|
44,50
|
50,17
|
50,10
|
11,10
|
0,00
|
|
11:23:16
|
44,40
|
50,17
|
50,10
|
11,10
|
0,00
|
|
11:23:17
|
44,40
|
50,17
|
50,10
|
11,10
|
-0,10
|
|
11:23:18
|
44,40
|
50,17
|
50,10
|
11,10
|
-0,20
|
|
11:23:19
|
44,40
|
50,17
|
50,10
|
11,10
|
-0,30
|
|
11:23:20
|
44,40
|
50,17
|
50,00
|
11,10
|
-0,30
|
|
11:23:21
|
44,40
|
50,14
|
50,10
|
11,10
|
-0,30
|
|
11:23:22
|
44,40
|
50,14
|
50,00
|
11,10
|
-0,10
|
|
11:23:24
|
44,40
|
50,14
|
50,00
|
11,10
|
-0,20
|
|
11:23:25
|
44,40
|
50,14
|
50,00
|
11,10
|
-0,20
|
|
11:23:26
|
44,40
|
50,14
|
50,00
|
11,10
|
-0,30
|
|
11:23:27
|
44,40
|
49,89
|
50,10
|
11,10
|
-0,20
|
|
11:23:28
|
44,40
|
49,89
|
50,00
|
11,10
|
0,10
|
|
11:23:29
|
44,30
|
49,92
|
50,00
|
11,10
|
0,40
|
|
11:23:30
|
44,30
|
50,03
|
49,90
|
11,10
|
0,20
|
|
11:23:31
|
44,30
|
50,03
|
50,00
|
11,10
|
0,10
|
|
11:23:32
|
44,30
|
50,03
|
50,00
|
11,10
|
0,10
|
|
11:23:33
|
44,30
|
50,03
|
50,00
|
11,10
|
0,00
|
|
11:23:34
|
44,30
|
50,03
|
50,00
|
11,10
|
0,00
|
|
11:23:35
|
44,20
|
50,00
|
49,90
|
11,10
|
-0,20
|
|
11:23:36
|
44,30
|
50,00
|
49,90
|
11,10
|
-0,40
|
|
11:23:37
|
44,20
|
49,97
|
49,90
|
11,10
|
-0,10
|
|
11:23:38
|
44,20
|
49,97
|
49,90
|
11,10
|
-0,10
|
|
11:23:39
|
44,20
|
49,97
|
49,90
|
11,10
|
-0,10
|
|
11:23:40
|
44,20
|
49,94
|
49,80
|
11,10
|
-0,30
|
|
11:23:41
|
44,20
|
49,97
|
49,80
|
11,10
|
-0,30
|
|
11:23:42
|
44,20
|
49,83
|
49,90
|
11,10
|
-0,20
|
|
11:23:43
|
44,20
|
49,83
|
49,90
|
11,10
|
-0,10
|
|
11:23:44
|
44,20
|
49,83
|
49,80
|
11,10
|
0,00
|
|
11:23:45
|
44,20
|
49,83
|
49,80
|
11,10
|
0,00
|
|
11:23:47
|
44,20
|
49,83
|
49,90
|
11,10
|
0,00
|
|
11:23:48
|
44,20
|
49,83
|
49,80
|
11,10
|
0,00
|
|
11:23:49
|
44,20
|
49,83
|
49,90
|
11,10
|
0,00
|
|
11:23:50
|
44,20
|
49,83
|
49,90
|
11,10
|
0,00
|
|
11:23:51
|
44,20
|
49,83
|
49,90
|
11,10
|
0,10
|
|
11:23:52
|
44,20
|
49,83
|
49,90
|
11,10
|
0,10
|
|
11:23:53
|
44,20
|
49,83
|
49,90
|
11,10
|
0,10
|
|
11:23:54
|
44,20
|
49,90
|
11,10
|
0,20
|
|
11:23:55
|
44,30
|
49,83
|
49,90
|
11,10
|
0,30
|
|
11:23:56
|
44,20
|
49,83
|
49,90
|
11,10
|
0,30
|
|
11:23:57
|
48,00
|
49,86
|
53,30
|
11,70
|
0,40
|
|
11:23:58
|
54,40
|
59,26
|
59,00
|
12,70
|
-0,40
|
|
11:23:59
|
54,30
|
59,60
|
59,00
|
12,70
|
0,40
|
|
11:24:00
|
54,30
|
58,84
|
59,00
|
12,70
|
-0,40
|
|
11:24:01
|
54,30
|
58,62
|
59,00
|
12,70
|
0,30
|
|
11:24:02
|
54,40
|
59,15
|
59,00
|
12,70
|
0,30
|
|
11:24:03
|
54,30
|
59,15
|
59,00
|
12,70
|
0,00
|
|
11:24:04
|
54,40
|
59,15
|
59,00
|
12,70
|
-0,30
|
|
11:24:06
|
54,30
|
59,01
|
59,00
|
12,70
|
0,00
|
|
11:24:07
|
54,40
|
59,01
|
59,00
|
12,70
|
0,00
|
|
11:24:08
|
54,30
|
59,01
|
59,00
|
12,70
|
0,00
|
|
11:24:09
|
54,30
|
59,01
|
59,00
|
12,70
|
0,00
|
|
11:24:10
|
54,30
|
59,01
|
59,00
|
12,70
|
0,00
|
|
11:24:11
|
54,40
|
59,01
|
59,00
|
12,70
|
0,00
|
|
11:24:12
|
54,40
|
59,01
|
59,00
|
12,70
|
0,00
|
|
11:24:13
|
54,30
|
59,01
|
59,00
|
12,70
|
0,00
|
|
11:24:14
|
54,30
|
59,01
|
58,90
|
12,70
|
0,00
|
|
11:24:15
|
54,40
|
59,01
|
59,00
|
12,70
|
0,00
|
|
11:24:16
|
54,30
|
59,01
|
59,00
|
12,70
|
0,00
|
|
11:24:17
|
54,30
|
59,01
|
59,00
|
12,70
|
0,00
|
|
11:24:18
|
54,30
|
59,01
|
59,00
|
12,70
|
-0,10
|
|
11:24:19
|
54,30
|
59,04
|
59,00
|
12,70
|
-0,20
|
|
11:24:20
|
54,30
|
59,01
|
59,00
|
12,70
|
-0,20
|
|
11:24:21
|
54,30
|
59,01
|
59,00
|
12,70
|
-0,20
|
|
11:24:22
|
54,30
|
59,01
|
58,90
|
12,70
|
-0,30
|
|
11:24:23
|
54,30
|
59,01
|
59,00
|
12,70
|
-0,30
|
|
11:24:24
|
54,30
|
59,01
|
59,00
|
12,70
|
-0,40
|
|
11:24:25
|
54,30
|
58,95
|
59,00
|
12,70
|
0,00
|
|
11:24:27
|
54,30
|
58,95
|
58,90
|
12,70
|
0,00
|
|
11:24:28
|
54,30
|
58,98
|
59,00
|
12,70
|
0,00
|
|
11:24:29
|
54,30
|
58,95
|
59,00
|
12,70
|
0,00
|
|
11:24:30
|
54,30
|
58,95
|
59,00
|
12,70
|
0,00
|
|
11:24:31
|
54,30
|
58,95
|
59,00
|
12,70
|
0,00
|
|
11:24:32
|
54,30
|
58,95
|
59,00
|
12,70
|
0,00
|
|
11:24:33
|
49,10
|
53,15
|
54,30
|
11,90
|
-0,10
|
|
11:24:34
|
49,20
|
55,16
|
54,40
|
11,90
|
-0,10
|
|
11:24:35
|
49,10
|
53,77
|
54,40
|
11,90
|
0,20
|
|
11:24:36
|
49,20
|
54,82
|
54,40
|
11,90
|
0,10
|
|
11:24:37
|
49,10
|
54,07
|
54,30
|
11,90
|
0,00
|
|
11:24:38
|
49,10
|
54,07
|
54,30
|
11,90
|
0,50
|
|
11:24:39
|
49,20
|
54,57
|
54,40
|
11,90
|
0,20
|
|
11:24:40
|
49,20
|
54,54
|
54,40
|
11,90
|
-0,10
|
|
11:24:41
|
49,20
|
54,52
|
54,40
|
11,90
|
-0,40
|
|
11:24:42
|
49,10
|
54,38
|
54,30
|
11,90
|
-0,10
|
|
11:24:43
|
49,20
|
54,41
|
54,40
|
11,90
|
0,00
|
|
11:24:44
|
49,10
|
54,41
|
54,30
|
11,90
|
0,00
|
|
11:24:45
|
49,20
|
54,38
|
54,40
|
11,90
|
0,00
|
|
11:24:46
|
49,20
|
54,38
|
54,40
|
11,90
|
0,00
|
|
11:24:48
|
49,20
|
54,38
|
54,40
|
11,90
|
0,00
|
|
11:24:48
|
49,20
|
54,41
|
54,40
|
11,90
|
0,10
|
|
11:24:50
|
49,30
|
54,38
|
54,40
|
11,90
|
0,10
|
|
11:24:51
|
49,20
|
54,41
|
54,40
|
11,90
|
0,10
|
|
11:24:52
|
49,20
|
54,38
|
54,40
|
11,90
|
0,10
|
|
11:24:53
|
49,30
|
54,38
|
54,40
|
11,90
|
0,10
|
|
11:24:54
|
49,20
|
54,38
|
54,40
|
11,90
|
0,10
|
|
11:24:55
|
49,20
|
54,41
|
54,40
|
11,90
|
|
11:24:56
|
49,30
|
54,38
|
54,40
|
11,90
|
0,10
|
|
11:24:57
|
49,20
|
54,38
|
54,40
|
11,90
|
0,10
|
|
11:24:58
|
49,30
|
54,41
|
54,40
|
11,90
|
0,10
|
|
11:24:59
|
49,30
|
54,38
|
54,50
|
11,90
|
0,20
|
|
11:25:00
|
49,40
|
54,41
|
54,50
|
11,90
|
0,30
|
|
11:25:01
|
49,40
|
54,38
|
54,60
|
11,90
|
0,30
|
|
11:25:02
|
49,30
|
54,41
|
54,40
|
11,90
|
0,30
|
|
11:25:03
|
49,30
|
54,43
|
54,50
|
11,90
|
0,50
|
|
11:25:04
|
49,40
|
54,52
|
54,50
|
11,90
|
0,20
|
|
11:25:05
|
49,40
|
54,49
|
54,50
|
11,90
|
0,10
|
|
11:25:06
|
49,40
|
54,52
|
54,50
|
11,90
|
0,10
|
|
11:25:07
|
49,40
|
54,52
|
54,60
|
11,90
|
0,10
|
|
11:25:09
|
49,40
|
54,49
|
54,60
|
11,90
|
0,30
|
|
11:25:10
|
49,50
|
54,57
|
54,60
|
11,90
|
0,50
|
|
11:25:11
|
49,50
|
54,71
|
54,60
|
11,90
|
0,20
|
|
11:25:12
|
49,50
|
54,68
|
54,70
|
11,90
|
0,10
|
|
11:25:13
|
49,50
|
54,68
|
54,70
|
11,90
|
0,10
|
|
11:25:14
|
49,50
|
54,71
|
54,70
|
11,90
|
0,00
|
|
11:25:15
|
49,50
|
54,68
|
54,70
|
11,90
|
0,10
|
|
11:25:16
|
49,50
|
54,71
|
54,70
|
11,90
|
0,10
|
|
11:25:17
|
49,50
|
54,71
|
54,70
|
11,90
|
0,10
|
|
11:25:18
|
49,50
|
54,68
|
54,70
|
11,90
|
0,00
|
|
11:25:19
|
49,50
|
54,68
|
54,70
|
11,90
|
0,00
|
|
11:25:20
|
49,50
|
54,71
|
54,70
|
11,90
|
0,00
|
|
11:25:21
|
49,50
|
54,68
|
54,70
|
11,90
|
0,00
|
|
11:25:22
|
44,40
|
50,67
|
50,10
|
11,10
|
0,20
|
|
11:25:23
|
44,50
|
49,61
|
50,10
|
11,10
|
-0,30
|
|
11:25:24
|
44,40
|
49,69
|
50,00
|
11,10
|
0,50
|
|
11:25:25
|
44,40
|
50,48
|
50,00
|
11,10
|
-0,20
|
|
11:25:26
|
44,40
|
49,94
|
50,10
|
11,10
|
-0,10
|
|
11:25:27
|
44,40
|
49,94
|
50,10
|
11,10
|
0,10
|
|
11:25:28
|
44,40
|
49,94
|
50,10
|
11,10
|
0,30
|
|
11:25:30
|
44,40
|
49,97
|
50,10
|
11,10
|
0,20
|
|
11:25:31
|
44,40
|
50,00
|
50,00
|
11,10
|
0,10
|
|
11:25:32
|
44,30
|
50,00
|
50,00
|
11,10
|
0,10
|
|
11:25:33
|
44,30
|
50,00
|
50,00
|
11,10
|
0,10
|
|
11:25:34
|
44,30
|
50,00
|
50,00
|
11,10
|
0,10
|
|
11:25:35
|
44,30
|
50,00
|
49,90
|
11,10
|
0,10
|
|
11:25:36
|
44,30
|
50,00
|
50,00
|
11,10
|
0,00
|
|
11:25:37
|
44,30
|
50,00
|
49,90
|
11,10
|
0,00
|
|
11:25:38
|
44,30
|
50,00
|
50,00
|
11,10
|
0,00
|
|
11:25:39
|
44,30
|
50,00
|
50,00
|
11,10
|
0,00
|
|
11:25:41
|
44,20
|
49,97
|
49,90
|
11,10
|
-0,10
|
|
11:25:42
|
44,30
|
49,97
|
49,90
|
11,10
|
-0,10
|
|
11:25:43
|
44,20
|
50,00
|
49,90
|
11,10
|
-0,20
|
|
11:25:44
|
44,20
|
49,97
|
49,90
|
11,10
|
-0,30
|
|
11:25:45
|
44,20
|
49,97
|
49,90
|
11,10
|
-0,30
|
|
11:25:46
|
44,20
|
49,97
|
49,90
|
11,10
|
-0,20
|
|
11:25:47
|
44,20
|
49,94
|
49,90
|
11,10
|
-0,20
|
|
11:25:48
|
44,20
|
49,97
|
49,90
|
11,10
|
-0,20
|
|
11:25:49
|
44,20
|
49,94
|
49,90
|
11,10
|
-0,30
|
|
11:25:50
|
44,20
|
49,94
|
49,90
|
11,10
|
-0,30
|
|
11:25:51
|
44,20
|
49,94
|
49,90
|
11,10
|
-0,30
|
|
11:25:52
|
44,20
|
49,97
|
49,90
|
11,10
|
-0,30
|
|
11:25:53
|
44,20
|
49,94
|
49,80
|
11,10
|
-0,30
|
|
11:25:54
|
44,20
|
49,97
|
49,80
|
11,10
|
-0,20
|
|
11:25:55
|
44,20
|
49,97
|
49,90
|
11,10
|
-0,10
|
|
11:25:56
|
44,30
|
49,97
|
49,90
|
11,10
|
-0,10
|
|
11:25:57
|
44,20
|
49,90
|
11,10
|
-0,10
|
|
11:25:58
|
44,30
|
49,97
|
49,90
|
11,10
|
0,00
|
|
11:25:59
|
44,30
|
49,94
|
49,90
|
11,10
|
0,00
|
|
11:26:00
|
44,20
|
49,97
|
49,90
|
11,10
|
0,00
|
|
11:26:02
|
99,10
|
100,07
|
99,20
|
19,80
|
0,60
|
|
11:26:03
|
99,10
|
100,01
|
99,20
|
19,90
|
-0,30
|
|
11:26:04
|
99,10
|
99,91
|
99,20
|
19,90
|
-0,30
|
|
11:26:05
|
99,10
|
99,96
|
99,20
|
19,90
|
-0,30
|
|
11:26:06
|
99,20
|
99,96
|
99,30
|
19,90
|
0,00
|
|
11:26:07
|
99,10
|
99,77
|
99,20
|
19,90
|
0,30
|
|
11:26:08
|
99,20
|
98,63
|
99,30
|
19,90
|
0,30
|
|
11:26:09
|
99,20
|
98,91
|
99,30
|
19,90
|
-0,10
|
|
11:26:10
|
99,20
|
99,87
|
99,30
|
19,90
|
-0,10
|
|
11:26:11
|
99,30
|
98,96
|
99,30
|
19,90
|
0,40
|
|
11:26:12
|
99,30
|
98,86
|
99,40
|
19,90
|
0,30
|
|
11:26:13
|
99,30
|
99,82
|
99,40
|
19,90
|
-0,30
|
|
11:26:14
|
99,30
|
99,96
|
99,30
|
19,90
|
-0,10
|
|
11:26:15
|
99,30
|
99,01
|
99,30
|
19,90
|
0,30
|
|
11:26:16
|
99,20
|
99,62
|
99,30
|
19,90
|
-0,10
|
|
11:26:17
|
99,20
|
99,01
|
99,30
|
19,90
|
0,10
|
|
11:26:18
|
99,10
|
99,34
|
99,20
|
19,90
|
0,30
|
|
11:26:19
|
99,10
|
99,34
|
99,20
|
19,90
|
0,00
|
|
11:26:20
|
99,00
|
99,05
|
99,10
|
19,80
|
-0,20
|
|
11:26:21
|
99,10
|
99,01
|
99,20
|
19,80
|
0,00
|
|
11:26:23
|
98,90
|
99,05
|
99,00
|
19,80
|
0,10
|
|
11:26:24
|
98,90
|
99,05
|
99,10
|
19,80
|
0,10
|
|
11:26:25
|
98,90
|
99,01
|
99,10
|
19,80
|
0,20
|
|
11:26:26
|
98,90
|
99,01
|
99,10
|
19,80
|
0,20
|
|
11:26:27
|
99,00
|
99,05
|
99,10
|
19,80
|
0,20
|
|
11:26:28
|
99,00
|
99,01
|
99,10
|
19,80
|
0,20
|
|
11:26:29
|
99,00
|
99,05
|
99,10
|
19,80
|
0,30
|
|
11:26:30
|
99,00
|
99,10
|
99,10
|
19,80
|
0,30
|
|
11:26:31
|
99,00
|
99,10
|
99,10
|
19,80
|
0,20
|
|
11:26:32
|
99,10
|
99,10
|
99,20
|
19,90
|
0,20
|
|
11:26:33
|
99,10
|
99,10
|
99,20
|
19,90
|
0,20
|
|
11:26:34
|
99,10
|
99,10
|
99,20
|
19,90
|
0,30
|
|
11:26:35
|
99,20
|
99,10
|
99,30
|
19,90
|
0,40
|
|
11:26:36
|
99,10
|
99,24
|
99,20
|
19,90
|
0,20
|
|
11:26:37
|
99,10
|
99,24
|
99,20
|
19,90
|
0,10
|
|
11:26:38
|
99,10
|
99,24
|
99,20
|
19,90
|
0,10
|
|
11:26:39
|
99,20
|
99,29
|
99,30
|
19,90
|
0,00
|
|
11:26:40
|
99,20
|
99,29
|
99,30
|
19,90
|
0,10
|
|
11:26:41
|
99,20
|
99,24
|
99,30
|
19,90
|
0,10
|
|
11:26:42
|
99,20
|
99,29
|
99,30
|
19,90
|
0,20
|
|
11:26:44
|
99,30
|
99,29
|
99,40
|
19,90
|
0,40
|
|
11:26:45
|
99,30
|
99,39
|
99,30
|
19,90
|
0,20
|
|
11:26:46
|
99,30
|
99,39
|
99,30
|
19,90
|
0,10
|
|
11:26:47
|
99,20
|
99,39
|
99,30
|
19,90
|
0,00
|
|
11:26:48
|
99,20
|
99,34
|
99,30
|
19,90
|
-0,30
|
|
11:26:49
|
99,10
|
99,15
|
99,20
|
19,80
|
-0,10
|
|
11:26:50
|
99,00
|
99,15
|
99,10
|
19,80
|
0,00
|
|
11:26:51
|
98,90
|
99,15
|
99,10
|
19,80
|
0,00
|
|
11:26:52
|
99,00
|
99,15
|
99,10
|
19,80
|
-0,20
|
|
11:26:53
|
98,90
|
98,67
|
99,10
|
19,80
|
-0,10
|
|
11:26:55
|
98,90
|
99,48
|
99,00
|
19,80
|
-0,30
|
|
11:26:56
|
99,00
|
99,96
|
99,10
|
19,80
|
0,10
|
|
11:26:57
|
99,00
|
99,96
|
99,10
|
19,80
|
0,30
|
|
11:26:58
|
99,10
|
99,34
|
99,20
|
19,80
|
0,40
|
|
11:26:59
|
99,10
|
98,35
|
99,20
|
19,80
|
|
11:27:00
|
99,10
|
98,25
|
99,20
|
19,80
|
0,00
|
|
11:27:01
|
99,10
|
98,44
|
99,20
|
19,80
|
-0,10
|
|
11:27:02
|
99,10
|
99,96
|
99,20
|
19,90
|
-0,30
|
|
11:27:03
|
99,10
|
99,91
|
99,20
|
19,90
|
0,10
|
|
11:27:04
|
99,20
|
99,91
|
99,30
|
19,90
|
0,30
|
|
11:27:05
|
99,10
|
99,96
|
99,20
|
19,80
|
0,10
|
|
11:27:06
|
99,20
|
98,86
|
99,30
|
19,90
|
0,30
|
|
11:27:07
|
99,20
|
99,72
|
99,30
|
19,90
|
-0,20
|
|
11:27:08
|
99,20
|
99,01
|
99,30
|
19,90
|
0,40
|
|
11:27:09
|
99,20
|
98,91
|
99,30
|
19,90
|
-0,10
|
|
11:27:10
|
99,20
|
99,96
|
99,30
|
19,90
|
-0,20
|
|
11:27:11
|
99,30
|
99,96
|
99,30
|
19,90
|
0,20
|
|
11:27:12
|
99,30
|
98,63
|
99,30
|
19,90
|
0,40
|
|
11:27:13
|
99,30
|
99,05
|
99,40
|
19,90
|
-0,20
|
|
11:27:14
|
99,30
|
99,24
|
99,30
|
19,90
|
0,40
|
|
11:27:16
|
99,20
|
98,77
|
99,30
|
19,90
|
0,20
|
|
11:27:17
|
99,20
|
99,62
|
99,30
|
19,90
|
0,00
|
|
11:27:18
|
99,10
|
98,67
|
99,20
|
19,90
|
0,30
|
|
11:27:19
|
99,10
|
99,62
|
99,20
|
19,90
|
-0,30
|
|
11:27:20
|
99,00
|
99,72
|
99,10
|
19,80
|
0,30
|
|
11:27:21
|
99,10
|
98,58
|
99,20
|
19,80
|
0,20
|
|
11:27:22
|
99,00
|
99,19
|
99,10
|
19,80
|
-0,30
|
|
11:27:23
|
49,20
|
54,68
|
54,40
|
11,90
|
0,40
|
|
11:27:24
|
49,20
|
54,63
|
54,40
|
11,90
|
-0,40
|
|
11:27:25
|
49,20
|
54,07
|
54,40
|
11,90
|
0,20
|
|
11:27:26
|
49,20
|
54,57
|
54,40
|
11,90
|
0,20
|
|
11:27:27
|
49,20
|
54,54
|
54,40
|
11,90
|
-0,10
|
|
11:27:28
|
49,20
|
54,54
|
54,40
|
11,90
|
-0,30
|
|
11:27:29
|
49,20
|
54,38
|
54,40
|
11,90
|
-0,10
|
|
11:27:30
|
49,20
|
54,38
|
54,40
|
11,90
|
0,00
|
|
11:27:31
|
49,20
|
54,38
|
54,40
|
11,90
|
0,10
|
|
11:27:32
|
49,30
|
54,38
|
54,40
|
11,90
|
0,10
|
|
11:27:33
|
49,30
|
54,38
|
54,40
|
11,90
|
0,20
|
|
11:27:34
|
49,30
|
54,38
|
54,40
|
11,90
|
0,30
|
|
11:27:35
|
49,30
|
54,41
|
54,50
|
11,90
|
0,40
|
|
11:27:37
|
49,40
|
54,52
|
54,60
|
11,90
|
0,20
|
|
11:27:38
|
49,40
|
54,52
|
54,60
|
11,90
|
0,10
|
|
11:27:39
|
49,40
|
54,52
|
54,60
|
11,90
|
0,10
|
|
11:27:40
|
49,40
|
54,54
|
54,60
|
11,90
|
0,10
|
|
11:27:41
|
49,40
|
54,52
|
54,60
|
11,90
|
0,20
|
|
11:27:42
|
49,40
|
54,52
|
54,60
|
11,90
|
0,40
|
|
11:27:43
|
49,40
|
54,71
|
54,60
|
11,90
|
0,40
|
|
11:27:44
|
49,50
|
54,71
|
54,70
|
11,90
|
0,10
|
|
11:27:45
|
49,50
|
54,71
|
54,60
|
11,90
|
0,10
|
|
11:27:46
|
49,50
|
54,71
|
54,70
|
11,90
|
0,10
|
|
11:27:47
|
49,50
|
54,68
|
54,70
|
11,90
|
0,00
|
|
11:27:48
|
49,50
|
54,71
|
54,70
|
11,90
|
0,00
|
|
11:27:49
|
49,50
|
54,71
|
54,60
|
11,90
|
-0,10
|
|
11:27:50
|
49,40
|
54,68
|
54,60
|
11,90
|
-0,30
|
|
11:27:51
|
49,40
|
54,57
|
54,60
|
11,90
|
-0,20
|
|
11:27:52
|
49,40
|
54,60
|
54,50
|
11,90
|
0,00
|
|
11:27:53
|
49,30
|
54,57
|
54,40
|
11,90
|
-0,10
|
|
11:27:54
|
49,30
|
54,60
|
54,40
|
11,90
|
-0,40
|
Вывод:
На графиках прослеживаются статическая ошибка и
автоколебания связанные с конструктивными особенностями данного регулирующего
органа.
Таблица1
Анализ переходного процесса
|
Интервал
измерения
|
Длительность
переходного процесса
|
Количество
колебаний
|
Максимальный
выброс
|
|
75-70%
|
9
сек
|
4
|
0.7%
|
|
70-65%
|
20
сек
|
6
|
0.5%
|
|
70-75%
|
15
сек
|
4
|
0.7%
|
|
75-80%
|
25
сек
|
7
|
0.8%
|
|
80-70%
|
20
сек
|
6
|
0.7%
|
|
70-80%
|
14
сек
|
5
|
0.5%
|
6
сек
|
1
|
0.3%
|
|
45-50%
|
6
сек
|
2
|
0.5%
|
|
55-50%
|
7
сек
|
2
|
0.7%
|
|
50-55
|
6
сек
|
1
|
0.3%
|
Мёртвый угол - зазор между механическими
элементами системы управления, обычно связанными с вращением. Величина мёртвого
угла определяет степень поворота элемента управления, которая не приводит к
изменениям в управляемой системе. Чем выше мёртвый угол, тем большее
воздействие нужно применить к элементу управления для произведения хоть
какого-то изменения в объекте управления. Обычно мёртвый угол является
нежелательным явлением.
График работы системы при коэффициенте мертвого
угла 0%
На графике хорошо прослеживается
перерегулирование системы и относительно долгое время выхода на задание ввиду
несоответствующего коэффициента мёртвого угла.
Рис. 6 Реакция на тест изменения сигнала задания
при α=0%
График работы системы при коэффициенте мертвого
угла 15%
Рис. 7 Реакция на тест изменения сигнала задания
при α=15%
На графике хорошо прослеживается меньшее
перерегулирование системы и относительно малое время выхода на задание ввиду
соответствующего коэффициента мёртвого угла выбранного из таблицы для типа
клапана используемого на стенде.
График работы системы при коэффициенте мертвого
угла 30%
Рис. 8 Реакция на тест изменения сигнала задания
при α=30%
На графике хорошо прослеживается перерегулирование
системы и относительно долгое время выхода на задание ввиду несоответствующего
коэффициента мёртвого угла.
.2 Вывод о качестве системы
управления
Статических ошибок нет. Существенного различия
на графиках не наблюдается при различных значениях мертвого угла.
В целом система управления цифровым
исполнительным устройством достаточно успешно справляется с поставленной
задачей регулирования, но с небольшими отклонениями вызванными спецификой
конструктивных особенностей клапана и его привода.