Исследование аналого-цифрового преобразователя с помощью Elvis

  • Вид работы:
    Дипломная (ВКР)
  • Предмет:
    Информатика, ВТ, телекоммуникации
  • Язык:
    Русский
    ,
    Формат файла:
    MS Word
    2,21 Мб
  • Опубликовано:
    2012-05-17
Вы можете узнать стоимость помощи в написании студенческой работы.
Помощь в написании работы, которую точно примут!

Исследование аналого-цифрового преобразователя с помощью Elvis

ВВЕДЕНИЕ

Цель настоящей работы исследование процессов протекающих в аналого-цифровых преобразователях (АЦП) с помощью комплекта виртуальных измерительных приборов для учебных лабораторий «NI ELVIS». В качестве исследуемого АЦП разработан лабораторный стенд. Для конкретизации поставленных выше целей определим актуальность поставленной задачи, а именно исследование аналого-цифрового преобразования с помощью «NI ELVIS», а также кратко опишем АЦП как электронное устройство.

Аналого-цифровой преобразователь (АЦП, англ. Analog-to-digital converter, ADC) - устройство, преобразующее входной аналоговый сигнал в дискретный код (цифровой сигнал). Обратное преобразование осуществляется при помощи ЦАП (цифро-аналогового преобразователя, DAC).

Как правило, АЦП - электронное устройство, преобразующее напряжение в двоичный цифровой код. Тем не менее, некоторые неэлектронные устройства с цифровым выходом, следует также относить к АЦП, например, некоторые типы преобразователей угол-код. Простейшим одноразрядным двоичным АЦП является компаратор.

Надо отметить, что процесс аналого-цифрового преобразование используется везде, где требуется обрабатывать, хранить или передавать сигнал в цифровой форме, например:

АЦП являются составной частью систем сбора данных.

Быстрые видео АЦП используются, например, в ТВ-тюнерах (это параллельные и конвеерные АЦП).

Медленные встроенные 8, 10, 12 или 16-битные АЦП часто входят в состав микроконтроллеров (как правило они строятся по принципу поразрядного уравновешивания, точность их невысока).

Очень быстрые АЦП необходимы в цифровых осциллографах (параллельные и конвеерные).

Современные весы используют АЦП с разрядностью до 24 бит, преобразующие сигнал непосредственно от тензометрического датчика (сигма-дельта АЦП).

АЦП входят в состав радиомодемов и других устройств радиопередачи данных, где используются совместно с процессором цифровой обработки сигналов (ЦОС) в качестве демодулятора.

Сверхбыстрые АЦП используются в антенных системах базовых станций (в так называемых SMART-антеннах) и в антенных решётках РЛС.

Технология виртуальных инструментов «NI ELVIS» объединяет технические средства измерения и управления, прикладное программное обеспечение и стандартные промышленные компьютерные технологии с целью создания измерительных, тестовых, управляющих и других технических систем, функциональность которых определяется пользователем. Следовательно построение АЦП на платформе «NI ELVIS» дает ряд преимуществ в отличи от классического лабораторного стенда.

Предоставляет студенту гибкость, необходимую для модернизации стенда.

Экономичное использование стенда - компоненты стенда построенные на основе технологии виртуальных инструментов, могут быть использованы многократно в различных модификациях АЦП без приобретения дополнительных аппаратных средств и программного обеспечения.

Модульный характер технологии виртуальных приборов позволит с легкость добавлять новые функциональные возможности в создаваемый лабораторный стенд.

Лабораторный стенд не будет нагружен измерительными приборами так как «NI ELVIS» обладает функциональными возможностями комплекта привычных измерительных приборов. Виртуальные приборы строятся в среде LabVIEW и их показатели можно наблюдать на мониторе персонального компьютера, который подключен к комплекту виртуальных измерительных приборов.

Все эти преимущества сделают процесс обучения студентов более доступным, легким и прогрессивным.

1. ОПИСАНИЕ АНАЛОГОВ

.1 Обзор существующих АЦП

Виды АЦП:

. АЦП прямого преобразования или параллельный АЦП содержит по одному компаратору на каждый дискретный уровень входного сигнала. В любой момент времени только компараторы, соответствующие уровням ниже уровня входного сигнала, выдадут на своём выходе сигнал превышения. Сигналы со всех компараторов поступают на логический шифратор, генерирующий бинарный цифровой код в зависимости от количества логических единиц, присутствующих на его входе. Данные с шифратора фиксируются в параллельном регистре, и, в общем случае, частота дискретизации АЦП может зависеть лишь от аппаратных характеристик логических и аналоговых элементов, а также от частоты требуемой выборки значений.

Рисунок 1 - Параллельный АЦП

Параллельные АЦП очень быстры, но обычно имеют разрешение не более 8 бит (256 компараторов), так как влекут за собой большие аппаратные затраты. АЦП этого типа имеют очень большой размер кристалла микросхемы, высокую входную ёмкость, и могут выдавать кратковременные ошибки на выходе. Часто используются для видео или других высокочастотных сигналов, а также широко применяются в промышленности для отслеживания быстро изменяющихся процессов в реальном времени.

. Последовательно-параллельные АЦП сохраняя высокое быстродействие позволяет значительно уменьшить количество компараторов, требующееся для преобразования аналогового сигнала в цифровой. Содержат в своем составе два - три параллельных АЦП. Второй АЦП служит для уменьшения ошибки квантования первого АЦП путем оцифровки этой ошибки. Для увеличения скорости выходного оцифрованного потока данных в последовательно-параллельных АЦП применяется конвейерная работа параллельных АЦП.

Рисунок 2 - Двухступенчатый АЦП

. АЦП последовательного приближения или АЦП с поразрядным уравновешиванием содержит компаратор, вспомогательный ЦАП и регистр последовательного приближения. АЦП преобразует аналоговый сигнал в цифровой за N шагов, где N - разрядность АЦП. На каждом шаге определяется по одному биту искомого цифрового значения, начиная от СЗР и заканчивая МЗР. Последовательность действий по определению очередного бита заключается в следующем. На вспомогательном ЦАП выставляется аналоговое значение, образованное из битов, уже определённых на предыдущих шагах; бит, который должен быть определён на этом шаге, выставляется в 1, более младшие биты установлены в 0. Полученное на вспомогательном ЦАП значение сравнивается с входным аналоговым значением. Если значение входного сигнала больше значения на вспомогательном ЦАП, то определяемый бит получает значение 1, в противном случае 0. Таким образом, определение итогового цифрового значения напоминает двоичный поиск. АЦП этого типа обладают одновременно высокой скоростью и хорошим разрешением. Однако при отсутствии устройства выборки хранения погрешность будет значительно больше.

. АЦП дифференциального кодирования (англ. delta-encoded ADC) содержат реверсивный счётчик, код с которого поступает на вспомогательный ЦАП. Входной сигнал и сигнал со вспомогательного ЦАП сравниваются на компараторе. Благодаря отрицательной обратной связи с компаратора на счётчик код на счётчике постоянно меняется так, чтобы сигнал со вспомогательного ЦАП как можно меньше отличался от входного сигнала. По прошествии некоторого времени разница сигналов становится меньше, чем МЗР, при этом код счётчика считывается как выходной цифровой сигнал АЦП. АЦП этого типа имеют очень большой диапазон входного сигнала и высокое разрешение, но время преобразования зависит от входного сигнала, хотя и ограничено сверху. В худшем случае время преобразования равно Tmax=(2q)/fс, где q - разрядность АЦП, fс - частота тактового генератора счётчика. АЦП дифференциального кодирования обычно являются хорошим выбором для оцифровки сигналов реального мира, так как большинство сигналов в физических системах не склонны к скачкообразным изменениям. В некоторых АЦП применяется комбинированный подход: дифференциальное кодирование и последовательное приближение; это особенно хорошо работает в случаях, когда известно, что высокочастотные компоненты в сигнале относительно невелики.

. АЦП сравнения с пилообразным сигналом (некоторые АЦП этого типа называют Интегрирующие АЦП, также к ним относятся АЦП последовательного счета) содержат генератор пилообразного напряжения (в АЦП последовательного счета генератор ступенчатого напряжения, состоящий из счетчика и ЦАП), компаратор и счётчик времени. Пилообразный сигнал линейно нарастает до некоторого уровня, затем быстро спадает до нуля. В момент начала нарастания запускается счётчик времени. Когда пилообразный сигнал достигает уровня входного сигнала, компаратор срабатывает и останавливает счётчик; значение считывается со счётчика и подаётся на выход АЦП. Данный тип АЦП является наиболее простым по структуре и содержит минимальное число элементов. Вместе с тем простейшие АЦП этого типа обладают довольно низкой точностью и чувствительны к температуре и другим внешним параметрам. Для увеличения точности генератор пилообразного сигнала может быть построен на основе счётчика и вспомогательного ЦАП, однако такая структура не имеет никаких преимуществ по сравнению с АЦП последовательного приближения и АЦП дифференциального кодирования.

. АЦП с уравновешиванием заряда (к ним относятся АЦП с двухстадийным интегрированием, АЦП с многостадийным интегрированием и некоторые другие) содержат генератор стабильного тока, компаратор, интегратор тока, тактовый генератор и счётчик импульсов. Преобразование происходит в два этапа (двухстадийное интегрирование). На первом этапе значение входного напряжения преобразуется в ток (пропорциональный входному напряжению), который подаётся на интегратор тока, заряд которого изначально равен нулю. Этот процесс длится в течение времени TN, где T - период тактового генератора, N - константа (большое целое число, определяет время накопления заряда). По прошествии этого времени вход интегратора отключается от входа АЦП и подключается к генератору стабильного тока. Полярность генератора такова, что он уменьшает заряд, накопленный в интеграторе. Процесс разряда длится до тех пор, пока заряд в интеграторе не уменьшится до нуля. Время разряда измеряется путём счёта тактовых импульсов от момента начала разряда до достижения нулевого заряда на интеграторе. Посчитанное количество тактовых импульсов и будет выходным кодом АЦП. Можно показать, что количество импульсов n, посчитанное за время разряда, равно: n=UвхN(RI0)−1, где Uвх - входное напряжение АЦП, N - число импульсов этапа накопления (определено выше), R - сопротивление резистора, преобразующего входное напряжение в ток, I0 - значение тока от генератора стабильного тока, разряжающего интегратор на втором этапе. Таким образом, потенциально нестабильные параметры системы (прежде всего, ёмкость конденсатора интегратора) не входят в итоговое выражение. Это является следствием двухстадийности процесса: погрешности, введённые на первом и втором этапах, взаимно вычитаются. Не предъявляются жёсткие требования даже к долговременной стабильности тактового генератора и напряжению смещения компаратора: эти параметры должны быть стабильны лишь кратковременно, то есть в течение каждого преобразования (не более 2TN). Фактически, принцип двухстадийного интегрирования позволяет напрямую преобразовывать отношение двух аналоговых величин (входного и образцового тока) в отношение числовых кодов (n и N в терминах, определённых выше) практически без внесения дополнительных ошибок. Типичная разрядность АЦП этого типа составляет от 10 до 18 двоичных разрядов. Дополнительным достоинством является возможность построения преобразователей, нечувствительных к периодическим помехам (например, помеха от сетевого питания) благодаря точному интегрированию входного сигнала за фиксированный временной интервал. Недостатком данного типа АЦП является низкая скорость преобразования. АЦП с уравновешиванием заряда используются в измерительных приборах высокой точности.

. Конвейерные АЦП используют два или более шага-поддиапазона. На первом шаге производится грубое преобразование (с низким разрешением). Далее определяется разница между входным сигналом и аналоговым сигналом, соответствующим результату грубого преобразования (со вспомогательного ЦАП, на который подаётся грубый код).

Рисунок 3 - Конвеерный АЦП

На втором шаге найденная разница подвергается преобразованию, и полученный код объединяется с грубым кодом для получения полного выгодного цифрового значения. АЦП этого типа быстры, имеют высокое разрешение и небольшой размер корпуса.

. АЦП с промежуточным преобразованием в частоту следования импульсов. Сигнал с датчика проходит через преобразователь уровня, а затем через преобразователь напряжение-частота. Таким образом на вход непосредственно логической схемы поступает сигнал, характеристикой которого является лишь частота импульсов. Логический счётчик принимает эти импульсы на вход в течение времени выборки, таким образом, выдавая к её окончанию кодовую комбинацию, численно равную количеству импульсов, пришедших на преобразователь за время выборки. Такие АЦП довольно медленны и не очень точны, но тем не менее очень просты в исполнении и поэтому имеют низкую стоимость.

. Сигма-дельта-АЦП (называемые также дельта-сигма АЦП) производит аналого-цифровое преобразование с частотой дискретизации, во много раз превышающей требуемую и путём фильтрации оставляет в сигнале только нужную спектральную полосу.

Рисунок 4 - Сигма-дельта АЦП

Обзор устройств для сбора данных

Системы сбора данных принимают, обрабатывают и анализируют сигналы от реальных физических объектов. Свет, температура, давление, крутящий момент - вот примеры различных типов сигналов, которые могут быть

измерены. Сбор данных - это процесс измерения электрических сигналов,

поступающих от сенсоров, датчиков или преобразователей и ввод

результатов измерения в компьютер для обработки. В системах сбора

данных может также производиться вывод аналоговых или цифровых

сигналов управления. Обычно система сбора данных (DAQ-система) состоит из следующих компонентов:

Первичный измерительный преобразователь (датчик) - устройство,

которое преобразует физическую величину, такую, как свет,

температура, давление или звук в электрический сигнал, например в

электрическое напряжение или ток, который может быть сравнительно

просто измерен.

Сигнал - результат преобразования физической величины датчиком.

Устройства кондиционирования (промежуточного, дополнительного

преобразования) сигналов - технические средства, которые могут быть

подключены к измерительному прибору для того, чтобы сигнал

удобнее было измерять, чтобы увеличить точность измерений или уменьшить шум. Основные виды кондиционирования сигналов - это

усиление, возбуждение, линеаризация, развязка и фильтрация.

Аппаратура DAQ - аппаратные средства, используемые для получения,

сбора и обработки данных.

Программное обеспечение - программные средства корпорации NI,

специально разработанные для упрощения проектирования и

программирования прикладных измерительных и управляющих систем,

приложения для управления приборами и измерения сигналов. На рисунке 5 изображены компоненты типовой системы сбора данных.

Рисунок 5 - Типовая система сбора данных

Функциональные возможности набора типовых лабораторных измерительных приборов в NI ELVIS реализованы на основе многофункционального устройства ввода-вывода (DAQ), специальной настольной рабочей станции, макетной платы и программ, разработанных в среде LabVIEW.

В настольную рабочую станцию NI ELVIS встроены аппаратно реализованные функциональный генератор и регулируемые блоки питания. А спроектированные в LabVIEW лицевые панели (Soft Front Panel - SFP) измерительных приборов объединяют функциональность DAQ-устройства (модуля ввода-вывода) и рабочей станции NI ELVIS, предоставляя возможность работы со следующими приборами:

Генератором сигналов произвольной формы (Arbitrary Waveform Generator - ARB)

Анализатором амплитудно- и фазочастотных характеристик (Bode Analyzer)

Устройством чтения с цифровой шины (Digital Bus Reader)

Устройством записи на цифровую шину (Digital Bus Writer)

Цифровым мультиметром (Digital Multimeter - DMM)

Анализатором спектра (Dynamic Signal Analyzer - DSA)

Функциональным генератором сигналов (Function Generator - FGEN)

Анализатором импеданса (Impedance Analyzer)

Осциллографом (Oscilloscope - Scope)

Анализатором вольтамперной характеристики двухполюсников (Two-Wire Current Voltage Analyzer)

Анализатором вольтамперной характеристики четырехполюсников (Three-Wire Current Voltage Analyzer)

Регулируемыми источниками питания (Variable Power Supplies)

Кроме перечисленных приборов, в NI ELVIS имеется набор высокоуровневых функций LabVIEW, которые можно использовать для усовершенствования средств отображения данных и организации экспериментов, а также для управления рабочей станцией NI ELVIS из LabVIEW.

2. ОПИСАНИЕ ПРОЕКТИРУЕМОГО ИЗДЕЛИЯ

Проектируемым изделием выбран лабораторный стенд аналого-цифрового преобразователя. Лабораторный стенд выполнен на основе системы «NI ELVIS».

Рисунок 6 - Схема размещения компонентов системы NI ELVIS на базе настольного компьютера: 1 - Настольный компьютер; 2 - DAQ-устройство серии М с 68 контактным разъемом; 3 - Экранированный кабель для устройств серии М; 4 - Макетная плата; 5 - Настольная рабочая станция NI ELVIS

Настольная рабочая станция NI ELVIS:

Настольная рабочая станция и DAQ-устройство (модуль ввода-вывода) вместе образуют завершенную лабораторную установку. Рабочая станция обеспечивает подключение исследуемых объектов и определяет функциональность лабораторной установки. На панели управления станции расположены простые органы управления функциональным генератором и регулируемыми блоками питания, а также удобные средства подключения к осциллографу и цифровому мультиметру NI ELVIS - BNC-разъемы и разъемы штекерного типа. Программное обеспечение NI ELVIS маршрутизирует сигналы в настольной рабочей станции между приборами. Например, выходной сигнал функционального генератора может быть направлен на определенный канал модуля ввода-вывода и, в конечном счете, этот сигнал окажется на нужном канале осциллографа NI ELVIS. Рабочая станция содержит также плату защиты, предохраняющую модуль ввода-вывода от повреждений, которые могут случиться при ошибочных действиях с лабораторным оборудованием.

Аналого-цифровой преобразователь собран непосредственно на макетной плате NI ELVIS. Макетная плата NI ELVIS устанавливается в настольную рабочую станцию и предназначена для монтажа электронной схемы и подключения ее через соответствующие разъемы к приборам. С одной рабочей станцией можно использовать несколько сменных макетных плат. Макетная плата подключается к рабочей станции с помощью стандартного разъёма PCI, поэтому вы можете разрабатывать собственные печатные платы и подключать их к NI ELVIS. Все входные и выходные разъёмы NI ELVIS представлены по обеим сторонам зоны макетирования рядами коммутационных гнезд и могут быть использованы для подключения. Каждому сигналу соответствует "строка" гнезд, причём гнезда сгруппированы в соответствии с их функциональным назначением.

На рисунке 7 приведена схема расположения компонентов макетной платы.

Рисунок 7 - Схема расположения компонентов макетной платы

Гнезда аналоговых входов, осциллографа и гнезда линий ввода/вывода с программируемыми функциями

Гнезда цифрового ввода/вывода

Группа индикаторов

Разъем типа D-Sub

Гнезда счетчика-таймера, пользовательских линий ввода/вывода и источника питания постоянного тока

Гнезда мультиметра, аналоговых выходов, функционального генератора, пользовательских линий ввода/вывода, регулируемых источников питания и источников питания постоянного тока

Индикаторы питания

BNC-разъёмы

Разъёмы штекерного типа

Аналого-цифровой преобразователь собран по схеме - последовательного приближения. Преобразователь этого типа, называемый в литературе также АЦП с поразрядным уравновешиванием, является наиболее распространенным вариантом последовательных АЦП.

В основе работы этого класса преобразователей лежит принцип дихотомии, т.е последовательного сравнения измеряемой величины с 1/2, 1/4, 1/8 и т.д. от возможного максимального значения ее. Это позволяет для N-разрядного АЦП последовательного приближения выполнить весь процесс преобразования за N последовательных шагов (итераций) вместо 2N-1 при использовании последовательного счета и получить существенный выигрыш в быстродействии. Так, уже при N=10 этот выигрыш достигает 100 раз и позволяет получить с помощью таких АЦП до 105...106 преобразований в секунду. В то же время статическая погрешность этого типа преобразователей, определяемая в основном используемым в нем ЦАП, может быть очень малой, что позволяет реализовать разрешающую способность до 18 двоичных разрядов при частоте выборок до 200 кГц .

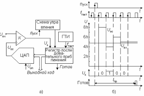
Структурная схема и временны диаграммы АЦП последовательного приближения представлены на рисунке 8.

Рассмотрим принципы построения и работы АЦП последовательного приближения на примере классической структуры (рисунок 8а) 4-разрядного преобразователя, состоящего из трех основных узлов: компаратора, регистра последовательного приближения (РПП) и ЦАП.

После подачи команды "Пуск" с приходом первого тактового импульса РПП принудительно задает на вход ЦАП код, равный половине его шкалы (для 4-разрядного ЦАП это 10002=810). Благодаря этому напряжение Uос на выходе ЦАП (рисунок 8б)

Рисунок 8 - Структурная схема и временные диаграммы АЦП последовательного приближения

Uос=23h. (1)

где h - квант выходного напряжения ЦАП, соответствующий единице младшего разряда (ЕМР). Эта величина составляет половину возможного диапазона преобразуемых сигналов. Если входное напряжение больше, чем эта величина, то на выходе компаратора устанавливается 1, если меньше, то 0. В этом последнем случае схема управления должна переключить старший разряд d3 обратно в состояние нуля. Непосредственно вслед за этим остаток

вх - d3 23 h (2)

таким же образом сравнивается с ближайшим младшим разрядом и т.д. После четырех подобных выравнивающих шагов в регистре последовательного приближения оказывается двоичное число, из которого после цифро-аналогового преобразования получается напряжение, соответствующее Uвх с точностью до 1 ЕМР. Выходное число может быть считано с РПП в виде параллельного двоичного кода по N линиям. Кроме того, в процессе преобразования на выходе компаратора, как это видно из рисунка 8б, формируется выходное число в виде последовательного кода старшими разрядами вперед.

Быстродействие АЦП данного типа определяется суммой времени установления tуст. ЦАП до установившегося значения с погрешностью, не превышающей 0,5 ЕМР, времени переключения компаратора tк и задержки распространения сигнала в регистре последовательного приближения tз. Сумма tк + tз является величиной постоянной, а tуст уменьшается с уменьшением веса разряда. Следовательно для определения младших разрядов может быть использована более высокая тактовая частота. При поразрядной вариации fтакт возможно уменьшение времени преобразования tпр на 40%. Для этого в состав АЦП может быть включен контроллер.

При работе без устройства выборки-хранения апертурное время равно времени между началом и фактическим окончанием преобразования, которое так же, как и у АЦП последовательного счета, по сути зависит от входного сигнала, т.е. является переменным. Возникающие при этом апертурные погрешности носят также нелинейный характер. Поэтому для эффективного использования АЦП последовательного приближения, между его входом и источником преобразуемого сигнала следует включать УВХ. Большинство выпускаемых в настоящее время ИМС АЦП последовательного приближения (например, 12-разрядный МАХ191, 16-разрядный AD7882 и др.), имеет встроенные устройства выборки-хранения или, чаще, устройства слежения-хранения (track-hold), управляемые сигналом запуска АЦП. Устройство слежения-хранения отличается тем, что постоянно находится в режиме выборки, переходя в режим хранения только на время преобразования сигнала.

Данный класс АЦП занимает промежуточное положение по быстродействию, стоимости и разрешающей способности между последовательно-параллельными и интегрирующими АЦП и находит широкое применение в системах управления, контроля и цифровой обработки сигналов.

Рисунок 9 - структурная схема лабораторного стенда АЦП

3. КОНСТРУКТОРСКАЯ ЧАСТЬ

.1 Структурная схема

На рисунке 9 приведены основные компоненты лабораторного стенда АЦП. На структурной схеме персональный компьютер и плата сопряжения выделены в два отдельных блока, но на практике плата сопряжения (плата сбора данных) установлена в системном блоке (шина PCI). Также под блоком «Плата NI ELVIS» следует рассматривать как сам комплект измерительных приборов NI ELVIS, так и макетную плату на которой собран АЦП.

3.2 Описание структурной схемы

ПК (персональный компьютер). Интерфейс ПК позволяет отслеживать, измерять, а также корректировать параметры АЦП в реальном времени. Так как комплект NI ELVIS является законченным аппаратным устройством, он не предъявляет высоких требований. В NI ELVIS используется программное обеспечение, разработанное в среде LabVIEW которое требует от ПК следущии минимальные системные требования:

Процессор - Pentium 4/M или аналог

Оперативная память - 512 MB (Мегабайт)

Видеокарта поддерживающая разрешение 1024х768

Свободное пространство на диске - 1 GB (Гигабайт)

Браузер Internet Explorer 5.0 или более поздней версии

Плата сопряжения (плата сбора данных) в данной конфигурации используется плата NI 6221 М - серии она является не дорогой платой сбора данных, предназначена для приложений, в которых определяющим фактором является стоимость устройств. Внешний вид платы NI 6221 представлен на рисунке 10, технические характеристики приведены в таблице 1.

Рисунок 10 - Внешний вид платы сбора данных М - серии

Таблица 1 - технические характеристики NI 6221

Особенности

NI 6221

Шина

PCI

Аналоговые входы

16 SE/ 8 DI

Частота оцифровки сигналов

250 кГц

Разрешение АЦП (бит)

16

Встроенное согласование сигналов

-

Максимальное входное напряжение (В)

±10

Число входных диапазонов

4

Аналоговый запуск

-

Аналоговые выходы

0

Разрешение ЦАП (бит)

-

Максимальная частота работы ЦАП

-

Цифровые каналы

10

Цифровые каналы с аппаратным тактированием, частота ввода/вывода

2, до 1МГц

Количество счетчиков, разрешение (бит), частота (МГц)

2, 32, 80


Плата NI ELVIS (рабочая станция NI ELVIS, макетная плата). Функциональные возможности набора типовых лабораторных измерительных приборов в NI ELVIS реализованы на основе многофункционального устройства ввода-вывода (DAQ), специальной настольной рабочей станции, макетной платы и программ, разработанных в среде LabVIEW. В настольную рабочую станцию NI ELVIS встроены аппаратно реализованные функциональный генератор и регулируемые блоки питания. Внешний вид и расположение компонентов макетной платы показано на рисунке 3, панель управления рабочей станцией и вид сзади на настольную рабочую станцию NI ELVIS показан на рисунках 11,12.

Рисунок 11 - Панель управления настольной рабочей станции

System Power - индикатор питания системы 5 Function Generator - элементы управления функциональным генератором

Prototyping Board Power - выключатель питания макетной платы

Communication - переключатель связи

Variable Power Supplies - элементы управления регулируемыми блоками питания

DMM - клеммы для подключения к мультиметру

SCOPE - разъемы для подключения к осциллографу

Рисунок 12 - Вид сзади на настольную рабочую станцию NI ELVIS

Выключатель питания рабочей станции

Разъем для подключения источника питания постоянного/переменного тока

68-контактный разъем для подключения кабеля от модуля ввода-вывода

АЦП последовательного приближения разбит на 4 блока:

Компаратор ATtiny2313

Регистр последовательного приближения (РПП) ATtiny2313

Цифро-аналоговый преобразователь (ЦАП), выполнен по резистивной схеме R2R

Индикация - семь светодиодов подключенные к портам A1, B1, B2, B3, B4, B5, B6, B7 микроконтроллера ATtiny2313 через ограничительные резисторы

3.3 Описание электрической принципиальной схемы

Электрическая принципиальная схема АЦП состоит из основных блоков:

Компаратор

Регистр последовательного приближения (РПП)

Резистивный цифро-аналоговый преобразователь (ЦАП)

Индикациия

Питание

На рисунке 9 представлена электрическая принципиальная схема АЦП.

Рисунок 13 - АЦП электрическая принципиальная схема

Компаратор - компаратор находится в микросхеме D1 ATtiny2313. Принцип работы компаратора - сравнение величины входного напряжения с выходным напряжением после резистивного ЦАП, если входное напряжение больше напряжения после ЦАП то на входе компаратора устанавливается «1».

В том случае если входное напряжение меньше выходного после ЦАП устанавливается 0.

Регистр последовательного приближения - РПП находится также в микросхеме D1. В начале цикла преобразования все выходы этого регистра устанавливаются в логический 0, за исключением первого (старшего) разряда (порт D0 микроконтроллера D1). Это формирует на выходе цифро-аналогового преобразователя (ЦАП) сигнал, значение которого равно половине входного диапазона АЦП. А выход компаратора переключается в состояние, определяющее разницу между сигналом на выходе ЦАП и измеряемым входным напряжением. Например, для 7-разрядного АЦП последовательного приближения выходы регистра при этом устанавливаются в "1000000". Если входное напряжение меньше половины входного диапазона АЦП, тогда выход компаратора примет значение логического 0. Это дает регистру последовательного приближения команду переключить свои выходы в состояние "0100000", что соответственно приведет к изменению выходного напряжения с ЦАП, подаваемого на компаратор. Когда выходное напряжение ЦАП станет меньше входного напряжения, компаратор переключается в состояние логической 1. Это предписывает регистру последовательного приближения сохранить "1" в разряд при котором напряжение на выходе ЦАП меньше чем входное напряжение.

Резистивный цифро-аналоговый преобразователь - представляет собой резистивную матрицу r2r. Опорное напряжение последовательно делится на резистивной матрице. Номиналы резисторов могут быть любыми. Главное, чтобы горизонтальные ветви были по номиналу, ровно в два раза больше чем вертикальные.

Индикация - семь светодиодов (HL1…HL7), которые подключены через ограничительные резисторы (300 Ом) на порты B2…B7 и A1. Когда на порт приходит логическая «1» светодиод загорается.

Питание - схема питается от источника питания 5 вольт. Питание подается на 20 ножку D1 (VCC), конденсаторы на входе питания выполняют роль фильтра.

3.4 Алгоритм работы АЦП

Аналого-цифровой преобразователь последовательного приближения имеет следующий алгоритм работы:









































































3.5 Выбор микроконтроллера

Для реализации АЦП последовательного приближения необходимо использовать микроконтроллер, так как микроконтроллер может обеспечить функциями аналогового компаратора и регистра последовательного приближения. В таблице № 2 представлены характеристики микроконтроллеров семейства AVR.

Таблица 2 - Характеристики микроконтроллеров семейства AVR

Обозначение

Память программ (FLASH) [Кбайт]

Память  данных (ОЗУ) [байт]

Память  данных (EEPROM) [байт]

Количество  контактов ввода/вывода

Напряжение питания [В]

Тактовая Частота [МГц]

ATtiny11,

1

-

-

6

4.0…5.5

0…6

ATtiny11L





2.7…5.5

0…2

ATtiny12

1

-

64

6

4.0…5.5

0…8

ATtiny12L





2.7…5.5

0…4

ATtiny13

1

64

64

6

2.7…5.5 4.5…5.5

0…10 0…20

ATtiny13V





1.8…5.5 2.7…5.5

0…4 0…10

ATtiny15L

1

-

64

6

2.7…5.5

1.6

ATtiny2313

2

128

128

18

2.7…5.5 4.5…5.5

0…10 0…20

ATtiny2313v





1.8…5.5 2.7…5.5

0…4 0…10

ATtiny24

2

128

128

12

2.7…5.5 4.5…5.5

0…10 0…20

ATtiny24V





1.8…5.5 2.7…5.5

0…4 0…10

ATtiny25

2

128

128

6

2.7…5.5 4.5…5.5

0…10 0…20

ATtiny25V





1.8…5.5 2.7…5.5

0…4 0…10

ATtiny26

2

128

128

16

2.7…5.5 4.5…5.5

0…16

ATtiny26L





1.8…5.5 2.7…5.5

0…8

ATtiny28L

2

-

-

11

2.7…5.5

0…4

ATtiny28V





1.8…5.5

0…1.2

ATtiny44

4

128

128

12

2.7…5.5 4.5…5.5

0…10 0…20

ATtiny44V





1.8…5.5 2.7…5.5

0…4 0…10

ATtiny45

4

128

128

6

2.7…5.5 4.5…5.5

0…10 0…20

ATtiny45V












1.8…5.5 2.7…5.5

0…4 0…10

ATtiny84

4

128

128

12

2.7…5.5 4.5…5.5

0…10 0…20

ATtiny84V





1.8…5.5 2.7…5.5

0…4 0…10

ATtiny85

4

128

128

6

2.7…5.5 4.5…5.5

0…10 0…20

ATtiny85V





1.8…5.5 2.7…5.5

0…4 0…10


Выбор остановился на микроконтроллере семейства AVR - ATTiny 2313. ATTiny2313 - дешевый и доступный микроконтроллер. Он является возрождением в новой серии старого микроконтроллера AT90S2313, который в свое время вышел довольно удачным. ATTiny2313 улучшенный вариант своего предшественника. Но он также унаследовал и довольно скромную периферию. В плане функциональности ATTiny2313 прост. Микроконтроллер выпускается в двух вариантах - обычном (ATTiny2313) и с пониженным питанием (ATTiny2313V).

Рисунок 14 - микроконтроллер ATTiny2313 в PDIP и SOIC корпусе

Рисунок 15 - Размер микроконтроллера ATTiny2313 в PDIP и SOIC корпусе

Как и все микроконтроллеры AVR серии ATTiny2313 производителен и экономичен. Имеет удобный для разводки платы и пайки корпус SOIC. Расстояния между ножками относительно большое (можно даже провести дорожку на плате между соседними ножками). Простой в изучении. Имеется много литературы на русском языке. Ввиду большой популярности предшественника AT90S2313 разработано много интересных схем в сети для повторения, доступен, недорог. Для начала изучения микроконтроллеров - один из самых удобных вариантов. Из недостатков стоит отметить довольно скромную периферию на сегодняшний день. И как обратная сторона достоинства - корпус SOIC немного великоват. Небольшие объемы памяти не позволят сделать на ATTiny2313 масштабные проекты. В целом, хороший высокопроизводительный контроллер для небольших проектов, не требующих особой периферии. В своем АЦП использую по причине наилучшей доступности и дешевизны.

3.6 Описание микроконтроллера ATTiny 2313

Микросхема ATTiny 2313 представляет собой восьмиразрядный микроконтроллер с внутренне программируемой Flash-памятью размером 2 Кбайт.

Общие сведения:

Использует AVR RISC архитектуру- это высокое быстродействие и специальная RISC архитектура с низким потреблением

мощных инструкций, большинство из которых выполняется за один машинный цикл

восьмиразрядных регистра общего назначения

Полностью статическая организация (минимальная частота может быть равна 0)

До 20 миллионов операций в секунду (MIPS/Sec) при тактовой частоте 20 МГц

Сохранение программ и данных при выключенном питании:

Кбайт встроенной программируемой Flash-памяти, до 10000 циклов записи/стирания

До 100000 циклов записи/стирания

байт внутреннего ОЗУ (SRAM)

Программируемые биты защиты от чтения и записи программируемой памяти и EEPROM

Периферийные устройства:

Один 8-разрядный таймер/счетчик с программируемым предделителем и режимом совпадения

Один 16-разрядный таймер/счетчик с программируемым предделителем, режимом совпадения и режимом захвата

Четыре канала ШИМ (PWM)

Встроенный аналоговый компаратор

Программируемый сторожевой таймер и встроенный тактовый генератор

Универсальный последовательный интерфейс USI (Universal Serial Interface)

Полнодуплексный USART

Особенности микроконтроллера:

Специальный вход debug WIRE для управления встроенной системой отладки

Внутрисистемный программируемый последовательный интерфейс SPI

Поддержка как внешних, так и внутренних источников прерываний

Три режима низкого потребления (Idle, Power-down и Standby)

Встроенная система аппаратного сброса при включении питания

Внутренний перестраиваемый тактовый генератор

Цепи ввода - вывода и корпус

программируемых линий ввода - вывода

Три вида корпусов:- 20 контактов- 20 контактов/MLF - 20 контактных площадок

Напряжение питания

.8 - 5.5 Вольт

Диапазон частот тактового генератора:

- 10 МГц при напряжении 2.7 - 5.5 Вольт

- 20 МГЦ при напряжении 4.5 - 5.5 Вольт

Ток потребления в активном режиме:

МГц, 1.8 Вольт, 230 мкА

МГц, 1.8 Вольт, 20 мкА (с внутренним генератором)

Ядро AVR имеет большой набор инструкций для работы с 32 регистрами общего назначения. Все 32 регистра непосредственно связанны с арифметико-логическим устройством (ALU), которое позволяет выполнять одну команду для двух разных регистров за один такт системного генератора. Такая архитектура позволила достигнуть производительности в десять раз больше, чем у традиционных микроконтроллеров, построенных по CISC - технологии.

Микросхема ATTiny 2313 имеет следущее особенности:

Кбайт системной программируемой Flash - памяти программ

байт EEPROM

байт SRAM (ОЗУ)

линий ввода - вывода (I/O)

рабочих регистра

Однопроводной интерфейс для внутрисхемной отладки

Два многофункциональных таймера/счетчика с функцией совпадения

Поддержка внешних и внутренних прерываний

Последовательный программируемый USART - порт

Универсальный последовательный интерфейс с детектором начала передачи

Программируемый сторожевой таймер с внутренним генератором

Три программно изменяемых режима энергосбережения

В режиме Idle происходит приостановка центрального процессора, остальные системы продолжают работать. Выход из этого режима возможен как по внешнему прерыванию, так и по внутреннему. Например, при переполнении таймера.

В режиме Power Down сохраняется содержимое регистров, но приостанавливается работа внутреннего генератора и отключается все остальные функции микросхемы. Выход из режима возможен по внешнему прерыванию или после системного сброса. Такое решение позволяет совмещать быстрый старт с низким энергопотреблением.

Микросхема изготовлена с использованием высокоточной технологией фирмы «Atmel». Внутренняя Flash - память программ может быть перепрограммирована при помощи ISP - интерфейса без извлечения микроконтроллера из платы. Объединение 8 - разрядного RISC процессора с внутрисистемной перепрограммируемой Flash памятью на одном кристалле делают микросхему ATTiny 2313 мощным средством, которое обеспечивает очень гибкие и недорогие решения многих прикладных задач управления.

Для микросхемы ATTiny 2313, как и для всех остальных микросхем серии AVR, существует полный набор документации и инструментальных программ:

Компиляторы с языка Си

Микроассемблеры

Программные отладчики/имитаторы

Отладочные комплекты

Рисунок 16 - назначение выводов микросхемы ATTiny 2313

Таблица 3 - Описание выводов микросхемы ATTiny 2313

VCC

Напряжение питания

GND

Общий провод

PORT A (PA2…PA0)

Порт А - трехразрядный двунаправленный порт ввода - вывода.  Каждая из линий порта имеет возможность подключения внутреннего нагрузочного резистора. Подключение резистора производится программным путем только в том случае, если данный конкретный вывод находится в режиме вывода. Когда резистор подключен он создает выходной истекающий ток для внешних устройств, формирующих низкий логический уровень. Выходной буфер каждой линии порта А имеет симметричный каскад с высокой нагрузочной способностью.  После системного сброса все выводы порта А переходят в высокоимпедансное состояние (режим ввода без нагрузочного резистора) даже в том случае, если системный генератор не работает.

PORT B (PB7…PB0)

Порт В - восьмиразрядный двунаправленный порт ввода - вывода  Каждая из линий порта имеет возможность подключения внутреннего нагрузочного резистора. Подключение резистора производится программным путем только в том случае, если данный конкретный вывод находится в режиме вывода. Когда резистор подключен он создает выходной истекающий ток для внешних устройств, формирующих низкий логический уровень. Выходной буфер каждой линии порта В имеет симметричный каскад с высокой нагрузочной способностью.  После системного сброса все выводы порта В переходят в высокоимпедансное состояние (режим ввода без нагрузочного резистора) даже в том случае, если системный генератор не работает.

Port D (PD6…PD0)

Порт D - семиразрядный двунаправленный порт ввода - вывода. Каждая из линий порта имеет возможность подключения внутреннего нагрузочного резистора. Подключение резистора производится программным путем только в том случае, если данный конкретный вывод находится в режиме вывода. Когда резистор подключен он создает выходной истекающий ток для внешних устройств, формирующих низкий логический уровень. Выходной буфер каждой линии порта D имеет симметричный каскад с высокой нагрузочной способностью.  После системного сброса все выводы порта D переходят в высокоимпедансное состояние (режим ввода без нагрузочного резистора) даже в том случае, если системный генератор не работает.

RESET

Вход сброса. Низкий уровень на этом входе с длительностью не меньше номинально допустимого значения приведет к полному сбросу микроконтроллера даже в том случае, когда не работает тактовый генератор.

XTAL1

Инвертирующий вход для кварцевого резонатора, вход внешнего генератора. Вход XTAL1 имеет альтернативную функцию. Он может использоваться как линия PA0

XTAL2

Вход на внешний резонатор. Вывод XTAL2 имеет альтернативную функцию. Он может использоваться как линия PA1


3.7 Программирование и составление программы

Для того чтобы написать программу для микроконтроллера AVR, был выбран язык высокого уровня Си. Чтобы симулировать (проверять ее работу) схему с микроконтроллером, нужно подобрать подходящее для этого программное обеспечение.

Для этого понадобятся 2 программы: C Compiler (в этой программе будет писаться проект)Prog (программа позволяющая ускорить процесс записи программы на микроконтроллер через USB программатор Atmel AVR Prog (AVR910))- это кросс-компилятор Си, интегрированная среда разработки (IDE - Integrated Development Environment) и автоматический генератор программ (CodeWizardAVR), разработанные для семейства AVR-микроконтроллеров фирмы Atmel.

Программа является 32-битовым приложением, которое работает под операционными системами Windows 95, 98, NT 4, 2000 и ХР.

CodeVisionAVR обеспечивает выполнение почти всех элементов языка Си, которые разрешены архитектурой AVR, с некоторыми добавленными характеристиками, которые реализуют преимущество специфики архитектуры AVR. IDE имеет программное обеспечение встроенного внутрисхемного программатора чипов AVR, который позволяет автоматически передавать программы в микроконтроллерный чип после успешной компиляции. Программное обеспечение внутрисхемного программатора может работать совместно с Atmel STK500/AVRISP/AVRProg (прикладное описание AVR910 от Atmel), Kanda Systems STK200+/300, Dontronics DT006, \bgel <file:///bgel> Elektronik VTEC-ISP, Futurlec JRAVR и платой разработчика MicroTronics ATCPU/Mcga2000.

Для отладки разрабатываемых систем, которые применяют последовательную связь, IDE имеет встроенный терминал.

Кроме стандартных библиотек Си, компиляторен CodeVisionAVR имеет библиотеки для:

алфавитно-цифровых LCD-модулей;

шины 12С от Philips;

температурного датчика LM75 от National Semiconductor;

часов реального времени PCF8563, PCF8583 от Philips и DS1302, DS1307 от Dallas Semiconductor;

протокола 1 -Wire от Dallas Semiconductor;

температурного датчика DSI820/DS18S20 от Dallas Semiconductor;

термометра/термостата DS 1621 от Dallas Semiconductor;DS2430 и DS2433 от Dallas Semiconductor;

SPI;

управления питанием;

задержек;

преобразования кода Грея.программатор выполнен на основе драйвера от Objective Development и полностью совместим по командам с оригинальным программатором AVR910 от ATMEL.

Рисунок 17 - USB программатор (AVR 910) вид со стороны печатных дорожек

Рисунок 18 - USB программатор (AVR 910) вид со стороны навесных элементов

Программатор позволяет программировать все контроллеры AVR, поддерживающие ISP (In System Programming - Программирование В Системе), а так же МК серии 89S - 89S53 и 89S8252. На данный момент протестировано программирование контроллеров 89S53, 89S8252, 90S2313, 90S8515, ATtiny13, ATtiny26, ATtiny45, ATtiny2313, ATmega48, ATmega8, ATmega8515, ATmega8535, ATmega16, ATmega32, ATmega64, ATmega128, AT90CAN128.

Программирование микроконтроллера проходит в 4 основных этапа:

Выбор микроконтроллера в CodeWizardAVR

Написание программы

Компиляция программы

Запись программы на микроконтроллер

На рисунках 19 а, б, в, г представлен графический вид четырех этапов.

Рисунок 19 - (а) Выбор микроконтроллера в CodeWizardAVR, (б) написание программы, (в) компилирование, (г) запись программы на микроконтроллер

Алгоритм программы представлен на примере одного разряда в отличии от алгоритма принципа работы АЦП, описанного в главе 3.4 в программный алгоритм включено - отключение и включение светодиодной индикации, а также режим нажатия кнопки.





















4. Расчетная часть

.1 Расчет АЦП

В аналого-цифровом преобразователе используется индикация - семь светодиодов подключенных к портам микросхемы через ограничительные резисторы.

Задача - доказать возможность данного способа индикации.

Решение:

Нагрузочная способность микросхемы. Выходные буферы портов ATtiny2313 могут поглощать ток до 20 мА и непосредственно управлять светодиодными индикаторами. Это означает, что икроконтроллер способен управлять нагрузкой до 20 мА.

Характеристики светодиода. В схеме индикации используются светодиоды - KUBL-560N-100 ток потребления 10 миллиампер (мА), типовое напряжение питания 3.20 Вольт.

Имея эти данные можно произвести расчет нагрузочного резистора:

Резистор выбирается по формуле

(3)

- сопротивление резистора, U - напряжение питания, dU - падение напряжения, I - номинальный ток светодиода.= (5В - 3.20В) / 0,010 = 180 Ом

Вывод - светодиодная индикация с ограничительным резистором возможна без применения дополнительных элементов.

5. Технологическая часть

.1 Организация рабочего места

Само понятие рабочее место радиомеханика означает, что это место где радиомеханик, регулировщик и так далее - будет проводить свое рабочее время, а значит оно должно соответствовать всем требованиям по охране труда:

расстояние между столами должно быть не менее 80 см;

расстояние между рядами не менее 100 см;

освещенность должна быть у люминесцентной лампы вместе с лампой накаливания не менее 450 люкс (68 Вт/м2 );

батареи и трубы в помещении должны быть закрыты диэлектриком;

должны быть в наличии и в исправном состоянии отключающие устройство электрического снабжения;

должны быть приточно-настроенная вентиляция (кроме общей вентиляции), местные отсосы.

полы должны быть не пылящими, гладкими, но не скользкими;

полы должны убираться влажным способом;

температура воздуха зимой (18-20)0C,(18-20)0C;

воздухообмен в расчете на одного человека должен составлять 20 м2 в час;

влажность 60-70%.

Стол должен быть оснащен трансформатором для гальванической развязки. Под организации рабочего места подразумевается укомплектования его измерительной аппаратурой с рациональным ее размещением. При выборе контрольно-измерительного оборудования для каждого рабочего места должны учитываться характер производства, соответствие его точности характеристик, требовании технических условий, простота и удобства эксплуатации, и ряд других условий. При единичном производстве предпочтение отдаются более сложной универсальной аппаратуре, с которой можно настроить и проверить большое количество операций; в то время как при массовом производстве, где настройка и регулировка испытание в соответствии с технологией разделяются на большое количество операцией, рабочее место должно оборудоваться аппаратурой, специально предназначенной для выполнения определенных операцией.

Рисунок 20 - Рабочий стол техника

5.2 Выбор рабочих инструментов

Разработка АЦП при помощи комплекта виртуальных измерительных приборов NI ELVIS дала большое преимущество так как в настольную рабочую станцию NI ELVIS встроены аппаратно реализованные функциональный генератор и регулируемые блоки питания. А спроектированные в LabVIEW лицевые панели (Soft Front Panel - SFP) измерительных приборов объединяют функциональность DAQ-устройства (модуля ввода-вывода) и рабочей станции NI ELVIS, предоставляя возможность работы со всеми нужными нам измерительными устройствами:

Генератор сигналов произвольной формы (Arbitrary Waveform Generator - ARB).

Осциллограф (Oscilloscope - Scope)

Функциональный генератор сигналов (Function Generator - FGEN)

Цифровой мультиметр (Digital Multimeter - DMM)

Стабилизированный источник питания от 0 до 5 вольт

Также для изготовления АЦП и USB AVR программатора потребовались следующее инструменты:

Набор инструментов РМ

Паяльная станция

6. Экономическая часть

.1 Расчет себестоимости изготовления стенда для исследования АЦП

цифровой преобразователь elvis программатор

Исходные данные для изготовления лабораторного стенда АЦП.

Таблица 4 - Технологический процесс по изготовления печатной платы

Наименование операций

Наименование оборудования

Разряд

Норма времени, час

Коэффициент загрузки, %

1

Пайка

Паяльная станция, припой, канифоль

3

1

65

2

Сборка, установка р/э

Пинцет, бокорезы, отвертка

3

0,5

20

3

Промывка

Спирт, вода

2

0,1

7,5

4

Контроль

Увеличительное стекло, визуальный контроль

4

0,1

7,5


В таблицу 4 не включены такие операции как - резка печатной платы, зачистка поверхности, изготовление шаблона, нанесение фоторезиста, травление, сверление отверстий т. д. в виду того что лабораторный стенд разрабатывается на покупной универсальной макетной плате.

Таблица 5 - Расход основных материалов на изготовление изделия

Наименование материала

Единица измерения

Норма расхода

Цена, руб.

Сума, руб.

1

Припой

кг

0,01

600

6

2

Флюс

л

0,003

350

1,5

3

Спирт

л

0,05

100

5

Итого:

12,5


Таблица 6 - Расход покупных материалов на изготовление изделия

Наименование

Количество

Цена Руб.

Сумма Руб.

R1…R7

MJIT-2 КОм

7

1

7

R8…R14

MJIT-1 КОм

7

1

7

R15…R21

MJIT-300 Ом

7

0.5

3.5

C1

ST 10мкФ 25В 4x5мм RM1,5 105°C

1

1

1

C2

К10 0.1 мкФ

1

1

1

HL1…HL7

АЛ102 АМ

7

10

70

D1

ATtiny 2313

1

71

71

LPT порт

-

1

20

20

Разъем для Микросхемы

-

1

6.5

6.5

Макетная плата

-

1

90

90

Итого


47

202

277


М - затраты на основные и покупные материалы.

М = Мосн + Мпок (4)

М = 12,5 + 277 = 289,5 руб.

. Расчет заработной платы.

Таблица 7 - Расчет заработной платы основного рабочего

Операция

Норма времени, мин

Разряд работы

Часовая тарифная ставка, руб\час

Прямая заработная плата руб.

Премия, руб., (100%)

Основная з/п .

Дополнительная з/п, руб.(10%)

Обшая з/п руб.

Пайка

60

5

50

50

50

100

10

110


. Расходы на пользование оборудованием при изготовлении стенда

Таблица 8 - Характеристика производственного оборудования Qрсо

Наименование оборудования

Принятое количество

Мощность, кВт

Стоимость оборуд-я, руб

Настройка (15%), руб

Полн. стоим. оборуд-я, руб

Паяльная станция

1

0,08

1000

150

1150

Итого

1

0,08

1000

150

1150

рсо - расходы на использование оборудования.

рсо = Зосн * 30% (5)

рсо = 100 * 0.3 = 30 руб.

. Общецеховые расходы при изготовлении стенда

Наименование статей расходов:

Амортизация здания, сооружений и инвентаря.

Содержание зданий, сооружений и инвентаря: расходы электроэнергии на освещение; расчет стоимости пара; расчет стоимости воды на бытовые нужды; расходы на материалы, на содержание помещений; износ малоценного быстроизнашиваемого инвентаря и т.д.

Испытания, опыты, исследования, изобретательство.

Охрана труда, прочее расходы.оцр - цеховые расходы

оцр = Зосн * 50 % (6)

оцр = 100 * 0,5 = 50 руб.

. Отчисления в Пенсионный фонд (ЕСН)

ЕСН = Зобщ * 26,2 (7)

ЕСН = 110 * 0,262 = 28,82 руб.

. Расчет себестоимости при изготовлении стенда

С = М + Зобщ + Qрсо + Qоцр + EСН(8)

С = 289,5 + 110 + 30 + 50 + 28,82 = 508,32 руб.

. Калькуляция затрат при изготовлении стенда

Таблица 9 - статьи расходов на изготовление лабораторного стенда

Наименование статей

Сумма руб.

% затрат

1

Расходы на материалы основные и покупные

289,5

57,06

2

Основная з/п

100

19,67

3

Дополнительная з/п

10

1,97

4

Расходы на оборудование

30

5,9

5

Цеховые расходы

50

6

ЕСН

28,82

5,6

7

ИТОГО

508,32

100


. Расчет цены лабораторного стенда

Цена = Себестоимость + Прибыль

Цена - количество денег, в обмен на которые продавец готов передать (продать), а покупатель согласен получить (купить) единицу товара. По сути, цена является коэффициентом обмена конкретного товара на деньги. Величину соотношений при обмене товаров определяет их стоимость. Поэтому цена является стоимостью, выраженной в деньгах, или денежной стоимостью единицы товара. Это фундаментальная экономическая категория.

Себестоимость - это стоимостная оценка используемых в процессе производства продукции (работ, услуг) природных ресурсов, сырья, материалов, топлива, энергии, основных фондов, трудовых ресурсов и других затрат на ее производство и реализацию.

Прибыль - превышение доходов от продажи товаров и услуг над затратами на производство и продажу этих товаров. Это один из наиболее важных показателей финансовых результатов хозяйственной деятельности предприятия и предпринимателей. Прибыль исчисляется как разность между выручкой от реализации продукта хозяйственной деятельности и суммой затрат факторов производства на эту деятельность в денежном выражении.

Цбндс = С + (С * 0,15)(9)

Цбндс = 508,32 + (508,32 * 0,15) = 508,32 + 91,2 = 599,5 руб.

НДС = Цбндс * 18% (10)

НДС = 599,5 * 0,18 = 107,9 руб.

Отпускная цена: Цбндс + НДС(11)

Отпускная цена = 599,5 + 107,9 = 707,4 (708) руб.

Заключение: В этой главе произведен экономический расчет себестоимости лабораторного стенда АЦП. Отпускная цена данного стенда получилась 708 рублей. При этом цена может быть меньше, но нужно учитывать - это первый опытный образец (разрабатывается впервые без отладки технологии); цену лабораторного стенда значительно увеличивает отсутствие разработанной печатной платы, а как следствие увеличение ее цены из-за необходимости покупки более дорогой макетной платы; цены на радиоэлементы могли быть и ниже (цены на радиоэлементы могут отличаться в 3 раза в зависимости от магазина); в цену первого образца вошла заработная плата рабочего, она тоже может быть исключена, если стенд будет собирать студент в учебных целях; также если не рассматривать стенд как предмет материальной выгоды, тогда отпадает необходимость добавочной стоимости, а как следствия и НДС. С учетом вышеизложенных оговорок цена на лабораторный стенд может быть значительно снижена без з/п, добавочной стоимости и НДС она составит 399 рублей, а с отлаженной технологией, разработанной печатной платой и низкими ценами на радиоэлементы, стоимость упадет на 30 % - 40 % и составит примерно от 200 до 240 рублей. Как вывод, данный лабораторный стенд аналогово-цифрового преобразователя при дальнейшем развитии идеи будет идеальным устройством для изучения процессов проходящих в АЦП.

7. Охрана труда

Во избежание травм и несчастных случаев при исследование АЦП на установке NI ELVIS необходимо строго придерживаться правил техники безопасности, которые сводятся к следующему:

Запрещается подавать напряжение на установку NI ELVIS при искусственно замкнутых предохранителях.

Корпус ПК, NI ELVIS и металлические корпуса измерительных приборов заземлить.

Выводы приборов, используемых для измерения напряжений и токов, должны быть надежно защищены от возможности случайных прикосновений.

Работы, связанные с регулировкой, измерением режимов транзисторов и микросхем, которые выполняются обычно при включенной установке, должны проводиться инструментами с хорошо изолированными ручками и только одной рукой. Другой рукой нельзя касаться металлических токопроводящих предметов установки NI ELVIS и измерительной аппаратуре. Под ногами должен находиться изолирующий коврик.

Запрещается работать с установкой NI ELVIS вблизи заземленных конструкций (батареи центрального отопления и т. п.), если они не имеют изолирующего ограждения.

7.1 Техника безопасности при работе на установке “ELVIS”

Исследование АЦП ведется на установке NI ELVIS, которая в свою очередь подключена к персональному компьютеру, соответственно техника безопасности будет распространяться на оба устройства.

Техника безопасности:

Требования безопасности перед началом работы - следует убедиться в исправности электропроводки, выключателей, штепсельных розеток, при помощи которых оборудование включается в сеть, наличии заземления компьютера, его работоспособности.

Во избежание повреждения изоляции проводов и возникновения коротких замыканий не разрешается: вешать что-либо на провода, закрашивать и белить шнуры и провода, закладывать провода и шнуры за газовые и водопроводные трубы, за батареи отопительной системы, выдергивать штепсельную вилку из розетки за шнур, усилие должно быть приложено к корпусу вилки.

Для исключения поражения электрическим током запрещается: часто включать и выключать компьютер без необходимости, прикасаться к экрану и к тыльной стороне блоков компьютера, работать на средствах вычислительной техники и периферийном оборудовании мокрыми руками, работать на средствах вычислительной техники и периферийном оборудовании, имеющих нарушения целостности корпуса, нарушения изоляции проводов, неисправную индикацию включения питания, с признаками электрического напряжения на корпусе, класть на средства вычислительной техники и периферийном оборудовании посторонние предметы.

Запрещается под напряжением очищать от пыли и загрязнения электрооборудование.

Запрещается проверять работоспособность электрооборудования в неприспособленных для эксплуатации помещениях с токопроводящими полами, сырых, не позволяющих заземлить доступные металлические части.

Недопустимо под напряжением проводить ремонт средств вычислительной техники. Ремонт электроаппаратуры производится только специалистами-техниками с соблюдением необходимых технических требований.

Во избежание поражения электрическим током, при пользовании электроприборами нельзя касаться одновременно каких-либо трубопроводов, батарей отопления, металлических конструкций , соединенных с землей.

Запрещается работа на установке NI ELVIS со снятым кожухом.

Недопустима замена макетной платы NI ELVIS без отключения питания.

После окончания работы необходимо обесточить все средства вычислительной техники.

Заключение

В заключение дипломного проекта я кратко опишу основные моменты, а также возникавшие сложности на пути реализации лабораторного стенда аналого-цифрового преобразователя. В этой работе, как и в любой другой сначала были поставлены основные цели:

Определить тип разрабатываемого АЦП

Изучить алгоритм работы АЦП

Реализовать на практике лабораторный стенд АЦП

Сложности, возникшие при разработке

Необходимые знания для изучения АЦП

Что даёт студенту обучение принципам работы АЦП

Литература

1.     Белов А.В. Микроконтроллеры AVR в радиолюбительской практике. - СПб.: Наука и Техника, 2007 год.

2.       Смирнов А.В. Основы цифрового телевидения: Учебное пособие. - М.: «Горячая линия - Телеком», 2001 год.

.        Лебедев М.Б. CodeVusionAVR: Пособие для начинающих. М.: Додэка XXI, 2008 год.

.        Технические средства руководство пользователя NI ELVIS. - "Центр технологий National Instruments" Новосибирский государственный технический университет Российский филиал корпорации National Instruments 2006 год.

5.       National Instruments [Электронный ресурс]: Официальный сайт компании National Instruments. - Режим доступа: <http://digital.ni.com/worldwide/russia.nsf/main?readform>

.        Сайт посвящён цифровой электронике [Электронный ресурс]: посвящён цифровой электронике, микроконтроллерам, и компьютерной электронике. - Режим доступа: <http://eldigi.ru/>

Приложение

Код программы

#include <tiny2313.h>// подключение библиотеки, описание контроллера

#include <delay.h>// подключение библиотеки задержки

// Declare your global variables herechar adc_0=0;char adc_1=0;char adc_2=0;char adc_3=0;char adc_4=0;char adc_5=0;char adc_6=0;// задаем переменные - битыchar tma=0;char tmb=0;// значение порта А, Б main(void)

{

// Declare your local variables here

// Crystal Oscillator division factor: 1

#pragma optsize-=0x80;=0x00;

#ifdef _OPTIMIZE_SIZE_

#pragma optsize+

#endif

// Input/Output Ports initialization

// Port A initialization

// Func2=In Func1=Out Func0=In

// State2=T State1=0 State0=T =0b00000001;=0b00000010;

// Port B initialization

// Func7=In Func6=In Func5=Out Func4=Out Func3=Out Func2=Out Func1=Out Func0=Out

// State7=T State6=T State5=0 State4=0 State3=0 State2=0 State1=0 State0=0 =0x00;=0b11111100;

// Port D initialization

// Func6=Out Func5=Out Func4=Out Func3=Out Func2=Out Func1=Out Func0=Out

// State6=0 State5=0 State4=0 State3=0 State2=0 State1=0 State0=0 =0x00;=0x7F;

// Timer/Counter 0 initialization

// Clock source: System Clock

// Clock value: Timer 0 Stopped

// Mode: Normal top=FFh

// OC0A output: Disconnected

// OC0B output: DisconnectedA=0x00;B=0x00;=0x00;A=0x00;B=0x00;

// Timer/Counter 1 initialization

// Clock source: System Clock

// Clock value: Timer 1 Stopped

// Mode: Normal top=FFFFh

// OC1A output: Discon.

// OC1B output: Discon.

// Noise Canceler: Off

// Input Capture on Falling Edge

// Timer 1 Overflow Interrupt: Off

// Input Capture Interrupt: Off

// Compare A Match Interrupt: Off

// Compare B Match Interrupt: OffA=0x00;B=0x00;H=0x00;L=0x00;H=0x00;L=0x00;AH=0x00;AL=0x00;BH=0x00;BL=0x00;

// External Interrupt(s) initialization

// INT0: Off

// INT1: Off

// Interrupt on any change on pins PCINT0-7: Off=0x00;=0x00;

// Timer(s)/Counter(s) Interrupt(s) initialization=0x00;

// Universal Serial Interface initialization

// Mode: Disabled

// Clock source: Register & Counter=no clk.

// USI Counter Overflow Interrupt: Off=0x00;

// Analog Comparator initialization

// Analog Comparator: On

// Digital input buffers on AIN0: On, AIN1: On=0x00;

// Interrupt on Output Toggle

// Analog Comparator Input Capture by Timer/Counter 1: Off=0x00;

// Global enable interrupts

#asm("sei")(1)

{=0b00000000; PORTA.1=1;delay_ms (90);=0b00000100; PORTA.1=0;delay_ms (90);=0b00001000; PORTA.1=0;delay_ms (90);=0b00010000; PORTA.1=0;delay_ms (90);=0b00100000; PORTA.1=0;delay_ms (90);=0b01000000; PORTA.1=0;delay_ms (90);=0b10000000; PORTA.1=0;delay_ms (90); =0b01000000; PORTA.1=0;delay_ms (90);=0b00100000; PORTA.1=0;delay_ms (90);=0b00010000; PORTA.1=0;delay_ms (90);=0b00001000; PORTA.1=0;delay_ms (90);=0b00000100; PORTA.1=0;delay_ms (90);

PORTB=0b00000000; PORTA.1=1;delay_ms (90);// проверка диодов при включении(1){=0b01000000;tmb=PINB;tma=PINA.1;PORTB=0;PORTA.1=0;// выключение(ACSR.5==1){adc_6=0;};// значение переменной (ACSR.5==0){adc_6=1;};=tmb;PORTA.1=tma;// восстановление значений, зажигаем светодиоды.5=1;PORTD.6=adc_6;PORTB.7=adc_6;tmb=PINB;tma=PINA.1;PORTB=0;PORTA.1=0;// присвоение индикациии действительного значения

if (ACSR.5==1){adc_5=0;};(ACSR.5==0){adc_5=1;};=tmb;PORTA.1=tma;.4=1;PORTD.5=adc_5;PORTB.6=adc_5;tmb=PINB;tma=PINA.1;PORTB=0;PORTA.1=0;(ACSR.5==1){adc_4=0;};(ACSR.5==0){adc_4=1;};=tmb;PORTA.1=tma;.3=1;PORTD.4=adc_4;PORTB.5=adc_4;tmb=PINB;tma=PINA.1;PORTB=0;PORTA.1=0;(ACSR.5==1){adc_3=0;};(ACSR.5==0){adc_3=1;};=tmb;PORTA.1=tma;.2=1;PORTD.3=adc_3;PORTB.4=adc_3;tmb=PINB;tma=PINA.1;PORTB=0;PORTA.1=0;(ACSR.5==1){adc_2=0;};(ACSR.5==0){adc_2=1;};=tmb;PORTA.1=tma;.1=1;PORTD.2=adc_2;PORTB.3=adc_2;tmb=PINB;tma=PINA.1;PORTB=0;PORTA.1=0;(ACSR.5==1){adc_1=0;};(ACSR.5==0){adc_1=1;};=tmb;PORTA.1=tma;.0=1;PORTD.1=adc_1;PORTB.2=adc_1;tmb=PINB;tma=PINA.1;PORTB=0;PORTA.1=0;(ACSR.5==1){adc_0=0;};(ACSR.5==0){adc_0=1;};=tmb;PORTA.1=tma;.0=1;PORTD.0=adc_0;PORTA.1=adc_0;delay_ms(100);(PINA.0==0){delay_ms (300);}// если кнопка нажата, бесконечный цикл (пауза)

}}

};

Похожие работы на - Исследование аналого-цифрового преобразователя с помощью Elvis

 

Не нашли материал для своей работы?
Поможем написать уникальную работу
Без плагиата!
Без нейросетей!