Аппроксимация вольтамперной характеристики диодов различных видов методом полинома третьего порядка
ВВЕДЕНИЕ
В данной курсовой работе необходимо сделать
аппроксимацию вольтамперной характеристики диодов различных видов методом
полинома третьего порядка. Так же необходимо рассмотреть графический и
аналитический методы решения трансцендентного уравнения. В последующем
необходимо получить реакцию цепи на входное воздействие при помощи интеграла
Дюамеля. Проанализировать свои расчёты.
Задание
1. Аппроксимировать вольтамперную характеристику
диода 2Д106 (рис.1)
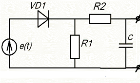
2. Рассчитать режим цепи графическим
методом (рис. 2)
. Рассчитать режим той же цепи численным
методом
. Получить реакцию цепи на входное
воздействие с помощью интеграла Дюамеля (рис. 3).
5. Проанализировать результаты вычислений
Рис. 1
Рис. 2
Рис. 3
Исходные данные к работе
|
№
|
VD1
|
Тип
модел.
|
R1, Ом
|
R2, Ом
|
C, нф
|
Um, В
|
f, кГц
|
Тип
RC
|
Метод
решения
|
Метод
анализа
|
|
9
|
2Д106
|
Э
|
1,5
|
91
|
80
|
2,1
|
150
|
И
|
К
|
Д
|
Аппроксимация вольтамперной характеристики
Аппроксимирую график функции ВАХ изображённой на
рис.1 с помощью экспоненциального полинома. Для этого воспользуюсь пакетом
программ Mathcad
14.
Рис. 4
На рис. 4 изображены графики аппроксимированной
и реальной ВАХ.
Графический метод расчета режима цепи (рис.2).
Находим период Т колебаний:
f=150*103
Гц
w=2*π*f=0.942*106
рад/с
T=1/f=6.67*106
с
С помощью пакета Mathcad
14. cтроим график e(t)=
2,1*sin(w*t)
(рис. 5)
Разобьем полупериод сигнала на 20 точек.
Период сигнала (T)
равен 6.667×10-6
Следовательно значение шага (Tn)
равно
1.667×10-7
трансцедентный аппроксимация вольтамперный диод
Согласно дальнейшим расчетам построим таблицу 1:
Таблица
1
|
e(t),
B A B B
|
|
|
|
|
|
0
|
0
|
0
|
0
|
0
|
|
0.1667
|
0.219
|
0.329
|
0
|
|
0.3334
|
0.649
|
0.433
|
0.649
|
0
|
|
0.5001
|
0.954
|
0.636
|
0.704
|
0.25
|
|
0.6668
|
1.235
|
0.823
|
0.74
|
0.495
|
|
0.8335
|
1.485
|
0.99
|
0.766
|
0.719
|
|
1
|
1.699
|
1.133
|
0.787
|
0.912
|
|
1.167
|
1.871
|
1.248
|
0.801
|
1.07
|
|
1.334
|
1.998
|
1.332
|
0.811
|
1.187
|
|
1.5
|
2.074
|
1.383
|
0.817
|
1.257
|
|
1.667
|
2.1
|
1.4
|
0.819
|
1.281
|
|
1.834
|
2.074
|
1.383
|
0.817
|
1.257
|
|
2
|
1.998
|
1.332
|
0.811
|
1.187
|
|
2.167
|
1.871
|
1.248
|
0.801
|
1.07
|
|
2.334
|
1.699
|
1.133
|
0.787
|
0.912
|
|
2.501
|
1.485
|
0.766
|
0.719
|
|
2.667
|
1.235
|
0.823
|
0.74
|
0.495
|
|
2.834
|
0.954
|
0.636
|
0.704
|
0.25
|
|
3.001
|
0.649
|
0.433
|
0.658
|
0
|
|
3.167
|
0.329
|
0.219
|
0.329
|
0
|
|
3.333
|
0
|
0
|
0
|
0
|
Напряжение на диоде находим, строя нагрузочные
прямые (см. рис. 6)
Рис. 6
Напряжение на резисторе R1находим
по формуле:
UR1=e(t)-UVD
По полученным данным построим графики:
. Напряжения на источнике (рис. 7)
. Напряжения на диод (рис. 8)
. Напряжения на резисторе (рис.9)
Рис. 7
Рис. 8
Рис. 9
Численный метод расчета тока в цепи и напряжения
на элементах в схеме (рис. 2)
Необходимо решить трансцендентное уравнение, полученное
при аппроксимации ВАХ диода, методом касательных, разбив период сигнал на 100
точек. Для нахождения корней этого уравнения воспользуюсь программой Pascal
7.1.
Текст программы:
program
mes;crt;,I,Is,F1,F2:real;,a0,a1,a2,a3,R:real;,n1:integer;:text;clrscr;(F,'C:\model.txt');(F);:=0;(Vvedite
dannb1e, 1, 2, 3, em');(a0,a1,a2,a3,em);:=1.5;:=1;n:=1 to 100
do:=0;:=em*sin((2*3.14*n)/100);:=E-(a0+a1*I+a2*sqr(I)+a3*I*I*I)-I*R;:=a1+2*a2*I+3*a3*sqr(I)-R;:=I-F1/F2;:=Is;(E-(a0+a1*Is+a2*sqr(Is)+a3*Is*Is*Is)-Is*R)<0.01;I<0
then I:=0;('I',n1,' = ',I:4:3,' ');:=n1+1;(F,I:4:3);;(F);until keypressed;.
График тока (рис. 10)
График напряжения на резисторе (рис.11)
График напряжения на диоде (рис.12)
t = 2.1sin(2πn/100)
Uvd=E(t)-Ur1 Ur1=I*R1
Рис. 9
Рис.10
Рис. 11
Рис. 12
Получение реакции цепи (рис. 3) на входное
воздействие с помощью интеграла Дюамеля.
Нахождение сигнала на выходе цепи (рис. 3) с
помощью интеграла Дюамеля.
В данной цепи в качестве входного сигнала
рассматривается напряжение на резисторе R1,
а в качестве выходного - напряжение на конденсаторе (так как цепь -
интегрирующая). Период сигнала необходимо разбить на 100 интервалов.
Пример программы для автоматизированного расчета
выходного сигнала представлен ниже. График реакции цепи на входное воздействие
(рис. 13)

Рис. 13
Заключение
Выполнил данную курсовую работу я приобрел
навыки по выполнению аппроксимации вольтамперной характеристики диода, решил
трансцендентное уравнение графическим и аналитическим методами. Так же освоил
навыки программирования в среде PASCAL и закрепил навыки работы в среде Mathcad.
С помощью интеграла Дюамеля изобразил выходной сигнал.
Список используемой литературы
1. Голомедов
А.В. «Полупроводниковые диоды» Издательство «Радио с связь» г. Москва 1988
2. В.П.
Попов «Основы теории цепей» Учебник для вузов - М.: Высшая школа, 2003
3. Фаронов
В.В «Turbo Pascal 7.0 Начальный курс» (электронная книга, ссылка
<http://tp7.info/ebook.php>)