Экономические расчеты в строительстве
Санкт-Петербургский
государственный архитектурно-строительный университет
Кафедра
экономики строительства
Курсовая
работа
Экономические
расчеты в строительстве
Работу выполнил:
студент группы 3П-IV:
Татауров Н.В.
Санкт-Петербург
Введение
Целью курсового проектирования является
закрепление теоретических знаний по важнейшим разделам курса экономики
строительства: «Ценообразование в строительстве», «Экономика строительного
проектирования», «Организация и оплата труда в строительстве», «Себестоимость
продукции, прибыль и рентабельность предприятия, «Управление
производственно-экономической деятельностью строительных предприятий». Этими
задачами определяется содержание курсовой работы, включающей четыре раздела:
. Расчет сметной стоимости строительного
объекта.
. Экономическая оценка проекта здания.
. Расчеты экономической эффективности
организационно технических мероприятий.
. Основные экономические показатели
строительного производства.
.
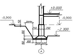
Характеристика здания
Объект строительства - многосекционное 4-этажное
жилое здание.
Дом кирпичный, имеет 5 лестничных клеток,
количество квартир - 64 (по 16 на этаж). Общая площадь здания 1354 м2.
Жилая площадь - 2940 м2. В состав инженерного оборудования входят
системы холодного и горячего водоснабжения, центрального отопления,
канализации, электроснабжения.
Квартирография на одну секцию
|
Количество
секций /угловых
|
4/1
|
|
Количество
этажей
|
4
|
|
Количество
квартир на этаже/всего на секцию
|
3/12
|
|
Площади
квартир
|
89,2
м2 42,3 м2 64,7 м2
|
|
Высота
этажа/дома
|
2,8
м/13,6 м
|
|
Санузлы
|
Совмещенный
6,1 м2 Совмещенный 3,1 м2 Раздельный 6,3 м2
|
|
Технический
этаж (подвал)
|
Да
|
|
Балконы/лоджии
|
Нет
|
Конструктивные решения
·
Фундамент
- ленточный;
·
Гидроизоляция
- боковая обмазочная, горизонтальная оклеечная, противокапиллярная;
·
Стены
наружные - кирпичные, армированные толщиной 640 мм;
·
Стены
внутренние - кирпичные, толщиной 380 мм
·
Перекрытия
- железобетонные сборные, толщиной 180 мм;
·
Лестничные
марши - двухмаршевые с полуплощадками, с фризовой ступенью;
·
Внутриквартирные
перегородки - гипсобетонные, толщиной 80 мм;
·
Кровля
- покрытие из 3х слоев рубероида на битумной мастике;
·
Окна
- блоки оконные деревянные cо
стеклопакетом, двухстворчатые;
·
Полы:
- комнаты и прихожие - стяжка (40мм), паркет;
- кухня - стяжка (40мм), плитка керамическая;
- санузел - стяжка (40мм), плитка керамическая;
- лестничные клетки - бетонные;
·
Двери:
- внутренние - блоки дверные деревянные (ДГ);
- наружные - блоки дверные деревянные (ДН);
Отделка внутренняя
В комнатах, кухнях и коридорах - штукатурка,
шпаклевка, оклейка обоями на всю высоту помещения.
·
В
ванных комнатах и туалетах - облицовка стен керамической плиткой.
. Ведомость подсчета объемов работ по 4-этажному
5-секционному жилому дому
Архивный номер чертежа:
Составил: Татауров Н.В.
Проверил: Калинина Н.Л.
|
1.
№ 2. п/п
|
Шифр
единичной расценки
|
Наименование
работ и формулы подсчета
|
ЕЕдиница
измерения
|
Количество
|
Ссылка
на номера чертежей, ГОСТов и примечания
|
|
А.
Подземная часть здания I. Земляные работы
|
3.
1.1 01-01-036-1 Планировка территории бульдозером (80 л.с.)
1000м22,692B=13,8м-
ширина здания в осях=103,1- длина здания в осях
|
Добавляется
по 5 м с каждой стороны здания
|
|
|
|
|
|
4.
1.2
|
01-01-030-1
|
Срезка
растительного грунта 1-й группы бульдозером с перемещением на 30м.
|
1000м3
|
0,286
|
Добавляется
по 2 м с каждой стороны здания; - толщина срезаемого слоя.
|
|
5.
1.3
|
01-01-030-9
К=2
|
Добавлять
к расценке 01-01-030-1 при перемещении грунта более 10м за каждые последующие
10м
|
1000м3
|
0,286
|
|
|
6.
|
|
Объем
котлована:
|
м3
|
2287
|
-2,4м-отметка
дна котлована; 0,3м- высота фундаментной плиты; 0,1м- толщина основания под
фундамент 0,15м- толщина растительного грунта; -0,9м- отметка уровня земля.
0,3м- расстояние между подошвой откоса и фундаментной плитой; 0,5м- половина
ширины фундаментной плиты; 0,25м -половина ширины фундаментного блока
Крутизна откоса:
|
|
7.
1.4.
|
01-01-013-8
|
Разработка
грунта 2-й группы экскаватором (Vковш=0,65м3) с погрузкой в автомобили
самосвалы: 1000м32,287
|
|
|
|
|
8.
|
|
Длина
фундаментных плит: м432
|
|
|
|
|
9.
|
|
Длина
фундаментных блоков:  м432
|
|
|
|
|
10.
1.5.
|
01-02-057-2
|
Разработка
грунта 2-й группы вручную 100м36,76
|
|
|
|
|
11.
|
|
Объем
вытесненного грунта м312960,3-
половина ширины фундаментного блока
|
|
|
|
12.
Объем обратной засыпки:
|
13.
м3600,7
|
|
|
|
|
|
14.
1.6.
|
01-01-033-1
|
Обратная
засыпка грунта 1-й группы бульдозером с перемещением на 30м: 1000м30,42170%
грунта разраб. механизированным способом
|
|
|
|
|
15.
1.7.
|
01-01-033-7
К=5
|
Добавлять
к расценке 01-01-030-1 при перемещении грунта более 5м за каждые последующие
5м
|
1000м3
|
0,421
|
|
|
16.
1.8.
|
01-02-061-1
|
Обратная
засыпка грунта 1-й группы вручную 100м31,830% грунта разрабатывается
вручную
|
|
|
|
|
17.
1.9.
|
01-02-003-6
К=2
|
Уплотнение
грунта (толщина слоя 60см) 1000м318. 0,6
|
|
|
|
|
19.
1.10
|
01-02-003-12
К=6
|
Добавляем
к расценке 01-02-003-12-6 на каждый последующий проход по одному следу
|
1000м3
|
0,6
|
|
20.
1.11 ССЦ-02/2011 Вывоз излишнего растительного грунта 2-й группы на 35
км
т4402,71,75
т/м3 - средняя плотность грунта;
|
1,4
т/м3 - средняя плотность растительного грунта
|
|
|
|
|
|
21.
1.12
|
ССЦ-02/2011
|
Подвоз
грунта 1-й группы для обратной засыпки на 20 км т1021,21,7
т/м3 - средняя плотность грунта
|
|
|
|
. Локальный сметный расчет №02-01-01 на
общестроительные работы 4-этажного 5-секционного жилого дома
Основание: чертежи № 133-015.13.87
Сметная
стоимость______________64590.8_______тыс.руб.
Средства на оплату
труда_________10980.0_______тыс.руб.
Составлен в текущих ценах по состоянию на февраль
2011г.
Сметная стоимость: 64590821.00 руб.
Зарплата основных рабочих: 10980023.00 руб.
|
22.
№
|
Шифр
|
Наименование
работ и затрат,
|
Единица
|
Кол-во
|
Стоимость
единицы, руб.
|
Общая
стоимость, руб.
|
Затраты
труда
|
|
23.
п.п.
|
норматива
|
материалов,
изделий и конструкций
|
измер.
|
|
ВСЕГО
|
экспл.
машин
|
ВСЕГО
|
основной
|
экспл.
машин
|
рабочих-строителей,
чел-ч.
|
|
24.
|
|
|
|
|
основной
|
в.
т.ч. з/пл
|
|
заработной
|
в.
т.ч. з/пл
|
на
|
всего
|
|
25.
|
|
|
|
|
з/пл
|
машинистов
|
|
платы
|
машинистов
|
единицу
|
|
|
26.
1. Земляные работы
|
|
|
27.
1
|
ТЕР
01-01-036-1
|
Планировка
площадей бульдозерами мощностью:59 (80) кВт (л.с.) ( Н.Р. 95*0,9*0,85% =
140.93 руб. С.П. 50*0,85*0,8% = 65.94 руб.)
|
1000
м2
|
2.692
|
35.28 0
|
35.28 6.00
|
94.97
|
0
|
94.97 16.15
|
0
0.38
|
0
1.02
|
|
|
28.
2
|
ТЕР
01-01-030-1
|
Разработка
грунта с перемещением до 10 м бульдозерами мощностью:59 (80) кВт (л.с.), 1
группа грунтов ( Н.Р. 95*0,9*0,85% = 426.62 руб. С.П. 50*0,85*0,8% = 199.60
руб.)
|
1000
м3
|
0.286
|
1004.42 0
|
1004.42 170.96
|
287.26
|
0
|
287.26 48.89
|
10.82
|
0
3.09
|
|
|
29.
3
|
ТЕР
01-01-030-9
|
При
перемещении грунта на каждые последующие 10 м добавлять:к норме 01-01-030-1 к
прямым затратам: 2 ( Н.Р. 95*0,9*0,85% = 790.25 руб. С.П. 50*0,85*0,8% =
369.73 руб.)
|
1000
м3
|
0.286
|
1860.32 0
|
1860.32 316.64
|
532.05
|
0
|
532.05 90.56
|
0
20.04
|
0
5.73
|
|
|
30.
4
|
ТЕР
01-01-013-8
|
Разработка
грунта с погрузкой на автомобили-самосвалы экскаваторами с ковшом
вместимостью 0,65 (0,5-1) м3, группа грунтов:2 ( Н.Р. 95*0,9*0,85% = 12603.97
руб. С.П. 50*0,85*0,8% = 5897.00 руб.)
|
1000
м3
|
2.287
|
4104.22 108.74
|
3989.12 522.82
|
9386.35
|
248.69
|
9123.12 1195.69
|
11.41
33.09
|
26.09
75.68
|
|
|
31.
5
|
ТЕР
01-02-057-2
|
Разработка
грунта вручную в траншеях глубиной до 2 м без креплений с откосами, группа
грунтов:2 ( Н.Р. 80*0,9*0,85% = 72909.21 руб. С.П. 45*0,85*0,8% = 36454.60
руб.)
|
100
м3 грунта
|
6.76
|
1467.62 1467.62
|
0 0
|
9921.11
|
9921.11
|
0 0
|
154.00
0
|
1041.04
0
|
|
|
32.
6
|
ТЕР
01-01-033-1
|
Засыпка
траншей и котлованов с перемещением грунта до 5 м бульдозерами мощностью:59
(80) кВт (л.с.), 1 группа грунтов ( Н.Р. 95*0,9*0,85% = 441.11 руб. С.П.
50*0,85*0,8% = 206.38 руб.)
|
1000
м3
|
0.421
|
705.51 0
|
705.51 120.08
|
297.02
|
0
|
297.02 50.55
|
0
7.60
|
0
3.20
|
|
|
33.
7
|
ТЕР
01-01-033-7
|
При
перемещении грунта на каждые последующие 5 м добавлять:к норме 01-01-033-1 к
прямым затратам: 5 ( Н.Р. 95*0,9*0,85% = 1236.42 руб. С.П. 50*0,85*0,8% =
578.48 руб.)
|
1000
м3
|
0.421
|
1977.30 0
|
1977.30 336.55
|
832.44
|
0
|
832.44 141.69
|
0
21.30
|
0
8.97
|
|
|
34.
8
|
ТЕР
01-02-061-1
|
Засыпка
вручную траншей, пазух котлованов и ям, группа грунтов:1 ( Н.Р. 80*0,9*0,85%
= 10723.44 руб. С.П. 45*0,85*0,8% = 5361.72 руб.)
|
100
м3 грунта
|
1.8
|
810.66 810.66
|
0 0
|
1459.19
|
1459.19
|
0 0
|
88.50
0
|
159.30
0
|
|
|
35.
9
|
ТЕР
01-02-003-6
|
Уплотнение
грунта вибрационными катками 2,2 т на первый проход по одному следу при
толщине:60 см к прямым затратам: 2 ( Н.Р. 95*0,9*0,85% = 902.03 руб. С.П.
50*0,85*0,8% = 422.03 руб.)
|
1000
м3
|
0.6
|
1010.28 0
|
1010.28 172.28
|
606.17
|
0
|
606.17 103.37
|
0
11.00
|
0
6.60
|
|
|
36.
10
|
ТЕР
01-02-003-12
|
На
каждый последующий проход по одному следу добавлять:к норме 01-02-003-6 к
прямым затратам: 6 ( Н.Р. 95*0,9*0,85% = 313.53 руб. С.П. 50*0,85*0,8% =
146.69 руб.)
|
1000
м3
|
0.6
|
183.90 0
|
183.90 59.88
|
110.34
|
0
|
110.34 35.93
|
0
4.08
|
0
2.45
|
|
|
37.
|
|
Итого
прямых затрат в базовом уровне цен:
|
руб.
|
|
|
|
23527
|
11629
|
11883
1683
|
|
1226
107
|
|
|
38.
|
|
Индекс
к оплате труда рабочих:
|
|
12.008
|
|
|
139641
|
|
|
|
|
|
|
39.
|
|
Индекс
к стоимости эксплуатации машин:
|
|
7.646
|
|
|
90857
|
|
|
|
|
|
|
40.
|
|
в
том числе зарплата машинистов:
|
|
12.008
|
|
|
20209
|
|
|
|
|
|
|
41.
|
|
Индекс
к стоимости материалов:
|
|
5.204
|
|
|
78
|
|
|
|
|
|
|
42.
|
|
Материалы
в текущем уровне цен:
|
|
1
|
|
|
0
|
|
|
|
|
|
|
43.
|
|
Итого
с индексацией:
|
руб.
|
|
|
|
230576
|
139641
|
90857
20209
|
|
1333
|
|
|
44.
|
|
Накладные
расходы %:
|
%
|
|
|
|
100488
|
5125
|
|
|
743.86
|
|
|
45.
|
|
Итого
с накладными:
|
руб.
|
|
|
|
331064
|
144766
|
|
|
2076.86
|
|
|
46.
|
|
Сметная
прибыль %:
|
%
|
|
|
|
49702
|
|
|
|
|
|
|
47.
|
|
Итого:
|
руб.
|
|
|
|
380766
|
144766
|
90857
20209
|
|
2076.86
|
|
|
48.
|
|
Всего
по разделу:
|
руб.
|
|
|
|
380766
|
44766
|
90857
20209
|
|
2076.86
|
|
|
2.
Перевозка
|
|
|
49.
1
|
ССЦ-02/2011
|
Вывоз
излишнего грунта группы 2 на 35км
|
4402.7
|
428.31 0
|
428.31 0
|
1885720.44
|
0
|
1885720.44 0
|
0
0
|
0
0
|
|
|
50.
2
|
ССЦ-02/2011
|
Подвоз
грутна группы 1 для обратной засыпки на 20км
|
т
|
1021.2
|
294.63 0
|
294.63 0
|
300876.16
|
0
|
300876.16 0
|
0
0
|
0
0
|
|
|
51.
|
|
Итого
прямых затрат в базовом уровне цен:
|
руб.
|
|
|
|
2186597
|
0
|
2186597
0
|
|
0
0
|
|
|
52.
|
|
Индекс
к оплате труда рабочих:
|
|
1
|
|
|
0
|
|
|
|
|
|
|
53.
|
|
:
|
|
1
|
|
|
2186597
|
|
|
|
|
|
|
54.
|
|
в
том числе зарплата машинистов:
|
|
1
|
|
|
0
|
|
|
|
|
|
|
55.
|
|
Индекс
к стоимости материалов:
|
|
1
|
|
|
0
|
|
|
|
|
|
|
56.
|
|
Материалы
в текущем уровне цен:
|
|
1
|
|
|
0
|
|
|
|
|
|
|
57.
|
|
Итого
с индексацией:
|
руб.
|
|
|
|
2186597
|
0
|
2186597
0
|
|
0
0
|
|
|
58.
|
|
Накладные
расходы %:
|
%
|
|
|
|
0
|
|
|
|
|
|
|
59.
|
|
Итого
с накладными:
|
руб.
|
|
|
|
2186597
|
|
|
|
|
|
|
60.
|
|
Сметная
прибыль %:
|
%
|
|
|
|
0
|
|
|
|
|
|
|
61.
|
|
Итого:
|
руб.
|
|
|
|
2186597
|
|
|
|
|
|
|
62.
|
|
Всего
по разделу:
|
руб.
|
|
|
|
2186597
|
|
2186597
0
|
|
|
|
|
3.
Фундамент
|
|
|
63.
1
|
ТЕР
08-01-002-1
|
Устройство
основания под фундаменты:песчаного ( Н.Р. 122*0,94% = 5959.99 руб. С.П. 80% =
4157.65 руб.)
|
1
м3
|
15.9
|
49.35
23.41
|
25.62
3.81
|
784.67
|
372.22
|
407.36
60.58
|
0.90
0.21
|
14.31
3.34
|
|
|
64.
|
408-9040-011
|
Песок
для строительных работ природный , морской (с учетом доставки самосвалами с
площадок в черте города на расстояние 20 км)
|
м3
|
19.08
|
(589,47)
|
|
(11247.09)
|
|
|
|
|
|
|
65.
2
|
ТЕР
07-01-001-1
|
Укладка
блоков и плит ленточных фундаментов при глубине котлована до 4 м, массой
конструкций:до 0,5 т ( Н.Р. 130*0,94% = 63813.32 руб. С.П. 85% = 44387.33
руб.)
|
100
шт.
|
3.75
|
3871.80
774.36
|
2228.64
385.32
|
14519.25
|
2903.85
|
8357.40
1444.95
|
72.37
25.13
|
271.39
94.24
|
|
|
66.
|
441-1101-505
|
Плиты
ФЛ 12.24.2
|
шт.
|
375
|
(3836,29)
|
|
(1438608.75)
|
|
|
|
|
|
|
67.
3
|
ТЕР
07-05-001-3
|
Установка
блоков стен подвалов массой:до 1,5 т ( Н.Р. 155*0,94% = 607854.73 руб. С.П.
100% = 417196.11 руб.)
|
100
шт.
|
18.75
|
6497.81
1140.99
|
4312.52
711.98
|
121833.94
|
21393.56
|
80859.75
13349.62
|
104.01
48.02
|
1950.19
900.38
|
|
|
68.
|
401-0243
|
Бетон
мелкозернистый (песчаный) класса В 7.5 (М100)
|
м3
|
8.8125
|
(3578,47)
|
|
(31535.27)
|
|
|
|
|
|
|
69.
|
403-9010-603
|
Блоки
ФБС -05-04-02 бетонные для стен подвалов, серия 01-02-94 КЭ; ГОСТ13579-78
|
шт.
|
1875
|
(300,44)
|
|
(563325.00)
|
|
|
|
|
|
|
70.
4
|
ТЕР
08-01-003-3
|
Гидроизоляция
стен, фундаментов:горизонтальная оклеечная в 2 слоя ( Н.Р. 122*0,94% =
3931.97 руб. С.П. 80% = 2742.92 руб.)
|
100
м2
|
1.24
|
3354.86
222.22
|
127.58
8.05
|
4160.03
|
275.55
|
158.20
9.98
|
20.10
0.70
|
24.92
0.87
|
|
|
71.
|
101-0852
|
Рубероид
кровельный с крупнозернистой посыпкой РКК-350б
|
м2
|
272.8
|
(45,12)
|
|
(12308.74)
|
|
|
|
|
|
|
72.
5
|
ТЕР
08-01-003-7
|
Гидроизоляция
боковая обмазочная битумная в 2 слоя по выравненной поверхности бутовой
кладки, кирпичу, бетону ( Н.Р. 122*0,94% = 34648.09 руб. С.П. 80% = 24170.28
руб.)
|
100
м2
|
9.36
|
1533.40
266.51
|
59.23
2.30
|
14352.62
|
2494.53
|
554.39
21.53
|
21.20
0.20
|
198.43
1.87
|
|
|
73.
|
|
Итого
прямых затрат в базовом уровне цен:
|
руб.
|
|
|
|
155650
|
27440
|
90337
14887
|
|
2459
1001
|
|
|
74.
|
|
Индекс
к оплате труда рабочих:
|
|
12.008
|
|
|
329500
|
|
|
|
|
|
|
75.
|
|
Индекс
к стоимости эксплуатации машин:
|
|
7.709
|
|
|
696408
|
|
|
|
|
|
|
76.
|
|
в
том числе зарплата машинистов:
|
|
12.008
|
|
|
178763
|
|
|
|
|
|
|
77.
|
|
Индекс
к стоимости материалов:
|
|
7.232
|
|
|
273905
|
|
|
|
|
|
|
78.
|
|
Материалы
в текущем уровне цен:
|
|
1
|
|
|
2057025
|
|
|
|
|
|
|
79.
|
|
Итого
с индексацией:
|
руб.
|
|
|
|
3356837
|
329500
|
696408
178763
|
|
3460
|
|
|
80.
|
|
Накладные
расходы %:
|
%
|
|
|
|
716208
|
36527
|
|
|
5301.71
|
|
|
81.
|
|
Итого
с накладными:
|
руб.
|
|
|
|
4073045
|
366027
|
696408
178763
|
|
8761.71
|
|
|
82.
|
|
Сметная
прибыль %:
|
%
|
|
|
|
492654
|
|
|
|
|
|
|
83.
|
|
Итого:
|
руб.
|
|
|
|
4565699
|
366027
|
696408
178763
|
|
8761.71
|
|
|
84.
|
|
Всего
по разделу:
|
руб.
|
|
|
|
4565699
|
366027
|
696408
178763
|
|
8761.71
|
|
|
4.
Кирпичная кладка
|
|
|
85.
1
|
ТЕР
08-02-010-5
|
Кладка
стен из кирпича с облицовкой лицевым кирпичом:толщиной 640 мм при высоте
этажа до 4 м ( Н.Р. 122*0,94% = 2601816.10 руб. С.П. 80% = 1815009.49 руб.)
|
1
м3
|
2715.4
|
197.50
64.52
|
31.80
5.06
|
536291.50
|
175197.61
|
86349.72
13739.92
|
6.03
0.32
|
16373.86
868.93
|
|
|
86.
|
404-0088-503
|
Кирпич
керамический строительный пустотелый М 175 (42%, 250х120х65 мм)
|
1000
шт.
|
784.7506
|
(7859,43)
|
|
(6167692.41)
|
|
|
|
|
|
|
87.
|
404-0165-500
|
Кирпич
силикатный полнотелый рядовой М200 одинарный (250х120х65 мм)
|
1000
шт.
|
287.8324
|
(5927,74)
|
|
(1706195.63)
|
|
|
|
|
|
|
88.
2
|
ТЕР
08-02-001-7
|
Кладка
стен кирпичных внутренних:при высоте этажа до 4 м ( Н.Р. 122*0,94% =
581912.99 руб. С.П. 80% = 405938.61 руб.)
|
1
м3
|
713.2
|
187.68
52.93
|
39.76
6.32
|
133853.38
|
37749.68
|
28356.83
4507.42
|
5.21
0.40
|
3715.77
285.28
|
|
|
89.
|
404-0088-503
|
Кирпич
керамический строительный пустотелый М 175 (42%, 250х120х65 мм)
|
1000
шт.
|
206.1148
|
(7859,43)
|
|
(1619944.84)
|
|
|
|
|
|
|
90.
3
|
ТЕР
08-02-007-1
|
Армирование
кладки стен и других конструкций ( Н.Р. 122*0,94% = 79905.74 руб. С.П. 80% =
55741.71 руб.)
|
1
т
|
8.75
|
700.06
655.95
|
44.11
7.20
|
6125.52
|
5739.56
|
385.96
63.00
|
63.73
0.54
|
557.64
4.73
|
|
|
91.
|
101-9086-003
|
Сетки
арматурные сварные кладочные 50х50 мм из проволоки толщ. 4 мм (разм. 2,0х0,51
м)
|
т
|
8.75
|
(22372,88)
|
|
(195762.70)
|
|
|
|
|
|
|
92.
4
|
ТЕР
08-02-006-1
|
Расшивка
швов кладки:из кирпича ( Н.Р. 122*0,94% = 2007841.15 руб. С.П. 80% =
1400656.54 руб.)
|
100
м2
|
565.66
|
257.76
257.76
|
0
0
|
145804.52
|
145804.52
|
0
0
|
21.90
0
|
12387.95
0
|
|
|
93.
|
|
Итого
прямых затрат в базовом уровне цен:
|
руб.
|
|
|
|
822075
|
364491
|
115093
18310
|
|
33035
1159
|
|
|
94.
|
|
Индекс
к оплате труда рабочих:
|
|
12.008
|
|
|
4376808
|
|
|
|
|
|
|
95.
|
|
Индекс
к стоимости эксплуатации машин:
|
|
8.187
|
|
|
942266
|
|
|
|
|
|
|
96.
|
|
в
том числе зарплата машинистов:
|
|
12.008
|
|
|
219866
|
|
|
|
|
|
|
97.
|
|
Индекс
к стоимости материалов:
|
|
6.422
|
|
|
2199477
|
|
|
|
|
|
|
98.
|
|
Материалы
в текущем уровне цен:
|
|
1
|
|
|
9689596
|
|
|
|
|
|
|
99.
|
|
Итого
с индексацией:
|
руб.
|
|
|
|
17208147
|
4376808
|
942266
219866
|
|
34194
|
|
|
100.
|
|
Накладные
расходы %:
|
%
|
268845
|
|
|
39021.96
|
|
|
101.
|
|
Итого
с накладными:
|
руб.
|
|
|
|
22479623
|
4645653
|
942266
219866
|
|
73215.96
|
|
|
102.
|
|
Сметная
прибыль %:
|
%
|
|
|
|
3677346
|
|
|
|
|
|
|
103.
|
|
Итого:
|
руб.
|
|
|
|
26156969
|
4645653
|
942266
219866
|
|
73215.96
|
|
|
104.
|
|
Всего
по разделу:
|
руб.
|
|
|
|
26156969
|
4645653
|
942266
219866
|
|
73215.96
|
|
|
5.
Сборный ж/б
|
|
|
105.
1
|
ТЕР
07-01-006-4
|
Укладка
плит перекрытий площадью до 5 м2 при наибольшей массе монтажных элементов:до
5 т ( Н.Р. 130*0,94% = 273989.19 руб. С.П. 85% = 190581.68 руб.)
|
100
шт.
|
7.8
|
9105.12
1903.96
|
3664.50
489.89
|
71019.94
|
14850.89
|
28583.10
3821.14
|
169.83
33.24
|
1324.67
259.27
|
|
|
106.
|
401-0247
|
Бетон
мелкозернистый (песчаный) класса В20 (М250)
|
м3
|
122.46
|
(4709,39)
|
|
(576711.90)
|
|
|
|
|
|
|
107.
|
444-2101-1134
|
Плиты
пустотные БПК 6. 36.12
|
шт.
|
780
|
(6015,05)
|
|
(4691739.00)
|
|
|
|
|
|
|
108.
2
|
ТЕР
08-04-001-9
|
Установка
перегородок из гипсовых пазогребневых плит:в 1 слой при высоте этажа до 4 м (
Н.Р. 122*0,94% = 206293.09 руб. С.П. 80% = 143908.68 руб.)
|
100
м2
|
12.48
|
2680.00
1158.16
|
261.68
42.20
|
33446.40
|
14453.84
|
3265.77
526.66
|
100.71
2.94
|
1256.86
36.69
|
|
|
109.
|
(101-9168)
|
Клей
для облицовочных работ (сухая смесь)
|
т
|
2.2464
|
(12,32)
|
|
(27.68)
|
|
|
|
|
|
|
110.
|
101-0770
|
Плиты
пазогребневые для перегородок толщиной 80 мм
|
м2
|
1262.976
|
(472,21)
|
|
(596389.90)
|
|
|
|
|
|
|
111.
3
|
ТЕР
07-01-047-1
|
Установка
лестничных площадок при наибольшей массе монтажных элементов в здании до 5 т
с опиранием:на стену ( Н.Р. 130*0,94% = 18467.83 руб. С.П. 85% = 12845.87
руб.)
|
100
шт.
|
0.4
|
8021.28
2284.50
|
5421.72
861.89
|
3208.51
|
913.80
|
2168.69
344.76
|
208.25
54.55
|
83.30
21.82
|
|
|
112.
|
448-2101-500
|
Лестничные
площадки ЛП-101-2СПб)
|
шт.
|
40
|
(20781,14)
|
|
(831245.60)
|
|
|
|
|
|
|
113.
4
|
ТЕР
07-01-047-3
|
Установка
лестничных маршей при наибольшей массе монтажных элементов в здании до 5 т (
Н.Р. 130*0,94% = 37590.40 руб. С.П. 85% = 26147.17 руб.)
|
100
шт.
|
0.5
|
15542.57
3811.86
|
8337.83
1311.62
|
7771.28
|
1905.93
|
4168.91
655.81
|
347.48
83.30
|
173.74
41.65
|
|
|
114.
|
401-0246
|
Бетон
мелкозернистый (песчаный) класса В15 (М200)
|
м3
|
0.26
|
(4416,74)
|
|
(1148.35)
|
|
|
|
|
|
|
115.
|
448-2001-500
|
Лестничные
марши БИ-231
|
шт.
|
50
|
(2623,53)
|
|
(131176.50)
|
|
|
|
|
|
|
116.
|
|
Итого
прямых затрат в базовом уровне цен:
|
руб.
|
|
|
|
115446
|
32124
|
38186
5348
|
|
2839
359
|
|
|
117.
|
|
Индекс
к оплате труда рабочих:
|
|
12.008
|
|
|
385745
|
|
|
|
|
|
|
118.
|
|
Индекс
к стоимости эксплуатации машин:
|
|
8.991
|
|
|
343330
|
|
|
|
|
|
|
119.
|
|
в
том числе зарплата машинистов:
|
|
12.008
|
|
|
64219
|
|
|
|
|
|
|
120.
|
|
Индекс
к стоимости материалов:
|
|
7.056
|
|
|
318473
|
|
|
|
|
|
|
121.
|
|
Материалы
в текущем уровне цен:
|
|
1
|
|
|
6828439
|
|
|
|
|
|
|
122.
|
|
Итого
с индексацией:
|
руб.
|
|
|
|
7875988
|
385745
|
343330
64219
|
|
3198
|
|
|
123.
|
|
Накладные
расходы %:
|
%
|
|
|
|
536341
|
27353
|
|
|
3970.25
|
|
|
124.
|
|
Итого
с накладными:
|
руб.
|
|
|
|
8412329
|
413098
|
343330
64219
|
|
7168.25
|
|
|
125.
|
|
Сметная
прибыль %:
|
%
|
|
|
|
373483
|
|
|
|
|
|
|
126.
|
|
Итого:
|
руб.
|
|
|
|
8785812
|
413098
|
343330
64219
|
|
7168.25
|
|
|
127.
|
|
Всего
по разделу:
|
руб.
|
|
|
|
8785812
|
413098
|
343330
64219
|
|
7168.25
|
|
|
6.
Кровля
|
|
|
128.
1
|
ТЕР
12-01-017-1
|
Устройство
выравнивающих стяжек цементно-песчаных:толщиной 15 мм ( Н.Р. 120*0,94% =
51096.16 руб. С.П. 65% = 29443.71 руб.)
|
100
м2
|
12
|
1050.04
287.44
|
163.22
26.92
|
12600.48
|
3449.28
|
1958.64
323.04
|
27.22
1.94
|
326.64
23.28
|
|
|
129.
2
|
ТЕР
12-01-015-1
|
Устройство
пароизоляции оклеечной:в один слой ( Н.Р. 120*0,94% = 36652.83 руб. С.П. 65%
= 21120.87 руб.)
|
100
м2
|
12
|
614.21
221.51
|
68.00
3.99
|
7370.52
|
2658.12
|
816.00
47.88
|
17.51
0.28
|
210.12
3.36
|
|
|
130.
|
101-9090-020
|
Мастика
битумная гидроизоляционная МГ-2 БС (быстро сохнущая)
|
т
|
2.352
|
(44490,38)
|
|
(104641.37)
|
|
|
|
|
|
|
131.
|
101-0856
|
Рубероид
кровельный с пылевидной посыпкой РКП-350
|
м2
|
1320
|
(12,71)
|
|
(16777.20)
|
|
|
|
|
|
|
132.
3
|
ТЕР
12-01-013-3
|
Утепление
покрытий плитами из минеральной ваты или перлита на битумной мастике:в один
слой ( Н.Р. 120*0,94% = 91542.69 руб. С.П. 65% = 52750.66 руб.)
|
100
м2
|
12
|
986.02
551.29
|
119.67
11.91
|
11832.24
|
6615.48
|
1436.04
142.92
|
45.54
0.83
|
546.48
9.96
|
|
|
133.
|
101-9090-020
|
Мастика
битумная гидроизоляционная МГ-2 БС (быстро сохнущая)
|
т
|
0.201
|
(44490,38)
|
|
(8942.57)
|
|
|
|
|
|
|
134.
|
104-9131-014
|
Плиты
минераловатные на синтетическом связующем URSA, П-15 толщ.100 мм
|
м3
|
120
|
(1280,91)
|
|
(153709.20)
|
|
|
|
|
|
|
135.
4
|
ТЕР
10-01-012-5
|
Настил
пергамина ( Н.Р. 118*0,94% = 14234.57 руб. С.П. 63% = 8084.91 руб.)
|
100
м2
|
12
|
114.66
88.60
|
2.74
0.46
|
1375.92
|
1063.20
|
32.88
5.52
|
8.28
0.04
|
99.36
0.48
|
|
|
136.
|
101-0851-001
|
Пергамин
кpовельный П-300
|
м2
|
1260
|
(4,94)
|
|
(6224.40)
|
|
|
|
|
|
|
137.
5
|
ТЕР
12-01-017-1
|
Устройство
выравнивающих стяжек цементно-песчаных:толщиной 15 мм ( Н.Р. 120*0,94% =
51096.16 руб. С.П. 65% = 29443.71 руб.)
|
100
м2
|
12
|
1050.04
287.44
|
163.22
26.92
|
12600.48
|
3449.28
|
1958.64
323.04
|
27.22
1.94
|
326.64
23.28
|
|
|
138.
6
|
ТЕР
12-01-002-1
|
Устройство
кровель плоских четырехслойных из рулонных кровельных материалов:на битумной
мастике с защитным слоем из гравия на битумной антисептированной мастике (
Н.Р. 120*0,94% = 5318.72 руб. С.П. 65% = 3064.87 руб.)
|
100
м2
|
1
|
1009.98
375.96
|
345.72
16.71
|
1009.98
|
375.96
|
345.72
16.71
|
29.72
1.18
|
29.72
1.18
|
|
|
139.
|
101-9090-020
|
Мастика
битумная гидроизоляционная МГ-2 БС (быстро сохнущая)
|
т
|
1.26
|
(44490,38)
|
|
(56057.88)
|
|
|
|
|
|
|
140.
|
101-0852-003
|
Рубероид
наплавляемый с пылевидной посыпкой РНП-400 (СтройЦена 01.2008 СПб)
|
м2
|
460
|
(19,19)
|
|
(8827.40)
|
|
|
|
|
|
|
141.
|
|
Итого
прямых затрат в базовом уровне цен:
|
руб.
|
|
|
|
46790
|
17611
|
6548
859
|
|
1539
62
|
|
|
142.
|
|
Индекс
к оплате труда рабочих:
|
|
12.008
|
|
|
211473
|
|
|
|
|
|
|
143.
|
|
Индекс
к стоимости эксплуатации машин:
|
|
8.187
|
|
|
53608
|
|
|
|
|
|
|
144.
|
|
в
том числе зарплата машинистов:
|
|
12.008
|
|
|
10315
|
|
|
|
|
|
|
145.
|
|
Индекс
к стоимости материалов:
|
|
4.604
|
|
|
104189
|
|
|
|
|
|
|
146.
|
|
Материалы
в текущем уровне цен:
|
|
1
|
|
|
355180
|
|
|
|
|
|
|
147.
|
|
Итого
с индексацией:
|
руб.
|
|
|
|
724451
|
211473
|
53608
10315
|
|
1601
|
|
|
148.
|
|
Накладные
расходы %:
|
%
|
|
|
|
249941
|
|
|
1850.18
|
|
|
149.
|
|
Итого
с накладными:
|
руб.
|
|
|
|
974392
|
224220
|
53608
10315
|
|
3451.18
|
|
|
150.
|
|
Сметная
прибыль %:
|
%
|
|
|
|
143909
|
|
|
|
|
|
|
151.
|
|
Итого:
|
руб.
|
|
|
|
1118301
|
224220
|
53608
10315
|
|
3451.18
|
|
|
152.
|
|
Всего
по разделу:
|
руб.
|
|
|
|
1118301
|
224220
|
53608
10315
|
|
3451.18
|
|
|
7.
Окна
|
|
|
153.
1
|
ТЕР
10-01-034-5
|
Монтаж
окон из ПВХ-профилейповоротных (откидных, поворотно-откидных) с площадью
проема до 2 м2 двухстворчатых ( Н.Р. 118*0,94% = 88581.03 руб. С.П. 63% =
50311.98 руб.)
|
100
м2
|
3.86
|
13840.79
1625.07
|
488.79
97.88
|
53425.45
|
6272.77
|
1886.73
377.82
|
141.31
7.67
|
545.46
29.61
|
|
|
154.
|
101-9219-013
|
Блоки
оконные двустворные ПВХ 15-13,5 (пл. 1,93 м2) - одна створка поворотная,
другая поворотно-откидная, двухкамерные (СтройЦена 01.2008 СПб)
|
м2
|
386
|
(3084,03)
|
|
(1190435.58)
|
|
|
|
|
|
|
155.
2
|
ТЕР
10-01-033-5
|
заведением
в паз оконного блока и с высотой проема:до 2 м ( Н.Р. 118*0,94% = 8484.64
руб. С.П. 63% = 4819.08 руб.)
|
100
м2
|
3.86
|
704.32
161.37
|
14.66
3.66
|
2718.68
|
622.89
|
56.59
14.13
|
14.71
0.30
|
56.78
1.16
|
|
|
156.
|
101-9468-002
|
Доски
подоконные из ПВХ шириной 200 мм
|
м
|
285.64
|
(124,92)
|
|
(35682.15)
|
|
|
|
|
|
|
157.
3
|
ТЕР
10-01-035-2
|
Установка
водоотливов из оцинкованной стали с полимерным покрытием с высотой проема:до
2 м ( Н.Р. 118*0,94% = 6549.89 руб. С.П. 63% = 3720.18 руб.)
|
100
м2
|
3.86
|
393.81
123.98
|
15.00
3.42
|
1520.11
|
478.56
|
57.90
13.20
|
11.04
0.28
|
42.61
1.08
|
|
|
158.
|
201-9463-500
|
Отливы
|
м2
|
52
|
(709,18)
|
|
(36877.36)
|
|
|
|
|
|
|
159.
|
|
Итого
прямых затрат в базовом уровне цен:
|
руб.
|
|
|
|
57664
|
7374
|
2001
405
|
|
645
32
|
|
|
160.
|
|
Индекс
к оплате труда рабочих:
|
|
12.008
|
|
|
88547
|
|
|
|
|
|
|
161.
|
|
Индекс
к стоимости эксплуатации машин:
|
|
8.187
|
|
|
16382
|
|
|
|
|
|
|
162.
|
|
в
том числе зарплата машинистов:
|
|
12.008
|
|
|
4863
|
|
|
|
|
|
|
163.
|
|
Индекс
к стоимости материалов:
|
|
2.914
|
|
|
140714
|
|
|
|
|
|
|
164.
|
|
Материалы
в текущем уровне цен:
|
|
1
|
|
|
1262995
|
|
|
|
|
|
|
165.
|
|
Итого
с индексацией:
|
руб.
|
|
|
|
1508638
|
88547
|
16382
4863
|
|
677
|
|
|
166.
|
|
Накладные
расходы %:
|
%
|
|
|
|
103616
|
5284
|
|
|
767.01
|
|
|
167.
|
|
Итого
с накладными:
|
руб.
|
|
|
|
1612254
|
93831
|
16382
4863
|
|
1444.01
|
|
|
168.
|
|
Сметная
прибыль %:
|
%
|
|
|
|
58851
|
|
|
|
|
|
|
169.
|
|
Итого:
|
руб.
|
|
|
|
1671105
|
93831
|
16382
4863
|
|
1444.01
|
|
|
170.
|
|
Всего
по разделу:
|
руб.
|
|
|
|
1671105
|
93831
|
16382
4863
|
|
1444.01
|
|
|
8.
Двери
|
|
|
171.
1
|
ТЕР
10-01-039-1
|
Установка
блоков в наружных и внутренних дверных проемах:в каменных стенах площадью
проема до 3 м2 ( Н.Р. 118*0,94% = 109746.55 руб. С.П. 63% = 62333.51 руб.)
|
100
м2
|
6
|
5420.09
1171.06
|
1330.09
202.22
|
32520.54
|
7026.36
|
7980.54
1213.32
|
104.28
13.34
|
625.68
80.04
|
|
|
172.
|
203-0199
|
Блоки
дверные ДГ 21- 9, ДГ 21-10
|
м2
|
453.6
|
(524,61)
|
|
(237963.10)
|
|
|
|
|
|
|
173.
|
203-0198
|
Блоки
дверные ДГ 21- 7, ДГ 21- 8 внутренние, глухие, щитовой конструкции с
мелкопустотным заполнением щита, оклеенные твердыми древесноволокнистыми
плитами, ГОСТ 6629-88
|
м2
|
147
|
(552,93)
|
|
(81280.71)
|
|
|
|
|
|
|
174.
|
101-9411-028
|
Петли
дверные полушарнирные ПН1-130 с полимерным покрытием
|
шт.
|
680
|
(23,95)
|
|
(16286.00)
|
|
|
|
|
|
|
175.
|
202-9155-005
|
Ручки
дверные
|
шт.
|
340
|
(45,00)
|
|
(15300.00)
|
|
|
|
|
|
|
176.
2
|
ТЕР
10-01-060-1
|
Установка
и крепление наличников ( Н.Р. 118*0,94% = 40662.01 руб. С.П. 63% = 23095.08
руб.)
|
100
м
|
38.89
|
87.43
78.04
|
2.74
0.46
|
3400.15
|
3034.98
|
106.56
17.89
|
7.82
0.04
|
304.12
1.56
|
|
|
177.
|
(203-9054)
|
Наличники
|
м
|
4355.68
|
(21,05)
|
|
(91687.06)
|
|
|
|
|
|
|
178.
|
203-0359
|
Наличники
13х54 мм
|
м
|
1440
|
(16,40)
|
|
(23616.00)
|
|
|
|
|
|
|
179.
|
203-0360
|
Наличники
13х74 мм
|
м
|
2449
|
(18,20)
|
|
(44571.80)
|
|
|
|
|
|
|
180.
|
|
Итого
прямых затрат в базовом уровне цен:
|
руб.
|
|
|
|
35921
|
10061
|
8087
1231
|
|
930
82
|
|
|
181.
|
|
Индекс
к оплате труда рабочих:
|
|
12.008
|
|
|
120812
|
|
|
|
|
|
|
182.
|
|
Индекс
к стоимости эксплуатации машин:
|
|
8.187
|
|
|
66208
|
|
|
|
|
|
|
183.
|
|
в
том числе зарплата машинистов:
|
|
12.008
|
|
|
14782
|
|
|
|
|
|
|
184.
|
|
Индекс
к стоимости материалов:
|
|
2.926
|
|
|
52001
|
|
|
|
|
|
|
185.
|
|
Материалы
в текущем уровне цен:
|
|
1
|
|
|
510705
|
|
|
|
|
|
|
186.
|
|
Итого
с индексацией:
|
руб.
|
|
|
|
749727
|
120812
|
66208
14782
|
|
1012
|
|
|
187.
|
|
Накладные
расходы %:
|
%
|
|
|
|
150409
|
7671
|
|
|
1113.39
|
|
|
188.
|
|
Итого
с накладными:
|
руб.
|
|
|
|
900136
|
128483
|
66208
14782
|
|
2125.39
|
|
|
189.
|
|
Сметная
прибыль %:
|
%
|
|
|
|
85429
|
|
|
|
|
|
|
190.
|
|
Итого:
|
руб.
|
|
|
|
985565
|
128483
|
66208
14782
|
|
2125.39
|
|
|
191.
|
|
Всего
по разделу:
|
руб.
|
|
|
|
985565
|
128483
|
66208
14782
|
|
2125.39
|
|
|
9.
Полы - плитка
|
|
|
192.
1
|
ТЕР
11-01-011-1
|
Устройство
стяжек:цементных толщиной 20 мм ( Н.Р. 123*0,94% = 17001.22 руб. С.П. 75% =
11028.30 руб.)
|
100
м2
|
3.06
|
1179.24
383.64
|
37.32
16.54
|
3608.47
|
1173.94
|
114.20
50.61
|
39.51
1.27
|
120.90
3.89
|
|
|
193.
2
|
ТЕР
11-01-011-2
|
Устройство
стяжек:цементных на каждые 5 мм изменения толщины стяжки добавлять или исключать
к норме 11-1-11-1 к прямым затратам: 4 ( Н.Р. 123*0,94% = 1289.93 руб. С.П.
75% = 836.75 руб.)
|
100
м2
|
3.06
|
796.24
19.44
|
26.08
10.92
|
2436.49
|
59.49
|
79.80
33.42
|
2.00
0.84
|
6.12
2.57
|
|
|
194.
3
|
ТЕР
11-01-027-2
|
Устройство
покрытий на цементном растворе из плиток:керамических для полов многоцветных
( Н.Р. 123*0,94% = 56055.10 руб. С.П. 75% = 36361.63 руб.)
|
100
м2
|
3.06
|
1930.20
1281.65
|
104.00
37.79
|
5906.41
|
3921.85
|
318.24
115.64
|
119.78
2.94
|
366.53
9.00
|
|
|
195.
|
101-1741-003
|
Плитки
керамические для полов неглазурованные гладкие квадратные порфировидные
толщ.9 мм (разм.200х200х9 мм)
|
м2
|
312.12
|
(184,79)
|
|
(57676.65)
|
|
|
|
|
|
|
196.
|
|
Итого
прямых затрат в базовом уровне цен:
|
руб.
|
|
|
|
11951
|
5155
|
512
200
|
|
494
15
|
|
|
197.
|
|
|
|
12.008
|
|
|
61901
|
|
|
|
|
|
|
198.
|
|
|
|
8.187
|
|
|
4192
|
|
|
|
|
|
|
199.
|
|
в
том числе зарплата машинистов:
|
|
12.008
|
|
|
2402
|
|
|
|
|
|
|
200.
|
|
4.578
|
|
|
28768
|
|
|
|
|
|
|
201.
|
|
Материалы
в текущем уровне цен:
|
|
1
|
|
|
57677
|
|
|
|
|
|
|
202.
|
|
Итого
с индексацией:
|
руб.
|
|
|
|
152538
|
61901
|
4192
2402
|
|
509
|
|
|
203.
|
|
Накладные
расходы %:
|
%
|
|
|
|
74346
|
3792
|
|
|
550.34
|
|
|
204.
|
|
Итого
с накладными:
|
руб.
|
|
|
|
226884
|
65693
|
4192
2402
|
|
1059.34
|
|
|
205.
|
|
Сметная
прибыль %:
|
%
|
|
|
|
48227
|
|
|
|
|
|
|
206.
|
|
Итого:
|
руб.
|
|
|
|
275111
|
65693
|
4192
2402
|
|
1059.34
|
|
|
207.
|
|
Всего
по разделу:
|
руб.
|
|
|
|
275111
|
65693
|
4192
2402
|
|
1059.34
|
|
|
10.
Полы - паркет
|
|
|
208.
1
|
ТЕР
11-01-011-1
|
Устройство
стяжек:цементных толщиной 20 мм ( Н.Р. 123*0,94% = 121564.40 руб. С.П. 75% =
78856.00 руб.)
|
100
м2
|
21.88
|
1179.24
383.64
|
37.32
16.54
|
25801.77
|
8394.04
|
816.56
361.90
|
39.51
1.27
|
864.48
27.79
|
|
|
209.
2
|
ТЕР
11-01-011-2
|
Устройство
стяжек:цементных на каждые 5 мм изменения толщины стяжки добавлять или
исключать к норме 11-1-11-1 к прямым затратам: 4 ( Н.Р. 123*0,94% = 9222.63
руб. С.П. 75% = 5982.51 руб.)
|
100
м2
|
21.88
|
796.24
19.44
|
26.08
10.92
|
17421.73
|
425.35
|
570.63
238.93
|
2.00
0.84
|
43.76
18.38
|
|
|
210.
3
|
ТЕР
11-01-034-2
|
Устройство
покрытий:из паркета мозаичного ( Н.Р. 123*0,94% = 177079.15 руб. С.П. 75% =
114867.12 руб.)
|
100
м2
|
21.88
|
2412.57
574.31
|
104.33
8.62
|
52787.03
|
12565.90
|
2282.74
188.61
|
45.40
0.71
|
993.35
15.53
|
|
|
211.
|
102-9090-109
|
Доски
паркетные многослойные марки Tarkett с замковым соединением, орех (разм.
14х192х2272 мм) (СтройЦена 01.2008 СПб)
|
м2
|
2231.76
|
(2153,39)
|
|
(4805849.67)
|
|
|
|
|
|
|
212.
|
|
Итого
прямых затрат в базовом уровне цен:
|
руб.
|
|
|
|
96011
|
21385
|
3670
789
|
|
1902
62
|
|
|
213.
|
|
Индекс
к оплате труда рабочих:
|
|
12.008
|
|
|
256791
|
|
|
|
|
|
|
214.
|
|
Индекс
к стоимости эксплуатации машин:
|
|
8.187
|
|
|
30046
|
|
|
|
|
|
|
215.
|
|
в
том числе зарплата машинистов:
|
|
12.008
|
|
|
9474
|
|
|
|
|
|
|
216.
|
|
Индекс
к стоимости материалов:
|
|
3.54
|
|
|
251181
|
|
|
|
|
|
|
217.
|
|
Материалы
в текущем уровне цен:
|
|
1
|
|
|
4805850
|
|
|
|
|
|
|
218.
|
|
Итого
с индексацией:
|
руб.
|
|
|
|
5343869
|
256791
|
30046
9474
|
|
1964
|
|
|
219.
|
|
Накладные
расходы %:
|
%
|
|
|
|
307866
|
15701
|
|
|
2278.97
|
|
|
220.
|
|
Итого
с накладными:
|
руб.
|
|
|
|
5651735
|
272492
|
30046
9474
|
|
4242.97
|
|
|
221.
|
|
Сметная
прибыль %:
|
%
|
|
|
|
199706
|
|
|
|
|
|
|
222.
|
|
Итого:
|
руб.
|
|
|
|
5851441
|
272492
|
30046
9474
|
|
4242.97
|
|
|
223.
|
|
Всего
по разделу:
|
руб.
|
|
|
|
5851441
|
272492
|
30046
9474
|
|
4242.97
|
|
|
11.
Отделочные работы
|
|
|
224.
1
|
ТЕР
15-02-016-1
|
Оштукатуривание
поверхностей цементно-известковым или цементным раствором по камню и
бетону:простое стен ( Н.Р. 105*0,94% = 1157536.52 руб. С.П. 55% = 645030.48
руб.)
|
100
м2
|
97.7
|
1833.06
920.63
|
139.15
79.03
|
179089.96
|
89945.55
|
13594.96
7721.23
|
75.40
6.07
|
7366.58
593.04
|
|
|
225.
2
|
ТЕР
15-02-019-3
|
Сплошное
выравнивание поверхностей (однослойная штукатурка) из сухих растворных смесей
толщиной до 10 мм:стен ( Н.Р. 105*0,94% = 769710.96 руб. С.П. 55% = 428916.95
руб.)
|
100
м2
|
97.7
|
673.58
640.99
|
31.23
23.74
|
65808.77
|
62624.72
|
3051.17
2319.40
|
51.89
1.87
|
5069.65
182.70
|
|
|
226.
|
101-9544-009
|
Ветонит
'KR/LR' для шпаклевки сухих помещений
|
т
|
94.769
|
(13166,68)
|
|
(1247793.10)
|
|
|
|
|
|
|
227.
3
|
ТЕР
13-03-001-1
|
Огрунтовка
бетонных и оштукатуренных поверхностей стен (первый слой) ( Н.Р. 90*0,94% =
103449.48 руб. С.П. 70% = 85596.49 руб.)
|
100
м2
|
97.7
|
109.76
103.99
|
5.77
0.24
|
10723.55
|
10159.82
|
563.73
23.45
|
7.43
0.02
|
725.91
1.95
|
|
|
228.
|
Прайс-лист
|
Аквастоп
|
1л
|
2443
|
(136,00)
|
|
(332248.00)
|
|
|
|
|
|
|
229.
4
|
ТЕР
15-02-019-4
|
Сплошное
выравнивание поверхностей (однослойная штукатурка) из сухих растворных смесей
толщиной до 10 мм:потолков ( Н.Р. 105*0,94% = 434169.20 руб. С.П. 55% =
241938.26 руб.)
|
100
м2
|
42.74
|
867.55
829.44
|
36.51
27.67
|
37079.09
|
35450.27
|
1560.44
1182.62
|
63.10
2.18
|
2696.89
93.17
|
|
|
230.
|
(402-9110)
|
Смесь
растворная сухая
|
т
|
48.33894
|
(4150,00)
|
|
(200606.60)
|
|
|
|
|
|
|
231.
5
|
ТЕР
13-03-001-1
|
Огрунтовка
бетонных и оштукатуренных поверхностей потолков (первый слой) ( Н.Р. 90*0,94%
= 45255.18 руб. С.П. 70% = 37445.18 руб.)
|
100
м2
|
42.74
|
109.76
103.99
|
5.77
0.24
|
4691.14
|
4444.53
|
246.61
10.26
|
7.43
0.02
|
317.56
0.85
|
|
|
232.
|
Прайс-лист
|
Аквастоп
|
1л
|
994
|
(136,00)
|
|
(135184.00)
|
|
|
|
|
|
|
233.
6
|
ТЕР
15-04-005-4
|
Окраска
поливинилацетатными водоэмульсионными составами улучшенная:по штукатурке
потолков ( Н.Р. 105*0,94% = 300576.65 руб. С.П. 55% = 167494.58 руб.)
|
100
м2 окрашиваемой поверхности
|
42.74
|
758.85
591.28
|
11.50
2.10
|
32433.25
|
25271.31
|
491.51
89.75
|
53.90
0.18
|
2303.69
7.69
|
|
|
234.
|
101-9851-051
|
Краски
водно-дисперсионные ВД-АК-205 акрилатные Эталон, потолочные
|
т
|
2.94906
|
(24488,14)
|
|
(72216.99)
|
|
|
|
|
|
|
235.
|
101-9851-062
|
Краски
водно-дисперсионные ВД-АК- 24 акрилатные, повышенной устойчивости
|
т
|
0.207
|
(19058,98)
|
|
(3945.21)
|
|
|
|
|
|
|
236.
7
|
ТЕР
15-06-001-2
|
Оклейка
обоями стен по монолитной штукатурке и бетону:тиснеными и плотными ( Н.Р.
105*0,94% = 603733.33 руб. С.П. 55% = 336426.88 руб.)
|
100
м2 оклеиваемой и обиваемой поверхности
|
97.7
|
684.32
521.14
|
0.95
0.25
|
66858.06
|
50915.38
|
92.81
24.43
|
46.95
0.02
|
4587.02
1.95
|
|
|
237.
|
101-9265-017
|
Обои
на склеенной бумажной подоснове 'дуплекс' (160г/м2), тисненые, под окраску,
артикул ДС-0, разм.10,05х0,53 м (Московская обойная фабрика)
|
10
м2
|
1123.55
|
(100,18)
|
|
(112557.24)
|
|
|
|
|
|
|
238.
8
|
ТЕР
15-02-031-8
|
Насечка
поверхности:стен ( Н.Р. 105*0,94% = 52826.86 руб. С.П. 55% = 29437.46 руб.)
|
100
м2
|
10.5
|
424.50
424.50
|
0
0
|
4457.25
|
4457.25
|
0
0
|
37.00
0
|
388.50
0
|
|
|
239.
9
|
ТЕР
13-03-001-1
|
Огрунтовка
бетонных и оштукатуренных поверхностей стен (первый слой) ( Н.Р. 90*0,94% =
11117.86 руб. С.П. 70% = 9199.17 руб.)
|
100
м2
|
10.5
|
109.76
103.99
|
5.77
0.24
|
1152.48
|
1091.89
|
60.58
2.52
|
7.43
0.02
|
78.02
0.21
|
|
|
240.
|
Прайс-лист
|
Аквастоп
|
1л
|
262.5
|
(136,00)
|
|
(35700.00)
|
|
|
|
|
|
|
241.
10
|
ТЕР
15-01-019-5
|
Гладкая
облицовка стен, столбов, пилястр и откосов (без карнизных, плинтусных и
угловых плиток) без установки плиток туалетного гарнитура на клее из сухих
смесей:по кирпичу и бетону ( Н.Р. 105*0,94% = 225754.20 руб. С.П. 55% =
125800.21 руб.)
|
100
м2 поверхности облицовки
|
10.5
|
1832.02
1793.09
|
31.42
21.00
|
19236.21
|
18827.44
|
329.91
220.50
|
159.67
1.65
|
1676.53
17.32
|
|
|
242.
|
101-9049-036
|
Плитки
керамические глазурованные для внутренней облицовки стен многоцветные,
'Итало-дизайн' (коллекция 'Прага'-элит класс)
|
м2
|
1050
|
(237,64)
|
|
(249522.00)
|
|
|
|
|
|
|
243.
|
402-9110-004
|
Смеси
сухие 'Плитонит-А,'на цементной основе клей для плитки
|
т
|
3.9375
|
(7029,40)
|
|
(27678.26)
|
|
|
|
|
|
|
244.
|
402-9110-002
|
Смеси
сухие 'Плитонит-3' на цементной основе, затирка (белая)
|
т
|
0.525
|
(19318,12)
|
|
|
|
|
|
|
245.
|
|
Итого
прямых затрат в базовом уровне цен:
|
руб.
|
|
|
|
421530
|
303188
|
19992
11594
|
|
25210
899
|
|
|
246.
|
|
Индекс
к оплате труда рабочих:
|
|
12.008
|
|
|
3640682
|
|
|
|
|
|
|
247.
|
|
Индекс
к стоимости эксплуатации машин:
|
|
8.187
|
|
|
163675
|
|
|
|
|
|
|
248.
|
|
в
том числе зарплата машинистов:
|
|
12.008
|
|
|
139221
|
|
|
|
|
|
|
249.
|
|
Индекс
к стоимости материалов:
|
|
5.145
|
|
|
506011
|
|
|
|
|
|
|
250.
|
|
Материалы
в текущем уровне цен:
|
|
1
|
|
|
2427593
|
|
|
|
|
|
|
251.
|
|
Итого
с индексацией:
|
руб.
|
|
|
|
6737961
|
3640682
|
163675
139221
|
|
26109
|
|
|
252.
|
|
Накладные
расходы %:
|
%
|
|
|
|
3704130
|
188911
|
|
|
27419.72
|
|
|
253.
|
|
Итого
с накладными:
|
руб.
|
|
|
|
10442091
|
3829593
|
163675
139221
|
|
53528.72
|
|
|
254.
|
|
Сметная
прибыль %:
|
%
|
|
|
|
2107286
|
|
|
|
|
|
|
255.
|
|
Итого:
|
руб.
|
|
|
|
12549377
|
3829593
|
163675
139221
|
|
53528.72
|
|
|
256.
|
|
Всего
по разделу:
|
руб.
|
|
|
|
12549377
|
3829593
|
163675
139221
|
|
53528.72
|
|
|
12.
Прочие работы
|
|
|
257.
1
|
ТЕР
11-01-002-1
|
Устройство
подстилающих слоев под полом подвала:песчаных ( Н.Р. 123*0,94% = 67724.44
руб. С.П. 75% = 43931.27 руб.)
|
1
м3
|
180
|
149.92
23.41
|
17.59
3.69
|
26985.60
|
4213.80
|
3166.20
664.20
|
3.41
0.30
|
613.80
54.00
|
|
|
258.
2
|
ТЕР
11-01-015-3
|
Устройство
покрытий:цементных толщиной 20 мм ( Н.Р. 123*0,94% = 54359.76 руб. С.П. 75% =
35261.91 руб.)
|
100
м2
|
12.01
|
1465.02
292.56
|
136.49
33.45
|
17594.89
|
3513.65
|
1639.24
401.73
|
30.13
2.64
|
361.86
31.71
|
|
|
259.
3
|
ТЕР
11-01-015-4
|
Устройство
покрытий:цементных на каждые 5 мм изменения толщины к прямым затратам: 6 (
Н.Р. 123*0,94% = 13646.24 руб. С.П. 75% = 8852.00 руб.)
|
100
м2
|
12.01
|
1225.20
67.02
|
32.10
14.82
|
14714.65
|
804.91
|
385.52
177.99
|
6.90
1.14
|
82.87
13.69
|
|
|
260.
4
|
ТЕР
08-05-002-3
|
Устройство
крылец:с входом с трех сторон в три ступени ( Н.Р. 122*0,94% = 8382.96 руб.
С.П. 80% = 5847.90 руб.)
|
1
м2
|
5
|
274.70
118.56
|
20.97
3.19
|
1373.50
|
592.80
|
104.85
15.95
|
12.21
0.24
|
61.05
1.20
|
|
|
261.
|
204-0002
|
Арматурная
сталь класса А-I диам. 8 мм
|
т
|
0.087
|
(23465,70)
|
|
(2041.52)
|
|
|
|
|
|
|
262.
|
(440-9009)
|
Плиты
железобетонные
|
м3
|
1.5
|
(2770,00)
|
|
(4155.00)
|
|
|
|
|
|
|
263.
|
448-2201-638
|
Лестничные
ступени ЛС- 8
|
шт.
|
15
|
(297,78)
|
|
(4466.70)
|
|
|
|
|
|
|
264.
|
204-0035
|
Надбавки
к ценам заготовок за сборку и сварку каркасов и сеток плоских, диаметр 8 мм
(ССЦ-2000 Санкт-Петербург)
|
т
|
1
|
2185,69
|
|
2185.69
|
|
|
|
|
|
|
265.
|
|
Итого
прямых затрат в базовом уровне цен:
|
руб.
|
|
|
|
62854
|
9125
|
5296
1260
|
|
1120
101
|
|
|
266.
|
|
Индекс
к оплате труда рабочих:
|
|
12.008
|
|
|
109573
|
|
|
|
|
|
|
267.
|
|
Индекс
к стоимости эксплуатации машин:
|
|
7.508
|
|
|
39762
|
|
|
|
|
|
|
268.
|
|
в
том числе зарплата машинистов:
|
|
12.008
|
|
|
15130
|
|
|
|
|
|
|
269.
|
|
Индекс
к стоимости материалов:
|
|
5.122
|
|
|
248074
|
|
|
|
|
|
|
270.
|
|
Материалы
в текущем уровне цен:
|
|
1
|
|
|
10663
|
|
|
|
|
|
|
271.
|
|
Итого
с индексацией:
|
руб.
|
|
|
|
408072
|
109573
|
39762
15130
|
|
1221
|
|
|
272.
|
|
Накладные
расходы %:
|
%
|
|
|
|
144113
|
7350
|
|
|
1066.79
|
|
|
273.
|
|
Итого
с накладными:
|
руб.
|
|
|
|
552185
|
116923
|
39762
15130
|
|
2287.79
|
|
|
274.
|
|
Сметная
прибыль %:
|
%
|
|
|
|
93893
|
|
|
|
|
|
|
275.
|
|
Итого:
|
руб.
|
|
|
|
646078
|
116923
|
39762
15130
|
|
2287.79
|
|
|
276.
|
|
Всего
по разделу:
|
руб.
|
|
|
|
646078
|
116923
|
39762
15130
|
|
2287.79
|
|
|
|
|
Итого
по всем разделам:
|
руб.
|
|
|
|
64590821
|
10300779
|
4633331
679244
|
|
63896.43
|
|
|
|
Всего
по смете: в т.ч. средства на оплату труда
|
руб.
|
|
|
|
64590821
10980023
|
10300779
|
4633331
679244
|
|
63896.43
|
|
|
|
|
|
|
|
|
|
|
|
|
|
|
|
|
|
|
|
|
|
|
|
|
|
|
|
Локальный сметный расчет №02-01-024-этажного
5-секционного жилого дома на внутренние санитарно-технические работы
Основание: чертежи № 133-015.13.87___________________
Сметная
стоимость______________4497.7________тыс.руб.
Средства на оплату
труда_________538.4_________тыс.руб.
Составлен в текущих ценах по состоянию на февраль
2011г.
Сметная стоимость: 4497737.00 руб.
Зарплата основных рабочих: 538399.00 руб.
|
№
|
Шифр
|
Наименование
работ и затрат,
|
Единица
|
Кол-во
|
Стоимость
единицы, руб.
|
Общая
стоимость, руб.
|
Затраты
труда
|
|
п.п.
|
норматива
|
материалов,
изделий и конструкций
|
измер.
|
|
ВСЕГО
|
экспл.
машин
|
ВСЕГО
|
основной
|
экспл.
машин
|
рабочих-строителей,
чел-ч.
|
|
|
|
|
|
|
основной
|
в.
т.ч. з/пл
|
|
заработной
|
в.
т.ч. з/пл
|
на
|
всего
|
|
|
|
|
|
|
з/пл
|
машинистов
|
|
платы
|
машинистов
|
единицу
|
|
|
Сантехника
|
|
|
1
|
ТУР
31-01-001-1
|
Водостоки
для зданий до 9 этажей ( Н.Р. 128*0,9*0,85% = 88833.45 руб. С.П. 83*0,85*0,8%
= 51202.62 руб.)
|
1
стояк
|
5
|
16949.00 1487.00
|
214.00 24.00
|
84745.00
|
7435.00
|
1070.00 120.00
|
127.75
1.90
|
638.75
9.50
|
|
|
2
|
ТУР
32-01-001-1
|
Отопление
и вентиляция ( Н.Р. 130*0,9*0,85% = 179389.20 руб. С.П. 89*0,85*0,8% =
109166.76 руб.)
|
100
м3
|
163.28
|
1527.00 90.00
|
10.00 2.00
|
249328.56
|
14695.20
|
1632.80 326.56
|
8.22
0.15
|
1342.16
24.49
|
|
|
3
|
ТУР
33-01-001-1
|
Водопровод
и канализация с централизированным горячим водоснабжением в домах, оснащённых
сантехкабинами (без стоимости сантехкабин) в зданиях до 9 этажей ( Н.Р.
130*0,9*0,85% = 190593.62 руб. С.П. 89*0,85*0,8% = 115985.18 руб.)
|
1
квартира
|
60
|
6012.00 260.00
|
43.00 6.00
|
360720.00
|
15600.00
|
2580.00 360.00
|
22.63
0.45
|
1357.80
27.00
|
|
|
4
|
ТУР
34-01-001-1
|
Газификация
жилого дома при централизованном горячем водоснабжении ( Н.Р. 130*0,9*0,85% =
49461.19 руб. С.П. 89*0,85*0,8% = 30099.46 руб.)
|
100
квартир
|
0.6
|
281079.00 6752.00
|
901.00 151.00
|
168647.40
|
4051.20
|
540.60 90.60
|
557.12
12.65
|
334.27
7.59
|
|
|
|
Итого
прямых затрат в базовом уровне цен:
|
руб.
|
|
|
|
863441
|
41781
|
5823
897
|
|
3673
69
|
|
|
|
Индекс
к оплате труда рабочих:
|
|
12.008
|
|
|
501706
|
|
|
|
|
|
|
|
Индекс
к стоимости эксплуатации машин:
|
|
8.187
|
|
|
47673
|
|
|
|
|
|
|
|
в
том числе зарплата машинистов:
|
|
12.008
|
|
|
10771
|
|
|
|
|
|
|
|
Индекс
к стоимости материалов:
|
|
3.841
|
|
|
3133626
|
|
|
|
|
|
|
|
Материалы
в текущем уровне цен:
|
|
1
|
|
|
0
|
|
|
|
|
|
|
|
Итого
с индексацией:
|
руб.
|
|
|
|
3683006
|
501706
|
47673
10771
|
|
3742
|
|
|
|
Накладные
расходы %:
|
%
|
|
|
|
508277
|
25922
|
|
|
3762.51
|
|
|
|
Итого
с накладными:
|
руб.
|
|
|
|
4191283
|
527628
|
47673
10771
|
|
7504.51
|
|
|
|
Сметная
прибыль %:
|
%
|
|
|
|
306454
|
|
|
|
|
|
|
|
Итого:
|
руб.
|
|
|
|
4497737
|
527628
|
|
|
7504.51
|
руб.
|
|
|
|
4497737
|
527628
|
|
|
7504.51
|
|
|
|
|
Итого
по всем разделам:
|
руб.
|
|
|
|
4497737
|
527628
|
47673
10771
|
|
7504.51
|
|
|
|
Всего
по смете: в т.ч. средства на оплату труда
|
руб.
|
|
|
|
4497737
538399
|
527628
|
47673
10771
|
|
7504.51
|
|
|
|
|
|
|
|
|
|
|
|
|
|
|
|
|
|
|
|
|
|
|
|
|
|
Локальный сметный расчет №02-01-03 на
автоматизацию инженерного оборудования 4-этажного 5-секционного жилого дома
Основание: чертежи № 133-015.13.87___________________
Сметная
стоимость______________10651.4________тыс.руб.
Средства на оплату
труда_________2138.6_________тыс.руб.
Составлен в текущих ценах по состоянию на февраль
2011г.
Сметная стоимость: 10651437.00 руб.
Зарплата основных рабочих: 2138576.00 руб.
|
№
|
Шифр
|
Наименование
работ и затрат,
|
Единица
|
Кол-во
|
Стоимость
единицы, руб.
|
Общая
стоимость, руб.
|
Затраты
труда
|
|
п.п.
|
норматива
|
материалов,
изделий и конструкций
|
измер.
|
|
ВСЕГО
|
экспл.
машин
|
ВСЕГО
|
основной
|
экспл.
машин
|
рабочих-строителей,
чел-ч.
|
|
|
|
|
|
|
основной
|
в.
т.ч. з/пл
|
|
заработной
|
в.
т.ч. з/пл
|
на
|
всего
|
|
|
|
|
|
|
з/пл
|
машинистов
|
|
платы
|
машинистов
|
единицу
|
|
|
Автоматизация
инженерного оборудования
|
|
|
1
|
ТУР
36-01-001-1
|
Автоматизация
противопожарной защиты жилого дома ( Н.Р. 128*0,9*0,85% = 1994490.37 руб.
С.П. 50*0,85*0,8% = 692531.38 руб.)
|
1
ЛЛУ
|
5
|
269506.00 23149.00
|
22242.00 10776.00
|
1347530.00
|
115745.00
|
111210.00 53880.00
|
1966.75
703.81
|
9833.75
3519.05
|
|
|
|
Итого
прямых затрат в базовом уровне цен:
|
руб.
|
|
|
|
1347530
|
115745
|
111210
53880
|
|
9834
3519
|
|
|
|
Индекс
к оплате труда рабочих:
|
|
12.008
|
|
|
1389866
|
|
|
|
|
|
|
|
Индекс
к стоимости эксплуатации машин:
|
|
7.508
|
|
|
834965
|
|
|
|
|
|
|
|
в
том числе зарплата машинистов:
|
|
12.008
|
|
|
646991
|
|
|
|
|
|
|
|
Индекс
к стоимости материалов:
|
|
5.122
|
|
|
5739585
|
|
|
|
|
|
|
|
Материалы
в текущем уровне цен:
|
|
1
|
|
|
0
|
|
|
|
|
|
|
|
Итого
с индексацией:
|
руб.
|
|
|
|
7964416
|
1389866
|
834965
646991
|
|
13353
|
|
|
|
Накладные
расходы %:
|
%
|
|
|
|
1994490
|
101719
|
|
|
14764.16
|
|
|
|
Итого
с накладными:
|
руб.
|
|
|
|
9958906
|
1491585
|
834965
646991
|
|
28117.16
|
|
|
|
Сметная
прибыль %:
|
%
|
|
|
|
692531
|
|
|
|
|
|
|
|
Итого:
|
руб.
|
|
|
|
10651437
|
1491585
|
834965
646991
|
|
28117.16
|
|
|
|
Всего
по разделу:
|
руб.
|
|
|
|
10651437
|
1491585
|
834965
646991
|
|
28117.16
|
|
|
|
|
Итого
по всем разделам:
|
руб.
|
|
|
|
10651437
|
1491585
|
834965
646991
|
|
28117.16
|
|
|
|
Всего
по смете: в т.ч. средства на оплату труда
|
руб.
|
|
|
|
10651437
2138576
|
1491585
|
834965
646991
|
|
28117.16
|
|
|
|
|
|
|
|
|
|
|
|
|
|
|
|
|
|
|
|
|
|
|
|
|
|
Локальный сметный расчет №02-01-04 на
электрослаботочные устройства 4-этажного 5-секционного жилого дома
Основание: чертежи № 133-015.13.87___________________
Сметная
стоимость_____________6298.4_________тыс.руб.
Средства на оплату
труда________1438.9_________тыс.руб.
Составлен в текущих ценах по состоянию на февраль
2011г.
Сметная стоимость: 6298418.00 руб.
Зарплата основных рабочих: 1438869.00 руб.
|
№
|
Шифр
|
Наименование
работ и затрат,
|
Единица
|
Кол-во
|
Стоимость
единицы, руб.
|
Общая
стоимость, руб.
|
Затраты
труда
|
|
п.п.
|
норматива
|
материалов,
изделий и конструкций
|
измер.
|
|
ВСЕГО
|
экспл.
машин
|
ВСЕГО
|
основной
|
экспл.
машин
|
рабочих-строителей,
чел-ч.
|
|
|
|
|
|
|
основной
|
в.
т.ч. з/пл
|
|
заработной
|
в.
т.ч. з/пл
|
на
|
всего
|
|
|
|
|
|
|
з/пл
|
машинистов
|
|
платы
|
машинистов
|
единицу
|
|
|
Электроснабжение
|
|
|
1
|
ТУР
37-01-001-1
|
Электрослаботочные
устройства однокомнатной квартиры ( Н.Р. 85*0,9*0,85% = 280917.51 руб. С.П.
65*0,85*0,8% = 190965.15 руб.)
|
1
квартира
|
20
|
15504.00 1588.00
|
639.00 211.00
|
310080.00
|
31760.00
|
12780.00 4220.00
|
134.90
13.93
|
2698.00
278.60
|
|
|
2
|
ТУР
37-01-002-1
|
Электрослаботочные
устройства двухкомнатной квартиры ( Н.Р. 85*0,9*0,85% = 300124.21 руб. С.П.
65*0,85*0,8% = 204021.68 руб.)
|
1
квартира
|
20
|
16314.00 1686.00
|
692.00 236.00
|
326280.00
|
33720.00
|
13840.00 4720.00
|
143.27
15.55
|
2865.40
311.00
|
|
|
3
|
ТУР
37-01-003-1
|
Электрослаботочные
устройства трехкомнатной квартиры ( Н.Р. 85*0,9*0,85% = 324483.92 руб. С.П.
65*0,85*0,8% = 220581.20 руб.)
|
1
квартира
|
20
|
17195.00 1804.00
|
771.00 274.00
|
343900.00
|
36080.00
|
15420.00 5480.00
|
153.25
18.04
|
3065.00
360.80
|
|
|
|
Итого
прямых затрат в базовом уровне цен:
|
руб.
|
|
|
|
980260
|
101560
|
42040
14420
|
|
8628
950
|
|
|
|
Индекс
к оплате труда рабочих:
|
|
12.008
|
|
|
1219532
|
|
|
|
|
|
|
|
Индекс
к стоимости эксплуатации машин:
|
|
8.187
|
|
|
344181
|
|
|
|
|
|
|
|
в
том числе зарплата машинистов:
|
|
12.008
|
|
|
173155
|
|
|
|
|
|
|
|
Индекс
к стоимости материалов:
|
|
3.841
|
|
|
3213611
|
|
|
|
|
|
|
|
Материалы
в текущем уровне цен:
|
|
1
|
|
|
0
|
|
|
|
|
|
|
|
Итого
с индексацией:
|
руб.
|
|
|
|
4777324
|
1219532
|
344181
173155
|
|
9578
|
|
|
|
Накладные
расходы %:
|
%
|
|
|
|
905526
|
46182
|
|
|
6703.13
|
|
|
|
Итого
с накладными:
|
руб.
|
|
|
|
5682850
|
1265714
|
344181
173155
|
|
16281.13
|
|
|
|
Сметная
прибыль %:
|
%
|
|
|
|
615568
|
|
|
|
|
|
|
|
Итого:
|
руб.
|
|
|
|
6298418
|
1265714
|
|
|
16281.13
|
|
|
|
Всего
по разделу:
|
руб.
|
|
|
|
6298418
|
1265714
|
|
|
16281.13
|
|
|
|
|
Итого
по всем разделам:
|
руб.
|
|
|
|
6298418
|
1265714
|
344181
173155
|
|
16281.13
|
|
|
|
Всего
по смете: в т.ч. средства на оплату труда
|
руб.
|
|
|
|
6298418
1438869
|
1265714
|
344181
173155
|
|
16281.13
|
|
|
|
|
|
|
|
|
|
|
|
|
|
|
|
|
|
|
|
|
|
|
|
|
|
Объектный сметный расчет №02-01-04 на
строительство 4-этажного 5-секционного жилого дома
Сметная
стоимость_____________105950_________тыс.руб.
Средства на оплату труда________15096_________тыс.руб.
Расчетный измеритель единичной продукции 1м3
строительного объема
Составлен в текущих ценах по состоянию на февраль
2011г. тыс.р
|
№
п/п
|
Номера
сметных расчетов
|
Наименование
работ и затрат
|
Сметная
стоимость
|
Средства
на оплату труда
|
Показатели
единичной стоимости
|
|
|
|
Строительных
работ
|
Монтажных
работ
|
Оборудования,
мебели, инвентаря
|
Прочих
затрат
|
Всего
|
|
|
|
1
|
2
|
3
|
4
|
5
|
6
|
7
|
8
|
9
|
10
|
|
1
|
02-01-01
|
Общестроительные
работы
|
64590
|
-
|
-
|
-
|
64590
|
10980
|
44,24
|
|
2
|
02-01-02
|
Внутренние
санитарно-технические работы
|
4498
|
-
|
-
|
-
|
4498
|
538
|
3,08
|
|
3
|
02-01-03
|
Автоматизация
инженерного оборудования
|
-
|
10651
|
-
|
-
|
10651
|
2139
|
7,29
|
|
4
|
02-01-04
|
Электрослаботочные
устройства
|
-
|
6298
|
-
|
|
6298
|
1439
|
4,31
|
|
|
Итого
|
69088
|
16949
|
-
|
-
|
86037
|
15096
|
58,92
|
|
5
|
ГСН
81-05-01-2001
|
Временные
здания и сооружения (1,1%)
|
760
|
186
|
-
|
-
|
946
|
-
|
0,65
|
|
|
Итого
|
17135
|
-
|
-
|
86983
|
15096
|
59,57
|
|
6
|
ГСН
81-05-02-2001
|
Зимнее
удорожание (1,2%)
|
838
|
206
|
-
|
-
|
1044
|
-
|
0,71
|
|
|
Итого
|
70686
|
17341
|
-
|
-
|
88027
|
15096
|
60,28
|
|
7
|
МДС
81-35.2004
|
Резерв
на непредвиденные расходы (2%)
|
1414
|
347
|
-
|
-
|
1761
|
-
|
1,21
|
|
|
Итого
|
72100
|
17688
|
-
|
-
|
89788
|
15096
|
61,49
|
|
8
|
НК
РФ
|
НДС
(18%)
|
12978
|
3184
|
-
|
-
|
16162
|
-
|
11,07
|
|
|
Всего
по объектному сметному расчету
|
85078
|
20872
|
-
|
-
|
105950
|
15096
|
72,56
|
Сводный сметный расчет №02-01 на строительство
4-этажного 5-секционного жилого дома
Основание: чертежи № ______________________________
Сметная
стоимость_________________149865_______тыс.руб.
В том числе возвратных
сумм_________171_________тыс.руб.
Составлен в текущих ценах (в тысячах рублей) по
состоянию на февраль 2011г.
|
№
п/п
|
Номера
сметных расчетов и смет
|
Наименование
глав, объектов, работ и затрат
|
Сметная
стоимость
|
Общая
сметная стоимость
|
|
|
|
Строительных
работ
|
Монтажных
работ
|
Оборудования,
мебели, инвентаря
|
Прочих
затрат
|
|
|
1
|
2
|
3
|
4
|
5
|
6
|
7
|
8
|
|
1
|
Сметные
расчеты на виды затрат
|
Глава
I. Подготовка территории строительства
|
|
|
|
|
|
|
1.1
|
То
же
|
Оформление
земельного участка и разрешение на строительство (3%)
|
-
|
-
|
-
|
2581
|
2581
|
|
1.2
|
То
же
|
Освоение
территории (1%)
|
860
|
-
|
-
|
-
|
-
|
|
|
Итого
по главе I
|
860
|
-
|
-
|
2581
|
2581
|
|
2
|
Объектный
сметный расчет
|
Глава
II. Основные
объекты строительства: жилой дом
|
69088
|
16949
|
-
|
-
|
86037
|
|
3
|
-
|
Глава
III. Объекты
обслуживающего и подсобного назначения
|
-
|
-
|
-
|
-
|
-
|
|
4
|
Объектный
и локальные сметные расчеты
|
Глава
IV. Объекты
энергетического хозяйства (2,5%)
|
1727
|
-
|
-
|
-
|
2151
|
|
5
|
То
же
|
Глава
V. Объекты
транспортного хозяйства и связи (5%)
|
3454
|
-
|
-
|
-
|
4302
|
|
6
|
То
же
|
Глава
VI. Наружные
сети и сооружения водоснабжения, канализации, теплоснабжения и газоснабжения
(6%)
|
4145
|
-
|
-
|
-
|
5162
|
|
7
|
Локальные
сметные расчеты
|
Глава
VII.
Благоустройство и озеленение территории (4%)
|
2764
|
-
|
-
|
-
|
3441
|
|
|
Итого
по главам I-VII
|
82038
|
16949
|
-
|
2581
|
103674
|
|
8
|
ГСН
81-05-01-2001
|
Глава
VIII.
Временные здания и сооружения (1,1%)
|
902
|
186
|
-
|
-
|
1140
|
|
|
Итого
по главам I-VIII
|
82940
|
17135
|
-
|
2581
|
104814
|
|
9
|
|
Глава
IX. Прочие
работы и затраты
|
|
|
|
|
|
|
9.1
|
ГСН
81-05-02-2001
|
Дополнительные
затраты при производстве СМР в зимнее время (1,2%)
|
995
|
206
|
-
|
-
|
1258
|
|
9.2
|
То
же
|
Затраты
на содержание и восстановление постоянного действия автомобильных дорог (1%)
|
-
|
-
|
-
|
26
|
1048
|
|
9.3
|
То
же
|
Средства
на организацию проведение подрядных торгов, тендеров (1%)
|
-
|
-
|
-
|
26
|
1048
|
|
9.4
|
Расчет
подрядчика
|
Усиленная
охрана объекта (1%)
|
-
|
-
|
-
|
26
|
1048
|
|
9.5
|
То
же
|
Премирование
за ввод объекта в действие (2,5%)
|
-
|
-
|
-
|
65
|
2620
|
|
9.6
|
То
же
|
Перевозка
рабочих к объектам строительства (1%)
|
-
|
-
|
-
|
26
|
1048
|
|
9.7
|
Письмо
Госстроя
|
Покрытие
затрат строительных организаций по добровольному страхованию работников и
имущества, в том числе строительным риском (2,5%)
|
-
|
-
|
-
|
65
|
2620
|
|
|
Итого
по главам I-IX
|
83935
|
17341
|
-
|
2815
|
115504
|
|
10
|
Нормативы
администрации Санкт-Петербурга
|
Глава
X.
Содержание службы заказчика. Строительный контроль (1,3%)
|
-
|
-
|
-
|
37
|
1502
|
|
11
|
-
|
Глава
XI.
Подготовка эксплуатационных кадров
|
-
|
-
|
-
|
-
|
-
|
|
12
|
Сметные
расчеты на виды затрат
|
Глава
XII.
Проектные и изыскательские работы, авторский надзор (6,5%)
|
-
|
-
|
-
|
183
|
7508
|
|
|
Итого
по главам I-XII
|
83935
|
17341
|
-
|
3035
|
124514
|
|
МДС
81-35.2004
|
Резерв
на непредвиденные работы и затраты (2%)
|
1679
|
347
|
-
|
61
|
2490
|
|
|
Всего
по сводному сметному расчету
|
85614
|
17688
|
-
|
3096
|
127004
|
|
НК
РФ
|
НДС
(18%)
|
15411
|
3184
|
-
|
557
|
22861
|
|
|
Всего
с НДС
|
101025
|
20872
|
-
|
3653
|
149865
|
|
|
В
том числе возвратные суммы (15% от гл.8)
|
-
|
-
|
-
|
-
|
171
|
. Технико-экономические показатели проекта
|
№
п/п
|
Наименование
и обозначение показателей
|
Единица
измерения
|
Пояснения
|
|
1
|
2
|
3
|
4
|
|
1
|
Объемно-планировочные
показатели
|
|
|
|
1.1
|
Площадь
застройки
|
м2
|
17,4*13,8*5=1200,6
|
|
1.2
|
Строительный
объем здания, в том числе
|
м3
|
1200,6*15,3=18369,18
|
|
1.3
|
Подземной
части
|
м3
|
1200,6*2,6=3121,6
|
|
1.4
|
Надземной
части
|
м3
|
1200,6*12,7=15247,6
|
|
1.5
|
Общая
площадь жилого здания
|
м2
|
1200,6*4=4802,4
|
|
1.6
|
Площадь
квартир
|
м2
|
3845,4
|
|
Общая площадь квартир:
|
|
|
|
1.7
|
-
всего
|
м2
|
3845,4
|
|
1.8
|
-
на одну квартиру в среднем
|
м2
|
3845,4/60=64,09
|
|
Жилая площадь:
|
|
|
|
1.9
|
-
всего
|
м2
|
|
1.10
|
-
на одну квартиру в среднем
|
м2
|
2608,9/60=43,5
|
|
1.11
|
Отношение
жилой площади к общей площади квартир К1
|
-
|
0,67
|
|
1.12
|
Отношение
строительного объема к общей площади квартир К2
|
-
|
4,78
|
|
2
|
Показатели
сметной стоимости
|
|
|
|
2.1
|
Сметная
стоимость объекта
|
тыс.р
|
105950
|
|
2.2
|
Сметная
стоимость общестроительных работ
|
тыс.р
|
64590.8
|
|
Сметная стоимость:
|
|
|
|
2.3
|
-
в среднем на 1 квартиру
|
тыс.р
|
105950/60=1765,8
|
|
2.4
|
-
1м3 строительного объема здания
|
р.
|
105950*1000/18369,18=5760
|
|
2.5
|
-
1м2 общей площади квартир
|
р.
|
105950*1000/3845,4=27552,4
|
|
2.6
|
-
1м2 жилой площади
|
р.
|
105950*1000/2608,9=40610,9
|
|
3
|
Показатели
затрат труда
|
|
|
|
|
Затраты труда на возведение объекта:
|
|
|
|
3.1
|
-
всего
|
чел.-дн.
|
(7504.51+16281.13+63896.43+28117.16)/24=
=4825
|
|
3.2
|
-
на 1м2 общей площади квартир
|
чел.-дн.
|
1,25
|
|
3.3
|
-
выработка рабочих на 1 чел.-дн.
|
р.
|
13387
|
|
4
|
Показатели
потребности в основных материалах на 1м2 общей площади
|
|
|
|
Бетон и железобетон:
|
|
|
|
4.1
|
-
сборный
|
м3
|
1872,5
|
|
4.2
|
-
сталь
|
кг
|
88340
|
|
4.3
|
-
лесоматериалы (пиломатериалы)
|
м3
|
90,3
|
|
5
|
Показатели
технологичности проектных решений
|
|
|
|
5.1
|
Уровень
сборности Ксб
|
%
|
31
|
|
5.2
|
Масса
конструкций и материалов на 1м2 общей площади
|
кг
|
1248
|
|
5.3
|
Число
типоразмеров сборных изделий
|
шт.
|
23
|
|
5.4
|
Наибольшая
масса монтажных элементов
|
т
|
3,5
|
|
Продолжительность строительства объекта:
|
|
|
|
5.5
|
-
по проекту
|
мес.
|
|
|
5.6
|
-
по нормам
|
мес.
|
9
|
. Смета затрат на производство строительных
работ
|
№
п/п
|
Обоснование
затрат
|
Наименование
затрат
|
Тыс.р.
|
В
% к итогу
|
|
1
|
2
|
3
|
4
|
5
|
|
1
|
Локальный
сметный расчет №1
|
Материальные
32129*1,2*1,3
|
50121
|
65,6%
|
|
2
|
Локальный
сметный расчет №1
|
Расходы
на оплату труда: - рабочих строителей 10300779 р. - рабочих машинистов 679244
р. - ИТР+АУП 92000 р. 11072 тыс.р. 11072*1,1*1,45
|
17660
|
23,1%
|
|
3
|
Тариф
страхового взноса
|
Отчисления
на социальное страхование и обеспечение: - отчисления в пенсионный фонд (26%)
- ФСС (2,9%) - ФФОМС (3,1%) - ТФОМС (2%) - отчисления на производственный
травматизм (2%)
|
6357
4592 512 547 353 353
|
8,3%
|
|
4
|
10%
от ЭММ
|
Амортизационные
отчисления
|
463
|
0,6%
|
|
5
|
10%
от ОТ
|
Прочие
затраты, хозяйственные расходы
|
1766
|
2,3%
|
|
|
Итого
|
76367
|
100%
|
. Расчет и распределение прибыли от реализации
общестроительных СМР
|
№
п/п
|
Обоснование
показетелей
|
Наименование
показателей
|
Тыс.р.
|
В
% к итогу
|
|
1
|
2
|
3
|
4
|
5
|
|
1
|
К=1,3
|
Выручка
от реализации СМР (общестроительных) Осс=50121*1,3
|
65157
|
|
|
2
|
|
Себестоимость
|
50121
|
|
|
3
|
|
Прибыль
от продаж
|
15036
|
|
|
4
|
|
Операционные
расходы (10%)
|
1504
|
|
|
5
|
|
Прибыль
до налогооблажения
|
13532
|
|
|
6
|
|
Налог
на прибыль (20%)
|
2706
|
|
|
|
Чистая
нераспределенная прибыль
|
10826
|
100%
|
|
7
|
Резервный
фонд
|
10%
от ЧП
|
1083
|
|
|
8
|
Фонд
накопления
|
40%
от ЧП
|
4330
|
|
|
9
|
Фонд
потребления
|
30%
от ЧП
|
3248
|
|
|
10
|
Фонд
социальной сферы
|
10%
от ЧП
|
1083
|
|
|
11
|
Дивиденды
учредителей
|
5%
от ЧП
|
542
|
|
|
12
|
Благотворительные
цели
|
5%
от ЧП
|
542
|
|
Список использованной литературы
.
Барановская Н.И., Котов А.А. Основы сметного дела в строительстве. - М; СПб.,
2005.
.
Экономика строительства. Часть I:
Учебник для вузов / Под ред. проф. Ю.Н. Казанского, Ю.П. Панибратова. - М.:
Изд-во АСВ; СПб.: СПбГАСУ, 2003.
.
Экономика строительства. Часть II:
Учебник для вузов / Под ред. проф. Ю.Н. Казанского, Ю.П. Панибратова. - М.:
Изд-во АСВ; СПб.: СПбГАСУ, 2004.
.
Ардзинов Б.Д. Ценообразование и составление смет в строительстве. - СПб.:
Питер, 2005.
.
Голубев Б.И. Определение объемов строительных работ: Справочник. - М.:
Стройиздат, 1991.
.
Методические рекомендации по оценке эффективности инвестиционных проектов. -
М.: Экономика, 2000.
.
МДС 81-35.2004. Методика определения стоимости строительной продукции на
территории Российской Федерации. - М.: Госстрой РФ, 2004.
.
МДС 81-33.2004. Методические указания по определению величины накладных
расходов в строительстве. - М.: Госстрой РФ, 2004.
.
МДС 81-25.2001. Методические указания по определению величины сметной прибыли в
строительстве. - М.: Госстрой РФ, 2001.
.
ГСН 81-05-01-2001'. Сборник сметных норм затрат на строительство временных
зданий и сооружений при производстве строительных работ. - М.: Госстрой РФ,
2001.
.
ГСН 81-05-02-2001. Сборник сметных норм дополнительных затрат при производстве
строительно-монтажных работ в зимнее время. - М.: Госстрой РФ, 2001.
.
ТЕР-2001 СПб. Территориальные единичные расценки на строительные работы /
Администрация Санкт-Петербурга. - СПб., 2001.
.
УР-2001 СПб. Территориальные укрупненные расценки на конструкции и виды работ
жилищно-гражданского строительства / Администрация Санкт-Петербурга. - СПб.,
2001.
.
ССЦ-01/2006. Сборник средних сметных цен на основные строительные ресурсы в
Российской Федерации. - СПб., 2006, январь.
.
ЦиСН-01/2006. Ценообразование и сметное нормирование в строительстве:
Всероссийский информационно-аналитический журнал. - СПб., 2006, январь.
.
АП-5536/06. Письмо Федерального агентства по строительству и ЖКХ от 18.11.2004
«О порядке применения нормативов сметной прибыли в строительстве».
.
СП 31-107-2004. Архитектурно-планировочные решения многоквартирных жилых
зданий. - М.: Госстрой РФ, 2004.