|
|
|
|
|
1: m
|
|
экскаватора
|
бульдо зера
|
12-17
|
3-5
|
|
супесь
|
1,7
|
1: 0,67
|
56
|
Ι
|
ΙΙ
|
|
|
- коэффициент откоса (таблица 1 источника [2])
- угол откоса (таблица 1 источника [2])
2.2
Определение размеров ростверка. Определение границ котлована
Для определения границ котлована определяем размер ростверка
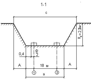
Рис.1 - схема котлована.
строительный технологическая карта фундамент
Рис.2 - схема ростверка
, (1)
где b - ширина сваи, м- расстояние между осями свай, м.
м
, (2)
Ф=0,649+2*
1 м
, (3)
где
-высота ростверка, м,
-расстояние между осями здания, м,
-ширина дна котлована, м.
, (4)
где
- высота котлована, м
Для сечения 1-1
Для сечения 2-2
Рис.3 - схема по дну котлована
Рис.4 - схема по верху котлована
Определим объём котлована, м3:
, (5)
где
-площадь дна котлована, м2
- площадь верха котлована, м2
2.3 Объемы
работ
2.3.1
Подготовительные работы
Согласно рабочих чертежей принимаются 5 % от объема от
основных работ.
Состав работ: корчевка пней, удаление валунов и расчистка
кустарников, срезка растительного слоя, устройство водотоков, ограждение
территорий, устройство дорог, временных зданий и сооружений и т.д.
2.3.2
Земляные работы
1) Срезка растительного слоя
=0,2
32,62
78,62=512,92
) планировка дна котлована механизированным способом
=
28,8
74,8=301,59
) планировка дна котлована вручную
=0,06
28,8
74,8=129,25
) Определим объём съезда в котлован, м3
Рисунок 5-Схема съезда в котлован
,
(6)
где
-ширина съезда для одностороннего движения
принимаем равной 3,5 м
- коэффициент крутизны откоса съезда, м
) объем разработки грунта для экскаватора
=672432-512,92-301,59-129,25+113, 19=5893,75
) объем обратной засыпки
Рис.6 - схема обратной засыпки грунта.
п. ч. з. = (LА-Б + Ф) (L1-2+ Ф)
0,4+ (
-0,4) (LА-Б+
) (L1-2+
п. ч. з. =
(27+1) (73+1)
0,4+ (2,85-0,4) (27+
) (73+
=5 805,6 м3
Ко=0,04; Кр=0,15 (приложение 2 источника
[3])
м3
Площадь уплотняемого грунта:
м2
упл
= 0,2 м - толщина уплотняемого слоя;
2.3.3 Свайные
работы
Количество свай
шт
срубка голов свай
шт,
шт
2.3.4
Опалубочные работы
2.3.5
Арматурные работы
=101 шт
.3.6 Бетонные работы
(
) =0,4
1
=80,8
2.4 Выбор
методов производства работ
Используют землеройные и землеройно-транспортные машины. Для отрывки
котлованов и траншей - одноковшовые экскаваторы: при разработке сухого грунта с
погрузкой на транспорт - с прямой лопатой, при высоких уровнях грунтовых вод -
драглайн. Экскаватор, оборудованный обратной лопатой - применяют при отрывке
котлованов и траншей с разгрузкой грунта в отвал или на транспорт.
2.5 Выбор
вариантов комплектации машин для разработки котлована
Для разработки грунта в котловане и его погрузки выбираем
экскаватор из трёх вариантов. Варианты принимаются исходя из объёма котлована,
а так же с учётом инженерно - геологических и климатических условий.
По объёму котлована Vк=6724,32м3 принимаем
экскаваторы с объёмом ковша в пределах от
до
.вЭО-4321 оборудованный обратной лопатой с
ковшом с зубьями и с гидравлическим приводом,;
;вЭ-652Б оборудованный обратной лопатой с ковшом с зубьями и
механическим приводом,
;вЭ-652Б драглайн с ковшом с зубьями и
механическим приводом,
.
Определяем сменную эксплуатационную производительность
экскаватора:
где
продолжительность смены в минутах,
;
число циклов работы экскаватора в минуту в данном варианте;
Ц =
;
- продолжительность цикла, с; (таблица 9 источника [4]).
коэффициент наполнения ковша в данном варианте [3];
коэффициент использования времени в данном варианте [3].
в
=0,85,
=0,60
Ц =
=3,75
м3/смв
=0,85,
=0,64
Ц =
=2,86
=
м3/смв
=0,9,
=0,61
Ц =
=2,86
=
м3/см
Определяем марки автосамосвалов и их количество:
;
где
- количество ковшей входящих в автосамосвал,
;
- емкость ковша в данном варианте;
- плотность грунта;
т/м3 (приложение 2 источника [3]),
- коэффициент первоначального
разрыхления,
в
=
;
принимаем КАМАЗ 5511 10т =>
в
=
;
принимаем МАЗ - 503Б 7т =>
в
=
;
принимаем КАМАЗ 5511 10т =>
2 Определяем требуемое количество автосамосвалов:
.
где
время погрузки,
, где
количество ковшей, входящих в автосамосвал в данном варианте;
число циклов работы экскаватора в данном
варианте,
время маневра,tм=1,5c;
время движения самосвала.
время разгрузки,
.
Рассчитываем время погрузки
в
в
в
Рассчитываем продолжительность одного рабочего цикла самосвала
в
; =>
машин;в
; =>
машин;в
; =>
машин.
2.6
Технико-экономическое сравнение вариантов комплекта машин
1) Себестоимость разработки 1м3 грунта
С,руб/м3
;
;
,
продолжительность работы;
в Т =
6,42 см;в Т =
12,13см;в Т =
9,78 см.
где 2,05 - добавка на накладные расходы в размере 105% для районов
крайнего севера; 0,65 - 60% -ая прибыль от фонда оплаты труда;
- сметная расценка 1 маш-час для
экскаватора (таблица 6 источника [1]),
- продолжительность смены в часах;
- заработная плата рабочих, обслуживающих экскаватор (таблица 6
источника [1]).
В соответствии с данными по субъектам РФ индексы на IV квартал
2011 года для эксплуатации машин
=8,55, для оплаты труда
=13,919.
в
руб/м3;в
руб/м3;
Значения
и
для экскаваторов с объёмом ковша равным 0,8
находим интерполяцией:
в
руб/м3;.
где
- сметная расценка 1 маш-час для
автосамосвала (таблица 7 источника [1]);
- заработная плата рабочих, обслуживающих автосамосвал (таблица 7
источника [1]);
в
руб/м3;в
руб/м3;в
руб/м3.в
127 руб/м3;в
189 руб/м3;;в
143,02 руб/м3;.
2) Трудоемкость разработки 1 м3 грунта Q,
чел-час/м3
где
- продолжительность смены в часах,
;
- количество рабочих обслуживающих экскаватор в данном варианте,
- количество водителей в данном варианте;
- эксплуатационная производительность экскаватора в данном
варианте.
в
=0,104 чел-час/м3; IIв
=0,158 чел-час/м3;;в
=0,120 чел-час/м3;.
Все расчёты сведём в таблицу
Таблица 1. Технико-экономическое сравнение
|
№
|
Показатели
|
Ед. изм.
|
Варианты
|
|
|
|
I
|
II
|
III
|
1 Средняя стоимость разработки 1
грунта
|
 127189143,02
|
|
|
|
|
2 Трудоёмкость разработки 1
грунта
|
 0,1040,1580,120
|
|
|
|
|
|
|
3
|
Продолжительность
работ смены6,4212,139,78
|
|
|
|
|
Вывод: по сравнению показателей видно, что I вариант самый
предпочтительный по себестоимости, значит мы выбираем экскаватор ЭО-4321,
оборудованный обратной лопатой с ковшом со сплошной режущей кромкой и
гидравлическим приводом и 10 автосамосвалов КамАЗ-5511.
Технические характеристики принятого варианта.
Технические характеристики экскаватора представлены в таблице
6.
Таблица 2. Технические характеристики экскаватора ЭО-4321
|
Наименование
показателя
|
Марка
экскаватора
|
|
ЭО-4321
|
|
Максимальный
радиус копания, мм
|
6900
|
|
Максимальная
высота выгрузки, мм
|
5000
|
|
Максимальная
глубина копания, мм
|
4000
|
|
Вместимость
ковша, 1
|
|
|
Эксплуатационная
масса, т
|
19,2
|
Автосамосвал КамАЗ 5511
грузоподъёмность 10 т.
2.7 Выбор
сваебойного агрегата
Выбор дизель-молота:
) Определяем массу сваи, m2:
m2=
где:
плотность железобетона,
; 
2=
=1,838 т
) Определяем минимальную энергию удара, Дж:
где:
;
несущая способность сваи, т.
.
Принимаем трубчатый дизель-молот, масса ударной части 1,8т [8].
) Определяем отношение массы молота, к массе сваи:
где:
масса ударной части молота;
=
=0,979 - подходит, т.к. принадлежит промежутку
;
Значит, принимаем трубчатый дизель-молот с воздушным охлаждением
С-859. Технические характеристики представлены в таблице 3.
Таблица 3 - технические характеристики дизель-молота
|
Тип и марка
молота
|
Масса ударной
части, т
|
Энергия одного
удара, Дж
|
Общая масса
молота, т
|
Число ударов в
1 минуту
|
Высота подъёма
ударной части молота, м
|
|
С-859
|
1,8
|
4800
|
3,5
|
43…55
|
3,0
|
) Определяем расчётную энергию удара, кДж:
для трубчатого:
где
Высота подъёма ударной части молота, м;
кДж.
) Выполняем проверку:
где: m3=0,4;
коэффициент. Для свай из железобетона и для трубчатого
дизель-молота
[1] таблица 14.
выполняется.
) Определяем расчётный отказ сваи:
;
где:
коэффициент [1] таблица 16;
расчётная энергия удара,
;
несущая способность сваи,
;
коэффициент восстановления удара,
;
масса ударной части молота;
) Выбор марки копра:
По длине сваи и по грузоподъёмности принимаем копёр КО-16.
Технические характеристики приведены в таблице 4.
Таблица 4 - Технические характеристики самоходной копровой
установки КО-16
|
Тип и марка
самоходной копровой установки
|
Радиус
действия, м
|
Базовая машина
|
Максималь-ная
длинна погружаемой сваи, м
|
Грузо-подъемность,
т
|
Масса
установки, т
|
Произво-дительность
в смену,
|
|
СП-49 к
|
С одной стоянки
забивается по одной свае
|
Т-100M БГП
|
12,0
|
8,0
|
23,8
|
20
|
Данные взяты из [1].
) Определяем необходимую высоту направляющей стрелы копра:
;
где:
длинна сваи;
.
) Определяем время забивки одной сваи:
мин.
) Для подачи, складирования и переворачивания свай принимаем кран
К-162 на выносных опорах. Технические характеристики приведены в таблице 5.
Таблица 5 - Технические характеристики крана на выносных опорах
|
Длина стрелы
|
18м
|
|
Грузоподъёмность
при наименьшем вылете стрелы
|
8,15т
|
|
Грузоподъёмность
при наибольшем вылете стрелы
|
0,85т
|
|
Вылет стрелы
наименьший
|
5м
|
|
Вылет стрелы
наибольший
|
16м
|
|
Высота подъёма
крюка при наименьшем вылете стрелы
|
18,5 м
|
|
Высота подъёма
крюка при наибольшем вылете стрелы
|
12,8 м
|
|
Марка двигателя
|
ЯАЗ-206А
|
|
Мощность
|
180л. с.
|
|
Общая
установленная мощность электродвигателя
|
36кВт
|
|
Общий вес крана
|
21,8т
|
Данные взяты из [5].
2.8 Описание
технологии производства работ
Подготовительные работы.
Земляным работам предшествуют работы подготовительного
периода, объем их устанавливайте по рабочим чертежам и схемам. В
подготовительный период включайте работы, которые необходимо выполнить, чтобы
обеспечить нормальные условия строительства, например, корчевку пней, удаление
валунов и расчистку кустарника, срубку растительного слоя, устройство водостоков,
ограждение территории, устройство дорог, временных зданий и сооружений.
Корчевку пней и расчистку кустарника производите, главным образом, бульдозером
(Д-28) и трактором (Т-130) со специальным навесным оборудованием. Строительную
площадку ограждайте постоянной или временной оградой из деревянных инвентарных
щитов. Сроки и последовательность выполнения подготовительных работ
устанавливайте при составлении плана.
Земляные работы.
Земляные работы включают в себя следующий процесс:
геодезическая разбивка земляных сооружений
Разбивка земляных сооружений заключается в закреплении на
местности их положения в плане и вертикальной привязки. Разбивку земляных
сооружений в плане выполняйте по разбивочному чертежу, привязанному к сетке
координат или другой основе. Дополнительное закрепление осуществляйте знаками.
Обноску устанавливайте параллельно наружным осям за пределами откоса.
срезка растительного слоя выполняется бульдозером ДЗ-28 на
базе трактора Т-130 оборудованным ножевым отвалом.
механическая разработка грунта одноковшовым экскаватором с
обратной лопатой ЭО-4321
Разработка выемок одноковшовым экскаватором заключается в
снятии стружки грунта от массива и выгрузки его в отвал или погрузке в
транспортное средство. Работа экскаватора имеет циклический характер. Рабочий
цикл состоит из последовательного выполнения операций: набор грунта ковшом,
подъем ковша и поворот на выгрузку, выгрузки, поворота в забой и опускание
ковша. Забой - это рабочая зона экскаватора, где находится его стоянка и
разрабатываемый с этой стоянки массив грунта. В этой зоне располагаются
загружаемые транспортные средства или размещают отвал грунта. Последовательное
перемещение экскаватора при разработке грунта с одной стоянки на другую
называют проходкой.
Организация водоотлива выполняется насосами С-665.
В хорошо дренирующих грунтах или невысоком уровне грунтовых
вод для разработки выемки воду откачивают насосами. Такой способ удаления воды
называют открытым водоотливом. Для водоотлива применяют поршневые и
диафрагмовые насосы, всасывающие воду, содержащую разжиженный грунт. С глубины
5¸6м, а также более мощные центробежные насосы. Чтобы собрать воду
дну выемки придают уклон и устраивают водосборные приямки глубиной 0,7¸1м. Стенки приямки крепят
деревянными бездонными ящиками размером 1´1м и опускают туда
всасывающий рукав. Откачку насосами применяют также при затоплении выемки
грунтовыми водами. Для сбора воды устраивают "усы" и в них по оси
траншей водосборники на расстоянии не менее 1м от бровки выемки, а в
просадочных грунтах - не менее 3м.
Транспортирование и укладка грунта при обратной засыпке
При производстве земляных работ часто возникает необходимость
в перемещении грунтовых масс в другое место. Для транспортировки применяют
наиболее маневренные средства - автосамосвалы (КАМАЗ 5511). Укладку грунта при
обратной засыпке выполняют послойно с разравниванием и уплотнением каждого
слоя, используя планировочные и уплотняющие машины. При обратной засыпке пазух
котлована вблизи фундаментов и других подземных сооружений в стесненных местах,
недоступных для работы машин, грунт уплотняют электрическими трамбовками ИЭ -
4502.
Доводка земляных сооружений до проектных размеров
При выполнении зачистки дна котлована, а также при
окончательной вертикальной планировки площадки применяют бульдозеры ДЗ-28,
обеспечивающие требуемую точность срезки. Они срезают оставшийся грунт и подают
его к ковшу экскаватора для дальнейшей погрузке и транспортировке.
Свайные работы.
Забивка свай состоит из следующих процессов: подготовка
площадки, разбивка места положения свай в плане и закрепления центра каждой
сваи колышком или металлическим штырем; перемещение копровых установок по
заранее намеченной схеме с остановками для установки свай в проектное
положение, для подтягивания и подъема свай; погружение свай в грунт
дизель-молотом.
В намеченном месте котлована производиться сборка копра,
мастер, используя рабочий чертёж свайного поля, номерами проставляет
последовательность забивки свай, с учётом возможности прохода копровой
установки. Часто оформляется журнал свайной бойки, где фиксируется каждая
погруженная свая, а затем после окончания забивки проставляются контрольные
показатели.
Контроль при забивке производится на последнем метре
погружения сваи. При этом определяется фактический отказ сваи.
Фактический отказ сваи - величина погружения сваи от одного
удара в залоге. Залог - средняя величина погружения от 10 ударов.
При окончании забивки фактический отказ не должен превышать
расчётного отказа. Свая должна погрузиться до проектной отметки, при этом могут
быть допущения. Если свая не погрузилась на величину 1 м, а фактический отказ
оказался равным расчётному, то дальнейшее погружение сваи, как правило, не
производят. Если свая погрузилась до проектной отметки, а фактический отказ
остаётся больше расчетного, погружение прекращают и дают свае
"отдохнуть". В течение 7 дней для рыхлых пород и 10 дней для плотных
грунтов - для восстановления структуры грунта. Затем производят добивку. Обычно
в этом случае фактический отказ становиться равным или меньше расчетного. Если
и здесь условие не выполняется, в известность ставят заказчика и
проектировщика.
Допускается недопогружение отдельных свай на величину 10% от
длины, но при условии, что фактический отказ меньше расчётного.
Срубка оголовков свай производится в проектном сечении, при
этом свая заделывается в ростверке на 20 см при жёсткой заделке, на 5 см - при
шарнирной.
Головки железобетонных свай срезают специальными дисковыми
пилами или срубают гидроразрушителями различных типов и отбойными молотками.
Сваи, подготавливаемые для монтажа сборных ростверков, не должны иметь
неровности. Поэтому на срубленную поверхность сваи наносят выравнивающий слой
цементного раствора. При использовании монолитного ростверка перед установкой
опалубки очищают основание от строительного мусора, делают дренирующую
подготовку. Арматуру свай отгибают и сваривают ее с арматурой ростверка. До
начала бетонирования ростверка составляют акт на скрытые арматурные работы.
Если головку сваи можно заделать в ростверк на высоту 5-10 см, то выпуски
арматуры оставлять необязательно. Для подачи свай, щитов опалубки, арматурных
каркасов используем кран К-162.
2.9
Организация открытого водоотлива
Открытый водоотлив осуществляется откачкой воды центробежными
насосами из котлована в процессе выполнения земляных работ ниже уровня
грунтовых вод.
После разбивки котлована по контуру его дна устраивают
неглубокие канавы, которые засыпаются гравием и выполняют роль дренажа.
Продольный уклон канав назначается в зависимости от рельефа местности, но не
менее 0,003. По канавам вода стекает в водосборные приямки, а из них
откачиваются насосами.
Схема расчета водоотлива
. Определяем площадь поверхностной фильтрации в углах
Fугл=nугл×
× (Hк NL+WL) ² = 4×
. Определяем площадь фильтрации по боковой поверхности котлована:
бок =
Fугл +Pд×
Рд = 200 - периметр дна котлована
. Определяем площадь фильтрации по дну котлована:
д=
28,8
74,8=2154,24 м2
. Определяем общий приток воды в котлован:
= q× (Fд
+ Fбок) = 0,1×
(2154,24 + 533,61) = 268,78 м3/ч
- коэффициент фильтрации грунта. q=0,1 (для супеси) [1]
. Выбираем требуемое количество насосов:
Выбираем насос производительностью 120 м3/ч
N = 4 шт.
Схема водоотлива:
С-665
2.10
Организация работы экскаватора
1) Рабочие параметры экскаватора:
=6900мм - максимальный радиус копания по паспорту;
мм - максимальный рабочий радиус;
мм - минимальный радиус действия;
мм - высота выгрузки грунта;
;
где:
величина рабочей передвижки;
м
где:
ширина проходки;
принадлежит промежутку
то двигаемся прямо, две машины;
2.11 График
работы транспорта
. Калькуляция
затрат труда машинного времени заработной платы
|
Земляные работы
|
|
§ ЕНиРа
|
Описание работ
|
V работ
|
Норма времени,
чел-ч (маш-ч)
|
Трудо- емкость,
чел-час (маш-час)
|
Расценки, руб
|
З/П, руб
|
Норм. состав
звена
|
|
|
ед. изм
|
кол-во
|
|
|
|
|
|
|
Е2-1-5
|
Срезка
растительного слоя
|
1000 м2
|
2,56
|
1,4 (1,4)
|
3,584 (3,584)
|
1-48
|
3-79
|
Машинист 6р-1ч
|
Е2-1-11 таблица 7 пункт 5а Разработка котлована 100
58,941,9
(1,9) 111,99
(111,99) 2-01118-47Машинист 6р-1ч
Помощник
Е2-1-35 пункт 4б Предварительная планировка площадей
бульдозером 1000
2,1540,14
(0,14) 0,301
|
(0,301)
0-14,80-31,9Машинист 6р-1ч
|
|
|
|
|
|
|
Е2-1-60 пункт 2б Планировка дна котлована вручную 100
21,5412,5
(-) 269,25
(-) 8-00172-32Землекоп
Е2-1-34 пункт 9б, д Обратная засыпка 100
11,410,36
(0,36) 4,11
|
(4,11)
0-38,14-35Машинист 6р-1ч
|
|
|
|
|
|
|
Е2-1-59 таблица 3 пункт 1а k=1,2 Уплотнение грунта 100
57,052,76
(-) 157,46
(-) 1-93110-22Землекоп
|
3р-1ч
|
|
|
|
|
|
|
|
|
Итого: =546,7чел-час (119,98 маш-час) =409-47 руб.
|
|
Свайные работы
|
|
Е12-83
|
Подача свай на
эстакаду копра автомобильным краном
|
100 свай
|
5,39
|
29,1 (9,7)
|
156,85 (52,28)
|
22-41
|
120-79
|
Машинист крана
5р-1ч Такелажники на монтаже 3р-2ч
|
|
Е12-83
|
Складирование
свай автомобильным краном
|
100 свай
|
5,39
|
22,2 (7,4)
|
119,66 (39,89)
|
17-09
|
92-11
|
Машинист крана
5р-1ч Такелажники на монтаже 3р-2ч
|
|
Е12-83
|
Переворачивание
свай автомобильным краном
|
100 свай
|
5,39
|
28,4 (7,1)
|
153,08 (38,27)
|
21-37
|
115-18
|
Машинист крана
5р-1ч Такелажники на монтаже 3р-3ч
|
|
Е12-97
|
Разметка свай
краской по длине через 1м
|
100м свай
|
64,68
|
1,2 (-)
|
77,62 (-)
|
0-84
|
54-33
|
Копровщик 3р-1ч
|
|
Е12-28 таблица
2 пункт 4ж
|
Вертикальное
погружение свай
|
1 свая
|
539
|
1,83 (0,61)
|
986,37 (328,79)
|
1-72
|
927-08
|
Машинист копра
6р-1ч Копровщик 5р-1ч и 3р-1ч
|
|
Е12-89
|
Смена
наголовника
|
1 наголовник
|
6
|
- (0,37)
|
- (2,22)
|
0-84,4
|
5-06,4
|
Машинист копра
6р-1ч Копровщик 5р-1ч и 3р-1ч
|
|
Е12-39
|
Срубка голов
одиночных свай
|
1 свая
|
108
|
0,2 (-)
|
21,6 (-)
|
0-14
|
15-12
|
Бетонщики 3р-2ч
|
|
Е12-40 пункт 2а
|
Отгибание
стержней арматурного каркаса сваи
|
100 стержней
|
4,32
|
2,1 (-)
|
9,07 (-)
|
1-41
|
6-09
|
Арматурщики
3р-1ч и 2р-1ч
|
|
Итого: =1524,25 чел-час (461,45 маш-час) =1335-76 руб.
|
|
Опалубочные
работы
|
Е4-1-34 пункт 2а Установка щитовой деревянной опалубки 1
161,60,5182,420-36,558-98Плотники
Е4-1-34 пункт 2б Разборка щитовой деревянной опалубки 1
161,60,1321,010-08,714-06Плотники
|
3р-1ч и 2р-1ч
|
|
|
|
|
|
|
|
|
Итого: =103,43 чел-час =73-04 руб.
|
|
Арматурные
работы
|
|
Е4-1-44Б
таблица 3 пункт б
|
Установка каркасов
вручную
|
1 каркас
|
101
|
0,24
|
24,24
|
0-15,8
|
15-96
|
Арматурщики
3р-1ч и 2р-2ч
|
|
Итого: =24,24 чел-час =15-96 руб.
|
|
Бетонные работы
|
|
Е4-1-54 пункт
19
|
Приём бетонной
смеси из кузова автомобиля самосвала с очисткой кузова
|
100 0,818,26,645-254-25Бетонщики 2р-1ч
|
|
|
|
|
|
|
Е4-1-49Б Укладка бетонной смеси в ленточный фундамент шириной
более 600 мм 1
80,80,2318,580-16,413-25Бетонщики 4р-1ч
|
2р-1ч
|
|
|
|
|
|
|
|
|
Е4-1-54
|
Покрытие
бетонной поверхности утеплителем (опилком)
|
1 20,20,275,450-17,33-49Бетонщики 2р-1ч
|
|
|
|
|
|
|
|
Е4-1-54
|
Снятие с
бетонной поверхности утеплителя (опилка)
|
1 20,20,346,870-21,84-40Бетонщики 2р-1ч
|
|
|
|
|
|
|
|
Итого: =37,54 чел-час =25-39 руб.
|
=2236,16 чел-час
=1859-62 руб
(581,43маш-час)
4. График
производства работ
Продолжительность работы в днях для механизированной работы
считается по формуле:
где
-продолжительность одной смены;количество
машин;
А - количество смен;
-трудоемкость по калькуляции в маш-часах.
Продолжительность работы в днях для ручной работы считается по
формуле:
где n - количество человек в бригаде.
Перевод машино-часов и человека-часов выполняется путем деления на
8, так как в смене 8 рабочих часов. Все расчеты приведены таблице 14.
Таблица - Расчёты графика производства работ
|
Описание работ
|
Объём работ
|
Потребные
машины
|
Трудозатраты,
чел-см
|
Состав звена
|
Количество смен
в сутки
|
Продолжительность
в днях
|
|
Единицы
измерения
|
Количество\\\\\\\\\\\\\
|
Марка
|
Количество
|
маш-см
|
|
|
|
|
|
Подготовительные
работы
|
5%
|
111,81
|
-
|
-
|
-
|
13,98
|
5
|
1
|
3
|
|
Срезка раст.
слоя
|
1000 м2
|
2,56
|
Бульдозер ДЗ-28
|
1
|
0,45
|
0,45
|
1
|
1
|
0,45
|
|
Разработка
котлована экскаватором, обратная лопата
|
100 м3
|
58,94
|
ЭО-4321
|
1
|
14
|
14
|
2
|
2
|
3,5
|
|
Механизированная
разработка дна котлована
|
1000 м2
|
2,154
|
бульдозер ДЗ-28
|
1
|
0,04
|
0,04
|
1
|
1
|
0,04
|
|
Планировка дна
котлована в ручную
|
100 м2
|
21,54
|
-
|
-
|
-
|
34
|
3
|
2
|
5,7
|
|
Перемещение,
складирование и переворачивание свай
|
100 шт.
|
5,39
|
К-162
|
1
|
16,3
|
53,7
|
4
|
2
|
6,7
|
|
Разметка свай
по длине
|
100 м сваи
|
64,68
|
-
|
-
|
-
|
9,7
|
1
|
2
|
4,87
|
|
Вертикальное
погружение сваи
|
1 свая
|
539
|
СП-49 к
|
1
|
41,1
|
123,3
|
3
|
2
|
21
|
|
Смена
наголовника
|
1 наголовник
|
6
|
К-162
|
1
|
0,28
|
-
|
3
|
1
|
0,093
|
|
Срубка голов
свай
|
1 свая
|
108
|
-
|
-
|
-
|
2,7
|
2
|
1
|
1,35
|
|
Отгиб стержней
|
100 стержней
|
4,32
|
-
|
-
|
-
|
1,13
|
2
|
1
|
0,57
|
|
Установка
деревянной опалубки
|
1 м2
|
161,6
|
К-162
|
1
|
-
|
10,3
|
2
|
2
|
2,58
|
|
Установка
арматурных каркасов
|
1 каркас
|
101
|
-
|
-
|
-
|
3,03
|
3
|
1
|
1,01
|
|
Приём бетонной
смеси
|
100 м3
|
0,81
|
-
|
-
|
-
|
0,83
|
1
|
1
|
0,83
|
|
Укладка
бетонной смеси в опалубку
|
1 м3
|
80,8
|
-
|
-
|
-
|
2,32
|
2
|
1
|
1,16
|
|
Уход за бетоном
|
-
|
-
|
-
|
-
|
-
|
-
|
-
|
4
|
|
Разборка
опалубки
|
1 м2
|
161,6
|
-
|
-
|
-
|
2,63
|
2
|
1
|
1,31
|
|
Монтаж стеновых
блоков
|
-
|
-
|
-
|
-
|
-
|
-
|
-
|
-
|
10
|
|
Обратная
засыпка
|
100 м3
|
11,41
|
бульдозер ДЗ-28
|
1
|
4,11
|
4,11
|
1
|
2
|
2,05
|
|
Уплотнение
грунта при обратной засыпке
|
100 м2
|
57,05
|
ИЭ-4502
|
2
|
-
|
19,68
|
2
|
2
|
4,92
|
|
Водоотлив
|
м3/ч
|
268,78
|
Насос С-665/120
|
4
|
-
|
-
|
2
|
2
|
66,76
|
|
|
|
|
|
|
|
|
|
|
|
|
|
|
|
|
|
5.
Материально техническое обеспечение
5.1 Потребное
количество материала, конструкций
Таблица 11 - потребное количество материала, полуфабрикатов,
конструкции.
|
ГЭСН или др
норматив. документы
|
Наименование
материала, конструкции п/ф
|
исходные данные
|
потребное
количество
|
сроки поставки
|
|
|
единицы
измерения по нормам
|
объём работ
|
принятая норма
|
|
|
|
440-9132
|
сваи ж/б
|
1м3
|
404,25
|
1,01
|
408,29
|
17 июля
|
|
102-9095
|
доски дубовые 2
сорта
|
1м3
|
404,25
|
0,003
|
1,213
|
18августа
|
|
201-0774
|
конструктивные
элементы вспомогательного назначения массой не более 50 кг
|
т
|
404,25
|
0,00008
|
0,0323
|
18августа
|
|
101-1805
|
Гвозди
строительные
|
т
|
404,25
|
0,00002
|
0,0081
|
18 августа
|
|
101-0388
|
краски масляные
земляные МА-0115
|
т
|
404,25
|
0,00002
|
0,0081
|
18 июля
|
|
102-0061
|
пиломатериалы
из хвойных пород доски обрезные дл.4-6,5м шириной 0,75м
|
м3
|
0,808
|
0,47
|
0,38
|
17 августа
|
|
401-9021
|
бетон
|
м3
|
0,808
|
101,5
|
82,01
|
23 августа
|
|
203-0511
|
щиты из досок
толщиной 0,75м
|
м2
|
0,808
|
39,2
|
31,67
|
17 августа
|
|
411-0001
|
вода
|
м3
|
0,808
|
0,283
|
0,2287
|
20 августа
|
|
101-0797
|
катанка
горячекатаная в мотках диам.3-6,5мм
|
т
|
0,808
|
0,0303
|
0,0245
|
18 августа
|
|
101-1805
|
гвозди
строительные
|
т
|
0,808
|
0,013
|
0,0105
|
17 августа
|
|
101-1668
|
рогожа
|
м2
|
0,808
|
88,2
|
71,27
|
22 августа
|
|
101-0253
|
известь
строительная не гашёная комовая сорт 1
|
т
|
0,808
|
0,025
|
0,0202
|
20 августа
|
|
102-0053
|
пиломатер
хвойные толщ 0,25м 3 сорт
|
м3
|
0,808
|
0,14
|
0,113
|
17 августа
|
|
204-2001
|
Арматура
|
т
|
0,808
|
6,6
|
5,33
|
18 августа
|
5.2 Потребное
количество инструментов, приспособлений, оборудования
Таблица - потребное количество инструментов, приспособлений,
оборудования.
|
Наименование
|
Марка, техн
хар-ки
|
количество
|
назначение
|
|
насос
|
С-665 120м3/ч
|
4
|
откачка воды из
котлована и траншей
|
|
вибратор
|
вибратор
глубинный электрический диаметр 75мм.
|
1
|
уплотнение при
устройстве монолитных бетонных и жбк
|
|
отбойный
молоток
|
молоток
пневматический отбойный энергия удара 42Дж
|
1
|
скалывание
бетона на жб сваях
|
|
электротрамбовка
|
трамбовка
ручная электрическая масс 81,5 кг
|
2
|
уплотнение
грунта при засыпке пазух
|
|
кувалда
|
кувалда К4 ГОСТ
11402-75
|
1
|
отгиб стержней
арматуры и жб свай
|
|
кисть
|
кисть
филенчатая КФК8 ГОСТ 10597-80
|
2
|
разметка свай
|
|
Лопата совковая
|
тип ЛС-3 ГОСТ
3620-76
|
6
|
планировка
площадей выемок
|
|
лопата
подборочная
|
тип ЛП-4 ГОСТ
3620-76
|
6
|
планировка
площадей выемок
|
|
краскораспылитель
|
пневматический
производительностью 1,4л/мин
|
1
|
смазка щитов
опалубки перед установкой
|
|
пила ручная
дисковая
|
глубина пропила
65см
|
1
|
распиловка
материала и разрезка досок
|
|
рулетка
|
в закрытом
корпусе Л3ПК3-20аут/1 ГОСТ 7502-80
|
2
|
плотничные
работы
|
|
молоток
слесарный
|
весом 0,8 кг
ГОСТ 2310-77
|
2
|
плотничные
работы
|
5.3 Потребное
количество машин и механизмов
Таблица - потребное количество машин и механизмов.
|
Наименование
машин и механизмов
|
Марка, тип
|
Характеристики
|
Применение
|
|
Экскаватор с
обратной лопатой
|
ЭО-4321
|
Vк=1м3;
Пэ=918м3/см
|
разработка
котлована
|
|
Бульдозер
|
Т-130 (ДЗ-28)
|
мощность
116,8к Вт (160 л. с.)
|
срезка
растительного слоя, планировка дна котлована
|
|
Копёр
|
СП-49 к
|
lmax=12м,
Q=8т
|
свайные работы
|
|
Дизель-молот
|
С-859
|
Еh=4800кгс*м mуд=1,8т
|
забивка свай
|
|
Автокран
|
К-162
|
lст=22м,
Qmin=5,5т
|
погрузка и
разгрузка материалов и изделий
|
|
Электротрамбовка
|
ИЭ-4502
|
hупл=40см
m=81,5кг
|
уплотнение
грунта
|
|
Вибротрамбовка
|
ИВ-102
|
hр=485мм;
d=75мм; m=16кг;
|
уплотнение
бетонной смеси
|
|
Автосамосвал
|
КаМаЗ 5511
|
Q=10т
|
перевозка
грунта
|
|
Насос
|
С-665
|
Пэ=120м3/ч
|
откачка воды
|
6. Контроль
качества работ
Земляные работы [6]
1. Размеры выемок, принимаемые в проекте,
должны обеспечивать размещение конструкций и механизированное производство
работ по забивке свай, монтажу фундаментов, устройству изоляции и других работ,
выполняемых в выемке, а также возможность перемещения людей в пазухе согласно
п.2. Размеры выемок по дну в натуре должны быть не менее установленных
проектом.
. При необходимости передвижения людей в
пазухе расстояние между поверхностью откоса и боковой поверхностью возводимого
в выемке сооружения должно быть в свету не менее 0,6 м.
3. Доработку недоборов до проектной отметки следует
производить с сохранением природного сложения грунтов оснований.
. Восполнение переборов в местах устройства фундаментов
должно быть выполнено местным грунтом с уплотнением до плотности грунта
естественного сложения основания или малосжимаемым грунтом (модуль деформации
не менее 20 МПа).
. Способ восстановления оснований, нарушенных в результате
затопления, а также переборов глубиной более 50 см, должен быть согласован с
проектной организацией.
. В проекте должна быть установлена крутизна откосов
грунтовых карьеров, резервов и постоянных отвалов после окончания земляных
работ в зависимости от направлений рекультивации и способов закрепления
поверхности откосов.
. Ширина проезжей части подъездных путей в пределах
разрабатываемых выемок и котлованов должна быть для самосвалов
грузоподъемностью до 12 т при двухстороннем движении - 7 м, при одностороннем -
3,5 м.
Свайные работы [6]
При погружении свай в соответствии с
требованием нормативных документов [6] ведется журнал, в котором отмечают:
номер сваи и дату погружения; количество ударов на каждый метр погружения,
массу молота и высоту его подъема, отказ от одного залога на заданной проектом
отметке нижнего конца свай.
Правильность забивки свай контролируют путем геодезической
съемки свайного поля в плане и по высоте.
Контроль ведется по операционной: контролируется каждая
операция. Основное требование - обеспечение требуемой несущей способности свай.
Несущая способность определяется статическими и динамическими испытаниями.
Статический: после забивки свай нагружают статической нагрузкой и определяют
несущую способность. Отказ определяется в конце погружения сваи не менее, чем
от трех последовательных ударов (залогов) с точностью до 0,1мм. Обычно
применяют залог - 10 ударов. Свая, не давшая расчетного проектного отказа
должна быть повергнута контрольной добивке после отдыха. Отдых может быть не
больше 20 суток. Сваи должны быть забиты на глубину не менее 85% от проектной
(при условии, что свая дала расчетный отказ). Если отказ превышает расчетный,
проектная организация должна провести контрольное испытание свай статической
нагрузкой и откорректировать проект свайного поля.
|
Технические
требования
|
Предельные
отклонения
|
Контроль (метод
и объем)
|
|
1. Установка на
место погружения свай размером по диагонали 0,6-1,0
|
Без кондуктора
±20 мм
|
С кондуктором
±10 мм
|
Измерительный,
каждая свая
|
|
2. Величина
отказа забиваемых свай
|
Не должна
превышать расчетной величины
|
Измерительный,
каждая свая
|
|
3. Отметки
голов свай с монолитным ростверком
|
±3 см
|
Измерительный,
каждая свая
|
|
4.
Вертикальность оси забивных свай, кроме свай-стоек
|
±2 %
|
Измерительный,
20 % свай, выбранных случайным образом
|
|
5. Требования к
головам свай, кроме свай, на которые нагрузки передаются непосредственно без
оголовка (платформенный стык)
|
Торцы должны
быть горизонтальными с отклонениями не более 5º, ширина сколов бетона по периметру сваи
не должна превышать 50 мм, клиновидные сколы по углам должны быть не глубже
35 мм и длиной не менее, чем на 30 мм короче глубины заделки
|
Технический
осмотр, каждая свая
|
|
6. Смещение
осей оголовника относительно осей сваи
|
±10 мм
|
Технический
осмотр, каждый оголовник
|
|
7. Толщина
растворного шва между ростверком и оголовником
|
Не более 30 мм
|
Технический
осмотр, каждый оголовник
|
|
|
|
|
Опалубочные, арматурные и бетонные работы
[7]
При производстве бетонных и железобетонных работ должен быть
обеспечен постоянный и тщательный лабораторный контроль на всех стадиях
производственного процесса.
Контролируются: качество приготовления бетона, качество
бетонной смеси после ее транспортирования у места укладки, готовность участков
сооружения для бетонирования (наличие подготовленного основания, соответствие
проекту арматуры, закладных частей, устройств для образования монтажных
отверстий и т.д.).
Все основные сведения о бетонировании конструкции заносятся
производите-лем работ или мастером в журнал производства бетонных работ. К ним
относятся: объемы выполненных бетонных работ, даты укладки бетона, время начала
и окончания бетонирования каждого участка (блока) сооружения, заданные марки и
рабочие составы бетонной смеси, данные паспортов на цемент и арматуру,
температура наружного воздуха во время укладки бетонной смеси и при
выдерживании бетона, даты изготовления контрольных образцов и результаты их
испытаний на 28-й день, даты распалубки конструкций.
При бетонировании в журнале фиксируют также температуру
бетонной смеси при выходе из бетоно-смесителя, в момент укладки и в
определенные периоды в процессе выдерживания бетона.
Качество бетонной смеси проверяется не реже двух раз в смену
путем контроля дозировки на бетонном заводе и подвижности бетонной смеси у
места приготовления и укладки в дело.
Арматурная сталь (стержневая, проволочная) и сортовой прокат,
арматурные изделия и закладные элементы должны соответствовать проекту и
требованиям соответствующих стандартов. Замена предусмотренной проектом
арматурной стали должны быть согласованы с заказчиком и проектной организацией.
Распалубка конструкции производится после достижения бетоном
распалубочной прочности. После распалубки забетонированные конструкции
принимают по акту. Комиссии предъявляют рабочие чертежи и акты на скрытые
работы, журнал производства работ, акты приемки арматуры, а при наличии
отклонений от проекта - документы о соответствующих согласованиях.
7. Техника
безопасности
а) Земляные работы.
1. До начала производства земляных работ в местах расположения
действующих подземных коммуникаций должны быть разработаны и согласованы с
организациям, эксплуатирующими эти коммуникации, мероприятия по безопасным
условиям труда, а расположение подземных коммуникаций на местности обозначено
соответствующими знаками или надписями.
2. Производство земляных работ в зоне действующих подземных
коммуникаций следует осуществлять под непосредственным руководством прораба или
мастера, а в охранной зоне кабелей, находящихся под напряжением, или действующего
газопровода, кроме того, под наблюдением работников электро - или газового
хозяйства.
3. При обнаружении взрывоопасных материалов земляные работы в этих
местах следует немедленно прекратить до получения разрешения от соответствующих
органов.
4. Котлованы и траншеи, разрабатываемые на улицах, проездах, во
дворах населенных пунктов, а также местах, где происходит движение людей или
транспорта, должны быть ограждены защитным ограждением с учетом требований ГОСТ
23407-78. На ограждении необходимо устанавливать предупредительные надписи и
знаки, а в ночное время - сигнальное освещение.
Места прохода людей через траншеи должны быть оборудованы переходными
мостиками, освещаемыми в ночное время.
5. Грунт, извлеченный из котлована или траншеи, следует размещать на
расстоянии не менее 0,5 м от бровки выемки.
6. Разрабатывать грунт в котлованах и траншеях "подкопом"
не допускается.
7. Валуны и камни, а также отслоения грунта, обнаруженные на откосах,
должны быть удалены.
8. При невозможности применения инвентарных креплений стенок
котлованов или траншей следует применять крепления, изготовленные по
индивидуальным проектам, утвержденным в установленном порядке.
9. При установке креплений верхняя часть их должна выступать над
бровкой выемки не менее чем на 15 см.
10. Устанавливать крепления необходимо в направлении сверху вниз по
мере разработки выемки на глубину не более 0,5 м.
Разборку креплений следует производить в направлении снизу
вверх по мере обратной засыпки выемки.
11. Перед допуском рабочих в котлованы или траншеи глубиной более 1,3
м должна быть проверена устойчивость откосов или крепления стен.
12. Котлованы и траншеи, разработанные в зимнее время, при наступлении
оттепели должны быть осмотрены, а по результатам осмотра должны быть приняты
меры к обеспечению устойчивости откосов или креплений.
14. Погрузка грунта на автосамосвалы должна производиться со стороны
заднего или бокового борта.
15. При разработке, транспортировании, разгрузке, планировке и
уплотнении грунта двумя или более самоходными или прицепными машинами
(скреперами, грейдерами, катками, бульдозерами и др.), идущими одна за другой,
расстояние между ними должно быть не менее 10 м.
б) Свайные работы.
. При производстве свайных работ не допускаются боковые
колебания наголовника и молота. Зазор между наголовником и направляющей не
должен быть больше 10 мм. При перерывах в работе молот опускают на голову сваи
или опирают на деревянную подставку.
. При работе копровых установок опасной зоной считают зону,
ограниченную окружностью, радиус которой равен полной длине копровой стрелы
плюс 5м с включением линейной зоны шириной 10 м.
. К работе на копровых установках допускают рабочих не моложе
18 лет, прошедших медицинское освидетельствование. Они должны знать правила
эксплуатации грузоподъемных механизмов, пройти обучение по технике безопасности
и получить соответствующее удостоверение.
. При прогреве грунта в проектах производства работ разрабатывают
мероприятия по предохранению рабочих от увечий. Участки, где прогревают грунт и
выполняют свайные работы, необходимо ограждать для предотвращения попадания на
площадку посторонних лиц.
. При срубке свай выделяют опасные зоны. Круговая зона вблизи
срубаемой сваи должна быть равна длине выступающей над землей сваи плюс 5 м.
Свайные работы осуществляют под руководством производителя работ или мастера.
в) Опалубочные, бетонные и арматурные работы
) Опалубку, применяемую для возведения монолитных
железобетонных конструкций, необходимо изготовлять и применять в соответствии с
проектом производства работ, утвержденным в установленном порядке.
2)